Моделирование структурных схем в среде SIMULINK пакета MATLAB
Целью данной лабораторной работы является изучение принципов и получения практических навыков моделирования структурных схем в среде SIMULINK пакета MATLAB.
ТЕОРЕТИЧЕСКИЕ ИССЛЕДОВАНИЯ
Задание 1
Построить график функции в декартовой системе координат. Результаты представить в виде графика.

Диапазон изменения аргумента: 0.1-1.8
Шаг: 1/20=0.05
Структурная схема для построения данного графика функции представлена на рисунке 1.1

Рисунок 1.1 – Структурная схема моделирования функции к заданию 1
Задание 2
Решить системы линейных и нелинейных уравнений. Начальные приближения:
;
Задана система линейных уравнений:
;
Преобразую систему к виду:
;
Структурная схема для решения данного линейного уравнения представлена на рисунке 1.2

Рисунок 1.2 - Структурная схема для решения системы линейных уравнений к заданию 2
Задана система нелинейных уравнений:
;
Преобразую систему к виду:
;
Структурная схема решения данного линейного уравнения представлена на рисунке 1.3

Рисунок 1.3 - Структурная схема для решения системы нелинейных уравнений к заданию 2
Задание 3
Осуществить моделирование структуры, представленной на рисунке 1.4

Рисунок 1.4 – Структурная схема к заданию 3
ЭКСПЕРИМЕНТАЛЬНЫЕ ИССЛЕДОВАНИЯ
Структурная
схема для построения
графика функции
к заданию 1 представлена на рисунке 2.1

Рисунок 2.1 – Структурная схема моделирования функции к заданию 1
Построил график функции к заданию 1, представленный на рисунке 2.2.

Рисунок 2.2 – График функции к заданию 1
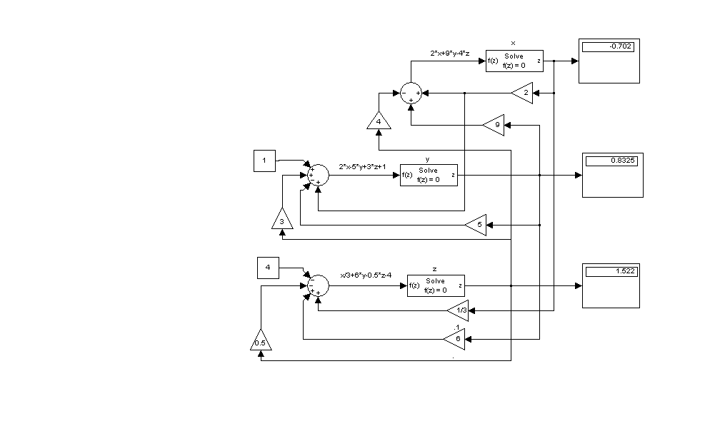
Задана система линейных уравнений:
;
Структурная схема для решения данного линейного уравнения представлена на рисунке 2.3
Р
исунок
2.3 - Структурная
схема для решения системы линейных
уравнений
к заданию 2
Построил структурные модели к заданию 2. Для линейной системы уравнений получил следующие значения:
;
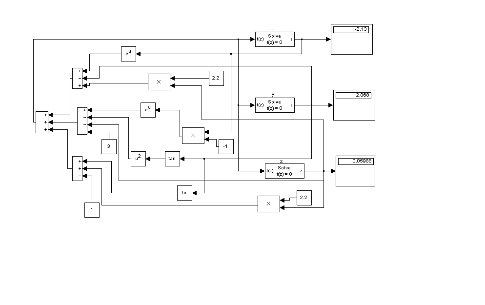
Задана система нелинейных уравнений:
;
Структурная схема решения данного линейного уравнения представлена на рисунке 2.4

Структурная схема для решения системы нелинейных уравнений к заданию 2.
Для нелинейной системы уравнений получил такие значения:
.
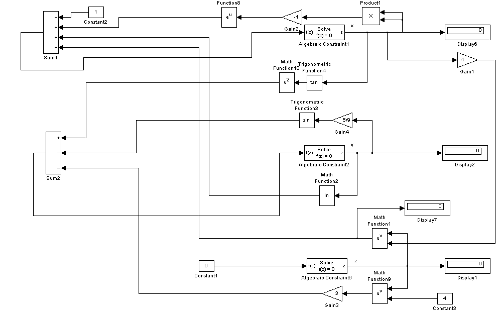
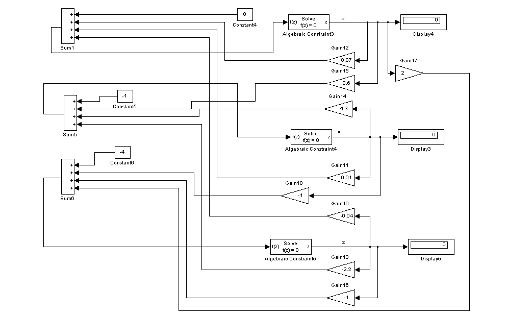
Построил структурную модель к заданию 3 (рисунок 2.5). График результатов работы модели F(t,y>1>) представлен на рисунке 2.6.

Рисунок 2.5 – Структурная схема к заданию 3

Рисунок 2.6 - График F(t,y>1>) результатов работы функции модели 3 к заданию 3
График результатов работы модели F(t,y>2>) представлен на рисунке 2.7.
y
Рисунок 2.7 - График F(t,y>2>) результатов работы функции модели 3 к заданию 3
ВЫВОДЫ
В результате выполнения данной лабораторной работы получил практические навыки моделирования структурных схем в среде SIMULINK пакета MATLAB. Также я научился строить графики функций в декартовой системе координат (рисунок 2.1). Я научился решать системы линейных и нелинейных уравнений, то есть нашел корни этих уравнений
А также получил результаты работы модели в задании 3 (рисунок 2.2 и 2.3).
Научился работать с такими блоками, как Sum, Algebraic Constraint, Gain, Product и другими.