Обработка данных в автоматизированных системах
Министерство образования и науки Украины
Севастопольский национальный технический университет
Кафедра технической кибернетики
КУРСОВОЙ ПРОЕКТ
на тему:
«Обработка данных в автоматизированных системах»
(альбом документов)
Севастополь
2006
ЗАДАНИЕ
на курсовой проект (работу) студента
Тема проекта (работы) Обработка данных в автоматизированных системах
Срок сдачи студентом законченного проекта (работы)
Исходные данные проекта (работы): внутреннее сопротивление датчика Rи = 100 (Ом); выходное напряжение датчика Uс = 2.5 (mВ), эффективное значение синфазной помехи Uсф = 1,1 (В), частота АЦП f = 500 (Гц), разрешение по частоте b = 5 (Гц), период дискретизации Т=0.002 (с), максимальная погрешность синфазной помехи =20%.
Содержание расчетно-пояснительной записки (список вопросов, которые подлежат разработке)
1. Разработка технического обеспечения: расчет информационно-измерительного канала автоматизированной системы, состоящего из дифференциального усилителя и активного фильтра, по исходным данным. 2. Разработка методического обеспечения: краткие теоретические сведения. 3. Разработка программного обеспечения: алгоритм и программа оценивания спектральной плотности.
Список графического материала (с точными определениями обязательных чертежей) схема электрическая принципиальная измерительного канала, схема алгоритма работы основной программы.
КАЛЕНДАРНЫЙ ПЛАН
|
№п/п |
Название этапов курсового проекта (работа) |
Срок выполнения этапов проекта (работы) |
Пометки |
|
1 |
Разработка технического обеспечения |
||
|
2 |
Расчет предварительного усилителя |
||
|
3 |
Расчет активного фильтра |
||
|
4 |
Разработка методического обеспечения |
||
|
5 |
Разработка прикладного программного обеспечения |
||
|
6 |
Оформление пояснительной записки |
||
|
7 |
Защита курсового проекта |
ОГЛАВЛЕНИЕ
Введение
1. Техническое обеспечение
1.1 Расчет информационно-измерительного канала САУ
2. Методическое обеспечение
2.1 Описание модели АЦП
2.2 Спектральный анализ на основе преобразования Фурье
3. Разработка прикладного программного обеспечения
3.1 Общие сведения
3.2 Описание используемых модулей
3.3 Руководство пользователя
3.4 Описание функций
3.5 Тестирование ПО
Заключение
Библиографический список
Приложения
ВВЕДЕНИЕ
Целью курсового проекта является разработка технического и программного обеспечения автоматизированной системы научных исследований (АСНИ).
АСНИ предназначена для спектрального анализа данных, поступающих от первичных преобразователей физических величин, характеризующих некоторый технологический процесс. В состав АСНИ входят следующие подсистемы:
подсистема измерений – информационно-измерительный канал (ИИК);
подсистема передачи данных;
подсистема обработки данных;
подсистема визуализации и документирования результатов.
Аналого-цифровые преобразователи (АЦП) являются устройствами, которые принимают входные аналоговые сигналы и генерируют соответствующие им цифровые сигналы, пригодные для обработки микропроцессорами и другими цифровыми устройствами.
Принципиально не исключена возможность непосредственного преобразования различных физических величин в цифровую форму, однако эту задачу удается решить лишь в редких случаях из-за сложности таких преобразователей. Поэтому в настоящее время наиболее рациональным признается способ преобразования различных по физической природе величин сначала в функционально связанные с ними электрические, а затем уже с помощью преобразователей напряжение - код - в цифровые. Именно эти преобразователи имеют обычно в виду, когда говорят об АЦП.
Современный этап характеризуется массовым использованием больших и сверхбольших интегральных схем ЦАП и АЦП обладающими высокими эксплуатационными параметрами: быстродействием, малыми погрешностями, многоразрядностью.
Включение АЦП единым, функционально законченным блоком упростило внедрение их в приборы и установки, используемые как в научных исследованиях, так и в промышленности и дало возможность быстрого обмена информацией между аналоговыми и цифровыми устройствами.
1. ТЕХНИЧЕСКОЕ ОБЕСПЕЧЕНИЕ
Подсистема сбора данных состоит из нескольких информационно-измерительных каналов и каналов управления (если система активного типа). Подсистему сбора данных (ПСД) в ряде случаев компонуют в виде подсистемы УСО.

Рисунок 1.1 – Подсистема сбора данных
УК – управляющий канал;
ИИК – информационно-измерительный канал;
МПС – микропроцессорная система;
У
К
содержит:
Рисунок 1.2 – Управляющий канал
НУ – нормирующий усилитель;
Д – датчик;
ДУ – дифференциальный усилитель;
Датчик предназначен для преобразования физических величин в аналоговые: сигнал – напряжение (или ток).
Дифференциальный усилитель предназначен для решения двух задач: подавление синфазной помехи и усиление сигнала от датчика.
Коэффициент подавления синфазного сигнала:
|
|
(1.1) |
Подавление синфазной помехи зависит от качества операционного усилителя. Значение Кос приводится в паспортных данных и зависит от навесных элементов (от разброса их номинальных значений).
ФНЧ. В электрических, радиотехнических и телемеханических установках часто решается задача: из совокупного сигнала, занимающего широкую полосу частот, выделить один или несколько составляющих сигналов с более узкой полосой. Сигналы заданной полосы выделяют при помощи частотных электрических фильтров.
К частотным электрическим фильтрам различной аппаратуры предъявляются разные, порой противоречивые требования. В одной области частот, которая называется полосой пропускания, сигналы не должны ослабляться, а в другой, называемой полосой задерживания, ослабление сигналов не должно быть меньше определенного значения. Фильтр считают идеальным, если в полосе пропускания отсутствует ослабление сигналов и фазо-частотная характеристика линейна (нет искажения формы сигналов), а вне полосы пропускания сигналы на выходе фильтра отсутствуют.
В зависимости от диапазона частот, относящихся к полосе пропускания, различают низкочастотные, высокочастотные, полосовые, полосно-подавляющие, избирательные (селективные) и заграждающие (режекторные) фильтры. Свойства линейных фильтров могут быть описаны передаточной функцией, которая равна отношению изображений по Лапласу выходного и входного сигналов фильтра. ФНЧ предотвращает попадание высокочастотных помех.
Фильтр низких частот применяется как противомаскировочный (противоподменный) фильтр для исключения эффекта подмены, так как предстоит дискретизация аналогового сигнала с частотой f>АЦП>, то задача заключается в предотвращении эффекта подмены. Ошибки дискретизации проявляются в возможности проявления эффектов подмены частот.
Параметры АЦП: частота Найквиста и частота дискретизации:
|
|
(1.2) |
|
|
(1.3) |
где Т – период дискретизации.
Эффект подмены частот возникает в том случае, когда fmax, которая находится в спектре исследуемого сигнала, fmax > F.
Если эффект подмены частот имеет место, то полученную выборку в виде цифровых отсчётов можем пропустить через цифровой фильтр высоких частот.
Для того чтобы предотвратить проявление эффекта подмены частот, необходимо перед АЦП поставить фильтр нижних частот, частота среза которого равнялась бы частоте Найквиста.
1.1 Расчет информационно-измерительного канала САУ
Дифференциальный измерительный усилитель:
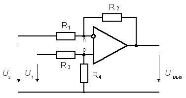
В простейшем случае в качестве измерительного усилителя может быть использован ОУ в дифференциальном включении (рисунок 1.3). При выполнении условия R1/R2=R3/R4 усиление дифференциального сигнала намного больше усиления синфазного сигнала и коэффициент ослабления синфазного сигнала (КОСС) будет максимальным.

Рисунок 1.3 - Схема простейшего измерительного усилителя
Uc.max = 2.5 мВ – выходное напряжение датчика;
Uсф = 1.1 В – эффективное значение синфазной помехи;
= 5% – допустимый процент подавления (максимальная погрешность) синфазной помехи;
Rc = 100 Ом – внутреннее сопротивление датчика;
Если КООС = 15000 (и выше) по найденному значению выбирают тип операционного усилителя. Требуемый коэффициент ослабления синфазной помехи:
|
|
(1.4) |
|
|
(1.5) |
Если не удается найти, то задача решается на 3-х операционных усилителях.
Определяется минимальный допустимый коэффициент усиления дифференциального сигнала:
|
|
(1.6) |
определяется из
следующих соображений: если резисторы
имеют допуск:
|
|
(1.7) |
|
|
(1.8) |
|
|
(1.9) |
Выбираем
= 0,01
|
|
(1.10) |
Для наилучшего согласования датчика с усилителем принимаем сопротивление датчика равным входному сопротивлению:
|
|
(1.11) |
|
|
(1.12) |
Находим сопротивление обратной связи:
|
|
(1.13) |
В качестве операционного усилителя DA принимаем K140УД9, который имеет коэффициент подавления синфазного сигнала не менее 80 дБ.
Фильтры нижних частот:
Схема простейшего фильтра нижних частот приведена на рисунке 1.1.2. Передаточная функция этого фильтра определяется выражением:
|
|
(1.14) |


Рисунок 1.4 - Простейший фильтр нижних частот первого порядка
Заменив
s на
,
получим частотную характеристику
фильтра. Для реализации общего подхода
целесообразно нормировать комплексную
переменную s. Положим
|
|
(1.15) |
где
– круговая частота среза фильтра. В
частотной области этому соответствует
|
|
(1.16) |
Частота
среза
фильтра
на рисунке 1.4 равна:
|
|
(1.17) |
отсюда получим
|
|
(1.18) |
|
|
(1.19) |
Используя передаточную функцию для оценки зависимости амплитуды выходного сигнала от частоты, запишем:
|
|
(1.20) |
При
,
т.е. для случая, когда частота входного
сигнала
»
,
|W(j
)|
= 1/
.
Это соответствует снижению коэффициента
передачи фильтра на 20 дБ на декаду.
Если необходимо получить более быстрое уменьшение коэффициента передачи, можно включить n фильтров нижних частот последовательно. Передаточная функция такой системы имеет вид:
|
|
(1.21) |
где
,
,...,
– действительные положительные
коэффициенты. Из этой формулы следует,
что |W(j
)|
~ 1/
при
.
Полюса передаточной функции вещественные
отрицательные. Таким свойством обладают
пассивные RC-фильтры n-го порядка. Соединив
последовательно фильтры с одинаковой
частотой среза, получим:
|
|
(1.22) |
-этот случай соответствует критическому затуханию.
Передаточная функция фильтра нижних частот (ФНЧ) в общем виде может быть записана как
|
|
(1.23) |
где
,
,...,
– положительные действительные
коэффициенты;
– коэффициент
усиления фильтра на нулевой частоте.
Порядок фильтра определяется максимальной степенью переменной S. Для реализации фильтра необходимо разложить полином знаменателя на множители. Если среди нулей полинома есть комплексные, то рассмотренное ранее представление полинома (1.5) не может быть использовано. В этом случае следует записать его в виде произведения квадратных трехчленов:
|
|
(1.24) |
где
и
– положительные действительные
коэффициенты. Для полиномов нечетных
порядков коэффициент b1 равен нулю.
Реализация комплексных нулей полинома на пассивных RC-цепях невозможна. Применение индуктивных катушек в низкочастотной области нежелательно из-за больших габаритов и сложности изготовления катушек, а также из-за появления паразитных индуктивных связей. Схемы с операционными усилителями позволяют обеспечить комплексные нули полиному без применения индуктивных катушек. Такие схемы называют активными фильтрами. Рассмотрим различные способы задания характеристик ФНЧ.
Широкое применение нашли фильтры Бесселя, Баттерворта и Чебышева, отличающиеся крутизной наклона амплитудно-частотной характеристики (АЧХ) в начале полосы задерживания и колебательностью переходного процесса при ступенчатом воздействии.
Амплитудно-частотная характеристика фильтра Баттерворта имеет довольно длинный горизонтальный участок и резко спадает за частотой среза. Переходная характеристика такого фильтра при ступенчатом входном сигнале имеет колебательный характер. С увеличением порядка фильтра колебания усиливаются.
Амплитудно-частотная характеристика фильтра Чебышева спадает более круто за частотой среза. В полосе пропускания она, однако, не монотонна, а имеет волнообразный характер с постоянной амплитудой. При заданном порядке фильтра более резкому спаду амплитудно-частотной характеристики за частотой среза соответствует большая неравномерность в полосе пропускания. Колебания переходного процесса при ступенчатом входном воздействии сильнее, чем у фильтра Баттерворта.
Фильтр Бесселя обладает оптимальной переходной характеристикой. Причиной этого является пропорциональность фазового сдвига выходного сигнала фильтра частоте входного сигнала. При равном порядке спад амплитудно-частотной характеристики фильтра Бесселя оказывается более пологим по сравнению с фильтрами Чебышева и Баттерворта.
Тот или иной вид фильтра при заданном его порядке определяется коэффициентами полинома передаточной функции (1.24) фильтра.
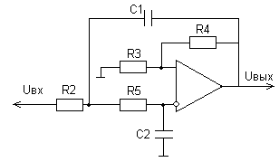
Реализация фильтров на операционных усилителях:
С
ростом порядка фильтра его фильтрующие
свойства улучшаются. На одном ОУ
достаточно просто реализуется фильтр
второго порядка. Для реализации фильтров
нижних частот, высших частот и полосовых
фильтров широкое применение нашла схема
фильтра второго порядка Саллена-Ки. На
рисунке 1.5 приведен ее вариант для ФНЧ.
Отрицательная обратная связь,
сформированная с помощью делителя
напряжения R3, (
–
1)R3, обеспечивает коэффициент усиления,
равный
.
Положительная обратная связь обусловлена
наличием конденсатора С2. Передаточная
функция фильтра имеет вид:
|
|
(1.25) |

Рисунок 1.5 - Активный фильтр нижних частот второго порядка
Расчет
схемы существенно упрощается, если с
самого начала задать некоторые
дополнительные условия. Можно выбрать
коэффициент усиления
.
Тогда (
– 1)R7 = 0, и резистивный делитель напряжения
в цепи отрицательной обратной связи
можно исключить. ОУ оказывается включенным
по схеме неинвертирующего повторителя.
В простейшем случае он может быть даже
заменен эмиттерным повторителем на
составном транзисторе. При
= 1 передаточная функция фильтра принимает
вид:
|
|
(1.26) |
Находим значение емкости конденсатора С1:
|
|
(1.27) |
|
|
(1.28) |
|
|
(1.29) |
В соответствии с методикой принимаем следующие параметры фильтра для расчёта элементов схемы Саллена – Ки: А = 1, В = 1.4142, С = 1
(фильтр Баттерворта второго порядка с коэффициентом передачи А = 1).
Находим значение емкости конденсатора С2:
|
|
(1.30) |
|
|
(1.31) |
Находим сопротивление резистора R2:
|
|
(1.32) |
|
|
(1.33) |
|
|
(1.34) |
|
|
(1.35) |
Так
как А = 1, то
,
а
.
Принимаем :
|
|
(1.36) |
В случае, если коэффициент передачи фильтра А>1, то величины R>3 >и R>4 >выбираются из условия R>4 >/R>3> = А–1. В качестве ОУ можно выбрать микросхему К140 УД9.
Расчет нормирующего усилителя:
В качестве нормирующего усилителя выбираем операционный усилитель LM 741:

Рисунок 1.6 – Схема нормирующего усилителя
Коэффициент усиления рассчитывается по формуле:
|
|
(1.37) |
Максимальное
значение амплитуды входного сигнала,
приемлемое для АЦП, равно
,
максимальное значение амплитуды входного
сигнала датчика равно
,
коэффициент усиления ФНЧ
,
коэффициент усиления ДУ
.
Тогда
|
|
(1.38) |
|
|
(1.39) |
Выбираем сопротивления: R9=1 кОм, R10=23 кОм.
2. МЕТОДИЧЕСКОЕ ОБЕСПЕЧЕНИЕ
2.1 Описание модели АЦП
Одной из важнейших задач, решаемых автоматизированными системами, является сбор и обработка данных, поступающих от первичных преобразователей (датчиков), установленных на объектах автоматизации. Эти данные рассматривают как временные ряды.
Временной ряд - это множество наблюдений, генерируемых последовательно во времени. В зависимости от того, как изменяется время: непрерывно или дискретно, различают временные ряды непрерывные и дискретные.
Современные автоматизированные системы обрабатывают данные с помощью компьютеров, поэтому все данные, которые поступают в виде аналоговых сигналов, преобразуются в цифровую форму.
При исследовании процесса аналого-цифрового преобразования будут рассматриваться следующие временные ряды:
Х(t) - исходная физическая величина (непрерывный ряд);
х(t) - выходной сигнал датчика в вольтах, соответствующий функции Х(t) (непрерывный ряд);
С(t) - выход х(t) датчика, переведенный в непрерывные отсчёты (непрерывный ряд);
С(iT) - выход х(t) датчика, переведенный в непрерывные отсчёты, выполненные в дискретные моменты времени с периодом Т (дискретный ряд);
с(i) - выход х(t) датчика, переведенный в округленные отсчёты, полученные после операции квантования (дискретный временной ряд);
е(i) - погрешность, равная С(iT) - с(i).
Фиктивный временной ряд С(t) введен здесь только для удобства. Как временной ряд С(t), так и ряд с(i) измеряются в одних единицах - отсчётах. Временной ряд С(t) есть просто результат линейного преобразования функции х(t) вида:
|
|
(2.1) |
Например, если динамический диапазон изменения значений временного ряда х(t) на входе АЦП лежит в пределах от -5В до + 5В и ему соответствует интервал изменения значений временного ряда С(t) от 0 до 1023 на выходе (АЦП имеет 10 разрядов), то А = 102.3 (отсч/В) и В = 511.5 (отсч/В).
2.2 Спектральный анализ на основе преобразования Фурье
Дискретное преобразование Фурье (финитное) определяется следующим соотношением:
|
|
(2.2) |
где X(k) - значение (комплексное) дискретного преобразования Фурье, определенное в частоте с номером k;
x(i) - значение (вещественное) исходного временного ряда, определенное в момент времени с номером i;
T - период дискретизации;
N - количество отсчетов (длина) временного ряда.
Дискретное преобразование Фурье связывает спектральную характеристику (комплексный спектр) X(k), определенную в дискретных значениях частоты (с номером k), с дискретными значениями временного ряда (сигнала) x(i), определенными в дискретные моменты времени (с номером i).
Точность представления спектральной характеристики определяется разрешением по частоте:
|
|
(2.3) |
Обратное дискретное преобразование Фурье определяется следующим соотношением:
|
|
(2.4) |
Из сравнения формул (2.2) и (2.4) следует, что они отличаются знаком показателя экспоненты, множителем перед знаком суммы, а также переменной суммирования. Это позволяет строить единые программы для прямого и обратного преобразований Фурье.
Применяя формулу Эйлера, выражение (2.2) можно привести к виду:
|
|
(2.5) |
где
|
|
(2.6) |
Оценивание спектральной плотности мощности (СПМ) с помощью дискретного преобразования Фурье осуществляется по формуле:
|
|
(2.7) |
где X(k)
- дискретное преобразование Фурье
(спектральная характеристика) временного
ряда
,
соответствующего процессу x(t), обладающего
свойством эргодичности;
T - период дискретизации процесса x(t);
N - длина временного ряда.
Черта
в правой части формулы (2.7) означает
операцию осреднения. Применение формулы
(2.7) без операции осреднения приводит к
получению "грубой" оценки СПМ.
Формула (2.6) позволяет вычислить оценку
СПМ посредством статистического
осреднения модуля спектральной
характеристики совокупности данных,
поделенного на длину записи данных.
Статистическое осреднение необходимо
здесь потому, что ординаты спектральной
характеристики являются случайными
величинами, изменяющимися для каждой
используемой реализации случайного
временного ряда
.
Операция
осреднения уменьшает статистическую
изменчивость, или повышает статистическую
устойчивость. В спектральном анализе
случайных временных рядов на статистическую
устойчивость влияют два параметра -
разрешение по частоте
и длина записи
.
Можно
показать, что оценки ПСМ приближенно
имеют распределение
с
n степенями свободы, где
.
Более того, для достаточно больших n,
например,
,
распределение
аппроксимируется гауссовским (нормальным)
распределением. В этом случае нормированное
стандартное отклонение (стандартное
отклонение, связанное с оцениваемой
величиной, т.е. процентная ошибка, или,
в статистической терминологии,
"коэффициент разброса") определяется
соотношением:
|
|
(2.8) |
Величину
называют стандартной ошибкой. Если
,
то
.
Результат означает, что вычисление оценки СПМ с использованием полной длины временного ряда имеет стандартную ошибку, равную 100%.
Если
отрезок
поделить на m участков, то в этом случае:
|
|
(2.9) |
Подставляя полученный результат в (2.7), найдем:
|
|
(2.10) |
Таким
образом, для повышения точности оценивания
СПМ необходимо исходный временной ряд
длины N разбить на m участков длины Nу,
вычислить для каждого i-го участка
по формуле (1), а затем найти осредненную
оценку по формуле:
|
|
(2.11) |
Следует
иметь в виду, что разрешение по частоте
в рассмотренном случае определяется
из соотношения
.
Число степеней свободы для найденной
оценки СПМ можно найти следующим образом:
|
|
(2.12) |
Следовательно, для повышения степеней свободы и, соответственно, статистической устойчивости оценок СПМ необходимо увеличивать число участков для осреднения.
Повышение числа степеней свободы можно достичь другим способом - осреднением по частотам.
Сглаженная оценка:
|
|
(2.13) |
полученная
осреднением
- соседних оценок спектральной
характеристики, имеет распределение
с числом степеней свободы, равным
примерно 2l. Это следует из теории о
сложении величин, имеющих распределение
.
Следует отметить, что разрешение по частоте в данном случае определится из соотношения:
|
|
(2.14) |
Поскольку
операция осреднения линейная, оценку
СПМ можно найти, комбинируя осреднение
по участкам с осреднением по частотам.
При этом сначала выполняется осреднение
по участкам, а затем - по частотам. При
осреднении по m участкам с последующим
осреднением
соседних спектральных оценок в итоге
получаются оценки, число степеней
свободы которых равно
.
Разрешение в этом случае равно
.
3. РАЗРАБОТКА ПРИКЛАДНОГО ПРОГРАММНОГО ОБЕСПЕЧЕНИЯ
Программное обеспечение разрабатывается в виде стандартного приложения для операционной системы Windows. Она наиболее распространена среди потенциальных пользователей разрабатываемого программного продукта, а использование оконного интерфейса позволяет сделать приложение наглядным и простым в использовании.
3.1 Общие сведения
Разрабатываемая программа предназначена для моделирования работы системы обработки информации, состоящая из АЦП и блока анализа. Блок анализа позволяет находить характеристики генерируемого временного ряда, производить прямое и обратное преобразование Фурье и анализировать полученные результаты, оценивать спектральную плотность мощности несколькими способами. В программе так же предусматривается блок, генерирующий исходный временной ряд (поступающий на вход АЦП).
Входными данными для программы являются: разрядность АЦП; динамический диапазон напряжений АЦП; период дискретизации АЦП; амплитуда входного сигнала; число отсчетов (элементов генерируемого временного ряда); число гармоник и их величины; разрешение по частоте; % погрешность оценивания спектральных плотностей; база усреднения.
Выходными данными являются ряды: исходный временной ряд, дискретный временной ряд, ошибка квантования, грубая и сглаженные оценки спектров мощности и т.д.
3.2 Описание используемых модулей
Программа состоит из одного основного модуля Unit1 и дополнительного модуля Unit2. Также в программе используются функции ftt и mo, оформленные в одноименные модули.
Модуль Unit1 представляет собой главное окно программы и содержит основные функции: tsg – генерации временного ряда, grub- анализа грубой оценки и оценки осредненной по частоте, sred – анализа оценки осредненной с помощью разбиения на участки и smooth – анализа оценки со спектральным окном.
Модуль Unit2 является вспомогательным и содержит только информативные сообщения.
Модуль FFT содержит функцию быстрого преобразования Фурье.
Модуль MO содержит функцию, выполняющую нахождение математического ожидания временного ряда.
3.3 Руководство пользователя
При запуске программы открывается окно следующего вида

Рисунок 3.1 – Общий вид окна программы
Окно состоит из нескольких основных частей. Блок ввода исходных данных, где необходимо ввести параметры временного ряда, подлежащего генерации. Все данные вводятся в численном виде, знак разделения – запятая. Число гармоник задается компонентой SpinEdit, и сразу после изменения ее значения в таблице под ней устанавливается соответствующее число ячеек для ввода значений гармоник. Число гармоник в данной программе можно устанавливать в пределах от 1 до 20.
Исходные данные для спектрального анализа вводятся аналогичным образом. Это процентная ошибка, разрешение по частоте и база осреднения.
Блок операций позволяет осуществлять три операции. Это генерация ряда, спектральный анализ и очистка графиков и таблиц.
Генерация ряда проводится на основе введенных данных для ряда. Данные дискретного временного ряда сохраняются в файл. При этом выводятся графики исходного ряда, ряда на выходе АЦП, ошибки квантования, а также численные данные по этим рядам. Последнее будет выглядеть так:

Рисунок 3.2 – Вид окна программы после генерации ряда
Вид окна с графиком, например, исходного врем. ряда, будет таким:

Рисунок 3.3 – Исходный врем. ряд после его генерации
Осуществив ввод данных для спектрального анализа, нажимаем на кнопку «Спектральный анализ». Будут построены графики грубой и осредненной оценок спектральной плотности мощности, а также выведены численные данные по ним, спектры построены в виде гистограмм.
В таблицу выводятся как значения ординат спектров, так и частоты, соответствующие им, отдельно для грубой оценки СПМ и для оценки осредненной по участкам. Для оценки осредненной по частотам частоты те же, что и для грубой оценки СПМ.
Так будет выглядеть окно с численными данными после спектрального анализа:

Рисунок 3.4 – Вид окна программы после спектрального анализа
Эти данные сохраняются в файл, чтобы обеспечить возможность построения их впоследствии, в том числе и в других прикладных программах.
Окно с графиком, например, грубой оценки СПМ, будет выглядеть так:

Рисунок 3.5 – Вид окна программы после спектрального анализа
3.4 Описание функций
void __fastcall tsg (int Nt, int Ng, float amp, float dt, float *fi, float *vr) - служит для генерации временного ряда. Алгоритм получения временного ряда заключается в суммировании значений всех гармоник в каждый конкретный момент времени. Количество отсчетов времени задается, и конец временного интервала получается путем умножения числа отсчетов на период дискретизации.
Nt – длина временного ряда;
Ng – количество гармоник;
mp – амплитуда гармоник;
dt – период дискретизации;
fi – входной массив частот гармоник;
vr – выходной массив (временной ряд);
void smooth(int N, float *mas, float *mas1, int num)
Функция окон сглаживания в зависимости от передаваемого ей индекса применяет алгоритм сглаживания либо с помощью окна Гудмена, либо окна Гудмена-Эноксона-Отнеса. Используется в качестве вспомогательной функции при вычислении оценки спектральной плотности мощности.
N –длина в. р.
mas –в. р., подлежащий сглаживанию
num – индекс вида окна. num=1 – окно Гудмена, num=2 – окно Гудмена-Эриксона-Отнеса
mas1 – сглаженный в. р.
float fft (float *x, float *y, Int N, Int m, Int Ind) – быстрое преобразование Фурье.
x и y – входные/выходные массивы;
N – длина временного ряда;
m – степень двойки (разрядность АЦП);
Ind – показатель преобразования БПФ: Ind =1 – прямое, Ind =2 – обратное.
void sred (float *x, float *y, float *vr, int Nt, float dt, float amp, float b) – предполагает вычисление сглаженной оценки методом усреднения по отрезкам (участкам).
x и y – входные/выходные массивы;
Nt – длина временного ряда;
dt – период дискретизации;
amp – амплитуда гармоник;
vr – входной массив (временной ряд);
b – разрешение;
void __fastcall grub (float *x, float *y, float *vr, int Nt, float b, float dt, float amp) – содержит в себе вычисление грубой оценки спектральной плотности, а так же вычисляет в зависимости от заданных условий сглаженную по частотам оценку плотности.
x и y – входные/выходные массивы;
Nt – длина временного ряда;
dt – период дискретизации;
amp – амплитуда гармоник;
vr – входной массив (временной ряд);
b – разрешение.
3.5 Тестирование ПО
Исходные данные:
Количество гармоник – 5;
Частоты гармоник: 60, 80, 100, 120, 140;
Период дискретизации – 0,002 с;
Разрядность АЦП – 12
Амплитуда сигнала – 2,5 В
Диапазон входных напряжений от -2,5 В до +2,5 В;
Статическая ошибка – 20%;
Разрешение – 5 Гц;
Результатами работы программы являются исходный (рис. 3.6) и дискретный (рис. 3.7) временные ряды, грубая (рис. 3.8) оценка СПМ, сглаженные оценки СПМ методами осреднения по участкам (рис. 3.9), по частотам (рис. 3.10) и оценка СПМ со спектральным окном (рис. 3.11)

Рисунок 3.6 – Исходный временной ряд

Рисунок 3.7 – Дискретный временной ряд

Рисунок 3.8 – Грубая оценка СПМ

Рисунок 3.9 - Сглаженная оценка СПМ методом осреднения по участкам

Рисунок 3.10 - Сглаженная оценка СПМ методом осреднения по частотам

Рисунок 3.11 - Оценка СПМ со спектральным окном
Уже при анализе грубого спектра мы можем наблюдать пять всплесков, соответствующих пяти гармоникам входного сигнала. Соответствующие всплескам частоты, как мы можем заметить, равны частотам гармоник сигнала. В нашем примере это частоты 60, 80, 100, 120, 140 Гц.
При осреднении грубой оценки двумя методами выявляются следующие закономерности. Во-первых, наблюдается эффект размывания частот. Для метода осреднения по частотам, например, он зависит от выбора базы осреднения. Во-вторых, можно заметить выравнивание всплесков по амплитуде или же, по крайней мере, сокращение разброса значений. Отметим, что наиболее наглядно эффект осреднения грубой оценки СПМ прослеживается при наличии в ней случайной составляющей (зашумления).
ЗАКЛЮЧЕНИЕ
В данном курсовом проекте разработали техническое и программное обеспечение автоматизированной системы научных исследований (АСНИ).
Был выполнен расчет информационно-измерительного канала АСНИ, состоящего из дифференциального усилителя и активного фильтра по исходным данным. Определили необходимый КООС (коэффициент ослабления синфазного сигнала), минимально необходимый коэффициент усиления дифференциального сигнала Кдиф, выбрали схемотехническое решение, нашли подходящий тип операционного усилителя и рассчитали элементы схемы в соответствии с найденным Кдиф. Порядок фильтра приняли равным 2.
Разработали программное обеспечение и алгоритмы, программу оценивания спектральной плотности с разрешением по частоте b. При этом рассчитали необходимую длину исходного временного ряда для периода дискретизации Т и ошибки оценивания .
Воспользовались языком программирования С++ и готовым программным модулем быстрого преобразования Фурье.
Разработанная программа позволяет моделировать работу АСНИ:
генерирует исходный временной ряд;
моделирует работу АЦП;
анализирует грубую оценку спектральной плотности мощности;
анализирует улучшенную оценку спектральной плотности мощности двумя методами – разбиением на участки, осреднением по частотам.
БИБЛИОГРАФИЧЕСКИЙ СПИСОК
1. Моделирование и обработка данных, поступающих от аналого-цифровых преобразователей: Методические указания к выполнению лабораторной работы по дисциплине "Обработка данных в автоматизированных системах" / Сост. Л.А. Краснодубец. – Севастополь: Изд-во СевНТУ, 2002.–11с.
2. Исследование дискретного преобразования Фурье: Методические указания к выполнению лабораторной работы по дисциплине "Обработка данных в автоматизированных системах" / Сост. Л.А. Краснодубец. – Севастополь: Изд-во СевНТУ, 2002.– 13с.
3. Оценивание спектральных плотностей при помощи быстрого преобразования Фурье: Методические указания к выполнению лабораторной работы по дисциплине "Обработка данных в автоматизированных системах" / Сост. Л.А. Краснодубец. – Севастополь: Изд-во СевНТУ, 2002.– 13с.
4. А.Я. Архангельский – Программирование в Delphi 6.– М.: ЗАО "Издательство БИНОМ", 2002 г. – 1120 с.
5. Х.М. Дейтл, П. Дж. Дейтл – Как программировать на С++. – М.: ЗАО «Издательство БИНОМ», 2003 г. – 1031с.
6. ГОСТ 2.105-95 ЕСКД. Общие требования к текстовым документам.
7. ГОСТ 2. 701–84 ЕСКД. Схемы. Виды и типы. Общие требования к выполнению.
ПРИЛОЖЕНИЕ А (ОБЯЗАТЕЛЬНОЕ)
Текст программы
//---------------------------------------------------------------------------
#include <vcl.h>
#pragma hdrstop
#include <math.h>
#include "fft.cpp"
#include "Unit1__my.h"
#include "Unit2.h"
#include "Unit3.h"
#include "fstream.h"
#include "mo.cpp"
//---------------------------------------------------------------------------
#pragma package(smart_init)
#pragma link "CSPIN"
#pragma resource "*.dfm"
TADC *ADC;
//---------------------------------------------------------------------------
void smooth(int N,float *mas,float *mas1,int num)
{float a[4];int l1,l2;
if (num==1) {a[1]=0.1817;a[2]=-0.1707;a[3]=0.1476;}
if (num==2) {a[1]=0.35;a[2]=-0.0875;a[3]=0.0625;}
for (int k=0;k<N;k++)
{mas1[k]=mas[k];
for (int i=1;i<=3;i++){
if ((k-i)<0) l1=k-i+N;
else l1=k-i;
if ((k+i)>N-1) l2=k+i-N;
else l2=k+i;
mas1[k]=mas1[k]+a[i]*(mas[l1]+mas[l2]);}
if (num==1) mas1[k]=mas1[k]*1.1679;
if (num==2) mas1[k]=mas1[k]*1.267;
}
}
//---------------------------------------------------------------------------
__fastcall TADC::TADC(TComponent* Owner)
: TForm(Owner)
{
}
//---------------------------------------------------------------------------
void __fastcall tsg(int Nt,int Ng, float amp,float dt,float *fi,float *vr)
{
int i,j;
float ti,s;
try{
ti=0.0;
for(j=0;j<Nt;j++){
s=0.0;for(i=0;i<Ng;i++) s+=amp*sin(2.0*M_PI*fi[i]*ti)/Ng;
vr[j]=s;
ti+=dt;
}
}catch (...){
Application->MessageBox("Проверь себя!!!","Ошибочка вышла", MB_OK);
}
}
void __fastcall TADC::HarmonicNumberChange(TObject *Sender)
{
Freq->RowCount=HarmonicNumber->Value;
}
//---------------------------------------------------------------------------
void __fastcall TADC::Button1Click(TObject *Sender)
{
float dt, *vr, *fi, b, eps, ti, amp, Umin, Umax, Cx;
int Nt, Ng, i, level;
TListItem *ListItem;
Series1->Clear();
LineSeries1->Clear();
try{
std:: FILE *outfile;
SaveDialog->Title = "Сохранение файла временного ряда";
if((eps = StrToFloat(Error->Text))<=0) eps=1;
if(eps >1) eps=1;
if((b = StrToFloat(BText->Text))<=0) b=1;
Ng=StrToInt(HarmonicNumber->Value);
dt=StrToFloat(dtText->Text);
Nt=(int)1.0/(dt*b);
amp=StrToFloat(Amlitude->Text);
Nt = pow(2,ceil(log(Nt/sqrt(eps))/log(2)));
Umin=StrToFloat(MinUText->Text);
Umax=StrToFloat(MaxUText->Text);
Cx=(pow(2,StrToInt(CapacityText->Text))-1)/(Umax-Umin);
if (SaveDialog->Execute()){
outfile = std::fopen(SaveDialog->FileName.c_str(), "w");
if (outfile)
{fprintf(outfile,"%f\n%d\n%f\n",dt,Nt,amp);
}
fi=(float*)malloc(Ng*sizeof(float));
for(i=0;i<Ng;i++) fi[i]=StrToFloat(Freq->Cells[0][i]);
vr=(float*)malloc(Nt*sizeof(float));
tsg(Nt,Ng, amp, dt, fi, vr);
ti=0.0;
ListView1->Items->Clear();
ListView1->Column[2]->Caption="Исходный временной ряд";
ListView1->Column[3]->Caption="Дискретный временной ряд";
for(i=0;i<Nt;i++,ti+=dt) {
LineSeries1->AddXY(ti,vr[i],"",clRed);
ListItem=ListView1->Items->Add();
ListItem->Caption=IntToStr(i);
ListItem->sub>Items->Add(FloatToStr(ti));
ListItem->sub>Items->Add(FloatToStr(vr[i]));
if(vr[i]<Umin) vr[i]=Umin;
else if(vr[i]>Umax) vr[i]=Umax;
level=floor(Cx*(vr[i]-Umin)+0.4999999);
ListItem->sub>Items->Add(IntToStr(level));
fprintf(outfile,"%d\n",level);
Series1->AddXY(i,level,"",clGreen);
}
fclose(outfile);free(fi);free(vr);}
}catch (...){
Application->MessageBox("Проверь себя!!!","Ошибочка вышла", MB_OK);
}
}
//---------------------------------------------------------------------------
void __fastcall TADC::Button2Click(TObject *Sender)
{
int Nt,i,j;
float *vr, *x, *y, amp, dt, mx, *Sxx,*Sxx1;
std:: FILE *DR,*VR;
TListItem *ListItem;
Series1->Clear();
BarSeries1->Clear();
BarSeries2->Clear();
try {
float b=StrToFloat(BText->Text);
OpenDialog->Title="Загрузка файла с временным рядом";
if(OpenDialog->Execute()){
VR=std::fopen(OpenDialog->FileName.c_str(),"r");
fscanf(VR,"%f\n%d\n%f\n",&dt,&Nt,&);
//Чтение временного ряда
vr=(float*)malloc(Nt*sizeof(float));
x=(float*)malloc(Nt*sizeof(float));
y=(float*)malloc(Nt*sizeof(float));
Sxx=(float*)malloc(Nt*sizeof(float));
Sxx1=(float*)malloc(Nt*sizeof(float));
float ti=0.0;
ListView1->Items->Clear();
ListView1->Column[2]->Caption="Дискретный временной ряд";
ListView1->Column[3]->Caption="Центрированный временной ряд";
for(i=0;i<Nt;i++,ti+=dt) {fscanf(VR,"%f\n",&vr[i]);
Series1->AddXY(i,vr[i],"",clGreen);
ListItem=ListView1->Items->Add();
ListItem->Caption=IntToStr(i);
ListItem->sub>Items->Add(FloatToStr(ti));
ListItem->sub>Items->Add(FloatToStr(vr[i]));
}
SaveDialog->Title = "Сохранение файла грубой оценки";
int razm=ceil(log(Nt)/log(2));
int N1=pow(2,ceil(log(Nt)/log(2)));
if (SaveDialog->Execute()){
DR = std::fopen(SaveDialog->FileName.c_str(), "w");
fprintf(DR,"%f\n%d\n%f\n",dt,N1,amp);
for(i=0;i<N1;i++){x[i]=vr[i];y[i]=0.0;}
mx=me(vr,N1);
for(i=0;i<N1;i++) {x[i]=x[i]-mx;
//Sxx[i]=x[i]; Sxx1[i]=y[i]; //
ListItem=ListView1->Items->Item[i];
ListItem->sub>Items->Add(FloatToStr(x[i]));
}
fft(x,y,N1,razm,1); //
//fft(Sxx,Sxx1,N1,razm,1); //
//smooth(N1,Sxx,x,1); smooth(N1,Sxx1,y,1); //
for(i=0;i<N1;i++) Sxx[i]=(dt/Nt)*(x[i]*x[i]+y[i]*y[i]);
float b1=1/(dt*N1);
for(i=0;i<N1;i++){ fprintf(DR,"%f\n",Sxx[i]);
BarSeries1->AddXY(i*b1,Sxx[i],"",clTeeColor);
ListItem=ListView1->Items->Item[i];
ListItem->sub>Items->Add(FloatToStr(i*b1));
ListItem->sub>Items->Add(FloatToStr(Sxx[i]));
}
fclose(DR);
if(RadioGroup1->ItemIndex==1)
{
//Осреднение по частоте
float s=0.0;
int l=StrToInt(FreqEdit->Text);
SaveDialog->Title="Сохранение файла оценки методом частотного осреднения";
if(SaveDialog->Execute())
{DR = std::fopen(SaveDialog->FileName.c_str(), "w");
fprintf(DR,"%f\n%d\n%f\n",dt,N1,amp);
for(i=0;i<N1-l;i++){s=0.0;
for(j=i;j<i+l;j++)s=s+Sxx[j];
fprintf(DR,"%f\n",s/l);
BarSeries2->AddXY(i*b1,s/l,"",clTeeColor);
ListItem=ListView1->Items->Item[i];
ListItem->sub>Items->Add(FloatToStr(i*b1));
ListItem->sub>Items->Add(FloatToStr(s/l));
}
fclose(DR);
}
}else if(RadioGroup1->ItemIndex==0){
// Осреднение по участкам
SaveDialog->Title = "Сохранение файла оценки методом разбиения на участки";
int Ny=1/(dt*b);
razm=ceil(log(Ny)/log(2));
Ny=pow(2,razm);
if (SaveDialog->Execute()){
DR = std::fopen(SaveDialog->FileName.c_str(), "w");
fprintf(DR,"%f\n%d\n%f\n",dt,Ny,amp);
int m=ceil(Nt/Ny);
for(i=0;i<Ny;i++) Sxx[i]=0;
for(j=0;j<m;j++){
for(i=0;i<Ny;i++) if (j*Ny+i>Nt) {x[i]=0;y[i]=0;} else {x[i]=vr[j*Ny+i];y[i]=0;}
mx=me(x,Ny);for(i=0;i<Ny;i++) x[i]=x[i]-mx;
fft(x,y,Ny,razm,1);
for(i=0;i<Ny;i++) Sxx[i]+=(dt/Ny)*(x[i]*x[i]+y[i]*y[i]);
}
for(i=0;i<Ny;i++) {
fprintf(DR,"%f\n",Sxx[i]/m);
float b1=1/(dt*Ny);
BarSeries2->AddXY(i*b1,Sxx[i]/m,"",clTeeColor);
ListItem=ListView1->Items->Item[i];
ListItem->sub>Items->Add(FloatToStr(i*b1));
ListItem->sub>Items->Add(FloatToStr(Sxx[i]/m));
}
fclose(DR);
}
}
}
free(vr); free(x); free(y); free(Sxx);
fclose(VR); }
}catch(...)
{
Application->MessageBox("Проверь себя!!!","Ошибочка вышла", MB_OK);}
}
//---------------------------------------------------------------------------
void __fastcall TADC::Help1Click(TObject *Sender)
{
Form2->Visible=true;
}
//---------------------------------------------------------------------------
void __fastcall TADC::N5Click(TObject *Sender)
{
Form3->Visible=true;
}
//---------------------------------------------------------------------------
void __fastcall TADC::N6Click(TObject *Sender)
{
ADC->Close();
}
//---------------------------------------------------------------------------

































(Ом)


















