Постійні запам’ятовувальні пристрої
Полтавський Військовий Інститут Зв’язку
Кафедра схемотехніки радіоелектронних систем
ОБЧИСЛЮВАЛЬНА ТЕХНІКА ТА МІКРОПРОЦЕСОРИ
напрям підготовки 0924 «Телекомунікації»
Постійні запам’ятовувальні пристрої.
Полтава – 2006
Навчальна література.
Мікропроцесорна техніка: Підручник/ Ю.І. Якименко та інш. – К.: ІВЦ Політехніка; Кондор, 2004. с. 189 – 217.
Угрюмов Е.П. Цифровая схемотехніка. – СПб.: БХВ-Петербург, 2002. с. 195 – 216.
Мюллер, Скотт. Модернизация и ремонт ПК, 16-е изд. – М.: Издательский дом «Вильямс», 2006. с. 429 – 487.
ВСТУП.
Постійні запам'ятовуючі пристрої призначені для зберігання одноразово записаної до них інформації, яка має зберігатися навіть за умов знеструмлення комп'ютеру. Такою інформацією є, наприклад, дані і програми, потрібні для завантаження операційної системи та керування роботою зовнішніх пристроїв комп'ютеру (BIOS). Таким чином, постійний запам'ятовуючий пристрій – це пам'ять комп'ютера, призначена для зберігання службових програм і даних, які не можуть бути змінені у процесі його роботи.
Для позначення ПЗП застосовується абревіатура ROM, яка відображає функціональне призначення ПЗП: (Read-Only Memory) – пам'ять тільки для читання.
Постійні запам'ятовуючі пристрої мають більше варіантів побудови ніж оперативні. Мікросхеми пам'яті розташовуються на системній платі комп'ютера, на платі контролерів зовнішніх пристроїв, відеоадаптера та взагалі у контролерах усіх пристроїв комп'ютера, що мають власні керуючі процесори (мікроконтролери). Усі ПЗП є енергонезалежними.
1. Класифікація та характеристики сучасних ПЗП
За способом організації доступу до пам'яті ПЗП – це пристрої з безпосереднім (довільним) доступом.
За методом пошуку необхідного слова (необхідної ділянки) – це адресні пристрої (тобто інформація відшукується за вказаною адресою).
По типу фізичного середовища, яке здійснює зберігання інформації, ПЗП, як правило є напівпровідниковими пристроями.
За способом зберігання інформації ПЗП мають статичну пам'ять.
За способом запису (перезапису) інформації ПЗП можна класифікувати згідно рис. 1.

Рис.1 Класифікація ПЗП за способом запису (перезапису) інформації.
Основними характеристиками мікросхем постійної пам’яті є:
Ємність (Обсяг пам'яті). Нагадаємо, що загальна ємність мікросхеми пам’яті це добуток глибини адресного простору (Depth Adress – кількість біт інформації, яке зберігається в комірках кожної матриці) на кількість ліній вводу/виводу (розрядів). Для сучасних ПЗП, в залежності від призначення цей показник може змінюватися в широких межах від декількох Кбайт до декількох Гбайт (FLASH пам’ять).
Розрядність. Нагадаємо, що цей показник визначається кількістю бітів розміщених в комірках пам’яті.
Швидкодія. Визначається часом доступу для операцій запису або читання інформації. Для сучасних ПЗП він складає одиниці-десятки мкс.
Часова діаграма. (або кількість тактів, які необхідні МП для виконання операцій запису або зчитування даних. Читання даних з ПЗП, звичайно, потребує двох тактів.
6. Кількість циклів запису – стирання (Для РПЗП). До 106.
7. Час стирання мікросхеми. Менше 10 мс (для ЕЕРROM).
8. Надійність. Інформація може зберігатися десятки років.
2. Маскові постійні запам’ятовувальні пристрої.
Самі прості з ПЗП - маскові. Головною властивістю маскових ПЗП є те, що інформація до них записується ще на етапі виготовлення кристалу мікросхеми пам’яті. Для цього використовують спеціальні маски (шаблони), які визначають порядок з'єднань між елементами пам'яті на напівпровідниковому кристалі. Зрозуміло, що таким чином не варто виготовляти декілька сотень мікросхем – мова йде про дійсно великі партії. Саме так виготовляють пам'ять для застосування у автоматах з жорсткою логікою (на зразок пральних машин або відеоплеєрів), для запису програм управління роботою клавіатури, монітора, для використання у якості таблиці знакогенератора матричного принтера, навіть деякі з перших програм керування роботою системної плати ЕОМ – BIOS, були записані до мікросхем такого типу ПЗП.
Р

Рис. 2. УГП мікросхеми ПЗП
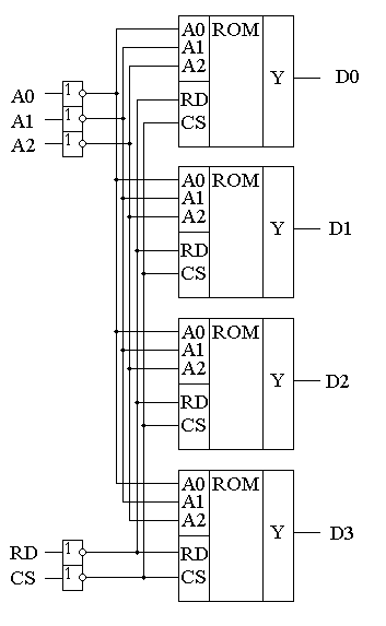
озглянемо більш детально побудову модулів маскових ПЗП. На рис 2. зображено УГП ПЗП на вісім однорозрядних комірок. Запис конкретного біта в однорозрядну комірку здійснюється підключенням дроту до джерела живлення (запис одиниці) або підключенням дроту до корпусу (запис нуля). Адреси комірок пам’яті в цій мікросхемі подаються на выводи A0 ... A2. Мікросхема вибирається сигналом CS. Читання мікросхеми відбувається сигналом RD.Для збільшення розрядності комірки пам'яті ПЗП ці мікросхеми з’єднують паралельно. Схема паралельного з’єднання однорозрядних ПЗП приведена на рис. 3.

Рис. 3. Схема багаторозрядного ПЗП.
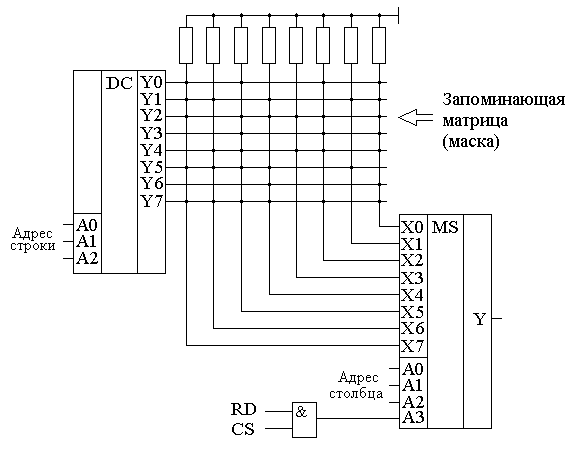
Для зменшення об’єму схеми дешифратора, необхідного для роботи ПЗП, застосовують мультиплексор, що виконує і функцію вибору стовпчика матриці елементів, і забезпечує читання інформації шляхом комутації вибраного стовпчика з виходом схеми. Вибір рядка, як звичайно, виконується дешифратором. Така структура має назву 2DM і зображена на рис. 4.


Рис. 4. Схема маскового постійного запам’ятовуючого пристрою (структура 2DM).
3. Програмувальні постійні запам’ятовувальні пристрої.
Більш складний варіант – одноразово програмовані ПЗП. Ця мікросхема має практично ту ж саму структуру, що й масочні ПЗП, але у неї є одна дуже суттєва відмінність: вона виготовляється виробниками "порожньою" і розробники різноманітної комп'ютерної техніки можуть записувати інформацію до неї самостійно (звичайно за умов наявності спеціального обладнання). Програмування таких ПЗП відбувається шляхом електричного перепалення перемичок у мікросхемі або шляхом випалення керуючого переходу у транзисторах. Зрозуміло, що єдиний шлях виправити помилку програмування такого ПЗП – це викинути його у смітник і "пропалити" новий. Такі мікросхеми називаються програмовані ПЗП (ППЗП) і зображаються на принципових схемах як показано на рис. 5.
П

Рис. 5. УГП ППЗП.
рограмовані ПЗП виявилися дуже зручними для малосерійного и середньосерійного виробництва. Але ж при розробці радіоелектронних пристроїв часто приходиться змінювати записану в ПЗП програму. Тому з’явився наступний варіант ПЗП – репрограмовані, які дозволяють багаторазово змінювати записану у ПЗП інформацію за умов попереднього стирання старої.4. Репрограмувальні постійні запам’ятовувальні пристрої.
В залежності від методу стирання старої інформації розрізняють репрограмовані ПЗП з електричним та ультрафіолетовим стиранням (ПЗП типу ЕРROM та ЕЕРROM).
Мікросхеми з ультрафіолетовим стиранням – ЕРROM використовують явище зміни структури польового переходу при впливі на нього доволі високою напругою. Ці зміни зберігаються протягом досить тривалого часу. При цьому можливе стирання записаної інформації шляхом опромінення кристалу мікросхеми пам'яті через спеціальний отвір у вигляді скляного віконця. Таки ПЗП застосовували у перших поколіннях різноманітних контролерів заради надання можливості модернізації програм, записаних до них.
К

Рис. 6. Комірка пам’яті ПЗП з
ультрафіолетовим
та
електричним стиранням.
Структурна схема даного ПЗП не відрізняється від попереднього масочного ПЗП. Єдине, що замість перемички використовується описана вище комірка. При опромінюванні мікросхеми, ізолюючі властивості оксиду кремнію втрачаються і заряд із плаваючого затвора витікає в об’єм напівпровідника і транзистор запам’ятовуючої комірки переходить в закритий стан. Час стирання мікросхеми коливається в межах 10 – 30 хвилин. Кількість циклів запису - стирання знаходиться в діапазоні від 10 до 100 разів, після чого мікросхема виходить з ладу. Репрограмовані ПЗП зображаються на принципових схемах як показано на рис. 7.
М

Рис. 7. УГП РПЗП.
ікросхеми з електричним стиранням - ЕЕРROM (УГП зображено на рис. 8) використовують той самий ефект, що й ПЗП з ультрафіолетовим стиранням, але стирання відбувається за допомогою імпульсу відносно високої напруги на відповідний вхід мікросхеми. У багатьох ПЗП цього типу навіть передбачена часткова заміна інформації. Такі мікросхеми знайшли своє застосування там же де й мікросхеми з ультрафіолетовим стиранням. Але треба прийняти до уваги, що вони значно дорожчі ніж останні.

Рис. 8. УГП ПЗП з електричним стиранням.
FLASH пам’ять.
Зараз набув дуже широкого розповсюдження новий клас ПЗП з електричним стиранням, який отримав назву флеш-пам'яті (від англійського flash – спалах, блискавка). Його в певній мірі можна розглядати як симбіоз ОЗП та ПЗП, через те, що він має швидкодію, що наближується до показників ОЗП, і в той же час є енергонезалежним ЗП ЕЕРROM (УГП зображено на рис. 9).
С

Рис. 9. УГП FLASH- пам’яті.
права у тому, що комірки пам'яті у ОЗП та ПЗП мають вигляд двомірного масиву, що дозволяє читати і писати кожен біт окремо. На відміну від них, флеш-пам'ять, яка вперше була запропонована компанією TOSHIBA виготовлена у вигляді блоків місткістю від 512 б до 256 Кб. Такі блоки записуються та стираються за один машинний такт, через що вони працюють набагато швидше ніж ПЗП з електричним стиранням. Крім того, для запису даних до флеш-пам'яті не потрібна додаткова напруга, що дає змогу робити це там, де вона встановлена. В той же час для запису ПЗП з електричним стиранням потрібне спеціальне обладнання. Нажаль цей тип пам'яті не придатний для використання у якості ОЗП, якщо передбачається побайтовий запис інформації. Справа в тому, що для зміни одного байту потрібно переписати в буфер увесь блок, де утримається цей байт, потім стерти вміст блоку, змінити вміст байта, після чого провести запис зміненого в буфері блоку. Така схема значно знижує швидкість запису невеликих об’ємів інформації в довільні ділянки пам’яті, але ж значно збільшує швидкодію при послідовному запису даних великими порціями. Її життєвий цикл суттєво менший за цикл мікросхем ОЗП – усього лиш 100-300 тисяч циклів перезапису. Флеш-пам'ять використовують для запису програми BIOS (таким чином спрощується її модернізація – upgrade), там де неможливо використовувати накопичувачі на жорстких дисках. Цей тип пам'яті випускають у вигляді так-званих флеш-карт з обсягом до одиниць Гб, які застосовуються у сучасних кишенькових комп'ютерах, цифрових фотокамерах та диктофонах, електронних органайзерах.Організація FLASH пам’яті.
Комірка FLASH- пам’яті складається із МОН транзистора з плаваючим затвором, тобто за технологією виготовлення подібна комірці пам’яті ЕРROM та ЕЕРROM ПЗП. Але ж за рахунок застосування надтонкого шару діелектрика запис та стирання (інжекція заряду методом СНЕ (channel hot electrons) або його екстракція методами тунелювання) здійснюється без застосування підвищених напруг. Одна комірка зберігає один біт інформації (в сучасних розробках два, так звані багаторівневі комірки MLC) і, як правило, наявність заряду сприймається як логічний 0, відсутність як логічна 1.
При читанні, в відсутності заряду на плаваючому затворі, під дією додатного поля на керуючому затворі, утворюється n-канал між витоком і стоком, і виникає струм (логічна 1). При наявності заряду канал не з’являється і струм не виникає (логічний 0).
Архітектура (організація з’єднань між комірками) FLASH пам’яті.
Найбільш розповсюдженими на даний момент є мікросхеми з організацією NOR і NAND.
Архітектура NOR (NOТ OR, АБО-НІ).
Кожна комірка підключена до двох перпендикулярних ліній – бітів (bit line) та слів (word line) (рис. 10). Усі комірки пам’яті NOR, згідно правилам, підключені до своїх бітових ліній паралельно. Суть логічної операції NOR – в переході лінії бітів у стан 0, якщо хоча б один з транзисторів-комірок, приєднаних до неї, проводить струм. Селекція комірки здійснюється за допомогою лінії слів.
Інтерфейс паралельний. Довільне читання та запис. Швидкий довільний доступ, можливість запису побайтно. Відносно повільний запис і стирання.

Рис. 10. Структура комірки FLASH- пам’яті.
Архітектура NAND (NOТ AND, ТА-НІ).
В цьому випадку бітова лінія переходить у стан 0, якщо всі транзистори, які підключені до неї проводять струм. Комірки приєднуються до бітової лінії серіями, що знижує швидкість операції читання (зменшується струм кожної комірки), але ж підвищується швидкість стирання та програмування. Для зменшення негативного ефекту низької швидкості читання, чіпи NAND мають внутрішній регістровий кеш. В цій архітектурі більш компактна упаковка ніж в паралельній архітектурі NOR.
Інтерфейс послідовний. Швидкий запис та стирання, невеликий розмір блока. Повільний довільний доступ, але ж невеликими блоками. Немає можливості запису побайтно.
Архітектури AND (ТА), DINOR (DIVIDED BIT-LINE NOR, АБО-НІ з розділеними розрядними лініями).
Типи пам’яті, які комбінують найкращі властивості властивостей NOR і NAND. Невеликий розмір блоку, мультиблочне стирання, зберігає комірки від пережигання.
У заключній частині заняття викладач підводить підсумки заняття, звертає увагу курсантів на основні питання, винесені на заняття, рекомендує, які питання буде доцільно додатково розглянути на самостійній підготовці та повідомляє перелік рекомендованої літератури. Крім того, слід підкреслити, що наступне заняття є семінарським та видати план його проведення.
ВИСНОВОК
Постійні запам'ятовуючі пристрої (ПЗП) є важливою частиною мікропроцесорних систем (МПС). Вони призначені для зберігання та читання інформації, яка використовується процесором.
Розрізняють такі типи ПЗП:
ROM;
РROM;
ЕРROM;
ЕЕРROM;
FLASH пам’ять.
Постійна пам’ять є енергонезалежною, тобто інформація в ПЗП не зникає після знеструмлення комп’ютера. Область використання ПЗП – це BIOS, карти пам’яті.
ПЗП, постійно вдосконалюються на технологічному, апаратному, архітектурному рівнях.
