Пристрої введення (виведення) аналогової інформації в ЕОМ (аналого-цифрові інтерфейси)
РЕФЕРАТ
На тему «Пристрої введення (виведення) аналогової інформації в ЕОМ»
1. Пристрої введення (виведення) аналогової інформації в ЕОМ (аналого-цифрові інтерфейси)
Контроль та управління складними інформаційно-вимірювальними та технологічними процесами забезпечується шляхом аналізу досить значної кількості параметрів цих процесів. На практиці ця кількість коливається від декількох одиниць до декількох сотень, в залежності від типу процесу. Більшість процесів дозволяє зняти інформацію про їх параметри в автоматичному режимі за допомогою так званих первинних перетворювачів інформації. Як правило, первинний перетворювач інформації у якості вхідного сигналу має фізичні величини, що характеризують процес, такі, наприклад, як температура, тиск, вологість, швидкість і таке інше. Вихідний сигнал формується у вигляді напруги, струму, фази або частоти. Він додатково характеризується такими параметрами, як динамічний діапазон зміни сигналу та ширини смуги частотного спектру.
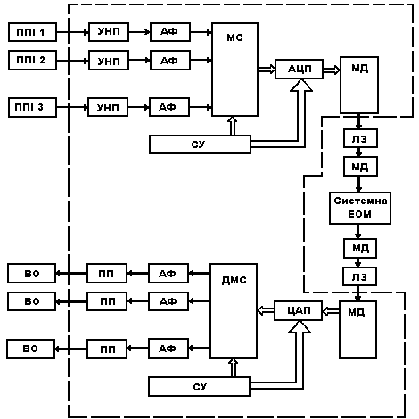
Одержані від первинних перетворювачів, як правило, безперервні (аналогові) сигнали напруги, струму, фази або частоти необхідно ввести в ЕОМ в дискретній формі, обробити за вибраним алгоритмом та вивести, можливо в аналоговій формі, для подальшого управління технологічним процесом. Необхідність виконання цих операцій обумовлює проведення ряду перетворень інформаційних сигналів з аналогової форми в дискретну та навпаки, передачу сигналів по інформаційних каналах (в тому числі по лініях зв'язку) в аналоговій або дискретній формі, комутацію інформаційних каналів від різних первинних перетворювачів, узгодження характеристик елементів і ряду інших операцій. Ця задача реалізується за допомогою деякої сукупності пристроїв та елементів, що можна визначити як аналого-цифровий інтерфейс (АЦІ) ЕОМ. Узагальнена структура аналого-цифрового інтерфейсу надана на рисунку 1.

Рисунок 1. – Узагальнена структура АЦ інтерфейсу
В структурній схемі прийняті такі абревіатури:
ППІ 1-3 – первинні перетворювачі інформації; УНП –узгоджувально-нормувальні пристрої; АФ – аналогові фільтри; МС –мультиплексор; АЦП – аналого-цифровий перетворювач; МД – апаратура передачі (приймання) даних (модем); ЛЗ – лінія зв'язку; ЦАП – цифро-аналоговий перетворювач; ДМС – демультиплексор сигналів; ПП – підсилювач потужності; ВО – виконавчий орган.
Аналогові фізичні величини формують на виході первинних перетворювачів інформації сигнали напруги, струму, фази або частоти, функція зміни яких пропорційна функції зміни параметрів інформаційно-технологічних процесів. Ці сигнали характеризуються, перш за все, динамічним діапазоном Dx(t) в децибелах, де
D>x>(t)=20 lg A>max> / A>min>
A>max> - максимальне значення амплітуди сигналу X(t) в абсолютних одиницях (В,А,Гц);
A>m>in - мінімальне значення сигналу в абсолютних одиницях (В,А,Гц); та смугою частот в спектрі сигналу x(t) від f>H>, до f>B> в герцах (кГц, мГц).
Графічно це виглядає як показано на рисунку 2.17:

Рисунок 2. – Характеристики сигналу X(t)
Окрім цих параметрів потрібно враховувати вплив вихідних імпедансів (R>вих>) та похибок характеристики передачі (перш за все нелінійностей) первинних перетворювачів. Передача сигналу X(t) в схему АЦ інтерфейсу не повинна супроводжуватись додатковими похибками або їх величина не повинна перевищувати встановленої долі значення A>min> (у більшості випадків це 1/4 A>min>). Тому на вході АЦ інтерфейсу зазвичай встановлюють узгоджувально-нормувальні пристрої (УНП), основна функція яких полягає в забезпеченні вхідного імпедансу на рівні R>вхунп>>(5/10) R>вхпп>. Це дозволяє усунути вплив вхідних кіл АЦ інтерфейсу на вихідний опір ППІ, як джерела сигналу.
Окрім функції узгодження імпедансів, УНП виконує також функції нормування (підсилення або послаблення) сигналу X(t). Така необхідність виникає в тих випадках коли, вихідний сигнал ППІ має низьке значення Amax (на рівні мікровольт або мілівольт). Основні функції УНП та функції аналогового фільтра (АФ) на практиці можна інколи забезпечувати одним елементом, використовуючи операційні підсилювачі. Якщо це неможливо, то аналоговий фільтр встановлюють додатково. До функцій аналогового фільтра відносять обмеження спектру частот сигналу X(t) значеннями f>H> та f>B>. При цьому відсікаються всі складові, що не належать до сигналу X(t). Аналоговий фільтр додатково застосовується для усунення ефекту накладання спектрів при дискретизації, а також для відновлення безперервних (аналогових) сигналів з дискретної (цифрової) форми.
Якщо інформаційно-технологічний процес характеризується значною кількістю параметрів, що обробляються n-ю кількістю ППІ, то до складу АЦІ необхідно вводити мультиплексори аналогових (або цифрових) сигналів. Мультиплексори сигналів (МС) дозволяють забезпечити перетворення m-сигналів X(t) з аналогової форми в цифрову за допомогою одного аналого-цифрового перетворювача (АЦП). Для забезпечення такого перетворення необхідно мати АЦП, розрядність якого забезпечує динамічний діапазон Dx(t).
n>D>x>(t)/G, де G = 20lg2=6
Цей АЦП повинен мати частоту дискретизації в m раз вищу такої, що потрібна для перетворення в дискретну форму (дискретизації) сигналу X(t) по одному каналу.
fgАЦП > m∙fg Хi(t)
Передача такої дискретної (цифрової) інформації до системної ЕОМ може здійснюватись на значні відстані, в тому числі і по телефонних мережах. Така передача забезпечується пристроями передачі даних, у якості яких можуть використовуватись модеми (МД) під управлінням схем управління (СУ) АЦІ.
У випадку необхідності організації зворотного інформаційного каналу передача цифрових даних здійснюється на значні відстані також за допомогою модему. Потім відбувається перетворення інформації з дискретної (цифрової) форми в аналогову за допомогою цифро-аналогового перетворювача (ЦАП). Розділ інформації по каналах здійснює демультиплексор (ДМС) (в данній структурі - аналоговий) сигналів. Подальшу фільтрацію високочастотних складових >f>B> здійснює аналоговий фільтр. Сигнал x(t) підсилюється підсилювачем потужності і управляє роботою виконавчого органа (ВО). Загальне управління роботою всіх елементів АЦІ знову ж здійснює схема управління (СУ), що може бути побудована на основі мікропроцесора.
2. Сканери
Сканер - це пристрій введення текстової або графічної інформації в комп'ютер шляхом перетворення її в цифровий вигляд для наступного використання, обробки, збереження або виведення. Настільні сканери з'явилися в 80-х роках і відразу стали об'єктом підвищеної уваги, але складність використання, відсутність універсального програмного забезпечення, а саме головне, висока ціна не дозволяли вийти сканерам за межі спеціалізованого використання. Настільний сканер незамінний при роботі з комп'ютером, якщо у Вас є потреба робити вставки графічних зображень або текстів з паперових носіїв у документи, які створюються за допомогою комп'ютера. Сучасні настільні сканери достатньо прості у використанні, мають інтуїтивно-зрозумілий інтерфейс. Отже будова, принцип дії сканерів та характеристики мають певні особливості.
На рисунку 2.18 зображені будова та принцип дії сучасного сканера.

Рисунок 3. Будова та принцип дії сканера
Лампа підсвічування і система дзеркал встановлені на каретці, що пересувається за допомогою крокового двигуна. Світло від лампи при скануванні на кожному кроці двигуна відбивається від документа і через систему дзеркал попадає на матрицю, що складається з світлочутливих елементів. Ці елементи визначають інтенсивність відбитого світла шляхом перетворення в електричний сигнал. Такі елементи називають CCD (англійська абревіатура Couple-Charged Device), а в українському перекладі це ПЗЗ (прилад із зарядовим зв'язком). Далі відбувається перетворення аналогового сигналу в цифровий з наступною обробкою і передачею в комп'ютер для подальшого використання. У такий спосіб на кожнім кроці каретки сканер фіксує одну горизонтальну смужку оригіналу, розбиту у свою чергу на деяку кількість пікселів на лінійці ПЗЗ. Підсумкове зображення складене із смужок являє собою як би мозаїку, складену з плиток (пікселів) однакового розміру і різного кольору. По команді драйвера каретка (оптичний блок) сканера починає рух до зазначеної ділянки оригіналу. Переміщення блоку здійснюється кроковим двигуном за допомогою спеціального зубчатого ременя. Після прибуття в точку призначення, починається власне процес сканування, що відбувається за принципом "фотографування" рядків зображення під час руху каретки уздовж оригіналу. Цей процес складається з: підсвічування оригіналу; відбивння світла від оригіналу і фокусування відбитого світлового потоку на світлочутливій матриці сканера; формування електричного заряду на елементах матриці; зчитування заряду матриці і передача сигналу на АЦП; оцифровка сигналу, оптимізація характеристик пікселів, формування рядка зображення; передача інформації в комп'ютер; онулення матриці і перехід до наступного рядка. Після закінчення сканування обраної ділянки, каретка повертається у вихідне положення і сканер знову готовий до роботи.
У старих розробках сканерів джерелом світла є звичайна флуоресцентна лампа. Недолік такого джерела в слабкій стабільності характеристик висвітлення й обмежений термін служби. У сучасних моделях використовується лампа з холодним катодом, що має кращі параметри і значно більший термін служби. При зміні характеристик джерела освітлення оригіналу змінюється падаючий на приймаючу матрицю світловий потік, що несе інформацію про оригінал, який сканується. Орієнтовані на професійну роботу з кольором сканери містять крім вбудованої процедури самокалібрації по інтенсивності світлового потоку від лампи ще й схеми підтримки стабільності потоку при зміні температури.
Світловий потік від оригіналу проектується на матрицю ПЗЗ, що перетворить його в електричний сигнал. Звичайно використовується один фокусований об'єктив (або лінза), що проектує повну ширину області сканування на повну ширину матриці. Вимоги до якості оптики для такої задачі досить високі, особливо складно забезпечити прийнятну якість проекціювання країв робочої області для кольорових оригіналів. Оцінити якість фокусування і роздільну здатність оптики можна візуально при скануванні спеціальної тестової мішені або захисних ділянок банкноти.
У найбільш якісних моделях планшетних сканерів зустрічаються змінні об'єктиви: при роботі в звичайному режимі, де оптика працює аналогічно однолінзовим механізмам, при перемиканні на другий, "посилений" режим використовується інший об'єктив, що проектує на повну ширину ПЗЗ-матриці тільки частину ширини робочого столу сканера. Таким чином, на постійне число приймальних комірок ПЗЗ-матриці проектується ділянка меншої ширини і відповідно зростає оптичний дозвіл. Звичайно в документації зазначене число комірок ПЗЗ-матриці. Новітні матриці 42-бітних сканерів мають 10600 комірок (хоча в однопрохідних сканерах матриця має три паралельних лінійки приймальних комірок - по одній на колір, вказується число елементів в одній). Поділивши число осередків на ширину поля сканування, одержимо оптичний дозвіл. Деякі професійні площинні сканери мають більше двох (до 5) об'єктивів, що переключаються.
ПЗЗ-матриця є одним з найважливіших вузлів, що впливають на якість сканування. Характеристика, що приводиться для неї в документації – число елементів на лінію (на колір). Число елементів, поділене на ширину робочої зони сканера, дорівнює оптичній роздільній здатності. На рисунку 2.19 зображений найпростіший варіант структури двовимірної матриці ПЗЗ. У ньому можна виділити два вертикальних регістри зрушення на ПЗЗ, що утворять секцію нагромадження і секцію збереження з рівним числом рядків (кожен рядок секції утворений однією трійкою електродів), горизонтальний регістр зсуву і вихідний пристрій. Розглянемо докладніше роботу такої структури.
Протягом часу прямого ходу по кадру секція нагромадження стоїть, тобто на неї подаються незмінні напруги, що формують потенційні ями тільки під одним електродом кожної трійки, скажемо, під електродом першої фази (VS1), причому потенційні ями утворюються у елементах усіх рядків секції. По горизонталі окремі комірки нагромадження відділені стоп-каналами (виділені на малюнку жирними чорними лініями). Зображення, що проєкціюється на секцію нагромадження, викликає фотогенерацію - утворення электронно-діркових пар. При цьому фотогенеровані електрони залишаються в потенційній ямі, дірки ж, відповідно, підуть у підкладку або в уздовж поверхні в стоп-канали. Таким чином, під дією світла в осередках накопичується зарядовий рельєф, тобто в кожнім осередку збирається заряд, пропорційний її освітленості і часові нагромадження.

Рисунок 4. – Структура матриці ПЗЗ
По закінченні прямого ходу по кадру на обидві секції подаються тактові імпульси, що викликають синхронний перенос заряду, при цьому важливо (і це показано на рисунку), що обидві секції утворюють безперервний регістр зрушення. Після числа тактів, рівного числу рядків у кожній секції (нагадаємо, що кожен рядок утворений трьома електродами), весь накопичений зарядовий рельєф цілком переміститься в секцію пам'яті, закриту від світла, а секція нагромадження буде очищена від заряду. Цей перенос секції в секцію відбувається досить швидко (фактично він займає малу частину часу зворотнього ходу кадра). Тепер, під час наступного циклу нагромадження (це наступне поле кадрової розгортки), секція нагромадження накопичує наступний кадр зображення, а із секції пам'яті заряди пострічково, під час зворотнього ходу по рядку, передаються в горизонтальний регістр (кожен елемент регістра має зарядовий зв'язок з відповідним стовпцем секції пам'яті, і за один раз передається один рядок), і потім виводяться у вихідний пристрій регістра за час прямого ходу по рядку, формуючи відеосигнал. Сканер поставляється зі своєю унікальною картою і працює тільки з нею.
Обов'язково в комплекті зі сканером йде його Twain драйвер. У середовищі DOS усі сканери працювали тільки зі своїми програмними додатками. Поява Windows здавалося б, повинна була покласти кінець проблемам зв'язаним із сумісністю сканерів з різним програмним забезпеченням, але Microsoft на етапі створення не включив сканери в список пристроїв, стандартно підтримуваних Windows. Ведучі виробники сканерів і програмного забезпечення створили цей стандарт самотужки, і називатися він став TWAIN [6].
Зараз стандарт TWAIN підтримується усіма виробниками настільних сканерів і усіма ведучими виробниками графічних пакетів і програм розпізнавання символів. У такий спосіб вибравши TWAIN пристрій користувач може прямо сканувати зі своєї улюбленої графічної програми, запустивши з неї TWAIN драйвер сканера. TWAIN драйвер сканера – це програмний додаток із графічним інтерфейсом, що несе на собі функції панелі керування сканером і здійснює передачу даних від сканера в програмний додаток, з якого ви викликаєте сканер. За допомогою TWAIN драйвера встановлюються параметри та ділянки сканування Попереднє сканування і перегляд забезпечує можливість корекції колбору і постобробки одержуваного зображення. Окрім сканерів, стандарт TWAIN підтримується також і цифровими камерами.
3. Історія створення та розвитку сканерів
Перші сканери дозволяли вводити тільки чорно-білі зображення. У 1989 р. з'явилися перші сканери, що забезпечують зчитування кольорових зображень.
Використання сканерів для введення в ПЕОМ текстової і графічної інформації має як мінімум п'ятилітню історію. Зараз на ринку Заходу представлено не менш 150 різних пристроїв, від ручних портативних сканерів (Handy scanner) до складних систем оптичного розпізнавання символів OCR (Optical Character Recognition).
Розвиток відповідної техніки швидкими темпами йде не тільки на Заході, але і на Сході. Японські фірми довели технологію сканування до такої досконалості, що тепер можна передавати і вводити в ПЕОМ інформацію відразу цілими сторінками. Це єдиний реальний спосіб зчитування ієрогліфів.
Для ілюстрації зростаючої популярності сканерів досить відзначити, що їхній продаж щорічно зростає більш ніж на 200 відсотків. За кожні три роки роздільна здатність сканерів збільшується у 2-3 рази, з'явилася детальна шкала яскравості ("сіра шкала") для забезпечення напівтонових зображень, стандартизувалися формати файлів.
Нове покоління таких систем дозволяє за один прохід переглядати текст, додавати коди керування форматом, виконувати розбивку на сторінки, перевіряти правильність написання тексту, видавати майже готові файли - і все це здійснюється у фоновому режимі роботи ПЕОМ.
Переважна більшість сканерів використовується в даний час для підготовки і видання різних інформаційних матеріалів, тобто споживачі зацікавлені головним чином у засобах обробки зображень і текстів. Деякі сканери успішно використовуються в САПР. В даний час сканери широко застосовуються в галузі факсимільного зв'язку.
4. Оригінали зображень
Узагалі говорячи, зображення (чи оригінали) можна умовно розділити на дві великі групи. До першої з них відносяться називані непрозорі оригінали: усілякі фотографії, малюнки, сторінки журналів і буклетів. Якщо згадати курс шкільної фізики, то відомо, що зображення з подібних оригіналів ми бачимо у відбитому світлі. Інша справа прозорі оригінали — кольорові і чорно-білі слайди і негативи; у цьому випадку очей (як оптична система) обробляє світло, що пройшло через оригінал. Таким чином, насамперед, варто звернути увагу на те, з якими типами оригіналів сканер може працювати. Зокрема, для роботи зі слайдами існують спеціальні приставки.
5. Механізм руху
Визначальним фактором для даного параметра є спосіб переміщення голівки сканера, що зчитує, і папера відносно один одного. В даний час усі відомі сканери про цей критерій можна розбити на два основних типи: ручний (hand-held) і настільний (desktop). Проте, існують також комбіновані пристрої, що сполучать у собі можливості настільних і ручних сканерів. Як приклад можна привести модель Niscan Page американської фірми Nisca.