Пристрої реєстрації інформації
РЕФЕРАТ
На тему «Пристрої реєстрації інформації»
1. Класифікація пристроїв зовнішньої пам'яті
За принципом дії пристрої зовнішньої пам'яті розділяються на:
а) електронні, в яких у якості запам'ятовувальних елементів використовуються напівпровідникові елементи;
б) магнітні, з нерухомими магнітними запам'ятовувальними елементами;
в) електромеханічні, з рухомими магнітними носіями інформації.
г) електромеханічні, з оптичними носіями інформації.
Найбільш поширені у якості пристроїв зовнішньої пам'яті електромеханічні запам'ятовувальні пристрої з магнітними носіями інформації, які в свою чергу поділяються на:
запам'ятовувальні пристрої на магнітній стрічці;
запам'ятовувальні пристрої на магнітних дисках.
Принцип дії ЗП на магнітній стрічці (рис.1) полягає в тому, що магнітна стрічка рухається за допомогою стрічкопротяжного механізму відносно блоку магнітних головок. Стрічкопротяжний механізм приводиться в дію спеціальним приводом від електродвигуна.

Рисунок 1 – Структура ЗП на МС
Магнітна стрічка перемотується цим приводом з першої котушки. В процесі перемотування стрічка рухається біля блоку головок, який складається з декількох головок, розміщених конструктивно на одній лінії, перпендикулярній напрямку руху стрічки. Кожній головці відповідає розміщена під нею доріжка магнітного запису. Таким чином при допомозі блоку головок одночасно поперек стрічки записується двійковий код, кількість розрядів якого відповідає числу головок (рис.2).

Рисунок 2 – Взаємодія БГ з магнітною стрічкою
На практиці використовують універсальні та здвоєні головки. В першому випадку одні та тіж головки використовують для запису та відтворення інформації, у другому випадку використовуються окремі блоки головок, що розміщені на деякій відстані одна від одної. Головка відтворення може використовуватись також для контролю процесу запису інформації.
Принцип дії ЗП на магнітних дисках полягає в тому, що інформація записується по концентричних доріжках тонких магнітних дисків, покритих магнітним шаром товщиною декілька мікрон. Пакет дисків встановлюється на вал, який приводиться в дію електродвигуном (рисунок 3).

Рисунок 3 – Принцип дії магнітного диску
Позначення: 1 – диск магнітний; 2 – вал; 3 – електродвигун; 4 –плаваючі головки запису/відтворення; 5 – ричаги приводу ПГ; 6 – каретка приводу ПГ; 7 – електродвигун приводу головок.
Запис інформації проводиться на обидві поверхні диску за допомогою плаваючих головок. Головки встановлені на пружинних ричагах, закріплених за допомогою спеціального привідного механізму. Привідний механізм рухає каретку з ричагами головок по радіусах дисків таким чином, щоб головки попадали на вибрану концентричну доріжку. Управління таким приводом здійснюється високоточним перетворювачем коду номера доріжки в відповідне переміщення вузла головок.
При виготовленні тонких дисків неможливо позбутись ефекту "биття" поверхні, окрім того контактний запис та читання призводить до швидкого зносу поверхні диска та головок. Тому робота такого пристрою з безконтактним записом-читанням можлива тільки при умові застосування плаваючих головок, що в свою чергу зменшує швидкість запису та читання інформації.
2. Принцип магнітного запису цифрової інформації
Основу процесу цифрового магнітного запису складає взаємодія магнітних головок та магнітного носія інформації, які рухаються одні відносно інших. Магнітні головки являють собою мініатюрні електромагніти, що розміщують у поверхні магнітного носія з невеликим зазором (безконтактний метод) або без зазору (контактний метод).
Таким чином в процесі магнітного запису беруть участь мініатюрний електромагніт (головка) з сердечником із низькокоорцетивного матеріалу, який має малу залишкову намагніченість та магнітний шар носія з висококоорцетивного магнітного матеріалу з великою залишковою намагніченістю. Цей магнітний шар зберігає магнітний стан, переданий магнітною головкою ділянці поверхні, довгий час.
Для запам'ятовування двійкової інформації використовують два протилежних стани насичення магнітного матеріалу носія. Ці стани утворюються шляхом перемагнічування відрізків поверхні носія імпульсами різної полярності в обмотці магнітної головки. На поверхні магнітного носія під магнітною головкою утворюється послідовність елементарних магнітів (магнітних відбитків), чергування полярності яких буде відтворювати чергування одиниць та нулів в кодовій комбінації, що записується (рисунок 4 а, б).

а) б)
Рис.4 Процес магнітного запису дискретної інформації
Інформація записана на поверхні носія відтворюється за допомогою головок читання. Головки запису і читання, як правило, мають однакову конструкцію і в ряді випадків одні та ті ж головки використовують для запису та читання (універсальні головки). При проходженні під головкою читання магнітного носія з намагніченими елементами їх магнітний потік шунтується головкою і в її обмотці виникають імпульси ЕРС. Полярність, або фаза цих імпульсів вказує, що записано на даному відрізку доріжки -одиниця чи нуль (рисунку 5).

Рисунок 5 – Сигнали запису та читання
При запису аналогової інформації на магнітні носії (звук, музика і т.д.) сигнал на виході головки читання повинен точно відтворювати закон зміни вхідного сигналу Х(+). Ця вимога не обов'язкова при запису цифрової інформації. Достатньо щоб вихідний сигнал мав два чітко відмінні стани відповідних логічній 1 чи 0. Якщо запис відбувається шляхом зміни в головці запису полярності імпульсів струму, то при відтворенні сигналу на виході головки читання буде мати форму імпульсів диференціювань швидкості наростання (спаду) фронтів імпульсів запису.
Ступінь використання поверхні носія на практиці визначають такою одиницею, як густина запису інформації. Густина запису визначається кількістю двійкових сигналів на одиницю площі носія.
КГ=δ∙l,
де КГ – коефіцієнт густини запису,
δ – поздовжня густина запису, біт/мм,
l – кількість доріжок запису на одиниці площі, наприклад, мм2.
Найбільшу густину запису можна отримати при контактному методі запису. Однак тертя, що викликає знос головок та носія, обмежує швидкість руху носія відносно головок. Це в свою чергу обмежує можливу густину запису.
3. Загальні характеристики електромеханічних пристроїв зовнішньої пам'яті
Пристрої зовнішньої пам'яті великої ємності визначаються сукупністю таких характеристик:
Загальний об'єм інформації, що записується на одну конструктивну одиницю носія, в КБайтах, МБайтах, ГБайтах;
Максимальний або середній час доступу до інформації. Цей час визначається максимальним часом пошуку інформації і може знаходитись в межах від декількох десятків мілісекунд (для ЗП прямого доступу) до декількох хвилин (для ЗП послідовного доступу).
Частота та швидкість передачі даних, яка визначається числом двійкових знаків, що записуються на носій або читається з нього за одну секунду по одному каналу. Швидкість передачі визначається як частота надходження імпульсів запису по одному каналу помножена на кількість каналів.
Надійність ЗП, яка визначається достовірністю процесу читання, безвідмовністю та ремонтоздатністю. Достовірність оцінюється кількістю біт, що правильно читаються, на одну помилку читання. Безвідмовність характеризується середнім часом безвідмовної роботи, а ремонтоздатність - середнім часом усунення однієї несправності.
Питома вартість ЗП, що визначається відношенням вартості ЗП до його ємності.
Термін служби ЗП, який визначається як час роботи пристрою після закінчення якого потрібна заміна складових.
4. Принципи побудови трактів запису та читання ЗП на магнітних носіях
Сучасні ЗП на магнітних носіях мають досить складні електронні системи запису та читання. В ряді випадків виявляється економічно та технічно виправданим компенсувати недоліки конструкції та технології виготовлення ЗП за рахунок ускладнення схемотехніки трактів запису та читання.
Електромеханічні ЗП можуть записувати інформацію за допомогою однієї або декількох головок відповідно на одну або декілька доріжок запису. При цьому кожен канал запису складається з головки запису, підсилювачів запису читання, елементів формування сигналу та синхронізації запису, вузлів комутації головок.
В тракті запису цифрової інформації проводиться вибір магнітних головок та підсилювача запису, відбувається формування струму запису, відключення підсилювача запису в процесі читання. Тому тракт запису, як правило, складається з логічної схеми, підсилювача потужності сигналу, запису та магнітної головки. Окрім того в схему можуть входити елементи комутації. Такі властивості в повній мірі повинен мати тракт запису на магнітних дисках. В ЗП на магнітних дисках з роздільними головками немає необхідності комутувати магнітні головки, також пониженими є вимоги до АЧХ тракту запису. В той же час існує необхідність контролю інформації, що записується на носій шляхом її читання в процесі запису, а це в свою чергу призводить до необхідності підвищення перешкодозахищеності тракту.
Тракт читання призначений для лінійного підсилення сигналу з головки читання, автоматичного регулювання підсилення, пікового детектування, формування та корекції форми вихідного сигналу, комутації магнітної головки. Тракт читання повинен мати високу першкодостійкість та мінімальний час становлення фронтів сигналів.
Амплітуда сигналу на виході магнітної головки читання лежить на рівні 1-15 мB, причому в такому сигналі відсутня постійна складова. Тому підсилювачі сигналів читання повинні бути широкосмуговими та забезпечувати мінімізацію вхідних перешкод за рахунок мінімізації з'єднань з головками. В ЗП на магнітних дисках інтегральна мікросхема підсилювача розміщується безпосередньо на плаваючому ричазі головки. Рівень сигналу на виході підсилювача повинен досягати 3-5 Вольт.
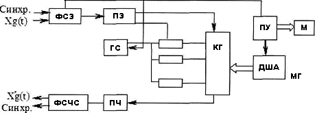
Структура тракту запису/читання може мати вигляд (рисунок 6).

Рис.6 Структурна схема тракту запису/читання
Де ПУ – пристрій управління протяжним механізмом; М – протяжний механізм; ФСЗ – формувач сигналів запису; ПЗ – підсилювач запису; ГС – генератор стирання; МГ – магнітні головки; КГ – комутатор головок; ДША – дешифратор адреси комутатора головок; ПЧ – підсилювач читання; ФСЧС – формувач сигналів читання та синхронізації.
За сигналами запису ФСЗ виробляється струм запису у відповідності з інформаційним сигналом ІС та вибраним методом модуляції . Цей струм направляється у вибрану, за допомогою комутатора головок та дешифратора, певну магнітну головку. В процесі запису в колі генератора стирання тече постійний струм, який забезпечує постійне підмагнічування головок.
При читанні інформації підсилювач читання ПУ підсилює сигнали на виході головки читання з 1мB до 3-5Вольт. Потім ці сигнали оброблюються пристроєм ФСЧС, який формує на своєму виході інформаційну послідовність та послідовність синхросигналів.
Особливу роль ЗП на магнітних дисках відіграє пристрій управління (ПУ), який забезпечує розгін та заторможення дисків і обертання їх з постійною швидкістю. Час розгону та заторможення дисків не відіграє великої ролі, проте дуже важливо з великою точністю підтримувати середню і миттєву швидкість обертання, щоб зменшити до мінімуму кутові коливання пакета дисків. Пристрій управління, окрім видачі інформації про адресу комутації головок, також управляє необхідними переміщеннями блока головок, пошуком інформації на носіях, копіювання інформації, формує інформацію про стан ЗП і таке інше.
5. Зовнішня пам’ять на жорстких дисках
5.1 Принцип роботи жорсткого диска
Самим необхідним і в той же час самим загадковим компонентом комп'ютера є накопичувач на жорсткому диску. Як відомо, він призначений для зберігання даних, і наслідки його виходу з ладу найчастіше виявляється катастрофічними. Для правильної експлуатації або модернізації комп'ютера необхідно добре уявляти собі, що ж це таке – накопичувач на жорсткому диску.
Основними елементами накопичувача є кілька круглих алюмінієвих або некристалічних склоподібних пластин. На відміну від гнучких дисків (дискет), їх не можна зігнути, звідси й з'явилася назва жорсткий диск (рисунок 4.7). У більшості пристроїв вони незнімні, тому іноді такі накопичувачі називаються фіксованими (fixed disk). Існують також накопичувачі зі змінними дисками, наприклад пристрою Iomega Zip й Jaz.
Основний критерій оцінки накопичувачів на жорстких дисках — поверхнева щільність запису. Вона визначається як добуток лінійної щільності запису уздовж доріжки, що виражає в бітах на дюйм (Bits Per Inch — BPI), і кількості доріжок на дюйм (Tracks Per Inch — TPI). У результаті поверхнева щільність запису виражається в Мбіт/дюйм або Гбіт/дюйм. На підставі цього значення можна зробити висновок про ефективність того або іншого способу запису даних. У сучасних накопичувачах розміром 3,5 дюйми величина цього параметра становить близько 6 Гбіт/дюйм2, а в експериментальних моделях вона досягає 20 Гбіт/дюйм". Це дозволяє випускати накопичувачі ємністю більше 10 Гбайт для портативних комп'ютерів з одним диском-носієм на 2,5 дюйми.
Основні принципи роботи накопичувачів на жорстких дисках наступні: дані записуються й зчитуються універсальними головками читання/запису з поверхонь обертових магнітних дисків, розбитих на доріжки й сектори (512 байт кожний), як показано на рисунку 8.

Рисунок 7 – Внутрішній вид накопичувача на жорстких дисках.

Рисунок 8 – Доріжки й сектори накопичувача на жорстких дисках
У накопичувачах звичайно встановлюється ДЕкілька дисків, і дані записуються на обох сторонах кожного з них. У більшості накопичувачів є, щонайменше, два або три диски (що дозволяє виконувати запис на чотирьох або шести сторонах), але існують також пристроЇ, що містять до 11 і більше дисків. Однотипні (однаково розташовані) доріжки на всіх сторонах дисків поєднуються в циліндр (рисунок 9). Для кожної сторони диска передбачена своя доріжка читання/запису, але при цьому всі головки змонтовані на загальному стрижні, або стійці. Тому головки не можуть переміщатися незалежно друг від друга й рухаються тільки синхронно.

Рисунок 9 – Циліндр накопичувача на жорстких дисках
Жорсткі диски обертаються набагато швидше, ніж гнучкі. Частота їхнього обертання навіть у більшості перших моделей становила 3 600 обертів/хв (тобто в 10 разів більше, ніж у накопичувачі на гнучких дисках) і до останнього часу була майже стандартом для жорстких дисків. Але останнім часом частота обертання жорстких дисків зросла. Швидкість роботи того або іншого жорсткого диска залежить від частоти його обертання, швидкості переміщення системи головок і кількості секторів на доріжці.
При нормальній роботі жорсткого диска головки читання/запису не торкаються (і не повинні торкатись!) дисків. Але вони опускаються на його поверхню при вимиканні живлення й зупинці дисків. Під час роботи пристрою між головкою й поверхнею обертового диска утворюється дуже малий повітряний зазор (повітряна подушка). Якщо в цей зазор потрапить порошина або відбудеться струс, головка "зштовхнеться" з диском, що обертається "на повному ходу". Якщо удар буде досить сильним, то відбудеться поломка головки.
Оскільки пакети магнітних дисків утримуються в щільно закритих корпусах й їхній ремонт не передбачений, щільність доріжок на них дуже висока — до 20 000 і більше на дюйм. Блоки HDA (Head Disk Assembly — блок головок і дисків) збирають у спеціальних цехах, в умовах практично повної стерильності. Обслуговуванням HDA займаються лічені фірми, тому ремонт або заміна яких-небудь деталей всередині герметичного блоку HDA обходиться дуже дорого.
Доріжка — це одне "кільце" даних на одній стороні диска. Доріжка запису на диску занадто велика, щоб використати неї як одиниця зберігання інформації. У багатьох накопичувачах її ємність перевищує 100 000 байт, і відводити такий блок для зберігання невеликого файлу вкрай марнотратно. Тому доріжки на диску розбивають на нумеровані відрізки, називані секторами.
Кількість секторів може бути різним залежно від щільності доріжок і типу накопичувача. Наприклад, на доріжці гнучких дисків може бути 8-36 секторів, а на доріжці жорсткого диска – 17-100 секторів. Сектори, створюються за допомогою стандартних програм форматування, мають ємність 512 байт, але не виключено, що в майбутньому ця величина зміниться.
Нумерація секторів на доріжці починається з одиниці, на відміну від головок і циліндрів, відлік яких ведеться з нуля. Наприклад, дискета HD (High Density) формату 3,5 дюйми (ємністю 1,44 Мбайт) містить 80 циліндрів, пронумерованих від 0 до 79, у дисководі встановлені дві головки (з номерами 0 й 1), і кожна доріжка циліндра розбита на 18 секторів (1-18).
На початку кожного сектора записується його заголовок (або префікс — prefix portion), no якому визначається початок і номер сектора, а наприкінці — висновок (або суфікс — suffix portion), у якому перебуває контрольна сума (checksum), необхідна для перевірки цілісності даних. Крім зазначених областей службової інформації, кожен сектор містить область даних ємністю 512 байт. При низькорівневому (фізичному) форматуванні всім байтам даних привласнюється деяке значення, наприклад F6h.
Стверджувати, що розмір будь-якого сектора дорівнює 512 байт – не цілком коректно. Насправді в кожному секторі можна записати 512 байт даних, але область даних – це тільки частина сектора. Кожен сектор на диску звичайно займає 571 байт, з яких під дані приділяється тільки 512 байт. У різних накопичувачах простір, що відводить під заголовки (header) і висновку (trailer), може бути різним, але, як правило, сектор має розмір 571 байт.
Для наочності уявіть, що сектори - це сторінки в книзі. На кожній сторінці існує текст, але їм заповнюється не весь простір сторінки, тому що в неї є поля (верхнє, нижнє, праве й ліве). На полях міститься службова інформація, наприклад назви глав (у нашій аналогії це буде відповідати номерам доріжок і циліндрів) і номера сторінок (що відповідає номерам секторів).
Області на диску, аналогічні полям на сторінці, створюються під час форматування диска. Тоді ж у них записується й службова інформація. Крім того, під час форматування диска області даних кожного сектора заповнюються фіктивними значеннями. Відформатувавши диск, можна записувати інформацію в області даних звичайним чином. Інформація, що міститься в заголовках і висновках сектора, не змінюється під час звичайних операцій запису даних. Змінити її можна, тільки переформатувавши диск.
Ідентифікатор (ID) сектора складається з полів запису номерів циліндра, головки й сектора, а також контрольного поля CRC для перевірки точності зчитування інформації ID. У більшості контролерів сьомий біт поля номера головки використовується для маркування дефектних секторів у процесі низькорівневого форматування або аналізу поверхні. Однак такий метод не є стандартним, і в деяких пристроях дефектні сектори позначаються інакше. Але як правило, оцінка робиться в одному з полів ID.
Інтервал включення запису йде відразу за байтами CRC. Він гарантує, що інформація в наступній області даних буде записана правильно. Крім того, він служить для завершення аналізу CRC (контрольної суми) ідентифікатора сектора.
У поле даних можна записати 512 байт інформації. За ним розташовується ще одне поле CRC для перевірки правильності запису даних. У більшості накопичувачів розмір цього поля становить два байти, але деякі контролери можуть працювати й з більш довгими полями кодів корекції помилок (Error Correction Code - ЕСС). Записані в цьому полі байти кодів корекції помилок дозволяють при зчитуванні виявляти й виправляти деякі помилки. Ефективність цієї операції залежить від обраного методу корекції й особливостей контролера. Наявність інтервалу відключення запису дозволяє повністю завершити аналіз байтів ЕСС (CRC).
Інтервал між записами необхідний для того, щоб застрахувати дані з наступного сектора від випадкового стирання при записі в попередній сектор. Це може відбутися» якщо при форматуванні диск обертався із частотою, трохи меншою, чим при наступних операціях запису. При цьому сектор, природно, щораз буде набагато довший, і для того щоб він не виходив за встановлені при форматуванні границі, їх злегка "розтягують", уводячи вищезгаданий інтервал. Його реальний розмір залежить від різниці частот обертання диска при форматуванні доріжки й при кожнім відновленні даних.
Інформація, записувана в заголовку сектора, має величезне значення, оскільки містить дані про номер циліндра, головки й сектори. Всі ці відомості (за винятком поля даних, байтів CRC й інтервалу відключення записи) записуються на диск тільки при форматуванні низького рівня.
5.2 Основні вузли накопичувачів на жорстких дисках
Існує багато різних типів накопичувачів на жорстких дисках, але практично всі вони складаються з тих самих основних вузлів. Конструкції цих вузлів, а також якість використовуваних матеріалів можуть бути різними, але основні їх. робочі характеристики й принципи роботи однакові. До основних елементів конструкції типового накопичувача на жорсткому диску (рисунок 4.10) відносяться наступні:
диски;
головки читання/запису;
механізм привода головок;
двигун привода дисків;
друкована плата зі схемами керування;
кабелі й роз’єми;
елементи конфігурації (перемички й перемикачі).
Диски, двигун привода дисків, головки й механізм привода головок звичайно розміщуються в герметичному корпусі, що називається HDA (Head Disk Assembly — блок головок і дисків). Звичайно цей блок розглядається як єдиний вузол; його майже ніколи не розкривають. Інші вузли, що не входять у блок HDA, - друкована плата, лицьова панель, елементи конфігурації й монтажних деталей - є знімними.
Звичайно в накопичувачі втримується один або кілька магнітних дисків. За минулі роки встановлений ряд стандартних розмірів накопичувачів, які визначаються в основному розмірами дисків. Найпоширеніші на сьогоднішній день пристрою з дисками наступних діаметрів:
5,25 дюйма (насправді - 130 мм, або 5,12 дюйма);
3,5 дюйми (насправді - 95 мм, або 3,74 дюйми);
2,5 дюйми;
1,8 дюйма;
1 дюйма (MicroDrive).

Рисунок 10 – Основні вузли накопичувача на жорсткому диску
Існують також накопичувачі з дисками більших розмірів, наприклад 8 дюймів, 14 дюймів і навіть більше, але, як правило, ці пристрої в персональних комп'ютерах не використаються. Зараз у настільній і деякій портативній моделях найчастіше встановлюються накопичувачі формату 3,5 дюйми, а малогабаритні пристрої (формату 2,5 дюйми й менше) - у портативних системах.
Раніше майже всі диски вироблялися з алюмінієвого сплаву, досить міцного й легені. Але згодом виникла потреба в накопичувачах, що сполучають малі розміри й більшу ємність. Тому як основний матеріал для дисків стало використовуватись скло, а точніше, композитний матеріал на основі скла й кераміки.
Скляні диски відрізняються більшою міцністю й твердістю, тому їх можна зробити у два рази тонше алюмінієвих (а іноді ще тонше). Крім того, вони менш сприйнятливі до перепадів температур, тобто їхні розміри при нагріванні й охолодженні змінюються досить незначно.
Незалежно від того, який матеріал використовується як основу диска, він покривається тонким шаром речовини, здатної зберігати залишкову намагніченість після впливу зовнішнього магнітного поля. Цей шар називається робочим або магнітним, і саме в ньому зберігається записана інформація. Найпоширенішими є два типи шару:
оксидний;
тонкоплівковий.
Оксидний шар являє собою полімерне покриття з наповнювачем з окису заліза. Наносять його в такий спосіб. Спочатку на поверхню швидко обертового алюмінієвого диска розприскується суспензія порошку оксиду заліза в розчині полімеру. За рахунок дії відцентрових сил вона рівномірно розтікається по поверхні диска від його центра до зовнішнього краю. Після полімеризації розчину поверхня шліфується. Потім на неї наноситься ще один шар чистого полімеру, що має достатню міцність й низький коефіцієнт тертя, і диск остаточно полірується. Якщо вам удасться заглянути усередину накопичувача з такими дисками, то ви побачите, що вони коричневого або жовтого кольору.
Чим вища ємність накопичувача, тим більш тонким і гладким повинен бути робочий шар дисків. Але домогтися якості покриття, необхідного для накопичувачів великої ємності, у рамках традиційної технології виявилося неможливим. Оскільки оксидний шар досить м'який, він кришиться при "зіткненнях" з головками (наприклад, при випадкових струсах накопичувача). Диски з таким робочим шаром використовуються з 1955 року, і протрималися вони так довго завдяки простоті технології й низкою вартості. Однак у сучасних моделях накопичувачів вони повністю поступилися місцем тонкоплівковим дискам.
Тонкоплівковий робочий шар має меншу товщину, він міцніший, і якість його покриття набагато вища. Ця технологія лягла в основу виробництва накопичувачів нового покоління, у яких удалося істотно зменшити величину зазору між головками й поверхнями дисків, що дозволило підвищити щільність запису. Спочатку тонкоплівкові диски використовувались тільки у високоякісних накопичувачах великої ємності, але зараз вони застосовуються практично у всіх накопичувачах.
Термін тонкоплівковий робочий шар дуже вдалий, тому що це покриття набагато тонше, ніж оксидне. Тонкоплівковий робочий шар називають також гальванізованим або напиленим, оскільки наносити тонку плівку на поверхню дисків можна по-різному.

Рисунок 11 – Головки читання/запису й поворотний привод з рухливою котушкою
Коли накопичувач виключений, головки торкаються дисків під дією пружин (рисунок 11). При розкручуванні дисків аеродинамічний тиск під головками підвищується, і вони відриваються від робочих поверхонь ("злітають"). Коли диск обертається на повній швидкості, зазор між ним і головками може становити 3-20 мікродюймів (0,08-0,5мкм) і навіть більше.
Саме із цих міркувань зборка блоків HDA виконується тільки в чистих приміщеннях, що відповідають вимогам класу 100 (або навіть більше високим вимогам). Це означає, що в одному кубічному футі повітря може бути присутнім не більше 100 порошин розміром до 0,5 мкм. Для порівняння: нерухома людина щохвилини видихає біля 500 таких часток! Тому вищезгадані приміщення оснащуються спеціальними системами фільтрації й очищення повітря. Блоки HDA можна розкривати тільки в таких умовах.
У міру розвитку технології виробництва дискових накопичувачів удосконалювалися й конструкції головок читання/запису. Перші головки являли собою сердечники з обмоткою (електромагніти). По сучасних мірках їхні розміри були величезними, а щільність запису – надзвичайно низкою. За минулі роки конструкції головок пройшли довгий шлях розвитку від перших головок з феритовими осердями до сучасних типів.
Найчастіше використовуються головки наступних чотирьох типів:
феритові;
з металом у зазорі (МІО);
тонкоплівкові (TF);
магниторезистивні (MR).
Тенденція до постійного зменшення розмірів накопичувачів приводить до того, що всі їхні складові частини, у тому числі й повзунки, теж зменшуються. Наприклад, у стандартному міні-вінчестері їх розмір дорівнює 0,160x0,126x0,034 дюймів (4x3,2x0,86 мм) Зараз у більшості накопичувачів високої ємності й малогабаритних моделей використовуються повзунки менших розмірів (зменшених на 50%): 0,08x0,063x0,017 дюймів (2x1,6x0,43 мм).
Зменшення розмірів повзунка приводить до зниження маси рухливої системи, що складається з головки, повзунка й важеля переміщення головки. Це, у свою чергу, дозволяє перемішати їх з більшими прискореннями. Крім того, при цьому можна зменшити розміри зони "паркування" головок ("посадкової смуги") і відповідно збільшити корисну площу дисків Нарешті, завдяки меншій площі контактної поверхні повзунка зменшується неминуче зношування поверхні носія в процесі розкручування й зупинки дисків.
Мабуть, ще більш важливою деталлю накопичувача, чим самі головки, є механізм, що встановлює їх у потрібне положення й називається приводом головок. Саме з його допомогою головки переміщаються від центра диска до його країв і встановлюються на заданий циліндр. Існує багато конструкцій механізмів привода головок, але їх можна розділити на два основних типи:
з кроковим двигуном;
з рухливою котушкою.
Тип привода багато в чому визначає швидкодію й надійність накопичувача, вірогідність зчитування даних, його температурну стабільність, чутливість до вибору робочого положення й вібрацій. Скажемо відразу, що накопичувачі із приводами на основі крокових двигунів набагато менш надійні, чим пристрої із приводами від рухливих котушок. Привод- найважливіша деталь накопичувача.
У накопичувачів із приводом на основі крокового двигуна середня швидкість доступу до даних досить низька (тобто великий час доступу). Вони чутливі до коливань температури й вибору робочого положення під час операцій читання й записи, у них не здійснюється автоматичне паркування головок (тобто переміщення їх на безпечну "посадкову смугу" при вимиканні живлення). Крім того, звичайно один або два рази в рік їх доводиться переформатувати, щоб привести реальне розташування зон запису у відповідність із розміткою заголовків секторів. У накопичувачах на гнучких дисках для переміщення головок використовується привод із кроковим двигуном. Його точність виявляється цілком достатньою для дисководів цього типу, оскільки щільність доріжок запису на гнучких дисках значно нижча (135 доріжок на дюйм), чим у накопичувачах на жорстких дисках (більше 5 000 доріжок на дюйм). У більшості накопичувачів, що випускають на сьогоднішній день, установлюються приводи з рухливими котушками.
Привід з рухливою котушкою (рисунок 4.12) використовується практично у всіх сучасних накопичувачах. На відміну від систем із кроковими двигунами, у яких переміщення головок здійснюється наосліп, у приводі з рухливою котушкою використовується сигнал зворотного зв'язку, щоб можна було точно визначити положення головок щодо доріжок і скорегувати їх якщо буде потреба. Така система дозволяє забезпечити більше високу швидкодію, точність і надійність, чим традиційний привод із кроковим двигуном.
Привод з рухливою котушкою працює за принципом електромагнетизму. Його конструкція нагадує конструкцію звичайного гучномовця. Як відомо, у гучномовці рухлива котушка, з'єднана з дифузором, може перемішатися в зазорі постійного магніту. При протіканні через котушку електричного струму вона зміщається разом з дифузором щодо постійного магніту. Якщо струм у котушці періодично змінюється (у відповідності зі звуковим електричним сигналом), то виникаючі при цьому коливання дифузора породжують сприйманий людиною звук. У типовій конструкції привода рухлива котушка жорстко з'єднується із блоком головок і розміщується в поле постійного магніту.
На відміну від привода із кроковим двигуном, у пристроях з рухливою котушкою немає заздалегідь зафіксованих положень. Замість цього в них використовується спеціальна система наведення (позиціювання), що точно підводить головки до потрібного циліндра (тому привод з рухливою котушкою може плавно переміщати головки в будь-які положення).

Рисунок 12 – Привід з рухливою котушкою
При вимиканні живлення потрібно витримати тисячі "зльотів" й "посадок" головок, але бажано, щоб вони відбувалися на спеціально призначені для цього ділянках поверхні дисків, на яких не записуються дані. При цих "зльотах" й "посадках" відбувається зношування (абразія) робочого шару. З-під головок вилітають "клуби пилу", що складаються із часток робочого шару носія. Якщо ж під час "зльоту" або "посадки" відбудеться струс накопичувача, то ймовірність ушкодження головок і дисків істотно зросте.
Одним з переваг привода з рухливою котушкою є автоматичне паркування головок. Коли живлення включене, головки позиціюються й утримуються в робочому положенні за рахунок взаємодії магнітних полів рухливої котушки й постійного магніту. При вимиканні живлення поле, що втримують головки над конкретним циліндром, зникає й вони починають безконтрольно сковзати по поверхнях ще не зупинених дисків, що може стати причиною ушкоджень. Для того щоб запобігти можливим ушкодженням накопичувача, поворотний блок головок приєднується до зворотної пружини. Коли комп'ютер включений, магнітна взаємодія звичайно перевершує пружність пружини. Але при відключенні живлення головки під впливом пружини переміщаються в зону паркування до того, як диски зупиняться.
Майже у всіх накопичувачах на жорстких дисках використовується два повітряних фільтри: фільтр рециркуляції й барометричний фільтр. На відміну від змінних фільтрів, які встановлювалися в старих накопичувачах більших машин, вони розташовуються усередині корпуса накопичувача й не підлягають заміні протягом усього його терміну служби (рисунок 13).
У старих накопичувачах відбувалося постійне перекачування повітря зовні усередину пристрою й навпаки крізь фільтр, який потрібно було періодично міняти. У сучасних пристроях від цієї ідеї відмовилися. Фільтр рециркуляції в блоці HDA призначений тільки для очищення внутрішньої "атмосфери" від невеликих часток робочого шару, які, незважаючи на всі міри все-таки осипаються із дисків при "зльотах" й "посадках" головок. Оскільки накопичувачі персональних комп'ютерів герметизировані й у них не відбувається перекачування повітря зовні, вони можуть працювати навіть в умовах сильного забруднення навколишнього повітря.
Двигун, що приводить в обертання диски, часто називають шпиндельним (spindle). Шпиндельний двигун завжди пов'язаний з віссю обертання дисків - ніякі приводні ремені або шестірні для цього не використовуються. Двигун повинен бути безшумним - будь-які вібрації передаються дискам і можуть привести до помилок при зчитуванні й записі.
Частота обертання двигуна повинна бути строго певною. Звичайно вона коливається від 3 600 до 7 200 об/хв або більше, а для її стабілізації використовується схема керування двигуном зі зворотним зв'язком (автопідстроюванням), що дозволяє домогтися бажаної точності. Таким чином, контроль за частотою обертання двигуна здійснюється автоматично, і ніякі пристрої, що дозволяють зробити це вручну, у накопичувачах не передбачені. В описах деяких діагностичних програм говориться, що з їхньою допомогою можна виміряти частоту обертання дисків. Насправді єдине, на що вони здатні, - це оцінити її можливе значення по тимчасових інтервалах між моментами появи заголовків секторів. Виміряти частоту обертання за допомогою програми в принципі неможливо, для цього потрібні спеціальні прилади (тестери).

Рисунок 13 – Циркуляція повітря в накопичувачі на жорсткому диску
У більшості накопичувачів; шпиндельний двигун розташовується в нижній частині, під блоком HDA. Однак у багатьох сучасних пристроях він вбудовується усередину блоку HDA й являє собою центральну частину блоку дисків-носіїв.
5.3 Інтерфейс управління жорсткими дисками.
Основний інтерфейс, використаний для підключення жорсткого диска до сучасного PC, називається IDE (Integrated Drive Electronics). Фактично цей інтерфейс являє собою зв'язок між системною платою й електронікою або контролером, вбудованим в накопичувач. Інтерфейс IDE постійно розвивається - на сьогоднішній день створено декілька модифікацій.
Інтерфейс IDE, широко використовується у запам'ятовувальних пристроях сучасних комп'ютерів, розроблявся як інтерфейс жорсткого диска. Однак зараз він використовується для підтримки не тільки жорстких дисків, але й багатьох інших пристроїв, наприклад накопичувачів на магнітній стрічці, CD-ROM й DVD, дисководів Zip й ін.
Основна функція контролера накопичувача, або інтерфейсу - передача даних із системи в накопичувач і назад. Від типу інтерфейсу залежить, з якою швидкістю будуть здійснюватися ці операції, а це, в остаточному підсумку, багато в чому визначає загальну продуктивність комп'ютера.
Найпоширенішими інтерфейсами є SCSI й IDE - це інтерфейси системного рівня, у яких контролер одного з перших двох типів виконаний у вигляді мікросхеми (або комплекту мікросхем) і вбудований у диск. В інтерфейсі SCSI між контролером і системною шиною вводиться ще один рівень організації даних і керування, а інтерфейс IDE взаємодіє із системною шиною безпосередньо.
Термін IDE (Integrated Drive Electronics) у принципі міг би ставитися до будь-якого жорсткого диска з вбудованим контролером. Офіційна назва інтерфейсу IDE, визнаного як стандарт ANSI, —ATA (ATAttachment).
Поскольку в IDE-накопичувачі контролер вбудований, його можна підключати безпосередньо до роз’єму на платі адаптера або на системній платі. Це істотно спрощує установку жорсткого диска, тому що не потрібно приєднувати окремі кабелі для подачі живлення, сигналів керування й т.п. Крім того, при об'єднанні контролера й жорсткого диска скорочується загальна кількість елементів у пристрої, зменшується довжина сполучних проводів, а в результаті підвищується надійність, стійкість до шумів і швидкодія системи в порівнянні з тим, коли автономний контролер підключається до жорсткого диска за допомогою довгих кабелів.
Поєднуючи контролер (у тому числі і його шифратор/дешифратор) з жорстким диском, вдається істотно підвищити надійність відтворення даних у порівнянні із системами, у яких використовуються автономні контролери. Відбувається це тому, що кодування даних й їхнє перетворення із цифрової форми в аналогову (і навпаки) здійснюється безпосередньо в жорсткому диску при меншому рівні зовнішніх перешкод.
Об'єднання контролера й жорсткого диска звільнило розроблювачів від необхідності строго додержуватися стандартів, що було неминуче при використанні колишніх інтерфейсів. Взаємно погоджена й "підігнана" пара "твердий диск-контролер" має набагато більшу швидкодію в порівнянні з колишніми комбінаціями автономних пристроїв
Роз’єм IDE на системній платі в багатьох комп'ютерах являє собою просто варіант роз’єму шини розширення. У стандартному варіанті ATA IDE використовуються роз’єм з 40 контактами з можливих 98, наявних у роз’ємі 16-розрядної шини ISA. Із усього набору сигнальних ліній шини до роз’єму IDE підведені тільки ті, які необхідні для роботи стандартного контролера жорсткого диска комп'ютерів XT й AT. Наприклад, для контролера жорсткого диска в комп'ютері AT потрібна лінія IRQ 14, тому на IDE-роз’ємі системної плати AT виведена тільки ця лінія IRQ. На роз’ємі системної плати комп'ютера XT виведена тільки лінія IRQ 5, до якого й підключений контролер. Зверніть увагу, що навіть якщо інтерфейс АТА підключений до мікросхеми South Bridge і працює на частоті шини PCI, то розведення й призначення контактів не змінюється.
Головна перевага IDE-накопичувачів – їх низька вартість. Оскільки для них не потрібний окремий контролер, кількість кабелів і роз’ємів, необхідних для підключення жорсткого диска, виявляється істотно меншою, ніж у стандартному варіанті жорсткого диска з автономним контролером.
У більшості випадків у системі повинен бути встановлений IDE-накопичувач того типу, що відповідає шині комп'ютера. Інакше кажучи, XT IDE-накопичувачі працюють тільки в комп'ютерах класу XT з роз’ємами 8-розрядної шини ISA, ATA IDE-накопичувачі можна встановлювати тільки в комп'ютерах класу AT з роз’ємами 16-розрядної шини ISA або EISA, a MCA IDE-накопичувачі придатні тільки для систем із шиною МСА. Правда, можливі й інші варіанти. У більшості нових комп'ютерів роз’єм АТА встановлено безпосередньо на системній платі. Якщо він відсутній, то для підключення до комп'ютера АТА IDE-накопичувача можна використати додаткову плату адаптера. Звичайно на такій перехідній платі немає нічого, крім двох роз’ємів (98-контактного друкованого роз’єму шини й 40-контактного роз’єму IDE) і набору провідників. Ці плати не є контролерами, тому що останні вже убудовані в жорсткі диски. Правда, на деяких з них монтуються додаткові пристрої, наприклад спеціалізована ROM BIOS або кеш-пам'ять.
5.4 Способи кодування даних в HDD
Дані на магнітному носії зберігаються в аналоговій формі. У той же час самі дані представлені в цифровому виді, тому що є послідовністю нулів й одиниць. При виконанні запису цифрова інформація, надходячи на магнітну головку, створює на диску магнітні домени відповідної полярності. Якщо під час запису на головку надходить позитивний сигнал, магнітні домени поляризуються в одному напрямку, а якщо негативний – у протилежному. Коли міняється полярність записуваного сигналу, відбувається також зміна полярності магнітних доменов.
Якщо під час відтворення головка реєструє групу магнітних доменов однакової полярності, вона не генерує ніяких сигналів; генерація відбувається тільки тоді, коли головка виявляє зміну полярності. Ці моменти зміни полярності називаються зміною знака. Кожна зміна знака приводить до того, що головка, що зчитує, видає імпульс напруги; саме ці імпульси пристрій реєструє під час читання даних. Але при цьому головка, що зчитує, генерує не зовсім той сигнал, що був записаний; насправді вона створює ряд імпульсів, кожний з яких відповідає моменту зміни знака.
Якщо дані й синхросигнал передаються по одному каналі, то можна здійснити їх взаємну часову прив'язку при передачі між будь-якими двома пристроями. Найпростіший спосіб зробити це — перед передачею групи даних послати синхронізуючий сигнал. Стосовно до магнітних носіїв це означає, що, наприклад, група, що містить один біт інформації, повинна починатися із зони зміни знака, що виконує роль заголовка. Потім треба (або не треба) здійснити перехід, залежно від значення біта даних. Закінчується група ще однією зоною зміни знака, що одночасно є стартовою для наступної групи. Перевагою цього методу є те, що синхронізація не порушується навіть при відтворенні довгих ланцюжків нулів (або одиниць), а недоліком – те, що додаткові зони зміни знака, необхідні тільки для синхронізації, займають місце на диску, що могло б бути використано для запису даних.
Хоча розроблено безліч найрізноманітніших методів, на сьогоднішній день реально використовуються тільки три з них:
частотна модуляція (FM);
модифікована частотна модуляція (MFM);
кодування з обмеженням довжини поля запису (RLL).
Метод кодування FM (Frequency Modulation — частотна модуляція) був розроблений раніше інших і використовувався при записі на гнучкі диски так називаної одинарної щільності (single density) у перших ПК. Ємність таких однобічних дискет становила всього 80 Кбайт. В 70-і роки запис по методу частотної модуляції використовували в багатьох пристроях, але зараз від нього повністю відмовилися.
Основною метою розроблювачів методу MFM (Modified Frequency Modulation — модифікована частотна модуляція) було скорочення кількості зон зміни знака для запису того ж обсягу даних у порівнянні з FM-кодуванням і відповідно збільшення потенційної ємності носія. При цьому способі запису кількість зон зміни знака, використовуваних тільки для синхронізації, зменшується. Синхронізуючі переходи записуються тільки в початок групи з нульовим бітому даних і тільки в тому випадку, якщо йому передує нульовий біт. У всіх інших випадках синхронізуюча зона зміни знака не формується. Завдяки такому зменшенню кількості зон зміни знака при тій же припустимій щільності їхнього розміщення на диску, інформаційна ємність у порівнянні із записом по методу FM подвоюється. От чому диски, записані по методу MFM, часто називають дисками подвійної щільності (double density).
Розібратися в FM-кодуванні дуже просто. У кожній бітовій зоні втримується два проміжки переходу: один для синхронізуючого сигналу, інший для самих даних. Всі проміжки переходу, у яких записані сигнали синхронізації, містять зони зміни знака. У той же час зони переходу, у яких записані дані, містять зону зміни знака тільки в тому випадку, якщо значення біта дорівнює логічній одиниці. При нульовому значенні біта зона зміни знака не формується. Оскільки в нашому прикладі значення першого біта- 0, він буде записаний у вигляді комбінації TN. Значення наступного біта дорівнює 1, і йому відповідає комбінація ТТ. Третій біт - теж нульової (TN) і т.д. За допомогою діаграми FM-кодування легко простежити всю комбінацію, що кодує, для розглянутого приклада байта даних. Відзначимо, що при даному способі запису зони зміни знака можуть випливати безпосередньо одна за іншою; у термінах RLL-кодування це означає, що мінімальний "пробіг" дорівнює нулю. З іншого боку, максимально можлива кількість пропущених підряд зон зміни знака не може перевищувати одиниці - от чому FM-кодування можна позначити як RLL 0,1.
При MFM-кодуванні в також записуються синхросигнал і біти даних, але, як видно зі схеми, проміжок часу для запису синхросигнала містить зону зміни знака тільки в тому випадку, якщо значення й поточного й попереднього бітів дорівнюють нулю. Перший біт ліворуч — нульовий, значення ж попереднього біта в цьому випадку невідомо, тому припустимо, що він теж дорівнює нулю. При цьому послідовність зон зміни знака буде виглядати як TN. Значення наступного біта дорівнює одиниці, якому завжди відповідає комбінація NT. Наступному нульовому біту передує одиничний, тому йому відповідає послідовність NN. Аналогічним образом можна простежити процес формування сигналу запису до кінця байта, Легко помітити, що мінімальне й максимальне число проміжків переходу між будь-якими двома зонами зміни знака дорівнює 1 і 3 відповідно. Отже, MFM-кодування в термінах RLL може бути названо методом RLL 1.3.
Оскільки в цьому випадку використовується тільки половина зон зміни знака (у порівнянні з FM-кодуванням), частоту синхронізуючого сигналу можна подвоїти, зберігши при цьому ту ж відстань між зонами зміни знака, що використовувалась при методі FM. Це означає, що щільність записуваних даних залишається така ж, як при FM-кодуванні, але даних кодується вдвічі більше.