Програмне забезпечення для МПК Ломіконт
Міністерство освіти і науки України
Національний університет харчових технологій
Курсова робота з дисципліни
«Програмне забезпечення»
Виконав: студент групи
АКС-4-4 Ширма С.В.
Київ 2010
Завдання 34 20

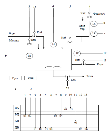
Рис.1 Схема об’єкта управління
У початковому стані всі клапани закриті. Клапан 4 аналоговий.
Після натискання кнопки «ПУСК» відкривається клапан 5 і на 60% клапан 4. На протязі п’яти хвилин відбувається пропарювання апарату. Закривається клапан 4 і через 2 хвилини – клапан 5.
Відкривається клапан 1 і ємність наповндюється молоком до верхнього рівня.
Подається перша доза ферменту в ємність:
відкривається клапан 2 і в дозатор подається фермент, поки не спрацює датчик верхнього рівня дозатора
закривається клапан 2, відкривається клапан 3 (відбувається зливання ферменту до спрацювання датчика нижнього рівня дозатора)
закривається клапан 3.
Подається друга доза ферменту в ємність
Включається двигун і протягом 3 хвилин виконується промивка ємності.
Якщо не натиснута кнопка «СТОП», продовжити роботу починаючи з п. 1, інакше – завершити роботу.
Блок-схема процесу

Вимкнути мотор.
Відкрити кл. 4
Закрити кл.6
Закрити кл.5





Відкрити кл. 2
К:=К+1
9
Так
10

24
25
Схема автоматизації об’єкта керування

ВД – входи дискретні;
ДВ – виходи дискретні;
ВА – входи аналогові;
АВ – аналогові виходи.
Таблиця відповідності адрес входів-виходів різних контролерів, що відповідають умовним позначенням, наведеним у спрощеній схемі автоматизації об’єкта керування.
|
Параметр |
Умовне позначення на СА |
Адреси входів-виходів на МПК |
|||
|
МПК Ломіконт |
МПК Р-130 |
МПК TSX Premium |
|||
|
Вимірювання рівня |
ВА01 |
ВА001 |
ВА01 |
%IW3.1 |
%MW31 |
|
Вимірювання температури |
ВА02 |
ВА002 |
ВА02 |
%IW3.0 |
%MW30 |
|
Пуск |
ВД01 |
ВД001 |
ВД01 |
%I1.0 |
%M10 |
|
Стоп |
ВД02 |
ВД002 |
ВД02 |
%I1.1 |
%M11 |
|
Нижн. рів. дозатора |
ВД03 |
ВД003 |
ВД03 |
%I1.2 |
%M12 |
|
Верх. рів. дозатора |
ВД04 |
ВД004 |
ВД04 |
%I1.3 |
%M13 |
|
Кл4 |
АВ01 |
АВ001 |
АВ01 |
%QW4.0 |
%MW40 |
|
Кл1 |
ДВ01 |
ДВ001 |
ДВ01 |
%Q2.0 |
%M20 |
|
Кл2 |
ДВ02 |
ДВ002 |
ДВ02 |
%Q2.1 |
%M21 |
|
Кл3 |
ДВ03 |
ДВ003 |
ДВ03 |
%Q2.2 |
%M22 |
|
Кл5 |
ДВ05 |
ДВ005 |
ДВ05 |
%Q2.3 |
%M23 |
|
Кл6 |
ДВ06 |
ДВ006 |
ДВ06 |
%Q2.4 |
%M24 |
|
Мішалка |
ДВ04 |
ДВ004 |
ДВ04 |
%Q2.5 |
%M25 |
Розроблення програмного забезпечення для МПК Ломіконт
Для розроблення прикладного програмного забезпечення МПК Ломіконт використовується пакет програм “Крос-система мови МІКРОЛ”.
|
Секція 000 |
Пояснення |
|
00 АЛГ 130 1. ВЫХОД = КБ0 2. №=8 3. В/О = ОТКЛ 01 АЛГ 130 1. ВЫХОД = КС000 2. №=128 3. В/О = ОТКЛ 02 ОТКЛ ДВ001 03 ОТКЛ ДВ002 04 ОТКЛ ДВ003 05 ОТКЛ ДВ004 06 ОТКЛ ДВ005 07 ОТКЛ ДВ006 10 АВ001=+0000 11 ТМ05=00.00.00 12 ТМ06=00.00.00 13 ТМ07=00.00.00 14 ВКЛ КБ1 15 ВКЛ КС100 |
Закрити всі ключі блоків Закрити всі ключі секцій Закрити клапан подачі молока Закрити клапан подачі фермента Закрити клапан зливу фермента Вимкнути мішалку Закрити клапан зливу Закрити клапан подачі води Закрити клапан подачі пари Обнулити таймер Обнулити таймер Обнулити таймер Включити ключ блока КБ1 Включити ключ секції КС100 |
|
Секція 100 |
Пояснення |
|
00 ЕСЛИ ВА001>+0000 01 ТОГДА ВКЛ ДВ005 02 ЕСЛИ ВА001=+0000 03 ТОГДА ВКЛ ДВ006 04 ТОГДА ТМ05=00.00.00 05 ТОГДА ВКЛ ТМ05 06 ЕСЛИ ТМ05=00.03.00 07 ТОГДА ОТКЛ ДВ006 10 ТОГДА ОТКЛ ДВ005 11 ТОГДА ОТКЛ КС100 12 ТОГДА ВКЛ КС 101 |
Якщо апарат не порожіній Тоді відкриваєм клапан зливу Якщо апарат порожній Тоді відкриваєм клапан подачі води Обнуляєм таймер Запускаєм таймер Якщо вийшов час 3 хв Тоді відключаєм клапан подачі води Тоді відключаєм клапан зливу Тоді закриваєм ключ секції КС100 Тоді відкриваєм ключ секції КС101 |
|
Секція 101 |
Пояснення |
|
00 ЕСЛИ ВКЛ ВД001 01 ЕСЛИ ОТКЛ ВД002 02 ТОГДА ВКЛ ДВ005 03 ТОГДА АВ001=+0600 04 ТОГДА ТМ05=00.00.00 05 ТОГДА ВКЛ ТМ05 06 ЕСЛИ ТМ05=00.05.00 07 ТОГДА АВ001=+0000 10 ЕСЛИ ТМ05=00.07.00 11 ТОГДА ОТКЛ ДВ005 12 ТОГДА ВКЛ ДВ001 13 ЕСЛИ ВА001=+1000 14 ТОГДА ОТКЛ ДВ001 15 ТОГДА ОТКЛ КС101 16 ТОГДА ВКЛ КС102 |
Якщо нажата кнопка «ПУСК» І не нажата кнопка «СТОП» Тоді включаєм клапан зливу І відкриваєм клапан подачі пари на 60% Обнуляєм таймер Запускаєм таймер Якщо вийшов час 5 хв Тоді закриваєм клапан подачі пари +2хв Закриваєм клапан зливу Тоді відкриваєм клапан подачі молока Коли апарат повний Тоді закриваєм клапан подачі молока Тоді виключаєм ключ секції КС101 Тоді включаєм ключ секції КС102 |
|
Секція 102 |
Пояснення |
|
00 ВКЛ ДВ002 01 ЕСЛИ ВКЛ ВД004 02 ТОГДА ОТКЛ ДВ002 03 ТОГДА ВКЛ ДВ003 04 ЕСЛИ ОТКЛ ВД003 05 ТОГДА ОТКЛ ДВ003 06 ТОГДА ОТКЛ КС102 07 ТОГДА ВКЛ КС103 |
Відкрити клапан подачі ферменту Якщо досягнуто верхній рівень Тоді закрити клапан подачі ферменту Тоді відкрити клапан зливу ферменту Якщо дозатор порожній Тоді закрити клапан зливу ферменту Тоді відключити ключ секції КС102 Тоді включити ключ секції КС103 |
|
Секція 103 |
Пояснення |
|
00 ВКЛ ДВ002 01 ЕСЛИ ВКЛ ВД004 02 ТОГДА ОТКЛ ДВ002 03 ТОГДА ВКЛ ДВ003 04 ЕСЛИ ОТКЛ ВД003 05 ТОГДА ОТКЛ ДВ003 06 ТОГДА ОТКЛ КС103 07 ТОГДА ВКЛ КС104 |
Відкрити клапан подачі ферменту Якщо дозатор повний Тоді закрити клапан подачі ферменту Тоді відкрити клапан зливу ферменту Якщо дозатор порожній Тоді закрити клапан зливу ферменту Тоді відключити ключ секції КС103 Тоді включити ключ секції КС104 |
|
Секція 104 |
Пояснення |
|
00 ВКЛ ДВ004 01 ТМ06=00.00.00 02 ВКЛ ТМ06 03 ЕСЛИ ТМ06=00.03.00 04 ТОГДА ОТКЛ ДВ004 05 ТОГДА АВ001=+1000 06 ЕСЛИ ВА002>+0400 07 ТОГДА АВ001=+0000 10 ТОГДА ВКЛ ДВ005 11 ЕСЛИ ВА001=0000 12 ТОГДА ВКЛ ДВ006 13 ТОГДА ТМ07=00.00.00 14 ТОГДА ВКЛ ТМ07 15 ЕСЛИ ТМ07=00.03.00 16 ТОГДА ОТКЛ ДВ006 17 ТОГДА ОТКЛ ДВ005 20 ЕСЛИ ОТКЛ ВД002 21 ТОГДА ОТКЛ КС104 22 ТОГДА ВКЛ КС101 |
Включити мішалку Тоді обнуляєм таймер Тоді запускаєм таймер Коли вийшов час 3 хв Тоді виключаєм мішалку Відкриваєм клапан подачі пари Якщо досягнута температура 400С Тоді закриваєм клапан подачі пари Тоді відкриваєм клапан зливу Якщо апарат порожній Тоді відкриваєм клапан подачі води Тоді обнуляєм таймер Тоді запускаєм таймер Коли вийшов час 3 хв Тоді закриваєм клапан подачі води Тоді закриваєм клапан зливу Якщо не натиснута кнопка «СТОП» Тоді закриваєм ключ секції КС104 Тоді відкриваєм ключ сеції КС101 |
Вибір технічних засобів
1. Для визначення рівня (LЕ) - ємнісні сигналізатори рівня.
Вхідний дискретний сигнал (03 та 04).
2. Для неперервного вимірювання рівня (LE) – ультразвуковий рівнемір з вихідним сигналом 0 – 20 мА. При підключенні до МПК – вхідний аналоговий сигнал (01).
3. Для вимірювання температури (ТЕ) – термометр опору з вбудованим нормуючим перетворювачем і вихідним сигналом 0 – 20 мА. Вхідний аналоговий сигнал (02).
4. Кнопки «Пуск» та «Стоп» – вхідні дискретні сигнали (01 та 02).
5. Клапани Кл 1, Кл 2, Кл 3, Кл 5, Кл 6 – дискретні електропневматичні клапани. 5 дискретних вихідних сигналів – 01, 02, 03, 05, 06.
6. Управління мішалкою за допомогою магнітного пускача. Дискретний вихідний сигнал – 04.
7. Клапан Кл 4 – пневматичний клапан з аналоговим електропневматичним перетворювачем. Управляючий сигнал 0 – 20 мА. Аналоговий вихідний сигнал – 01.
Таким чином для управління об’єктом необхідно сконфігурувати МПК який забезпечує підключення: 4 дискретних вхідних сигнали, 6 дискретних вихідних сигнали, 2 вхідних аналогових сигнали 0 – 20 мА 1 аналоговоговий вихідний сигнал 0 – 20 мА.
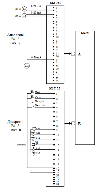
Конфігурування МПК і схеми підключення зовнішніх пристроїв МПК Ломіконт
Для реалізації алгоритму управління можна вибрати модель Ломіконта Л-120 з наступною конфігурацією:
Модулі базового комплекту: ПРЦ7 і МП7.
Модулі входів-виходів:
- 1 модуль дискретних входів – ДЦП2. 16 входів, настроєний на роботу з групами змінних 00 і 01;
- 1 модуль дискретних виходів – ЦДП2. 16 виходів, настроєний на роботу з групами змінних 00 і 01;
- 1 модуль аналогових входів АЦП16 (включає в себе по одному модулю гальванічного розподілення РГ12 на групи 00 і 01) - 16 входів, настроєний на роботу з групами змінних 00 і 01. Для сигналів від датчиків рівня і температури 0 – 20 мА на клемній колодці встановлюються резистори 400 Ом;
- 1 модуль аналогових виходів ЦАП4. 4 виходи, настроєний на роботу з групою змінних 00 з сигналом 0-20 мА.
Схема підмикання в МПК Ломіконт

Для реалізації алгоритму управління на базі Реміконта 130, у відповідності з типами і кількістю зовнішніх сигналів вибираєм регулюючу модель Реміконта 130 з модифікацією – 15.
Прикладне програмне забезпечення для МПК Реміконт Р-130 розробляється за допомогою “крос-системи” на ПЕОМ. Враховуючи поставлені в умові задачі вимоги щодо керування обрали наступну модель контролера:
Модель контролера: Регулююча
Комплектність групи А: МАС 8 ан.вх. і 2 ан.вих.(1)
Комплектність групи Б: МСД 8 д.вх. і 8 д.вих.(5)
Часовий діапазон контролера: Старший(Мин/Час)
Час циклу: 0.2 сек.
Під‘єднання зовнішніх пристроїв до рознімів контролера відбувається за допомогою клемно-блокових з‘єднань.
Підключення датчиків і виконавчих механізмів до МПК Реміконт-130

Modicon TSX Micro 3705

Рис. 2 Конфігурування контролера Modicon TSX Micro 3705
До складу контролера крім процесорного модуля входять:
- комбінований повноформатний модуль TSX DMZ 28DR, який встановлений у першому слоті і займає 1-е і 2-е місця. Модуль має 16 дискретних входів з напругою 24 В постійного струму та 12 релейних виходів з струмом комутації 3 А та напругою 24 В постійного струму і 24-240 В змінного струму;
- напівформатний модуль аналогових входів TSX AEZ 802, який розташований на 3-му місці і працює з 8 аналоговими сигналами 0-20 або 4-20 мА;
- ніпівформатний модуль аналогових виходів TSX ASZ 200, який розташований на 4-му місці і працює з 2 аналоговими сигналами 0-20, 4-20 мА або 0-10 В;

Рис. 3 Підключення дискретних входів та виходів

Рис. 4 Підключення аналогових входів та аналогового виходу

Рис. 5 Конфігурування процесорного модуля

Рис. 6 Конфігурування модуля дискретних входів

Рис. 7 Конфігурування модуля дискретних виходів

Рис. 8 Конфігурування модуля аналогових входів

Рис. 9 Конфігурування модуля аналогових виходів

Рис. 10 Конфігурування таймерів
Фрагмент програми імітації:
IF %M10 AND NOT %M11 THEN (*якшо нажата кнопка ПУСК і не нажата кнопка СТОП*)
IF %MW19=0 THEN (*ОБНУЛЯЄМ ТАЙМЕРИ*)
DOWN %TM1;
DOWN %TM2;
DOWN %TM3;
DOWN %TM4;
%MW19:=1;
END_IF;
IF %MW19=1 THEN (*ВІКДРИВАЄМ КЛ 5 І НА 40% КЛ 4*)
SET %M43;
%MW30:=6000;
START %TM1;(*ЗАПУСКАЄМ ТАЙМЕР 1*)
%MW19:=2;
END_IF;
IF %MW19=2 THEN (*ЯКЩО ВИЙШОВ ЧАС 5ХВ, ТО ЗАКРИВАЄМ КЛ4 І ЗАПУСКАЄМ ТАЙМЕР 2*)
IF %TM1.Q THEN
%MW30:=0;
START %TM2;
%MW19:=3;
END_IF;
END_IF;
IF %MW19=3 THEN (*КОЛИ ВИЙШОВ ЧАС 2 ХВ, ТО ЗАКР КЛ 5 І ВІДКР КЛ 1*)
IF %TM2.Q THEN
RESET %M43;
SET %M40;
SET %M48;
%MW19:=4;
END_IF;
END_IF;
IF %MW19=4 THEN (*НАПОВНЮЄМ БАЧОК МОЛОКОМ*)
%MW21:=%MW21+50;
IF %MW21>=10000 THEN %MW19:=5;
END_IF;
END_IF;
IF %MW19=5 THEN (*ЯКЩО БАЧОК ПОВНИЙ, ТО ЗАКР КЛ 1, ОБНУНИЛИ ПОКАЗНИК ДОЗ*)
IF %MW21>=10000 THEN
RESET %M40;
%MW200:=0;
%MW19:=20;
END_IF;
END_IF;
(*початок дозування*)
IF %MW19=20 THEN
%MW200:=1;
SET %M41;SET %M12;DOWN %TM5;START %TM5;%MW19:=21;
END_IF;
IF %MW19=21 THEN
IF %TM5.Q THEN SET %M13;RESET %M41;SET %M42;DOWN %TM6;START %TM6;RESET %M13;%MW19:=22;END_IF;
END_IF;
IF %MW19=22 THEN
IF %TM6.Q THEN RESET %M12;RESET %M42;%MW19:=23;END_IF;
END_IF;
(**)
IF %MW19=23 THEN
%MW200:=2;
SET %M41;SET %M12;DOWN %TM5;START %TM5;%MW19:=24;
END_IF;
IF %MW19=24 THEN
IF %TM5.Q THEN SET %M13;RESET %M41;SET %M42;DOWN %TM6;START %TM6;RESET %M13;%MW19:=25;END_IF;
END_IF;
IF %MW19=25 THEN
IF %TM6.Q THEN RESET %M12;RESET %M42;%MW19:=6;END_IF;
END_IF;
(*кінець дозування*)
IF %MW19=6 THEN (*ЯКЩО ДВІ ДОЗИ..., ТО ВКЛЮЧАЄМ МІШАЛКУ І ТАЙМЕР 3*)
SET %M45;
START %TM3;
%MW19:=7;
END_IF;
IF %MW19=7 THEN (*КОЛИ ВИЙШОВ ЧАС 3ХВ, ТО ВИКЛ МІШАЛКУ, ВІДКРИТИ КЛ 4 ПОВНІСТЮ*)
IF %TM3.Q THEN
RESET %M45;
%MW30:=10000;
%MW19:=8;
END_IF;
END_IF;
IF %MW19=8 THEN (*підігрівання*)
%MW20:=%MW20+20;
IF %MW20>=4000 THEN %MW19:=9;
END_IF;
END_IF;
IF %MW19=9 THEN (*КОЛИ ТЕМПЕРАТУРА=40 ГРАД, ТО ЗАКР КЛ 4, ВІДКР КЛ 5*)
IF %MW20>=4000 THEN
%MW30:=0;
SET %M43;
SET %M49;
%MW19:=10;
END_IF;
END_IF;
IF %MW19=10 THEN (*ЗЛИВ МОЛОКА*)
%MW21:=%MW21-50;
IF %MW21<1 THEN %MW19:=11;
END_IF;
END_IF;
IF %MW19=11 THEN (*КОЛИ АПАРАТ ПОРОЖНІЙ, ВІДКРИТИ КЛ 6, ЗАПУСТИТИ ТАЙМЕР 4*)
IF %MW21=0 THEN
%MW20:=0;
SET %M44;
START %TM4;
%MW19:=12;
END_IF;
END_IF;
IF %MW19=12 THEN
IF %TM4.Q THEN (*КОЛИ ВИЙШОВ ЧАС 6 ХВ, ЗАКР КЛ 6, ЗАКР КЛ 5 *)
RESET %M44;
RESET %M43;
%MW19:=0;
END_IF;
END_IF;
END_IF;
Копія екрану Runtime Screen:

Література
1. Ельперін І.В. Промислові контролери: Навч.посіб. – К.: НУХТ, 2003. – 320 с.
2. Ельперін І.В. Промислові контролери. Частина 1.: Конспект лекцій до вивчення дисц. Для студ. Спец. 6.092500 «автоматизоване управління технологічними процесами» і «Комп‘ютерно-інтегровані технологічні процеси і виробництва» напряму підготовки 0925 «Автоматизація і комп‘ютерно-інтегровані технології». – К.: НУХТ, 2007. – 84 с.
3. Ельперін І.В. Промислові контролери. Частина 2.: Конспект лекцій до вивчення дисц. Для студ. Спец. 6.092500 «автоматизоване управління технологічними процесами» і «Комп‘ютерно-інтегровані технологічні процеси і виробництва» напряму підготовки 0925 «Автоматизація і комп‘ютерно-інтегровані технології». – К.: НУХТ, 2007. – 84 с.
4. Мікропроцесорні пристрої і системи управління в харчовій промисловості: Навч. Посібник /І.В.Ельперін, Є.Л.Календро, А.П.Ладанюк. -К.: ІСДО, 1994. - 140 с.
5. Мікропроцесорні та програмні засоби автоматизації: Метод. вказівки до виконання курс. проекту для студ. спец. 6.092501 “Автоматизоване управління технологнічними процесами” та 6.092502 “Комп‘ю-терно-інтегровані технологічні процеси та виробництва”ден. та заоч.форм навчання / Уклад.: І.В. Ельперін, В.М. Кушков, Г.В. Кабальський. – К.: УДУХТ, 2001. – 16 с.
6. Мікропроцесорні пристрої та системи автоматики: Метод. Вказівки до вивчення дисципліни для студтів спец.. 7.092501 “Автоматизація технологнічних процесів і виробництв заоч. форми навчання” / Уклад.: І.В. Ельперін, В.М. Кушков.– К.: УДУХТ, 1998. – 20 с.