Разработка виртуального вычислительного устройства с многослойной структурой
ЗАДАНИЕ 1
Разработка виртуального вычислительного устройства с многослойной структурой
Цель: Ознакомиться с вычислительными функциями пакета LabVIEW и выполнить индивидуальное задание с применением многослойной структуры, проверить работу вычислительного устройства и оформить задание в пояснительной записке к контрольной работе.
Индивидуальное задание
Таблица 1
|
Вариант |
f>1>(x) |
f>2>(x) |
Хн |
Xк |
|
7 |
|
|
0,8 |
3,6 |
Для выполнения индивидуального задания №1 используются исходные данные предыдущей лабораторной работы №6 (табл. 1), но с использованием многослойной структуры. В первом слое необходимо сделать ввод всех исходных данных от рукояток интерактивного задания параметров. Во втором слое необходимо просчитать функцию f1 от начального и до конечного значения аргумента х. В третьем слое необходимо сделать тоже самое со второй функцией f2. А в четвертом слое необходимо рассчитать заданную функцию У в зависимости от условия х><=а. В пятом слое необходимо вывести всю информацию на три отдельных осциллографа или вывести все три функции на трехвходовый осциллограф цветными линиями.
Решение
Размещение компонентов на форме, и результат работы программы:

Разработанная схема:

При разаработке данного задания использовались следующие типы компонентов LabVIEW:
Graph \ Waweform graph – визуальный компонент; применяется для отображения результатов расчета в виде графика.
Numeric \ Digital control – визуальный компонент; применяется для ввода числовых данных.
Structures \ Sequense – невизуальный компонент; многослойная структура; данная многослойная структура позволяет организовать логическую последовательность выполнения отдельных частей программы (подпрограммы). Они записываются на отдельном листе или совокупности листов структуры.
Structures \ While loop – невизуальный компонент; применяется для создания циклов (while).
Structures \ Formula node – невизуальный компонент; применяется для ввода формул в текстовом виде.
Numeric \ Add – невизуальный компонент; сложение двух чисел.
Numeric \ Less Or Equal – невизуальный компонент; меньше или равно.
Вывод: при выполнении данного задания я освоила работу с многослойной структурой ‘Sequense’ в интерактивной среде LabVIEW.
ЗАДАНИЕ 2
РАЗРАБОТКА ВИРТУАЛЬНОГО ВЫЧИСЛИТЕЛЬНОГО УСТРОЙСТВА С КАССЕТНОЙ СТРУКТУРОЙ
Цель: Ознакомиться с вычислительными функциями пакета LabVIEW и выполнить индивидуальное задание с применением кассетной структуры, проверить работу вычислительного устройства и представить материалы в пояснительной записке к контрольной работе.
Индивидуальное задание
Для выполнения индивидуального задания №2 используются исходные данные задания 1, но с использованием кассетной структуры. Необходимо сделать ввод всех исходных данных от рукояток интерактивного задания параметров. Переключать работу кассетной структуры необходимо от рукоятки параметра а.
Функцию f1 просчитать в первом окне кассетной структуры. Во втором окне просчитайте функцию f2 в зависимости от условия х><=а. Выведите всю информацию на осциллограф.
Решение
Размещение компонентов на форме, и результат работы программы:

Разработанная схема:

При разаработке данного задания использовались следующие типы компонентов LabVIEW:
Numeric \ Add – невизуальный компонент; сложение двух чисел.
Numeric \ Less Or Equal – невизуальный компонент; меньше или равно.
Graph \ Waweform graph – визуальный компонент; применяется для отображения результатов расчета в виде графика.
Numeric \ Digital control – визуальный компонент; применяется для ввода числовых данных.
Boolean \ Horizntal Toggle Switch – визуальный компонент; применяется для ввода (переключения) логических значений (true \ false).
Boolean \ Round LED – визуальный компонент; индикатор применяется для отображения логических значений (true \ false).
Structures \ Case – невизуальный компонент; многослойная структура управление которой (выбор слоя) производится через селектор.
Structures \ While loop – невизуальный компонент; применяется для создания циклов (while).
Structures \ Formula node – невизуальный компонент; применяется для ввода формул в текстовом виде.
Вывод: при выполнении данного задания я освоила работу с кассетной структурой ‘Case’ в интерактивной среде LabVIEW.
ЗАДАНИЕ 3
МАССИВЫ И КЛАСТЕРЫ
Цель: Познакомиться с различными структурами данных в пакете LabVIEW, выполнить индивидуальное задание в изучаемой среде и осуществить проверку по своей программе на языке Паскаль. Выполненные материалы представить в пояснительной записке к контрольной работе.
Индивидуальное задание
Таблица 2
|
Вариант |
Размерность матрицы |
Задание |
|
7 |
9*9*9 |
Суммировать и вывести на рабочий стол элементы 1й и 5й плоских матриц |
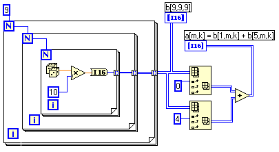
Для выполнения индивидуального задания №3 необходимо разработать и отладить программу, выполняющую заполнение массива заданной размерности для своего варианта с помощью генератора случайных чисел. Произведите вычисления над элементами массива в соответствии с вариантом (табл. 2).
Решение
Размещение компонентов на форме, и результат работы программы:

Разработанная схема:

При разаработке данного задания использовались следующие типы компонентов LabVIEW:
Array & Cluster \ Array – визуальный компонент; применяется для представления массивов с различными количествоми измерений.
Structures \ For loop – невизуальный компонент; применяется для создания циклов (for).
Array \ Index Array – невизуальный компонент; применяется для извлечения значения (подмассива) из массива.
Numeric \ Add – невизуальный компонент; сложение.
Numeric \ Multiply – невизуальный компонент; умножение.
Numeric \ Random Number (0-1) – невизуальный компонент; применяется для генерации случайных чисел.
Numeric \ Convertion \ To Word Integer – невизуальный компонент; преобразование значения к типу ‘integer’.
Вывод: при выполнении данного задания я освоила работу с массивами ‘Array’ и компонентом ‘Index Array’ в интерактивной среде LabVIEW.

