Разработка технического и программного обеспечения автоматизированной системы научных исследований
МИНИСТЕРСТВО ОБРАЗОВАНИЯ И НАУКИ УКРАИНЫ
Севастопольский национальный технический университет
Кафедра технической кибернетики
КУРСОВОЙ ПРОЕКТ
по курсу «Обработка данных в автоматизированных системах»
«Разработка технического и программного обеспечений автоматизированной системы научных исследований»
(Альбом документов)
Выполнил:
ст. гр. А-41з
Брусинов С. Э.
Проверил:
Краснодубец Л. А.
Допущено к защите
Защищено с оценкой
Севастополь
2007
ОПИСЬ АЛЬБОМА
Отчет по курсовому проектированию содержит следующие документы:
- Техническое задание, где обозначены: цель проекта, технические требования, основные этапы работы и график их выполнения;
- Пояснительная записка, в которой представлено описание и принцип действия АСНИ; все расчеты заданного устройства и выводы по проделанной работе;
- Приложения, включающие: текст программы, принципиальную электрическую схему информационного измерительного канала и структурную схему программы.
МИНИСТЕРСТВО ОБРАЗОВАНИЯ И НАУКИ УКРАИНЫ
Севастопольский национальный технический университет
Кафедра технической кибернетики
КУРСОВОЙ ПРОЕКТ
по курсу «Обработка данных в автоматизированных системах»
«Разработка технического и программного обеспечений автоматизированной системы научных исследований»
(Техническое задание)
Выполнил: ст.гр. А-41з
Брусинов С. Э.
Проверил:
Краснодубец Л.А.
Севастополь
2007
Севастопольский национальный технический университет
(наименование высшего учебного заведения)
Факультет Автоматики и вычислительной техники
Дисциплина Обработка данных в автоматизированных системах
Специальность Компьютеризированные системы, автоматика и управление
Курс IV Группа А-41з Семестр IХ
ЗАДАНИЕ
На курсовой проект студента
Брусинова Сервера Энверовича
(фамилия, имя, отчество)
1. Тема проекта Разработка технического и программного обеспечений автоматизированной системы научных исследований
2. Срок сдачи студентом законченного проекта (работы)
3. Исходные данные к проекту (работе)
Внутреннее сопротивление датчика - R>и>=300
Выходное напряжение датчика - U>c >=3,0мВ
Эффективное значение синфазной помехи - U>сф>=1,2B
Максимальная погрешность от синфазной помехи - =3%
Частота работы АЦП F>д>=2000Гц
Разрешение по частоте при определении спектральной плотности b=5Гц
Период дискретизации T=0.02c
Ошибка спектрального анализа =25%
4. Содержание расчётно-пояснительной записки (перечень подлежащих разработке вопросов)
1.Введение
2.Теоретические сведения
3.Разработка методического обеспечения
4.Разработка технического обеспечения
5. Разработка программного обеспечения
6.Тестирование ПО
7.Заключение
5. Перечень графического материала (с точным указанием обязательных чертежей)
6. Дата выдачи задания 22 июня 2007 года
КАЛЕНДАРНЫЙ ПЛАН
|
№п/п |
Название этапов курсового проекта (работа) |
Срок выполнения этапов проекта (работы) |
Пометки |
|
1 |
Получение задания, подбор литературы |
||
|
2 |
Расчет дифференциального усилителя |
||
|
3 |
Расчет фильтра низких частот и нормирующего усилителя |
||
|
4 |
Разработка схем и алгоритмов программы |
||
|
5 |
Написание программы |
||
|
6 |
Оформление отчета |
||
Студент__________________________________
(подпись)
Руководитель_____________________________ (подпись) (фамилия, имя, отчество)
«_____» ___________________________20___г.
МИНИСТЕРСТВО ОБРАЗОВАНИЯ И НАУКИ УКРАИНЫ
Севастопольский национальный технический университет
Кафедра технической кибернетики
КУРСОВОЙ ПРОЕКТ
по курсу «Обработка данных в автоматизированных системах»
(Пояснительная записка)
Выполнил: ст.гр. А-41з
Брусинов С. Э.
Проверил:
Краснодубец Л.А.
.
Севастополь
2007
СОДЕРЖАНИЕ
1 ВВЕДЕНИЕ
2 РАЗРАБОТКА МЕТОДИЧЕСКОГО ОБЕСПЕЧЕНИЯ
2.1 МЕТОДЫ ГЕНЕРАЦИИ ВРЕМЕННЫХ РЯДОВ
2.2 МЕТОДЫ ОЦЕНИВАНИЯ СПЕКТРАЛЬНЫХ ПЛОТНОСТЕЙ МОЩНОСТИ С ИСПОЛЬЗОВАНИЕМ ДИСКРЕТНОГО ПРЕОБРАЗОВАНИЯ ФУРЬЕ
3 РАЗРАБОТКА ТЕХНИЧЕСКОГО ОБЕСПЕЧЕНИЯ
3.1 СТРУКТУРА АСНИ
3.2 РАСЧЁТ ДИФФЕРЕНЦИАЛЬНОГО УСИЛИТЕЛЯ
3.3 РАСЧЁТ ФИЛЬТРА НИЗКИХ ЧАСТОТ
3.4 РАСЧЕТ НОРМИРУЮЩЕГО УСИЛИТЕЛЯ
4 РАЗРАБОТКА ПРОГРАММНОГО ОБЕСПЕЧЕНИЯ
4.1 ОБЩИЕ СВЕДЕНИЯ
4.1.1 НАЗНАЧЕНИЕ ПРОГРАММЫ
4.1.2 ВХОДНЫЕ ДАННЫЕ
4.1.3 ВЫХОДНЫЕ ДАННЫЕ
4.2 ФУНКЦИИ
4.3 ТЕСТИРОВАНИЕ РАЗРАБОТАННОГО ПО
5 РУКОВОДСТВО ПОЛЬЗОВАТЕЛЯ
ЗАКЛЮЧЕНИЕ
БИБЛИОГРАФИЯ
ПРИЛОЖЕНИЯ
1 ВВЕДЕНИЕ
Целью курсового проекта является разработка технического и программного обеспечения автоматизированной системы научных исследований (АСНИ).
АСНИ предназначена для спектрального анализа данных, поступающих от первичных преобразователей физических величин, характеризующих некоторый технологический процесс. В состав АСНИ входят следующие подсистемы:
подсистема измерений – информационно-измерительный канал (ИИК);
подсистема передачи данных;
подсистема обработки данных;
подсистема визуализации и документирования результатов.
В современных условиях необходимо внедрение средств микроэлектроники и вычислительной техники во все сферы народного хозяйства. Это обусловлено стремлением к повышению эффективности и качества производимой продукции.
В соответствии с заданием на курсовое проектирование необходимо разработать техническое и программное обеспечение: выполнить расчет информационно-измерительного канала автоматизированной системы научных исследований, состоящего из дифференциального усилителя и активного фильтра по исходным данным, а также разработать программу, выполняющую анализ поступающих сигналов.
2 РАЗРАБОТКА МЕТОДИЧЕСКОГО ОБЕСПЕЧЕНИЯ
В состав методического обеспечения АСНИ включены методы генерации временных рядов и методы оценивания спектральных плотностей мощности.
2.1 Методы генерации временных рядов
Одной из важнейших задач, решаемых автоматизированными системами, является сбор и обработка данных, поступающих от первичных преобразователей (датчиков), установленных на объектах автоматизации. Эти данные рассматривают как временные ряды.
Временной ряд – это множество наблюдений, генерируемых последовательно во времени. В зависимости от того, как изменяется время: непрерывно или дискретно, различают временные ряды непрерывные и дискретные.
Современные автоматизированные системы обрабатывают данные с помощью компьютеров, поэтому все данные, которые поступают в виде аналоговых сигналов преобразуются в цифровую форму.
При исследовании процесса аналого-цифрового преобразования будут рассматриваться следующие временные ряды:
Х(t) - исходная физическая величина (непрерывный ряд);
х(t) - выходной сигнал датчика в вольтах, соответствующий функции Х(t) (непрерывный ряд);
С(t) - выход х(t) датчика, переведенный в непрерывные отсчёты (непрерывный ряд);
С(iT) - выход х(t) датчика, переведенный в непрерывные отсчёты, выполненные в дискретные моменты времени с периодом Т (дискретный ряд);
с(i) - выход х(t) датчика, переведенный в округленные отсчёты, полученные после операции квантования (дискретный временной ряд);
е(i) - погрешность, равная С(iT) - с(i).
Фиктивный временной ряд С(t) введен здесь только для удобства. Как временной ряд С(t) , так и ряд с(i) измеряются в одних единицах - отсчётах. Временной ряд С(t) есть просто результат линейного преобразования функции х(t), представленного формулой (2.1):
|
|
(2.1) |
2.2 Методы оценивания спектральных плотностей мощности с использованием дискретного преобразования Фурье
Дискретное преобразование Фурье (финитное) определяется соотношением (2.2):
|
|
(2.2) |
где
X(k) - значение (комплексное) дискретного преобразования Фурье, определенное в частоте с номером k;
x(i) - значение (вещественное) исходного временного ряда, определенное в момент времени с номером i;
T - период дискретизации;
N - количество отсчетов (длина) временного ряда.
Дискретное преобразование Фурье связывает спектральную характеристику (комплексный спектр) X(k), определенную в дискретных значениях частоты (с номером k), с дискретными значениями временного ряда (сигнала) x(i), определенными в дискретные моменты времени (с номером i).
Точность представления спектральной характеристики определяется разрешением по частоте
|
|
(2.3) |
Обратное дискретное преобразование Фурье определяется соотношением (2.4):
|
|
(2.4) |
Из сравнения формул (2.2) и (2.4) следует, что они отличаются знаком показателя экспоненты, множителем перед знаком суммы, а также переменной суммирования. Это позволяет строить единые программы для прямого и обратного преобразований Фурье.
Применяя формулу Эйлера, выражение (2.2) можно привести к виду (2.5):
|
|
(2.5) |
где
|
|
(2.6) |
Оценивание спектральной плотности мощности (СПМ) с помощью дискретного преобразования Фурье осуществляется по формуле (2.7):
|
|
(2.7) |
Где
X(k)
- дискретное преобразование Фурье
(спектральная характеристика) временного
ряда
,
соответствующего процессу x(t);
T - период дискретизации процесса x(t);
N - длина временного ряда.
Черта
в правой части формулы (2.7) означает
операцию осреднения. Применение формулы
(2.7) без операции осреднения приводит к
получению "грубой" оценки СПМ.
Формула (2.7) позволяет вычислить оценку
СПМ посредством статистического
осреднения модуля спектральной
характеристики совокупности данных,
поделенного на длину записи данных.
Статистическое осреднение необходимо
здесь потому, что ординаты спектральной
характеристики являются случайными
величинами изменяющимися для каждой
используемой реализации случайного
временного ряда
.
Операция
осреднения уменьшает статистическую
изменчивость, или повышает статистическую
устойчивость. В спектральном анализе
случайных временных рядов на статистическую
устойчивость влияют два параметра -
разрешение по частоте
и длина записи
.
Можно
показать, что оценки СПМ приближенно
имеют распределение
с
n
степенями свободы, где
.
Более того, для достаточно больших n,
например,
,
распределение
аппроксимируется гауссовским (нормальным)
распределением. В этом случае нормированное
стандартное отклонение (стандартное
отклонение, связанное с оцениваемой
величиной, т.е. процентная ошибка, или,
в статистической терминологии,
"коэффициент разброса") определяется
соотношением (2.8):
|
|
(2.8) |
Величину
называют стандартной ошибкой.
Если
,
то
.
Последний результат означает, что вычисление оценки СПМ с использованием полной длины временного ряда имеет стандартную ошибку, равную 100%.
Если отрезок T>p> поделить на m участков, то в этом случае
.
Подставляя полученный результат в (2.8), найдем
.
Таким
образом, для повышения точности оценивания
СПМ необходимо исходный временной ряд
длины N
разбить на m
участков длины N>у>,
вычислить для каждого i-го
участка
по формуле (1), а затем найти осредненную
оценку по формуле
.
Следует
иметь в виду, что разрешение по частоте
в рассмотренном случае определяется
из соотношения
.
Число степеней свободы для найденной
оценки СПМ можно найти следующим образом
.
Следовательно, для повышения степеней свободы и, соответственно, статистической устойчивости оценок СПМ необходимо увеличивать число участков для осреднения.
Повышение числа степеней свободы можно достичь другим способом – осреднением по частотам.
Сглаженная оценка
|
|
(2.9) |
полученная
осреднением l
соседних оценок спектральной
характеристики, имеет распределение
с числом степеней свободы, равным
примерно 2l.
Это следует из теории о сложении величин,
имеющих распределение
.
Следует
отметить, что разрешение по частоте в
данном случае определится из соотношения
.
Поскольку
операция осреднения линейная, оценку
СПМ можно найти, комбинируя осреднение
по участкам с осреднением по частотам.
При этом сначала выполняется осреднение
по участкам, а затем – по частотам. При
осреднении по m
участкам с последующим осреднением l
соседних спектральных оценок в итоге
получаются оценки, число степеней,
свободы которых равно
.
Разрешение в этом случае равно
.
3 РАЗРАБОТКА ТЕХНИЧЕСКОГО ОБЕСПЕЧЕНИЯ
В состав технического обеспечения включены информационно-измерительный канал и персональная ЭВМ.
3.1 Структура АСНИ
АСНИ предназначена для спектрального анализа данных, поступающих от первичных преобразователей физических величин, характеризующих некоторый технологический процесс. В состав АСНИ входят следующие подсистемы:
подсистема измерений – информационно-измерительный канал (ИИК);
подсистема передачи данных;
подсистема обработки данных;
подсистема визуализации и документирования результатов.
Обобщенная структура АСНИ представлена на рисунке 3.1


Рисунок 3.1 – Обобщенная структура АСНИ
На рисунке 3.1 приняты следующие обозначения:
ИИК- информационно-измерительный канал;
УСО – устройство связи с объектом;
БД - база данных.
Состав и структура ИИК приведены на рисунке 3.2.

Рисунок 3.2 – Структура информационно-измерительного канала
На рис.3.2 приняты следующие обозначения:
Д - датчик;
ДУ – дифференциальный электронный усилитель;
ФНЧ - фильтр нижних частот;
НУ – нормирующий усилитель;
АЦП - аналого-цифровой преобразователь.
ДУ предназначен для усиления сигналов, поступающих от датчиков и подавления синфазных помех.
ФНЧ выполняет функции противомаскировочного фильтра и служит для подавления высокочастотных составляющих сигнала в целях исключения ошибок аналого-цифрового преобразования.
НУ предназначен для согласования входного напряжения АЦП с динамическим диапазоном изменения преобразуемого аналогового сигнала.
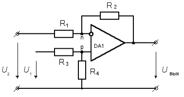
3.2 Расчёт дифференциального усилителя
В простейшем случае в качестве измерительного усилителя может быть использован операционный усилитель (ОУ) в дифференциальном включении (рисунок 3.2). При выполнении условия R>1>/R>2>=R>3>/R>4> усиление дифференциального сигнала намного больше усиления синфазного сигнала и коэффициент ослабления синфазного сигнала (КОСС) будет максимальным.

Рисунок 3.3 - Схема простейшего измерительного усилителя
В соответствии с техническим заданием:
U>c>>.>>max> = 3 мВ
U>сф> = 1,2 В – синфазная помеха
= 3 % – допустимый процент подавления синфазной помехи
R>c> = 300 Ом – внутреннее сопротивление датчика
|
|
(3.1) |

Определяется коэффициент усиления:
|
|
(3.2) |
К>синф> определяется из следующих соображений: если резисторы имеют допуск
Для резисторов имеющих допуск 5% - К>синф >= 0,1
Для резисторов имеющих допуск 1% - К>синф >= 0,02
Для резисторов имеющих допуск 0.5% - К>синф >= 0,01
Выбираем К>синф >= 0,1

Для наилучшего согласования датчика с усилителем принимаем сопротивление датчика равным входному сопротивлению, т.е.

|
|
(3.3) |
Находим сопротивление обратной связи

Сопротивления резисторов R>3> и R>4>

Напряжение на выходе предварительного усилителя:


В качестве операционного усилителя DA принимаем K140УД9, который имеет коэффициент подавления синфазного сигнала не менее 80 дБ, что соответствует усилению примерно в 10000 раз.
3.3 Расчёт фильтра низких частот
Схема простейшего фильтра нижних частот приведена на рисунке 3.3
Передаточная функция этого фильтра определяется выражением:


Рисунок 3.3 - Простейший фильтр нижних частот первого порядка
Передаточная функция фильтра нижних частот (ФНЧ) в общем виде может быть представлена формулой (3.4):
|
|
(3.4) |
где с>1>, с>2> , ... , с>n> – положительные действительные коэффициенты;
K>0> –коэффициент усиления фильтра на нулевой частоте.
Порядок фильтра определяется максимальной степенью переменной S. Для реализации фильтра необходимо разложить полином знаменателя на множители. Если среди нулей полинома есть комплексные, то следует записать его в виде произведения квадратных трехчленов:
|
|
(3.5) |
где a>i> и b>i >– положительные действительные коэффициенты.
Для полиномов нечетных порядков коэффициент b>1> равен нулю. Реализация комплексных нулей полинома на пассивных RC-цепях невозможна. Применение индуктивных катушек в низкочастотной области нежелательно из-за больших габаритов и сложности изготовления катушек, а также из-за появления паразитных индуктивных связей. Схемы с операционными усилителями позволяют обеспечить комплексные нули полиному без применения индуктивных катушек. Такие схемы называют активными фильтрами. Рассмотрим различные способы задания характеристик ФНЧ.
Широкое применение нашли фильтры Бесселя, Баттерворта и Чебышева, отличающиеся крутизной наклона амплитудно-частотной характеристики (АЧХ) в начале полосы задерживания и колебательностью переходного процесса при ступенчатом воздействии.
Амплитудно-частотная характеристика фильтра Баттерворта имеет довольно длинный горизонтальный участок и резко спадает за частотой среза. Переходная характеристика такого фильтра при ступенчатом входном сигнале имеет колебательный характер. С увеличением порядка фильтра колебания усиливаются.
Амплитудно-частотная характеристика фильтра Чебышева спадает более круто за частотой среза. В полосе пропускания она, однако, не монотонна, а имеет волнообразный характер с постоянной амплитудой. При заданном порядке фильтра более резкому спаду амплитудно-частотной характеристики за частотой среза соответствует большая неравномерность в полосе пропускания. Колебания переходного процесса при ступенчатом входном воздействии сильнее, чем у фильтра Баттерворта.
Фильтр Бесселя обладает оптимальной переходной характеристикой. Причиной этого является пропорциональность фазового сдвига выходного сигнала фильтра частоте входного сигнала. При равном порядке спад амплитудно-частотной характеристики фильтра Бесселя оказывается более пологим по сравнению с фильтрами Чебышева и Баттерворта.
С ростом порядка фильтра его фильтрующие свойства улучшаются. На одном ОУ достаточно просто реализуется фильтр второго порядка. Для реализации фильтров нижних частот, высших частот и полосовых фильтров широкое применение нашла схема фильтра второго порядка Саллена-Ки. На рисунке 3.4 приведен ее вариант для ФНЧ. Отрицательная обратная связь, сформированная с помощью делителя напряжения R>3,> обеспечивает коэффициент усиления. Положительная обратная связь обусловлена наличием конденсатора С>2>. Передаточная функция фильтра имеет вид (3.6):
|
|
(3.6) |




Рисунок 3.4 - Активный фильтр низких частот второго порядка
Расчет схемы существенно упрощается, если с самого начала задать некоторые дополнительные условия. Можно выбрать коэффициент усиления =1. Тогда (–1) R7=0, и резистивный делитель напряжения в цепи отрицательной обратной связи можно исключить. ОУ оказывается включенным по схеме неинвертирующего повторителя. В простейшем случае он может быть даже заменен эмиттерным повторителем на составном транзисторе. При =5 передаточная функция фильтра принимает вид:
|
|
(3.7) |
В соответствии с методикой принимаем следующие параметры фильтра для расчета элементов схемы Саллена-Ки. А рассчитаем исходя из U>АЦП> и U>ДУ>, последнее из которых можно определить по формуле:
|
|
(3.9) |
Находится значение емкости С2
|
|
(3.11) |
Где

Выберем коэффициенты
|
|
|
|
|
|
|
|
Для согласования сигнала с дифференциального усилителя со входом АЦП по напряжению требуется:
Находится значение емкости С1 по формуле (3.10):
|
|
(3.12) |

Сопротивление резистора R>5>:
|
|
(3.13) |

Сопротивление резистора R>6>:
|
|
(3.14) |

Сопротивления R>7> и R>8> находятся из соотношения
|
|
(3.15) |


3.4 Расчет нормирующего усилителя
Нормирующий усилитель может быть построенный на базе операционного усилителя LM741 представлен на рисунке 3.5.
-
Рисунок 3.5 – Нормирующий усилитель
Коэффициент
усиления приведенной схемы рассчитывается
по формуле
,
таким образом, для нахождения значений
R>1>
и R>2>
необходимо знать требуемый коэффициент
усиления нормирующего усилителя.
Максимальное
значение амплитуды входного сигнала,
приемлемое для АЦП равно
,
максимальное значение амплитуды входного
сигнала датчика равно
,
коэффициент усиления ФНЧ
,
коэффициент усиления ДУ
,
коэффициент усиления нормирующего
усилителя равен
|
|
(2.27) |
|
|
(2.28) |
Таким
образом, принимаем
и
.
4 Разработка программного обеспечения
4.1 Общие сведения
Программное обеспечение разрабатывается в виде стандартного приложения для операционной системы Windows, как наиболее распространенная среди потенциальных пользователей разрабатываемого программного продукта. Использование оконного интерфейса в стиле Windows позволяет сделать приложение наглядным и простым в использовании, осуществляя управление процессом спектрального анализа, включая операции ввода данных, визуализации результатов в виде графиков и колонки цифровых значений, завершения работы.
4.1.1 Назначение программы
Разрабатываемая программа предназначена для моделирования работы системы обработки информации, состоящей из АЦП и блока анализа. Блок анализа позволяет находить характеристики генерируемого временного ряда, производить прямое и обратное преобразование Фурье и анализировать полученные результаты, оценивать спектральную плотность мощности несколькими способами. В программе предусмотрен блок, генерирующий исходный временной ряд, поступающий на вход АЦП.
4.1.2 Входные данные
Входными данными для программы являются данные, указанные в техническом задании на курсовое проектирование: разрядность АЦП; динамический диапазон напряжений АЦП; период дискретизации АЦП; амплитуда входного сигнала; число отсчетов (элементов генерируемого временного ряда); число гармоник и их величины; разрешение по частоте; погрешность оценивания спектральных плотностей; число усредняемых участков.
4.1.3 Выходные данные
Выходными данными программы, наглядно представленные в виде графиков и выводящиеся в файлы с соответствующими названиями, являются: сгенерированные ряды данных (временные, комплексные, амплитудные) и характеристики этих рядов (оценка математического ожидания, дисперсии, среднеквадратичного отклонения и т.д.), спектральные плотности мощностей.
4.2 Функции
Программа состоит из четырех модулей: основной; функция, выполняющая прямое дискретное преобразование Фурье; функция, выполняющая обратное преобразование Фурье; функция, выполняющая быстрое прямое и обратное дискретное преобразование Фурье.
Остальные возможности реализованы в теле основной программы по нажатию определённых кнопок, такие как: функции очистки данных, загрузки и сохранения данных, функций вычисления грубой и усредненных оценок СПМ, функций окон сглаживания Гудмена и Гудмена-Эноконса-Отнеса. Схема программы приведена в приложения Б. Текст программных модулей приведен в приложении А.
Основной модуль предназначен для ввода всех входных параметров и вызова функций в последовательности, необходимой для указанного вида обработки данных. После получения входных данных выполняется их проверка. Затем производится вызов подпрограмм дискретного (прямого и обратного) и быстрого преобразования Фурье, а также подпрограмм оценки спектральной плотности мощности в комплексе с различными методами осреднения и сглаживания.
Функция вычисления БПФ
void fft_fun(float *x, float *y, int n, int ind) осуществляет вычисление прямого или обратного быстрого преобразования Фурье в зависимости от значения переменной ind. Другие переменные, передаваемые в эту функцию:
x, y – вещественные массивы размерности N;
n – количество отсчетов (длина участка) .
Функция вычисления дискретного преобразования Фурье
void dpf_fun(float *x, float *y, int N) осуществляет вычисление прямого дискретного преобразования Фурье. Переменные, передаваемые в эту функцию:
*x, *y – вещественные массивы размерности N;
N – количество отсчетов.
Функция вычисления обратного дискретного преобразования Фурье
void odpf_fun(float *x, float *y, int N) осуществляет вычисление обратного дискретного преобразования Фурье. Переменные, передаваемые в эту функцию:
*x, *y – вещественные массивы размерности N;
N – количество отсчетов.
Функция моделирования работы АЦП
void __fastcall TForm1::Button1Click(TObject *Sender) - Моделирует генерацию сигнала от датчика со всеми заданными параметрами (частоты, амплитуда) и последующую дискретизацию сигнала с заданным периодом дискретизации Т. Также вычисляет ошибку квантования её оценку математического ожидания, дисперсию, СКО.
Функция оценки спектральной плотности мощности
void __fastcall TForm1::BitBtn1Click(TObject *Sender) – По нажатию на эту кнопку программа выполняет оценку спектральной плотности мощности, в соответствие с введёнными параметрами. При этом есть возможность проводить оценку грубую, сглаженную усреднением по частотам или по участкам, либо с применением окон Гудмена или Гудмена-Эноксона-Отнеса.
4.3 Тестирование разработанного ПО
Итак, пришло время самого интересного в этом курсовом проекте, а именно проверка того, какие результаты он выдаёт, то есть насколько корректно программа делает вычисления. Как эталон будет использоваться результат вычислений пакета MATLAB.
Начальные данные:
|
Амплитуда сигнала (В) |
Значения частот гармоник (Гц) |
Параметры АЦП |
||||||
|
f1 |
f2 |
f3 |
f4 |
f5 |
UMAX (В) |
UMIN (В) |
Число разрядов |
|
|
3 |
10 |
40 |
70 |
100 |
130 |
+3 |
-3 |
6 |
Разрешение по частоте – 1 (Гц), ошибка – 40 (%).
Количество отсчётов в ходе исследования выбрано разным, потому что при исследовании оценки СПМ необходимое число отсчетов - 8192, но в то же время, при N=8192 не видно графиков временного ряда и ДПФ, поэтому будем использовать два варианта числа отсчетов: 256 и 8192.
Далее приведем результаты работы программы.
Графическое представление исходных временных рядов представлено на рисунках 4.1, 4.2, 4.3, 4.4.

Рисунок 4.1 – Исходный непрерывный временной ряд

Рисунок 4.2 – Дискретный временной ряд

Рисунок 4.3 – Временной ряд с ошибкой квантования

Рисунок 4.4 – Временной ряд ошибки квантования
На рисунке 4.5 представлен исходный временной ряд с шумом, интенсивностью 5%.

Рисунок 4.5 - Исходный временной ряд с шумом
В результате получили соответствующие ряды. Ошибка квантования каждого из них не выходит за рамки +/- 0.5, что говорит о верном построении.
Значения полученных статических характеристик представлены на рисунке 4.6

Рисунок 4.6 – Статические характеристики
Теперь приступим к второй части – исследование преобразования Фурье.
Прямое дискретное преобразование Фурье и быстрое прямое ДПФ представлены на рисунках 4.7 и 4.8 соответственно.

Рисунок 4.7 – Прямое дискретное преобразование Фурье

Рисунок 4.8 – Прямое быстрое дискретное преобразование Фурье
Обратное дискретное преобразование Фурье и быстрое обратное ДПФ представлены на рисунках 4.9 и 4.10 соответственно.
Рисунок 4.9 – Обратное дискретное преобразование Фурье

Рисунок 4.10 – Быстрое обратное дискретное преобразование Фурье
Приступим к третьей части исследования – оценка спектральной плотности мощности.
Для дальнейшего исследования необходимо увеличить количество отсчетов до 8192. На рисунках 4.11, 4.12, 4.13, 4.14, 4.15 приведены результаты работы программы.

Рисунок 4.11 – Грубая оценка спектральной плотности мощности

Рисунок 4.12 – Сглаженная оценка СПМ (окно Гудмена-Эноксона-Отнеса)

Рисунок 4.13 – Сглаженная оценка СПМ (окно Гудмена)

Рисунок 4.14 – Сглаженная оценка СПМ (усреднение по частотам)

Рисунок 4.15 – Сглаженная оценка СПМ (усреднение по участкам)
При оценке СПМ с помощью усреднения по участкам на экран выводится длина участка и количество участков (рисунок 4.16)

5 РУКОВОДСТВО ПОЛЬЗОВАТЕЛЯ
Данное руководство необходимо для корректной работы с программой, производящей моделирование системы датчика с АЦП, и последующей обработки данных поступивших с АЦП.
Для начала работы с программой необходимо открыть каталог в который вы её установили и запустить на исполнение файл Project1.exe.
После этого произойдет загрузка программы. Вы должны увидеть следующий интерфейс программы Рисунок 5.1.

Рисунок 5.1 – Интерфейс программы сразу после её запуска со стоящими по умолчанию параметрами
Начнем описание со стандартного меню (Рисунок 5.2). Первая закладка в этом меню называется Файл, при одинарном щелчке по этой надписи появляется выпадающий список, в котором фигурируют два поля: Открыть и Сохранить.
При нажатии на Сохранить произойдет сохранение текущих данных: на первой строке в файле будет указан период дискретизации T, на второй – амплитуда сигнала А, на третьей – количество отсчетов N, а далее будет выведен текущий временной ряд .
При нажатии на Загрузить, программа загрузить исходные для расчета данные из указанного файла.
Вторая закладка Меню называется «Справка» Она содержит выпадающее меню «О программе», и по нажатию на него будет выведена на экран информация о разработчике.
Теперь у нас есть загруженные исходные данные из файла, они отображаются в соответствующих полях формы (Рисунок 5.1). В случае если нет сохраненных данных, нет файла откуда их можно загрузить, все параметры можно ввести вручную, все на той же основной форме. Либо после загрузки из файла скорректировать данные из файла.
Данными для ввода являются:
- Количество отсчетов
- Частота первой гармоники
- Период дискретизации
- Амплитуда сигнала
- Число гармоник
- Шаг изменения частоты
- Разрядность АЦП
- Верхний предел напряжения на АЦП
- Нижний предел напряжения на АЦП
- Интенсивность шума.
Пример заполненной формы можно увидеть на рисунке 5.1.
Следует выделить закладки в программе, которые находятся под меню. Каждая из них показывает одну часть, которую может выполнять программа в соответствие с названиями:
- «Моделирование данных АЦП и исследование ДПФ»;
- «Исследование оценки СПМ».
«Моделирование данных АЦП и исследование ДПФ» – это первая закладка, в которой при нажатии на соответствующую кнопку можно смоделировать исходный временной ряд, дискретный временной ряд, временной ряд с ошибкой квантования, временной ряд ошибки квантования и 4 вида ДПФ (прямое ДПФ, обратное ДПФ, быстрое прямое и быстрое обратное ДПФ). Для каждого из временных рядов будет построен соответствующий график и вычислены статистические характеристики: оценка математического ожидания, дисперсия, среднеквадратическое отклонение. При выборе кнопки «Прямое ДПФ» или «Обратное ДПФ» становится активной кнопка «Быстрое ПФ» и если на ней поставить галочку то будет произведено вычисление быстрого прямого или быстрого обратного ДПФ.
«Исследование оценки СПМ» - Здесь содержится несколько инструментов для нахождения Оценки спектральной плотности мощности. При этом, для того чтобы в этой вкладке вычисления выполнялись корректно, необходимо, чтобы было выполнено прямое ДПФ из предыдущей закладки. В противном случае будет выдано сообщение об ошибке.
Если все в порядке, то при нажатии на кнопку «Вычислить» будет получен следующий результат, т.е. график оценки СПМ и соответствующие ему числовые значения.
Помимо грубой оценки, можно получать сглаженную оценку. Для этого в программе имеется четыре разных метода: Окно Гудмена, окно Гудмена-Эноксона-Отнеса, усреднение по частотам, усреднение по участкам. Выбирая соответствующие поля на форме (Рисунок 4.6), можно получать необходимый результат.
Заключение
В курсовом проекте было разработано техническое и программное обеспечение автоматической системы научных исследований (АСНИ), позволяющее осуществить спектральный анализ сгенерированного временного ряда. Целью данного курсового проекта являлась разработка программного продукта, работающего в среде ОС Windows, позволяющего осуществлять управление процессом спектрального анализа, включая операции ввода данных, визуализации результатов в виде графиков и колонок цифровых значений, завершения работы.
Разработанный информационно-измерительный канал состоит из дифференциального усилителя, обеспечивающего заданную погрешность от синфазной помехи и активного фильтра с заданной частотной характеристикой (фильтра низких частот), нормирующего усилителя, обеспечивающего согласование входа АЦП с выходом дифференциального усилителя по напряжению.
В процессе выполнения курсового проекта разработано программное обеспечение АСНИ в интегрированной среде программирования Borland C++ Builder 6.0, рассчитанное на работу в среде Windows 9x ,NT.
В результате разработки получена программа моделирования работы АСНИ, отвечающая техническому заданию на курсовое проектирование. Данная программа генерирует исходный временной ряд, моделирует аналого-цифровое преобразование, анализирует грубую и сглаженную оценки спектральной плотности мощности двумя методами – усреднением по участкам и по частотам. Проверка корректности работы программы осуществлялась в соответствии с вариантом задания на курсовое проектирование.
БИБЛИОГРАФИЯ
Гальперин М.В. Практическая схемотехника в промышленной автоматике М.: Энергоатомиздат,1987. (с 262- 269).
Гарет П. Аналоговые устройства для микропроцессоров и мини-ЭВМ. – М.: Мир,1981.
Гутников В.С. Фильтрация измерительных сигналов. - Л.: Энергоатомиздат,1990.(с 86-97)
ДСТУ 3008-95 Государственный стандарт Украины. Документация в сфере науки и техники. Структура и правила оформления.

,





,
,
.
;
.
.












