Разработка технологического процесса изготовления детали в САПР ТехноПро
Федеральное агентство по образованию РФ
РГРТУ
Кафедра ТРЭА
Пояснительная записка
к курсовому проекту по курсу:
"Интегрированные системы технической подготовки производства"
Выполнила:
студентка группы 5410
Герасимова О.И.
Проверил:
доцент кафедры ТРЭА
Коваленко В.В.
Рязань 2009
Содержание
Организация рабочего места в T-FLEX DOCs
Разработка в T-FLEX CAD 2D и 3D чертежей детали
Выполнение статического анализа детали
Результаты статического анализа
Оптимизация конструкции детали
Оценка технологичности конструкции по ее технологическому коду
Разработка технологического процесса изготовления детали в САПР ТехноПро
Разработка УП для изготовления детали
Список литературы
1. Организация рабочего места в T-FLEX DOCs
Cистема T-FLEX DOCs представляет собой корпоративную систему технического документооборота и управления инженерными данными об изделиях. Она обеспечивает возможность непрерывного взаимодействия по сети различных отделов предприятия: конструкторско–технологических, архивов, рабочих мест руководителей и т.д.
Создаваемое нами рабочее место в T-FLEX DOCs будет содержать:
-архив
-сборочную единицу
-3D-деталь
Архив создаем в Хранилище, в каталоге Поток 500, под названием Герасимова О, гр. 5410. Для этого в контекстном меню выбираем: Создать – Объект – Сборочные единицы – Проект. В открывшемся окне Свойств проекта задаем название и обозначение, заводской код, ФНН, вид проекта – Курсовой проект.

Рис. 1.1. Создание нового объекта.
Аналогичным образом создаем сборочную единицу в каталоге проекта и 3D-деталь, в контекстном меню которой выбираем пункт Редактировать.
Далее в открывшемся окне программы T-FLEX CAD загружаем нашу 3D-деталь. Для совместной работы T-FLEX DOCs и T-FLEX CAD необходимо произвести настройку систем T-FLEX CAD. Для этого необходимо в T-FLEX CAD выполнить команду"Настройка | Установки". В открывшемся окне T-FLEX CAD "Установки" на закладке "Разное" необходимо установить один из режимов работы с T-FLEX DOCs в параметре "Работа с T-FLEX DOCs" ( с файлами и документами DOCs).
Сохранение мастер-файла осуществляется командой T-FLEX CAD:
|
Клавиатура |
Текстовое меню |
Пиктограма |
|
<SA> |
Файл|Сохранить как документ DOCs |
|
Открываем конвертер документов:

Рис. 1.2. Сохранение мастер-файла

Рис. 1.3. Конвертирование
Для перевода объекта в стадию хранения необходимо в окне "Наименование объекта" щелкнуть правой кнопкой мыши по объекту "Деталь 731313" и выбрать "Сохранить в Хранилище". Появится окно "Завершение работы над объектом", в котором необходимо установить флажок в поле "После сохранения в хранилище оставить данный объект на Рабочем столе".
Таким образом, работа по созданию объекта в Хранилище завершена. Объект создан и передан на хранение в Хранилище. Далее при необходимости можно перейти к редактированию объекта.

Рис. 1.4. Завершение работы над объектом

Рис. 1.5. Спецификация в составе сборочной единицы T-FLEX DOCs

Рис. 1.6. Деталь, сохраненная в составе сборочной единицы T-FLEX DOCs
2. Разработка в T-FLEX CAD 2D и 3D чертежей детали
2.1 Создание 3D-чертежа
Создавать 3D-чертеж начнем с вида спереди (рис. 2.1). На рабочей плоскости начертим прямоугольник, в левом верхнем углу которого создадим скругление (радиус скругления 80мм).

Рис. 2.1. Вид спереди
Затем с помощью операции Создать выталкивание на панели инструментов (рис. 2.2)создадим выталкивание на необходимую величину (рис. 2.3).

Рис. 2.2. Операции панели управления

Рис. 2.3. Окно свойств Булевой операции

Рис. 2.4. Окно свойств операции Выталкивание

Рис. 2.5. Создание выталкивания
Чтобы создать внутреннюю полость в детали, выполним следующие действия:
-на рабочей плоскости вида спереди чертим прямоугольник со скругленным углом, повторяющий по форме внутреннюю полость детали (рис. 2.6);
- производим выталкивание таким образом, чтобы задать необходимую толщину стенок (5 мм);
-используем Булеву операцию (вычитание), где первым операндом будет являться внешний контур детали, а вторым – созданное в предыдущем пункте выталкивание, повторяющее по форме внутренний контур детали (рис. 2.7);
Таким образом, мы получаем деталь, полую внутри, с толщиной стенок 5 мм.

Рис. 2.6. Создание внутренней полости

Рис. 2.7. Создание внутренней полости (Вычитание)
Далее необходимо оформить верхнюю часть детали. Она должна быть открытой. Для этого на левой боковой грани чертим прямоугольник и , произведя его выталкивание, получаем следующую фигуру (рис. 2.8). Этот созданный параллелепипед отнимаем от исходной детали с помощью Булевой операции. В итоге получаем полую конфигурацию, открытую сверху (рис. 2.9).

Рис. 2.8. Создание "открытого" верха (выталкивание)

Рис. 2.9. Результат вычитания.
Чтобы создать конусную поверхность, на гране вида спереди чертим окружность (рис. 2.10) и производим ее выталкивание с уклоном в 200 градусов (рис.2.11). Создание круглых отверстий проиллюстрировано на рис. 2.12-2.15. Здесь также использовались операции Выталкивание и Булева (вычитание).

Рис. 2.10. Создание окружности на рабочей плоскости вида спереди

Рис. 2.11. Создание конуса (выталкивание с уклоном в 200 градусов)

Рис. 2.12. Создание сквозного отверстия

Рис. 2.13. Создание сквозного отверстия

Рис. 2.14. Создание сквозного отверстия

Рис. 2.15. Создание отверстия в задней стенке

Рис. 2.16. Создание бокового прямоугольного отверстия

Рис. 2.17. Создание бокового прямоугольного отверстия
Прямоугольное и круглые отверстия создаются аналогично (рис.2.16-2.18).
Остается заключительный шаг – создание нижней подставки (рис. 2.19). Для этого применяем те же операции: чертим на нижней виде прямоугольник, выталкиваем его и складываем обе части (булева операция). Создание отверстий показано на рис. 2.20, 2.21.
Результат работы по созданию 3D-модели проиллюстрирован на рис. 2.22.

Рис. 2.18. Создание круглых отверстий

Рис. 2.19. Создание нижней подставки

Рис. 2.20. Создание отверстий в нижней подставке

Рис. 2.21. Создание отверстий в нижней подставке

Рис. 2.22. Итог: полученная деталь.
2.2 Создание 2D-чертежа
Существует несколько способов создания 2D-чертежей в T-FLEX CAD. Мы воспользуемся методом создания 2D-чертежа из уже созданной 3D-модели детали. Для этого в строке меню выбираем Чертеж - 2D-проекция. На панели управления выбираем функцию Создать набор стандартных видов или Создать стандартный вид (рис. 2.23).

Рис. 2.23.

Рис. 2.24. Выбор проекций.
Выбрав необходимые виды (рис. 2.24), открываем 2D-окно (рис. 2.25). После чего устанавливаем масштаб(рис. 2.26) и задаем необходимые параметры на панели свойств (рис. 2.27).

Рис. 32.25. Открытие 2D-окна.

Рис. 2.26. Изменение масштаба.

Рис. 2.27. Панель свойств операции Создать набор стандартных видов.
Выбранные виды появляются на поле чертежа. Далее необходимо проставить размеры (от трех баз) и шероховатости поверхностей, выполнить необходимый разрез. Результат показан на рис. 2.29.

Рис. 2.28. 3 проекции.

Рис. 2.29. 2D-чертеж.
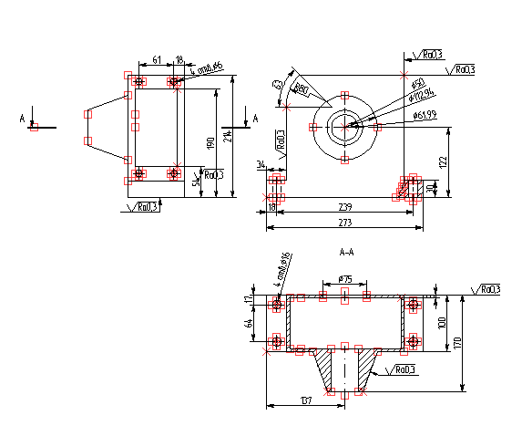
Оформленный 2D-чертеж представлен в Приложении.
3. Выполнение статического анализа детали
Статический анализ позволяет осуществлять расчёт напряжённо-деформированного состояния конструкций под действием приложенных к системе постоянных во времени сил. Также можно учесть напряжения, возникающие по причине температурного расширения/сжатия материала или деформации конструкции на величину известных перемещений.
Модуль "Статический анализ" позволяет оценить прочность разработанной конструкции по допускаемым напряжениям, определить наиболее уязвимые места конструкции, внести необходимые изменения и таким образом оптимизировать конструкцию детали или изделия.
Для построения дискретной математической модели, адекватно отражающей физическую сущность и свойства исследуемой конструкции, применяется метод конечных элементов. Важнейшим элементом этой модели является конечно-элементная дискретизация изделия с помощью совокупности конечных элементов (КЭ) заданной формы и объединённых в единую систему, называемую конечно-элементной сеткой.
При проведении статического анализа конструкции детали необходимо выполнить следующие пункты:
1) построить трёхмерную модель детали;
2) создать "Задачу" для одного или нескольких соприкасающихся твёрдых тел ("клеевое" соединение);
3) сгенерировать тетраэдральную конечно-элементную сетку;
4) задать материал модели;
5) наложить граничные условия, определяющие сущность физического явления, подлежащего анализу;
6) выполнить расчёт;
7) проанализировать результаты,
8) создать отчет
3.1 Построение трёхмерной модели детали.
Построенную в предыдущем пункте трёхмерную твердотельную модель детали загружаем в среде T-FLEX CAD.
3.2 Создание "Задачи" и генерация сетки
В строке меню с помощью команды "Анализ|Новая Задача/Конечно-элементный анализ" создается "Задача". В левой стороне окна в панели "Свойства" выбираем тип анализа "Статический анализ".
Далее
в автоменю нажимаем опцию "Выбрать
все тела"
,
и при нажатии
открывается
окно создания сетки.

Относительный размер сетки меняем, добиваясь по возможности более однородного распределения формы образующих сетку элементов. Например, на рисунке относительный размер сетки 0,04.

Рис. 3.1.
3.3 Назначение материала
Выбор материала выполняется командой Анализ/Материал. При этом открывается окно "Материал задачи", в котором для изменения материала установить "Другой", нажать "Библиотека", выбрать нужный материал (рис. 5) и нажатием ОК подтвердить выбор. Назначим для модели материал "Алюминий легированный (сплав 2014)" из библиотеки материалов T- FLEX Анализа.

3.4 Наложение граничных условий
В статике роль граничных условий выполняют закрепления и приложенные к системе внешние нагрузки. Для задания закреплений предусмотрены две команды: "Полное закрепление" и "Частичное закрепление".
Команда Анализ\Ограничение\Полное закрепление применяется к вершинам, граням и рёбрам модели. Она определяет, что данный элемент трёхмерного тела полностью неподвижен, т.е. сохраняет своё первоначальное расположение и не меняет своего положения под действием приложенных к системе нагрузок.
Применим
эту команду и укажем с помощью
нижнюю грань детали. После нажатия
появится
соответствующий элемент, указывающий
на наличие данного граничного условия.

Рис. 3.2.
3.5 Задание нагружений
При
задании нагружений командой Анализ\
Нагружение\Давление необходимо нажатием
указать грань, на которую прикладывается
нагрузка (рис. 3.3). В диалоге свойств
команды в поле "Величина" выбирается
значение давления (50 Н/м2).
Созданное
давление равномерно распределится по
указанным граням. Изначально направление
действия давления берется по нормали
к указанной плоской грани. При необходимости
направление вектора силы можно задать
под любым углом к плоскости.

Рис. 3.3.
Затем нажимаем
и получаем в дереве задач
все четыре элемента, необходимых для
моделирования: сетка,
материал, закрепление, нагружение.


Рис. 3.4.
Также
для данной детали зададим еще один вид
нагружений – Цилиндрическую нагрузку.
Используем команду Анализ\
Нагружение\Цилиндрическая нагрузка:
необходимо нажатием
указываем грань, на которую прикладывается
нагрузка (рис. 3.5). В диалоге свойств
команды в поле "Величина" выбирается
значение этой нагрузки (1500 Н).
Созданная
цилиндрическая нагрузка равномерно
распределится по указанным граням. При
этом необходимо задать направление
действия нагрузки.


Рис. 3.5.
3.6 Выполнение расчёта
После
создания конечно-элементной сетки и
наложения граничных условий командой
Анализ|Расчёт запускаем процесс
формирования систем линейных алгебраических
уравнений (СЛАУ) и их решения. Доступ к
команде Расчёт можно также получить из
контекстного меню соответствующей
задачи в дереве задач, отображаемом в
окне задач, при нажатии
на задачу (рис. 3.6). Появляется окно
"Параметры задачи" (рис. 3.7). Зададим
"Автоматический выбор" решения
системы итерационным методом.
Большинство
режимов для формирования СЛАУ и их
решения выбираются автоматически
процессором T-FLEX Анализ. Пользователь
может самостоятельно изменить опции
расчёта в диалоге свойств задачи, который
по умолчанию открывается перед началом
расчёта.

Рис. 3.6. Запуск расчета
После нажатия ОК происходит расчет. В процессе решения СЛАУ доступен диалог с отображением этапов расчёта (рис. 3.7).



Рис. 3.7. Доступ к результатам расчета задачи
4. Результаты статического анализа
4.1 Анализ результатов
Результаты
расчёта отображаются в дереве задач.
Доступ к результатам обеспечивается
из контекстного меню для задачи, выбранной
в дереве задач по команде "Открыть"
или "Открыть в новом окне", а также
по
.
Распределение сил воздействия можно
определить по цвету: красный показывает
наибольшее воздействие, синий –
наименьшее.
Визуализация результатов осуществляется в отдельном 3D окне T-FLEX CAD. Одновременно может быть открыто несколько окон с результатами одной или разных задач.


4.2 Создание отчёта
Доступ к диалогу формирования отчёта для активной задачи осуществляется из меню Анализ|Отчёт… или через пункт контекстного меню Отчёт… задачи, выбранной в дереве задач (рис. 4.1).
Пользователь может создавать независимые от T-FLEX Анализа электронные документы, содержащие основные сведения о рассчитанной задаче. Отчёт формируется в html-формате и его просмотр возможен в любом просмотрщике, например, MS Internet Explorer или MS Word.
Отчёт содержит основные сведения о модели, материалах, расчётной конечно-элементной сетке, а также цветные эпюры результатов, которые отображаются в данный момент в дереве задач или открыты в окнах визуализатора.
|
|
|
|
Рис. 4.1. Запуск отчета |
Диалог настройки отчёта, вызываемый по команде "Анализ|Отчёт", позволяет выбрать информацию, отображаемую в отчёте. Группа "Общая информация" содержит данные о названии задачи ("Название"), сведения о создателе отчёта ("Автор"), сведения о компании. "Список эпюр" позволяет выбрать виды результатов, которые будут добавлены в формируемый отчёт.
Шаблон отчёта – указывает путь к html-документу с прототипом отчёта. Нажатие на кнопку [Создать] приводит к появлению диалога сохранения файла отчёта. По умолчанию отчёт сохраняется в текущем каталоге файла модели и имеет наименование "имя файла модели-название задачи".html.
При генерации отчёта создаётся одноименная папка с файлами графических изображений результатов в формате .bmp. Данное обстоятельство необходимо учитывать при переносе отчёта на другое рабочее место или при передаче стороннему заказчику.
5. Оптимизация конструкции детали
Доработаем конструкцию детали, добавив 4 ребра жесткости на ее внутренней поверхности. Затем проведем статический анализ для уже измененной конструкции.

Рис. 5.1.

Рис. 5.2.
Проанализировав результаты отчета (рис. 5.3, 5.4), мы видим, что существенно улучшились характеристики коэффициента запаса по эквивалентным напряжениям, уменьшились модули перемещений, также уменьшились эквивалентные напряжения, возникающие в детали, и произошло снижение эквивалентных деформаций.
Значения всех перечисленных характеристик отображаются на шкале результатов расчета.


Рис. 5.3.


Рис. 5.4.
Таким образом, задачу оптимизации конструкции можно считать выполненной.
6. Оценка технологичности конструкции по ее технологическому коду
6.1 Определение конструкторско-технологического кода детали
Код основного конструкторского документа по ГОСТ 2.201 ЕСКД и технологический код изделия построены по принципу фасетно-иерархической классификации с буквенно-цифровым алфавитом кода.
Конструкторско-технологический классификатор устанавливает 14-ти значную структуру технологического кода для всех изделий, состоящую из двух частей: основной (6 разрядов), характеризующей изделие по конструктивным признакам, и дополнительной (8 разрядов), характеризующей количественные характеристики конструктивных признаков.
Структура полного конструкторско-технологического кода изделия имеет следующий вид: Х Х Х Х Х Х . Х Х Х Х Х Х Х Х
Х Х Х Х Х Х . - технологический код
1) Технологический метод получения определяющей конфигурации заготовки (класс)
2) Вид материала (подкласс)
3) Объемно- габаритная характеристика (группа)
4) Вид дополнительной обработки (подгруппа)
5) Уточнение вида дополнительной обработки (вид)
6) Вид контролируемых параметров (подвид)
Х Х Х Х Х Х Х Х – конструкторский код
1) Количество исполнительных размеров
2) Количество конструктивных элементов и поверхностей, получаемых дополнительной обработкой
3) Количество типоразмеров конструктивных элементов
4) Сортамент материала
5) Марка материала
6) Масса
7) Точность обработки
8) Система простановки размеров
При нахождении технологической классификационной группы детали необходимо к уже имеющемуся конструкторскому коду детали добавить технологический код детали. Для определения технологического кода детали по имеющимся данным определим ряд признаков, а затем найдем их код по "Конструкторско-технологическому классификатору деталей":
Таблица 6.1.
|
№ |
Признак |
Значение |
Код |
|
1 |
Метод изготовления |
Резание |
0 |
|
2 |
Вид материала |
Сталь легированная (кроме сталей с особыми свойствами) |
1 |
|
3 |
Объемно-габаритные характеристики |
Размер 270-360 мм |
А |
|
4 |
Вид дополнительной обработки |
Обеспечение заданных размеров, шероховатости, получение конструктивных элементов методом удаления материала или давлением |
1 |
|
5 |
Уточнение вида дополнит. обработки |
Получение требуемой шероховатости, размеров, сквозных отверстий, выступов по контуру детали, круглых и простой формы |
К |
|
6 |
Вид контролируемых параметров |
Шероховатость и(или) наличие покрытия, класс точности, форма поверхностей |
6 |
|
7 |
Количество исполнительных размеров |
25-35 |
5 |
|
8 |
Количество конструктивных поверхностей, получаемых дополнит. обработкой |
10-15 |
4 |
|
9 |
Количество типоразмеров |
4 |
2 |
|
10 |
Сортамент материала |
Сплавы литьевые ГОСТ 977 |
1 |
|
11 |
Марка материала |
Сталь 40ХЛ ГОСТ 977 |
1 |
|
12 |
Масса |
Не указана |
0 |
|
13 |
Точность обработки |
квалитет-12-17, Rz=1-3,2 мкм, Ra=0,025-0,40 |
Д |
|
14 |
Система простановки размеров |
В прямоугольной системе координат от 3-х и более размерных баз |
5 |
Технологический код детали: 0 1 А 1 К 6 . 5 4 2 1 1 0 Д 5
6.2 Оценка показателя технологичности конструкции детали
Технологичность - это свойство конструкции изделия, обеспечивающее возможность его выпуска с наименьшими затратами времени, труда и материальных средств при сохранении заданных потребительных качеств. Значение показателя технологичности определяется как комплексное через значения частных показателей в соответствии с ОСТ 107.15.2011-91 по формуле:
>
>
k>i> - нормированное значение частного показателя технологичности детали
Конструкция детали является технологичной, если рассчитанное значение показателя технологичности не меньше его нормативного значения. В противном случае конструкция детали должна быть доработана конструктором. Оценка технологичности детали 01А1К6.542110Д5.
Таблица 6.2.
|
Наименование и обозначение частного показателя технологичности |
Наименование классификационного признака |
Код градации признака |
Нормированное значение показателя технологичности |
|
Показатель прогрессивности формообразования К>ф> |
Технологический метод получения, определяющий конфигурацию (1-й разряд технологического кода) |
0 |
0,90 |
|
Показатель многономенклатурности видов обработки К>о> |
Вид дополнительной обработки (4-й разряд технологического кода) |
1 |
0,98 |
|
Показатель многономенклатурности видов контроля К>к> |
Вид контролируемых параметров (6-й разряд технологического кода) |
6 |
0,96 |
|
Показатель унификации конструктивных элементов К>у> |
Количество типоразмеров конструктивных элементов (9-й разряд технологического кода) |
2 |
0,99 |
|
Показатель точности обработки К>т> |
Точность обработки (13-й разряд технологического кода) |
Д |
0,98 |
|
Показатель рациональности размерных баз К>б> |
Система простановки размеров (14-й разряд технологического кода) |
5 |
0,97 |
Тогда
>
>
Определим достигнутый уровень выполнения требований по технологичности.
>
,>
где К>ФАКТ> – фактическое значение показателя технологичности, К>БАЗ> – базовое значение показателя технологичности.
>
>>>1>>
>>>1>>
>>
>1>
Видим, что деталь технологична для разового, повторяющегося единичного и серийного производств.
7. Разработка технологического процесса изготовления детали в САПР ТехноПро
Технологический процесс изготовления детали будем разрабатывать в САПР ТехноПро. Система ТехноПро обеспечивает проектирование операционных технологических процессов (ТП). Оформляемая с помощью системы документация может содержать любую информацию, имеющуюся в этих ТП. Документы могут оформляться как на каждую операцию ТП (операционные карты), так и на ТП в целом (маршрутно-операционные, маршрутные карты, ведомости оснастки, титульные листы).
Документы могут содержать сводную информацию по нескольким ТП, входящим в определенное изделие, узел или сборочную единицу (ведомости материалов, расцеховки). В документы может добавляться графическая информация. Например, операционные эскизы.
Комплекс T-FLEX/ТехноПро охватывает все аспекты технологического проектирования, что делает его наилучшим выбором среди средств автоматизации проектирования и производства.
7.1 Добавление операции
Для добавления операции в ТП необходимо выбрать подгруппу "Деталь", затем правой кнопкой мыши вызвать контекстное меню и выбрать пункт "Добавить". В открывшемся окне ввести наименование операции, например, фрезерование.
Номер операции присваивается автоматически c шагом, задаваемым в пункте
"Настройка" основного меню системы. Перевод курсора в поле "Б оборудование, ПР приспособление, М вспом. материал…" вызывает появление пункта "005 Фрезерование" в дереве классификации КТП.

Рис. 7.1. Добавление фрезерной операции.
Для назначения оборудования
можно выбрать кнопку
.
Появится окно Информационной базы.
Используя дерево классификации ИБ,
необходимо найти требуемую подгруппу,
например, отрезные.
Для передачи оборудования в проектируемый ТП необходимо выбрать кнопку [Добавить в ТП], расположенную справа внизу окна ИБ.

После выбора кнопки [Добавить в
ТП] в дереве классификации ИБ открывается
группа "Приспособления". В ней
необходимо для данного примера выбрать
подгруппу "Тиски". Выбор требуемой
модели тисков осуществляется выбором
кнопки "Поиск"
.
Например, необходимо найти тиски с
величиной рабочего хода не менее 100 мм.
Введите критерий ">100" в поле
параметра "Рабочий ход". Запуск
поиска производится выбором кнопки
"Применить фильтр". Установив
курсор в требуемую строку, необходимо
выбрать кнопку [Добавить в ТП] для
передачи строки в ТП. После в дереве
классификации ИБ открывается группа
"Вспомогательные материалы", затем
"Шифры инструкций", "СОЖ" и
"Дополнительные материалы". Закрыть
окно ИБ можно выбором кнопки
в правом нижнем углу окна.
Выбранное оснащение появится в
форме операции. В форму операции из ИБ
можно добавить тексты инструкций. Для
этого необходимо нажать кнопку [Ввод]
и затем выбрать кнопку
в поле "Текст инструкции":
Для добавления и заполнения следующей операции необходимо повторить действия, описанные выше.
Для изменения положения операций
в ТП можно воспользоваться кнопками со
стрелками вверх, вниз
,
расположенными слева внизу окна КТП,
при этом номера операций пересчитываются
автоматически.
В данном технологическом процессе необходимо создать 3 операции: фрезерование, сверление и лакирование. Фрезерование применяем для обработки профиля детали из отливки, а также для вырезки прямоугольного отверстия на боковой поверхности детали Необходимые отверстия (на боковой стенке, в основании, в задней стенке и внутри конусной поверхности детали) будем изготавливать сверлением. После этого производится окрашивание детали.

Рис. 7.2. Добавление сверлильной операции.

Рис. 7.3. Добавление операции Окрашивание.

7.2 Добавление перехода
Для добавления перехода в операцию
необходимо в дереве классификации КТП
поставить курсор на операцию, например,
"005 Фрезерование" и нажать правую
кнопку мыши. Ввод текста перехода
производится при нажатой кнопке [Ввод].
Текст перехода можно добавить выбором
из Информационной базы. Для этого можно
воспользоваться выпадающим списком
текстов переходов, появляющимся при
выборе кнопки
на правом краю поля.

Другим способом ввода текста
перехода является его выбор в окне
Информационной базы. Это окно открывается
выбором кнопки
на левом краю поля. В открывшемся окне
необходимо найти требуемую группу
текстов переходов и выбрать кнопку
[Добавить в ТП].

Рис. 7.4. Создание текста перехода
Если в ИБ нет требуемого текста перехода, то его можно добавить в последнюю, пустую строку списка и затем передать в ТП.
Для заполнения текста необходимо перейти в режим его редактирования, для этого надо выбрать кнопку [Текст]. Заполнить текст перехода конкретными размерами можно двумя способами.
1. Вручную, набором с клавиатуры цифр для замены параметров D и L.
2. Автоматически, выбором кнопки [Пересчитать].
Установить связь перехода с
обрабатываемым элементом можно, выбрав
его код из выпадающего списка элементов
детали. Для открытия списка необходимо
выбрать кнопку
слева в поле кода элемента.

Рис. 7.5. Выбор режущего инструмента

Рис. 7.6. Выбор сверла

Рис. 7.7. Задание параметров перехода
В данном технологическом процессе необходимо создать несколько переходов в каждой операции. Рассмотрим их подробнее.
Фрезерование:
для обработки детали по профилю используется 2 перехода, первый – при первичной обработке, режущий инструмент - Фреза D50-z14-B6 2250-0004 ПШ ГОСТ 3964-69; второй – при вторичной, режущий инструмент - Фреза D10 2234-0207 ВК8 ГОСТ 16463-80;
для создания бокового прямоугольного отверстия применяется Фреза D50-z14-B6 2250-0004 ПШ ГОСТ 3964-69
Сверление:
создание отверстий в боковой стенке - Сверло D6 2302-1101 ГОСТ 20696-75;
создание отверстий в основании - Сверло D16 2302-1136 ГОСТ 20696-75;
создание отверстия в конусе - Сверло D50 2300-6955 ГОСТ 886-77;
создание отверстия в задней стенке - Сверло D75 2300-6955 ГОСТ 886-77

Рис. 7.8. Дерево операций и переходов ТП
7.3 Оформление технологического процесса. Печать технологической документации
Для того, чтобы ТехноПро смогла опознать и заполнить шаблон документа, необходимо его подключить к системе. Подключение заключается во вводе новой строки описания шаблона в меню "Выбор документов". Это меню появляется после выбора кнопки с изображением принтера. Кнопка высвечивается в каждом переходе и операции КТП.
Каждая строка меню "Выбор документов" описывает параметры одного из шаблонов документов:

Для формирования технологических
карт выберем расположенную справа внизу
в окне КТП кнопку с изображением принтера
.
На экране появится меню доступных
форм документов. Для формирования
документа выбираем кнопку
,
находящуюся в строке его описания.
ТехноПро начнет формировать документ
для Microsoft
Word.
Для открытия сформированного документа необходимо развернуть (выбрать) значок Microsoft Word.

Сформированному документу автоматически присваивается имя файла и он сохраняется в папке, указанной в поле "Путь для готовых документов ТП" в меню настройки системы.
Сведения обо всех сформированных документах автоматически вносятся в закладку "Документы" общих сведений о детали.
Сформированные маршрутные карты представлены в Приложении.
8. Разработка УП для изготовления детали
8.1 Загрузка модели, созданной в T-FLEX CAD
Чтобы загрузить в программу EdgeCam построенную ранее модель детали, нужно сохранить в T-FLEX CAD 3D-модель детали с расширением .dxf (файл – экспортировать - dxf), а затем загрузить этот файл в EdgeCam. Результат показан на рис. 8.1.
8.2 Добавление заготовки
Для добавления заготовки, из которой будет изготавливаться (фрезерованием) деталь, будем использовать автоматический способ ее создания. Для этого выберем на главной инструментальной панели EdgeCam кнопку Auto-Stock. Переключать режим отображения заготовки с полупрозрачного на каркасный и обратно можно с помощью команды Toggle Stock. Результат показан на рис. 8.2.
Рис. 8.1. Загрузка 3D-модели

Рис. 8.2. Создание заготовки
8.3 Формирование маршрута обработки
Выберем команду Manufacture для включения режима формирования маршрута обработки.
На вкладке Общие из списка дисциплин выбираем пункт Mill и модель станка fanuc3x-in.mcp.

8.4 Обработка профиля детали
Выбрав команду Profiling Operation, указываем на вкладке Tooling (Инструмент) параметры используемого инструмента(фрезы). Задаем диаметр, равный 50 мм. Обработка инструментом такого размера будет довольно грубой, поэтому целесообразно использовать вторичную обработку по контуру. Для этого выберем меньший диаметр фрезы, равный 2 мм.

Рис. 8.3.

Рис. 8.4.
8.5 Результаты обработки
Наблюдать за процессом обработки детали можно с помощью симулятора. В открывшемся новом окне показывается исходная заготовка, контур изготавливаемой детали и ход движения сверла (рис. 8.5). Также можно просматривать траекторию движения инструмента. Результаты первичной и вторичной обработки показаны на рисунках 8.7 и 8.8.

Рис. 8.5. Просмотр процесса обработки

Рис. 8.6. Траектория движения инструмента

Рис. 8.7. Результат первичной обработки

Рис. 8.8. Итоговый результат обработки
К сожалению, учебная версия EdgeCam не позволяет нам добиться желаемой формы детали. Потому что не получается поменять ориентацию инструмента и обработать конусную поверхность и сквозное отверстие. Таким образом, после двух проделанных операций деталь отправляется на дальнейшую обработку.
Список литературы
Методические указания "T-FLEX DOCs", 2009 (1-3)
Методические указания "T-FLEX Статический анализ", 2009
Методические указания к лабораторной работе "ЧПУ", 2009
Методические указания к лабораторной работе "Токарная обработка", 2009
Методические указания к лабораторной работе "Фрезерная обработка", 2009
Методические указания к лабораторным работам 1 и 2 "Техно Про", 2009
Учебный курс EdgeCAM 7.75 на русском языке
или




