Система моделювання Electronics Workbench
Система моделювання Electronics Workbench
Вступ
Electronics Workbench (EWB) — розробка фірми Interactive Image Technologies (www.interactiv.com). Особливістю програми EWB є наявність контрольно-вимірювальних приладів; по зовнішньому вигляді, органах керування і характеристиках максимально наближених до їхніх промислових аналогів, що сприяє придбанню практичних навичок роботи з найбільш розповсюдженими приладами: мультиметром, осцилографом, вимірювальним генератором і ін. Програма легко освоюється і досить зручна в роботі. Після складання схеми і її спрощення шляхом оформлення підсхем моделювання починається щигликом звичайного вимикача.
Історія створення програми Electronics Workbench (EWB) починається з 1989 р. Ранні версії програми складалися з двох незалежних частин. За допомогою однієї половини програми можна було моделювати аналогові пристрої за допомогою іншої — цифрові. Такий роздвоєний стан створював визначені незручності, особливо при моделюванні змішаних аналого-цифрових пристроїв. У 1996 р. у версії 4.1 ці частини були об'єднані, а через півроку була випущена п'ята версія програми з розширеними можливостями при розмірному аналізі в обсязі програми Micro-Cap V і переробленою бібліотекою компонентів. Додаткові засоби аналізу ланцюгів у EWB 5.0 виконані в типовому для всієї програми ключі — мінімум зусиль з боку користувача. Подальшим розвитком EWB є програма EWB Layout, призначена для розробки друкованих плат , а також EWB версії 6.02.
Програма EWB має наступність знизу нагору, тобто всі схеми, створені у версіях 3.0 і 4.1, можуть бути промодельовані у версії 5.0. Крім того EWB дозволяє також моделювати пристрої, для яких завдання на моделювання підготовлено в текстовому форматі SPICE, чим забезпечується сумісність із програмами Micro-Cap і PSpice .
Програма EWB 4.1 розрахована для роботи в середовищі Windows З.хх або 95/98 і займає близько 5 Мбайт дискової пам'яті, EWB 5.0 — у середовищі Windows 95/98 і NT 3.51, необхідний обсяг дискової пам'яті — близько 16 Мбайт. Для розміщення тимчасових файлів потрібно додатково 10...20 Мбайт вільного простору.
1. Структура вікна і система меню
Робочі вікна програм версій 4.1 і 5.0 показані на мал. 1.1 і 1.2 відповідно.
Вікно програми EWB 4.1 (мал. 1.1) містить поле меню, лінійку контрольно-вимірювальних приладів і лінійку бібліотек компонентів, одна з яких у розгорнутому виді показана в лівій частині вікна. У робочому полі програми розташовується моделююча схема з підключеними до неї іконками контрольно-вимірювальних приладів і короткий опис схеми (description), нажаль, тільки англійською мовою. При необхідності кожний із приладів може бути розгорнутий для установки режимів його роботи і спостереження результатів. Лінійки прокручування використовуються тільки для переміщення схеми.
Вікно програми EWB 5.0 (мал. 1.2) відрізняється додатковим меню Analysis, наявністю лінійки інструментів і більш компактним представленням бібліотек у розгорнутому виді. Крім того, лінійка контрольно-вимірювальних приладів розташована в одному полі з бібліотеками компонентів. Варто згадати також про наявність підсвічуваних підказок призначення всіх кнопок.
Подальший виклад матеріалу будемо вести паралельно по програмах версій 4.1 і 5.0, причому спочатку буде розглядатися версія 4.1, як більш простому і доступна, а потім у плані відмітних ознак і додаткових можливостей — версія 5.0.
Розглянемо команди меню програми EWB 4.1 у порядку їхнього проходження на мал. 1.1.
1.1 Меню File
Меню File призначено для завантаження і запису файлів, одержання твердої копії обраних для друкування складових частин схеми, а також для імпорту/експорту файлів у форматах інших систем моделювання і програм розробки друкованих плат.

Мал.1.1. Вікно програми EWB 4.1.

Мал 1.2.Вікно програми EWB 5.0
Перші чотири команди цього меню: New (Ctrl+N), Open... (Ctrl+O), Save (Ctrl+S), Save As... — типові для Windows команди роботи з файлами і по цьому пояснень не вимагають. Для цих команд у п'ятої версії існують кнопки (іконки) зі стандартним зображенням. Схемні файли програми EWB мають наступні розширення:.саЗ H.cd3 — аналогові і цифрові схеми для EWB 3.0,.са4 — аналого-цифрові схеми для EWB 4.1 H.ewb — аналогові-цифрові схеми для EWB 5.O.
Revent to Saved... — стирання всіх змін, внесених у поточному сеансі редагування, і відновлення схеми в первісному виді.
3. Print... (CTRL+P) — вибір даних для висновку на принтер: Schematic — схеми (опція включена за замовчуванням); Description — опису до схеми;
Part list — переліку виведених на принтер документів; Label list — списку позначень елементів схеми; Model list — списку наявних у схемі компонентів;
sub>circuits — підсхем (частин схеми, що є закінченими функціональними вузлами й позначаємих прямокутниками з назвою усередині);
Analysis options — переліку режимів моделювання; Instruments — списку приладів (див. гл. 3).
У цьому ж підменю можна вибрати опції друкування (кнопка Setup) і відправити матеріал на принтер (кнопка Print). У програмі EWB 5.0 передбачена також можливість зміни масштабу виведених на принтер даних у межах від 20 до 500%.
Print Setup... — настроювання принтера.
Exit (ALT + F4) — вихід із програми.
Install... — установка додаткових програм із гнучких дисків.
7.Import from SPICE — імпорт текстових файлів опису схеми і завдання на моделювання у форматі SPICE (з розширенням.cir) і автоматична побудова схеми по її текстовому описі.
8.Export to SPICE — складання текстового опису схеми і завдання на моделі у форматі SPICE.
Export to PCB — складання списків з'єднань схеми у форматі OrCAD і інших програм розробки друкованих плат.
Однойменне меню програми EWB п'ятої версії відрізняється від розглянутого тим, що в підменю Import/Export передбачені можливості обміну даними з програмою розробки друкованих плат EWB Layout.
1.2 Меню Edit
Меню Edit дозволяє виконувати команди редагування схем і копіювання екрана.
Cut (CTRL+X) — стирання (вирізання) виділеної частини схеми зі збереженням її в буфері обміну (Clipboard). Виділення одного компонента виробляється кліком миші на зображенні (значку) компонента. Для виділення частини схеми або декількох компонентів необхідно поставити курсор миші в лівий кут уявного прямокутника, що охоплює виділювану частину, натиснути ліву кнопку миші і, не відпускаючи її, простягнути курсор по діагоналі цього прямокутника (косинця), контури якого з'являються вже на початку руху миші, і потім відпустити кнопку. Виділені компоненти офарбовуються в червоний колір.
Copy (CTRL+C) — копіювання виділеної частини схеми в буфер обміну.
Paste (CTRL+V) — вставка вмісту буфера обміну на робоче поле програми. Оскільки в EWB немає можливості поміщати імпортоване зображення схеми або її фрагмента в точно зазначене місце, то безпосередньо після вставки, коли зображення ще є відзначеним (виділене червоним) і може виявитися накладеним на створювану схему, його можна перемістити в потрібне місце клавішами курсору або схопивши мишею за один з відмічених компонентів. У такий же спосіб переміщаються і попередньо виділені фрагменти вже наявної на робочому полі схеми.
Delete (Del) — стирання виділеної частини схеми.
Select All (CTRL+A) — виділення всієї схеми.
Copybits (CTRL+I) — команда перетворює курсор миші в хрестик, яким за правилом прямокутника можна виділити потрібну частину екрана, після відпускання лівої кнопки миші виділена частина копіюється в буфер обміну, після чого його вміст може бути імпортований в будь-який додаток Windows. Копіювання всього екрана виробляється натисканням клавіші Print Screen; копіювання активної в даний момент частини екрана, наприклад, діалогового вікна — комбінацією Alt+Print Screen. Перераховані команди дуже зручні при підготовці звітів по моделюванні, наприклад, при оформленні лабораторних робіт.
Show Clipboard — показати вміст буфера обміну.
Однойменне меню EWB 5.0 аналогічно розглянутому, за винятком назви команди копіювання екрана в п. 6. Вона називається Copy As Bitmap і, нажаль, не має клавіатурного дублювання (комбінації CTRL+I для EWB 4.1), що в деяких випадках утрудняє можливість копіювання елементів схеми.


Мал.1.3. Вікно вводу позиційного значення резистора.

Мал 1.4. Вікно вводу номінального значення компонента.

Мал 1.5. Меню вибору моделі операційного підсилювача з можливістю редагування його параметрів.
6. Model... (CTRL+M) — вибір моделі компонента (напівпровідникового приладу, операційного підсилювача, трансформатора й ін.); команда виконується також подвійним щигликом по компоненті. У меню команди (мал. 1.5) вибираються:
Library — перелік бібліотек, у яких знаходяться компоненти обраного типу;
Model -перелік моделей компонентів обраної бібліотеки;
Bd-після натискання цієї кнопки викликається діалогове вікно з параметрами вибраної моделі, показане для операційного підсилювача на мал. 1.6. При необхідності редагування доцільно по команді New Library створити окрему бібліотеку (щоб не псувати параметри бібліотечного компонента), куди переноситься компонент, що редагується, за допомогою команд:
Сору — копіювання відзначеного в колонку Model компонента в буфер обміну;
Paste — вставка скопійованої в буфер обміну моделі компонента в обрану в колонку Library бібліотеку (у тому числі і знову створену) з наступним редагуванням її параметрів без зміни характеристик компонента основної бібліотеки;
Rename — перейменування відзначеної моделі компонента.

Мал.1.6.Вікно редагування параметрів моделі операційного підсилювача
Робота з меню, як і у всіх інших подібних випадках, закінчується натисканням кнопок Accept або Cancel — зі збереженням або без збереження введених змін.При створенні бібліотеки моделей вітчизняних компонентів доцільно діяти в наступній послідовності:
створити бібліотеку, наприклад, під ім'ям rus_lib;
скопіювати в цю бібліотеку модель компонента, найбільш близького по параметрах до вітчизняного компонента;
перейменувати скопійовану модель, привласнивши їй, наприклад, ім'я K140UD5 (латинська транскрипція ДО140УД5);
при необхідності відредагувати значення параметрів перейменованої моделі, використовуючи дані каталогів вітчизняних мікросхем або літературних джерел [4 — 11].
Zoom (CTRL+Z) — розкриття (розгортання) виділеної підсхеми або контрольно-вимірювального приладу, команда виконується також подвійним клацанням миші по іконці компонента або приладу.
Rotate (CTRL+R) — обертання виділеного компонента; більшість компонентів повертаються по годинній стрілці (у EWB 5.0 — проти) на 90° при кожному виконанні команди, для вимірювальних приладів (амперметр, вольтметр і ін.) міняються місцями клеми підключення; команда використовується при підготуванні схем. У готовій схемі користуватися командою недоцільно, оскільки це найчастіше приводить до плутанини, — у таких випадках компонентів потрібно спочатку відключити, а потім обертати.
Fault (CTRL+F) — імітація несправності виділеного компонента шляхом введеня:
Leakage — опору витоку;
Short — короткого замикання;
Open — обриву;
None — несправність відсутня (включена за замовчуванням).
10. sub>circuit... (CTRL+B) — перетворення попереднє виділеної частини схеми в підсхему. Виділювана частина схеми повинна бути розташована таким чином, щоб у виділену область не потрапили не стосовні до неї провідники і компоненти. У результаті виконання команди викликається діалогове вікно, у рядку Name якого вводиться ім'я підсхеми, після чого можливі наступні варіанти:
Copy from Circuit — підсхема копіюється з зазначеною назвою в бібліотеку Custom без внесення змін у вихідну схему;
Move from Circuit — виділена частина вирізує з загальної схеми й у виді підсхеми з привласненим їй ім'ям копіюється в бібліотеку Custom;
Replace in Circuit — виділена частина заміняється у вихідній схемі підсхемою із привласненим їй ім'ям з одночасним копіюванням у бібліотеку Custom.
Для перегляду або редагування підсхеми потрібно двічі клацнути мишею по її значку. Редагування підсхеми виробляється за загальними правилами редагування схем. При створенні додаткового висновку необхідно з відповідної крапки підсхеми курсором миші простягнути провідник до краю її вікна до появи незафарбованої прямокутної контактної площадки, після чого відпустити ліву кнопку миші. Для видалення висновку необхідно курсором миші схопитися за його прямокутну площадку в краю вікна підсхеми і винести її за межі вікна.
Як приклад на мал. 1.7. приведена підсхема sensor підсилювача, що неінвертує, на ОП, використовуваного у фільтрі (див. мал. 1.22). Тут доречно відзначити, що введення в підсхему "землі" недоцільно, оскільки при великій кількості таких підсхем сповільнюється процес моделювання. Тому в схемі на мал. 1.7 для резистора R передбачений окремий висновок, що у схемі фільтра на мал. 1.22 заземлюється.

Мал.1.7. Підсхема сенсор.

Мал.1.8.Вибір кольору провідника.

Мал.1.9.Вибір елементів оформлення схеми.
Wire Color... — зміна кольору попередньо виділеного провідника (виділений провідник товщає). Більш простий спосіб виконання команди — подвійний щиглик мишею на провіднику, після чого в меню (мал. 1.8) вибирається один із шести пропонованих кольорів. Необхідність розцвічення особливо важлива для провідників, що з'єднують контрольні крапки (вузли) схеми з осцилографом або логічним аналізатором, — у цьому випадку колір провідника визначає колір осцилограми.
Preferences... (CTRL+E) — вибір елементів оформлення схеми відповідно до меню (див. мал. 1.9), у якому опції мають наступні призначення:
Show grid — показувати сітку для зручності малювання схеми (за замовчуванням ця опція виключена, інші включені); опція активна тільки при включеній опції Use grid — використовувати сітку;
Show labels — показувати позиційні позначення компонентів, наприклад, Cl, C2 для конденсаторів;
Show models — показувати найменування моделей компонентів, наприклад, типів транзисторів;
Show values — показувати номінали компонентів, наприклад, опору резисторів.
Слід зазначити, що в програмі EWB 3.0 у розглянутій команді можна було використовувати пароль. Наприклад, висновок на екран номінальних значень компонентів або їхніх типів можливий тільки при знанні пароля. А це дозволяло, у свою чергу, навмисно вводити сховані в такий спосіб несправності компонентів і відпрацьовувати учнями навички їхнього пошуку.

Мал.1.12. Вікно вибору режимів моделювання.
13. Analysis Options... (RL+Y) — вибір режимів моделювання в діалоговому вікні (див. мал. 1.12) з установкою наступних опцій:
Transient — розрахунок перехідних процесів після включення джерела живлення (результати представляються на екрані осцилографа в графічному виді);
Steady-state — розрахунок стаціонарного режиму схеми (режиму по постійному струмі);
Assume linear operation — при розрахунку прийняти лінеаризовану модель активних компонентів (Active Component Simulation);
Pause after each screen — пауза після заповнення екрана осцилографа (Oscilloscope Display);
Store results for all nodes — збереження (запам'ятовування) результатів моделювання для всіх контрольних крапок (вузлів) схеми;
Tolerance — завдання припустимої похибки моделювання (за замовчуванням 1%); чим менша похибка моделювання, тим більша витрати часу на моделювання;
Time domain points per cycle — вибір кількості відрахунків відображуваного на екрані осцилографа сигналу (за замовчуванням — 100 крапок на період, може бути збільшене у 100 разів). Зі збільшенням кількості відрахунків форма сигналу розраховується більш точно при одночасному уповільненні процесу моделювання; у деяких випадках занижене (установлене за замовчуванням) значення параметра може привести до істотних перекручувань результатів моделювання;
Bode Analysis points per cycle — вибір кількості розрахункових крапок для відображення результатів моделювання на екрані вимірника амплітудно-частотних і фазово-частотних характеристик; збільшення кількості крапок дозволяє зменшити похибку від дискретності установки візирної лінійки по осі X (осі частот).
Temporary file size for simulation [Mb] — розмір тимчасового файлу для збереження результатів моделювання (за замовчуванням 10 Мбайт), при необхідності може бути змінений.
Меню Circuit у п'ятої версії EWB помітно відрізняється від розглянутого. Відмінності полягають у наступному:
1. Виключено
команди по пп. 1, 2 і 3, вони перенесені в
меню Analysis і можуть виконуватися також
натисканням кнопок
,
.
2. Уведено
додаткові команди керування розташуванням
графічного зображення компонентів:
Flip Horizontal — дзеркальне відображення
компонента по горизонталі і Flip Vertical —
те ж, але по вертикалі. Команди Rotate, Flip
Horizontal і Flip Vertical можуть бути виконані
також натисканням кнопок>
>
>.>
Введені доповнення дуже корисні, оскільки істотно розширюють можливості оформлення схем. Наприклад, у версіях 3.0 і 4.1 не вдавалося відповідним чином розташувати на схемі транзистори, конденсатори перемінної ємності й інші компоненти у відповідності зі стандартами. Як приклад на мал. 1.13 приведені результати застосування зазначених команд для перетворення графічного зображення конденсатора перемінної ємності: на мал. 1.13, а — зображення конденсатора у вихідному стані, на мал. 1.13, б — після застосування команди Rotate (поворот на 90 проти годинниковох стрілки), на мал. 1.13, у — після застосування команди Flip Horizontal (дзеркальне відображення по горизонталі) і на мал. 1.13, м — після застосування команди Flip Vertical (дзеркальне відображення по вертикалі).

а) б) в) г)
3. Команди
по пп. 4, 5 і 6 об'єднані в команду Component
Properties (властивості компонента). Команда
виконується також після подвійного
клацання по компоненту або натискання
кнопки
>
>,
При виконанні команди відкривається
діалогове вікно (мал. 1.14) з декількох
закладок. Зміст закладки Label відповідає
команді по п. 4 за винятком рядка Reference
ID: у ній вказується позиційне позначення
компонента, використовуване надалі при
виконанні команд меню Analysis. При виборі
закладки Value задаються номінальний опір
компонента (резистора), значення
лінійного(ТС1), квадратичного (ТС2),
температурних коефіцієнтів опору. З
обліком цих параметрів дійсний опір
резистора Rд
визначається вираженням [2]:
R>Д >=R(1+ТС1(Т-Т>n>)+ТС2(Т-Т>n>)> >2)
де R — номінальний опір резистора; T>n>= 27C — номінальна температура; Т — поточне значення температури резистора.

Мал.1.14. Діалогове вікно команди Component (закладка Fault).
При виборі закладки Fault (мал. 1.14, а) приводяться умови моделювання по п. 9 і набір висновків компонента з опцією на кожен висновок, що дозволяє вибірково імітувати ту або іншу несправність. Наприклад, якщо потрібно імітувати порушення контакту висновку 1 резистора, то в цьому випадку включаються опції 1 і Open (відкрита — обривши). Уведення таких дефектів у схему дозволяє відпрацьовувати учнями навички пошуку і локалізації несправностей.
При виборі закладки Display задається характер висновку на екран позначень компонента; при виборі опції Use Schematic Options global setting використовуються установки, прийняті для всієї схеми, у протилежному випадку використовується індивідуальне настроювання висновку на екран позиційного позначення і номінального значення для кожного компонента.
Діалогове вікно при виборі закладки Analysis Setup дозволяє установити температуру для кожного компонента індивідуально або використовувати її номінальне значення, прийняте для всієї схеми (Use global temperature).
Для активних компонентів меню команди Component Properties містить меню Models, за допомогою якого вибирається тип бібліотечного компонента, редагуються його параметри, створюється нова бібліотека і виконуються інші команди по п. 6 (див. мал.1.6).
а)

б)

Мал.1.15. Вікно команди Schematic Options, закладки Fonts (а) з установкою типу шрифта і його атрибутів (б).
Уведено
додаткові команди: масштабування схеми:
збільшення Zoom
In і зменшення Zoom Out із указівкою масштабу
в діапазоні 50 — 200%. Такі команди можуть
бути виконані також за допомогою
мнемонічних засобів з її стандартним
позначенням:
.
5. Замість команди Preferences (п. 12) уведена команда Schematic Options, діалогове вікно якої (мал. 1.15) складається з ряду закладок. Закладки Grid у Show/Hide, у порівнянні з EWB 4.1, містять наступні додаткові опції:
Show Nodes — показувати нумерацію нод — усіх крапок з'єднання компонентів;
Autohide part bins — за замовчуванням не показувати склад бібліотеки компонентів використовуваної в даній схемі;
Keep parts bin positions — зберігати положення використовуваної бібліотеки компонентів на екрані при оформленні схеми. Звичайно вибір нової бібліотеки компонентів приводить до вимикання попередньої. Для збереження на екрані зразу декількох бібліотек їх необхідно рознести по екрані, при цьому їх положення при виборі нової бібліотеки залишиться незмінним.
При виборі закладки Fonts (мал. 1.15, а) можна установити тип (Font name і розмір (Font size) шрифту роздільно для позначення компонента (кнопка Se label font) і номінального значення його параметра (кнопка Set value font). I якості приклада на мал. 1.15, б показане вікно установки типу і розміру шрифта позначення компонента. Помітимо, що для міток (і тільки) можна вибрати шрифти кирилиці Ма Суг і Mt Cyr (для EWB 5.0с).

Мал. 1.16. Вікно команди Schematic Options, закладка Wiring.
Вікно команди Schematic Options при виборі закладки Wiring (мал. 1.16) містить опції, зв'язані з прокладкою провідників на схемі й організацією їхніх взаємних з'єднань (Routing options), видаленням провідників (Rewiring options) і з'єднань (Auto-delete connectors — автоматичне видалення невикористовуваних з'єднань, наприклад, що дублюють один одного). При виборі закладки Printing можна установити масштаб виведеної на принтер інформації. Варто помітити, що в мережній версії EWB 5.0з передбачена (за аналогією з EWB 3.0) установка пароля і режиму "тільки для читання" (меню Cicuit/Restrictions..., закладка General), що обмежує доступ до інформації з введеного в схему несправностям, за схемою підсхеми, по використовуваним у схемі моделям компонентів і їхніх номінальних значень (наприклад, опорам резисторів) (закладка Componets) і можливостям вибіркового використання розглянутих нижче методів аналізу з меню Analysis (однойменна закладка у вікні меню Cicuit/Restrictions...).
2. Створення схем
У даній главі розглядається процес підготовки схем, склад бібліотек компонентів EWB 4.1 і 5.0 і їхні короткі характеристики.
2.1 Технологія підготовки схем
Перш ніж створювати креслення принципової схеми засобами програми ЕWB, необхідно на листі папера підготувати її ескіз зі зразковим розташуванням компонентів і з урахуванням можливості оформлення окремих фрагментів у виді підсхем. Доцільно також ознайомитися з бібліотекою готових схем програми для вибору аналога (прототипу) або використання наявних рішень у якості підсхем.
У загальному випадку процес створення схеми починається з розміщення на робочому полі EWB компонентів з бібліотек програми відповідно до підготовленого ескізу. Одинадцять розділів бібліотеки програми EBW 4.1 по черзі можуть бути викликані за допомогою меню Window або за допомогою іконок, розташованих під лінійкою контрольно-вимірювальних приладів (див. мал. 1.1). Каталог обраної бібліотеки розташовується у вертикальному вікні праворуч або ліворуч від робочого поля (встановлюється в будь-яке місце перетаскуванням стандартним способом — за шапку заголовка). Для відкриття каталогу потрібної бібліотеки необхідно підвести курсор миші до відповідної іконки і натиснути один раз її ліву кнопку, після чого сірий фон іконки міняється на жовтий. Необхідний для створення схеми значок (символ) компонента переноситься з каталогу на робоче поле програми рухом миші при натиснутій лівій кнопці, після чого кнопка відпускається (для фіксування символу) і виробляється подвійне клацання по значку компонента. У діалоговому вікні, що розкривається, установлюються необхідні параметри (опір резистора, тип транзистора і т.д.) і вибір підтверджується натисканням кнопки Accept або клавіші Enter. На цьому етапі необхідно передбачити місце для розміщення контрольних крапок і іконок контрольно-вимірювальних приладів.
Якщо в схемі використовуються компоненти однакового номіналу (наприклад, резистори з однаковим опором), то номінал такого компонента рекомендується задати безпосередньо в каталозі бібліотеки і потім переносити компоненти в потрібній кількості на робоче поле. Для зміни номіналу компонента необхідно два рази клацнути мишею по символі його графічного зображення й у послу, що розкривається, цього вікні внести зміни.
При розміщенні компонентів схеми на робочому полі програми EWB 5.0 можна скористатися динамічним меню, описаним наприкінці глави.
Після розміщення компонентів виробляється з'єднання їхніх висновків провідниками. При цьому необхідно враховувати, що до висновку компонента можна підключити тільки один провідник. Для виконання підключення курсор миші підводиться до висновку компонента і після появі прямокутної площадки синього кольору натискається ліва кнопка і провідник, що з'являється при цьому, протягається до висновку іншого компонента до появи на ньому такої ж прямокутної площадки, після чого кнопка миші відпускається, і з'єднання готове. При необхідності підключення до цих висновків інших провідників у бібліотеці Passive вибирається крапка (символ з'єднання) і переноситься на раніше встановлений провідник. Щоб крапка почорніла (спочатку вона має червоний колір), необхідно клацнути мишею по вільному місцю робочого поля. Якщо ця крапка дійсно має електричне з'єднання з провідником, то вона цілком офарблюється чорним кольором. Якщо на ній видний слід від провідника, що перетинає,то електричного з'єднання немає і крапку необхідно установити заново. Після вдалої установки до крапки з'єднання можна підключити ще два провідники. Якщо з'єднання потрібно розірвати, курсор підводиться до одному з висновків компонентів або крапці з'єднання і з появою площадки натискається ліва кнопка, провідник приділяється на вільне місце робочого поля, після чого кнопка відпускається. Якщо необхідно підключити висновок до наявного на схемі провідникові,то провідник від висновку компонента курсором підводиться до зазначеного провідника і після появи крапки з'єднання кнопка миші відпускається. Слід зазначити,що прокладка сполучних провідників виробляється автоматично, причому перешкоди — компонента й інших провідників — обгинаються по ортогональних напрямках (по горизонталі або вертикалі).
Крапка з'єднання може бути використана не тільки для підключення провідників, але і для введення написів (наприклад, указівки величини струму в провіднику, його функціонального призначення і т.п.). Для цього необхідно двічі клацнути по крапці й у вікні, що розкрилося, увести необхідний запис (не більше 14 символів), причому запис можна зміщати вправо шляхом уведення ліворуч потрібної кількості пробілів. Ця властивість може бути використано й у тому випадку, коли позиційне позначення компонента (наприклад Cl, R10) накладається на поруч минаючий провідник або інші елементи схеми.
Якщо необхідно перемістити окремий сегмент провідника, до нього підводиться курсор, натискається ліва кнопка і після появи у вертикальній або горизонтальній площині подвійного курсору виробляються потрібні переміщення.
Підключення до схеми контрольно-вимірювальних приладів виробляється аналогічно. Причому для таких приладів, як осцилограф або логічний аналізатор, з'єднання доцільно проводити кольоровими провідниками, оскільки їхній колір визначає колір відповідної осцилограми. Кольорові провідники доцільні не тільки для позначення провідників однакового функціонального призначення, але і для провідників, що знаходяться в різних частинах схеми (наприклад, провідники, шини даних до і після буферного елемента). Приклади такого оформлення можна знайти в каталогах готових схем (див. файл adc-dacl.ca4).
При позначенні компонентів необхідно дотримувати рекомендацій і правил, передбачених ЄСКД (єдиною системою конструкторської документації). Що стосується пасивних компонентів, то при виборі їхніх позначень особливих труднощів не виникає. Труднощі виникають при виборі активних елементів —: мікросхем, транзисторів і т.п., особливо при необхідності використання компонентів вітчизняного виробництва, коли потрібно установити точна відповідність функціональних позначень висновків і параметрів закордонних і вітчизняних компонентів. Для полегшення цієї задачі можна скористатися таблицями відповідності закордонних і вітчизняних компонентів..
При імпортуванні в створювану схему іншої схеми або її фрагментів доцільно діяти в наступній послідовності:
командою File>Save As записати у файл створювану схему, указавши його ім'я в діалоговому вікні (розширення імені файлу вказувати не обов'язково, програма зробить це автоматично);
командою File>Open завантажити на робоче поле імпортовану схему стандартним для Windows методом (деякі особливості описані наприкінці глави);
командою Edit>Select All виділити схему, якщо імпортується вся схема, або виділити її потрібну частину;
3. Елементна база
У цій главі приводяться короткі зведення про моделі компонентів радіоелектронної апаратури (РЕА), що є в програмі EWB. Додаткові зведення по таких компонентах будуть приводитися в інших главах у міру їхнього використання в конкретних схемах. Додаткова інформація про реальні елементи РЕА (умови й області застосування, класифікаційні параметри, конструктивні особливості й ін.) поміщені в додатку 2.
3.1 Джерела струму
У загальному випадку джерела токи можуть бути представлені у вигляді генератора напруги або генератора струму (див. розд. 5.1). Джерела струму поділяються на джерела постійного струму, змінного струму і керовані (функціональні) джерела. Крім того, вони підрозділяються на вимірювальні джерела і джерела для електроживлення.
Прикладом вимірювального джерела є розглянутий у гл. 3 функціональний генератор. З джерел постійного струму в якості вимірювального широко використовується так називаний нормальний елемент (електрохімічне джерело), що володіє високою стабільністю вихідної напруги і використовуваний у високоточних зразкових установках для перевірки вольтметрів, амперметрів і інших вимірювальних приладів (див. розд. 16.6).
Джерела для електроживлення є самими масовими пристроями (див. додаток 6). Їх прийнято поділяти на первинні і вторинні. До первинних джерел відносяться: електрогенератори, що перетворять механічну енергію в електричну, термоелектрогенератори, сонячні й атомні батареї, електрохімічні джерела. В вторинних джерелах струму виробляється перетворення струму первинного джерела (див. гл. 12).
Джерела постійного струму в програмі EWB представлені на мал. 3.1.

а) б) в) г)
Мал.3.1. Джерела постійного струму.

Мал.3.2. Вікно задання ЕРС джерелу живлення.
Ідеальний (із внутрішнім опір Ri = 0) джерело постійної напруги +5 В (мал. 3.1, а) призначений, в основному, для логічних схем. На мал. 3.1. показане ідеальне джерело постійної напруги. ЕРС задається в діалоговому вікні на мал.3.2 .
Значення параметрів джерела напруги, які характеризуються ЕРС (Pull-Up Voltage) і внутрішнім опором (Resistance) (мал. 3.1, в), установлюються допомогою діалогового вікна (див. мал. 3.3).

Мал.3.3. Вікно установки параметрів джерела живлення.
Установка струму ідеального джерела струму (мал. 3.1, г) виробляється аналогічно установці ЭРС. Джерела змінного струму в програмі EWB підрозділяються на джерела не модульованих (мал. 3.4) і модульованих (мал. 3.8) сигналів. Для ідеального генератора змінної напруги (мал. 3.4, а) напруга (Voltage), частота (Frequency) і початкова фаза (Phase) синусоїдального сигналу задаються у вікні на мал. 3.5.

а) б) в)
Мал.3.3. Джерела змінного струму.

Мал.3.5. Вікно установки параметрів джерела синусоїдальної напруги.

Мал.3.6. Вікно установки параметрів джерела імпульсної напруги прямокутної форми.
Установка струму, частоти і початкової фази ідеального генератора змінного струму (мал. 3.4, б) здійснюється аналогічно джерелу синусоїдальної напруги.
Ідеальний генератор імпульсної напруги (мал. 3.4, в) є джерелом полярних імпульсів із задаються амплітудою, частотою проходження і коефіцієнтом заповнення (Duty Cycle), (вікно на мал. 3.6).
При зазначеному на мал. 3.6 значенні коефіцієнта заповнення 50% (тривалість імпульсу дорівнює половині періоду) періодична імпульсна послідовність називається меандром. Такий сигнал може бути представлений у виді суми гармонійних складових (простих синусоїд) шляхом розкладання в ряд Фур'є [35]:
U(x) = U>m>/2 + (2U>m>/7п)[cos(2п) - 0,333 cos(6 п F) + 0,2cos(10 п F) - ...]. (3.1)
Перший доданок вираження (3.1) — постійній складовій, рівна половині амплітуди U>m>, перше доданок у квадратних дужках — перша гармоніка, друге — третя гармоніка і т.д. У графічному виді таке розкладання звичайне представляється у виді так називаного лінійчатого спектра, коли по осі X відкладається частота (номер гармоніки), а по осі Y у виді вертикальної лінії — амплітуда гармоніки. Для одержання такого спектра засобами програми EWB 5.0 (див. гл. 1) необхідно скласти ланцюг із джерела (мал. 3.4, в), резистора, заземлення і застосувати команду Analysis>Fourier. Отримане при цьому спектральний розподіл гармонік для розглянутої імпульсної послідовності при U>m> = 2 В показано на мал. 3.7. Для того щоб у чорно-білому зображенні була видна постійна складова, у меню Graph Properties>Left Axis був обраний білий колір для осі X. З мал. 3.7 видно, що постійна складова дійсно дорівнює U>m>/2 = 1 В, амплітуда першої гармоніки 2U>m>/7i = 1,27 В. Помітимо, що для імпульсної послідовності при шпаруватості, не рівної 2, вираження (3.1) трохи ускладнюється [51].

Мал.3.7. Лінійчастий спектр послідовності прямокутних імпульсів типу меандр.

а) б)
Джерела модульованої напруги в програмі EWB представлені компонентами, показаними на мал. 3.8.
Джерело на мал. 3.8, а — ідеальний генератор амплітудно-модульованих коливань (AM), параметри якого задаються в діалоговому вікні (мал. 3.9), у якому позначено: Carrier Amplitude — амплітуда несучої, Carrier Frequency — частота несучої, Modulation Index — коефіцієнт модуляції, Modulation Frequency — частота коливання, що модулює.
Осцилограмма АМ-сигнала при М = 0,5 і значеннях інших параметрів, зазначених у вікні на мал. 3.9, показана на мал. 3.10. Коефіцієнт модуляції визначається як відношення амплітуди що обгинає (на осцилограмі — 0,5 В) до її середнього значення, тобто до амплітуди несучої (1 В). Коефіцієнт модуляції завжди менше або дорівнює одиниці.
Аналітичне вираження для АМ-сигнала записується в наступному виді [51]:
U(t) = U>c>[l+ Msin(2пF>m>)t]sin(2пFс t)
Це вираження після тригонометричних перетворень може бути представлене в більш наочному виді [51]:
U(t) = U>c>[cos(2пF>c>)t + 0,5Mcos2п(F>c> + F>m>)t + 0,5Mcos2п(F>c> - F>m>)t]. (3.2)
Перший доданок вираження (3.2) називається несущим коливанням, другий доданок — коливанням з верхньої бічний, третє — коливанням з нижньою бічною частотою.
Параметри джерела частотно-модульованих коливань (ЧМ) на мал. 3.8, б задаються в діалоговому вікні (мал. 3.11), аналогічному по наборі параметрів вікну на мал. 3.9.

Мал.3.9. Вікно установки параметрів джерела АМ-коливань.

Мал.3.10. Осцифалограма АМ-коливань.

Мал.3.11. Вікно установки параметрів джерела ЧM-коливань.
Аналітичне вираження для ЧМ-сигнала має такий вигляд [51]:
U(t)=Ucsin[27п, + M sin(2пF>m>)t]. Це вираження для зручності інтерпретації перетворюється до виду [51]:
U(t)=U>c>J>o>(z)cos(27пF>r>)t + U>c>£ J>n>(z) cos27п(Fс + n)t + Uс £cos2п(FС Гм )t,
n-l n-1
J0(z),J (z) — функції Бесселя нульового і л-го порядку від аргументу z = М.
У приведеному вираженні, як і у випадку АМ-сигнала, перший доданок називається несучим коливанням, другий доданок — гармонійними складової верхньої бічної смуги частот, третє — складової нижньої бічної смуги частот. Кількість верхніх і нижніх бічних частот теоретично нескінченно. Практично ж при великих значеннях М складові, починаючи приблизно з n = М+ 1, можна не враховувати.
Осцилограма Чм-коливання, отримана при індексі модуляції М = 5, приведена на мал. 3.12.

Мал.3.12. Осцифалограма ЧМ-коливань.
Керовані джерела програми EWB показані на мал. 3.13. Джерело на мал. 3.13, а являє собою джерело напруги, керований струмом (ИНУТ). У діалоговому вікні цього джерела задається єдиний параметр — коефіцієнт передачі, дорівнює відношенню вихідної напруги до струму керування; параметр має розмірність опору. Для джерела струму, керованого напругою (ИТУН, мал. 3.13, б), цей параметр має розмірність провідності, оскільки коефіцієнт передачі дорівнює відношенню вихідного струму до напруги керування.
Джерела на мал. 3.13, у, м являють собою джерела напруги і струму, керовані відповідно напругою і струмом (ИНУН і ИТУТ). Коефіцієнт передачі цих пристроїв — величина безрозмірна.

а) б) в) г) д)
Мал.3.13. Керуємі джерела напруги і струму.


Мал.3.13. Схеми включення поліномінального джерела.
Вихідний сигнал керованого джерела на мал. 3.13, д визначається поліноміальною функцією. Для більш детального знайомства з таким джерелом розглянемо деякі схеми їхнього включення (мал. 3.14). Перша (верхня) схема виконує підсумовування напруг VI і V3, середня схема — множення однойменних напруг, а нижня підносить до кубічну степеня напруга VI.
Вихідна напруга розглянутого джерела описується поліномом наступного виду:
Y=A+B*V1+C*V2+D*V3+E(V1)2+F*V1*V2+G*V1*V2+H(V2)+I*V1*V2+J(V3)2+K*V1*V2*V3 (3.3)
Коефіцієнти полінома задаються за допомогою вікна(мал.3.15)

Мал.3.15. Значення параметрів поліномінального джерела для піднесення V1 до другого степеня.
Контрольні питання і завдання
Мається джерело напруги 10 В с внутрішнім опором 10 МОм і навантаженням, що змінюється в межах від 10 до 100 Ом. Чи можна таке джерело назвати генератором струму?
Проведіть розрахунок вираження, що складається, (3.1) при U>m> = 2 В и порівняйте отримані результати з даними мал. 3.7.
3. Формула (3.3) отримана шляхом зіставлення даних на мал. 3.14 і значень коефіцієнтів полінома в діалоговому вікні джерела для кожної схеми. Проведіть такий порівняльний аналіз самостійно. Яким іншим, більш простим способом можна одержати формулу (3.3)?
3. Керуючись формулою (3.3), досліджуйте можливі варіанти зведення постійної напруги 3 В в кубічний ступінь, у четвертий і п'ятий ступінь на базі одного поліноміального джерела. Складіть схеми пристроїв і перевірте їхню працездатність.
Складіть схему для дослідження спектрального складу AM- і ЧМ-сигналів.
Результати моделювання зіставте з розрахунковими по формулах (3.2) і (3.2а).
6. Як відомо, потужність у ланцюзі постійного струму визначається за формулою: W = VI = V2/R- Для створення моделі найпростішого ватметра, що реалізує цю I формулу, використовуйте поліноміальне джерело, а в якості що показує I приладу — амперметр W, включений послідовно з навантаженням R = 100 Ом. I
7. Ознайомтеся з утворювачами математичних функцій з використанням керованих джерел (схемний файл math.ca4).
3.2 Індикаторні прилади
Індикаторні прилади програми EWB 3.1 показані на мал. 3.16.
Вольтметри й амперметри забезпечують відлік вимірюваної величини з точністю до третього знака (у EWB 5.0 — до четвертого). Параметри приладів задаються в діалоговому вікні (для вольтметра — на мал. 3.17). У поле першого параметра задається вхідний опір вольтметра, у поле другого — режим виміру постійного (DC) або перемінного (АС) струму. Діалогове вікно для амперметра — аналогічне розглянутому з тією лише різницею, що перший параметр — це внутрішній опір амперметра, що значно менше вхідного опору вольтметра. Негативна клема для підключення цих приладів позначена широкої I чорною смугою і може бути розміщена на будь-якій грані іконки при обертанні зображення компонента (обертання виконується натисканням комбінації клавіш Ctrl + R).

Мал.3.16. Індикаторні прилади.

Мал.3.17. Вікно установки параметрів вольтметра.
7-сегментний цифровий індикатор — модель широко використовуваних у цифровій техніці алфавітно-цифрових індикаторів. Параметри індикатора задаються в діалоговому вікні (мал. 3.18), у якому перший параметр — максимальне значення вхідної напруги, другий — його мінімальне значення, третій і четвертий параметри — час затримки переключення при переході від низького (мінімального) рівня вхідної напруги до верхнього (максимальному) і навпаки, п'ятий пари* метр — гранична вхідна напруга, при якому починається світіння. Вітчизняними аналогами таких приладів є індикатори типу АЛС, ЗЛС і ін.
Чотирьохвхідний індикатор відрізняється від розглянутого наявністю вбудованого дешифратора, що дозволяє підключати його безпосередньо до виходів двійково-десяткових лічильників з кодом 8-4-2-1. Правий висновок такого індикатора - молодший або нульовий розряд, при його активізації на індикаторі висвічується 1. Лівий висновок індикатора — старший або третій розряд, при його активізації відображається цифра 8. Якщо сигнал логічної одиниці подати на усі входи індикатора, то буде відображатися буква F, що позначає в шістнатцятірковій системі числення десяткове число 15 (сума чисел 8, 4, 2 і 1). При всіх можливих комбінаціях вхідних сигналів на індикаторі можна відображати числа 0...9 і букви А, У, З, D, Е и F. Вітчизняними аналогами таких приладів є індикатори типу 490ИП1, 490ИП2 з тією відмінністю, що вони можуть відображати тільки цифри .
Світлодіод — параметри цього індикатора будуть описані при розгляді напівпровідникових діодів.

Мал.3.18. Вікно установки параметрів 7-сегментного індикатора

Мал.3.19. Вікно установки параметрів звукової сигналізації.

Мал.3.20. Вікно установки параметрів лампи розжарення.
Запобіжник — модель плавкого запобіжника, спрацьовування якого при заданому струмі супроводжується проваллям на його значку зиґзаґоподібної перемички між вихідними затискачами.
Логічний пробник — характеризується напругою спрацьовування 2,4 В, що відповідає мінімальному значенню сигналу логічної одиниці цифрових Із ТТЛ-серії (з живленням +5 В). Спрацьовування супроводжується червоним або синім світінням.
Звукова сигналізація (зумер) — параметри задаються в діалоговому вікні (3.19), у якому перший параметр — частота сигналу, подаваного на гучномовець комп'ютера, два інших — напруга і струм спрацьовування.
Лампа розжарення характеризується потужністю і номінальною напругою_(3.20). Напруга, при якому лампочка запалюється, приблизно дорівнює половині номінального. При напрузі, що перевищує номінальне на невелику величину, лампочка перегоряє і ланцюг обривається, тобто цей компонент може бути використаний також як запобіжник, що спрацьовує при заданих значеннях напруги і струму, рівного відношенню потужності до напруги.
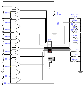
Десятисегментний індикатор містить лінійку з десяти незалежних індикаторів, параметри яких встановлюються в діалоговому вікні (мал. 3.21), де перший параметр — напруга спрацьовування, другий і третій — номінальний і мінімальний струм. Вітчизняними аналогами цього індикатора є так називаємі шкальні індикатори типу ЗЛС317, ЗЛС343А, ЗЛС362 і ін. [36].

Мал.3.21. Вікно установки параметрів 10-сегментного індикатора.

Мал.3.22. Схема включення десятисегментного індикатора.
Приклад використання 10-сегментного індикатора приведений на мал. 3.22. Ця схема в трохи зміненому виді запозичена з каталогу готових схем програми EWB. Вона містить 10 компараторів напруги на ОУ (див. роздягнув 10.7). На один вхід кожного ОУ подається опорна напруга, формоване джерел напруги Uo і дільником на резисторах R1...R11. Другі входи всіх ОУ об’єднані і підключені до виходу функціонального генератора, використовуваного в режимі синусоїдальних або трикутних коливань з постійною складовою. Амплітуда вихідного сигналу вибирається рівною Uo/2, частота — близько 1 Гц. Виходи ОУ підключені до сегментів індикатора, додаткові резистори R12...R21 служать для установки струму через кожен сегмент.
Після включення джерела харчування (початок моделювання) вихідна напруга функціонального генератора порівнюється з опорним. Це приводить до послідовного спрацьовування компараторів, що фіксується індикатором і візуально сприймається в такий же спосіб, як і індикація рівня в аудіосистемах (безупинно і синхронно з рівнем голосності світіння, що переміщається по довжині індикатора,).
Принцип роботи розглянутої схеми використаний в іншому десятисегментного індикаторі (мал. 3.16), у якого всього два висновки. Параметри індикатора задаються в діалоговому вікні (мал. 3.23), у якому перший параметр визначає напруга спрацьовування першого (нижнього) сегмента, другий — напруга спрацьовування верхнього (десятого) сегмента. Для визначення напруги спрацьовування інших сегментів можна скористатися простою схемою, що складається з послідовно включених індикатора і джерела постійної напруги. Змінюючи напругу джерела, неважко визначити напруга спрацьовування кожного сегмента візуальним контролем за його світінням.

Мал.3.23. Установка параметрів 10-сегментного індикатора.
Контрольні питання і завдання
Визначите напруги спрацьовування кожного сегмента 10-сегментного індикатора при вихідних даних, зазначених на мал. 3.23. Встановіть характер залежності напруги спрацьовування від номера сегмента.
Використовуючи схему на мал. 3.24, визначите струм I, при якому лампочка L перегоряє при різних значеннях припустимої потужності.

Мал.3.23. Застосування лампи розжарення в якості запобіжника.
Складіть схему з джерела постійної напруги і логічного пробника. Змінюючи напругу джерела, встановіть напругу спрацьовування пробника з точністю до десятих часток вольта.
Складіть схему, що складається зі звукового сигналізатора (зумера), джерела постійної напруги, резистора, амперметра і вольтметра. Переконаєтеся в правильності спрацьовування звукової сигналізації при встановлених у діалоговому вікні значеннях струму і напруги спрацьовування.
5.Яка кількість амперметрів і вольтметрів можна використовувати в моделюємій схемі?
6. Проведіть випробування семисегментного індикатора (схемний файл 7segdemo.ca4).
7. Практична конструкція запобіжників являє собою найчастіше трубчастий скляний або керамічний корпус з металевими ковпачками-клемами на торцях, до яких припаюється протягнена в порожнині корпуса тонкий дріт, матеріал і діаметр якої визначає струм плавлення. При діаметрі d = 0,02...0,2 мм струм плавлення визначається формулою I = (d - 0,005)/k, [А], у якій коефіцієнт до = 0,034 — для міді; 0,05 — для латуні; 0,07 — для константану; 0,127 — для заліза [45]. Для більш товстих провідників струм плавлення I = m(d3)1/2, [А], де m = 80 — для міді; 24,6 — для заліза; 12,8 — для олова. Оскільки розплавлювання супроводжується своєрідним вибухом і розбризкуванням розплавленого металу, то зі збільшенням струму і відповідно діаметра проводу діаметр захисного трубчастого корпуса збільшується для запобігання його руйнування. Розрахуйте струм плавлення мідних дротів діаметрами 1,3;2,2;3;4,5;7і10 мм.
3.3 Комутаційні пристрої
Під комутаційними пристроями (КУ) розуміються пристрої, що стрибкоподібно змінюють значення своїх параметрів при визначеному (граничному) значенні керуючого сигналу. У пристроях, призначених для комутації електричних ланцюгів, це реалізується практично миттєвою зміною електричного опору або провідності їхніх виконавчих систем (безпосередньо комутуючих елементів). Комутаційні пристрої програми EWB 3.1 представлені на мал. 3.25 (зведення по реальних пристроях — у розд. 13.5).
Пристрій на мал. 3.25, а — перемикач типу однополюсного тумблера, керованого натисканням призначеної клавіші клавіатури (за замовчуванням клавіші Space — пробіл). Ім'я клавіші встановлюється в діалоговому вікні (мал. 3.26).

а) б) в) г) д)
Мал.3.25. Комутаційні пристрої.

Мал.3.26. Вікно установки клавіші управління ключем.
КУ на мал. 3.25, б — реле часу (перемикач із програмувальним часом перемикання). Його параметри задаються в діалоговому вікні (мал. 3.27), де параметр Топ — час включення розімкнутого у вихідному стані контакту після початку моделювання; параметр Toff — час вимикання (переклад контактів у початковий стан), цей час також відраховується від моменту початку моделювання.
Як приклад використання програмувального КУ розглянемо схемі >ис. 3.28. Вона містить джерело живлення U = 5 В, два перемикачі SI, S2 і алфавітно-цифровий індикатор. Параметри перемикачів обрані наступної для перший Топ = 3 з, Toff = 10 з; для другий Топ = 6 з, Toff =15 с. Після включення живлення (початок моделювання) сигнал логічної одиниці (+5 В) буде поданий на висновки 0 і 2 індикатори. Оскільки індикатор працює в коді 8-4-2-1, то при цьому висвічується цифра 5 (сума чисел 4 і 1). Через 3 із ключ S1 переводиться у верхнє положення і сигнал +5 В подається на вхід 3 — займе цифра 9 (сума чисел 8 і 1). Оскільки початок відліку для всіх проміжків часу однаково, те через 3 зі спрацює перемикач S2, у результаті чого сигнал +5 В буде поданий на вхід 1 — займе буква А (шістнатцятірковій еквівалент десяткової цифри 10 = 8 + 2). Потім через 4с спрацює перемикач S1, у результаті чого напруга +5 В буде подана на вхід 2 і займе цифра 6 (сума 4 + 2). І нарешті через 5 зі спрацює перемикач S2, і схема повернеться у вихідний стан.
КУ на мал. 3.25, у, м — однополюсні вимикачі, керовані напругою або струмом. Параметри ланцюга керування задаються в діалоговому вікні на мал. 3.29 (для компонента на мал. 3.25, в), де перший параметр — напруга включення, другий — напруга вимикання (для компонента на мал. 3.25, м — струм включення і вимикання відповідно).
Як приклад розглянемо схему на мал. 3.30. У ній маються дві керованих напруги ключа SI, S2.

Мал.3.27. Вікно установки параметрів реле часу.

Мал.3.28. Схема з програмувальним КУ.

Мал.3.29. Вікно установки параметрів КУ, який керується напругою.
Керування ключами здійснюється від функціонального генератора, вихідна напруга якого контролюється осцилографом. У силовій частині схеми використане джерело напруги U, логічний пробник Р и лампочка L. Параметри ланцюга керування ключів обрані в такий спосіб: для першого ключа Uon = 1 В, Uoff = 2 В; для другого ключа Uоп=5 В, Uoff = 7 В. Режим роботи функціонального генератора показаний на мал.3.31, а, осцилограма його вихідної напруги — на мал. 3.31, б. Як видно з осцилограми, генератор дозволяє одержати пилкоподібні однополярні імпульси. З мал. 3.31 видно, що швидкість наростання пилкоподібної напруги складає10 В/с. Якщо розглянути роботу схеми за один період, то включення логічного пробника відбудеться через 0,1 з послу початку формування пилкоподібного імпульсу, оскільки для ключа S1 напруга спрацьовування обрана рівним 1 В ("пройдений шлях" у 1 В потрібно розділити на швидкість 10 В/с). Потім при напрузі 2 В, тобто через 0,1 з, ключ S1 розмикається і логічний пробник вимикається. Коли пилкоподібна напруга досягає 5 В (0,5 з послу початку формування імпульсу), спрацьовує ключ S1, запалюється лампочка і залишається в такому стані 0,2 з, поки пилкоподібний імпульс не досягне значення 7 В, при якому ключ S2 розмикається. Через 0,3 із процес повторюється, оскільки пилкоподібний імпульс досягає свого максимального значення 10 В.

а) б)
Мал. 3.31.Режим роботи функціонального генератора (а) І осцифалограма його вихідної напруги.

Мал.3.32. Вікно установки параметрів електромагнітного реле.

Мал.3.33. Схема включення електромагнітного реле.
Пристрій на мал. 3.25, д — електромагнітне реле з перекидними контактами Параметри його керуючого ланцюга задаються в діалоговому вікні на мал. 3.3: перший параметр — індуктивність котушки реле, другий і третій — струм спрацювання й утримання.
Як приклад на мал. 3.33 приведена схема включення реле з керуванням від КУ (напруга включення 1 В, вимикання 8 В). Для індикації стану контактів реле використовується логічний пробник Р. Другий канал осцилографа підключений у ланцюг живлення обмотки після струмозадаючого резистора Rd. Осцилограми сигналів (другий канал зміщений униз) показані на мал. 3.34 при індуктивності обмотки 0,001 і 0,1 Гн. З порівняння осцилограм видно, що при великій індуктивності в ланцюзі керування спостерігаються загасаючі коливання.

а) б)
Мал.3.33. Осцифалограми напруги на обмотці електромагнітного реле при індуктивності обмотки 0,001Гн (а) і 0,1(б).
3.4 Конденсатори
Конденсатори відносяться до одному з найбільш розповсюджених компонентів РЭА. У програмі EWB 3.1 конденсатори представлені трьома типами (Рис. 3.35, а).
Перший тип охоплює практично всі конденсатори, другий — електролітичні, третій — підстроювальні; значення ємності кожного конденсатора може бути встановлене в межах від 10"' пф до 10' Ф. Ємність підстроювального конденсатора може змінюватися натисканням призначеної користувачем клавіші клавіатури (за замовчуванням — клавіші З), починаючи від максимального значення до мінімального з заданим кроком (від 1 до 100%) (рис. 3.36).
При розрахунку перехідних процесів у програмі використовується схема заміщення конденсатора (мал. 3.35, б), параметри якої визначаються вираженнями [671:
Rc>n>=h/2C; Ic>n>=2C*U>n>/h+I>n>
при чисельному інтегруванні по методу трапецій;
Rc>n>=h/C; Ic>n>=C*U>n>/h
при використанні методу Гіра.
Тут h — збільшення часу на кожнім кроці інтегрування; 1>П> — значення струму еквівалентного джерела на певному кроці; Rc>n>, U>n> і Ic>n> — опір шунтуючого резистора, напруга на конденсаторі і струм на певному кроці.
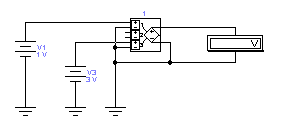
Як приклад розглянемо використовувану на практиці схему ємнісного дільника (мал. 3.37), вихідна напруга якого, вимірюване мультиметром, визначається формулою:
U>0>=U>i>*C1/(C1+C2) (3.4)

а) б)
мал.3.35. Графічне позначення конденсаторів(а) і схема їх заміщення в режимі розрахунку перехідних процесів(б).

Мал.3.36. Вікно установки параметрів підстроювального конденсатора.
Оскільки виміру можна проводити при різній формі напруги функціонального генератора, то при зіставленні результатів розрахунку по формулі (3.4) і результатів моделювання необхідно враховувати, що мультиметр вимірює ефективне значення напруги, що для синусоїдального сигналу складає 0,707 від амплітудного, 0,578 — для трикутного і 1 — для меандру (прямокутний сигнал зі шпаруватістю 2). Розглянемо можливість використання в якості підстроювального конденсатора варікапа — спеціально сконструйованого діода, бар’єрна ємність р-n-перехода якого залежить від зворотної напруги відповідно до формули: *
C>u>=C>i>/(1+U>t>/U>c>)m (3.5)
де С" — ємність переходу при зворотній напрузі U,., З, — ємність при нульовій напрузі, U, — температурний потенціал (при кімнатній температурі він складає 26 мв), m = 0,5 — для різких (сплавних) і 0,333 — для плавних (дифузійних) переходів.
Основний параметр варікапа — ємність С>п> при номінальній напрузі зсуву. Крім того, указуються максимальна С>макс> і мінімальна С>мнн> ємності при мінімальній і максимальній напругах зсуву відповідно. Інколи, в числі характеристик варікапа приводиться коефіцієнт перекриття ємності — відношення максимальної ємності до мінімального.

Мал.3.37. Ємнісний двигун.
Якість конденсатора характеризується добротністю, що визначається як відношення реактивного опору до повного опору втрат діода на заданій частоті. Підвищення добротності досягається шляхом зменшення витоків.

Мал.3.38. Діалогове вікно установки параметрів діодів.
У програмі EWB немає спеціальної моделі варікапа, замість неї можна використовувати модель діода. У перелік параметрів діода входять наступні (див. мал. 3.38, у квадратних дужках приведені позначення параметрів, прийняті в EWB5.0):
Saturation current Is [IS], A — зворотний струм діода (за замовчуванням 1014 А);
Ohmic Resistance rs [RS], Ом — об'ємний опір (від десятків до десятих часток Ом);
Zero-bias junction capacitance Cj [CJO], Ф — бар'єрна ємність р-n-переходу при нульовій напрузі (від одиниць до десятків пф);
Junction potential vj [VJ], У — контактна різниця потенціалів (0,75 В);
Tranzit time х [ТТ], з — час переносу заряду;
Junction grading coefficient m [M] — конструктивний параметр р-n-переходу: див. формулу (3.5), у більшості випадків m = 0,333;
Revers Bias Breakdown Voltage Vbr [BV], У — максимальну зворотну напругу (задається зі знаком мінус, для стабілітронів параметр не нормується).
Для стабілітронів у перелік параметрів включаються:
Zener test current Izt [IZT], A — номінальний струм стабілізації (від одиниць до десятків мА);
Zener test Voltage at Izt Uzt [VZT], У — напругу стабілізації при номінальному струмі стабілізації.

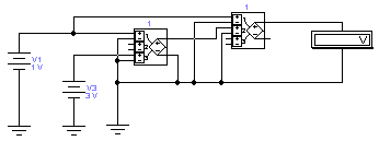
Мал.3.39. Ємнісний дільник з діодом.
Схема ємнісного дільника з використанням діода (мал. 3.39) містить; ланцюг зсуву (ланцюг керування бар'єрною ємністю), що складається з джерела напруги Uc і резистора R, генератор (амплітуда 1 В, частота 1 МГц), мультиметр, еталонний конденсатор З і досліджуваний діод VD типу kl (перейменована модель Ideal для можливості редагування параметрів) з бар'єрною ємністю Ci = 100 пФ при нульовій напрузі на переході. Конденсатори З і Ci утворять ємнісної дільник, вихідне напруга якого визначається вираженням (3.4).
C>i>=C>0>(U>i>/U>0>-1).
За допомогою цього вираження можна визначити ємність.
3.5 Резистори
Резистори є самими масовими виробами електронної техніки. У програмі EWB 3.1 резистори представлені трьома типами — постійним, підстроювальним і набором з восьми резисторів (мал. 3.40).

Мал.3.40. Графічні позначення резисторів.
Зміна опору підстроювального резистора здійснюється по тім же принципі, що і для підстроювального конденсатора (див. мал. 3.41). У наборі резисторів опір встановлюється однаковим для усіх восьми резисторів3.6.
Індуктивні елементи
До індуктивних елементів відносяться котушка постійної індуктивності, що підбудовується котушка індуктивності і трансформатор (див. мал. 3.44, а).
При розрахунку перехідних процесів у програмі використовується схема заміщення котушки індуктивності (мал. 3.44, б), параметри якої визначаються вираженнями [67]:
Rl>n>=2L/h; Il>n>=hU>n>/2L+I>n>
при чисельному інтегруванні по методу трапецій;
Rl>n>=L/h; Il>n>=hU>n>/L
при використанні методу Гіра.
У приведених формулах h — крок збільшення часу; 1>П> -струм еквівалентного джерела на певному кроці; Rl>n>, U>n> і Il>n> — опір шунтуючого резистора, напруга на індуктивності і струм на певному кроці.
Математична модель трансформатора (мал. 3.44, в) містить керовані джерела струму і напруги, за допомогою яких установлюється коефіцієнт трансформації, а також елементи, параметри яких задаються в діалоговому вікні (див. мал. 3.45) [67]. Відповідно до керівництва користувача [67] висновки 2 і 5 при використанні трансформатора повинні бути заземлені, що в деяких випадках істотно знижує можливості його застосування.

а) б) в)
Мал.3.43. Індуктивні компоненти EWB(а), схеми заміщення індуктивності(б) і трансформатора(в).
Параметри котушок з постійною й індуктивністю, що підбудовується, задаються за допомогою діалогових вікон, аналогічних вікнам для конденсаторів і різі рів. У діалоговому вікні установки параметрів лінійних трансформаторів (їх ще 1 називають повітряними) задаються (див. мал. 3.45): коефіцієнт трансформації п, індуктивність розсіювання Le, індуктивність первинної обмотки Lm, опір первинної Rp і вторинної Rs обмоток. При п>1 трансформатор є понижуючої, при п<1 - підвищувальної.
Мал.3.45. Вікно установки параметрів трансформаторів.
3.6 Напівпровідникові діоди
Комбінація двох напівпровідникових шарів з різним типом провідності (р —діркової і n — електронної) має випрямляючі властивості: вона набагато краще пропускає струм в одному напрямку, чим в іншому. Полярність напруги, що відповідає великим струмам, називається прямій, а меншим — зворотної. Звичайно користуються термінами пряма і зворотна напруга, прямій і зворотний струм. Поверхня, по якій контактують р- і n-шари, називається металургійною границею, а прилягаюча до неї область об'ємних зарядів — електронно-дірковим переходом.
Електронно-діркові переходи класифікують по різкості металургійної границі і співвідношенню питомих опорів шарів.
Східчастими переходами (коефіцієнт плавності переходу m = 0,5, у EWB 5.0 має позначення М) називають переходи з ідеальною границею, по одну сторону якої знаходяться дірки, а по іншу — електрони. Такі переходи найбільш прості для аналізу, тому всі реальні переходи намагаються, якщо це можливо, розглядати як східчасті.
Плавними переходами (ш = 0,333) називають такі, у яких в області металургійної границі концентрація одного типу домішки поступово зменшується, а іншого типу — росте. Сама металургійна границя в цьому випадку відповідає рівності концентрацій домішок. Усі реальні р-n-переходи — плавні, ступінь їхнього наближення до східчастого залежить від градієнта ефективної концентрації в районі металургійної границі.
По співвідношенню концентрацій домішок у р- і n-шарах переходи поділяються на симетричні, несиметричні і однобічні. Симетричні переходи не типові для напівпровідникової техніки. Основне поширення мають несиметричні переходи, у яких концентрації не однакові. У випадку різкої асиметрії, коли концентрації домішок (а виходить, і основних носіїв) розрізняються на один-два порядків і більш, переходи називають однобічними.
Вольт-амперна характеристика р-n-перехода описується вираженням [12]:
I=I>0>(exp(U/U>t>-1) (3.7)
де i — струм через перехід при напрузі U, 1>ОБ> — зворотний струм, U>t> — температурний потенціал, рівний при кімнатній температурі 26 мв.
Якщо до переходу підключити зворотна напруга, то при визначеному його значенні перехід пробивається. Розрізняють три види пробою: тунельний, лавинний і тепловий. Перші два зв'язані зі збільшенням напруженості електричного поля в переході, а третій — зі збільшенням потужності, що розсіюється, і, відповідно, температури.
В основі тунельного пробою лежить тунельний ефект, тобто "просочування" електронів крізь тонкий потенційний бар'єр переходу. В основі лавинного пробою лежить "розмноження" носіїв у сильному електричному полі, що діє в області переходу. Електрон і дірка, прискорені полем на довжині вільного пробігу, можуть розірвати одну з ковалентних зв'язків напівпровідника. У результаті народжується нова пара електрон-дірка і процес повторюється вже за участю нових носіїв. При досить великій напруженості полючи, коли вихідна пара носіїв у середньому породжує більш однієї нової пари, іонізація здобуває лавинний характер, подібно самостійному розрядові в газі. При цьому струм буде обмежуватися тільки зовнішнім опором. Явище пробою знаходить практичне застосування в стабілітронах — приладах, призначених для стабілізації напруги.
В основі теплового пробою лежить саморозігрів переходу при протіканні зворотного струму. З ростом температури зворотні струми різко зростають, відповідно збільшується потужність, що розсіюється в переході; це викликає додатковий ріст температури і т.д. Як правило, тепловий пробій не має самостійного значення: він може початися лише тоді, коли зворотний струм уже придбав досить велику величину в результаті лавинного або тунельного пробою.
Раніше (у розд. 3.4) ми вже говорили про бар'єрну ємність. Її прийнято розділяти на дві складові: бар'єрні ємності, що відбиває перерозподіл зарядів у переході, і дифузійну ємність, що відбиває перерозподіл носіїв у базі. Такий поділ у загальному умовно, але воно зручно на практиці, оскільки співвідношення обох ємностей по-різному при зміні полярності прикладеної напруги. При прямій напрузі головну роль грають надлишкові заряди в базі і, відповідно, дифузійна ємність. При зворотній напрузі надлишкові заряди в базі мала і головна роль грає бар'єрна ємність. Обидві ємності нелінійні: дифузійна ємність залежить від прямого струму, а бар'єрна — від зворотної напруги.
Набір параметрів, що задаються, для діодів у EWB 5.0 помітно більше в порівнянні з EWB 3.1. Діалогове вікно для завдання параметрів діодів у EWB 5.0 складається з двох однакових по зовнішньому вигляді закладок (перша з них показана на Рис. 3.49), за допомогою яких можна додатково (у порівнянні з вікном на Рис. 3.38) задати наступні параметри:
N- коефіцієнт інжекції;
EG - ширина забороненої зони, ев; (для германія — 0,72 эв, для кремнію — 1,1 эв); FC - коефіцієнт нелінійності бар'єрної ємності прямо зміщеного переходу; BV - напруга пробою (позитивна величина, у EWB 3.1 вона прийнята негативної), У; для стабілітронів замість цього параметра використовується параметр VZT — напруга стабілізації;
IBV — початковий струм пробою при напрузі BV (позитивна величина), А; Для стабілітронів замість цього параметра використовується параметр IZT — початковий струм стабілізації;
XTI — температурний коефіцієнт струму насичення; KF — коефіцієнт фліккер-шума;
AF — показник ступеня у формулі для фліккер-шума; TNOM — температура діода, °С.

Мал.3.49. Діалогове вікно параметрів діодів.

а) б) в) г)
Мал.3.50. Еквівалентні схеми діода при розрахунку на постійному струмі(а), в діапазоні частот (б,в) і схема для дослідження прямої гілки ВАХ(г).
Еквівалентні схеми діода показані на мал. 3.50, а, б, на яких позначено: А — анод, ДО — катод, I — джерело струму, Rs — об'ємний опір, З — ємність переходу, Gmin — провідність, обумовлена витоками (у EWB 5.0 задається в діалоговому вікні, див. мал. 1.17). Вольт-амперна характеристика <ВАХ) діода визначається наступними виразами [67]:
для прямої галузі
I=I>0>(exp(U/(N*U>t>))-1)+U*G>min >для U≥-5N*U>t>;
для зворотньої гілки
I=I>0>(exp(U/(N*U>t>))-1)+U*G>min>> >для 0≥U≥-5N*U>t>;
I=-I>0>+U>ч>*G>min >для -BV<U<-5N*U>t>;
I=-IBV для U=-BV;
I=I>0>{exp(-(U+BV)/(N*U>t>)))-1)+BV/U>t>> >для U<-BV}.
Тут I>О> = I>s> — зворотний струм діода при температурі TNOM; N — коефіцієнт інжекції; BV, IBV — напруга і струм пробою; U, — температурний потенціал переходу; U — напруга на діоді.
При розрахунку перехідних процесів використовується еквівалентна схема діода (див. Рис. 3.50, б), для якої ємність переходу визначається за допомогою виражень [67]:
С=τ(di/dU)+CJO(1-U/U>t>)-m для U<FC*VJ;
С=τ(di/dU)+CJO(F3-mU/Ut)/F2 для U≥FC*VJ;
У приведених формулах т — час переносу заряду; CJO — бар'єрна ємність при нульовому зсуві на переході; VJ — контактна різниця потенціалів; m = 0,33...0,5 — параметр переходу.
При малих рівнях сигналів використовується линеалізована еквівалентна схема (мал. 3.50, в), на якій провідність G = dl/d = I>o>exp(U/(NU>t>))/(NU>t>). При цьому ємність переходу визначається формулами [67]:
С=τG+CJO(1-U/U>t>)-m для U<FC*VJ;
С=τG+CJO(F3-mU/Ut)/F2 для U≥FC*VJ;
Дослідження прямої галузі ВАХ діодів може бути проведене за допомогою схеми на мал. 3.50, м. Вона складається з джерела струму I, амперметра А (можна обійтися і без нього, оскільки регістрований струм точно дорівнює що задається), досліджуваного діода VD і вольтметра V для виміру напруги на діоді.
а)
б)


Мал.3.51. Схема характеріографа (а), отримана на ньому ВАХ діода (в) і схема для дослідження його зворотньої гілки.
Процес дослідження ВАХ може бути автоматизований за допомогою характеристик осцилографа (мал. 3.51, а, в), у якому формування зображення ВАХ виконується в режимі розгорнення В/А осцилографа, при цьому використовуються сигнал з функціонального генератора і з навантаження діода.
Для дослідження зворотної галузі ВАХ діода використовується схема I див. мал. 3.51, б. У ній замість джерела струму використовується джерело напруги \]\ I із захисним резистором Rz для обмеження струму через діод у випадку його пробою.
Крім одиночних діодів, у бібліотеці EWB мається також діодний місток, I для якого можна додатково задати коефіцієнт емісії N (Emission I Coefficient). Світлодіод — спеціально сконструйований діод, у якому передбачена можливість висновку світлового випромінювання з області переходу крізь прозоре вікно в корпусі.
При проходженні через діод струму в прилягаючим до переходу областях напівпровідника відбувається інтенсивна рекомбінація носіїв зарядів — електронів і дірок. Частина вивільнюваної енергії виділяється у виді квантів світла. У залежності від ширини забороненої зони напівпровідника випромінювання може мати довжину хвилі або в області видимого світла, або невидимого інфрачервоного випромінювання. Випромінювання переходів на основі арсеніду галію має довжину хвилі близько 0,8 мкм. Переходи з карбіду кремнію або фосфіду галію випромінюють видиме світло в діапазоні від червоного до блакитного кольору. Найважливішими параметрами світлодіода є яскравість, вимірювана в нітах при визначеному значенні прямого струму, і колір світіння (або спектральний склад випромінювання). Для світлодіода додатково вказується мінімальний струм у прямому напрямку Turn-on current (Ion), при перевищенні якого світлодіод запалюється. Для виміру ВАХ світлодіодів можна використовувати приведені вище схеми. Перемикаючі діоди з р-п-р-п- або п-р-п-р-структурами — це тірістори [86]. Тиристори, що мають висновки від крайніх електродів, називають діністорами, а прилади з третім висновком (від одного із середніх електродів) — тріністорами. Крім того, до класу тірісторів відносяться сімістори — симетричні діністори (діаки), симетричні тріністори (тріаки) і досить рідкий тип діністора — діод Шоклі, у якому структура п-р-п організована за рахунок наявності в р-гс-переході пасток, формованих шляхом легування. На мал. 3.52 приведені позначення перемикаючих діодів, моделі яких маються в програмі EWB 3.1: (ліворуч праворуч) діод Шоклі, симетричний діністор (діак, двохнаправлений діністор), тріністор (тріодний тірістор) і симетричний тріністор (тріак, сімістор).

Мал.3.52. Діоди, які самі перемикаються.
Для перемикальних діодів задаються значення наступних параметрів (для EWB 5.0 їхні позначення вказуються в квадратних дужках):
Saturation current Is [IS], A — зворотний струм діністора;
Peak Off-state Current Idrm [IDRM], A — те ж, але для тріністора;
Switching Voltage Vs [VS], У — напругу, при якому діністор переключається у відкритий стан;
Forward Breakover Voltage Vdrm [VDRM], У — те ж, але для тріністора при нульовій напрузі на керуючому електроді; Peak On-State Voltage Vtm [VTM], У — спадання напруги у відкритому стані; Foward Current at wich Vtm is measured Itm [ITM], A — струм у відкритому стані;
Turn-off time Tg [TG], з — час переключення в закритий стан; Holding current Ih [IH], A — мінімальний струм у відкритому стані (якщо він мень-ші встановленого, то прилад переходить у закритий стан);
Critical rate of f-state Voltage rise dv/dt [DV/DT], У/мкс — припустима швидкість зміни напруги на аноді тринйетора, при якому він продовжує залишатися в закритому стані (при більшій швидкості тріністор відкривається); Zero-bias junction capacitance Cj [CJO], Ф — бар'єрна ємність діністора при нульовій напрузі на переході;
Gate Trigger Voltage Vgt [VGT], У — напругу на керуючому електроді відкритого тринйетора;
Gate Trigger current Igt [IGT], A — струм керуючого електрода; Voltage at which Igt is measured Vd [VD], У — напругу, що відмикає, на керуючому електроді.
Перераховані параметри можна задати за допомогою діалогових вікон, аналогічних приведеному на мал. 3.53 для тринйетора.
Дослідження прямої гілки ВАХ тринйетора можна проводити з використанням схеми (мал.3.54), на якій показані джерела вхідної напруги Ui.

Мал.3.53. Діалогове вікно установки параметрів тріністора.

Мал.3.53. Схема для дослідження тріністорів.
3.7 Цифрові мікросхеми
Напівпровідникова електроніка бере свій початок у 1948 р., коли групою розробників фірми Bell був створений перший транзистор. Через 11 років інженерами фірми Texas Instruments була розроблена перша мікросхема, що складалася усього із шести транзисторів, а в 1971 р. нині всесвітньо відома фірма Intel розробила перший 4-розрядний мікропроцесор 4004, що містив більш 2000 транзисторів. Надалі мікромініатюризація електронних компонентів досягла таких темпів, що це послужило приводом для досить образного порівняння в журналі Sientific American (1982 р.): "Якби авіапромисловість в останні 25 років розвивалася настільки ж стрімко, як і промисловість засобів обчислювальної техніки, то зараз літак "Боїнг-767" коштував би 500 доларів і робив обліт земної кулі за 20 хвилин, затрачаючи при цьому 5 галонів палива". Разючі результати, досягнуті в мікроелектроніці, стали можливі завдяки не тільки новітнім напівпровідниковим технологіям, але і величезному багажеві схемотехнічних рішень, накопиченому протягом десятиліть багатомільйонною армією розроблювачів. Незважаючи на вражаючу уяву кількості транзисторів, зібраних на малюсіньких напівпровідникових кристалах, варто все-таки пам'ятати, що вони являють собою набори з найпростіших елементів, до розгляду яких ми і перейдемо.
У залежності від технології виготовлення інтегральні мікросхеми (ІМС) підрозділяються на серії (сімейства), що розрізняються фізичними параметрами базових елементів і їхнім функціональним призначенням. Найбільше поширення одержали ІМС, виготовлені по ТТЛ- і КМДН-технологіям. (ТТЛ — транзисторно-транзисторна логіка з використанням біполярних транзисторів, КМДН — з використанням комплементарних МДН-транзисторів).
Першої була випущена ТТЛ-серія SN74/SN54 (74 — комерційна, 54 — для військових застосувань). Вітчизняним аналогом серії SN74 стала популярна у свій час серія 155. У 1967 р. додатково розроблені сімейства SN74H/54H (High speed — швидкодіюча, вітчизняні аналоги — серії 131 і 130) і SN74L/54L (Low power — малопотужна, аналоги — серії 158 і 136).
У 1969 р. розроблена серія SN74S/54S (серії 531 і 530), у 1971 р. — серія SN74LS/54LS (серії 555 і 533), у 1979 р. — серія SN74F/54F фірми Fairchild (FAST — Fairchilds Advanced Schottky TTL, серія 1531), у 1980 р. — серія SN74ALS/54ALS (серія 1533), у 1982 р. — серія SN74AS/54AS (у позначеннях серій S — Schottky, LS — Low power Schottky, ALS — Advanced Low power Schottky, AS — Advanced Schottky, Advanced — удосконалена). Використання діодів з бар'єром Шоткі дозволило значно підвищити швидкодію ІМС за рахунок запобігання глибокого насичення транзисторів у ключовому режимі. Приємною для розроблювача особливістю всіх перерахованих серій є повне співпадання номерів висновків і позначення типу для ІМС однакового функціонального призначення. Наприклад, якщо SN7472 — JK-тригер, то позначення 72 буде присутнє для нього у всіх серіях. Цей же принцип використовується й у вітчизняних ІМС, хоча тип тут позначається буквами. Помітимо, що в EWB 5.0 для всіх цифрових IC уведена нумерація висновків, що істотно полегшує задачу визначення їхнього функціонального призначення при зіставленні з вітчизняними аналогами.
У бібліотеці програми EWB використовується тільки серія SN73. У число дактуючих параметрів цифрових ІМС входять наступні (у дужках приводяться позначення для EWB 3.1):
VOH, VOL — верхній і нижній рівні вихідного сигналу (напруга логічної одиниці і логічного нуля); у EWB 3.1 ці параметри відсутні;
VIH (Vih), VIL (Vil) — верхній і нижній рівні вхідного сигналу;
TPLH (Tplh) — затримка поширення сигналу при включенні (звичайно дає на рівні 1,0);
TPHL (Tphl) — затримка при вимиканні (на рівні ОД); VTG (Vth) — середня напруга спрацьовування.
Для полегшення роботи з бібліотекою нижче приводиться список вітчизняних аналогів серії SN74 (для стислості деякі повторювані символи опущені):
4 елементи 2І-НІ (цифра 2 означає двовхідний); 4 елементи 2АБО-НІ;
4 елементи 2І-НІ з відкритим колектором (дозволяють підключати навантаження з живленням більш високовольтного джерела живлення);
6 елементів НІ;
6 елементів НІ з відкритим колектором;
6 елементів НІ з відкритим колектором;
6 буферних елементів з відкритим колектором;
4 елементи 2І;
4 елементи 2І с відкритим колектором;
3 елементи ЗІ-НІ;
3 елементи ЗІ;
3 елементи ЗИ-НІ з відкритим колектором;
6 тригерів Шмітта з інверсією (мають підвищену перешкодозахищеність);
6 буферних елементів НІ;
6 буферних елементів з відкритим колектором;
2 елементи 4І-НІ;
2 елементи 4І;
2 елементи 4І-НІ з відкритим колектором;
2 елементи 4І-НІ з входом стробирования;
4 елементи 2І-НІ з відкритим колектором;
4 елементи 2АБО-НІ;
елемент 8І-НІ;
4 елементи 2АБО;
4 елементи 2І-НІ з відкритим колектором;
4 елементи 2І-НІ з відкритим колектором;
2 елементи 4І-НІ з підвищеною навантажувальною здатністю;
7442 555ИД6 дешифратор 4x10 (декодування 4-розрядного двійкового числа в десяткове);
7451 155ЛР11 елементи 2-2І-2АБО-НІ (2 елементи 2І, виходи яких підключені на кристалі ІМС до елемента 2АБО-НІ) і 2-ЗІ-2АБО-НІ (аналогічно для 2-ЗИ);
7454 155ЛР13 елемент 2-3-3-2І-4АБО-НІ (2 елементи 2І и 2 елементи ЗИ об’єднані через 4АББО-НІ);
7455 155ЛР4 Елемент 4-4І-2АБО-НІ (2 елементи 4І об'єднані через 2АБО-НІ) з можливістю об'єднання по АБО (вихідний каскад елемента 2ИЛИ-НІ має додаткові входи транзистора З — Collector і Е — Emitter, що і дозволяє здійснити об'єднання по АБО);
7472 155ТВ1 JK-тригер з елементом ЗИ на входах;
155ТМ2 2 D-тригери;
155ТМ7 4 D-тригери з прямими й інверсними виходами;
155ТВ7 2 JK-тригери;
155ТМ5 4 D-тригери з прямими виходами;
134ТВ14 два JK-тригери;
7486155ЛП5 4 елементи що Виключає АБО;
155ИЕ2 4-розрядний асинхронний двійково-десятковий лічильник;
134ИР2 8-розрядний зміщуваний регістр;
155ИЕ4 4-розрядний асинхронний лічильник-дільник на 12;
7493155ИЕ5 4-розрядний асинхронний двійковий лічильник;
74107155ТВ6 2 JK-тригери з роздільною установкою нуля;
74109155ТВ15 2 JK-тригери;
74112 155ТВ9 2 JK-тригери;
74113 155ТВ10 2 JK-тригери з предустановкою нуля або одиниці;
74114 55ТВ11 2 JK-тригери з предустановкою нуля або одиниці і загальним пронуленням;
74125 155ЛП8 4 буфера з трьома станами;
74126155ЛП14 4 формуавтеля з трьома станами;
74132155ТЛЗ 4 тригери Шмітта;
74134155ЛА19 елемент 12І-НІ з трьома станами;
74138155ИД7 дешифратор-демультиплексор 3x8;
74139155ИД142 дешифратора-демультиплексора 2x4;
7414555ИД10 двійково-десятковий дешифратор з відкритим колектором;
74147555ИВЗ пріоритетний шифратор 10-4;
74148155ВЕРБ1 шифратор пріоритетів 8x3;
74150 155КП1 селектор-мультиплексор 16x1;
74151 155КП7 селектор-мультиплексор 8
74 152 155КП5 селектор-мультиплексор 8
74153 155КП2 2 селектора-мультиплексора 4х2.
74154 155ИДЗ дешифратор-демультиплексор 4x16;
74155 155ИД4 2 дешифратора-мультиплексора 2x4;
74156 555ИД5 2 дешифратора-демультиплексора 2x4 з відкритим колектором
74157 533КП16 4-розрядний селектор-мультиплексор 2x1;
74158 1533КП18 4-розрядний селектор-мультиплексор 2x1 з інверсією; 74160 155ИЕ9 4- розрядний синхронний двійково-десятковий лічильник;
74162 1533ИЕ11 4-розрядний синхронний десятковий лічильник;
74163155ИЕ18 4-розрядний синхронний реверсивний двоїчно-десятковийлічильник;
74164 155ИР8 8-розрядний регістр зрушення з рівнобіжними виходами;
74165 555ИР9 8-розрядний регістр зрушення з рівнобіжним введенням інформації;
74166 555ИР10 8-розрядний регістр зрушення із синхронним рівнобіжним уведенням;
74169155ИЕ17 4-розрядний двійково- синхронний реверсивний лічильник;
74173 155ИР15 4-розрядний регістр із трьома станами;
74174 155ТМ9 6 D-тригерів;
74175 155ТМ8 4 D-тригери; 74181 155ИПЗ 4-розрядне АЛУ;
74191 155ИЕ13 синхронний реверсивний двійковий лічильник;
74192 155ИЕ6 двійково-десятковий реверсивний лічильник;
74194 155ИР11 4-розрядний універсальний регістр зрушення;
74195 155ИР12 4-розрядний регістр зрушення з рівнобіжним уведенням;
74198 155ИР13 8-розрядний універсальний регістр зрушення;
74240 155АПЗ 8 буферів з інверсією і трьома станами;
74241 155АП4 8 буферів із трьома станами; 74244 155АП5 2x4 буферів із трьома станами;
74251 155КП15 селектор-мультиплексор 8x1 із трьома станами;
74253 155КП12 2 селектора-мультиплексора 4x1 із трьома станами;
74257 155КП11 4 селектора-мультиплексора 2x1 із трьома станами;
74258 155КП14 4 селектора-мультиплексора 2x1 із трьома станами й інверсією;
74273 155ИР35 8-розрядний регістр з установкою нуля;
74279 555ТР2 4 RS-тригера-засувки;
74280 1533ИП5 9-розрядна схема контролю парності;
74283 155ЇМ6 4-розрядний повний суматор із прискореним переносом;
74298 155КП13 4 2-вхідних мультиплексора з запам'ятовуванням;
74353 555КП17 здвоєний мультиплексор 4x1 з інверсією і трьома станами виходу;
74365 155ЛП10 6 повторювачів з керуванням по входах і трьома станами
74367 155ЛП11 6 повторювачів з роздільним керуванням по входах і трьома станами;
174373 155ИР22 8-розрядний буферний регістр із трьома станами і потенціальним керуванням;
74347 155ИР23 8-розрядний буферний регістр із трьома станами й імпульсним керуванням;
174377 155ИР27 8-розрядний регістр із дозволом запису;
74395 533ИР25 4-розрядний рівнобіжний регістр зрушення.
Посилання в цьому переліку на ІМС інших серій викликано їхньою відсутністю в серії 155, однак тут це не має істотного значення, оскільки мова йде тільки з'ясуванні функціонального призначення висновків.
Цифрові ІМС КМДН-серії одержали назву від свого базового елемента,
у якому використовується так називана комплементарна пара з двох МДН-транзисторів різної провідності. Такі ІМС характеризуються малим споживанням потужності в статичному режимі (0,02..Л мквт на вентиль), великим діапазоном живлячих напруга (3...18 У), високим вхідним опором(до десятків Тім), великою навантажувальною здатністю, незначної залежності характеристик від температури, малими розмірами транзисторів у інтегральному виконанні і, як наслідок, більш високим ступенем інтеграції по порівнянні с ТТЛ-мікросхемами.
Перші ИМС по КМДН-технології розроблені фірмою RCA у 1968 р. Ця серія мала назву CD4000 (вітчизняні аналоги — серії 164 і 176), потім пішли серії CD4000A, CD4000B (вітчизняні аналоги — 564, 561 і 1561) а також МС14000А и МС14000В фірми Motorola і 54НС фірми Nationa Semiconductor у 1981 р. (вітчизняний аналог — серія 1564). У програмі EWВ у якості бібліотечних використовуються ІМС фірми RCA, більшість яких приведено в наступному переліку:
4000 176ЛП4 2 елементи З АБО-НІ і І-НЕ;
561ЛЕ5 4 елементи 2АБО-НІ;
561ЛЕ6 2 елементи 4АБО-НІ;
561ЇМ1 4-розрядний повний суматор;
176ПУ2 6 перетворювачів рівня з інверсією;
176ПУЗ 6 перетворювачів рівня без інверсії;
561ЛА7 4 елементи 2І-НІ;
561ЛА8 2 елементи 4І-НІ;
561ТМ2 2 D-тригери;
4015561ИР2 2 4-розрядних зміщуваних регістри;
4017561ИЕ8 десятковий лічильник з дешифратором;
4019561ЛС2 4 елементи І-ІЛІ;
561ЛА9 3 елементи ЗІ-НІ;
176ИЕ1 6-розрядний двійковий лічильник;
1561ЛЕ10 3 елементи ЗАБО-НІ;
561 ТВ1 два JK-тригери;
561ИД1 двійково-десятковий дешифратор;
4030561ЛП2 4 елементи ЩО ВИКЛЮЧАЄ АБО;
4040 1561ИЕ20 12-розрядний двійковий лічильник;
4042 561ТМЗ чотири D-тригери;
4043 561ТР2 чотири RS-тригери;
4049 561ЛН2 6 елементів НЕ;
4050 561ПУ4 6 перетворювачів рівня;
4066 561КТЗ 4 перемикачі (цифрового або аналогового сигналу);
4070 1561ЛП14 4 елементи ЩО ВИКЛЮЧАЄ АБО;
4081 1561ЧИ2 4 елементи 2И;
4502 561ЛН1 6 стробіруємих інверторів;
4516 561ИЕ11 4-розрядний реверсивний лічильник;
4520 561ИЕ10 2 4-розрядних лічильники;
4556 1561ИД7 двійковий декодер-демультиплексор.
Приведемо систему позначень входів і виходів найпростіших логічних елементів, використовуваних у програмі EWB. Позначення для ТТЛ-серії приводяться в перших круглих дужках, для КМДН — у других, при однакових позначеннях — без дужок:
Висновок для живлення — (Ucc), (Udd); Загальний висновок — (GND), (Uss); Висновок не підключений — NC;
Входи —(А, У, С...), (I); Виходи — (Y), (ПРО); Вхід стробіровання — G.
Приведемо приклад позначення послідовності висновків для 2-вхідних логічних елементів:
(1А IB 1Y, 2А 2В 2Y, ЗА ЗВ 3Y, 4А 4В 4Y), (II12 01,13 14 02,15 16 03,17 18 04).
Для більш складних ІМС визначення функціонального призначення їхніх висновків доцільно проводити шляхом зіставлення з вітчизняними аналогами [4—10]. Для більш оперативної орієнтації при роботі з цифровими ІМС приведемо перелік найбільш розповсюджених мнемонічних позначень на їхніх функціональних схемах і в таблицях станів [5, 7].
А = У (Parity) — вихід рівності операндів А і В.
A/S (Asynchro/Synchro) — вхід асинхронного і синхронного режимів.
B/D (Binary/Decimal) — вхід переключення рахунку з двійкового на десятковий.
З (Clock input) — вхід тактових імпульсів.
C>D> (Count down) — вхід тактових імпульсів на зменшення рахунку (у реверсивних лічильниках).
С>с> (Count up) — вхід тактових імпульсів на збільшення рахунку.
СЕ (Clock enable) — вхід дозволу для тактових імпульсів.
СІРИЙ (Count enable parallel) — вхід рівнобіжного нарощування розрядів лічильника.
СЕТ (Count enable trickle) — вхід дозволу рахунку при нарощуванні розрядів лічильника.
CLR (Clear) — вхід скидання.
C>n> (Carry in) — вхід для розряду переносу.
CS (Chip select) — вибір кристала; визначає доступ до однієї з ІМС пристрою.
D (Data input) — вхід даних тригера, лічильника, регістра.
DSI (Data serial input) — вхід послідовних даних.
DS(Data select) — вхід вибору даних.
DL, DR (Data left, Data right) — входи для послідовного завантаження (регістра) ліворуч, праворуч.
DSL, DSR (Data shift left, Data shift right) — входи для зрушення даних вліво, вправо.
Е (Enable) — вхід сигналу дозволу.
ЄС (Enable count) — вхід сигналу дозволу рахунку.
ЇЇ (Enable even) — вхід сигналу дозволу, рахунковий.
El (Enable input) — висновок ІМС, по якому дається дозвіл на прийом даних.
НЕЮ (Enable input/output) — висновок для одночасного дозволу по входу і виходу.
ЕО (Enable output) — висновок для дозволу по виходу.
LSB (Least significant bit) — молодший значущий розряд (МЗР).
М (Mode control) — вибір режиму "Арифметика-логіка" в АЛУ.
РЕ (Parallel enable load) — вхід дозволу рівнобіжного завантаження.
P/S (Parallel/serial) — вхід переключення режимів рівнобіжного або послідовного завантаження.
R (Reset) — асинхронне скидання даних.
RE (Read enable) — вхід дозволу читання.
S (Set) — установка тригера, лічильника, регістра.
S (Set enable) — дозвіл попереднього рівнобіжного запису.
SI (Serial input) — вхід послідовний.
SIR, SIL (Serial input right, SI left) — вхід послідовний праворуч, ліворуч.
SR (Synchro reset) — вхід скидання синхронно з тактовим імпульсом.
ТС (Terminal count) — вихід закінчення рахунка.
TCD (Terminal count down) — те ж, на зменшення рахунка.
TCU (Terminal count up) — те ж, на збільшення рахунка.
Розглянемо базові елементи, з яких набираються самі складні цифрові ІМС.
Схема базового елемента (вентиля) ТТЛ-серії показана на мал. 3.70, а. Вона має три основних каскади: вхідний на транзисторі VT1, фазорозподільний на транзисторі VT2 з можливістю реалізації на ньому функції АБО і вихідний підсилювач на транзисторах VT3 і VT4 [49].
Як транзистор VT1 використовується багатоемітерний транзистор, відсутній у бібліотеці EWB. Принцип дії вхідного каскаду легко зрозуміти, якщо переходи база-емітер представити у виді діодів, як показано на мал. 3.70, б. Тоді очевидно, що якщо вхідні діоди (входи А, В) підключені до шини з високою напругою (3...5 В), те струм резистора R1 потече через коллекторний діод у базу транзистора VT2. Якщо ж хоча б один із вхідних діодів підключений до заземляючої шини або до шини з низькою напругою, то в такий же спосіб, виявиться підключеним і резистор R1. На базі транзистора VT1 при цьому буде низька напруга (перевищуюче вхідне на величину напруги база-емітер) і базовий струм транзистора VT2 стане рівним нулеві.
Таким чином, при високих напругах на обох входах на колекторі транзистора VT1 також буде висока напруга; якщо ж хоча б на один із входів подана близька до нуля напруга, то на колекторі VT1 установиться низька напруга, а це означає, що вхідний транзистор виконує логічну функцію І.
Фазорозподільний каскад виконаний на транзисторі VT2 і резисторах R2, R3,у яких приблизно рівні опори (близько 0,25...0,33 від R1). При цьому насичення транзистора VT2 досягається вже при досить малому коефіцієнті підсилення струму. Коли на всі логічні входи схеми подана висока напруга, через перехід бази-колектора транзистора VT1 у базу VT2 подається керуючий струм, у результаті чого VT2 відкривається. При цьому напруга в точці Е може зрости тільки до напруги база-емітер транзистора VT4, а напруга в точці З (на колекторі VT2) знизиться до значення, рівного сумі напруг відкритих діода VD і транзистора VT3. Якщо хоча б на один з логічних входів подається низька напруга (сигнал логічного нуля), то транзистор VT1 відкривається, відключаючи керуючий базовий струм транзистора VT2, у результаті чого VT2 закривається і через резистори R2, R3 протікає тільки струм витоку, тому напруги в точках Е и С близькі до нуля і Ucc відповідно. Логічна функція АБО може бути реалізована при рівнобіжному з'єднанні двох або більш подібних фазорозподільних каскадів (у точках С і Е).
Основним транзистором вихідного каскаду є транзистор VT3. Коли на входи А, В (мал. 3.70, б) подані висока напруга, транзистори VT2 і VT3 відкриті. У цьому випадку напруга в точці З буде дорівнювати, як зазначено вище, напрузі двох відкритих р-n-переходів. Якщо тимчасово виключити з розгляду транзистор VT4 і розглядати тільки ланцюг, що містить діод VD і транзистор VT3, то напруга в точці S буде нижче напруги в крапці З на величину, рівну напрузі на двох р-n-переходах. При цьому напруга на базі транзистора VT4 буде достатнім (саме за рахунок діода VD) для підтримки його у відкритому стані, тобто на виході S буде діяти напруга, рівне напрузі насичення транзистора VT4 (сигнал логічного нуля).
Якщо хоча б на один із входів вентиля А або В подане низька напруга, то транзистори VT2 і VT4 закриті. Через резистор R2 тече тільки струм витоку транзистора VT2, тому напруга в крапці З близько до напруги харчування Vcc, а потенціал у крапці S нижче потенціалу З на величину спадання напруги на двох відкритих переходах. Спаданням напруги на резисторі R2 від базового струму транзистора VT4 можна зневажити. Таким чином, при наявності хоча б на одному з входів вентиля низької напруги вихідна напруга вентиля нижче напруги живлення на спадання напруги на двох р-n-переходах. У різних серіях ТТЛ використовуються різні схеми вихідних каскадів, однак завжди між шиною Ucc і виходом S мається два послідовно включених р-n-переходи. Резистор R4 служить для захисту транзистора VT3 при закорочуванні виходу S на "землю".
Базовий елемент серії 54/74 (155) (мал. 3.71) небагато відрізняється від розглянутого (мал. 3.70). Основна відмінність полягає в тім, що діод VD включений у емітерний, а не в базовий ланцюг транзистора. На мал. 3.71 показаний також підключений до виходу мультиметр і імітатор вхідного сигналу, виконаний на ключі Z. У положенні ключа, показаному на малюнку, на вході формується сигнал логічної одиниці. При перекладі ключа в інше положення вхід вентиля підключається через резистор Ri до загальної шини, у результаті чого на вході вентиля формується сигнал логічного нуля.

а) б)
Мал.3.70. Базова схема елемента ТТЛ-серії (а) і еквівалентна схема багатоемітерного транзистора(б).

Мал.3.71. Базова схема елемента серії 54/73.

а) б)
Мал.3.73. Базова схема інвертора (а) і елемента АБО-НІ (б) КМДН-серії.
Розглянемо тепер базові елементи ІМС КМДН-серії. Найпростішим елементом цієї серії є КМДН-інвертор, схема якого показана на мал. 3.72, а. Вона складена з КМДН-транзисторів різного типу провідності. Транзистор n-типу підключений джерелом до нульового потенціалу, транзистор р-типу до позитивної шини джерела живлення. Схема реалізує логічну операцію НІ і забезпечує роботу в режимі позитивної логіки. У такому режимі працюють більшість ІМС КМДН-серій.
Для реалізації функції АБО-НІ (мал. 3.72, б) використовується рівнобіжне включення МДН-транзисторів n-типу і послідовне (ярусне) включення транзисторів p-типу. Крім того, кожний із вхідних транзисторів n-типу зв'язаний по затворі з транзистором р-типу. Для реалізації функції І-НІ (мал. 3.73) napaлельно включаються транзистори р-типу і послідовно — транзистори n-типу. При подачі на вхід схеми АБО-НІ сигналу X1 високого рівня відкриється транзистортор VT1 і закриється VT3. У результаті на виході схеми формується низький рівень напруги. При подачі на обидва входи (X1 і Х2) сигналів низького рівня транзистори VT1 і VT2 закриваються, але відкриваються транзистори VT3 і VТ4, у результаті чого на виході схеми напруга буде близькою до напруги живлення Ucc. Таким чином, перезаряд ємності навантаження, що підключається між вихідним затискачом Y і загальною шиною, завжди здійснюється через відкритий транзистор р-або n-типу, що підвищує швидкодію схеми.
Потужність, споживана схемою на КМДП-транзисторах, витрачається в основному під час перехідного процесу на заряд вихідних паразитних ємкостей схеми і власних ємкостей транзистора. Тому зі збільшенням частоти переключення, а також при збільшенні вихідної еквівалентної ємності споживана потужність зростає відповідно до вираження Р>дин> = 2CxFxUсс2 де З — еквівалентна ємність навантаження; F — робоча частота; U>cc> — напруга джерела живлення.
У статичному режимі споживана потужність визначається напругою живлення і струмами витоку закритого МДН-транзистора. Для зменшення потужності, споживаної в динамічному режимі, необхідно в першу чергу знижувати їм навантаження.
Мінімальна напруга живлення схеми на КМДН-транзисторах визначається напругою відмикання р-канального транзистора, тому що воно більше, ніж напруга відмикання n-канального транзистора. Природно, що живлення вибирається більше напруги відмикання. Це забезпечує схемі на КМДН-транзисторах високу завадостійкість і швидкодію.

Мал.3.73. Схема базового елемента І-НІ КМДН-серії.
Схема І-НІ на мал. 3.73 містить імітатор вхідного сигналу на ключах А, В і мультиметр для перевірки правильності функціонування схеми. У положенні перемикачів, показаних на схемі, на входи А, В подаються сигнали логічної одиниці. При цьому транзистори VT1, VT2 будуть закриті, а транзистори VT3, VT4 — відкриті і на виході Y мультиметром буде фіксуватися низький рівень сигналу логічного нуля. Досить один з вимикачів перевести в інше положення й один із двох нижніх транзисторів закриється, при цьому на виході Y буде фіксуватися високий рівень сигналу логічної одиниці, що і відповідає логіці роботи І-НІ.
Контрольні питання н завдання
1. Коли і де були створені перша мікросхема і перший мікропроцесор?
Що із себе представляють ТТЛ- і КМДН-серии цифрових ІМС?
Що дозволило радикально підвищити швидкодію ТТЛ-серії?
У чому полягає розходження в позначеннях цифрових ІКС закордонного й вітчизняного виробництва?
Яку основну перевагу мають цифрові КМДН-мікросхеми в порівнянні з ТТЛ і на яких частотах воно виявляється?
Які функції виконує багатоемітерний транзистор у ІМС ТТЛ-серії?
З опису процесу формування на виході S сигналу логічного нуля в схемі вентиля на мал. 4.70, а не зовсім ясно, у якому стані при цьому знаходиться транзистор VT3 — у відкритому або закритому. Для перевірки необхідно при логічній одиниці на входах А, У виміряти за допомогою мультиметра напругу на колекторі VT3, попередньо переконавшись, що на виході S сигнал логічного нуля. Якщо ця напруга дорівнює Ucc = + 5 В, то це означає, що через резистор R4 струм не тече і, отже, транзистор VT3 закритий. Якщо це так, спробуйте пояснити, чому?
Перевірте правильність функціонування схеми на рис 4.73.