Теория основы построения вычислительных комплексов и систем
Кафедра ЭВА
Отчет по лабораторной работе
по дисциплине:
"Теория основы построения вычислительных комплексов и систем"
Лабораторную работу выполнили
студенты группы С-65
Бобылева А.А.
Овсиенко А.Ю.
Сергеенкова А.А.
Преподаватель Тув А.Л.
Москва 2007 г.
1. Изучение инвертирующей схемы ОУ
Схема:

А). Ключ замкнут на землю. АЧХ снимается при трёх положениях потенциометра:
Ку<1;
Временная диаграмма:
f=10kHz

f=25kHz


Ку>1;

Ку=1

Б). Ключ замкнут на потенциометр.
Ку>1;

Выходной сигнал имеет синусоидальный вид при Uвх=5В, частоте - 100Hz. При увеличении сопротивления происходит обрезание выходного сигнала сверху. Тоже самое происходит при уменьшении, только обрезание сигнала происходит снизу.
2. Изучение неинвертирующей схемы ОУ
Схема:

Временная диаграмма:

При трех положениях движка снять АЧХ:
Ку<1;

Ку>1;

Ку=1.

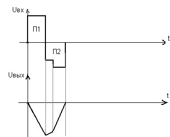
3. Интегратор и дифференциатор. Изучить поведение обеих схем при подаче прямоугольных импульсов
А). Интегратор.
Схема:



;
перейдем от неопределенных интегралов к определенным:
,
следовательно,
зависит от начальных условий.
;
Если
,
то
.

При подаче прямоугольных импульсов.



При подаче гормональных импульсов:
Временная диаграмма:


Б). Дифференциатор.
;
;
;
;
,
приравняем правые части этих уравнений:


Дифференциатор является усилителем высокой частоты (УВЧ).

Если
.
Схема:

При подаче прямоугольных импульсов.
Временная диаграмма:

Схема
дифференциатора склонна к самовозбуждению.
Под самовозбуждением понимается наличие
при


Причина самовозбуждения - инерционность транзистора. Инерционность транзистора ввиду того, что скорость движения основных носителей заряда не бесконечна. Это приводит к тому, что приращения выходных токов транзистора отстают от входных токов.
Особенно это сказывается на высоких частотах.
Эпюры:

Временная диаграмма:

АЧХ:

Подача гормонального сигнала.
Временная диаграмма:


4. Фильтры
А). ФНЧ.
Фильтром низких частот называется электронное устройство, пропускающее низкочастотные составляющие спектра проходящего через него сигнала и ослабляющее высокочастотные.
Схема:

Временная диаграмма:


Б). ФВЧ.
Фильтром высоких частот называют устройство, пропускающее высокие частоты и ослабляющее (срезающее) низкие частоты.
Схема:

Временная диаграмма:

