Усовершенствование охлаждения блока питания
Реферат
Пояснительная записка к дипломному проекту: 65 страниц, 15 рисунков, 11 таблиц, 24 источника, 2 приложения, 3 листа чертежей формата А1.
Объект исследований: усовершенствование охлаждения блока питания
Предмет исследования: блок питания ПК.
В первом разделе рассмотрены общие принципы охлаждения, видов охлаждения ПК и блока питания, более подробно рассмотрены вопросы воздушного охлаждения.
Во втором разделе рассматриваются вопросы усовершенствования охлаждения блока питания ПК.
В третьем разделе выполнен экономический расчет объекта анализа.
В четвертом разделе проведены расчеты вентиляции, природного и искусственного освещения, уровня шума. Полученные значения сопоставлены с нормативными.
БЛОК ПИТАНИЯ, ВЕНТИЛЯТОР, МОДДИНГ, ОХЛАЖДЕНИЕ, ПРОИЗВОДИТЕЛЬНОСТЬ ВЕНТИЛЯТОРА, ТЕРМОРЕЛЕ, УРОВЕНЬ ШУМА
Содержание
Реферат
Перечень условных обозначений, символов, единиц, сокращений и терминов
Введение
1. Системы охлаждения блока питания ПК
1.1 Виды блоков питания
1.2 Охлаждение, виды охлаждения
1.3 Охлаждение блока питания
1.3.1 Устройство вентилятора
1.3.2 Характеристики вентиляторов
2. Усовершенствование охлаждения блока питания
3. Технико-экономическое обоснование объекта разработки
3.1 Расчет расходов на стадии проектирования (разработки) КД нового изделия
3.2 Расчет расходов на стадии производства изделия
4. Охрана труда
4.1 Требования к производственным помещениям
4.1.1 Окраска и коэффициенты отражения
4.1.2 Освещение
4.1.3 Параметры микроклимата
4.1.4 Шум и вибрация
4.1.5 Электромагнитное и ионизирующее излучения
4.2 Эргономические требования к рабочему месту
4.3 Режим труда
4.4 Расчет освещенности рабочего места
4.5 Расчет вентиляции
4.6 Расчет уровня шума
Выводы
Перечень ссылок
Приложение
Перечень условных обозначений, символов, единиц, сокращений и терминов
АЦП - аналого-цифровой преобразователь
БИС - большая интегральная схема
БП - блок питания
КМОП - комплементарная логика на транзисторах металл-оксид-полупроводник
МПС - микропроцессорная система
ОЗУ - оперативное запоминающее устройство
ПЗУ - постоянное запоминающее устройство
ПО - программное обеспечение
ПС - программные средства
СО - система охлаждения
ЦП - центральный процессор
ЦПУ - центральное процессорное устройство
Введение
Тема дипломной работы - "Усовершенствование охлаждения блока питания", которая является предметом исследования.
Цель работы - усовершенствовать систему охлаждения блока питания персонального компьютера.
Задачами исследования является определение оптимальной системы охлаждения блока питания компьютера и внесения предложений по усовершенствованию системы охлаждения последнего.
Если рассматривать домашний или офисный компьютер, следует рассматривать дешевые и надежные системы охлаждения.
Работу можно разбить на этапы:
ознакомление с системой охлаждения блока питания ПК;
на основе полученных знаний, усовершенствовать систему охлаждения блока питания компьютера, которая будет следить за нормальным состоянием температуры.
Компьютерный блок питания - блок питания, предназначенный для снабжения узлов компьютера электрической энергией. В его задачу входит преобразование сетевого напряжения до заданных значений, их стабилизация и защита от незначительных помех питающего напряжения. Также, будучи снабжён вентилятором, он участвует в охлаждении системного блока.
От блока питания, как у человека от еды, зависит работа всего компьютера. Поэтому поддержание нормальной температуры блока питания для работы компьютера актуальная тема. С увеличением мощности компьютера растет и тепло выделяемое активными элементами.
1. Системы охлаждения блока питания ПК
1.1 Виды блоков питания
Блок питания компьютера (БП) предназначен для питания электроэнергией всех компонентов (устройств) компьютера. Блок питания преобразует напряжение получаемое от электрической сети и передаваемое устройствам компьютера. Он стабилизирует напряжение и защищает от некоторых электрических помех. Кроме этого он входит в систему охлаждения компьютера, так как имеет вентилятор.
Одним из основных качественных параметров БП является потребляемая из электрической сети пиковая мощность. На сегодняшний день она лежит в диапазоне от 250 до 1000 Вт. Блоки питания компьютера называют импульсными (SMPS - Switching Mode Power Supply). Они дают выходные напряжения в 5, 12, +3,3В.
Блоки питания постоянно развиваются, так же как и другие компоненты компьютера. Со временем идет эволюция их стандартов.
Существуют виды блоков питания:
Блоки питания стандарта АТ
Стандарт АТ первым использовался в компьютерных блоках питания. Он появился на свет одновременно с первыми IBM-совместимыми компьютерами и применялся вплоть до 1995 года. На выходе этих блоков питания было четыре постоянных напряжения +5, - 5, +12, - 12 Вольт. Но при высоких темпах развития компьютерной техники росла и суммарная мощность которая была необходима ПК. К тому же возросшая потребность в линии на +3,3 Вольт (которой не было на выходе БП АТ) сказывалась. Это напряжение приходилось брать с самой материнской платы, для чего на нее монтировался специальный стабилизатор. Блоки питания АТ были неудобными при монтаже их в системный блок, а так же не обеспечивали должного охлаждения в виду не рациональной конструкции.
Как и следовало ожидать, в 95-м году прошлого века на смену устаревшему формату АТ пришел новый формат блоков питания - ATX.
Блоки питания стандарта ATX
В новом стандарте блоков питания ATX увеличилось число линий напряжения на выходе. Стандарту AT необходимо было напряжение в +3,3 В, соответственно такая линия и была добавлена, а также линия +5 В SB (Stand-By).
Линия в +5 В SB предназначалась для расширения функционала по управлению питания компьютера. Это были такие функции как запуск компьютера по сигналу от клавиатуры, от модема или локальной сети, и для воплощения режима Suspend-to-ram. В последнем режиме при "засыпании" компьютера все временные данные находятся в оперативной памяти при выключенном ПК.
Конечно же для реализации такого режима напряжение должно подаваться все время, не зависимо выключен ПК или включен (хотя он должен быть включен в розетку). Для этого был придуман "хитрый" стабилизатор, который по сути маленький блок питания внутри основного, и работающий постоянно.
В сравнении с БП AT, в которых кнопка вкл/откл фактически убирала с него напряжение 220 Вольт, то в новом формате по нажатию кнопки идет команда на остановку ШИМ-контроллера основного стабилизатора. А в блоке питания продолжает работать стабилизатор +5 В Stand-By для обеспечения быстрого "пробуждения" компьютера.
Что бы полностью обесточить такой блок питания его необходимо физически отсоединить от розетки.
Некоторое время блоки питания ATX потихоньку модернизировались, но ни чего кардинально нового не появлялось. Но с появлением более мощных и быстрых процессоров и соответственно потребляющих больше мощности пришлось и подавать им соответствующее питание - 12 Вольт на стабилизатор процессора.

Рисунок 1.1 - Схема цоколевки
Таблица 1.1 - Назначение выводов
|
№ вывода |
Обозначение |
|
1 |
+3,3v |
|
2 |
+3,3v |
|
3 |
GND |
|
4 |
+5v |
|
5 |
GND |
|
6 |
+5v |
|
7 |
GND |
|
8 |
Power Good |
|
9 |
+5VSB |
|
10 |
+12v |
|
11 |
+3,3v |
|
12 |
-12v |
|
13 |
GND |
|
14 |
PS ON# |
|
15 |
GND |
|
16 |
GND |
|
17 |
GND |
|
18 |
+5v |
|
19 |
+5v |
|
20 |
+5v |
Блоки питания стандарта ATX 12V (ATX 2.03)
Переход на новые блоки питания был обусловлен появлением в 2000 году нового мощного процессора Intel Pentium 4. Как известно, до него стабилизатор процессора питался от шины +5 Вольт. Если посчитать силу тока по этой шине для процессора мощностью, например, 50 Ватт то получится что она равно 10 А. А это довольно много. Минусов у этого много: и возможный перегрев контактов при неплотном соединении, и сложность монтажа большого разъема на материнской плате и т.д.
Конечно было найдено решение этой проблемы. Произошел переход на запитку стабилизатора центрального процессора от шины + 12 Вольт. Из законов физики нам известно, что при увеличении напряжения в 2,4 раза, ток уменьшится во столько же, при одинаковой потребляемой мощности, а так же увеличится коэффициент полезного действия стабилизатора.
Но тут пришлось решать еще одну проблему - в питающем разъеме стандарта ATX был всего один проводок для напряжения +12 Вольт. Что конечно же было мало при увеличении числа потребителей этого напряжения и увеличении силы проходящего тока (это могло привести к подгоранию контактов от перегрева). Решение этой проблемы пришло в виде нового, отдельного четырех контактного разъема дополнительного питания материнской платы. Этот разъем имел два дополнительных провода питания + 12 В и так как был компактным мог размещаться рядом с стабилизатором питания центрального процессора, чему разработчики материнских плат были конечно рады.
Кроме введения нового разъема в стандарте ATX 12V произошло ужесточение требований к характеристикам блоков питания, а именно была установлена нижняя граница макс. тока по шине +12 Вольт (10 Ампер).
Внешний вид новых блоков питания не отличался от выпускаемых ранее, разве что только наличием нового дополнительного разъема питания материнки. И сразу же на рынке появились переходники разных видов для обеспечения возможности подключения старых блоков питания к материнских платам сделанным уже по новому стандарту питания - ATX12V. Для компьютеров с сравнительно не большой потребляемой мощностью использование таких переходников было оправдано, а использование их в системах с большим энергопотреблением было чревато.
Стандарт ATX12V 1.2
Это очередное изменение стандарта 12V которое сделало необязательным присутствие на выходе блока питания напряжения - 5 Вольт. Это напряжение использовалось для запитки устаревшей уже на тот момент шины ISA и больше ни чего другого не питало. Соответственно новые блоки питания выпускались уже без наличия этого вывода.
1.2 Охлаждение, виды охлаждения
Надо отметить тот факт, что блок питания компьютера первым обзавелся активной системой охлаждения. Первоначально в нем устанавливался вентилятор размерностью 80х80. Но со временем появления микропроцессоров Pentium IV, размер и расположение вентиляторов в БП изменились. Сегодня повсеместно применяются вентиляторы размером 120х120 с малой частотой вращения, и как следствие, меньшим уровнем шума. В топовых блоках питания скорость вращения вентилятора изменяется в зависимости от суммарной нагрузки БП.
Холодный воздух тяжелый, и поэтому спускается вниз, а горячий, напротив, легкий, и по сему стремиться в высь. Это несложная теорема играет ключевую роль при организации грамотного охлаждения. Поэтому воздуху нужно обеспечить вход как минимум в нижней передней части системного блока и выход в его верхней задней части. Причем совсем необязательно ставить вентилятор на вдув. Если система не очень горячая, вполне достаточным будет простое отверстие в месте входа воздуха.
Рассчитаем необходимую мощность корпусной системы охлаждения. Для расчетов используем такую формулу:
Q = 1,76*P/ (Ti - To), (1.1)
Где P - полная тепловая мощность компьютерной системы;
Ti - температура воздуха внутри системного корпуса;
Тo - температура свежего воздуха, всасывающегося в системный блок из окружающей среды;
Q - производительность (расход) корпусной системы охлаждения.
Полная тепловая мощность (P) находится путем суммирования тепловых мощностей всех компонентов. К ним относятся процессор, материнская плата, оперативная память, платы расширения, жесткие диски, приводы ROM/RW, БП. В общем, то, что установлено внутри системного блока.
За температуру в системе (Ti) нужно взять желаемую нами температуру внутри системного блока. Например - 35оС.
В качестве To возьмите максимальную температуру, какая вообще бывает в самое жаркое время года в нашем климатическом поясе. Возьмем 25оС.
Когда все нужные данные получены, подставляем их в формулу. Например, если P=300 Вт, то расчеты буду выглядеть следующим образом:
Q = 1,76*300/ (35-25) = 52,8 CFM
То есть в среднем суммарное количество оборотов всех корпусных вентиляторов, включая вентилятор в БП, должно быть не ниже 53 CFM. Если пропеллеры будут крутиться медленнее, это чревато выгоранием какого-либо компонента системы и выхода ее из строя.
Также в теории охлаждения существует такое понятие, как системный импеданс. Он выражает сопротивление, оказываемое движущемуся внутри корпуса воздушному потоку. Это сопротивление может оказываться всем, что не является этим потоком: платы расширения, шлейфы и провода, крепежные элементы корпуса и прочее. Именно поэтому желательно связывать всю проводку хомутами и размещать в каком-нибудь углу воздуха, чтобы она не стала помехой на пути воздушного потока.
Теперь, когда мы определились с общей мощностью корпусной СО, подумаем, сколько именно вентиляторов нам нужно и где их разместить. Помним, что один, но установленный с умом вентилятор принесет больше пользы, чем два, но поставленные неграмотно. Если при расчете P мы получили не большее 115 Вт, то без особой необходимости нет смысле устанавливать дополнительные корпусные вентиляторы, вполне хватит одного вентилятора в БП. Если системы выделяет тепла более чем на 115 Вт, для сохранности ее жизни на долгие годы придется добавить вентиляторов в корпус. Как минимум, нужно поставить один вентилятор "на выдув" на задней стенке системного блока помимо вентилятора в блоке питания.
Вентиляторам, как известно, свойственно шуметь. Если шум особенно досаждает, можно прибегнуть к такому способу решения проблемы: вместо одного быстрого и шумного поставить два более медленных и тихоходных. Разделить нагрузку, так сказать. Например, вместо одного 80-миллиметрового с 3000 об. /мин. прикрутить два таких же (или даже 120-миллиметровых) по 1500 оборотов каждый. Менять один меньшего диаметра на два большего диаметра предпочтительно тем, что крупная крыльчатка будет прогонять за минуту больше кубов воздуха, чем мелкие лопасти. В некоторых случаях можно даже ограничиться просто заменой одного меньшего вентилятора на один больший.
Охлаждение бывает пассивным и активным.
Пассивное представляет собой просто радиатор, прислоненный на поверхность кристалла и прикрепленный к "сокету" или "слоту". Уже давно не применяется для охлаждения большинства CPU, иногда ставится на GPU и активно используется для охлаждения модулей RAM, видеопамяти и чипсетов. Такое охлаждение основывается на естественной конвекции воздуха. Радиатор должен быть желательно медным (лучше отводит тепло, чем алюминиевый) и игольчатым (без заострений на конце иголок). Главное - общая площадь его поверхности. Чем она больше, тем эффективнее теплоотвод. Подошва радиатора должна быть гладкой, иначе контакт с чипом (а, следовательно, и теплопередача) будет нарушен. Всем радиаторам присуща такая характеристика, как температурное сопротивление. Оно показывает, насколько изменится температура процессора при увеличении потребляемой им мощности на 1 Ватт. Чем это сопротивление меньше, тем лучше. Радиаторы монтируются к чипу либо специальным креплением (к разъему процессора), либо приклеиваются термоклеем (на чипы памяти, чипсет). В первом случае на поверхность процессора нужно сначала тонким слоем нанести термопасту (создать термоинтерфейс). Самые распростряненные термопасты - КПТ-8 и АлСил.
Активное охлаждение. Может быть воздушным, водяным, криогенным и нитрогенным.

Рисунок 1.2 - Воздушное охлаждение
Воздушное. Его еще называют аэрогенным. Это пассивное охлаждение + кулер, то есть радиатор с установленным сверху вентилятором. Кулер - это, как известно, вентилятор, устанавливаемый на какой-либо чип, например, на процессор или на графическое ядро. Абсолютно всем вентиляторам присуща масса характеристик, по котором можно оценить их профпригодность:
Размеры вентилятора. Выражается как высота х ширина х высота. Например, 80х80х20. Все значения выражаются в мм (миллиметрах). Тут есть разница между размером корпуса вентилятора (размер кулера, записывается как длина х ширина) и размером собственно квадрата, в который вписана окружность крыльчатки (размер вентилятора, длина х ширина). Размер кулера по всем параметрам на пару миллиметров выше, чем размер вентилятора. Обычно про размеры кулера говорят не 80х80х20, а просто 80х80 (восемьдесят на восемьдесят). Кулеры бывают размером 40х40, 50х50, 60х60, 70х70, 80х80 и 120х120. Самые распространенные - 40х40, 80х80 и 120х120.
Тип подшипника. Крыльчатка вентилятора крутится либо подшипником скольжения (sleeve), либо подшипником качения (ball). У обоих свои преимущества и недостатки.
Подшипник скольжения. Его устройство следующее: во втулку, смазанную смазкой, вставляется ротор. Вентилятор с таким подшипником просто весь оброс недостатками, к коим относятся: невысокий срок службы по сравнению с подшипником качения, который еще и сокращается при нахождении вентилятора с таким подшипником вблизи температуры выше 50оС; разбалансировка крыльчатки - при трении ротора со втулкой последняя изнашивается не равномерно (то есть не по всех окружности), а только по двум сторонам, в результате чего в поперечном сечении со временем становится не кругом, овалом. Из-за этого появляется биение ротора и, как следствие, шум. К тому же, со временем смазка начинает вытекать из зазора между втулкой и ротором, что явно не способствует прекращению биения. Достоинств у кулеров с подшипником скольжения только два - они очень дешевы по сравнению со своими ball-собратьями и тише работают, пока не износится втулка или не закончится смазка. Последнее решается разбором мотора и заменой смазки.
Подшипник качения. Устройство несколько другое: между втулкой и ротором вместо смазки помещаются шарики, по которым и вращается ротор. Втулка с двух сторон закрывается специальными кольцами, что препятствует высыпанию шариков. Недостатки таких кулеров обратны достоинствам sleeve-кулеров - ball дороже и шумнее, чем sleeve. В плюсах - стойкость к высокой температуре, передаваемой радиатором, и большая долговечность.
Существует также комбинированное решение:
Вентилятор, который вращают и sleeve - и ball-подшипник. В данном случае второй увеличивает долговечность и снижает уровень шума. Также бывают вентиляторы с подшипником скольжения, но на их роторе нарезана резьба, которая при вращении не дает смазке стекать в низ, благодаря чему она непрерывно циркулирует внутри втулки.
Количество оборотов в минуту. Скорость вращения крыльчатки вентилятора. Измеряется данный параметр в RPM (Rotations Per Minute) и чем больше это значение, тем лучше. Как правило, составляет от 1500 до… трудно сказать сколько, так как значение rpm постоянно повышается производителями. Чем быстрее крутится вентилятор, тем громче он шумит. Тут уж приходится выбирать: или скорость, холод и шум, или тишина и высокие температуры. Работу любого вентилятора можно замедлить, снизив подаваемое на мотор напряжение. Это можно сделать подключением к каналу 7 или даже 5 V вместо 12 V, либо впайкой резистора 10-70 Ом в разрыв провода питания вентилятора. Но при подаче слишком низкого напряжения (ниже 6 V) вентилятору может просто не хватить силы, и он не начнет вертеться, не обеспечит должного охлаждения.
Объем прогоняемого воздуха за одну минуту. Также называют эффективностью. Измеряется в CFM (Cubic Feet per Minute). Чем выше CFM, тем громче шум, издаваемый вентилятором.
Уровень шума. Измеряется в дБ. Зависит от величины двух предыдущих параметров. Шум может быть механическим и аэродинамическим. На механические шумы влияют величины RPM и CFM. Аэродинамический зависит от угла загиба крыльчатки. Чем он выше, тем сильнее бьется воздух о лопасти и тем громче гул.
Способ подключения питания. PC Plug (напрямую к БП) либо Molex (к материнской плате).
Следующий вид охлаждения - водяное охлаждение. Состоит из ватерблока, радиатора, резервуара с водой или хладагентом, помпы и соединительных шлангов. Ватерблок с двумя разъемами (штуцерами) для входного и выходного шланга устанавливается на процессоре. К радиатору по входному шлангу из помпы закачивается охлажденная вода (хладагент), проходит через него и по выходному шлангу, будучи нагретой теплом процессора, движется ко второму радиатору (на который устанавливается вентилятор), чтобы отдать тепло, взятое у CPU.

Рисунок 1.3 - Водяное охлаждение
После этого вода попадает обратно в помпу, и цикл перекачки повторяется. У водяной СО только два параметра: объем резервуара и мощность помпы. Первый измеряют в л (литрах), а мощность - в л/час. Чем выше мощность, тем выше издаваемый помпой шум. Водяное охлаждение имеет преимущество перед воздушным, так как используемое охлаждающее вещество имеет намного большую теплоемкость, чем воздух, и поэтому эффективнее отводит тепло от греющихся элементов. Но, не смотря ни на что, водяное охлаждение не очень распространено в силу своей дороговизны относительно воздушного охлаждения и опасности короткого замыкания в случае разгерметизации и протечки.
Криогенное охлаждение. СО, которая охлаждает чип при помощи специального газа - фреона. Состоит она из компрессора, конденсатора, фильтра, капилляра, испарителя и втягивающей трубки. Работает следующим образом: газообразный фреон поступает в компрессор и там нагнетается. Далее газ по давлением попадает в конденсатор, где превращается в жидкость и выделяет энергию в тепловом виде. Эта энергия рассеивается конденсатором в окружающую среду. Далее фреон, уже будучи жидкостью, перетекает в фильтр, где очищается от случайного мусора, который может попасть в капилляр и, закупорив его, вывести систему охлаждения из строя. По капилляру жидкий фреон попадает в испаритель, где под действием передаваемого от испарителя тепла начинает кипеть, активно поглощая получаемую от процессора тепловую энергию, и по всасывающей трубке попадает обратно в компрессор и цикл повторяется.

Рисунок 1.4 - Криогенное охлаждение
Не распространена в силу своей дороговизны и необходимости пополнения фреона, так как он со временем улетучивается и его приходится добавлять с систему охлаждения. Также эффективна при разгоне, так как способна создавать минусовые температуры.
Нитрогенное охлаждение. Вся система охлаждения состоит из средних размеров емкости с залитым туда жидким азотом. Ничего и никуда не надо не подводить, не отводить. При нагревании процессором жидкий азот испаряется, и, достигая "потолка" емкости, становится жидким и вновь попадает на дно и снова испаряется. Нитрогенное охлаждение, также как и фреонное, способно обеспечить минусовую температуру (приблизительно - 196оС). Неудобство в том, что жидкий азот, также, как и фреон, имеет способность выкипать, и приходится добавлять его в немалых количествах. Кроме того, азотное охлаждение весьма дорого.

Рисунок 1.5 - Нитрогенное охлаждение
Принцип действие элемента Пельтье основан на работе полупроводников p - и n-типа.

Рисунок 1.6 - Элемент Пельтье
Еще одно устройство охлаждения, состоящее из двух полупроводниковых пластин. При пропускании через них электрического тока одна пластина начинает морозить, а другая, наоборот, излучать тепло. Причем температурный промежуток между температурами двух пластин всегда одинаков. Используется элемент Пельтье следующим образом: "морозящая" сторона крепиться на процессор. Опасность его использования связана с тем, что при неправильной установке элемента есть вероятность образования конденсата, что повлечет за собой выход оборудования из строя. Так что при использовании элемента Пельтье следует быть чрезвычайно аккуратным.
При исследовании СО приходим к выводу, что для нашего случая наиболее приемлемый вариант - воздушное охлаждение. Остается выбрать приемлемый вариант вентилятора (малый уровень шума и побольше производительность).
1.3 Охлаждение блока питания
Для переноса воздуха в системах охлаждения используют вентиляторы.
1.3.1 Устройство вентилятора
Вентилятор состоит из корпуса (обычно в виде рамки), электродвигателя и крыльчатки, закреплённой при помощи подшипников на одной оси с двигателем (Рисунок 1.7).

Рисунок 1.7 - Компоненты вентилятора
От типа установленных подшипников зависит надёжность вентилятора. Производители заявляют такое типичное время наработки на отказ (количество лет получено из расчёта круглосуточной работы) (Таблица 1.2).
С учётом морального старения компьютерной техники (для домашнего и офисного применения это 2-3 года), вентиляторы с шарикоподшипниками можно считать "вечными": срок их работы не меньше типового срока работы компьютера. Для более серьёзных применений, где компьютер должен работать круглосуточно много лет, стоит подобрать более надёжные вентиляторы.
Таблица 1.2 - Зависимость работы вентилятора от марки подшипника
|
Тип подшипника |
Время наработки на отказ |
Подшипник скольжения |
|
|
часов |
лет |
||
|
(sleeve bearing) |
10 000 |
1 |
Один подшипник скольжения, один подшипник качения |
|
(ball bearing) |
20 000 |
2 |
Два подшипника качения |
|
(2 ball bearing) |
30 000 |
3 |
Гидродинамический подшипник |
1.3.2 Характеристики вентиляторов
Вентиляторы различаются по своему размеру и толщине: обычно в компьютерах встречаются типоразмеры 40×40×10 мм, для охлаждения видеокарт и карманов для жёстких дисков, а также 80×80×25, 92×92×25, 120×120×25 мм для охлаждения корпуса. Также вентиляторы различаются типом и конструкцией устанавливаемых электродвигателей: они потребляют различный ток и обеспечивают разную скорость вращения крыльчатки. От размеров вентилятора и скорости вращения лопастей крыльчатки зависит производительность: создаваемое статическое давление и максимальный объём переносимого воздуха.
Объём переносимого вентилятором воздуха (расход) измеряется в кубометрах в минуту или кубических футах в минуту. Производительность вентилятора, указанная в характеристиках, измеряется при нулевом давлении: вентилятор работает в открытом пространстве. Внутри корпуса компьютера вентилятор дует в системный блок определенного размера, потому он создаёт в обслуживаемом объёме избыточное давление. Естественно, что объёмная производительность будет приблизительно обратно пропорциональна создаваемому давлению. Конкретный вид расходной характеристики зависит от формы использованной крыльчатки и других параметров конкретной модели. Например, соответствующий график для вентилятора GlacialTech SilentBlade GT80252BDL (Рисунок 1.8).

Рисунок 1.8 - Производительность вентилятора SilentBlade GT80252BDL
Общий вид вентилятора SilentBlade II GT80252-BDLA1приведен на рисунке 1.9, а его характеристики ниже.

Рисунок 1.9 - Общий вид вентилятора SilentBlade II GT80252-BDLA1
Характеристики вентилятора SilentBlade II GT80252-BDLA1
Вентилятор для охлаждения корпуса ПК
Низкий уровень шума
Напряжение питания 12 В
Подшипник 2 х Качения
Скорость вращения 1700 (± 10%) об. /мин.
Поток воздуха 26.3 CFM
Шум 18 дБ
Размеры 80 х 80 х 25 мм
Вес 72.5 г
Разъем питания Коннектор 3-pin + 4 - pin
Цвет Черный
Из этого следует простой вывод: чем интенсивнее работают вентиляторы в задней части корпуса компьютера, тем больше воздуха можно будет прокачать через всю систему, и тем эффективнее будет охлаждение.
Уровень шума, создаваемый вентилятором при работе, зависит от различных его характеристик. Несложно установить зависимость между производительностью и шумом вентилятора. На сайте крупного производителя популярных систем охлаждения Titan, в разделе корпусных вентиляторов мы видим: многие вентиляторы одного и того же размера комплектуются разными электродвигателями, которые рассчитаны на различную скорость вращения. Поскольку крыльчатка используется одна и та же, получаем интересующие нас данные: характеристики одного и того же вентилятора при разных скоростях вращения. Составляем таблицу для трёх самых распространённых типоразмеров: толщина 25 мм, 80×80×25 мм, 92×92×25 мм и 120×120×25 мм (Таблицы 1.3).
Таблица 1.3 - Уровень шума различных вентиляторов Titan

Жирным шрифтом выделены самые популярные типы вентиляторов.
Наклонным шрифтом выделены расчётные данные.
Посчитав коэффициент пропорциональности потока воздуха и уровня шума к оборотам, видим почти полное совпадение. Считаем отклонения от среднего: меньше 5%. Таким образом, мы получили три линейные зависимости, по 5 точек каждая. Гипотезу считаем подтверждённой.
Объёмная производительность вентилятора пропорциональна количеству оборотов крыльчатки, то же самое справедливо и для уровня шума.
Используя полученную гипотезу, мы можем экстраполировать полученные результаты методом наименьших квадратов (МНК): в таблице эти значения выделены наклонным шрифтом. Исследованная зависимость линейна в некотором диапазоне скоростей вращения; логично предположить, что линейный характер зависимости сохранится и в некоторой окрестности этого диапазона; но при очень больших и очень малых оборотах картина может существенно измениться.
Теперь рассмотрим линейку вентиляторов другого производителя: GlacialTech SilentBlade 80×80×25 мм, 92×92×25 мм и 120×120×25 мм. Составим аналогичную таблицу 1.4
Таблица 1.4 - Уровень шума различных вентиляторов GlacialTech

Наклонным шрифтом выделены расчётные данные.
Общий вид вентиляторов этой серии изображен на рисунке 1.10.

Рисунок 1.10 - Общий вид вентиляторов GlacialTech
Как было сказано выше, при значениях скорости вращения вентилятора, существенно отличающихся от исследованных, линейная модель может быть неверна. Полученные экстраполяцией значения следует понимать как приблизительную оценку.
Обратим внимание на два обстоятельства. Во-первых, вентиляторы GlacialTech работают медленнее, во-вторых, - эффективнее. Очевидно, это результат использования крыльчатки с более сложной формой лопастей: даже при одинаковых оборотах, вентилятор GlacialTech переносит больше воздуха, чем Titan (см. графу прирост). А уровень шума при одинаковых оборотах примерно равен: пропорция соблюдается даже для вентиляторов разных производителей с различной формой крыльчатки.
Нужно понимать, что реальные шумовые характеристики вентилятора зависят от его технической конструкции, создаваемого давления, объёма прокачиваемого воздуха, от типа и формы преград на пути воздушных потоков; то есть, от типа корпуса компьютера. Поскольку корпуса используются самые разные, невозможно напрямую применять измеренные в идеальных условиях количественные характеристики вентиляторов - их можно только сравнивать между собой для разных моделей вентиляторов.
2. Усовершенствование охлаждения блока питания
Моддинг (англ. modding, происходит от слова modify - модифицировать, изменять) - внесение креативных изменений в аппаратное обеспечение компьютера. Самый распространённый объект моддинга - "case", корпус компьютера. Моддинг может делаться для улучшения параметров оборудования (то есть разгона), но, по словам самих энтузиастов, основная цель моддинга - "получение эстетического удовлетворения от вещи, которую мы любим, а также выражение собственной индивидуальности". Как относительно массовое явление, моддинг сформировался в США и странах западной Европы ориентировочно в конце 1999 - начале 2000 года. На территории Украины моддинг начал зарождаться под конец 2001 - начало 2002 года, а резкий набор популярности начался примерно в 2004 году.
Моддинг блока питания - это процесс модификации серийного компьютерного блока питания для придания ему эксклюзивности и непохожести на другие БП, улучшение системы охлаждения и повышение удобства его эксплуатации. Моддинг блока питания является составной частью моддинга компьютера, в процессе которого применяют, в основном, все те же концепции и идеи, что и при моддинге корпуса, так что можно сказать, что моддинг БП - это моддинг компьютера в миниатюре.
Ну что, следует заняться моддингом блока питания.
Мы уже в предыдущем разделе рассмотрели почти все недостатки относительно температуры БП. В основном в блоке питания используется вентиляторы на "выдув". С одной стороны это правильное решение, т.к согласно физике воздуха, холодный воздух с нижней части компьютера втягивается, проходя через блок питания, затем нагревается элементами блока питания и затем высасывается вентилятором, продолжая обдувать теплым потоком остальные составляющие компьютера, подымаясь вверх. Если же мы рассмотрим, когда вентилятор работает на "вдув", то окажется, что холодный воздух поступает на обдув элементов блока питания и далее уже ослабленный поток обдувает остальные блоки компьютера разогретым БП воздухом. Как видим и у того и у другого варианта есть свои преимущества и недостатки.
Пойдем по пути усовершенствования охлаждения блока питания с наименьшими затратами.
Установим дополнительный вентилятор на "вдув", а вентилятор на "выдуве" снабдим электронным термореле.
Схемы расположения вентиляторов, для различных вариантов показаны на рисунке 2.1 и 2.2 до переделки и после.
а

)
б)
Рисунок 2.1 - Расположение вентиляторов в БП до переделки (а) и после переделки (б) первый вариант
а
)
б
)
Рисунок 2.2 - Расположение вентиляторов в БП до переделки (а) и после переделки (б) второй вариант
На рисунке показано направление движения воздуха. В первом варианте мы устанавливаем вентилятор на "вдув" (Рис.2.1, б), во втором на "выдув" (Рис.2.2, б).
Схема блока питания ПК до усовершенствования представлена на рисунке 2.3. Питание вентилятора осуществляется с выводов 12 В.
Тип вентилятора выбирается аналогичный установленному.
В принципе схема усовершенствованного варианта ничем не будет отличаться от схемы, которая была до усовершенствования, лишь параллельно рабочему вентилятору подключиться вводимый вентилятор.
При тестировании работы вентиляторов до усовершенствования и после.

Рисунок 2.3 - Схема блока питания ПК до усовершенствования
Были получены следующие варианты температур, которые изображены на графике (Рис.2.4).

Рисунок 2.4 - Зависимость температуры БП до усовершенствования (ряд 1) и после усовершенствования (ряд 2); на вертикальной оси ˚С
На сегодняшний день существует два пути для облегчения работы охлаждающего процессор вентиляторов: софтовое охлаждение и использование реобасов.
Софтовое охлаждение подразумевает инсталляцию специальной утилиты (например WaterFall, CPUIdle и пр), которая отслеживает время, в которое процессор простаивает, и в этот временной промежуток как бы переводит его в режим сна, то есть снижает количество его тактов (MHz) и подаваемое на CPU напряжение. Но такое применение в современных операционных системах теряет актуальность, так как управлением процессора занимается сама ОС.
Очень полезным прибором для мониторинга и регулировки скорости вращения вентиляторов является реобас. Это панелька, которая вставляется в свободный 5”-отсек. На ней размещается жк-дисплей (или циферблаты со стрелочками), показывающий температуру CPU, GPU и системы (при установке на эти компоненты термодатчиков), скорость всех вентиляторов, которые подключены к реобасу и крутящиеся рукоятки, управляющие скоростями вентиляторов.
Панелька проводами соединяется проводами со всеми регулируемыми компонентами системы и с БП. Недостаток в том, что тут нет никакой автоматики: нам придется следить за температурой, скажем БП, и если она позволяет, при желании занижать количество оборотов.
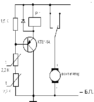
Для того, чтобы оградить БП от перегрева разработаем простейшую схему включения вентилятора (Рисунок 2.5).
Конечно можно разработать и более сложную и надежную схему управления вентилятором, например на микроконтроллере, но при этом существенно увеличиться стоимость разрабатываемого устройства. Конструкция собрана для того, чтобы вентилятор не работал постоянно.
Если температура опуститься ниже 30˚С вентилятор отключиться.
Схема не содержит дорогих и дефицитных элементов. Питается схема от общей схемы питания компьютера +12В. Спецификация элементов приведена в Приложении А.

Рисунок 2.5 - Схема принципиальная электрическая термореле для включения вентилятора жесткого диска
Транзистор КТ814А можно закрепить непосредственно на корпусе компьютера предварительно освободив "площадку" от краски - получится своего рода теплоотвод. Терморезисторы ММТ подверглись небольшой доработке. Паяльником нагреваем корпус и извлекаем сам терморезистор - так он быстрее будет реагировать на изменение температуры. Разместим терморезисторы на БП приклеяв их эпоксидной смолой к корпусу БП, а если рядом находится еще один блок, который требует обдува вентилятором, второй резистор можно разместить на последнем. Резистор 1,5 КОм подобран экспериментально, на температуру срабатывания около 30 градусов. Данное устройство можно применить и в других блоках компьютера, когда требуется охлаждение, а постоянная работа вентилятора нежелательна.
Подключение вентилятора и термореле.
Вентиляторы охлаждения компьютера стандартно запитываются напряжением +12 В. Питание подаётся при помощи специальных трёх - или четырёхконтактных разъёмов, или разъёмов для питания жёстких дисков и оптических приводов (их часто называют молекс, по имени разработавшей их фирмы Molex) (Рисунок 2.6).



Рисунок 2.6 - Разъемы фирмы Molex
Ключом разъёма служат скошенные углы с одной из сторон. Провода подключены следующим образом: два центральных - "земля", общий контакт (чёрный провод); +5 В - красный, +12 В - жёлтый. Для питания вентилятора через молекс-разъём используются только два провода, обычно чёрный ("земля") и красный (напряжение питания). Подключая их к разным контактам разъёма, можно получить различную скорость вращения вентилятора. Стандартное напряжение в 12 В запустит вентилятор со штатной скоростью, напряжение в 5-7 В обеспечивает примерно половинную скорость вращения.
Часто для ограничения скорости вращения вентилятора примеряются постоянные или переменные резисторы, включенные последовательно в цепи питания. Изменяя сопротивление переменного резистора, можно регулировать скорость вращения: именно так устроены многие ручные регуляторы скорости вентиляторов. Конструируя подобную схему нужно помнить, что, во-первых, резисторы греются, рассеивая часть электрической мощности в виде тепла, - это не способствует более эффективному охлаждению; во-вторых, электрические характеристики электродвигателя в различных режимах работы (запуск, разгон, стабильное вращение) не одинаковы, параметры резистора нужно подбирать с учётом всех этих режимов. Чтобы подобрать параметры резистора, достаточно знать закон Ома; использовать нужно резисторы, рассчитанные на ток, не меньший, чем потребляет электродвигатель. Не приветствуем ручное управление охлаждением, так как считаем, что компьютер - вполне подходящее устройство, чтобы управлять системой охлаждения автоматически, без вмешательства пользователя.



Рисунок 2.7 - Схема блока питания после усовершенствования
Кроме рассмотренного нами активного охлаждения можно применить относительно блока питания и пассивную систему охлаждения.
Пассивными системами охлаждения принято называть такие, которые не содержат вентиляторов. Пассивным охлаждением могут довольствоваться отдельные компоненты компьютера, при условии, что их радиаторы помещены в достаточный поток воздуха, создаваемый "чужими" вентиляторами: например, микросхема чипсета часто охлаждается большим радиатором, расположенным вблизи места установки процессорного кулера. Популярны также пассивные системы охлаждения (Рисунок 2.8).

Рисунок 2.8 - Пассивное охлаждение
Очевидно, чем больше радиаторов приходится продувать одному вентилятору, тем большее сопротивление потоку ему нужно преодолеть; таким образом, при увеличении количества радиаторов часто приходится увеличивать скорость вращения крыльчатки. Эффективнее использовать много тихоходных вентиляторов большого диаметра, а пассивные системы охлаждения предпочтительнее избегать. Несмотря на то, что выпускаются пассивные радиаторы для процессоров, видеокарты с пассивным охлаждением, даже блоки питания без вентиляторов (FSP Zen), попытка собрать компьютер совсем без вентиляторов из всех этих компонент наверняка приведёт к постоянным перегревам. Потому, что современный высокопроизводительный компьютер рассеивает слишком много тепла, чтобы охлаждаться только лишь пассивными системами. Из-за низкой теплопроводности воздуха, сложно организовать эффективное пассивное охлаждение для всего компьютера, разве что превратить в радиатор весь корпус компьютера, как это сделано в Zalman TNN 500A (Рисунок 2.8).
Возможно, полностью пассивного охлаждения будет достаточно для маломощных специализированных компьютеров (для доступа в интернет, для прослушивания музыки и просмотра видео, и т.п.)
Поэтому для охлаждения блока питания при увеличении мощности обдува вентиляторами можно увеличить размер радиатора, но это вызовет сложные переделки и модернизации.

Рисунок 2.9 - Корпус-радиатор компьютера Zalman TNN 500A
Можно использовать стенки блока питания, как радиатор, но тогда возникает проблема обдува этого радиатора.
Более того, мечты о "пассиве", то есть полностью пассивном охлаждении блока питания, при котором вообще не используются вентиляторы и кулеры, с каждым днем становятся все ближе. Уже есть компании, выпускающие баснословно дорогие корпуса-радиаторы, безвентиляторно рассеивающие своими стенками тепло от блока питания и процессора. Для корпусов подешевле можно приобрести высокоэффективные беспропеллерные блоки питания, немало на рынке и относительно мощных видеокарт с полностью пассивным охлаждением. В ряде случаев можно отказаться и от корпусных вентиляторов. Но вот активный кулер на десктопном процессоре - вещь пока что почти незаменимая.70-100 Вт в активной работе сами не уйдут, тут явно требуется помощь - принудительный обдув радиатора, установленного на процессоре.
Очередную попытку отказаться от активного охлаждения процессорного кулера предприняла широко известная компания "Cooler Master". Ее новое творение Hyper Z600 (RR-600-NNU1-GP), представленное в марте 2008 г. на выставке CeBIT в Ганновере.
Радиатор изделия состоит из 20 больших и 27 малых алюминиевых ребер крестообразной формы толщиной 0,5 мм. Ориентировочная поверхность теплорассеивания равна 9400 кв. см. Весьма внушительная цифра. Ребра отстоят друг от друга достаточно далеко, чтобы не затруднять естественный воздухоток и не собирать пыль хлопьями. Производитель утверждает, что форма ребер радиатора "аэродинамическая", то есть воздушный поток проходит между ними более быстро, нежели "обычно": крестообразная форма ребер способствует снижению тылового давления воздуха, а оптимальный зазор между ними улучшает воздухоток.

Рисунок 2.10 - Радиатор компании "Cooler Master"
3. Технико-экономическое обоснование объекта разработки
Первичными исходными данными для определения стоимости проекта являются показатели, которые используются на предприятии ГПО "МОНОЛИТ" г. Харьков.
Эти показатели сведены в таблицу 3.1
Таблица 3.1 - Данные предприятия ГПО "МОНОЛИТ" г. Харьков. состоянием на 01.01.2010 г.
|
Статьи расходов |
Усл. обоз. |
Единицы измер. |
Величина |
|
1 |
2 |
3 |
4 |
|
Разработка (проектирование) КД |
|||
|
Тарифная ставка конструктора - технолога |
З>сист> |
грн. |
1200 |
|
Тарифная ставка обслуживающего персонала |
З>перс> |
грн. |
1200 |
|
Зарплата других категорий рабочих, задействованных в процессе разработки КД |
З>ин. роб. > |
грн. |
1500 |
|
Тариф на электроэнергию |
С>е/е> |
грн. |
0,56 |
|
Мощность компьютера, модема, принтера и др. |
WМ |
квт /час. |
0,3 |
|
Стоимость ЭВМ, принтера, модема для базового и нового изделия (IBMPentium/32/200/ SVG) |
В>тз> |
грн. |
3200,00 |
|
Амортизационные отчисления |
А>аморт> |
% |
10 |
|
Стоимость 1-го часа использования ЭВМ |
В>г> |
грн. |
6,5 |
|
Норма дополнительной зарплаты |
Н>д> |
% |
10 |
|
Отчисление на социальные мероприятия |
Н>соц> |
% |
37,2 |
|
Общепроизводственные (накладные) расходы |
Н>накл> |
% |
25 |
|
1 |
2 |
3 |
4 |
|
Транспортно-заготовительные расходы |
Н>трв> |
% |
4 |
|
Время обслуживания систем ЭВМ |
Т>о> |
час/год |
180 |
|
Норма амортизационных отчислений на ЭВМ |
Н>а> |
% |
10 |
|
Отчисление на удерживание и ремонт ЭВМ |
Н>р> |
% |
10 |
3.1 Расчет расходов на стадии проектирования (разработки) КД нового изделия
а) Трудоемкость разработки КД нового изделия
Для определения трудоемкости выполнения проектных работ прежде всего складывается перечень всех этапов и видов работ, которые должны быть выполнены (логически, упорядочено и последовательно). Нужно определить квалификационный уровень (должности) исполнителей.
Расходы на разработку КД представляет собой оплату труда разработчиков схемы электрической принципиальной, конструкторов и технологов.
Расчет расходов на КД выводится методом калькуляции расходов, в основу которого положенная трудоемкость и заработная плата разработчиков.
а) Трудоемкость разработки КД изделия (Т) рассчитывается по формуле:
-
,(3.1)
где Т>атз> - расходы труда на анализ технического задания (ТЗ), чел. /час;
Т>рес >- расходы труда на разработку электрических схем, чел. /час;
Т>рк >- расходы труда на разработку конструкции, чел. /час;
Т>рт> - расходы труда на разработку технологии, чел. /час;
Т>окд> - расходы труда на оформление КД, чел. /час;
Т>видз> - расходы труда на изготовление и испытание опытного образца, чел. /час.
Данные расчета заносятся в таблице 3.2
Таблица 3.2 - Расчет заработной платы на разработку КД изделия
|
Виды работ |
Условные обозначения |
Почасовая тарифная ставка - С>ст>>, >>грн. > |
Фактические расходы времени чел. /час; |
Сдельная зарплата, грн. |
|
1. Анализ ТЗ |
Т>атз> |
4,28 |
2 |
8,56 |
|
2. Разработка электрических схем |
Т>рес> |
4,28 |
4 |
17,12 |
|
3. Разработка конструкции |
Т>рк> |
4,28 |
4 |
17,12 |
|
4. Разработка технологии |
Т>рт> |
4,28 |
3 |
12,84 |
|
5. Оформление КД |
Т>окд> |
4,28 |
8 |
34,24 |
|
6. Изготовление и испытание опытного образца |
Т>видз> |
4,28 |
4 |
17,12 |
|
ВСЕГО: |
|
4,28 |
25 |
107,00 |
Заработная плата на разработку КД изделия С определяется за формулой:
-
,(3.2)
где
- почасовая тарифная ставка разработчика,
грн
- трудоемкость разработки КД изделия
(определяется в гривнях с двумя десятинными
знаками (00,00грн)
б) Расчет материальных расходов на разработку КД
Материальные расходы М>в>, которые необходимы для разработки (создании) КД, приведенные в таблице 3.3
Таблица 3.3 - Расчет материальных расходов на разработку КД
|
Материал |
Условные обознач. |
Факт. количество |
Цена за ед., грн. |
Сумма, грн. |
|
1. CD DVD |
диск |
2 |
2,00 |
4,00 |
|
2. Бумага |
лист |
200 |
0,07 |
14,00 |
|
3. Другие материалы |
Ми |
- |
- |
- |
|
ВСЕГО |
|
18,00 |
||
|
ТЗР (4%) |
0,72 |
|||
|
ИТОГО |
Мв |
18,72 |
в) Расходы на использование ЭВМ при разработке КД (если они есть).
Расходы, на использование ЭВМ при разработке КД, рассчитываются исходя из расходов работы одного часа ЭВМ по формуле. грн.:
|
|
(3.3) |
где В>г >- стоимость работы одного часа ЭВМ, грн.
Т>рес>> >- расходы труда на разработку электрических схем, чел. /час;
Т>рк> - расходы труда на разработку конструкции, чел. /час;
Т>рт> - расходы труда на разработку технологии, чел. /час;
Т>окд> - расходы труда на оформление КД, чел. /час;
При этом, стоимость работы одного часа ЭВМ (других технических средств - ТЗ) В>г> определяется по формуле, грн.:
|
|
(3.4) |
где Т>е/е>> >- расходы на электроэнергию, грн.;
В>аморт> - величина 1-го часа амортизации ЭВМ, грн.;
З>перс>> >- почасовая зарплата обслуживающего персонала, грн.;
Т>рем> - расходы на ремонт, покупку деталей, грн.;
Стоимость одного часа амортизации В>аморт> определяется по формуле, грн.:
при 40 часовой рабочей неделе:
|
|
(3.5) |
где В>тз> - стоимость технических средств, грн.
Н>а> - норма годовой амортизации (%).
К>т - >количество недель в год (52 недели/год).
Г>т> - количество рабочих часов в неделю (40 часов/неделю)
Почасовая оплата обслуживающего персонала З>перс> рассчитывается по формуле, грн.:
|
|
(3.6) |
где О>кл> - месячный оклад обслуживающего персонала, грн.
К>рг - >количество рабочих часов в месяц (160 часов/месяц);
Н>рем>> - >расходы на оплату труда ремонта ЭВМ (6% О>кл>).
Расходы на ремонт, покупку деталей для ЭВМ Т>рем> определяются по формуле, грн.:
|
|
(3.7) |
где В>тз> - стоимость технических средств, грн.
Н>рем> - процент расходов на ремонт, покупку деталей (%);
К>т - >количество недель на год (52 недели/год).
Г>т> - количество рабочих часов на неделю (36 168 час. /неделя)
Расходы на использование электроэнергии ЭВМ и техническими средствами Т>е/е>> >определяются по формуле, грн.:
|
|
(3.8) |
где В>е/е>> >- стоимость одного кВт/час электроэнергии, грн.;
W>пот> - мощность компьютера, принтера и сканера (за 1 час), (кВт/час).
Таким образом, стоимость одного часа работы ЭВМ при разработке КД будет составлять (см. формулу 3.4), грн.:
.
Расходы на использование ЭВМ при разработке, грн. (см. формулу 3.3):

г) Расчет технологической себестоимости создания КД
Расчет технологической себестоимости создания КД изделия проводится методом калькуляции расходов (таблица 3.4).
Таблица 3.4 - Калькуляция технологических расходов на создание КД изделия
|
№ п/п |
Наименование статей |
Условны обозначения |
Расходы (грн) |
|
1 |
2 |
3 |
4 |
|
1. |
Материальные расходы |
М>в> |
18,72 |
|
2. |
Основная зарплата |
З>о> |
107,00 |
|
3. |
Дополнительная зарплата |
З>д> |
10,70 |
|
4. |
Отчисление на социальные мероприятия |
37,2% (З>о>+З>д>) |
43,78 |
|
5. |
Накладные расходы предприятия |
Н>накл> |
16,05 |
|
6. |
Расходы на использование ЭВМ |
ВМ |
18,06 |
|
7. |
Себестоимость КД изделия |
С>кд >= (16) |
203,61 |
Себестоимость разработанной конструкторской документации С>кд> рассчитывается как сумма пунктов 1-6.
3.2 Расчет расходов на стадии производства изделия
Себестоимость изделия что разрабатывается рассчитывается на основе норм материальных и трудовых расходов.
Среди исходных данных, которые используются для расчета себестоимости изделия, выделяют нормы расходов сырья и основных материалов на одно изделие (таблица 3.5).
Таблица 3.5 - Расчет расходов на сырье и основные материалы на одно изделие
|
Материалы |
Норма расходов (единиц) |
Оптовая цена грн. /ед. |
Фактические расходы (единиц) |
Сумма грн. |
|
1 |
2 |
3 |
4 |
5 |
|
Стеклотекстолит СФ-2-35 (лист 1,0 ГОСТ 10316 - 78), кг |
0,1 |
20,00 |
0,1 |
2,00 |
|
Припой ПОС - 61 (ГОСТ 21930 - 76), кг |
0,2 |
25,00 |
0,2 |
5,00 |
|
Лак ЭП-9114 (ГОСТ 2785-76), кг |
0,1 |
10,00 |
0,1 |
1,00 |
|
Другие |
- |
-- |
- |
- |
|
ВСЕГО: |
8,00 |
|||
|
Транспортно-заготовительные расходы (4%) |
0,32 |
|||
|
ИТОГО: |
8,32 |
В ходе расчета себестоимости изделия, как исходные данные, используют спецификации материалов, покупных комплектующих изделии и полуфабрикатов, что используются при изготовления одного изделия (таблица 3.6).
Таблица 3.6 - Ведомость комплектующих элементов на усовершенствование охлаждения блока питания
|
Наименование |
Тип, марка |
Цена за единицу, грн. |
Количество |
Сумма, грн |
Поставщик |
|
Транзистор |
КТ814А |
1,50 |
1 |
1,50 |
www.board.com.ua |
|
Диод |
КД102Б |
0,55 |
1 |
0,55 |
www.board.com.ua |
|
Резистор |
МЛТ-0.25 - 1,5 к Ом1.0% |
0,30 |
1 |
0,30 |
www.board.com.ua |
|
Резистор |
ММТ-2 - 2,2 кОм +5% |
3, 20 |
2 |
6.40 |
www.board.com.ua |
|
Реле |
РЭС49 РС4.569.000 |
5, 20 |
1 |
5, 20 |
www.board.com.ua |
|
Вентилятор |
20x120mm, Titan TFD-12025H22B |
34,72 |
1 |
34,72 |
www.partya.ru/ catalog/34 |
|
ВСЕГО: |
48,67 |
||||
|
Трансп. - загот. расходы (4%) |
1,95 |
||||
|
ИТОГО: |
50,62 |
Расчет зарплаты основных производственных рабочих проводим на основе норм трудоемкости по видам работ и почасовыми ставками рабочих (таблица 3.7).
Таблица 3.7 - Расчет основной зарплаты
|
Наименование операции |
Почасовая тарифная ставка, грн. |
Норма времени чел. /час. |
Сдельная зарплата, грн. |
|
1 |
2 |
3 |
4 |
|
Заготовительная |
5,91 |
1 |
5,91 |
|
Слесарная |
5,91 |
2 |
11,82 |
|
Сборка |
5,91 |
2 |
11,82 |
|
Монтажная |
5,91 |
3 |
17,73 |
|
Настройка |
5,91 |
1 |
5,91 |
|
Другие |
- |
- |
- |
|
ВСЕГО: |
9 |
53,91 |
Калькуляция себестоимости и определения цены выполняется в таблице 3.8.
Таблица 3.8 - Калькуляция себестоимости и определения цены изделии по новой КД
|
Наименование статей расходов |
Сумма, грн. |
|
1 |
2 |
|
Сырье и материалы |
8,32 |
|
Покупные комплектующие изделия |
50,62 |
|
Основная зарплата рабочих |
53,91 |
|
Дополнительная зарплата (15%) |
8,09 |
|
Отчисление на социальные мероприятия (37,2%) |
23,06 |
|
Накладные расходы (25% по данным предприятия) |
13,48 |
|
Производственная себестоимость |
203,61 |
|
Общая стоимость блока, что проектируется |
361,09 |
Общая стоимость на подготовку конструкторской документации и модернизацию блока питания составляет 361,09 грн. .
Модернизация блока питания эффективна, потому что при изменении способа охлаждения блока питания улучшаются характеристики работы блока питания и соответственно всего компьютера, в частности повышается производительность. Единственным недостатком является увеличение уровня шума.
4. Охрана труда
Совокупность факторов производственной среды, оказывающей влияние на здоровье и работоспособность человека в процессе труда называется условиями труда. Организация и улучшение условий труда на рабочем месте является одним из важных резервов производительности и эффективности труда.
Основными, при определении условий труда являются следующие вопросы:
производственный микроклимат помещения;
производственное освещение;
воздействие шума и вибрации;
электромагнитные излучения
электропожаробезопасность;
эргонометрические характеристики рабочего места.
Работа с компьютером характеризуется значительным умственным напряжением и нервно-эмоциональной нагрузкой операторов, высокой напряженностью зрительной работы и достаточно большой нагрузкой на мышцы рук при работе с клавиатурой ЭВМ. Большое значение имеет рациональная конструкция и расположение элементов рабочего места, что важно для поддержания оптимальной рабочей позы человека-оператора.
В процессе работы с компьютером необходимо соблюдать правильный режим труда и отдыха. В противном случае у персонала отмечаются значительное напряжение зрительного аппарата с появлением жалоб на неудовлетворенность работой, головные боли, раздражительность, нарушение сна, усталость и болезненные ощущения в глазах, в пояснице, в области шеи и руках.
4.1 Требования к производственным помещениям
4.1.1 Окраска и коэффициенты отражения
Источники света, такие как светильники и окна, которые дают отражение от поверхности экрана, значительно ухудшают точность знаков и влекут за собой помехи физиологического характера, которые могут выразиться в значительном напряжении, особенно при продолжительной работе. Отражение, включая отражения от вторичных источников света, должно быть сведено к минимуму.
Для защиты от избыточной яркости окон могут быть применены шторы и экраны.
Окраска помещений и мебели должна способствовать созданию благоприятных условий для зрительного восприятия, хорошего настроения.
В зависимости от ориентации окон рекомендуется следующая окраска стен и пола:
окна ориентированы на юг: - стены зеленовато-голубого или светло-голубого цвета; пол - зеленый;
окна ориентированы на север: - стены светло-оранжевого или оранжево-желтого цвета; пол - красновато-оранжевый;
окна ориентированы на восток: - стены желто-зеленого цвета; пол зеленый или красновато-оранжевый;
окна ориентированы на запад: - стены желто-зеленого или голубовато-зеленого цвета; пол зеленый или красновато-оранжевый.
В помещениях, где находится компьютер, необходимо обеспечить следующие величины коэффициента отражения: для потолка: 60-70%, для стен: 40-50%, для пола: около 30%. Для других поверхностей и рабочей мебели: 30-40%.
4.1.2 Освещение
Правильно спроектированное и выполненное производственное освещение улучшает условия зрительной работы, снижает утомляемость, способствует повышению производительности труда, благотворно влияет на производственную среду, оказывая положительное психологическое воздействие на работающего, повышает безопасность труда и снижает травматизм.
Недостаточность освещения приводит к напряжению зрения, ослабляет внимание, приводит к наступлению преждевременной утомленности. Чрезмерно яркое освещение вызывает ослепление, раздражение и резь в глазах.
Неправильное направление света на рабочем месте может создавать резкие тени, блики, дезориентировать работающего. Все эти причины могут привести к несчастному случаю или профзаболеваниям, поэтому столь важен правильный расчет освещенности.
Существует три вида освещения - естественное, искусственное и совмещенное (естественное и искусственное вместе).
Естественное освещение - освещение помещений дневным светом, проникающим через световые проемы в наружных ограждающих конструкциях помещений.
Естественное освещение характеризуется тем, что меняется в широких пределах в зависимости от времени дня, времени года, характера области и ряда других факторов.
Искусственное освещение применяется при работе в темное время суток и днем, когда не удается обеспечить нормированные значения коэффициента естественного освещения (пасмурная погода, короткий световой день).
Освещение, при котором недостаточное по нормам естественное освещение дополняется искусственным, называется совмещенным освещением.
Искусственное освещение подразделяется на рабочее, аварийное, эвакуационное, охранное. Рабочее освещение, в свою очередь, может быть общим или комбинированным. Общее - освещение, при котором светильники размещаются в верхней зоне помещения равномерно или применительно к расположению оборудования. Комбинированное - освещение, при котором к общему добавляется местное освещение.
Согласно СНиП II-4-79 в помещений вычислительных центров необходимо применить систему комбинированного освещения.
При выполнении работ категории высокой зрительной точности (наименьший размер объекта различения 0,3…0,5мм) величина коэффициента естественного освещения (КЕО) должна быть не ниже 1,5%, а при зрительной работе средней точности (наименьший размер объекта различения 0,5…1,0 мм) КЕО должен быть не ниже 1,0%. В качестве источников искусственного освещения обычно используются люминесцентные лампы типа ЛБ или ДРЛ, которые попарно объединяются в светильники, которые должны располагаться над рабочими поверхностями равномерно.
Требования к освещенности в помещениях, где установлены компьютеры, следующие: при выполнении зрительных работ высокой точности общая освещенность должна составлять 300лк, а комбинированная - 750лк; аналогичные требования при выполнении работ средней точности - 200 и 300лк соответственно.
Кроме того все поле зрения должно быть освещено достаточно равномерно - это основное гигиеническое требование. Иными словами, степень освещения помещения и яркость экрана компьютера должны быть примерно одинаковыми, т.к яркий свет в районе периферийного зрения значительно увеличивает напряженность глаз и, как следствие, приводит к их быстрой утомляемости.
4.1.3 Параметры микроклимата
Параметры микроклимата могут меняться в широких пределах, в то время как необходимым условием жизнедеятельности человека является поддержание постоянства температуры тела благодаря терморегуляции, т.е. способности организма регулировать отдачу тепла в окружающую среду. Принцип нормирования микроклимата - создание оптимальных условий для теплообмена тела человека с окружающей средой.
Вычислительная техника является источником существенных тепловыделений, что может привести к повышению температуры и снижению относительной влажности в помещении. В помещениях, где установлены компьютеры, должны соблюдаться определенные параметры микроклимата. В санитарных нормах СН-245-71 установлены величины параметров микроклимата, создающие комфортные условия. Эти нормы устанавливаются в зависимости от времени года, характера трудового процесса и характера производственного помещения (см. табл.4.1).
Таблица 4.1 - Параметры микроклимата для помещений, где установлены компьютеры
|
Период года |
Параметр микроклимата |
Величина |
|
Холодный |
Температура воздуха в помещении |
22…24°С |
|
Относительная влажность |
40…60% |
|
|
Скорость движения воздуха |
до 0,1м/с |
|
|
Теплый |
Температура воздуха в помещении |
23…25°С |
|
Относительная влажность |
40…60% |
|
|
Скорость движения воздуха |
0,1…0,2м/с |
Объем помещений, в которых размещены работники вычислительных центров, не должен быть меньше 19,5м3/человека с учетом максимального числа одновременно работающих в смену. Нормы подачи свежего воздуха в помещения, где расположены компьютеры, приведены в табл.4.2
Таблица 4.2 - Нормы подачи свежего воздуха в помещения, где расположены компьютеры
|
Характеристика помещения |
Объемный расход подаваемого в помещение свежего воздуха, м3 /на одного человека в час |
|
Объем до 20м3 на человека |
Не менее 30 |
|
20…40м3 на человека |
Не менее 20 |
|
Более 40м3 на человека |
Естественная вентиляция |
Для обеспечения комфортных условий используются как организационные методы (рациональная организация проведения работ в зависимости от времени года и суток, чередование труда и отдыха), так и технические средства (вентиляция, кондиционирование воздуха, отопительная система).
4.1.4 Шум и вибрация
Шум ухудшает условия труда оказывая вредное действие на организм человека. Работающие в условиях длительного шумового воздействия испытывают раздражительность, головные боли, головокружение, снижение памяти, повышенную утомляемость, понижение аппетита, боли в ушах и т.д. Такие нарушения в работе ряда органов и систем организма человека могут вызвать негативные изменения в эмоциональном состоянии человека вплоть до стрессовых. Под воздействием шума снижается концентрация внимания, нарушаются физиологические функции, появляется усталость в связи с повышенными энергетическими затратами и нервно-психическим напряжением, ухудшается речевая коммутация. Все это снижает работоспособность человека и его производительность, качество и безопасность труда.
Длительное воздействие интенсивного шума [выше 80 дБ (А)] на слух человека приводит к его частичной или полной потере.
В табл.4.3 указаны предельные уровни звука в зависимости от категории тяжести и напряженности труда, являющиеся безопасными в отношении сохранения здоровья и работоспособности.
Таблица 4.3 - Предельные уровни звука, дБ, на рабочих местах
|
Категория напряженности труда |
Категория тяжести труда |
|||
|
Легкая |
Средняя |
Тяжелая |
Очень тяжелая |
|
|
I. Мало напряженный |
80 |
80 |
75 |
75 |
|
II. Умеренно напряженный |
70 |
70 |
65 |
65 |
|
III. Напряженный |
60 |
60 |
- |
- |
|
IV. Очень напряженный |
50 |
50 |
- |
- |
Уровень шума на рабочем месте математиков-программистов и операторов видеоматериалов не должен превышать 50дБА, а в залах обработки информации на вычислительных машинах - 65дБА. Для снижения уровня шума стены и потолок помещений, где установлены компьютеры, могут быть облицованы звукопоглощающими материалами. Уровень вибрации в помещениях вычислительных центров может быть снижен путем установки оборудования на специальные виброизоляторы.
4.1.5 Электромагнитное и ионизирующее излучения
Большинство ученых считают, что как кратковременное, так и длительное воздействие всех видов излучения от экрана монитора не опасно для здоровья персонала, обслуживающего компьютеры. Однако исчерпывающих данных относительно опасности воздействия излучения от мониторов на работающих с компьютерами не существует и исследования в этом направлении продолжаются.
Допустимые значения параметров неионизирующих электромагнитных излучений от монитора компьютера представлены в табл.4.4
Максимальный уровень рентгеновского излучения на рабочем месте оператора компьютера обычно не превышает 10мкбэр/ч, а интенсивность ультрафиолетового и инфракрасного излучений от экрана монитора лежит в пределах 10-100мВт/м2.
Таблица 4.4 - Допустимые значения параметров неионизирующих электромагнитных излучений (в соответствии с СанПиН 2.2.2.542-96)
|
Наименование параметра |
Допустимые значения |
|
Напряженность электрической составляющей электромагнитного поля на расстоянии 50см от поверхности видеомонитора |
10В/м |
|
Напряженность магнитной составляющей электромагнитного поля на расстоянии 50см от поверхности видеомонитора |
0,3А/м |
|
Напряженность электростатического поля не должна превышать: для взрослых пользователей для детей дошкольных учреждений и учащихся средних специальных и высших учебных заведений |
20кВ/м 15кВ/м |
Для снижения воздействия этих видов излучения рекомендуется применять мониторы с пониженным уровнем излучения (MPR-II, TCO-92, TCO-99), устанавливать защитные экраны, а также соблюдать регламентированные режимы труда и отдыха.
4.2 Эргономические требования к рабочему месту
Проектирование рабочих мест, снабженных видеотерминалами, относится к числу важных проблем эргономического проектирования в области вычислительной техники.
Рабочее место и взаимное расположение всех его элементов должно соответствовать антропометрическим, физическим и психологическим требованиям. Большое значение имеет также характер работы. В частности, при организации рабочего места программиста должны быть соблюдены следующие основные условия: оптимальное размещение оборудования, входящего в состав рабочего места и достаточное рабочее пространство, позволяющее осуществлять все необходимые движения и перемещения.
Эргономическими аспектами проектирования видеотерминальных рабочих мест, в частности, являются: высота рабочей поверхности, размеры пространства для ног, требования к расположению документов на рабочем месте (наличие и размеры подставки для документов, возможность различного размещения документов, расстояние от глаз пользователя до экрана, документа, клавиатуры и т.д.), характеристики рабочего кресла, требования к поверхности рабочего стола, регулируемость элементов рабочего места.
Главными элементами рабочего места программиста являются стол и кресло.
Основным рабочим положением является положение сидя.
Рабочая поза сидя вызывает минимальное утомление программиста.
Рациональная планировка рабочего места предусматривает четкий порядок и постоянство размещения предметов, средств труда и документации. То, что требуется для выполнения работ чаще, расположено в зоне легкой досягаемости рабочего пространства.
Моторное поле - пространство рабочего места, в котором могут осуществляться двигательные действия человека.
Максимальная зона досягаемости рук - это часть моторного поля рабочего места, ограниченного дугами, описываемыми максимально вытянутыми руками при движении их в плечевом суставе.
Оптимальная зона - часть моторного поля рабочего места, ограниченного дугами, описываемыми предплечьями при движении в локтевых суставах с опорой в точке локтя и с относительно неподвижным плечом.
На рис.4.1 показан пример размещения основных и периферийных составляющих ПК на рабочем столе программиста.
Для комфортной работы стол должен удовлетворять следующим условиям:
высота стола должна быть выбрана с учетом возможности сидеть свободно, в удобной позе, при необходимости опираясь на подлокотники;
нижняя часть стола должна быть сконструирована так, чтобы программист мог удобно сидеть, не был вынужден поджимать ноги;
поверхность стола должна обладать свойствами, исключающими появление бликов в поле зрения программиста;
конструкция стола должна предусматривать наличие выдвижных ящиков (не менее 3 для хранения документации, листингов, канцелярских принадлежностей);
высота рабочей поверхности рекомендуется в пределах 680-760мм;
высота поверхности, на которую устанавливается клавиатура, должна быть около 650мм.
Большое значение придается характеристикам рабочего кресла. Так, рекомендуемая высота сиденья над уровнем пола находится в пределах 420-
550мм. Поверхность сиденья мягкая, передний край закругленный, а угол наклона спинки - регулируемый.
Рисунок 4.1 - Размещения основных и периферийных составляющих ПК на рабочем столе программиста: 1 - сканер, 2 - монитор, 3 - принтер, 4 - поверхность рабочего стола, 5 - клавиатура, 6 - манипулятор типа "мышь".
Необходимо предусматривать при проектировании возможность различного размещения документов: сбоку от видеотерминала, между монитором и клавиатурой и т.п. Кроме того, в случаях, когда видеотерминал имеет низкое качество изображения, например заметны мелькания, расстояние от глаз до экрана делают больше (около 700мм), чем расстояние от глаза до документа (300-450мм). Вообще при высоком качестве изображения на видеотерминале расстояние от глаз пользователя до экрана, документа и клавиатуры может быть равным.
Положение экрана определяется:
расстоянием считывания (0,6 - 0,7м);
углом считывания, направлением взгляда на 20˚ ниже горизонтали к центру экрана, причем экран перпендикулярен этому направлению.
Должна также предусматриваться возможность регулирования экрана:
по высоте +3 см;
по наклону от - 10˚ до +20˚ относительно вертикали;
в левом и правом направлениях.
Большое значение также придается правильной рабочей позе пользователя.
При неудобной рабочей позе могут появиться боли в мышцах, суставах и сухожилиях. Требования к рабочей позе пользователя видеотерминала следующие:
голова не должна быть наклонена более чем на 20˚,
плечи должны быть расслаблены,
локти - под углом 80˚-100˚,
предплечья и кисти рук - в горизонтальном положении.
Причина неправильной позы пользователей обусловлена следующими факторами: нет хорошей подставки для документов, клавиатура находится слишком высоко, а документы - низко, некуда положить руки и кисти, недостаточно пространство для ног.
В целях преодоления указанных недостатков даются общие рекомендации: лучше передвижная клавиатура; должны быть предусмотрены специальные приспособления для регулирования высоты стола, клавиатуры и экрана, а также подставка для рук.
Существенное значение для производительной и качественной работы на компьютере имеют размеры знаков, плотность их размещения, контраст и соотношение яркостей символов и фона экрана. Если расстояние от глаз оператора до экрана дисплея составляет 60-80 см, то высота знака должна быть не менее 3мм, оптимальное соотношение ширины и высоты знака составляет
3: 4, а расстояние между знаками - 15-20% их высоты. Соотношение яркости фона экрана и символов - от 1: 2 до 1: 15.
Во время пользования компьютером медики советуют устанавливать монитор на расстоянии 50-60 см от глаз. Специалисты также считают, что верхняя часть видеодисплея должна быть на уровне глаз или чуть ниже. Когда человек смотрит прямо перед собой, его глаза открываются шире, чем когда он смотрит вниз. За счет этого площадь обзора значительно увеличивается, вызывая обезвоживание глаз. К тому же если экран установлен высоко, а глаза широко открыты, нарушается функция моргания. Это значит, что глаза не закрываются полностью, не омываются слезной жидкостью, не получают достаточного увлажнения, что приводит к их быстрой утомляемости.
Создание благоприятных условий труда и правильное эстетическое оформление рабочих мест на производстве имеет большое значение, как для облегчения труда, так и для повышения его привлекательности, положительно влияющей на производительность труда.
4.3 Режим труда
Как уже было неоднократно отмечено, при работе с персональным компьютером очень важную роль играет соблюдение правильного режима труда и отдыха. В противном случае у персонала отмечаются значительное напряжение зрительного аппарата с появлением жалоб на неудовлетворенность работой, головные боли, раздражительность, нарушение сна, усталость и болезненные ощущения в глазах, в пояснице, в области шеи и руках.
В табл.4.5 представлены сведения о регламентированных перерывах, которые необходимо делать при работе на компьютере, в зависимости от продолжительности рабочей смены, видов и категорий трудовой деятельности с ВДТ (видеодисплейный терминал) и ПЭВМ (в соответствии с САнНиП 2.2.2 542-96 "Гигиенические требования к видеодисплейным терминалам, персональным электронно-вычислительным машинам и организации работ").
Таблица 4.5 - Время регламентированных перерывов при работе на компьютере
|
Категория работы с ВДТ или ПЭВМ |
Уровень нагрузки за рабочую смену при видах работы с ВДТ, количество знаков |
Суммарное время регламентированных перерывов, мин |
|
|
При 8-часовой смене |
При 12-часовой смене |
||
|
Группа А |
до 20000 |
30 |
70 |
|
Группа Б |
до 40000 |
50 |
90 |
|
Группа В |
до 60000 |
70 |
120 |
Примечание. Время перерывов дано при соблюдении указанных Санитарных правил и норм. При несоответствии фактических условий труда требованиям Санитарных правил и норм время регламентированных перерывов следует увеличить на 30%.
В соответствии со САнНиП 2.2.2 546-96 все виды трудовой деятельности, связанные с использованием компьютера, разделяются на три группы: группа А: работа по считыванию информации с экрана ВДТ или ПЭВМ с предварительным запросом; группа Б: работа по вводу информации; группа В: творческая работа в режиме диалога с ЭВМ.
Эффективность перерывов повышается при сочетании с производственной гимнастикой или организации специального помещения для отдыха персонала с удобной мягкой мебелью, аквариумом, зеленой зоной и т.п.
4.4 Расчет освещенности рабочего места
Расчет освещенности рабочего места сводится к выбору системы освещения, определению необходимого числа светильников, их типа и размещения. Исходя из этого, рассчитаем параметры искусственного освещения.
Обычно искусственное освещение выполняется посредством электрических источников света двух видов: ламп накаливания и люминесцентных ламп. Будем использовать люминесцентные лампы, которые по сравнению с лампами накаливания имеют ряд существенных преимуществ:
по спектральному составу света они близки к дневному, естественному свету;
обладают более высоким КПД (в 1,5-2 раза выше, чем КПД ламп накаливания);
обладают повышенной светоотдачей (в 3-4 раза выше, чем у ламп накаливания);
более длительный срок службы.
Расчет освещения производится для комнаты площадью 15м2, ширина которой - 5м, высота - 3 м. Воспользуемся методом светового потока.
Для определения количества светильников определим световой поток, падающий на поверхность по формуле:
F = E∙S∙Z∙К / n, (4.1)
Где F - рассчитываемый световой поток, Лм;
Е - нормированная минимальная освещенность, Лк (определяется по таблице). Работу программиста, в соответствии с этой таблицей, можно отнести к разряду точных работ, следовательно, минимальная освещенность будет Е = 300Лк;
S - площадь освещаемого помещения (в нашем случае S = 15м2);
Z - отношение средней освещенности к минимальной (обычно принимается равным 1,1-1,15, пусть Z = 1,1);
К - коэффициент запаса, учитывающий уменьшение светового потока лампы в результате загрязнения светильников в процессе эксплуатации (его значение зависит от типа помещения и характера проводимых в нем работ и в нашем случае К = 1,5);
n - коэффициент использования, (выражается отношением светового потока, падающего на расчетную поверхность, к суммарному потоку всех ламп и исчисляется в долях единицы; зависит от характеристик светильника, размеров помещения, окраски стен и потолка, характеризуемых коэффициентами отражения от стен (РС) и потолка (РП)), значение коэффициентов РС и РП были указаны выше: РС=40%, РП=60%. Значение n определим по таблице коэффициентов использования различных светильников.
Для этого вычислим индекс помещения по формуле:
I = A∙B / h (A+B), (4.2)
где h - расчетная высота подвеса, h = 2,92 м;
A - ширина помещения, А = 3 м;
В - длина помещения, В = 5 м.
Подставив значения получим:
I= 0,642.
Зная индекс помещения I, по таблице 7 [23] находим n = 0,22.
Подставим все значения в формулу (4.1) для определения светового потока F, получаем F = 33750 Лм.
Для освещения выбираем люминесцентные лампы типа ЛБ40-1, световой поток которых F>л> = 4320 Лк.
Рассчитаем необходимое количество ламп по формуле:
N = F / F>л>, (4.3)
где N - определяемое число ламп;
F - световой поток, F = 33750 Лм;
F>л> - световой поток лампы, F>л> = 4320 Лм.
N = 8 ламп.
При выборе осветительных приборов используем светильники типа ОД. Каждый светильник комплектуется двумя лампами.
Значит требуется для помещения площадью S = 15 м2 четыре светильника типа ОД.
Расчет естественного освещения помещений.
Организация правильного освещения рабочих мест, зон обработки и производственных помещений имеет большое санитарно-гигиеническое значение, способствует повышению продуктивности работы, снижения травматизма, улучшения качества продукции. И наоборот, недостаточное освещение усложняет исполнения технологического процесса и может быть причиной несчастного случая и заболевания органов зрения.
Освещение должно удовлетворять такие основные требования:
быть равномерным и довольно сильным;
не создавать различных теней на местах работы, контрастов между освещенным рабочем местом и окружающей обстановкой;
не создавать ненужной яркости и блеска в поле взора работников;
давать правильное направление светового потока;
Все производственные помещения необходимо иметь светлопрорезы, которые дают достаточное природное освещение. Без природного освещения могут быть конференц-залы заседаний, выставочные залы, раздевалки, санитарно-бытовые помещения, помещения ожидания медицинских учреждений, помещений личной гигиены, коридоры и проходы.
Коэффициент естественного освещения в соответствии с ДНБ В 25.28.2006, для нашого III пояса светового климата составляет 1,5.
Исходя из этого произведем расчет необходимой площади оконных проемов.
Расчет площади окон при боковом освещении определяется, по формуле:
S>о> = (L>n>*К>з. >*N>0>*S>n>*К>зд)> / (100 *T>0>*r1) (4.4)
где: L>n> - нормированное значение КЕО, К>з> - коэффициент запаса (равен 1,2), N>0> - световая характеристика окон
S>n> - площадь достаточного естественного освещения
К>зд. >- коэффициент, учитывающий затенение окон противостоящими зданиями
r1 - коэффициент, учитывающий повышение КЕО при боковом освещении
T>0> - общий коэффициент светопропускания, который рассчитывается по формуле:
T>0> = T>1> * T>2> * T>3> * T>4> * T>5, (>4.5)
где T>1> - коэффициент светопропускания материала;
T>2> - коэффициент, учитывающий потери света в переплетах светопроема;
T>3> - коэффициент, учитывающий потери света в несущих конструкциях;
T>4> - коэффициент, учитывающий потери света в солнцезащитный устройствах;
T>5> - коэффициент, учитывающий потери света в защитной сетке, устанавливаемой под фонарями, принимается равным 1;
Теперь следует рассчитать боковое освещение для зоны, примыкающей к наружной стене. По разряду зрительной работы нужно определить значение КЕО. КЕО = 1,5 нормированное значение КЕО с учетом светового климата необходимо вычислить по формуле:
L>n>=l*m*c, (4.6)
где l - значение КЕО (l=1.5);
m - коэффициент светового климата (m=1);
c - коэффициент солнечности климата (c=1)
L>n>=1,5
Теперь следует определить отношение длины помещения L>n> к глубине помещения B:
L>n>/B=3/5 =0,6;
Отношение глубины помещения В к высоте от уровня условной рабочей поверхности до верха окна h>1> (в данном случае h>1>=1,8):
B/h>1>=5/1,8 = 2,77.
Световая характеристика световых проемов N>0>=9.
К>зд>=1
Значение T>0>=0,8*0,7*1*1*1=0,56.
L>n> для 4 разряда зрительных работ равен 1,5 при мытье окон два раза в год.
Определяем r1, r1=1,5.
К>з. >=1,2.
Теперь следует определить значение S>п>:
S>п>=L>n>*В=3*10=30 м2.
К>зд. >=1.
На данном этапе следует рассчитать необходимую площадь оконных проемов:
(L>n>* К>з. >*N>0>*S>n>*К>зд)> / (100*T>0>*r1)
S>о> = (1,5*1,2*9*30*1) / (100*0,56*1,5) =486/84= 5,78 м2;
Принимаем количество окон 1 штука:
S>1>=5,78 м2 площадь одного окна
Высота одного окна составляет - 2,5 м, ширина 2,5 м.
4.5 Расчет вентиляции
В зависимости от способа перемещения воздуха вентиляция бывает естественная и принудительная.
Параметры воздуха, поступающего в приемные отверстия и проемы местных отсосов технологических и других устройств, которые расположены в рабочей зоне, следует принимать в соответствии с ГОСТ 12.1 005-76. При размерах помещения 3 на 5 метров и высоте 3 метра, его объем 45 куб. м. Следовательно, вентиляция должна обеспечивать расход воздуха в 90 куб. м/час. В летнее время следует предусмотреть установку кондиционера с целью избежания превышения температуры в помещении для устойчивой работы оборудования. Необходимо уделить должное внимание количеству пыли в воздухе, так как это непосредственно влияет на надежность и ресурс эксплуатации ЭВМ.
Мощность (точнее мощность охлаждения) кондиционера является главной его характеристикой, от неё зависит на какой объем помещения он рассчитан. Для ориентировочных расчетов берется 1 кВт на 10 м2 при высоте потолков 2,8 - 3 м (в соответствии со СНиП 2.04.05-86 "Отопление, вентиляция и кондиционирование").
Для расчета теплопритоков данного помещения использована упрощенная методика:
Q=S·h·q (4.8)
где: Q - Теплопритоки
S - Площадь помещения
h - Высота помещения
q - Коэффициент равный 30-40 вт/м3 (в данном случае 35 вт/м3)
Для помещения 15 м2 и высотой 3 м теплопритоки будут составлять:
Q=15·3·35=1575 вт
Кроме этого следует учитывать тепловыделение от оргтехники и людей, считается (в соответствии со СНиП 2.04.05-86 "Отопление, вентиляция и кондиционирование") что в спокойном состоянии человек выделяет 0,1 кВт тепла, компьютер или копировальный аппарат 0,3 кВт, прибавив эти значения к общим теплопритокам можно получить необходимую мощность охлаждения.
Q>доп>= (H·S>опер>) + (С·S>комп>) + (P·S>принт>) (4.9)
где: Q>доп> - Сумма дополнительных теплопритоков
C - Тепловыделение компьютера
H - Тепловыделение оператора
D - Тепловыделение принтера
S>комп> - Количество рабочих станций
S>принт> - Количество принтеров
S>опер> - Количество операторов
Дополнительные теплопритоки помещения составят:
Q>доп1>= (0,1·2) + (0,3·2) + (0,3·1) =1,1 (кВт)
Итого сумма теплопритоков равна:
Q>общ1>=1575+1100=2675 (Вт)
В соответствии с данными расчетами необходимо выбрать целесообразную мощность и количество кондиционеров.
Для помещения, для которого ведется расчет, следует использовать кондиционеры с номинальной мощностью 3,0 кВт.
4.6 Расчет уровня шума
Одним из неблагоприятных факторов производственной среды в ИВЦ является высокий уровень шума, создаваемый печатными устройствами, оборудованием для кондиционирования воздуха, вентиляторами систем охлаждения в самих ЭВМ.
Для решения вопросов о необходимости и целесообразности снижения шума необходимо знать уровни шума на рабочем месте оператора.
Уровень шума, возникающий от нескольких некогерентных источников, работающих одновременно, подсчитывается на основании принципа энергетического суммирования излучений отдельных источников:
∑L = 10·lg (Li∙n), (4.10)
где Li - уровень звукового давления i-го источника шума;
n - количество источников шума.
Полученные результаты расчета сравнивается с допустимым значением уровня шума для данного рабочего места. Если результаты расчета выше допустимого значения уровня шума, то необходимы специальные меры по снижению шума. К ним относятся: облицовка стен и потолка зала звукопоглощающими материалами, снижение шума в источнике, правильная планировка оборудования и рациональная организация рабочего места оператора.
Уровни звукового давления источников шума, действующих на оператора на его рабочем месте представлены в табл.4.6
Обычно рабочее место оператора оснащено следующим оборудованием: винчестер в системном блоке, вентилятор (ы) систем охлаждения ПК, монитор, клавиатура, принтер и сканер.
Подставив значения уровня звукового давления для каждого вида оборудования в формулу (4.4), получим:
∑L=10·lg (104+104,5+101,7+101+104,5+104,2) =49,5 дБ
Таблица 4.6 - Уровни звукового давления различных источников
|
Источник шума |
Уровень шума, дБ |
|
Жесткий диск |
40 |
|
Вентилятор |
45 |
|
Монитор |
17 |
|
Клавиатура |
10 |
|
Принтер |
45 |
|
Сканер |
42 |
Полученное значение не превышает допустимый уровень шума для рабочего места оператора, равный 65 дБ (ГОСТ 12.1 003-83). И если учесть, что вряд ли такие периферийные устройства как сканер и принтер будут использоваться одновременно, то эта цифра будет еще ниже. Кроме того при работе принтера непосредственное присутствие оператора необязательно, т.к принтер снабжен механизмом автоподачи листов.
Выводы
В процессе выполнения дипломной работы мы ознакомились с различными видами охлаждения компьютеров: воздушным, водяным, криогенным, нитрогенным, на основе элементов Пельтье. Смогли выяснить основные достоинства и недостатки каждого из видов. Разобрались с разновидностями блоков питания для ПК - выяснили преимущества каждого.
Основным недостатком БП и всего компьютера это нагрев. В основном для охлаждения элементов персональных компьютеров используется воздушное охлаждение, которое осуществляется вентиляторами. Но основной недостаток вентиляторов это шум, хотя такое охлаждение является самым дешевым и простым.
В дипломном проекте было предложено усовершенствование охлаждения блока питания посредством установки дополнительного вентилятора и термореле, которое будет включать вентилятор при подъеме температуры выше 30˚С.
Конечно становится понятным, что такое усовершенствование принесет положительный эффект в работе не только блока питания компьютера, но и всего компьютера в целом, хотя стоимость установки дополнительного вентилятора обойдется порядка 100 грн. но оно этого стоит.
В последнем разделе дипломной работы были изучены вопросы охраны труда. Созданные условия должны обеспечивать комфортную работу. На основании изученной литературы по данной проблеме, были указаны оптимальные размеры рабочего стола и кресла, рабочей поверхности, а также проведен выбор системы и расчет оптимального освещения производственного помещения, произведен расчет рационального кондиционирования помещения, а также расчет уровня шума на рабочем месте. Соблюдение условий, определяющих оптимальную организацию рабочего места программиста, позволит сохранить хорошую работоспособность в течение всего рабочего дня, повысит как в количественном, так и в качественном отношениях производительность труда программиста, что в свою очередь будет способствовать быстрейшей разработке и отладке программного продукта.
Перечень ссылок
Гусева А.И. Работа в локальных сетях. - Учебник. - М.: Диалог - МИФИ. - 2006.
Информатика: Учебник / Под ред. Н.В. Макаровой. М.: Финансы и статистика. - 2001
Косарёва В.П. Компьютерные системы и сети. - М: Финансы и статистика. - 1999. - С 308-320.
Нанс Б. Компьютерные сети. - М.: БИНОМ. - 2006.
Петроченков А.В. Персональный компьютер - просто и ясно. - М: 2007. - С 209 - 242.
Фигурнов В.Э. IBM PC для пользователя краткий курс. - М. Инфра М. - 2002.
П. Нортон, Дж. Гудман. Персональный компьютер. Книга 1. Аппаратно-программная организация. BHV, Дюссельдорф, Киев, М., сПБ, 2009.
А. Пилгрим. Персональный компьютер. Книга 2. Модернизация и ремонт. BHV, Дюссельдорф, Киев, М., сПБ, 2009.
Персональный компьютер. Книга 3. "Питер пресс", Дюссельдорф, Киев, М., СПб, 2009.
В.П. Леонтьев. Новейшая энциклопедия персонального компьютера 2003. "ОЛМА-ПРЕСС, М., 2003.
Ю.М. Платонов, Ю.Г. Уткин. Диагностика, ремонт и профилактика персональных компьютеров. М.,”Горячая линия - Телеком", 2002.
"Dimmable Fluorescent Ballast" - User Guide, 10/07, Corporation, http://www.atmel.com/dyn/resources/prod_documents/doc7597. pdf
ГОСТ13109-97. Нормы качества электрической энергии в системах электроснабжения общего назначения.
П. Хоровиц, У. Хилл "Искусство схемотехники" - Изд.6-е, М.: Мир, 2003.
Л.Н. Кечиев, Е.Д. Пожидаев "Защита электронных средств от воздействия статического электричества" - М.: ИД "Технологии", 2005.
Жидецкий В.Ц., Джигирей В.С., Мельников А.В. Основы охраны труда: Учебник - Львов, Афиша, 2008 - 351с.
Денисенко Г.Ф. Охрана труда: Учебн. пособие - М., Высшая школа, 1989 - 319с.
Самгин Э.Б. Освещение рабочих мест. - М.: МИРЭА, 1989. - 186с.
Справочная книга для проектирования электрического освещения. / Под ред. Г.Б. Кнорринга. - Л.: Энергия, 1976.
Борьба с шумом на производстве: Справочник / Е.Я. Юдин, Л.А. Борисов; Под общ. ред.Е.Я. Юдина - М.: Машиностроение, 1985. - 400с., ил.
Зинченко В.П. Основы эргономики. - М.: МГУ, 1979. - 179с.
Методичні вказівки до виконання дипломної роботи для учнів спеціальності "Оператор комп’ютерного набору; оператор комп’ютерної верстки"/ Упоряд.: Д.О. Дяченко, К.О. Ізмалкова, О.Г. Меркулова. - Сєверодонецьк: СВПУ, 2007. - 40 с.
Н. Заец. Радиолюбительские конструкции на Р1С-микроконтроллерах. Книга 3. - М.: СОЛОН-Пресс, 2005, с.248.
Н. Заец. Электронные самоделки для быта, отдыха и здоровья. - М.: СОЛОН-Пресс, 2009, 423 с.
Приложение
|
Поз. Обозначен |
Наименование |
Кол. |
Примечание |
|
Резистор |
|||
|
R1 |
МЛТ-0.25 - 1,5 к Ом1.0% ОЖО.467.404 ТУ |
1 |
|
|
R2, R3 |
ММТ-2 - 2,2 кОм +5% ОЖО.460.172 ТУ |
2 |
|
|
Транзистор |
|||
|
VT1 |
КТ814А ГОСТ 18986.23-80 |
1 |
|
|
Диод |
|||
|
VD1 |
КД102Б ГОСТ 18977.65-85 |
1 |
|
|
Реле |
|||
|
P1 |
РЭС49 РС4.569.000 |
1 |
|
|
Вентилятор |
|||
|
VM1 |
Аналогичный установленному на БП |
1 |
,
,
,
,