Генератор випадкових чисел
Міністерство освіти і науки України
Національний технічний університет
"Харківський політехнічний інститут"
Кафедра "Обчислювальна техніка та програмування"
УДК
Інв.№
Генератор випадкових чисел
Альбом документів курсового проекту по дисципліні
"Комп’ютерна електроніка"
Група 123 ДКП
Анотація
Даний курсовий проект являє собою розробку генератора випадкових чисел. Цей генератор чисел дозволяє генерувати випадкові числа в двох діапазонах: від 0 до 36, і від 0 до 49.
Розробка виконана на елементах ТТЛ - логіки малого і середнього ступеня інтеграції. У пояснювальній записці приведені необхідні обґрунтування, розрахунки й описи принципу дії як генератора випадкових чисел в цілому, так окремих його функціональних блоків і вузлів.
Альбом документів курсового проекту крім пояснювальній записки містить креслення структурної та принципової схем генератора випадкових чисел.
Розробка ведеться згідно з завданням на виконання курсового проекту.
Міністерство освіти і науки України
Національний технічний університет
"Харківський політехнічний інститут"
Кафедра "Обчислювальна техніка та програмування"
Затверджено
Завідуючий кафедрою ОТП
"____" __________ 200_р.
Генератор випадкових чисел
Технічне завдання
Група 123 ТЗ
Розробники
Керівник проекту
"___"____________200_р.
Виконавець
"___"____________200_р.
Харків 2008
Зміст
Найменування та межі застосування
Найменування
Межі застосування
Основа для розробки
Вимоги до продукту
Склад виробу, технічні характеристики і рекомендації
Серії використаних мікросхем
Принцип дії
Сигнали на вхідних шинах
Сигнали на вихідних шинах
Вимоги до документації
Умови експлуатації
Термін розробки
Найменування та межі застосування.
Найменування.
Генератор випадкових чисел.
Межі застосуваня.
Застосовується для генерації випадкових чисел при контролі знань та у різноманітних ігрових ситуаціях.
Основа для розробки.
Основою для розробки є завдання на курсове проектування за курсом «Комп’ютерна електроніка».
Вимоги до продукту.
Склад виробу, технічні характеристики і рекомендації.
Прибор повинен складатися з однієї друкованної плати.
Прибор повинен живитися від джерела живлення однополярної напруги.
Прибор повинен забеспечувати високу випадковість генеруємих чисел.
Серії використаних мікросхем.
Використовувати мікросхеми ТТЛ або ТТЛШ логіки серії К555 або КР1533.
Принцип дії.
При натисканні на кнопку запуску повине генеруватися випадкове число, яке повино бути відображено на індикаторі протягом кількох секунд.
Сигнали на вхідних шинах.
Вхідних шин не має.
Сигнали на вихідних шинах.
Вихідних шин не має.
Вимоги до документації.
Конструкторська документація повина містить наступні документи:
відомість проекту;
технічне завдання;
пояснювальну записку;
схему електричну структурну;
схему електричну принципову;
перелік елементів.
Умови експлуатації.
Температурний діапазон - +15...+40С.
Відносна вологість - 40%.
Термін розробки.
Розробити до 200_ року.
Міністерство освіти і науки України
Національний технічний університет
"Харківський політехнічний інститут"
Кафедра "Обчислювальна техніка та програмування"
Затверджено
Завідуючий кафедрою ОТП
"____" __________ 200_р.
Генератор випадкових чисел
Пояснювальна записка
Група 123 ПЗ
Розробники
Керівник проекту
"___"____________200_р.
Виконавець
"___"____________200_р.
Харків 2008
Реферат
Даний документ являє собою пояснювальну записку обсягом аркушів. У пояснювальній записці представлено таблиць, рисунків, використано джерел літератури.
У курсовому проекті розроблений генератор випадкових чисел, побудований на інтегральних мікросхемах ТТЛШ. Цей генератор чисел дозволяє генерувати випадкові числа в двох діапазонах: від 0 до 36, і від 0 до 49. Він може бути застусован у різноманітних іграх.
Документація по даному пристрої супроводжується розрахунками часових характеристик, споживаних струмів і потужності, що розсіюється.
Зміст
Вступ
Обгрунтування прийнятого рішення
Структурна схема пристрою
Вибір та призначення структурних блоків
Розробка структурної схеми пристрою
Опис принцупу дії за структурною схемою
Вибір і обґрунтування елементної бази
Вибір і обґрунтування серії мікросхем
Мікросхема К555ЛА3
Мікросхема К555ИЕ20
Мікросхема К555ИД18
Мікросхема К555ЛА1
Вибір індикаторів
Розробка та опис принципу діїї принципової схеми пристрою
Розробка принципової схеми пристрою
Опис принципу дії за принциповою схемою
Робота генератору тактових імпульсів
Режим генерування чисел від 0 до 36
Режим генерування чисел від 0 до 49
Розрахунок споживаних струмів і потужності, що розсіюється
Розрахунок споживаних струмів
Розрахунок потужності, що розсіюється
Результати застосування ЕОМ при проектуванні пристрою
Моделювання частини принципової схеми
Оформлення конструкторської документації
Висновоки
Список використаних літературних джерел
Додаток 1. Схема до пакету Electronics Workbench
Додаток 2. Часові діаграми роботи пристрою
Вступ
За останні роки розвиток обчислювальної техніки досяг меж, які здавалися неможливими ще якесь десятиріччя тому. Повсякденне її використання стимулюється розширенням сфери можливих застосувань, а масовість реалізацій призводить до доступності з точки зору цінового фактору.
Досить часто в нашому житті виникають ситуації, коли необхідно одержувати випадкові або псевдовипадкові числові послідовності. Найчастіше дана задача виникає при організації різного роду ігрових ситуацій. У таких випадках на допомогу людині приходить електронний пристрій, принцип дії якого незмінний, і яке не піддано моральному фактору.
Розроблювальний пристрій призначений для генерування випадкового числа в двох діапазонах: від 0 до 36, і від 0 до 49. Пристрої такого типу є високоточними і знаходять застосування в різних ігрових ситуаціях.
Успіхи, досягнуті в останні роки в області електроніки, обумовили широке впровадження мікроелектроніки в засоби електричних вимірів.
Заміна електронних ламп транзисторами й особливо інтегральними мікросхемами стимулювала розробників приладів до пошуків і впровадження нових методів, реалізація яких у минулі роки була немислимою через велику складність, а отже, низької надійності приладів і високої вартості.
Задачею даного курсового проекту є розробка електронно-счетного генератора випадкових чисел.
Обгрунтування прийнятого рішення
Після аналізу технічного завдання ГРУПА.xxxxxx.123 ТЗ можна запропонувати кілька варіантів рішення поставленої задачі. Незмінним залишається принцип дії: за бажанням користувача необхідно зробити запуск схеми. Генератор повинний згенерувати випадкове число, що потім повинне бути відображене на індикаторі.
У такий спосіб з'являється кілька варіантів реалізації запуску схеми. Найбільш кращим є запуск пристрою шляхом натискання користувачем кнопкового перемикача.
Також існує ряд варіантів функціонування генератора самого випадкового числа. Одним з найпростіших і одночасно надійним рішенням буде генерація деякої досить великої частоти. Імпульси, що генеруються повинні додаватися лічильником, модуль рахунка якого відповідає діапазону випадкових чисел, що генеруються . Тому що період запуску пристрою на одержання чергового випадкового числа значно більше періоду генеруємих імпульсів, то в такий спосіб і досягається ефект випадковості чисел, що генеруються.
Індикатор сгенерованих чисел може бути довільним. Його характеристики залежать від конкретних вимог, пропонованих до пристрою. Це можуть бути як найпростіші індикатори одного з двох станів, так і складні знакосинтезуючі індикатори. У даному випадку вважається доцільним застосування двох семисегментних індикаторів.
Структурна схема пристрою
Вибір та призначення структурних блоків.
Розглянувши принцип дії пристрою, можна визначити структурні блоки, з яких повинна складатися структурна схема генератора випадкових чисел.
Блок запуску – блок, який не має вхідних сигналів, а тільки генерує сигнал до запуску генератору імпульсів та блоку формування затримки часу відображення числа;
Генератор імпульсів – блок, який має один вхідний сигнал запуску та дозволу генерування імпульсів, та на виході має прямокутні імпульси певної частоти;
Блок рахунку – блок, який має два входи: вхід тактової частоти, та вхід скидання. Цей блок підраховує тактові імпульси, котрі є на виході блоку у рівнобіжному коді;
Блок перебудови коефіцієнтів – блок, який аналізує код на виході блоку рахунку, та формує сигнал скидання блоку рахунку при досягнені крайнього значення діапазону, який задається блоком вибору коефіцієнтів;
Блок вибору коефіцієнтів – формує сигнал для блоку перебудови коефіцієнтів за вимогами користувача;
Блок індикації – відображає сгенероване випадкове число протягом часу, який задається блоком вормування затримки;
Блок формування затримки – блок, який має вхідним сигнал з блоку запуску, та який формує імпульс довжиною по часу, який блок індикації повинен відображати сгенероване випадкове число.
Розробка структурної схеми пристрою
Структурна схема пристрою повина складатися з структурних блоків, які були розлянуті у попередньому розділі цього документу.
Структурна схема має послідовний характер поєднання блоків, за винятком блоку рахунку та блоку перебудови коефіцієнтів, які поєднані кільцовим засобом.
Разработана структурна схема представлена у документі ГРУПА.xxxxxx.123 Е1.
Опис принципу дії за структурною схемою.
Розглянувши структурну схему, яка представлена у документі ГРУПА.xxxxxx.123 Е1, видно, що вона має послідовний характер поєднання блоків, за винятком блоку рахунку та блоку перебудови коефіцієнтів, які поєднані кільцовим засобом.
При натисканні користувачем на кнопку запуску пристрою на виході блоку запуску формуються сигнали, які запускають генератор імпульсів та блок формквання затримки. Поки користувач тримає кнопку – генератор імпульсів формує на виході прямокутні імпульси певної частоти, які підраховує блок рахунку. Коли користувач припине тримати кпонку запуску – генератор імпульсів перестане формувати імпульси, таким чином на виході блоку рахунку буде зафіксовано випадкове число, яке буде відображаться за допомогою блоку індикації. Час індикації залежить від часу затримки, яке формується на виході блоку затримки після відпускання користувачем кнопки запуску.
Коли блок рахунку дорахує вхідні імпульси до крайнього значення діапазону, блок перебудови коефіцієнтів скине блок рахунку у нульовий стан. Таким чином забезпечується потрібний користувачеві діапазон випадкових чисел, що генерується.
Вибір і обґрунтування елементної бази
Вибір і обґрунтування серії мікросхем.
Для забезпечення потрібних технічних характеристик пристою потрібно правильно здійснити вибір елементної бази составу пристрою. Використання мікросхем серії К555 дає можливість зменшити собівартість приладу, та здатність працювати на більш великих частотах.
Відмінною рисою мікросхем К555 є те, що вони розроблені за технологією ТТЛШ. Від мікросхем серії К155 їх відрізняє наявність в активних елементах схеми діодів Шотки, що шунтуют колекторні переходи транзисторів. Діод Шотки має більш низьке пряме падіння напруги, чим кремнієвий p-n перехід, і охороняє транзистор від насичення.
Уведення діодів Шотки виключає нагромадження зарядів, що збільшують час вимикання транзистора і сприяє стабільності часових параметрів транзистора в робочому діапазоні температур, тому швидкість переключення схеми зростає в порівнянні з ІС К155, виконаних без діодів Шотки.
У мікросхемах, виконаних на ТТЛ і ТТЛШ, переключення супроводжуються кидками струму в ланцюзі живлення, споживаний потужність росте з частотою. У статичному режимі мікросхеми ТТЛШ споживають практично таку ж потужність, як мікросхеми ТТЛ. Однак при частоті переключення порядку 50 Мгц потужність, що розсіюється, подвоюється, а при 100 Мгц - потроюється.
Виходячи з вищеописаних достоїнств серії К555, ця серія обрана в якості основний, використовуваної в пристрої.
Мікросхема К555ЛА3
Мікросхема К555ЛА3 являє собою чотири логічних елементи 2І-НІ.
Умовне графічне позначення мікросхеми К555ЛА3 приведено на рис.1.

Рис. 1.
Робота логічного елемента мікросхеми описується таблицею 1.
|
Входи |
Вихід |
|
|
0 |
0 |
1 |
|
0 |
1 |
1 |
|
1 |
0 |
1 |
|
1 |
1 |
0 |
Таблиця 1.
Мікросхема К555ИЕ20
Мікросхема К555ИЕ20 являє собою два чотирирозрядних асинхроних лічильника.
Кожний із лічильників має у своєму склаі два дільника: дільник на два (вхід C1, вихід Q0) и дільник на п’ять (вхід C2, вихіди Q1, Q2, Q3). Зміна станів здійснюється по негативним фронтам імпульсів на входах C.
Для отримання двійково-десятичного лічильника вихід Q0 з'єднують зі входом C2.
Для асинхронного скидання лічильника треба на вхід R подати рівень логічної одиниці. У режимі рахунку на вході R повинен бути рівень логічного нуля.
Умовне графічне
позначення наведене на рис.2.
Рис. 2.
Мікросхема К555ИД18
Мікросхема К555ИД18 являє собою дешифратор-перетворювач двійково-десяткового коду у семисегментний.
Мікросхема призначена для керування сімисегментними світлодіоднимі індикаторами з об'єднаними анодами типу АЛС324Б. Структура дешифратора-перетворювача дозволяє забезпечити кілька функцій керування. Перша з них - звичайне перетворення двоїчно-десяткового коду в сімисегментний реалізується при LT=RBI=1 і ілюструється з першої по шістнадцяту рядками таблиці істинності. У цьому режимі вивід BI/RBO є входом, на якому встановлюють або рівень логічної «1», або його залишають вільним. Для гасіння індикаторів на вхід BI/RBO досить подати рівень логічного «0», а стану інших входів при цьому можуть бути довільними.
Наступний режим - це режим бланкування, що реалізується при LT=1 і RBI=0. У цьому режимі вивід BI/RBO є виходом, на якому з'являється рівень логічного «0», якщо на вході DI є присутнім нуль. При цьому всі сегменти індикатора гаснуть. У той же час при надходженні на вхід DI будь-якого однорозрядного десяткового числа відмінного від нуля, дешифратор виконує звичайні функції перетворення з відображанням. Таке селективне гасіння забезпечує вимикання світних нулів у старших значущих розрядах багаторозрядних десяткових чисел. У цьому випадку вивід BI/RBO дешифратора старших розрядів з'єднують із входом RBI дешифратора розрядів з меншою вагою, вихід BI/RBO якого з'єднують із входом RBI наступного дешифратора і т.д.
Для контролю працездатності індикаторів уведена ще одна функція - примусове відображання всіх сегментів (останній рядок таблиці істинності). У даному режимі LT=0, а вивід BI/RBO використовується подібно тому, як він був задіяний у режимі звичайного перетворення.
Таблиця 2.
-
Код
Входи
BI/RBO
Виходи
LT
RBI
DI8
DI4
DI2
DI1
G
F
E
D
C
B
A
0
1
1
0
0
0
0
1
1
0
0
0
0
0
0
1
1
1
0
0
0
1
1
1
1
1
1
0
0
1
2
1
1
0
0
1
0
1
0
1
0
0
1
0
0
3
1
1
0
0
1
1
1
0
1
1
0
0
0
0
4
1
1
0
1
0
0
1
0
0
1
1
0
0
1
5
1
1
0
1
0
1
1
0
0
1
0
0
1
0
6
1
1
0
1
1
0
1
0
0
0
0
0
1
0
7
1
1
0
1
1
1
1
1
1
1
1
0
0
0
8
1
1
1
0
0
0
1
0
0
0
0
0
0
0
9
1
1
1
0
0
1
1
0
0
1
0
0
0
0
10
1
1
1
0
1
0
1
0
1
0
0
1
1
1
11
1
1
1
0
1
1
1
0
1
1
0
0
1
1
12
1
1
1
1
0
0
1
0
0
1
1
1
0
1
13
1
1
1
1
0
1
1
0
0
1
0
1
1
0
14
1
1
1
1
1
0
1
0
0
0
0
1
1
1
15
1
1
1
1
1
1
1
1
1
1
1
1
1
1
BI/RBO
X
X
X
X
X
X
0
1
1
1
1
1
1
1
RBI
1
0
0
0
0
0
0
1
1
1
1
1
1
1
LT
0
X
X
X
X
X
1
0
0
0
0
0
0
0
Р
ис.
3.
Умовне графічне позначення наведено на рис.3.
Мікросхема К555ЛА1
Мікросхема К555ЛА2 являє собою два логічних елементи 4І-НІ.
Р
ис.
4.
Умовне графічне позначення мікросхеми К555ЛА2 приведено на рис.4.
Робота логічного елемента мікросхеми описується таблицею 3.
Таблиця 3.
-
Входи
Вихід
0
0
0
0
1
0
0
0
1
1
0
0
1
0
1
0
0
1
1
1
0
1
0
0
1
0
1
0
1
1
0
1
1
0
1
0
1
1
1
1
1
0
0
0
1
1
0
0
1
1
1
0
1
0
1
1
0
1
1
1
1
1
0
0
1
1
1
0
1
1
1
1
1
0
1
1
1
1
1
0
Вибір індикаторів.
Для відображення інформації треба використовувати семісегментні знакосітезуючі індикатори. Індикатор АЛС324Б відповідає усім вимогам, які пред'являються до індикатора. Одна з вимог – елементи індикатора повині бути з спільним анодом.
Розробка та опис принципу дії принципової схеми пристрою
Розробка принципової схеми пристрою
Розглянувши стуктурну схему, яка представлена у документі ГРУПА.xxxxxx.123 Е1, видно, що вона складається з наступних структурних блоків:
БЛОК ЗАПУСКУ;
ГЕНЕРАТОР ІМПУЛЬСІВ;
БЛОК РАХУНКУ;
БЛОК ПЕРЕБУДОВИ КОЕФІЦІЄНТІВ;
БЛОК ВИБОРУ КОЕФІЦІЄНТІВ;
БЛОК ІНДИКАЦІЇ;
БЛОК ФОРМУВАННЯ ЗАТРИМКИ.
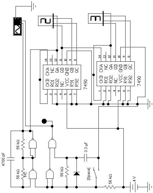
На принциповій схемі ці блоки будуть представлені наступними елементами. Блок запуску складається з резистору R1 та кнопки SA1. До складу генератора іпульсів належать наступні елементи: логічні елементи DD1.1, DD1.3, резистори R2, R4, конденсатор C1. Блок формування затримки виконаний на логічних елементах DD1.2, DD1.4, резисторі R3, конденсаторі C2 та діоді VD1. Блок рахунку побудован на двох лічильниках DD3.1, DD3.2. Блок індикації складається з двох дешифраторів DD4, DD5, та саме індикаторів HL1, HL2. Елементи DD6.1-DD6.4, DD7.1, DD7.2 належать до складу блока перебудови коефіцієнтів. Блок вибору коефіцієнтів представлен перемикачем SA3.
Розроблена принципова схема представлена в документі ГРУПА.xxxxxx.123 Е3.
Опис принципу дії за принциповою схемою
Опис принципу дії присторою проводиться спираючись на принципову схему, яка представлена у документі ГРУПА.xxxxxx.123 Е3.
Робота генератору тактових імпульсів.
При натисканні кнопки SA1 на вивід 2 DD1.1 надходить рівень логічної одиниці, який дозволяє роботу генератора імпульсів на елементах DD1.1 та DD1.3. Також заряджається конденсатор С1 через резистор R1 і діод VD1.
З вихода генератора імнульси надходять на лічильники DD3.1 і DD3.2, які виконують підрахунок цих імпульсів від 0 до 36, або від 0 до 49. Частота генератора обирається із умови:
,
де f – частота генератора;
N – максимальне число заповнювання лічильника;
T – мінімальний час натискання кнопки.
Так як N=50, а T>=0,2 с – середній час реакції людини, то при частоті генератора 2...3 кГц буде мати місце багатократне заповнювання лічильника, а зупинка його буде при відпусканні кнопки запуску. З того моменту запускається одновібратор на 2...3 с и дозволяє світіння ціфрових індикаторів. Цей час обран виходячи із вимог достовірного зчитування отриманної інформаціїї, та мінімального енергопостачання.
Тривалість імпульсу на виводі 11 DD1.4 обчислюється за формулою:

Режим генерування чисел від 0 до 36
Пристрій скидання лічильників зібрано на мікросхемах DD6.1-DD6.4 і DD7.1, DD7.2. Управління режимом роботи здійснюється за допомогою перемикача SA3 «36 – 49» подачею логічного нуля або логічної одиниці на вивід 9 мікросхеми DD6.3.
Мікросхема DD7 сигналізує про надходження логічних сигналів при досягненні лічильником стану 37, такий стан виходить при наявності потенціалів логічної одиниці на виводах 1 і 14 мікросхеми DD4 і на виводах 7 і 9 мікросхеми DD5. Для узгодження по навантажувальній здатності цих мікросхем використовуються емітерні повторювачі на транзисторах VT2 і VT3, що керують роботою сегментів g індикатора HL1 і e HL2.
Режим генерування чисел від 0 до 49
Режим генерування чисел від 0 до 49 дуже схожий на процес, який описано у попередній частині, за винятком деяких розбіжностей.
У стані «49» на виводі 13 DD6.4 установлюється потенціал логічної одиниці і скидання лічильників у нульовий стан відбувається при досягненні значення 50, тобто в момент появи логічної одиниці на виводі 12 мікросхеми DD5, що приводить до зміни стану на виводі 8 DD7.2; у такий спосіб лічильники роблять підрахунок імпульсів від 0 до 49. Повторювач логічного сигналу, виконаний на двох інверторах DD6.1 і DD6.2, забезпечує розв'язку мікросхеми DD5 по навантажувальній здатності.
Розрахунок споживаних струмів і потужності, що розсіюється
Розрахунок споживаних струмів
Для визначення потужності, що розсіюється Pj необхідно знати напруги живлення (UП) і струм споживання (IП):

Споживані кожним типом мікросхем струми визначаємо на підставі їхніх паспортних даних. Максимальні значення струмів споживання для всіх типів використовуваних мікросхем приведені в табл.8.
Таблиця 4.
Струми споживання використовуваних мікросхем.
-
№ п.п.
Тип мікросхеми
Максимальний струм споживання (IПi,mА)
1
К555ЛА3
4,4
2
К555ИЕ20
26
3
К555ИД18
13
4
К555ЛА1
2,2
Таким чином, на підставі даних приведених у табл. 4 і переліку елементів (ГРУПА.xxxxxx.123 ПЕ), одержимо:
I = 2*4,4+26+2*13+2,2 = 63,00mВт.
Розрахунок потужності, що розсіюється
Споживану пристроєм потужність можна розрахувати як суму споживаних потужностей усіх мікросхем у відповідності з наступним вираженням:

де N – кількість типів мікросхем,
Pi – потужність споживана всіма мікросхемами типу N-го типу.
Причому, Pi визначається у відповідності з наступним вираженням:

де m – кількість мікросхем N-го типу,
Pj – потужність споживана однією мікросхемою N-го типу.
На підставі виражень одержимо:

Причому, тому що в даному випадку всі мікросхеми мають однакові напруги харчування (+5В), те:

Таким чином, знаючи струм, що споживає пристрій та напругу живлення можна обчислити потужність споживана від джерела живлення, котра складе:
P = 5 * 0,063 =0,32 Вт.
Результати застосування ЕОМ при проектуванні пристрою
Моделювання частини принципової схеми
Моделювання схем застусовують утих випадках, коли бажають більш глибоко розібратись, зрозуміти та протестувати роботу схеми або деякої її частини.
При розробці пристрою сполучення був використаний пакет моделювання електронних схем Electronics Workbench. У данному випадку за допомогою цього пакету було вирішено промоделювати більшу й найважнішу частину принципової схеми, що представлена у документі ГРУПА.xxxxxx.123 Е3. Було обрано для моделювання блок запуску, блок формування затримки, генератор імпульсів, блок рахунку, блок індикації. Получена схема наведена у Додатку 1.
Отримані часові діаграми приведені в Додатку 2.
Пояснення до часових діаграм.
На часових діаграмах відображені наступні сигнали:
перший – сигнал на виході генератору імпульсів;
другий – сигнал на виході блоку формування затримки;
останні вісім – сигнали на виході лічильників.
Оформлення конструкторської документації
При виконанні завдання ЕОМ використовувалася для створення основного комплекту конструкторської документації, що дозволило зробити тексти, розрахунки і таблиці більш точними і зручними для сприйняття.
Також був використаний пакет PCAD 4.5. За допомогою нього була зібрана схема пристрою.
Д
одаток
1. Схема до пакету Electronics Workbench

Додаток 2. Часові діаграми роботи пристрою
Висновки
У ході виконання курсового проекту був розроблений пристрій генератор випадкових чисел.
Пристрій складається з 7 мікросхеми серії К555. Пристрій має убудований тактовий генератор. Частота тактових сигналів 3 Кгц.
При вирішенні задачі поставленої в курсовому проекті оформлений основний комплект конструкторської документації, розроблені структурна і принципова схеми пристрою. При розробці пристрою була проведена мінімізація по кількості корпусів, що дало можливість зменшити апаратні витрати і підвищити надійність роботи пристрою, зменшити потужність, що споживається від джерела живлення. Документи приведені в курсовому проекті цілком пояснюють роботу спроектованого пристрою.
Пристрій спроектований на цифрових МС типу ТТЛШ серії К555 і може експлуатуватися відповідно до умов експлуатації мікросхем даних серій.
Список використаних літературних джерел
1. Орнатский П.П. Автоматические измерительные приборы. Киев, «Техника», 1965, 422 с. с ил.
Пресман А.И. Расчет и проектирование схем на полупроводниковых приборах для цифровых вычислительных машин. М. Изд-во иностр. лит., 1963, 376 с. с ил.
Аванесян Г.Р., Левшин В.П. Интегральные микросхемы ТТЛ, ТТЛШ: Справочник. М.: Машиностроение, 1993. - 256 с.: ил.
Новаченко И.В., Телец В.А. Микросхемы для бытовой радиоаппаратуры. Дополнение второе: Справочник. - М.: Радио и связь, 1991. - 272 с.: ил.
Савельев А.Я. Прикладная теория цифровых автоматов: Учеб. для вузов по спец. ЭВМ. - М.: Высш. шк., 1987. - 272 с.:ил.