Схема радиомодема
Самый простой радиомодем для ПК
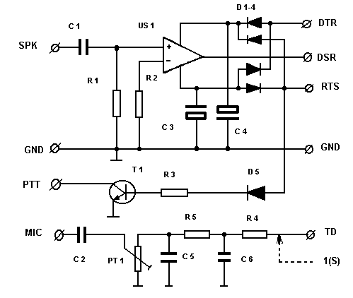
Данная схема радиомодема в большом количестве "валяется" по всему Интернету, но я всё-таки повторюсь. Данный радиомодем до ужаса прост в создании и эксплуатации, чем интересен не только начинающим радиолюбителям. Несмотря на простоту, он работает на скоростях до 9600 бод.
Для работы с данным радиомодемом достаточно 286/16Mhz компьютера с соответствующим программным обеспечением, трансивер УКВ ли КВ диапазона, имеющего гнездо управления PTT.

Данный модем подключается к порту RS-232 и питается непосредственно от него (сигналы RTS и DTR) и не требует дополнительного питания операционного усилителя. Диодный мост служит для обеспечения питанием в не зависимости от потенциалов на контактах RTS (Request to Send) и DTR (Data Terminal Ready).
На вход операционного усилителя подаётся НЧ сигнал с выхода трансивера. Минимальный уровень данного сигнала должен быть не менее 100 мВ. Выходной сигнал с операционного усилителя поступает на контакт DSR (Data Set Ready).
При передаче на соответствующий вход трансивера подаётся сигнал PTT. Положительное напряжение с линии RTS переводит транзистор Т1 в насыщенное состояние. В это время на микрофонный вход передатчика подаётся сигнал TD (Transmitteg Data), что становится причиной модуляции несущей. Цифровой сигнал при помощи RC фильтра меняется на синусоидальный, а потенциометр РТ1 помогает установить на выходе соответствующую амплитуду сигнала в зависимости от чувствительности микрофонного входа передатчика.


Весь радиомодем монтируется внутри пластикового корпуса переходника HD25/HD9 (мама-папа) с использованием печатной платы на рисунках сверху.
Необходимые радиодетали:
|
Резисторы |
Конденсаторы |
Диоды |
Микросхема |
Транзистор |
|
R1 82 kOm |
C1 100 nF |
D1-D5 |
ULY7741 |
BC107 |
|
R2 82 kOm |
C2 100 nF |
1N4148 |
||
|
R3 1,5 kOm |
C3 2,3mkF-16v |
|||
|
R4 4,7 kOm |
C4 2,3mkF-16v |
замена |
замена |
замена |
|
R5 4,7 kOm |
C5 10 nF |
КД521 |
TL061 |
КТ315 |
|
PT1 22 kOm |
C5 10 nF |
КД522 |
КР574УД1 |
другой npn |
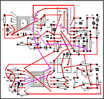
Схема универсального частотного радиомодема на 300/600/1200/2400/4800 бод.
Модем предназначен в основном для использования системах пакетной радиосвязи, но также может использоваться в радиосистемах общего назначения и проводных системах.
Модем не требует обязательного наличия аппаратного контроллера пакетной связи, работает с любыми программными контроллерами типа L2, TFPCX, TFX. При применении эмулятора Kiss-режима TFKISS может использовать программный контроллер TNC программ TCP/IP типа KA9Q, TNOS, JNOS. При использовании в стандарте ISO OSI (протокол Х25/АХ25) абонентской программы ТРК и программы Host-режима FBB скорости удваиваются за счет программного сжатия в 2 раза. Аналогично - при работе по стандарту ARPA (протокол TCP/IP). В состав модема входят 3 отечественные микросхемы серий 561 и 1401 (К561ГГ1, К561ИР2, 1401УД2Б). Всего - 59 элементов. Функционально модем состоит из двух завершенных частей-блоков: приемника и передатчика. Секции приемника и передатчика работают совершенно независимо. Общий ток потребления всего модема не превышает 3,2 мА по цепи +5 В. Аналогом представляемого модема являются микросхемы ТСМ3105, FX419, АМ0911. Модем на микросхеме ТСМ3105 содержит два корпуса и имеет 45 деталей. При практически одинаковом количестве элементов в обоих модемах несомненным достоинством модема на отечественной элементной базе является возможность получения скоростей выше по номиналу для более широкополосных каналов тональной частоты.

На скоростях 2400/2800 Бод предлагаемый частотный модем близок также по характеристикам к дуплексному FFSK, GMSK, 4-L FSK микросхем FX469, FX589, FX909, FX919. Он имеет высокую чувствительность и высокие статистические показатели по частоте сбоев в, условиях помех. Но в отличие от перечисленных однокристальных радиомодемов не требует подключения по постоянному току на варикап передатчика и с выхода частотного детектора приемника. Это ограничение является основным препятствием в работе с радиостанциями, не имеющими этих выводов для модема. Кроме того, в модеме нет размножения ошибок скремблирования, как в GMSK модеме, что не позволяет последнему работать с сигналами ниже 8...9 баллов по S-метру.
Представляемый частотный модем может иметь пять регуляторов: - регулятор средней частоты передатчика; - регулятор девиации передатчика; - регулятор средней частоты приемника; - регулятор девиации приемника; - регулятор скважности приемного сигнала и переключатель полосы приема (2,5/5 кГц).
Схема модема приведена на рисунке. Приемник построен по схеме ФАПЧ. На входе установлен детектор нуля микросхемы D1.1 С выхода детектора нуля сигнал поступает на частотный детектор ФАПЧ микросхемы D2. Выходной сигнал ФАПЧ подается на фильтр низких частот второго порядка на микросхеме D1.2 На выходе установлено пороговое устройство на микросхеме D1.3 Постоянная контура ФАПЧ определяется цепочкой R4 С4. Конденсатор С7 определяет частоту. Сопротивление R11 устанавливает среднюю частоту, a R12 - девиацию частоты.
Приемник требует настройки порогового элемента путем установки значения сопротивления R14 для получения скважности равной 2. Передатчик построен на основе ЧМ-модуляции с непрерывной фазой. Могут быть следующие виды соотношений без разрыва фазы: 0,5/1; 0,75/1,25; 1/1,75; 1/2 периодов поднесущего колебания.
Сопротивление R23 и диод VD2 обеспечивают ключевой режим работы управляющего элемента ГУНа передатчика (микросхема D1.4), которым является транзистор VT2. Сопротивления R26 и R 17 совместно с конденсаторами определяют параметры частоты.
Сопротивление R24 и конденсаторы Cll, C12 определяют параметры частоты передатчика.
Скорости и частоты приведены в таблице, где FH - нижняя частота, Fcp - среднее значение частоты, FB - верхняя частота.
|
Скорость передачи (Бод) |
Частоты (Гц) |
|||
|
FH |
Fcp |
FB |
при манипуляции 0/1 |
|
|
300 |
1600 |
1700 |
1800 |
10/12 |
|
600 |
1500 |
1700 |
1900 |
5/6,3 |
|
1200 |
1200 |
1700 |
2200 |
1/1,75 |
|
2400 |
1200 |
1700 |
2200 |
0,5/0,875 |
|
4800 |
2400 |
3400 |
4400 |
0,5/0,875 |
Таблица составлена таким образом, чтобы обеспечить минимальные переключения при переходе 1200/ 4800.
На скоростях 300/600/1200/2400 бод модем работает в типовом канале тональной частоты, на скорости 4800 бод - в нестандартном канале тональной частоты (удвоенной ширины).

ГУН передатчика выполнен на микросхеме D1.4 Его выходной сигнал поступает на кольцевой счетчик. Кольцевой счетчик выполняет функции формирования ступенчатого синусоидального сигнала, модулированного по частоте с непрерывной фазой (16-ступенчатая синусоида без разрыва фазы на выходе резистивного сумматора). Спектр выходного сигнала, полученного таким образом, имеет минимальную ширину и равен 1,15 от полосы девиации. ГУН работает на частоте в 16 раз выше частот девиации, указанных в таблице, и управляется входным цифровым потоком.
На транзисторах VT3 и VT4 выполнены элементы шунтирования выходного сигнал и управление включением передатчика. На элементах VD1, VD3, VBW'eor брана схема паразитного питания от RS232 компьютера, а на микросхеме DD4 - стабилизатор напряжения 5 В.
Светодиод VD1 (АЛ107А) является индикатором зависания порта RS232, индикатором работы приема и передачи. Индикация осуществляется на основе частичного изменения светимости диода. Имеются следующие режимы индикации. Если программа выгружена из ОЗУ, а индикатор горит, значит завис порт. Общее свечение означает, что модем работает, и загружена в ОЗУ резидентная программа TNC. При передаче яркость свечения диода VD1 уменьшается на 50%, а при приеме - на 30%. Изменяя параметры сопротивлений R11, R12, R24 плавно или дискретно с помощью переключателей, легко получить необходимые скорости передачи в обычном канале тональной частоты или в канале удвоенной ширины. Для получения пяти скоростей эти сопротивления можно выполнить в виде линейки из трех по пять сопротивлений, установленных на навесном переключателе или на плате. Наиболее удобно выполнить ряд этих сопротивлений на основе сопротивлений СП 19-1. Неточность установки номиналов частот 20% существенного влияния на работу схемы нс оказывает.
Уменьшение значения емкости конденсатора С8 в два раза дает удвоенную полосу пропускания. Конструкция модема может быть следующей. Модем выполняется на двусторонней плате шириной 75 мм и длиной 78 мм. Плата впаивается в торцы двух разъемов 25 pin. Корпус имеет П-образную форму и накрывает по высоте и длине на 3 мм разъемы. Нижняя плоская часть корпуса вставляется между упорными фланцами разъемов. Крепление корпуса осуществляется без винтов за счет защелок снизу в боковины П-образного корпуса. Переключатели и переменные сопротивления устанавливаются с нижней стороны платы. Для доступа к ним предусматриваются отверстия в нижней плоской части корпуса
Радиомодемы Т1/Е1 могут стать недорогим решением для передачи речи и данных. Наши испытания показали, что это достойная альтернатива проводным системам
Вы хотите построить надежную территориально распределенную сеть для передачи речи и данных и при этом обойтись без аренды выделенных проводник каналов и без получения частотной лицензии? Это вполне возможно с помощью радиомодемов Т1/Е1, функционирующих в нелицензируемых в большинстве стран мира диапазонах 2,4 и 5,8 ГГц (см.: "Недицензируемые диапазоны"). Один раз затратив средства на покупку и установку радиооборудования, вы избежите необходимости ежемесячно оплачивать дорогостоящие проводные каналы Т1/Е1. Не менее важно и то, что беспроводными каналами можно охватить те области, где кабельная инфраструктура отсутствует, что часто бывает, например, в сельской местности.
Давно и хорошо известные многим радиорелейные системы стоят, как правило, очень дорого, а для их эксплуатации требуется наличие лицензии. В результате технического прогресса на рынке появились альтернативные радиосистемы, использующие технологии расширения спектра и работающие в диапазонах 2,4 и 5,8 ГГц, Сейчас выпущено уже много таких продуктов. Некоторые из них имеют пропускную способность 10 Мбит/с и предназначены в первую очередь для соединения ЛВС Ethernet - это так называемые радиомосты. Другой тип этих продуктов - радиомодемы, которым и посвящен этот обзор. Они служат для организации каналов Т1 (1,5 Мбит/с) и Е1 (2 Мбит/с) и лучше подходят для одновременной передачи речи и данных, правда стоят дороже 10-Мбит/с радиомостов.
Мы протестировали пять моделей радиомодемов Т1 - Tracer фирмы Adtran, BreezeLink фирмы Breezecom, Lynx. sc фирмы Glenayre Western Multiplex (GWM), AirPro T1/E1 фирмы P-Com и Speedcom T1/E1 фирмы Wave Wireless (все они либо непосредственно поддерживают интерфейс Е1, либо имеют модификации с этим интерфейсом. - прим. ред.). Основная цель наших испытаний состояла в оценке возможностей использования радиомодемов для передачи речи и данных в городских сетях.

Победителем наших тестов стал простой в установке и безупречный в работе радиомодем Lynx. sc. Этот продукт фирмы GWM на одну десятую балла опередил изделия Tracer и AirPro. Следует отметить, что GWM предлагает большой набор одно - и многоканальных систем T1/E1, работающих в диапазонах 2,4 и 5.8 ГГц.
|
Методика и результаты тестирования |
|
В ходе испытаний радиомодемов Т1 мы задействовали ступенчатые аттенюаторы 8494В и 8495B фирмы Hewlett-Packard для имитации ослабления сигнала, которое наблюдается при работе на большие расстояния в реальных условиях. С каждым модемом BreezeLink фирмы Breezecom использовались две антенны, поэтому мы установили аттенюаторы на обоих каналах. Каждый радиомодем через интерфейс Т1 был подключен к устройству доступа DataSmart 658 фирмы ADC Kentrox. В 1,5-Мбит/с потоке 16 каналов по 64 Кбит/с были выделены под передачу данных и восемь каналов - под передачу речи. Данные пересылались между маршрутизаторами Cisco 3600 и 2500 фирмы Cisco Systems, а телефонная связь обеспечивалась учрежденческими АТС Meridian 1 фирмы Nortel Networks. Задав затухание в радиолинии равным 60 дБ, мы стали проверять телефонную связь через беспроводной канал Т1. Все продукты обеспечивали хорошую связь. Для оценки производительности систем при передаче данных мы подсоединили компьютер Micron Millennia Рго2 (200-МГц процессор, Windows NT 4.0) к одному маршрутизатору и портативный компьютер Micron GoBook (233-МГц процессор, Windows 98) к другому и задействовали тестовое ПО Chariot фирмы Ganymede Software. Для каждого продукта проводилось по три теста Cliariot no пересылке длинного файла в обоих направлениях (каждый тест длился две минуты). Полученные результаты усреднялись и сравнивались с результатом выполнения такого же теста по проводному каналу Т1 между устройствами DataSmart 658. |
По нашей тестовой сети передавались как данные - через маршрутизаторы Cisco, так и телефонный трафик - через УАТС Meridian фирмы Nortel Networks. Все радиомодемы справились с заданием, но только изделия Lynx. sc смогли обеспечить такую же скорость передачи данных, что была зафиксирована на проводном канале Т1. Система Tracer чуть-чуть не дотянула до 100% -ного показателя, близки к этому были и продукты AirPro и Speedcom (см.: "Методика и результаты тестирования"), и только радиомодемы BreezeLink оказались не на высоте (всего 84,19%). Вместе с тем все продукты обеспечили качественную телефонную связь между УАТС.

Установка радиомодемов - это дело профессионалов (см.: "Инсталляция радиомодемов"). Нацеливать антенны, особенно на расстояние в несколько десятков километров, непросто. Необходимо установить фильтр грозозащиты и выполнить другие требования по безопасности. Выбор подходящих кабелей, антенн и определение уровня выходного сигнала требуют знаний характеристик распространения радиосигнала и учета влияния на них метеоусловий. Для всех продуктов, кроме BreezeLink, было заявлено, что они поддерживают связь на расстоянии 16 км и более с надежностью 99,999% (максимум 5,25 мин простоя в год). Фирма GWM утверждает, что сотни ее продуктов успешно работают на расстоянии 80 км и более.
|
Инсталляция радиомодемов |
|
При установке радиосистем необходимо обеспечить, чтобы отношение сигнал/шум в точке приема было не менее допустимого производителем значения. На это отношение влияет множество факторов, в том числе особенности радиомодема, конструкция антенны, тип кабеля, дальность связи. Некоторые фирмы предлагают программные средства, которые помогают правильно сконфигурировать канал связи. Например, Adtran предоставляет для этого бесплатный анализатор, который можно скачать через Интернет. Уровень мощности выходного сигнала обычно измеряется в единицах дБм (децибелы, отсчитываемые относительно 1 мВт). Выходная мощность большинства протестированных нами устройств составляет 20 дБм, Надо отметить, что некоторые страны налагают ограничения на величину EIRP (мощность эквивалентного изотропного излучателя), например, в Канаде она не должна превышать 36 дБм. При использовании единиц дБм довольно просто учесть влияние всех пассивных и активных компонентов радиосистемы. Чувствительность приемника показывает, насколько слабым может быть получаемый сигнал при условии обеспечения требуемого качества связи. Например, чувствительность приемника радиомодема Lynx. sc фирмы GWM составляет - 93 дБм, поэтому при использовании этих радиомодемов в процессе передачи допустимо ослабление сигнала 113 дБ. Антенны усиливают сигнал, увеличивая дальность связи. И хотя с рассматриваемыми радиомодемами могут использоваться недорогие антенны типа Yagi, большинство фирм рекомендуют применять параболические антенны с большим коэффициентом усиления. В диапазоне 5,8 ГГц антенна с двухфутовым (0,6 м) рефлектором обеспечивает усиление сигнала примерно 29 дБ, а с восьмифутовым (2,4 м) - около 41 дБ. Свой вклад в общее ослабление сигнала вносят потери в кабелях, которые соединяют радиочастотные модули с антеннами. Величина этих потерь зависит от типа используемого кабеля и частоты сигнала. По данным фирмы GWM, большинство ее клиентов, работающих на частоте 2,4 ГГц, используют полудюймовый коаксиальный кабель с коэффициентом затухания 12,5 дБ на 100 м (на частоте 5,8 ГГц затухание сигнала в этом кабеле составит уже 21,6 дБ/100 м). Покупатели 5,8-ГГц систем выбирают уже другой кабель - 5/8-дюймовый heliax с коэффициентом затухания на этой частоте, равным 15,4 дБ/100 м. Некоторые фирмы предлагают монтируемые на антенные мачты радиочастотные устройства, использование которых позволяет значительно снизить потери в кабелях. Ослабление сигнала происходит, естественно, и при его передаче по воздуху (в радиолинии). Эти потери рассчитываются с помощью специальных математических формул и зависят от частоты сигнала и дальности связи. Например, при связи на расстоянии 16 км в диапазоне 5,8 ГГц потери в радиолинии составят примерно 132 дБ. И еще один фактор, который необходимо принимать во внимание, проектируя линии связи, - это запас на замирание (fade margin). Он позволяет учесть увеличение потерь из-за плохих метеоусловий. |
Нас разочаровали средства управления радиомодемами. Основным средством конфигурирования некоторых продуктов являются DIP-переключатели. В тех же случаях, когда доступен программный интерфейс, его зачастую сложно использовать. Мы были очень удивлены, обнаружив, что ни один из продуктов не имеет встроенной поддержки протокола управления SNMP. Производители обратили наше внимание на то, что во многих инсталляциях IP-доступ к их продуктам не возможен (например, когда их устанавливают на радиовышках сотовой связи). Однако при организации корпоративной связи типа "точка-точка" такой доступ почти всегда есть. В условиях все возрастающего числа корпоративных клиентов, производители радиомодемов понимают всю важность создания средств SNMP-управления и ведут соответствующие разработки. Пока же для удаленного управления они рекомендуют использовать доступ по коммутируемым телефонным линиям или задействовать продукты-посредники SNMP, которые транслируют аварийные сигналы, поступающие через последовательный порт.
Радиомодемы Т1/Е1 на основе технологии расширения спектра являются достойной альтернативой проводным каналам Т1/Е1 и могут с успехом использоваться в городских и более протяженных сетях. Они работают в диапазонах 2,4 и 5,8 ГГц, которые не лицензируются в большинстве стран мира. При правильной установке на вышках или крышах зданий эти радиомодемы способны обеспечить связь на расстояние до 80 км.
Мы испытали возможности пяти продуктов по передаче телефонного графика и графика данных. Все они показали вполне приемлемые результаты, хотя работали с разной производительностью. С одной стороны, устанавливать радиомодемы было довольно легко, а с другой - нас разочаровало отсутствие в них встроенных средств поддержки протокола управления SNMP.
Радиомодем Lynx. sc фирмы Glenayre Western Multiplex (GWM) был признан нами лучшим. Он безупречно работал во время тестов. Следует отметить, что GWM поставляет обширный набор радиомодемов, поддерживающих как один, так и несколько потоков Т1/Е1 и работающих в диапазонах 2,4 и 5,8 ГГц. Самыми недорогими продуктами - участниками нашего обзора оказались радиомодемы AirPro T1/E1 фирмы Р-Com и BreezeLink фирмы Breezecom.