Проектування офісу по ремонту ЕОМ
ЗМІСТ
Вступ
1. Графічне моделювання офісу Ремонт ЕОМ
1.1 Початкові дані для проектування офісу
1.2 Опис призначення офісу та його програмне забезпечення
1.3 Співробітники офісу
1.4 Альтернативне комп'ютерне устаткування. Критерії вибору однієї з альтернатив
1.5 План офісу і його об'ємне зображення
1.5.1 План офісу з указівкою розмірів
1.5.2 Об'ємне проектування будинку
1.5.3 Інтер'єр усіх кімнат
1.5.4 Територія проектованого будинку
1.6 Електропостачання офісу
1.6.1 Місце розміщення в офісі електротехнічної арматури
1.6.2 Схема електропостачання
1.6.3 Розрахунок кабельної продукції для електропостачання
1.6.4 Розрахунок струму в окремих частинах схеми електропостачання
1.6.5 Розрахунок споживаної електроенергії в середньому за день і за місяць. Оплата електроенергії
1.7 Висновки щодо проекту офісу
2 Математичне моделювання
2.1 Завдання 1.1
2.2 Завдання 1.2
2.3 Завдання 2.1
2.4 Завдання 2.2
Висновок
Список використовуваних джерел
Додаток – Презентація проектованого офісу
ВСТУП
Відомо, що за останні десятиліття в багатьох сферах людської діяльності явно простежується величезний прорив у розвитку науки й техніки. У діяльності людини, по геометричній прогресії, впроваджується комп'ютеризація й автоматизація.
Різні можливості й границі застосування обчислювальної техніки для автоматизації проектування визначаються рівнем формалізації науково-технічних знань у конкретній галузі. Чим глибше розроблена теорія того або іншого класу технічних систем, тим більші можливості об'єктивно існують для автоматизації процесу їхнього проектування.
Під автоматизацією проектування розуміють систематичне застосування ЕОМ у процесі проектування при науково обґрунтованому розподілі функцій між проектувальником й ЕОМ і науково обґрунтованому рішення задач.
Ціль автоматизації - підвищити якість проектування, знизити матеріальні витрати на нього, скоротити строки проектування й ліквідувати зріст числа інженерно-технічних працівників, зайнятих проектуванням і конструюванням.
Проектування являє собою цілеспрямовану послідовність дій по реалізації проектних рішень, що приводять до створення опису об'єкта проектування, достатнього для виготовлення об'єкта і його експлуатації в заданих умовах.
Особливістю автоматизованого проектування є те, що в ході проектування відбувається постійний діалог людини з ЕОМ в процесі створення опису об’єкта [1, 2, 5].
Дана курсова робота присвячена автоматизованому проектуванню складних систем, які характеризуються ієрархією, різноманіттям зв'язків між елементами, багаторазовою зміною стану, множиною показників якості й критеріїв. Окремі частини складних систем можуть розглядатися як система.
Для вивчення й проектування систем використають:
математичне моделювання (заміна реальної системи її математичним описом на різних рівнях абстракції), що значно скорочує витрати на створення моделей - проводиться на ЕОМ без додаткових приладів;
геометричне моделювання (процес побудови форми об'єкта - поступова її деталізація в міру розвитку ідей розроблювача), що реалізується за допомогою САПР й являє собою роботу з формами в тривимірному просторі;
фізичне моделювання (макетування); що є альтернативою математичному.
Модулювання - дослідження яких-небудь явищ, чи процесів систем об'єктів шляхом побудови і вивчення їхніх моделей.
Задачею даної курсової роботи є автоматизування розрахункових задач проектування (рішення систем рівнянь, побудова графіків залежності, оптимізація, моделі об'єктів) і графічне проектування офісу на підставі вихідних даних (розміри офісу, його устаткування та напрямок діяльності), програмне забезпечення, що буде використано для реалізації роботи: MS Excel, MathCAD, 3D Home Architect 8.0 Delux.
Актуальність проекту - проекту полягає у тому, що, проектування розвиває абстрактне та наочне мислення згідно з сучасними потребами суспільства, а також даний проект можна використовувати в якості прикладу для наступних студентів
1. ГРАФІЧНЕ МОДЕЛЮВАННЯ ОФІСУ
1.1 Початкові дані для проектування офісу
|
Діяльність офісу |
Ремонт ЕОМ |
|
Кількість комп'ютерів |
3 |
|
Кількість принтерів |
2 |
|
Блоки безперебійного живлення |
1 |
|
Кількість сканерів |
2 |
|
Модем |
+ |
|
Телевізор (підключення до ЕОМ) |
- |
|
Кондиціонер |
- |
|
Музичний центр |
+ |
|
Осцилограф (підключення до ЕОМ) |
+ |
|
Корисна площа офісу (кв.м) |
25 |
|
Завдання 1.1 |
1 |
|
Завдання 1.2 |
30 |
|
Завдання 2.1 (А,Б, варіант) Ємність для поливу газона |
15 |
|
Завдання 2.2 |
5 |
1.2 Опис призначення офісу і його програмне забезпечення
На підставі вихідних даних можна припустити, що в офісі може працювати З чоловіка. Так як ця установа призначена для роботи в сфері програмування, то необхідні наступні кадри: два спеціаліста по ремонту ЕОМ та менеджер.
Офіс може виконувати:
Зборка ПК
Налагодження ПК
Настроювання ПК
Для використання в даній установі більш усього підійде Windows XP Professional, тому що це одна із самих нових і надійних операційних систем. Вона має найбільшу універсальність, широке поширення, а також має особливу підтримку з боку апаратного й програмного забезпечення. Для комп'ютера, що працює в цій системі, найпростіше підібрати прикладні програми й драйвери.
Завдяки графічному інтерфейсу Windows XP є простою для використання, тому немає необхідності навчати операторів для переходу на нову операційну систему(ОС). Основною відмінністю цієї ОС від попередніх версій є надійність і стабільність роботи. Вона більше мультимедійна та функціональна. Побудована на фундаменті перевіреної технології Windows 2000, а також нові й поліпшені засоби, розроблені спеціально для бізнесу й досвідчених користувачів. Час запуску знижений, а стабільність роботи офісних програм вище, ніж у будь-який попередньої операційної системі. Підтримка декількох моніторів дозволяє переглядати більше даних або одночасно виводити вікна двох різних програм.
PC Booster автоматично й збережено оптимізирує весь Ваш комп'ютер: налагоджує системну частину, Інтернет, пам'ять, жорсткий диск, CD-ROM/DVD-ROM, робочий стіл, і завантажувальні установки для максимальної продуктивності.
Автоматично підвищує швидкість Вашої системи на 100% без додавання нових пристроїв.
Завантаження й вимикання комп'ютера відбувається швидше. Автоматично виключає не програми, що відповідають, звільняючи системні ресурси й тим самим запобігає збій у системі. Перевага Авто-Настроювання PC Booster тестує 9 різними системами модулів, у результаті будь-які проблеми Вашої системи будуть продіагностірованниє протягом декількох хвилин.
Questіon Tools EdіtorSuіte - це полнофункциональная, безкоштовна програма по електронному навчанню. Не потрібні ніякі навички в програмуванні, написанні скриптов й HTML. Набір містить у собі Редактори, SіmpleSet і Додаток Exam, за допомогою яких Questіon Tools EdіtorSuіte дозволить створювати відмінні, інтерактивні електронні уроки, вправи й тести для поставки, використовуючи безкоштовну програму Questіon Tools Exam або ж будь-який сучасний веб браузер - не потрібно ніякого плагина веб браузера. Якщо ви можете користуватися Mіcrosoft Word, тоді ви без проблем упораєтеся з Questіon Tools EdіtorSuіte.
Типи питань: вибір, правильно/неправильно, гаряча крапка, меню, текстова відповідь, довга відповідь і перенос. Готові до використання зразки, особливості ефективних стилів. Створення інтерактивних уроків, завдань і тестів. Відкриває й тестує безліч екранів у редакторі. Управляє картинками, звуками й відео в різних форматах, включаючи MP3 й MPEG. Багатобічна здатність скасування зрозуміла допомога. Підтримує такі мови як англійський, іспанський і голландський. Перевірка орфографії так само як й "знайти й замінити". Монтажний стіл для швидкого переносу тексту на місце. Убудовані можливості для впаковування й стиску джерел файлів.
StorageCraft ShadowServer надає повне відновлення системи за час, що менше перезавантаження. StorageCraft ShadowServer - це ваша перша лінія оборони, що дозволить зменшити час і витрати, необхідні для переустановки операційної системи, відновлення з образи й відновлення із записаного резервного архіву. Уникайте перекручування веб сервера, проблем з безпекою й інші проблеми, які можуть вплинути на перебої з роботою сервера.
- Видаляє шпигунів і шкідливі програми.
- Знищуйте віруси, хробаків і Троянов.
- Тестирует інсталяції програм і безпечно обновляє систему.
- Зберігає оригінальну системну конфігурацію й продуктивність.
- Зменшує загальні витрати власника.
Унікальний метод StorageCraft ShadowServer дозволить вам активувати особливий режим ShadowMode, що зробить точний знімок системи вашого сервера й запустить віртуального близнюка. Ваш сервер буде функціонувати як завжди, дозволяючи вам обслуговувати веб сторінки, запускати додатка або надавати файлові або друковані сервисы. Якщо ваш сервер має які-небудь проблеми, просто скиньте вашу систему й відновите її назад в оригінальний, оптимальний стан.
Є кілька рішень на ринку в цей момент, які намагаються вирішити різні проблеми з вірусами й хробаками, шпигунами й іншими шкідливими й непотрібними змінами сервера. Проблема з даними методами в постійних відновленнях і виправленнях, які не доступні, доти поки на вашому сервері вже будуть віруси, шпигуни або інші шкідливі й непотрібні зміни, які зашкодять вашу систему.
Метод StorageCraft ShadowMode виключає проблеми, перед тим як вони досягнуть вашого сервера. Наш унікальний підхід надає "Запобігання від проблем", крім проблем з безпекою, захистом даних і відновлення системи, перед тим як вони трапляться. Уникайте час відключення сервера, підтримуйте оптимальну продуктивність і зменшуйте витрати на зміст сервера й підтримку.
Оптимальний зміст сервера дозволить вашому бізнесу успішно функціонувати.
Opera 10 – веб-браузер і програмний пакет для роботи в Інтернеті, що випускається компанією Opera Software. Відмінними рисами Opera є багато сторінковий інтерфейс (система вкладок у вікні програми) та можливість масштабування відображуваних документів цілком, разом з графікою
1.3 Співробітники офісу
Функції спеціалістів по ремонту ЕОМ полягають у налагоджені, настроюванні та збірці ЕОМ за замовленням клієнтів, а також тестування за допомогою тестових програм зібраного устаткування.
Функції менеджера: приймає клієнтів, виясняє потреби клієнтів, відповідає на вхідні дзвінки, контролює роботу інформаційного відділу, заключає договори з замовниками, виясняє потреби замовника, домовляється про оплату послуг офісу, робить розрахунки згідно з роботи офісу, виплачує заробітну плату співробітникам
Час роботи офісу: з 9-00 до 15-00, перерва з 12-00 до 13-00 годин. Вихідний - субота, неділя.
1.4 Альтернативне комп'ютерне встаткування. Критерії вибору
Так як особливістю проектування є здійснення оптимального вибору з декількох варіантів, відповідно до критеріїв оптимальності, то було зроблено два варіанта комп’ютерного устаткування.
Склад комп’ютерного устаткування вироблявся, виходячи із заданого встаткування (3 комп’ютера. 2 принтера, 2 сканера, 1 блок безперебійного живлення, музичний центр, осцилограф, модем).
Перший варіант
Таблиця 1. Устаткування (1 варіант)
|
Комплектуючі |
Характеристики |
Ціна, грн |
|
Материнська плата |
Biostar AM2 NF 770 A2+ |
450 |
|
Процесор |
AMD Athlon 64 5200+ X2 AM2 box,ADA5200DOBOX |
600 |
|
Оперативна пам'ять |
DDR2 1024MB 800 MHz Kingston PC6400 |
259 |
|
HDD |
SAMSUNG 1600.0g Serial ATA-II (ATA-300) (NCQ) 8Mb Buffer (HD160JJ) |
1000 |
|
FDD |
FDD 3.5 1.44 SONY |
150 |
|
Оптичний привід |
DVD+R/W LG Bulk, Double Layer (GSA-4167BBB) |
300 |
|
Корпус |
ATX KM KOREA MAST USB, 300W, Dark Grey |
400 |
|
Відеокарта |
PCI-E, ATI Radeon x700 256MB DDR, 128bit DVI, TV Sapphire |
515 |
|
Вентилятори |
COOLER MASTER CK8-JD2B-99 Sock 754/939 Athlon 64 5200+ |
80 |
|
Коврік |
Mouse Pad GEL WF01 |
10 |
|
Клавіатура |
Keyboard, SVEN KB-2125 beige/blue, Black/silver, PS/2 |
65 |
|
Миша |
Mouse, A-4 Tech OP-620 PS/2White\Silver\Black, wheel 650cpi |
75 |
|
Акустика |
Sven MS-250, 2x10,5W, 35-18KHz 2 колонки + саб. буфер |
150 |
|
Монітор |
22 SAMSUNG 913N ESKSB 8ms |
1700 |
|
Шлейф |
Cable IDE |
18 |
|
Разом |
5772 |
Вартість 3 комп'ютерів - 17316 грн.
Таблиця 1.2. Додаткове устаткування (1 варіант)
|
Устаткування |
Характеристики |
Ціна, грн |
|
Модем |
Факс-модем D-Link DFM-562IS(зовнішній, PCI, до 56KB/s(V.90, k56flex),факс до 14.4KB/s,G3,голосовий, Conexant HSFi CX11252) |
320 |
|
Джерело безперебійного живлення |
APC Back-UPS 500CS VA (300W) |
400 |
|
Принтер |
CANON Pixma-1500 |
600 |
|
Сканер |
EPSON PERFECTION V10/V100 PHOTO/V350 PHOTO |
425 |
|
Музичний центр |
LG |
1200 |
|
Осцилограф |
LG |
960 |
|
Разом |
3905 |
Загальна вартість устаткування: 21221 грн.
Для проектування складних систем необхідно мати альтернативи, тобто варіанти вибору. Для здійснення оптимального вибору з декількох варіантів, за критеріями оптимальності, було спроектовано два варіанти комп'ютерного устаткування.
Другий варіант
Таблиця1.3. Устаткування (2варіант)
|
Комплектуючі |
Характеристики |
Ціна, грн |
|
Материнська плата |
ASUS K8V-MX; Socket 754; VIA K8M800+VT8237R; 2DDR; 3xP, 1xA; Video; Sound-6ch; Lan; 2xSATA; 2xATA133 |
390 |
|
Процесор |
Athlon 64 3000+ Trey Socket-939 |
499 |
|
Оперативна пам'ять |
DDR 512 Mb DDR 400 PC3200 BRAND HYNIX |
200 |
|
HDD |
1000.0 Gb; WESTERN DIGITAL; WD.G1NC10000My Book World Edition |
956 |
|
FDD |
Дисковод 3,5" Mitsumi 1,44Mb,black |
65 |
|
Оптичний привід |
DVD+RW/-RW & CDRW NEC ND-7173S Silver S-ATA (OEM) |
350 |
|
Відео карта |
125 Mb GeForce 9500GT; HDCP+DVI; Palit |
560 |
|
Вентилятори |
COOLER GLACIALTECHIGLOO 7520 LIGHT/EB AMD |
120 |
|
Шлейф |
SATA |
20 |
|
Корпус |
DELUX DLC-SF473 silver/black; Midi Tower; ATX; 440W P4, 20+4 pin; 5.25"x3, 3.5"x1e+6i; ATX w/USB |
500 |
|
Клавіатура |
Logitech Internet 350,USB,OEM |
110 |
|
Миша |
A4TECH OP-3D-1 Red; 2x button; optical; PS/2; (RET) |
95 |
|
Акустика |
Genius SP-I201U вихід на наушники, чорний лак, USB |
200 |
|
Монітор |
19" SAMSUNG SM 2032BW; Black glossy; 16:10; 2 мс; 1680x1050; 300 кд/м2; у/о 170; 1000:1 (DC 3000:1); |
1699 |
|
Коврік |
POD MISHKU |
15 |
|
Разом |
5779 |
Вартість 3 комп'ютерів – 17337 грн.
Таблиця 1.4. Додаткове устаткування (1 варіант)
|
Устаткування |
Характеристики |
Ціна, грн |
|
Модем |
D-Link DSL-2540U/RU ADSL2+Ethernet 4 port switch (w/splitter) |
390 |
|
Джерело безперебійного харчування |
APC Back UPS ES 525 (BE525-RS)(525 VA / 300W) (AVR, Диап.раб.напряж.: 160-280V(47/53Гц);розетки Shuko: 3(живлення від батареї) и 1 (фільтр), USB порт, с кабелем, зах. Комун. устаткування; в комплекті ПО, підзарядка 3-5 годин) |
400 |
|
Принтер |
XEROX Phaser 3117; A4; 600 dpi ; 16 ppm; 8 Mb; USB 1.1; GDI; (картр.3000(1000 ст.) стр.; мес. ресурс |
550 |
|
Сканер |
Canon CanoScan LiDe 25 |
500 |
|
Музичний центр |
KENWOOD |
1500 |
|
Осцилограф |
LG |
1250 |
|
Разом |
4590 |
Загальна вартість устаткування: 21927 грн.
Для проектування офісу, ми приймаємо перший план, тому що в другому плані вартість устаткування більше чим у першому. По застосуванню устаткування із першої таблиці ні чим не уступає другому й гарантія на експлуатацію дається однакова.
1.5. Опис проектування офісу та його інтер’єрів
План офісу розроблявся, виходячи з кількості співробітників, корисної площі офісу і заданого встаткування (3 комп'ютери, 2 принтери, 2 сканери, 1 блок безперебійного живлення, музичний центр, осцилограф). На плані показанні меблі, комп’ютери, електротехнічні арматури (розетки, вимикачі, світильники), вікна і двері.
1.5.1 План офісу з указівкою розмірів
Розробляємо два плани офісів, щоб на основі отриманих даних вибрати оптимальний план (рис. 1.1) та (рис. 1.2).

Рисунок 1.1 – 2D план офісу А

Рисунок 1.2 – 2D план офісу Б
План офісу розроблявся, виходячи з кількості співробітників, корисної площі офісу і заданого встаткування (2 комп'ютери, 2 принтера, 2 блоки безперебійного живлення, 1 сканер, модем, телевізор, кондиціонер і муз. центр). Враховуючи ці критерії ми обираємо план Б, як оптимальний і подальша розробка буде вестися на основі цього плану (рис. 1.2).

Рисунок 1.3 – 2D план офісу із розмірами
На плані показанні меблі, комп'ютери, електротехнічні арматури (світильники, вимикачі, розетки), вікна й двері (рис 1.4).

Рисунок 1.4 – 2D план офісу із меблями та необхідним устаткуванням
1.5.2 Об’ємне проектування будинку

Рисунок 1.5 –3D вид створеного офісу
1.5.3 Інтер’єр усіх кімнат

Рисунок 1.6 – Кімната менеджера

Рисунок 1.7 – Кімната спеціалістів по ремонту ЕОМ

Рисунок 1.8 – Туалетна кімната
1.5.4. Територія проектного будинку

Рисунок 1.9 – 2D план ландшафту

Рисунок 1.10 – План офісу в аксонометрії

Рисунок 1.11 – План офісу в аксонометрії
1.6 Електропостачання офісу
Для встановлення електротехнічної апаратури (світильників, вимикачів, розеток, електричних сполучних коробок та розподільчого щиту треба урахувати, що розподільчий щит треба розміщувати біля дверей для економії електропроводу та функціональності його використання.
1.6.1 Місце розміщення і офісі електротехнічних арматур
Електричні сполучні коробки треба встановлювати так, щоб максимально скоротити довжину кабелю та встановлювати на місцях розриву електропроводу.

Рис 1.12 – Розміщення електротехнічної арматури
1. Розподільчий щит.
2. З’єднувальні коробки.
3. Вимикачі.
4. Розетки.
5. Світильники.
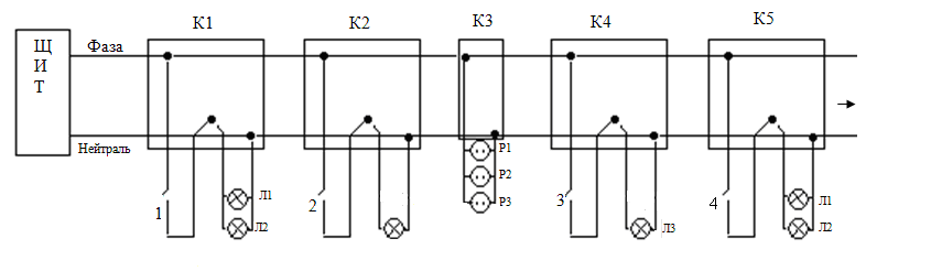
1.6.2 Схема електропостачання
Наступний етап, полягає в необхідності, показати на плані офісу електротехнічні арматури (світильники, вимикачі, розетки, електричні сполучні коробки).
Наступний етап, полягає в необхідності, показати на плані офісу електротехнічну арматуру (світильники, вимикачі, розетки, електричні сполучні коробки).
На рис.1.13 показана схема підключення світильників і розеток моделі офісу.


Рис 1.13 – Схема електропостачання офісу (продовження)
Пояснення:
Л1, Л2 – Люстра 1 у холі, ставиться до коробки 1.
Л3 – Люстра 3, у кімнаті менеджера, ставиться в коробці 2
Л4 – Люстра 4, у вбиральні, ставиться в коробці 4.
Л5, Л6 – Люстра 5, у інформаційному відділі, ставиться в коробці 5.
Р1, Р2, Р3 – Розетки у кімнаті менеджера для особистих потреб менеджера.
Р4, Р5, Р6, Р7 - Розетки 1 у інформаційному відділі для комп’ютерного устаткування (комп’ютера, сканера, модему).
Р8, Р9, Р10, Р11 - Розетки 1 у інформаційному відділі для комп’ютерного устаткування (комп’ютера, сканера, принтера та осцилографа).
Р12, Р13, Р14, Р15 - Розетки 1 у інформаційному відділі для комп’ютерного устаткування (комп’ютера, сканера, принтера, блоку безперебійного живлення).
К1 - Коробка 1
К2 - Коробка 2
К3 - Коробка 3
К4 - Коробка 4
К5 - Коробка 5
К6 - Коробка 6
К7 - Коробка 7
К8 - Коробка 8
1.6.3 Розрахунок кабельної продукції для електропостачання
Для того щоб розрахувати кабельну продукцію, необхідно скористатися наступними формулами:
Визначення струму в кабелі
I (A) = P (Вт) / U (B)
2. Перший закон Кірхгофа
I = I1 + I2 + I3…In
3. Площа поперечного переріза кабелю
S = I / δ
Матеріал – мідь.

Рисунок 1.14 – Елементи електроустаткування
1.6.4 Розрахунок струму в окремих частинах схеми електропостачання
Для того щоб розрахувати струм в окремих частинах схеми електропостачання, необхідно скористатися наступними формулами:
1. Визначення струму в кабелі
I (A) = P (Вт) / U (B)
2. Перший закон Кірхгофа
I = I1 + I2 + I3…In

Рисунок 1.15 – Розрахунок кабельної продукції
1.6.5 Розрахунок споживаної електроенергії в середньому за день й за місяць. Оплата електроенергії
Для того щоб розрахувати споживання електричної енергії (СЕЕ) за добу і за місяць, треба використати наступні формули:
СЕЕ за добу = середня добова потужність *24
СЕЕ за місяць = СЕЕ за добу*26
Для того щоб розрахувати добові витрати (ДВ), треба використати наступні формули:
ДВ = СЕЕ за добу * на коефіцієнт оплати за кіловат(0,244)
Для того щоб розрахувати місячні витрати (МВ), треба використати наступні формули:
МВ = СЕЕ за місяць * на коефіцієнт оплати за кіловат(0,244)
Добові і місячні витрати вимірюються в гривнях.

Рисунок 1.16 – Витрата електроенергії
Споживання електроенергії за добу: W = P>общ>/1000 = 13,34 кВт*ч
Добові витрати = W*0,244 = 3,25 грн., де 0,244 – плата за 1 кВт*ч
Витрати за місяць = добові витрати *22=97,65 грн., де 22 – це кількість робочих днів за місяць.
На графіку видно, що максимальне споживання електроенергії о 9 та о 15 годині за рахунок роботи телевізора. В інший період максимальне споживання о 12 та о 13 годині за рахунок роботи осцилографа.

Рисунок 1.17 – Розміщення електротехнічної арматури
1.7 Висновки щодо проекту офісу
У процесі проектування будівлі, було створено офіс, а також його інтер'єр. Діяльність офісу спрямована на ремонт ЕОМ. Розмір офісу становить 25 кв/м і займає одноповерхова будівля. Офіс складається з двох кімнат, а також коридору і туалету.
Комп’ютерне устаткування, яке складається з 2 сканерів, 2 принтерів, 3 комп’ютерів, осцилографа та музикального центра , вийшло на загальну суму – 21221 гривень.
Для побудови офісу розрахували енергоспоживання та розробили схему електропроводки. Для прокладки електропроводки потрібно 60,09 м кабелю. Добове споживання електроенергії складає 13,3 кВт*година, та місячні витрати за споживання електроенергії буде складати – 97,65 гривень.
У звіті проекту також включений:
План офісу.
Альтернативний план офісу.
Скріншоти 3D-проектів офісів.
комп’ютерне устаткування.
Схема електропроводки.
Розрахунки енергоспоживання й навантаження на силові елемент
2. МАТЕМАТИЧНЕ МОДЕЛЮВАННЯ
2.1 Завдання 1.1
Варіант 1
Модель об'єкта представлена системою лінійних рівнянь:
Визначити невідомі змінні(Х>і>)
1 .використовуючи функцію Find;
2. матричним способом і використовуючи функцію lsolve. Зрівняти результати.
Система лінійних рівнянь

Рішення засобами MS Excel
Для рішення рівнянь необхідно таблицю з вихідними даними та розрахувати по формулам.

Рисунок 2.1 – Система рівнянь в MS Excel
Правильність рішення системи рівняння можна простежити, якщо включити режим відображення формул.

Рисунок 2.2 - Дані в режимі відображення формул
Для вирішення системи рівнянь, необхідно скористатися Сервіс – Пошук рішення та заповнити діалогове вікно
У діалоговому вікні треба встановити:
Цільову комірку
Визначити критерій пошуку – максимальне значення, мінімальне значення, по значенню
Встановити змінні комірки
Вказати обмеження
Натиснути клавішу «Виконати»

Рисунок 2.3 - Вікно пошуку рішень
При натисканні клавіші "Виконати" на екрані з'являється вікно «Результати пошуку рішення»

Рисунок 2.4 - Результат рішення
Тепер необхідно перевірити результати вирішення:

Рисунок 2.5 – Проверка системы уравнения
Результат: х1=1 х2=1; хЗ=1; х4=1
Рішення рівнянь за допомогою MathCAD
Рішення даної системи рівняння можна знайти за допомогою розв'язуваного блоку Given…Find.
Необхідно задатися початковими значеннями.

Функція Fіnd шукає точне рішення системи рівнянь, записаної після слова Gіven

Рисунок 2.6. Рішення рівнянь в MathCAD
Результат: x1=1, x2=1, x3=1, x4=1
Альтернативою способу з використанням розв'язуваного блоку Given...Find для рішення систем лінійних алгебраїчних рівнянь є застосування вбудованої функції lsolve. Для цього система рівнянь повинна бути записана в матричній формі Аx = b, також функція lsolve не потребує привласненню початкових значень вектору x.

Рисунок 2.7. Рішення рівнянь в MathCAD
Результат: x1 = ; x2 = ; x3 = ; x4 = ;

Рисунок 2.8. Перевірка рішення рівняння в MathCAD
Дане рівняння вирішили різними методами й засобами в результаті одержали однакові відповіді, але методи рішення відрізняються. Тому що за допомогою програми Math CAD неможливо зрозуміти процес рішення завдання. Але це дозволяє зробити MS Excel.
2.2 Завдання 1.2
Варіант 30
Перетворити модель, задану у виді системи нелінійних рівнянь до виду f 1(x) = y і f 2 (y)= x. Побудувати їхні графіки і визначити початкове наближення рішення. Вирішити систему нелінійних рівнянь.

Необхідно знайти інтервали значень функції для x та y таким образом:
Інтервал значень y:
-cos(x+2)+y=1.8
cos(x+2) = y-1.8
-1≤y-1.8≤1
0.8≤y≥2.8
Інтервал значень x:
cos(y-2)+x=0.3
cos(y-2)=0.3-x
-1≤0.3-x≤1
-1.3≤-x≤0.7
-0.7≤x≤1.3
Рішення засобами Excel.
Дану систему рівнянь можливо вирішити використовуючи команду «Пошук рішення».
Заносимо початкові данні у програму Excel (рис.2.9):

Рисунок 2.9 – Таблиця початкових даних
Для перевірки правильності введення формул необхідно включити режим відображення формул (рис.2.10):

Рисунок 2.10 - Дані в режимі відображення формул
Вікно «Пошук рішення» необхідно заповнити наступним чином (рис.2.11):

Рисунок 2.11 – Вікно пошуку рішень
Після виконання команди «Пошук рішення» ми побачимо результат обчислень (рис.2.12):

Рисунок 2.12 – Вікно з рішеннями
Виходячи із отриманих даних необхідно побудувати графік функції (рис.2.13):

Рисунок 2.13 – Графік функції системи нелінійних рівнянь
Результат:
x= -0.698, y= 2.065
Рішення засобами MathCAD
Рішення даної системи рівняння можна знайти за допомогою розв'язуваного блоку Given...Find.
Задамо початкові значення:

З використанням функції Find знаходимо точне рішення системи рівнянь.

Рисунок 2.14 – Рішення системи нелінійних рівнянь
Результат: x= -0.698; y= 2.065
Перевірка:
Щоб перевірити отримані значення підставляємо їх в дану систему рівнянь.

Рисунок 2.15 – Перевірка рішення системи нелінійних рівнянь
Рішення даної системи рівнянь було знайдено у декілька способів, за допомогою MS Excel та MathCAD, отриманні результати є однаковими, але методи які використовуються у цих програмах відрізняються.
2.3 Завдання
Задача А. Вирішити задачу проектування конусоподібного фільтра.
З круглої заготівлі (r = 2) фільтрованого паперу вирізають сектор з кутом θ, потім з іншого роблять фільтр у виді конуса. Необхідно розрахувати величину кута θ, при якій забезпечується максимальний обсяг конуса (рис.2.10).
R
– радіус основи конуса; h – висота
конуса; r – радіус заготівлі фільтрованого
папера.
Рисунок 2.16 – Окружність та конус
– довжина
– формула для куска
дуги
Знаходимо різницю


У конусі получили прямокутний трикутник АОВ, кут О = 90о, h – катет у прямокутному трикутнику. Для знаходження катетів обчислимо корінь із різниці гіпотенузи r та катета R.



Цільова функція має
вид:

Обмеження:

Розв’язання засобами Excel

Рисунок 2.17 – Розв’язання в Excel

Рисунок 2.18 – Пошук рішення
Необхідний кут θ дорівнює 66 градусів.
Рішення засобами MathCAD
Для рішення у MathCAD необхідно задатися початковими значеннями:

З використанням функції Maximize знаходимо оптимальний обсяг конуса.

Рисунок 2.19 – Розв’язання в MathCAD
Результат: кут θ дорівнює 66 градусів.
Дане рівняння вирішили різними методами й засобами в результаті одержали однакові відповіді, але методи рішення відрізняються. Тому що за допомогою програми MathCAD неможливо зрозуміти процес рішення задачі, що дозволяє зробити MS Excel.
Задача Б. Проектування 2 -х конусоподібних (пожежних) ребер.
З круглої заготівлі
жерсті (r = 3)
вирізають сектор з кутом
,
потім з іншого роблять цебро у виді
конуса і з вирізаного сектора теж (тобто
2-а цебра) (рис.2.20).
Необхідно розрахувати
величину кута
,
тобто як необхідно розкроїти заготівлю,
щоб обсяг 2-х цебер був максимальним.
R – радіус основи конуса; h – висота конуса; r – радіус заготівлі.



Рисунок 2.20 – Окружність, велика заготівля, маленька заготівля
Формули для знаходження радіусу R, висоти h та обсягу V великої заготівлі:



Формули для знаходження радіусу R, висоти h та обсягу V маленької заготівлі:



Цільова функція має вид:

Обмеження:

Розв’язання засобами Excel

Рисунок 2.21 – Розв’язання в Excel

Рисунок 2.22– Розв’язання в MathCAD
Результат: кут θ дорівнює приблизно 117 градусів.
Пошук рішення даної задачі був виконаний з використанням різних програм та методів рішення, але результати обчислень є однаковими.
Задача 15. При яких розмірах прямокутного басейну даної місткості V(x,y,z) = 220м3 на облицювання його стін і дна буде потрібно найменша кількість матеріалу, тобто мінімум S(x,y).
Заносимо початкові в таблицю (рис.2.23):

Рисунок 2.23– Таблиця початкових даних
Для перевірки правильності введення формул необхідно включити режим відображення формул (рис.2.24):

Рисунок 2.24– Дані в режимі відображення формул
Вікно «Пошук рішення» необхідно заповнити наступним чином (рис.2.25):

Рисунок 2.25– Вікно пошуку рішень

Рисунок 2.26– Вікно з рішеннями
Рішення рівняння за допомогою MathCad
Так як наша задача полягає у знаходження мінімальної кількості матеріалу для виготовлення ємності, ми скористуємося функцією Minimize.

Рисунок 2.27 – Рішення задачі засобами MathCAD
Результат: a=0,76; b=0.76; h=0.38; S=0.1733.
2.4 Завдання 2.2
Функція об'єкта задана
неявно рівнянням
,
,
.
Побудувати графік залежності функції
на заданому відрізку
та знайти її мінімум і максимум з точністю
.
Таблиця 2.1 Варіант завдання
|
№ вар |
F(x,t) |
t>1> |
t>2> |
x>1> |
x>2> |
|
5 |
|
0 |
3 |
-2 |
-0.5 |
Для рішення даного завдання необхідно заповнити таблицю. Задаємо значення t=[0,3]. Задаємо функцію f(x), у якій початкове значення х буде дорівнює "0".
Далі скористаємося вікном підбор параметра.
Отримане значення х необхідно перенести в наступний осередок і на це значення х зробити підбор параметра.
Така дія необхідно виконувати доти доки t не буде дорівнює "3". Далі необхідно побудувати графік за значеннями x й t.

Рисунок 2.27 – Підбір параметру
При клацанні на ОК програма підбирає параметр для комірки зі змінною перемінною, щоб значення цільової функції дорівнювалося нулю.

Рисунок 2.28 – Результат підбору параметру
При здійсненні підбору параметрів до потрібного значення ми отримуємо вихідні данні для побудови графіку функції

Рисунок 2.28 – Вихідні дані
Тепер ми зможемо відтворити графік функції, де побачимо її максимум та мінімум.

Рисунок 2.29 – Графік функції
На цьому графіку можна чітко визначити крапку мінімуму й крапку максимуму, але для точності необхідно заповнити таблицю з вихідними даними й розрахунковими формулами. Задаємо початкові значення х и y рівні "0".
Потім встановлюємо екстремуми у відповідних комірках.

Рисунок 2.30 – Діалогове вікно «Пошук рішення» для знаходження мінімуму

Рисунок 2.31 – Діалогове вікно «Пошук рішення» для знаходження максимуму
Після виконання Пошуку рішення ми отримаємо потрібні дані.

Рисунок 2.32 – Екстремуми функції
Рішення рівняння за допомогою MathCad

Рисунок 2.33 - Рішення рівняння за допомогою MathCad
ВИСНОВКИ
У графічному моделюванні був розроблен план офісу, ведучий у сфері ремонту ЕОМ. План офісу розроблявся виходячи з кількості працівників та устаткування (3 комп’ютери, 2 принтера, 2 сканера, модем, 1 блоку безперебійного живлення, осцилограф, музичний цент). На плані показані меблі, комп’ютери, електротехнічна арматура(світильники, розетки, вимикачі), вікна, двері. Був розроблен дизайн офісу, а також ландшафт(газони, доріжки, під’їзд для автомобілів). План офісу займає 25 м2.
У процесі проектування будівлі, було створено офіс, а також його інтер'єр. Діяльність офісу спрямована на ремонт ЕОМ. Розмір офісу становить 25 кв/м і займає одноповерхова будівля. Офіс складається з двох кімнат, а також коридору і туалету.
Комп’ютерне устаткування, яке складається з 2 сканерів, 2 принтерів, 3 комп’ютерів, осцилографа та музикального центра , вийшло на загальну суму – 21221 гривень.
Для побудови офісу розрахували енергоспоживання та розробили схему електропроводки. Для прокладки електропроводки потрібно 60,09 м кабелю. Добове споживання електроенергії складає 13,3 кВт*година, та місячні витрати за споживання електроенергії буде складати – 97,65 гривень.
У математичному моделюванні були вирішені всі завдання за допомогою MathCad та MS Excel. При правильного виконання завдання ми повинні отримати однаковий результат. MathCad – зручна своєю простотою та швидкістю, а Excel - містить більш складніші функції.
При виконання математичного моделювання ми отримали такі результати:
Завдання 1.1 - х1=1 х2=1; хЗ=1; х4=1
Завдання 1.2 - x= -0.698, y= 2.065
Задача А - кут θ дорівнює приблизно 66 градусів.
Задача Б - кут θ дорівнює приблизно 117 градусів.
Задача 15 - Результат: a=0,76; b=0.76; h=0.38; S=0.1733.
Завдання 2.2 -точка максимуму дорівнює=-1,45 точці мінімуму=-0,5.
По закінченню розробки плану офіса, я отримала великий досвід роботи з проектування будівель, який стане мені у майбутньому в нагоді.
СПИСОК ВИКОРИСТАНИХ ДЖЕРЕЛ
Леонов В.П. Современный компьютер. Энциклопедия от А до Я. – М.: ОЛМА-ПРЕСС Образование. 2005. – 734с.: ил.
Методичні вказівки до лабораторних робіт з дисципліни «Основи автоматизованого проектування складних систем» для студентів спеціальності 6.01010036 "Комп'ютерні технології в управлінні та навчанні"/ І.В.Ушакова, Стаханов: УІПА, 2010. - 83 с.
Глушаков С.В., Сурядный А.С. Microsoft Office2003 / Худож.-оформитель А.С. Юхтман. – Харьков: Фолио, 2005. – 511 с. – (Учебный курс).
Симонович С.В., Евсеїв Г.А., Алексеев А.Г. WINDOWS: Лаборатория мастерства: Практическое руководство по эффективным приемам работы с компьютером. – М.: АСТ-ПРЕСС КНИГА: 2003.- 656 с.
Логвиненко В.Ф. Оператор компьютерного набора. – Х. – ОЛМА-ПРЕСС: 2007. – 398 с.: ил.
Інформатика: Навч. Посіб. Для 10-11 кл. середн. загально-освітн. шкіл/ І.Т. Зарецька, Б.Г. Колодязний, А.М. Гурій, О.Ю. Соколов. – Х.: Факт, 2001. – 496 с.: іл.
ДОДАТОК
Презентація проектованого офісу













