Синтез астатических систем
Федеральное агентство по образованию РФ
ГОУ ВПО
"Московский Государственный Текстильный Университет им. А.Н. Косыгина"
ФИТАЭ
Кафедра автоматики и промышленной электроники
Курсовая работа
Тема: "Синтез астатических систем"
Дисциплина: "Теория Автоматического Управления"
Москва 2009
Исходные данные:

ПИ-закон
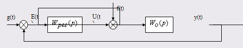
1. По заданной системе уравнений
получить передаточную функцию объекта
управления и составить структурную
схему замкнутой САУ, считая регулятор
звеном с входной величиной Е, выходной
U и
передаточной функцией






2. Выбрать регулятор таким образом, чтобы система обладала свойством астатизма по отношению к постоянному задающему g(t) и возмущающему f(t) воздействию.
Для того чтобы система обладала астатизмом необходимо выполнение условия – величина установившейся ошибки по заданию и возмущению должна быть равна 0. Проверим это условие на регуляторах:
Выбираем П – регулятор


Т.к. величина установившейся ошибки не равна нулю, то система не обладает астатизмом,, а следовательно считать ошибку по каналу f-E нет необходимости.
Выбираем И – регулятор



Обе ошибки равны нулю следовательно система с И - регулятором является астатической. Данный регулятор нам подходит
Проверим наш ПИ – регулятор


Система так же является астатической, что является тем, что выбранный нами ПИ – регулятор подходит к условию задания.
3. Найти область значений постоянной времени регулятора для И – закона управления, обеспечивающих устойчивость системы.

Найдем передаточную функцию замкнутой системы по каналу g-y и затем выделим ее характеристическое уравнение.

Характеристическое уравнение Q(p):

Уравнение 3 порядка, следовательно, для устойчивости системы необходимо чтобы произведение внутренних коэффициентов характеристического уравнения было больше произведения внешних коэффициентов.

Следовательно область значений
для И – закона можно определить
интервалом
.
4. Для И – закона регулирования найти минимальную возможную величину установившейся ошибки, если g(t)=2t и f(t)=-3t.
Для определения минимальной
установившейся ошибки нам необходимо
узнать при каком значении постоянной
времени система находится на границе
устойчивости. Для этого отыщем передаточную
функцию и характеристическое уравнение
системы с И – регулятором. И затем найдем
значение




Находим значение постоянной времени на границе устойчивости:

Найдем величину установившейся ошибки при g(t)=2t и f(t)=-3t


Поскольку задающее воздействие у нас g(t)=2t, то используя преобразование Лапласа получаем:


тогда величина установившейся ошибки будет

Подставляем полученное значение
и получаем

Найдем ошибку по каналу f-E


Подставляем
и получаем

Тогда

5. Построить, с использованием
ЭВМ, область устойчивости, на плоскости,
параметров регулятора при использовании
ПИ – закона, обосновать возможность и
путь получения допустимой установившейся
ошибки при
и
.
Для построение области устойчивости необходимо найти характеристическое уравнение передаточной функции для данного регулятора.


Отсюда:

Запишем условие, при котором система находится на границе устойчивости:

Выразим зависимость
от


Строим область устойчивости по по лученной зависимости:

|
Ти |
Кп |
|
0,01 |
4,00 |
|
0,02 |
1,50 |
|
0,03 |
0,67 |
|
0,04 |
0,25 |
|
0,05 |
0,00 |
|
0,06 |
-0,17 |
|
0,07 |
-0,29 |
|
0,08 |
-0,38 |
|
0,09 |
-0,44 |
Таким образом выбирая значения параметров регулятора над границей устойчивости – мы получаем устойчивую систему, и наоборот.
6. Вычислить значения параметров ПИ – регулятора, обеспечивающих устойчивость и установившуюся ошибку в системе = 0,06 при g(t)=2t и f(t)=0

Поскольку возмущение f(t)=0,
то
.
Найдем
:
для этого найдем передаточную функцию замкнутой системы по каналу g-E

По условию
,
тогда подставим это значение в получившееся
выражение:

Таким образом для получения в системе установившейся ошибке равной 0,06 необходимо задать параметру постоянной времени значение 0,03.
7. Для интегрального закона
регулирования и начальных условий
,
выбрать оптимальное значение постоянной
времени регулятора по критерию:
(Рассматривается движение в системе
при g(t)=f(t)=0
и ненулевых начальных условиях).
Для решения мы будем использовать метод Мондельштама. Для этого нам необходимо найти передаточную функцию замкнутой системы и взять характеристическое уравнение:

Получаем уравнение:

Поочередно умножаем его на
и на Е

Интегрируем полученное уравнение по частям

Получаем:


Интегрируем полученное уравнение по частям

Получаем:

Из полученных уравнений составим систему уравнений:


Выбираем
=1,054
8. Для найденного в пункте 7 значения постоянной времени регулятора построить с помощью ЭВМ вещественную частотную характеристику P(ω), приняв входным воздействием g(t) и входной координатой E(t)/
Для нахождения вещественной характеристики нам понадобится передаточная функция замкнутой системы по каналу g-y.

Перейдем в частотную область p=jω:

Домножаем на сопряженное знаменателю число и получаем:

Отделяем действительную часть U(ω):

При
=1,054


|
w |
p(w) |
|
0 |
1 |
|
0,1 |
1,010058 |
|
0,2 |
1,039191 |
|
0,3 |
1,079471 |
|
0,4 |
1,099022 |
|
0,5 |
0,997092 |
|
0,6 |
0,58593 |
|
0,7 |
-0,06976 |
|
0,8 |
-0,48243 |
|
0,9 |
-0,56794 |
|
1 |
-0,5208 |
|
1,1 |
-0,44696 |
|
1,2 |
-0,3782 |
|
1,3 |
-0,32081 |
|
1,4 |
-0,27428 |
|
1,5 |
-0,23666 |
|
1,6 |
-0,20606 |
|
1,7 |
-0,18095 |
|
1,8 |
-0,16013 |
|
1,9 |
-0,14269 |
|
2 |
-0,12796 |
|
2,5 |
-0,08003 |
|
3 |
-0,05481 |
|
3,5 |
-0,03991 |
|
4 |
-0,03037 |
|
4,5 |
-0,02389 |
|
5 |
-0,01929 |
|
5,5 |
-0,0159 |
|
6 |
-0,01334 |

9. По вещественной характеристике P(ω) пункта 8 построить переходной процесс E(t) при единичном ступенчатом изменении g(t) и нулевых начальных условиях методом трапециидальных частотных характеристик.
Для построения переходного процесса нам необходимо разбить получившуюся вещественную характеристику на трапеции и построить переходный процесс для каждой из полученных трапеций.
|
|
|
R(0) |
Wo |
Wd |
æ |
|
I |
- |
0,099021688 |
0,38 |
0,1 |
0,263158 |
|
II |
+ |
1,666965285 |
0,88 |
0,43 |
0,488636 |
|
III |
- |
0,567943597 |
6 |
0,95 |
0,158333 |

1-я трапеция
|
t табл |
h(æ) |
t=t табл/Wo |
h=R(0)*h(æ) |
|
0 |
0 |
0 |
0 |
|
0,5 |
0,199 |
1,315789474 |
-0,019705316 |
|
1 |
0,386 |
2,631578947 |
-0,038222372 |
|
1,5 |
0,56 |
3,947368421 |
-0,055452145 |
|
2 |
0,709 |
5,263157895 |
-0,070206377 |
|
2,5 |
0,833 |
6,578947368 |
-0,082485066 |
|
3 |
0,928 |
7,894736842 |
-0,091892127 |
|
3,5 |
0,994 |
9,210526316 |
-0,098427558 |
|
4 |
1,039 |
10,52631579 |
-0,102883534 |
|
4,5 |
1,057 |
11,84210526 |
-0,104665924 |
|
5 |
1,067 |
13,15789474 |
-0,105656141 |
|
5,5 |
1,067 |
14,47368421 |
-0,105656141 |
|
6 |
1,054 |
15,78947368 |
-0,104368859 |
|
6,5 |
1,043 |
17,10526316 |
-0,103279621 |
|
7 |
1,035 |
18,42105263 |
-0,102487447 |
|
7,5 |
1,025 |
19,73684211 |
-0,10149723 |
|
8 |
1,024 |
21,05263158 |
-0,101398209 |
|
8,5 |
1,022 |
22,36842105 |
-0,101200165 |
|
9 |
1,025 |
23,68421053 |
-0,10149723 |
|
9,5 |
1,027 |
25 |
-0,101695274 |
|
10 |
1,027 |
26,31578947 |
-0,101695274 |
|
10,5 |
1,028 |
27,63157895 |
-0,101794295 |
|
11 |
1,025 |
28,94736842 |
-0,10149723 |
|
11,5 |
1,021 |
30,26315789 |
-0,101101144 |
|
12 |
1,015 |
31,57894737 |
-0,100507013 |
|
12,5 |
1,01 |
32,89473684 |
-0,100011905 |
|
13 |
1,005 |
34,21052632 |
-0,099516797 |
|
13,5 |
1 |
35,52631579 |
-0,099021688 |
|
14 |
0,997 |
36,84210526 |
-0,098724623 |
|
14,5 |
0,996 |
38,15789474 |
-0,098625601 |
|
15 |
0,995 |
39,47368421 |
-0,09852658 |
|
15,5 |
0,995 |
40,78947368 |
-0,09852658 |
|
16 |
0,995 |
42,10526316 |
-0,09852658 |
|
16,5 |
0,995 |
43,42105263 |
-0,09852658 |
|
17 |
0,995 |
44,73684211 |
-0,09852658 |
|
17,5 |
0,995 |
46,05263158 |
-0,09852658 |
|
18 |
0,995 |
47,36842105 |
-0,09852658 |
|
18,5 |
0,994 |
48,68421053 |
-0,098427558 |
|
19 |
0,992 |
50 |
-0,098229515 |
|
19,5 |
0,991 |
51,31578947 |
-0,098130493 |
|
20 |
0,991 |
52,63157895 |
-0,098130493 |

2-я трапеция
|
t табл |
h(æ) |
t=t табл/Wo |
h=R(0)*h(æ) |
|
0 |
0 |
0 |
0 |
|
0,5 |
0,24 |
0,568181818 |
0,400071669 |
|
1 |
0,461 |
1,136363636 |
0,768470997 |
|
1,5 |
0,665 |
1,704545455 |
1,108531915 |
|
2 |
0,833 |
2,272727273 |
1,388582083 |
|
2,5 |
0,967 |
2,840909091 |
1,611955431 |
|
3 |
1,061 |
3,409090909 |
1,768650168 |
|
3,5 |
1,115 |
3,977272727 |
1,858666293 |
|
4 |
1,142 |
4,545454545 |
1,903674356 |
|
4,5 |
1,138 |
5,113636364 |
1,897006495 |
|
5 |
1,118 |
5,681818182 |
1,863667189 |
|
5,5 |
1,092 |
6,25 |
1,820326092 |
|
6 |
1,051 |
6,818181818 |
1,751980515 |
|
6,5 |
1,018 |
7,386363636 |
1,696970661 |
|
7 |
0,993 |
7,954545455 |
1,655296528 |
|
7,5 |
0,974 |
8,522727273 |
1,623624188 |
|
8 |
0,966 |
9,090909091 |
1,610288466 |
|
8,5 |
0,966 |
9,659090909 |
1,610288466 |
|
9 |
0,97 |
10,22727273 |
1,616956327 |
|
9,5 |
0,975 |
10,79545455 |
1,625291153 |
|
10 |
0,982 |
11,36363636 |
1,63695991 |
|
10,5 |
0,987 |
11,93181818 |
1,645294737 |
|
11 |
0,993 |
12,5 |
1,655296528 |
|
11,5 |
0,997 |
13,06818182 |
1,66196439 |
|
12 |
0,997 |
13,63636364 |
1,66196439 |
|
12,5 |
0,997 |
14,20454545 |
1,66196439 |
|
13 |
0,997 |
14,77272727 |
1,66196439 |
|
13,5 |
0,998 |
15,34090909 |
1,663631355 |
|
14 |
1 |
15,90909091 |
1,666965285 |
|
14,5 |
1,002 |
16,47727273 |
1,670299216 |
|
15 |
1,005 |
17,04545455 |
1,675300112 |
|
15,5 |
1,008 |
17,61363636 |
1,680301008 |
|
16 |
1,011 |
18,18181818 |
1,685301904 |
|
16,5 |
1,011 |
18,75 |
1,685301904 |
|
17 |
1,012 |
19,31818182 |
1,686968869 |
|
17,5 |
1,009 |
19,88636364 |
1,681967973 |
|
18 |
1,008 |
20,45454545 |
1,680301008 |
|
18,5 |
1,006 |
21,02272727 |
1,676967077 |
|
19 |
1,001 |
21,59090909 |
1,668632251 |
|
19,5 |
0,998 |
22,15909091 |
1,663631355 |
|
20 |
0,996 |
22,72727273 |
1,660297424 |

3-я трапеция
|
t табл |
h(æ) |
t=t табл/Wo |
h=R(0)*h(æ) |
|
0 |
0 |
0,0000 |
0,0000 |
|
0,5 |
0,184 |
0,0833 |
-0,1045 |
|
1 |
0,256 |
0,1667 |
-0,1454 |
|
1,5 |
0,516 |
0,2500 |
-0,2931 |
|
2 |
0,655 |
0,3333 |
-0,3720 |
|
2,5 |
0,833 |
0,4167 |
-0,4731 |
|
3 |
0,863 |
0,5000 |
-0,4901 |
|
3,5 |
0,928 |
0,5833 |
-0,5271 |
|
4 |
0,974 |
0,6667 |
-0,5532 |
|
4,5 |
0,977 |
0,7500 |
-0,5549 |
|
5 |
1,012 |
0,8333 |
-0,5748 |
|
5,5 |
1,019 |
0,9167 |
-0,5787 |
|
6 |
1,013 |
1,0000 |
-0,5753 |
|
6,5 |
1,009 |
1,0833 |
-0,5731 |
|
7 |
1,006 |
1,1667 |
-0,5714 |
|
7,5 |
1,006 |
1,2500 |
-0,5714 |
|
8 |
1,008 |
1,3333 |
-0,5725 |
|
8,5 |
1,01 |
1,4167 |
-0,5736 |
|
9 |
1,016 |
1,5000 |
-0,5770 |
|
9,5 |
1,022 |
1,5833 |
-0,5804 |
|
10 |
1,025 |
1,6667 |
-0,5821 |
|
10,5 |
1,028 |
1,7500 |
-0,5838 |
|
11 |
1,029 |
1,8333 |
-0,5844 |
|
11,5 |
1,027 |
1,9167 |
-0,5833 |
|
12 |
1,025 |
2,0000 |
-0,5821 |
|
12,5 |
1,022 |
2,0833 |
-0,5804 |
|
13 |
1,019 |
2,1667 |
-0,5787 |
|
13,5 |
1,017 |
2,2500 |
-0,5776 |
|
14 |
1,016 |
2,3333 |
-0,5770 |
|
14,5 |
1,015 |
2,4167 |
-0,5765 |
|
15 |
1,014 |
2,5000 |
-0,5759 |
|
15,5 |
1,014 |
2,5833 |
-0,5759 |
|
16 |
1,014 |
2,6667 |
-0,5759 |
|
16,5 |
1,014 |
2,7500 |
-0,5759 |
|
17 |
1,013 |
2,8333 |
-0,5753 |
|
17,5 |
1,012 |
2,9167 |
-0,5748 |
|
18 |
1,011 |
3,0000 |
-0,5742 |
|
18,5 |
1,009 |
3,0833 |
-0,5731 |
|
19 |
1,008 |
3,1667 |
-0,5725 |
|
19,5 |
1,006 |
3,2500 |
-0,5714 |
|
20 |
1,005 |
3,3333 |
-0,5708 |
|
20,5 |
1,004 |
3,4167 |
-0,5702 |
|
21 |
1,003 |
3,5000 |
-0,5696 |
|
21,5 |
1,003 |
3,5833 |
-0,5696 |
|
22 |
1,002 |
3,6667 |
-0,5691 |
|
22,5 |
1,002 |
3,7500 |
-0,5691 |
|
23 |
1,002 |
3,8333 |
-0,5691 |
|
23,5 |
1,002 |
3,9167 |
-0,5691 |
|
24 |
1,001 |
4,0000 |
-0,5685 |
|
24,5 |
1 |
4,0833 |
-0,5679 |
|
25 |
1 |
4,1667 |
-0,5679 |
|
25,5 |
0,999 |
4,2500 |
-0,5674 |
|
26 |
0,999 |
4,3333 |
-0,5674 |

Суммируем графически полученные процесы и получаем

10. Определить время регулирования и максимальное перерегулирование в системе.


11. Разработать и начертить
структурную схему комбинированной САУ,
инвариантной по отношению к контролируемому
возмущению
.
Привести передаточную функцию устройства управления.
Проверить выполнение условия инвариантности.

Условия инвариантности:
,
если

,
если


При выборе корректирующих звеньев в виде обратных передаточных функций возникает проблема. Она обычно связана с тем, что порядок числителя корректирующего звена становится больше порядка знаменателя. Это означает, что частотные характеристики таких звеньев являются расходящимися, что говорит о том, что физически такие звенья нереализуемы. В тех случаях, когда корректирующие звенья применять необходимо, порядок числителя этих звеньев искусственно приравнивают к порядку знаменателя, отбрасывая в числители высшие порядки.
12. Предложить и обосновать методы компенсации действия неконтролируемых возмущений, если известен класс функций, которыми они описываются.
астатический автоматический управление моделирование программа

Решить проблему инвариантности можно, если известна предварительная информация о классе возмущающих воздействий. В частности, если известен математический аппарат, описывающий функцию f(t), заданный в виде решения некоторого дифференциального уравнения.
Процедура синтеза предусматривает:
восстановление вида дифференциального уравнения по заданному решению;
получение характеристического уравнения;
выбор передаточной функции регулятора, в которой знаменатель совпадает с видом полученного характеристического уравнения. Числитель передаточной функции регулятора выбирается того же порядка, что и знаменатель;
неизвестные коэффициенты числителя передаточной функции регулятора определяются из условий устойчивости замкнутой системы.
13. Провести моделирование в программе MatLab. Определить настройки регулятора, обеспечивающего минимизацию времени регулирования.

При нулевом задающем воздействии со значением регулятора, полученными в 7 пункте:

При единичном задающем воздействии:

Для снижения времени регулирования
можно немного увеличить значения
регулятора
примерно до 1,085.
Так же значительно уменьшает
время регулирование и
введение пропорциональной составляющей,
т.е. использование ПИ – регулятора. С
его помощью легко можно уменьшить время
регулирования примерно в 1,7 раза.

Список используемой литературы
Лекции по курсу ТАУ, Румянцев Ю.Д.
"Теория автоматического управления", Воронов А.А.
"Теория систем автоматического управления", Бесекерский В.А.
Приложение

