Синтез та дослідження тригерних схем на основі логічних елементів
МІНІСТЕРСТВО ОСВІТИ І НАУКИ УКРАЇНИ
Національний університет “Львівська політехніка”
Синтез та дослідження тригерних схем на основі логічних елементів
Львів – 2010/11
1. Загальні положення
Функціональні вузли і пристрої комп’ютерної техніки синтезуються на основі двох типів логічних схем: комбінаційних схем (КС - див. лабораторні роботи №№ 2 - 7 – дисципліни “Комп’ютерна схемотехніка” ч.1) і цифрових автоматів (ЦА).
Тригер, як типовий елемент цифрового автомата, - це пристрій, що може знаходитись в одному з двох стійких станів і переходить з одного стану в другий під дією зовнішніх сигналів. Зміна стану, як правило, залежить не тільки від біжучих значень вхідних сигналів, але і від попереднього стану тригера. Інформація про попередній стан, яка поступає з виходів тригера, разом із зовнішніми сигналами керує його роботою. Тому тригери є пристроями із зворотними логічними зв'язками і складаються з двох частин: елементу пам'яті (власне тригера) і схеми управління, яка виконана, як правило, за допомогою комбінаційної схеми. Схема управління перетворює інформацію, що поступає на її входи х>І,>х>2>,...,х>m> у комбінацію сигналів, які діють на входи власне тригера.
Логічна функція, що встановлює залежність стану, в який переходить тригер з біжучого стану при дії на нього заданих сигналів управління, називається функцією переходів тригера. Функції переходів задаються логічними формулами або у вигляді таблиць.
В таблиці містяться значення інформаційних та синхросигналів на вході тригера, а також значення вихідних сигналів (внутрішніх станів тригера) після закінчення дії синхросигналу.
Закон функціонування тригера може бути заданий і у вигляді характеристичного рівняння логічної функції виду:
Qn+1=f(Qn, x>i>n), і =1,2,…,m,(1)
де Qn+1 - стан тригера після закінчення дії синхросигналу в момент tn+1;
Qn - стан тригера до приходу синхросигналу;
x>i>n - значення сигналу на інформаційному вході в момент tn.
Між таблицею переходів і характеристичним рівнянням існує взаємно однозначна відповідність, тобто від таблиці переходів зажди можна перейти до характеристичного рівняння шляхом виводу СДНФ з таблиці.
По рівню вхідного сигналу тригери поділяються на тригери з прямими входами (запис інформації відбувається рівнем "1") та з інверсними входами (запис інформації відбувається рівнем "0") і вхід відмічається знаком інверсії.
Крім того, тригери бувають одно- та двотактними. В однотактних тригерах запис відбувається по передньому фронту сигналу запису, а в двотактних - по задньому, тобто в момент закінчення дії сигналу запису.
В свою чергу, всі тригери поділяються на синхронні та асинхронні. В асинхронних тригерах запис інформації відбувається в будь-який момент часу, а в синхронних - тільки при наявності синхросигналу.
1.1 Асинхронні тригери
тригер сигнал пристрій інформація
Основним асинхронним елементом пам'яті служить RS-тригер (на базі елементів «АБО-НІ» - прямі входи), зображений на рис.1. Тригером RS-типу називається логічний пристрій з двома стійкими станами і двома інформаційними входами R і S. При подачі сигналу запису “1” на вхід S (вхід встановлення) в тригер запишеться "1", тобто Q = 1, Q = 0 (таблиця 1). При подачі сигналу запису “1” на вхід R (вхід скидання) в тригер запишеться "0", тобто Q = 0, Q = 1. Одночасно подавати записи на входи - заборонено, оскільки після закінчення їх дії тригер встановлюється в невизначений стан. Так як RS-тригер є складовою частиною всіх інших тригерів, розглянемо більш детально основні структурні схеми RS-тригерів. Асинхронний RS- тригер є найпростішим за структурою. Він має тільки два логічних елементи (мінімальну кількість).


Рис. 1. Схема та умовне графічне позначення асинхронного RS-тригера з прямими входами на елементах 2"АБО-НІ".
Таблиця 1. Стани асинхронного RS-тригера на основі мікросхеми КІ55ЛА3.
-
ВХІД
ВИХІД
S
R
S
R
Qn+1
Qn+1
0
0
1
1
Qn
Qn
1
0
0
1
1
0
0
0
1
1
Qn (1)
Qn (0)
0
1
1
0
0
1
0
0
1
1
Qn (0)
Qn (1)
1
1
0
0
X
X
Даний тригер можна побудувати на елементах ("АБО-НІ"), "І-АБО-НІ" та інших, виходячи з його характеристичного рівняння. На рис.1 і рис.4 відповідно приведено два варіанти реалізації асинхронного RS-тригера на логічних елементах "АБО-НІ", "І-НІ".
RS-тригер – це є “власне” тригер, на входи якого поступають інформаційні сигнали.
При цьому на інформаційних входах RS - тригера, виконано на елементах "АБО-НІ" (рис.1), діють сигнали S і R, рівень яких відповідає "0" (тригер з прямими входами). Даний тригер встановлюється в стан "1" ( Q = 1) сигналом S = 1 і в стан "0" ( Q = 0 ) - сигналом R = 1 (тригер з прямими входами). Для нього забороненою є комбінація сигналів R ^ S = 1, тобто необхідно виключити одночасну появу двох одиниць на його входах.
При цьому на інформаційних входах RS - тригера, виконано на елементах "І-НІ" (рис.4 ), діють сигналами S і R , рівень яких відповідає "0" (тригер з інверсними входами). Даний тригер встановлюється в стан "1" (Q = 1) сигналомS = 0 і в стан "0" (Q = 0 ) - сигналомR = 0. Для нього забороненою є комбінація сигналів R vS = 0, тобто необхідно виключити одночасну появу двох нулів на його входах.
1.2 Синхронні тригери
Важливу роль в цифрових пристроях відіграють RS-тригери з синхронізуючими (тактовими) і інформаційними (програмуючими) входами (рис.5). На відміну від асинхронного, даний тригер на кожному інформаційному вході має додаткові схеми співпадіння, перші входи яких об'єднані і на них подаються синхронізуючі сигнали. Другі входи схем співпадіння є інформаційними. Зміна стану тригера можлива лише при наявності одиничного сигналу на синхронізуючому вході С. При нульовому значенні цього сигналу інформація на управляючих входах R і S не сприймається і тригер зберігає свій попередній стан. Таблиця переходів асинхронного тригера (таблиця 3.) співпадає з таблицею переходів синхронного тригера (таблиця 1.) при Сn = 1 -const.
Синхронні тригери окрім синхронізуючих входів, можуть мати і асинхронні входи R i S.
Характеристичні рівняння синхронного RS-тригера мають вигляд:
для прямих входів:
Qn+1 = Cn Sn v Rn Qn v Cn Qn, (2)
для інверсних входів:
Qn+1 = Cn Sn v Rn Qn v Cn Qn,
Підставивши Сn = 1 в рівняння (2), можна отримати характеристичні рівняння для асинхронного триггера:
для прямих входів:
Qn+1= Sn v RnQn; (3)
для інверсних входів:
Qn+1= Sn v RnQn.
Крім RS-тригерів застосовуються ще три види синхронних тригерів: JK, T і D- типів.
1.3 Тригери D-типу
Тригером D-типу називається логічний пристрій з двома стійкими станами і одним інформаційним входом D. В D-тригерах значення змінної в момент tn+1 співпадає із значенням вхідної змінної в момент tn, тому тригер такого типу в літературі називають тригером затримки.
Характеристичне рівняння D-тригеру має вид:
Qn+1=CnQn v CnDn (4)
З рівняння видно, що при наявності тактуючого сигналу (с=1) тригер переходить в стан Qn+1=Dn, а при відсутності тактуючого сигналу (с=0) тригер зберігає попередній стан.
На рис.6 представлений варіант реалізації однотактного синхронного D-тригера, виконаного на елементах “І-НІ”. Вхід D-інформаційний, вхід C-тактовий (синхронізуючий). При D=1 і С=1 на вході DD1.1 формується лог. рівень “0”, який поступає на входи DD1.2 і DD1.3, здійснює встановлення тригера в стан Q=1 і одночасно блокує включення DD1.2. При D=0 і C=1 вихід DD1.1 залишається закритим (на виході DD1.1 рівень ‘1”), відкриється DD1.2 і рівень ‘0” сформований на його виході, встановить тригер в стан Q=1 (Q=0). Таким чином, при C=1 в тригер завжди записується інформація, що відповідає інформації на вході (таблиця 5.).
1.4 Тригери T-типу
Тригери T-типу (лічильний тригер) називається логічний пристрій, який має два стійких стани і один вхід Т, і змінює свій стан на протилежний всякий раз, коли на вхід Т приходить управляючий сигнал.
Функціонування T-тригера описується наступним характеристичним рівнянням:
Qn+1=T * Qn v Tn *Qn (5)
На рис.7 приведено варіант реалізації однотактного синхронного T-тригера, виконаного на елементах "І-НІ". Присутність на входах R і S взаємно протилежних сигналів дозволяє після приходу тактового імпульсу на вхід С встановити на виходах наперед задану комбінацію рівнів: Q=Н, Q=В і навпаки (таблиця 6).
1.5 Тригери JK-типу
Тригером JK-типу називається логічний пристрій, який має два стійких стани і два інформаційних входи J та К, і змінює свій стан на протилежний при JK-1, тобто при JK=1 Qn+1=Qn, а в усіх інших випадках функціонує у відповідності з таблицею істинності синхронного RS-тригера, при цьому вхід J еквівалентний входу S, а вхід К- входу R.
Характеристичне рівняння JK-тригера можна записати наступним чином:
Qn+1 =K Qn v 1n Qn (6)
На рис.2 приведено варіант реалізації однотактного синхронного JK-тригера, виконаного на елементах "І-НІ". Тригер JK-типу є найбільш універсальним. В його таблиці станів (таблиця 2.) відсутня стрічка невизначеності. На основі JK-тригеру шляхом нескладних зовнішніх комутаційних змін можна отримати схеми, які виконують функцій RS-, D- i T-тригерів.
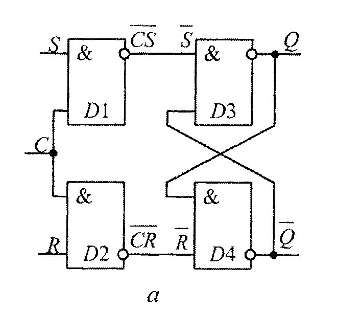
Для надійної і чіткої роботи тригерних комірок в багато розрядних пристроях (регістрах, лічильниках) призначені двотактні тригери, які називають master-slave, що перекладається як майстер-помічник.

Рис.2. Схема однотактного JK-тригера на елементах 2"I-НІ".
Таблиця 2. Стани JK-тригера.
|
ВХІД |
ВИХІД |
|||
|
J |
K |
C |
Q |
Q |
|
0 |
0 |
|
Без змін |
|
|
0 |
1 |
|
0 |
1 |
|
1 |
0 |
|
1 |
0 |
|
1 |
1 |
|
Перемикання |
2. Порядок виконання роботи
Ознайомилися з теоретичною частиною роботи, лабораторним стендом і програмою EWB.
Отримали від викладача елементи, необхідні для виконання роботи - мікросхеми К155ЛА3, а також з’єднувальні провідники. Якщо для дослідження використовуємо EWB, то п.п. 2.6 – 2.11 виконуємо на зарубіжних аналогах вказаних мікросхем (див. Додаток).
Ознайомилися зі функціональною схемою та схемами комутації мікросхеми К155ЛАЗ на стенді для виконання дослідів лабораторної роботи (рис. 3 - 7).
Паспортні дані К155ЛА3: Uж = +5 В (5%), Кзор = Коб = 10, U1вих ≥ 4 В, U0вих ≤ 0,1 В, Uпор = 1,5 В, І0вх = 0,8 мА.

а) б)
Рис. 3 Мікросхеми К155ЛА3 (4ел.2”І-НІ”) а) - нумерація виводів К155ЛА3 і К155ТМ2; б) - функціональна схема К155ЛА3.
При роботі в статичному режимі для контролю станів тригера до виходів підключили індикаторні світлодіоди (свічення світлодіода означає стан "1"). Для запуску тригера по входах R i S використовували тумблерні регістри, по входу С - формувач одиночних імпульсів додатної полярності. Для дослідження D-тригерів і JK-тригерів на інформаційні входи подавати сигнали з тумблерних регістрів, а на входи С – з формувача одиночних сигналів додатної полярності.
Зібрали схему асинхронного RS-тригера на елементах 2"I-НІ". Дослідили його в статичному режимі і склали таблицю станів.
б)
Рис. 4. Схема (а) і умовне графічне позначення (б) асинхронного RS-тригера з інверсними входами.
Таблиця 3. Стани асинхронного RS-тригера на основі мікросхеми КІ55ЛА3 (4ел.-2"I-НІ")
-
ВХІД
ВИХІД
S
R
S
R
Qn+1
Qn+1
0
0
1
1
Qn
Qn
1
0
0
1
1
0
0
0
1
1
Qn (1)
Qn (0)
0
1
1
0
0
1
0
0
1
1
Qn (0)
Qn (1)
1
1
0
0
X
X
Зібрали синхронний RS-тригер на елементах 2"І-НІ". Дослідили його в статичному режимі і склали таблицю станів.

Рис. 5. Схема (а) і умовне графічне позначення (б) синхронного RS-тригера з прямими R і S входами.
Таблиця 4. Стани синхронного RS-тригера на основі мікросхеми КІ55ЛА3 (4ел.-2"I-НІ")
-
ВХІД
ВИХІД
С
S
R
S
R
Qn+1
Qn+1
0
0
0
1
1
Qn
Qn
0
1
0
0
1
Qn
Qn
0
0
1
1
0
Qn
Qn
0
1
1
0
0
Qn
Qn
1
0
0
1
1
Qn
Qn
1
1
0
0
1
1
0
1
0
0
1
1
Qn (1)
Qn (0)
1
0
1
1
0
0
1
1
0
0
1
1
Qn (0)
Qn (1)
1
1
1
0
0
X
X
Зібрали синхронний D-тригер на елементах 2"І-НІ". Дослідили його в статичному режимі і склали таблицю переходів.

Рис.6. Схема (а) і умовне графічне позначення (б) D-тригера.
Таблиця 5. Стани D-тригера на основі мікросхеми КІ55ЛА3 (4ел.-2"I-НІ")
-
ВХІД
ВИХІД
С
D
Qn+1
Qn+1
0
0
Qn
Qn
0
1
Qn
Qn
1
0
0
1
1
1
1
0
Зібрали Т-тригер на елементах 2"І-НІ". Дослідили його в статичному режимі і склали таблицю переходів. На вхід сигнал подавали через RC-ланку, що забезпечило короткий за тривалістю вхідний імпульс.

Рис.7. Схема однотактного Т-тригера.
Таблиця 6. Стани Т-тригера на основі мікросхеми КІ55ЛА3 (4 - 2"I-НІ")
|
ВХІД |
ВИХІД |
|
|
С |
Qn+1 |
Qn+1 |
|
0 |
Qn (1) |
Qn (0) |
|
1 |
0 |
1 |
|
0 |
0 |
1 |
|
1 |
1 |
0 |
|
0 |
1 |
0 |
Висновок
В даній лабораторній роботі ми ознайомились з будовою тригерів, їх синтезом на основі логічних ІMС та дослідили роботу тригерів, побудованих на основі логічних ІMС.
Література
Бабич М.П. і ін. Комп’ютерна схемотехніка. “МК-Прес”, Київ, 2004
Додаток
Схеми дослідження тригерів засобом моделюючої програми EWB

Рис.1. Дослідження асинхронного RS і D тригерів – статика (ІМС 7400 – аналог К155ЛА3).

Рис.2. Дослідження асинхронного RS і D тригерів – динаміка (ІМС 7400 – аналог К155ЛА3).