АТСКЭ Квант (работа 1)
Overview
ЭРЛАНГЯКОБЕУС
ЦНИИС-ЛФ
Dэ
W
ПАЛЬМ
ЭРЛАНГ (2)
Sheet 1: ЭРЛАНГ
| НАГРУЗКА | 6,57 | ||||
| Число линий | 13 | 0,01 | |||
Sheet 2: ЯКОБЕУС
| f | 2 | ||||||||
| НАГРУЗКА | 4,74 | ||||||||
| Число линий | 12 | 0,01 | |||||||
Sheet 3: ЦНИИС-ЛФ
| O Делл | Yнн= | 26,7625 | 27 | |||||
| Расчетная нагрузка | Yp= | 17,49 | ||||||
| Из Эрланга | Yd= | 11,24 | ||||||
| Из Якобеуса | Yo= | 10,48 | ||||||
| 6,25 | 0,2596296296 | 0,038 | 0,2216296296 | 28,2002005348 | ||||
| ЧИСЛО ЛИНИЙ ПО ЦНИИС-ЛФ = | 29 | |||||||
Sheet 4: Dэ
| нагрузка | 16,85 | W= | 0,0304409864 |
| линии | 26 | Ys= | 0,4 |
| Dэ= | 25,4137066027 |
Sheet 5: W
| Pab= | 0,29 | Z1= | 1 | |
| Pbc= | 0,014 | Z2= | 2 | |
| Pcd= | 0,179 | |||
| 0,190494 | ||||
| 0,9159 | ||||
| 0,1744734546 | ||||
| W= | 0,0304409864 |
Sheet 6: ПАЛЬМ
| d | 36,81 | V= | 37 | ||||||
| f | 2 | ||||||||
| НАГРУЗКА | 30,13 | ||||||||
| Число линий | 83 | 0,01 | |||||||
| 83 | 15,7757238938 | 0,0633885333 | 30,13 | 1,9098965095 | 1 | 30,13 | 30,13 | 1 | |
| 83 | 237,6612804598 | 0,0039457537 | 484,03845 | 1,9098965095 | 0,9377528789 | 484,03845 | 453,90845 | 2 | |
| 83 | 2386,9114600848 | 0,0003787379 | 5042,7923161667 | 1,9098965095 | 0,9040138043 | 5042,7923161667 | 4558,7538661667 | 3 | |
| 83 | 17979,4105730885 | 4,84971719688893E-005 | 39381,6058130671 | 1,9098965095 | 0,8719505665 | 39381,6058130671 | 34338,8134969004 | 4 | |
| 83 | 108343,928113431 | 7,75412073035297E-006 | 246307,295945389 | 1,9098965095 | 0,840111899 | 246307,295945389 | 206925,690132322 | 5 | |
| 83 | 544067,092342948 | 1,48581614759426E-006 | 1285419,13655987 | 1,9098965095 | 0,8083836712 | 1285419,13655987 | 1039111,84061448 | 6 | |
| 83 | 2341820,21318472 | 3,3169135138965E-007 | 5758053,38766189 | 1,9098965095 | 0,7767615112 | 5758053,38766189 | 4472634,25110203 | 7 | |
| 83 | 8819880,37790694 | 8,44970594335105E-008 | 22603112,1358749 | 1,9098965095 | 0,7452539565 | 22603112,1358749 | 16845058,748213 | 8 | |
| 83 | 29526999,5318151 | 2,41769379129624E-008 | 78996625,4785035 | 1,9098965095 | 0,7138724344 | 78996625,4785035 | 56393513,3426286 | 9 | |
| 83 | 88964849,589359 | 7,67303182686688E-009 | 248910281,179844 | 1,9098965095 | 0,6826301224 | 248910281,179844 | 169913655,70134 | 10 | |
| 83 | 243682810,738853 | 2,67372965344446E-009 | 714319230,841787 | 1,9098965095 | 0,6515419571 | 714319230,841787 | 465408949,661943 | 11 | |
| 83 | 611846923,963471 | 0,000000001 | 1882883535,28465 | 1,9098965095 | 0,6206248462 | 1882883535,28465 | 1168564304,44286 | 12 | |
| 83 | 1418072909,15534 | 4,15985624647761E-010 | 4591256034,73568 | 1,9098965095 | 0,5898979449 | 4591256034,73568 | 2708372499,45103 | 13 | |
| 83 | 3051895482,34645 | 1,8329034632889E-010 | 10420060563,9114 | 1,9098965095 | 0,5593829799 | 10420060563,9114 | 5828804529,17569 | 14 | |
| 83 | 6130240725,5399 | 8,63105776373153E-011 | 22128185928,1823 | 1,9098965095 | 0,5291046181 | 22128185928,1823 | 11708125364,2709 | 15 | |
| 83 | 11544009566,2823 | 4,32337551894695E-011 | 44176049504,7749 | 1,9098965095 | 0,4990908835 | 44176049504,7749 | 22047863576,5926 | 16 | |
| 83 | 20460059307,7698 | 2,29409708392605E-011 | 83252645361,4065 | 1,9098965095 | 0,4693736239 | 83252645361,4065 | 39076595856,6315 | 17 | |
| 83 | 34247865941,2835 | 1,28471954163699E-011 | 148662524981,424 | 1,9098965095 | 0,4399890263 | 148662524981,424 | 65409879620,0171 | 18 | |
| 83 | 54309905305,8354 | 7,56727846583884E-012 | 252388823557,798 | 1,9098965095 | 0,4109781769 | 252388823557,798 | 103726298576,375 | 19 | |
| 83 | 81817872343,2411 | 4,67364458854271E-012 | 408652492363,106 | 1,9098965095 | 0,3823876563 | 408652492363,106 | 156263668805,308 | 20 | |
| 83 | 117389166366,755 | 3,01791181122402E-012 | 632853651463,294 | 1,9098965095 | 0,3542701517 | 632853651463,294 | 224201159100,187 | 21 | |
| 83 | 160769799210,469 | 2,03200512321546E-012 | 939907329812,778 | 1,9098965095 | 0,3266850557 | 939907329812,778 | 307053678349,484 | 22 | |
| 83 | 210608436965,715 | 1,42301520382809E-012 | 1342147648450,6 | 1,9098965095 | 0,2996990079 | 1342147648450,6 | 402240318637,824 | 23 | |
| 83 | 264401341907,374 | 1,03398232292782E-012 | 1847126848473,84 | 1,9098965095 | 0,2733863137 | 1847126848473,84 | 504979200023,235 | 24 | |
| 83 | 318656497266,768 | 7,77731361275501E-013 | 2455727780341,84 | 1,9098965095 | 0,2478291514 | 2455727780341,84 | 608600931868,003 | 25 | |
| 83 | 369273856255,681 | 6,04205922426272E-013 | 3161002629464,26 | 1,9098965095 | 0,2231174509 | 3161002629464,26 | 705274849122,42 | 26 | |
| 83 | 412082269962,358 | 4,83758498767936E-013 | 3948037118503,46 | 1,9098965095 | 0,1993483003 | 3948037118503,46 | 787034489039,204 | 27 | |
| 83 | 443429956927,352 | 3,98314793399893E-013 | 4794942445458,86 | 1,9098965095 | 0,1766247117 | 4794942445458,86 | 846905326955,401 | 28 | |
| 83 | 460708434559,349 | 3,36554662095007E-013 | 5674847876533,56 | 1,9098965095 | 0,1550535715 | 5674847876533,56 | 879905431074,698 | 29 | |
| 83 | 462704837775,773 | 2,91206407348348E-013 | 6558566231142,92 | 1,9098965095 | 0,1347426135 | 6558566231142,92 | 883718354609,354 | 30 | |
| 83 | 449719250393,033 | 2,57485779430416E-013 | 7417483457735,81 | 1,9098965095 | 0,1157963117 | 7417483457735,81 | 858917226592,899 | 31 | |
| 83 | 423438781698,19 | 2,32172171809018E-013 | 8226207708899,69 | 1,9098965095 | 0,0983107016 | 8226207708899,69 | 808724251163,876 | 32 | |
| 83 | 386612439168,681 | 2,13048775328369E-013 | 8964597457007,8 | 1,9098965095 | 0,0823673067 | 8964597457007,8 | 738389748108,108 | 33 | |
| 83 | 342606846828,01 | 1,98555796740918E-013 | 9618941077904,78 | 1,9098965095 | 0,0680265754 | 9618941077904,78 | 654343620896,98 | 34 | |
| 83 | 294935551283,656 | 1,87571397488608E-013 | 10182237457837 | 1,9098965095 | 0,0553214735 | 10182237457837 | 563296379932,171 | 35 | |
| 83 | 246844671116,015 | 1,79270972217612E-013 | 10653685233596,8 | 1,9098965095 | 0,0442520842 | 10653685233596,8 | 471447775759,898 | 36 | |
| 83 | 201011620019,609 | 1,73035541559233E-013 | 11037596625046,7 | 1,9098965095 | 0,0347821545 | 11037596625046,7 | 383911391449,884 | 37 | |
| 83 | 159381055557,653 | 1,68391540758134E-013 | 11341997946741,1 | 1,9098965095 | 0,0268384215 | 11341997946741,1 | 304401321694,342 | 38 | |
| 83 | 123132082152,618 | 1,64970966578712E-013 | 11577167480655,2 | 1,9098965095 | 0,0203132186 | 11577167480655,2 | 235169533914,116 | 39 | |
| 83 | 92749240881,4594 | 1,62484797750675E-013 | 11754308932076 | 1,9098965095 | 0,0150703416 | 11754308932076 | 177141451420,808 | 40 | |
| 83 | 68159381164,8383 | 1,60705011720135E-013 | 11884486296254,3 | 1,9098965095 | 0,0109535541 | 11884486296254,3 | 130177364178,267 | 41 | |
| 83 | 48896241773,728 | 1,5945205800057E-013 | 11977873057746,9 | 1,9098965095 | 0,0077966064 | 11977873057746,9 | 93386761492,6473 | 42 | |
| 83 | 34261482898,6611 | 1,58585694210221E-013 | 12043308944346,3 | 1,9098965095 | 0,0054333811 | 12043308944346,3 | 65435886599,3829 | 43 | |
| 83 | 23461329084,924 | 1,57997842514146E-013 | 12088117654874,5 | 1,9098965095 | 0,0037068394 | 12088117654874,5 | 44808710528,1683 | 44 | |
| 83 | 15708663229,528 | 1,57606673012075E-013 | 12118119575945,9 | 1,9098965095 | 0,0024757901 | 12118119575945,9 | 30001921071,4158 | 45 | |
| 83 | 10289174415,3409 | 1,57351505116442E-013 | 12137770834247,7 | 1,9098965095 | 0,0016190171 | 12137770834247,7 | 19651258301,7773 | 46 | |
| 83 | 6596017556,04724 | 1,57188360371912E-013 | 12150368545154,7 | 1,9098965095 | 0,0010368172 | 12150368545154,7 | 12597710907,0756 | 47 | |
| 83 | 4140375186,74382 | 1,57086125770095E-013 | 12158276233272 | 1,9098965095 | 0,0006503955 | 12158276233272 | 7907688117,29556 | 48 | |
| 83 | 2545908252,58349 | 1,57023327922989E-013 | 12163138654557,2 | 1,9098965095 | 0,000399767 | 12163138654557,2 | 4862421285,18602 | 49 | |
| 83 | 1534164313,00681 | 1,56985510178578E-013 | 12166068749623,7 | 1,9098965095 | 0,0002408416 | 12166068749623,7 | 2930095066,4531 | 50 | |
| 83 | 906360210,801869 | 1,56963176607054E-013 | 12167799803826,7 | 1,9098965095 | 0,0001422652 | 12167799803826,7 | 1731054202,98494 | 51 | |
| 83 | 525166022,143467 | 1,56950238927794E-013 | 12168802816579,3 | 1,9098965095 | 8,24249326521761E-005 | 12168802816579,3 | 1003012752,61416 | 52 | |
| 83 | 298551929,192126 | 1,56942884930011E-013 | 12169373019866,7 | 1,9098965095 | 4,68556010688325E-005 | 12169373019866,7 | 570203287,47669 | 53 | |
| 83 | 166580919,010347 | 1,56938781971145E-013 | 12169691172182,5 | 1,9098965095 | 0,000026143 | 12169691172182,5 | 318152315,771716 | 54 | |
| 83 | 91256056,1778502 | 1,5693653438663E-013 | 12169865461805,7 | 1,9098965095 | 1,43214091983434E-005 | 12169865461805,7 | 174289623,167305 | 55 | |
| 83 | 49099017,3685469 | 1,56935325132526E-013 | 12169959235847,6 | 1,9098965095 | 7,70537025442044E-006 | 12169959235847,6 | 93774041,8934092 | 56 | |
| 83 | 25953568,30376 | 1,56934685932578E-013 | 12170008804477,1 | 1,9098965095 | 0,000004073 | 12170008804477,1 | 49568629,5131301 | 57 | |
| 83 | 13482431,2584877 | 1,56934353881281E-013 | 12170034554525,5 | 1,9098965095 | 2,11585663829956E-006 | 12170034554525,5 | 25750048,4005278 | 58 | |
| 83 | 6885180,57319042 | 1,56934184310542E-013 | 12170047704507,8 | 1,9098965095 | 1,08052019708443E-006 | 12170047704507,8 | 13149982,3442017 | 59 | |
| 83 | 3457508,17783712 | 1,56934099157908E-013 | 12170054307990,6 | 1,9098965095 | 5,42600931219968E-007 | 12170054307990,6 | 6603482,8005133 | 60 | |
| 83 | 1707782,31800381 | 1,56934057098124E-013 | 12170057569678,1 | 1,9098965095 | 0,000000268 | 12170057569678,1 | 3261687,48818796 | 61 | |
| 83 | 829927,116797659 | 1,56934036658434E-013 | 12170059154753 | 1,9098965095 | 1,30243812571352E-007 | 12170059154753 | 1585074,90353392 | 62 | |
| 83 | 396915,936970055 | 1,56934026883073E-013 | 12170059912821,4 | 1,9098965095 | 6,22896163227788E-008 | 12170059912821,4 | 758068,362594875 | 63 | |
| 83 | 186860,580951684 | 1,56934022281017E-013 | 12170060269705,8 | 1,9098965095 | 2,93247825745153E-008 | 12170060269705,8 | 356884,371327869 | 64 | |
| 83 | 86617,0662165266 | 1,56934020147787E-013 | 12170060435135,4 | 1,9098965095 | 1,35931644147666E-008 | 12170060435135,4 | 165429,632432441 | 65 | |
| 83 | 39542,0031076356 | 1,56934019173935E-013 | 12170060510656,5 | 1,9098965095 | 6,20548547386949E-009 | 12170060510656,5 | 75521,1337149917 | 66 | |
| 83 | 17782,0978154188 | 1,56934018735993E-013 | 12170060544618,5 | 1,9098965095 | 2,79061607173019E-009 | 12170060544618,5 | 33961,9665497418 | 67 | |
| 83 | 7879,0383408613 | 1,56934018541945E-013 | 12170060559666,6 | 1,9098965095 | 1,23648914907743E-009 | 12170060559666,6 | 15048,147825643 | 68 | |
| 83 | 3440,5134088428 | 1,56934018457211E-013 | 12170060566237,7 | 1,9098965095 | 5,39933594805614E-010 | 12170060566237,7 | 6571,0245505308 | 69 | |
| 83 | 1480,895271549 | 1,5693401842074E-013 | 12170060569066 | 1,9098965095 | 2,32402845824463E-010 | 12170060569066 | 2828,356710107 | 70 | |
| 83 | 628,4418948137 | 1,56934018405262E-013 | 12170060570266,3 | 1,9098965095 | 9,86239118873305E-011 | 12170060570266,3 | 1200,2589813454 | 71 | |
| 83 | 262,9854762602 | 1,56934018398785E-013 | 12170060570768,6 | 1,9098965095 | 4,12713675700365E-011 | 12170060570768,6 | 502,2750431658 | 72 | |
| 83 | 108,5445534208 | 1,56934018396112E-013 | 12170060570975,9 | 1,9098965095 | 1,70343329433427E-011 | 12170060570975,9 | 207,3088637067 | 73 | |
| 83 | 44,1952350618 | 1,56934018395024E-013 | 12170060571060,3 | 1,9098965095 | 6,93573583215346E-012 | 12170060571060,3 | 84,4083251822 | 74 | |
| 83 | 17,7546990988 | 1,56934018394586E-013 | 12170060571094,2 | 1,9098965095 | 2,78631627496268E-012 | 12170060571094,2 | 33,9096378365 | 75 | |
| 83 | 7,0388037348 | 1,56934018394413E-013 | 12170060571107,6 | 1,9098965095 | 1,10462775479649E-012 | 12170060571107,6 | 13,4433866844 | 76 | |
| 83 | 2,7542747601 | 1,56934018394345E-013 | 12170060571112,9 | 1,9098965095 | 4,32239405870179E-013 | 12170060571112,9 | 5,2603797507 | 77 | |
| 83 | 1,0639269041 | 1,56934018394319E-013 | 12170060571114,9 | 1,9098965095 | 1,6696632434444E-013 | 12170060571114,9 | 2,0319902806 | 78 | |
| 83 | 0,4057736408 | 1,56934018394309E-013 | 12170060571115,7 | 1,9098965095 | 6,36796880062994E-014 | 12170060571115,7 | 0,7749856602 | 79 | |
| 83 | 0,1528244975 | 1,56934018394305E-013 | 12170060571116 | 1,9098965095 | 2,39833624953719E-014 | 12170060571116 | 0,2918789743 | 80 | |
| 83 | 0,0568469396 | 1,56934018394304E-013 | 12170060571116,1 | 1,9098965095 | 8,92121866648827E-015 | 12170060571116,1 | 0,1085717715 | 81 | |
| 83 | 0,020887784 | 1,56934018394303E-013 | 12170060571116,1 | 1,9098965095 | 3,27800388318647E-015 | 12170060571116,1 | 0,0398935058 | 82 | |
| 83 | 0,0075825173 | 1,56934018394303E-013 | 12170060571116,1 | 1,9098965095 | 1,18995490361938E-015 | 12170060571116,1 | 0,0144818233 | 83 | |
| 84 | 0,0027197767 | 1,56934018394303E-013 | 12170060571116,2 | 1,9098965095 | 4,26825491024426E-016 | 12170060571116,2 | 0,0051944921 | 84 | |
| 85 | 0,0009640809 | 1,56934018394303E-013 | 12170060571116,2 | 1,9098965095 | 1,51297082877247E-016 | 12170060571116,2 | 0,0018412947 | 85 | |
| 86 | 0,0003377646 | 1,56934018394303E-013 | 12170060571116,2 | 1,9098965095 | 5,30067570592028E-017 | 12170060571116,2 | 0,0006450954 | 86 | |
| 87 | 0,0001169753 | 1,56934018394303E-013 | 12170060571116,2 | 1,9098965095 | 1,83573975884343E-017 | 12170060571116,2 | 0,0002234106 | 87 | |
| 88 | 4,00507338717271E-005 | 1,56934018394303E-013 | 12170060571116,2 | 1,9098965095 | 6,28532260613095E-018 | 12170060571116,2 | 7,64927568256194E-005 | 88 | |
| 89 | 1,35587484444398E-005 | 1,56934018394303E-013 | 12170060571116,2 | 1,9098965095 | 2,12782887778343E-018 | 12170060571116,2 | 2,58958063275945E-005 | 89 | |
| 90 | 4,53916767367744E-006 | 1,56934018394303E-013 | 12170060571116,2 | 1,9098965095 | 7,12349823195721E-019 | 12170060571116,2 | 8,66934049611581E-006 | 90 | |
| 91 | 1,50291342865826E-006 | 1,56934018394303E-013 | 12170060571116,2 | 1,9098965095 | 2,358582436581E-019 | 12170060571116,2 | 2,87040911151615E-006 | 91 | |
| 92 | 4,92204147885579E-007 | 1,56934018394303E-013 | 12170060571116,2 | 1,9098965095 | 7,72435747980276E-020 | 12170060571116,2 | 9,40058984021538E-007 | 92 | |
| 93 | 1,59463558879489E-007 | 1,56934018394303E-013 | 12170060571116,2 | 1,9098965095 | 2,50252570824148E-020 | 12170060571116,2 | 3,04558894500741E-007 | 93 | |
| 94 | 5,11131598833937E-008 | 1,56934018394303E-013 | 12170060571116,2 | 1,9098965095 | 8,02139357333146E-021 | 12170060571116,2 | 9,76208456522057E-008 | 94 | |
| 95 | 1,62109421819648E-008 | 1,56934018394303E-013 | 12170060571116,2 | 1,9098965095 | 2,54404829857344E-021 | 12170060571116,2 | 0,000000031 | 95 | |
| 96 | 5,08787174940207E-009 | 1,56934018394303E-013 | 12170060571116,2 | 1,9098965095 | 7,98460158708518E-022 | 12170060571116,2 | 9,71730849510568E-009 | 96 | |
| 97 | 1,58038737947922E-009 | 1,56934018394303E-013 | 12170060571116,2 | 1,9098965095 | 2,48016542081316E-022 | 12170060571116,2 | 0,000000003 | 97 | |
| 98 | 4,85888487180703E-010 | 1,56934018394303E-013 | 12170060571116,2 | 1,9098965095 | 7,62524327847964E-023 | 12170060571116,2 | 9,27996725685936E-010 | 98 | |
| 99 | 1,47876970896511E-010 | 1,56934018394303E-013 | 12170060571116,2 | 1,9098965095 | 2,32069272707668E-023 | 12170060571116,2 | 2,8242971055472E-010 | 99 | |
| 100 | 4,45553313311187E-011 | 1,56934018394303E-013 | 12170060571116,2 | 1,9098965095 | 6,99224718668205E-024 | 12170060571116,2 | 8,5096071790137E-011 | 100 |
Sheet 7: ЭРЛАНГ (2)
| P | 0,01 | ||||||
| D | 20 | ||||||
| НАГРУЗКА (Yp) | 4,74 | ||||||
| Число линий | #REF! | ||||||
| #REF! | 2,51383287295861E-018 | 1,1 | 2,76521616025448E-018 | 1,1 | 1 | ||
| #DIV/0! | 1,5757971260506E-017 | 1,2 | |||||
| #DIV/0! | 7,81164375343019E-017 | 1,3 | |||||
| #DIV/0! | 3,43903104786331E-016 | 1,4 | |||||
| #DIV/0! | 1,36678613396838E-015 | 1,5 | |||||
| #DIV/0! | 4,96906910163912E-015 | 1,6 | |||||
| #DIV/0! | 1,67052819759623E-014 | 1,7 | |||||
| #DIV/0! | 5,23992999863992E-014 | 1,8 | |||||
| #DIV/0! | 1,54506730362388E-013 | 1,9 | |||||
| 2,15499020609109E-013 | 2 | 4,30998041218218E-013 | 2 | 2 | |||
| #DIV/0! | 1,14356611368604E-012 | 2,1 | |||||
| #DIV/0! | 2,899539300455E-012 | 2,2 | |||||
| #DIV/0! | 7,05394555788448E-012 | 2,3 | |||||
| #DIV/0! | 1,65234304724563E-011 | 2,4 | |||||
| #DIV/0! | 3,73831210100631E-011 | 2,5 | |||||
| #DIV/0! | 8,19110216039682E-011 | 2,6 | |||||
| #DIV/0! | 1,74241124931237E-010 | 2,7 | |||||
| #DIV/0! | 3,60608542004432E-010 | 2,8 | |||||
| #DIV/0! | 7,27503925584573E-010 | 2,9 | |||||
| #DIV/0! | 1,43317913721203E-009 | 3 | |||||
| 5,56128854307531E-010 | 4,9651666667 | 2,76127244977927E-009 | 3,1 | 3 | |||
| #DIV/0! | 5,21044660232034E-009 | 3,2 | |||||
| #DIV/0! | 9,64171257296839E-009 | 3,3 | |||||
| #DIV/0! | 1,75167577532266E-008 | 3,4 | |||||
| #DIV/0! | 3,12778051726429E-008 | 3,5 | |||||
| #DIV/0! | 5,49446483825385E-008 | 3,6 | |||||
| #DIV/0! | 0,000000095 | 3,7 | |||||
| #DIV/0! | 0,000000162 | 3,8 | |||||
| #DIV/0! | 2,72375175856294E-007 | 3,9 | |||||
| 4,23688314439157E-008 | 10,6666666667 | 4,51934202068434E-007 | 4 | 4 | |||
| #DIV/0! | 7,40546813438857E-007 | 4,1 | |||||
| #DIV/0! | 1,19911598122445E-006 | 4,2 | |||||
| #DIV/0! | 1,91974919749208E-006 | 4,3 | |||||
| #DIV/0! | 3,0403873215139E-006 | 4,4 | |||||
| #DIV/0! | 4,76568857142403E-006 | 4,5 | |||||
| #DIV/0! | 7,39659801730428E-006 | 4,6 | |||||
| #DIV/0! | 1,13718871646452E-005 | 4,7 | |||||
| #DIV/0! | 1,73260726310856E-005 | 4,8 | |||||
| #DIV/0! | 2,61695939232687E-005 | 4,9 | |||||
| #DIV/0! | 0,000039199 | 5 | |||||
| 2,02585925891285E-006 | 28,75210425 | 5,82477166080895E-005 | 5,1 | 5 | |||
| #DIV/0! | 8,58899313893993E-005 | 5,2 | |||||
| #DIV/0! | 0,0001257166 | 5,3 | |||||
| #DIV/0! | 0,0001827051 | 5,4 | |||||
| #DIV/0! | 0,0002637116 | 5,5 | |||||
| #DIV/0! | 0,0003781255 | 5,6 | |||||
| #DIV/0! | 0,0005387317 | 5,7 | |||||
| #DIV/0! | 0,0007628432 | 5,8 | |||||
| #DIV/0! | 0,0010737808 | 5,9 | |||||
| 2,31913155398334E-005 | 64,8 | 0,0015027972 | 6 | 6 | |||
| #DIV/0! | 0,0020915685 | 6,1 | |||||
| #DIV/0! | 0,002895404 | 6,2 | |||||
| #DIV/0! | 0,0039873685 | 6,3 | |||||
| #DIV/0! | 0,0054635493 | 6,4 | |||||
| #DIV/0! | 0,007449764 | 6,5 | |||||
| #DIV/0! | 0,0101100684 | 6,6 | |||||
| #DIV/0! | 0,0136575072 | 6,7 | |||||
| #DIV/0! | 0,0183676518 | 6,8 | |||||
| #DIV/0! | 0,0245955873 | 6,9 | |||||
| #DIV/0! | 0,0327971558 | 7 | |||||
| 0,0002413595 | 180,4587333014 | 0,0435554352 | 7,1 | 7 | |||
| #DIV/0! | 0,0576136396 | 7,2 | |||||
| #DIV/0! | 0,0759158721 | 7,3 | |||||
| #DIV/0! | 0,0996574517 | 7,4 | |||||
| #DIV/0! | 0,1303468832 | 7,5 | |||||
| #DIV/0! | 0,1698819466 | 7,6 | |||||
| #DIV/0! | 0,2206428642 | 7,7 | |||||
| #DIV/0! | 0,2856060724 | 7,8 | |||||
| #DIV/0! | 0,36848279 | 7,9 | |||||
| 0,0011388742 | 416,1015873016 | 0,4738873579 | 8 | 8 | |||
| #DIV/0! | 0,6075412364 | 8,1 | |||||
| #DIV/0! | 0,7765196154 | 8,2 | |||||
| #DIV/0! | 0,9895488323 | 8,3 | |||||
| #DIV/0! | 1,2573642391 | 8,4 | |||||
| #DIV/0! | 1,5931398369 | 8,5 | |||||
| #DIV/0! | 2,0130029345 | 8,6 | |||||
| #DIV/0! | 2,5366493394 | 8,7 | |||||
| #DIV/0! | 3,188077176 | 8,8 | |||||
| #DIV/0! | 3,9964604186 | 8,9 | |||||
| #DIV/0! | 4,9971866595 | 9 | |||||
| 0,0052855932 | 1179,2598107633 | 6,233087586 | 9,1 | 9 | |||
| #DIV/0! | 7,7558951626 | 9,2 | |||||
| #DIV/0! | 9,6279617048 | 9,3 | |||||
| #DIV/0! | 11,9242879556 | 9,4 | |||||
| #DIV/0! | 14,7349100459 | 9,5 | |||||
| #DIV/0! | 18,1677039352 | 9,6 | |||||
| #DIV/0! | 22,3516747119 | 9,7 | |||||
| #DIV/0! | 27,4408081177 | 9,8 | |||||
| #DIV/0! | 33,6185729984 | 9,9 | |||||
| 0,0149155206 | 2755,7319223986 | 41,1031762331 | 10 | 10 | |||
| #DIV/0! | 50,1536862499 | 10,1 | |||||
| #DIV/0! | 61,07715769 | 10,2 | |||||
| #DIV/0! | 74,2369083752 | 10,3 | |||||
| #DIV/0! | 90,0621206966 | 10,4 | |||||
| #DIV/0! | 109,0589631735 | 10,5 | |||||
| #DIV/0! | 131,8234545179 | 10,6 | |||||
| #DIV/0! | 159,0563224281 | 10,7 | |||||
| #DIV/0! | 191,5801428987 | 10,8 | |||||
| #DIV/0! | 230,3590834708 | 10,9 | |||||
| #DIV/0! | 276,5216160254 | 11 | |||||
| 0,0419698977 | 7895,8165347338 | 331,3866119158 | 11,1 | 11 | |||
| #DIV/0! | 396,4932850092 | 11,2 | |||||
| #DIV/0! | 473,6355071432 | 11,3 | |||||
| #DIV/0! | 564,901086261 | 11,4 | |||||
| #DIV/0! | 672,7166707882 | 11,5 | |||||
| #DIV/0! | 799,8990254329 | 11,6 | |||||
| #DIV/0! | 949,7135143954 | 11,7 | |||||
| #DIV/0! | 1125,9407288967 | 11,8 | |||||
| #DIV/0! | 1332,9523080027 | 11,9 | |||||
| 0,0846568911 | 18613,9262337662 | 1575,7971260506 | 12 | 12 | |||
| #DIV/0! | 1860,2991577986 | 12,1 | |||||
| #DIV/0! | 2193,1684850409 | 12,2 | |||||
| #DIV/0! | 2582,1270773089 | 12,3 | |||||
| #DIV/0! | 3036,0511659898 | 12,4 | |||||
| #DIV/0! | 3565,1322374404 | 12,5 | |||||
| #DIV/0! | 4181,0588983232 | 12,6 | |||||
| #DIV/0! | 4897,2221174588 | 12,7 | |||||
| #DIV/0! | 5728,9466251572 | 12,8 | |||||
| #DIV/0! | 6693,7515556477 | 12,9 | |||||
| #DIV/0! | 7811,6437534302 | 13 | |||||
| 0,1694551488 | 53733,6728851404 | 9105,4475329195 | 13,1 | 13 | |||
| #DIV/0! | 10601,1750856528 | 13,2 | |||||
| #DIV/0! | 12328,442173849 | 13,3 | |||||
| #DIV/0! | 14320,9342367603 | 13,4 | |||||
| #DIV/0! | 16616,9285708653 | 13,5 | |||||
| #DIV/0! | 19259,8788306081 | 13,6 | |||||
| #DIV/0! | 22299,0687375471 | 13,7 | |||||
| #DIV/0! | 25790,3425872041 | 13,8 | |||||
| #DIV/0! | 29796,9209097658 | 13,9 | |||||
| 0,2698062149 | 127463,003376212 | 34390,3104786332 | 14 | 14 | |||
| #DIV/0! | 39651,3187756168 | 14,1 | |||||
| #DIV/0! | 45671,1840197695 | 14,2 | |||||
| #DIV/0! | 52552,8329553513 | 14,3 | |||||
| #DIV/0! | 60412,2797806649 | 14,4 | |||||
| #DIV/0! | 69380,1808914731 | 14,5 | |||||
| #DIV/0! | 79603,5615189821 | 14,6 | |||||
| #DIV/0! | 91247,7318721614 | 14,7 | |||||
| #DIV/0! | 104498,412057329 | 14,8 | |||||
| #DIV/0! | 119564,086855051 | 14,9 | |||||
| #DIV/0! | 136678,613396838 | 15 | |||||
| 0,4219487753 | 369959,853053431 | 156104,106913989 | 15,1 | 15 | |||
| #DIV/0! | 178134,132041288 | 15,2 | |||||
| #DIV/0! | 203097,229662963 | 15,3 | |||||
| #DIV/0! | 231360,812002296 | 15,4 | |||||
| #DIV/0! | 263335,461595466 | 15,5 | |||||
| #DIV/0! | 299479,672971529 | 15,6 | |||||
| #DIV/0! | 340305,079302199 | 15,7 | |||||
| #DIV/0! | 386382,210006568 | 15,8 | |||||
| #DIV/0! | 438346,829317864 | 15,9 | |||||
| 0,5636050912 | 881657,951566461 | 496906,910163911 | 16 | 16 | |||
| #DIV/0! | 562850,302403577 | 16,1 | |||||
| #DIV/0! | 637053,159523407 | 16,2 | |||||
| #DIV/0! | 720489,193358561 | 16,3 | |||||
| #DIV/0! | 814239,832288487 | 16,4 | |||||
| #DIV/0! | 919505,364701119 | 16,5 | |||||
| #DIV/0! | 1037617,15635159 | 16,6 | |||||
| #DIV/0! | 1170051,03759746 | 16,7 | |||||
| #DIV/0! | 1318441,96440831 | 16,8 | |||||
| #DIV/0! | 1484600,06556214 | 16,9 | |||||
| #DIV/0! | 1670528,19759623 | 17 | |||||
| 0,731025 | 2569599,04096115 | 1878441,13891863 | 17,1 | 17 | |||
| #DIV/0! | 2110786,56505619 | 17,2 | |||||
| #DIV/0! | 2370267,95836428 | 17,3 | |||||
| #DIV/0! | 2659869,61770498 | 17,4 | |||||
| #DIV/0! | 2982883,94667081 | 17,5 | |||||
| #DIV/0! | 3342941,21294726 | 17,6 | |||||
| #DIV/0! | 3744041,98643446 | 17,7 | |||||
| #DIV/0! | 4190592,47985 | 17,8 | |||||
| #DIV/0! | 4687443,03278318 | 17,9 | |||||
| 0,8526315789 | 6145596,91198509 | 5239929,99863992 | 18 | 18 | |||
| #DIV/0! | 5853921,3136843 | 18,1 | |||||
| #DIV/0! | 6535866,04853327 | 18,2 | |||||
| #DIV/0! | 7292848,26508074 | 18,3 | |||||
| #DIV/0! | 8132645,52601096 | 18,4 | |||||
| #DIV/0! | 9063792,42990733 | 18,5 | |||||
| #DIV/0! | 10095649,5725739 | 18,6 | |||||
| #DIV/0! | 11238478,3646756 | 18,7 | |||||
| #DIV/0! | 12503522,167284 | 18,8 | |||||
| #DIV/0! | 13903094,2405087 | 18,9 | |||||
| #DIV/0! | 15450673,0362388 | 19 | |||||
| 0,955 | 17969639,1667392 | 17161005,4042359 | 19,1 | 19 | |||
| #DIV/0! | 19050218,3215709 | 19,2 | |||||
| #DIV/0! | 21135939,79882 | 19,3 | |||||
| #DIV/0! | 23437429,6626975 | 19,4 | |||||
| #DIV/0! | 25975720,9640784 | 19,5 | |||||
| #DIV/0! | 28773772,8128113 | 19,6 | |||||
| #DIV/0! | 31856635,496562 | 19,7 | |||||
| #DIV/0! | 35251628,8003198 | 19,8 | |||||
| #DIV/0! | 38988534,5063831 | 19,9 | |||||
| 1 | 43099804,1218218 | 43099804,1218218 | 20 | 20 | |||
| 1,1048955516 | 43099805,1218218 | 47620782,9518154 | 20,1 | ||||
| 1,2201899833 | 43099806,1218218 | 52589951,7131552 | 20,2 | ||||
| 1,3468549128 | 43099807,1218218 | 58049186,9628024 | 20,3 | ||||
| 1,4859472581 | 43099808,1218218 | 64044041,7019981 | 20,4 | ||||
| 1,6386162502 | 43099809,1218218 | 70624047,607313 | 20,5 | ||||
| 1,8061109832 | 43099810,1218218 | 77843040,4364735 | 20,6 | ||||
| 1,9897885403 | 43099811,1218218 | 85759510,2591603 | 20,7 | ||||
| 2,1911227363 | 43099812,1218218 | 94436978,2715309 | 20,8 | ||||
| 2,4117135212 | 43099813,1218218 | 103944402,068343 | 20,9 | ||||
| 2,6532970895 | 43099814,1218218 | 114356611,368604 | 21 | ||||
| 0,7421200133 | 169453422,710027 | 125754776,320015 | 21,1 | 21 | |||
| 0,8157221472 | 169453423,710027 | 138226910,64452 | 21,2 | ||||
| 0,8962250972 | 169453424,710027 | 151868412,032445 | 21,3 | ||||
| 0,9842388352 | 169453425,710027 | 166782642,346411 | 21,4 | ||||
| 1,0804240074 | 169453426,710027 | 183081550,358971 | 21,5 | ||||
| 1,1854958772 | 169453427,710027 | 200886339,920111 | 21,6 | ||||
| 1,3002285543 | 169453428,710027 | 220328186,633047 | 21,7 | ||||
| 1,4254595302 | 169453429,710027 | 241549006,309473 | 21,8 | ||||
| 1,5620945387 | 169453430,710027 | 264702278,679304 | 21,9 | ||||
| 0,6127323088 | 473214690,757693 | 289953930,045499 | 22 | 22 | |||
| 0,6709074852 | 473214691,757693 | 317483278,802333 | 22,1 | ||||
| 0,7343052811 | 473214692,757693 | 347484047,97627 | 22,2 | ||||
| 0,8033678037 | 473214693,757693 | 380165449,202875 | 22,3 | ||||
| 0,8785723424 | 473214694,757693 | 415753342,821831 | 22,4 | ||||
| 0,9604339914 | 473214695,757693 | 454491479,055789 | 22,5 | ||||
| 1,0495084556 | 473214696,757693 | 496642825,538139 | 22,6 | ||||
| 1,1463950493 | 473214697,757693 | 542490986,770885 | 22,7 | ||||
| 1,2517399036 | 473214698,757693 | 592341721,427192 | 22,8 | ||||
| 1,3662393922 | 473214699,757693 | 646524563,764913 | 22,9 | ||||
| 1,4906437916 | 473214700,757693 | 705394555,788449 | 23 | ||||
| 0,5633427594 | 1365658978,14928 | 769334097,18733 | 23,1 | 23 | |||
| 0,6141759644 | 1365658979,14928 | 838754920,492354 | 23,2 | ||||
| 0,6693473353 | 1365658980,14928 | 914100199,324615 | 23,3 | ||||
| 0,729206055 | 1365658981,14928 | 995846798,070627 | 23,4 | ||||
| 0,7941277332 | 1365658982,14928 | 1084507671,7992 | 23,5 | ||||
| 0,8645162814 | 1365658983,14928 | 1180634425,74356 | 23,6 | ||||
| 0,9408059106 | 1365658984,14928 | 1284820044,20739 | 23,7 | ||||
| 1,0234632617 | 1365658985,14928 | 1397701799,31622 | 23,8 | ||||
| 1,1129896746 | 1365658986,14928 | 1519964350,62871 | 23,9 | ||||
| 0,4700444501 | 3515291047,61395 | 1652343047,24563 | 24 | 24 | |||
| 0,5108047726 | 3515291048,61395 | 1795627444,71076 | 24,1 | ||||
| 0,5549085473 | 3515291049,61395 | 1950665049,68785 | 24,2 | ||||
| 0,602614485 | 3515291050,61395 | 2118365306,12372 | 24,3 | ||||
| 0,6542001227 | 3515291051,61395 | 2299703837,37021 | 24,4 | ||||
| 0,7099631075 | 3515291052,61395 | 2495726959,54035 | 24,5 | ||||
| 0,7702225622 | 3515291053,61395 | 2707556482,21623 | 24,6 | ||||
| 0,8353205376 | 3515291054,61395 | 2936394813,51245 | 24,7 | ||||
| 0,9056235564 | 3515291055,61395 | 3183530387,42895 | 24,8 | ||||
| 0,9815242541 | 3515291056,61395 | 3450343432,40421 | 24,9 | ||||
| 1,0634431231 | 3515291057,61395 | 3738312101,00631 | 25 | ||||
| 0,4113901746 | 9842284119,12446 | 4049018981,77611 | 25,1 | 25 | |||
| 0,4454411153 | 9842284120,12446 | 4384158015,36817 | 25,2 | ||||
| 0,4821585904 | 9842284121,12446 | 4745541838,32135 | 25,3 | ||||
| 0,5217396201 | 9842284122,12446 | 5135109579,03644 | 25,4 | ||||
| 0,5643949171 | 9842284123,12446 | 5554935131,8447 | 25,5 | ||||
| 0,6103497786 | 9842284124,12446 | 6007235936,4208 | 25,6 | ||||
| 0,6598450328 | 9842284125,12446 | 6494382291,23119 | 25,7 | ||||
| 0,7131380421 | 9842284126,12446 | 7018907231,2148 | 25,8 | ||||
| 0,7705037676 | 9842284127,12446 | 7583517001,47248 | 25,9 | ||||
| 0,3262480679 | 25106975234,1711 | 8191102160,39681 | 26 | 26 | |||
| 0,3522825535 | 25106975235,1711 | 8844749347,4079 | 26,1 | ||||
| 0,3802829159 | 25106975236,1711 | 9547753752,27854 | 26,2 | ||||
| 0,4103892336 | 25106975237,1711 | 10303632324,935 | 26,3 | ||||
| 0,442750975 | 25106975238,1711 | 11116137766,6135 | 26,4 | ||||
| 0,4775275887 | 25106975239,1711 | 11989273345,3399 | 26,5 | ||||
| 0,5148891277 | 25106975240,1711 | 12927308580,8859 | 26,6 | ||||
| 0,5550169111 | 25106975241,1711 | 13934795846,6424 | 26,7 | ||||
| 0,5981042238 | 25106975242,1711 | 15016587938,2452 | 26,8 | ||||
| 0,6443570563 | 25106975243,1711 | 16177856661,2935 | 26,9 | ||||
| 0,6939948888 | 25106975244,1711 | 17424112493,1236 | 27 | ||||
| 0,2676182122 | 70104441779,0232 | 18761225376,3412 | 27,1 | 27 | |||
| 0,2880765639 | 70104441780,0232 | 20195446704,6837 | 27,2 | ||||
| 0,3100150577 | 70104441781,0232 | 21733432564,7844 | 27,3 | ||||
| 0,3335347619 | 70104441782,0232 | 23382268300,5422 | 27,4 | ||||
| 0,3587432384 | 70104441783,0232 | 25149494470,0832 | 27,5 | ||||
| 0,3857549334 | 70104441784,0232 | 27043134268,7202 | 27,6 | ||||
| 0,4146915909 | 70104441785,0232 | 29071722494,9015 | 27,7 | ||||
| 0,4456826892 | 70104441786,0232 | 31244336139,8786 | 27,8 | ||||
| 0,4788659011 | 70104441787,0232 | 33570626685,7269 | 27,9 | ||||
| 0,2016622309 | 178818086303,233 | 36060854200,4433 | 28 | 28 | |||
| 0,2165660316 | 178818086304,233 | 38725923323,0955 | 28,1 | ||||
| 0,2325123934 | 178818086305,233 | 41577421236,4612 | 28,2 | ||||
| 0,2495701562 | 178818086306,233 | 44627657729,2322 | 28,3 | ||||
| 0,2678124369 | 178818086307,233 | 47889707454,7138 | 28,4 | ||||
| 0,2873168792 | 178818086308,233 | 51377454498,0132 | 28,5 | ||||
| 0,308165916 | 178818086309,233 | 55105639368,9904 | 28,6 | ||||
| 0,3304470468 | 178818086310,233 | 59089908543,7613 | 28,7 | ||||
| 0,3542531295 | 178818086311,233 | 63346866683,2905 | 28,8 | ||||
| 0,3796826879 | 178818086312,233 | 67894131663,6096 | 28,9 | ||||
| 0,4068402367 | 178818086313,233 | 72750392558,4573 | 29 | ||||
| 0,1559616096 | 499709325514,88 | 77935470721,6537 | 29,1 | 29 | |||
| 0,1670378755 | 499709325515,88 | 83470384123,3282 | 29,2 | ||||
| 0,1788588096 | 499709325516,88 | 89377415101,2114 | 29,3 | ||||
| 0,1914716753 | 499709325517,88 | 95680181695,5835 | 29,4 | ||||
| 0,2049265593 | 499709325518,88 | 102403712744,188 | 29,5 | ||||
| 0,21927653 | 499709325519,88 | 109574526921,426 | 29,6 | ||||
| 0,2345778034 | 499709325520,88 | 117220715914,533 | 29,7 | ||||
| 0,2508899185 | 499709325521,88 | 125372031938,122 | 29,8 | ||||
| 0,2682759215 | 499709325522,88 | 134059979797,576 | 29,9 | ||||
| 0,1123254782 | 1275916346402,61 | 143317913721,202 | 30 | 30 | |||
| 0,1200557855 | 1275916346403,61 | 153181139190,915 | 30,1 | ||||
| 0,1282897742 | 1275916346404,61 | 163687020011,442 | 30,2 | ||||
| 0,1370584297 | 1275916346405,61 | 174875090868,733 | 30,3 | ||||
| 0,1463945314 | 1275916346406,61 | 186787175639,326 | 30,4 | ||||
| 0,1563327504 | 1275916346407,61 | 199467511724,003 | 30,5 | ||||
| 0,1669097518 | 1275916346408,61 | 212962880691,072 | 30,6 | ||||
| 0,1781643022 | 1275916346409,61 | 227322745527,121 | 30,7 | ||||
| 0,1901373828 | 1275916346410,61 | 242599394806,12 | 30,8 | ||||
| 0,2028723081 | 1275916346411,61 | 258848094101,245 | 30,9 | ||||
| 0,2164148502 | 1275916346412,61 | 276127244977,927 | 31 | ||||
| 0,0824997883 | 3569688579096,48 | 294498551921,213 | 31,1 | 31 | |||
| 0,0879704743 | 3569688579097,48 | 314027197565,794 | 31,2 | ||||
| 0,0937846591 | 3569688579098,48 | 334782026612,86 | 31,3 | ||||
| 0,0999627085 | 3569688579099,48 | 356835738834,383 | 31,4 | ||||
| 0,1065261249 | 3569688579100,48 | 380265091582,553 | 31,5 | ||||
| 0,1134976072 | 3569688579101,48 | 405151112239,847 | 31,6 | ||||
| 0,1209011127 | 3569688579102,48 | 431579321063,686 | 31,7 | ||||
| 0,1287619227 | 3569688579103,48 | 459639964898,809 | 31,8 | ||||
| 0,1371067115 | 3569688579104,48 | 489428262250,439 | 31,9 | ||||
| 0,0571072565 | 9123965889821,92 | 521044660232,034 | 32 | 32 | |||
| 0,0607844342 | 9123965889822,92 | 554595103922,873 | 32,1 | ||||
| 0,0646858313 | 9123965889823,92 | 590191318693,134 | 32,2 | ||||
| 0,0688243592 | 9123965889824,92 | 627951106077,243 | 32,3 | ||||
| 0,073213629 | 9123965889825,92 | 667998653800,416 | 32,4 | ||||
| 0,0778679874 | 9123965889826,92 | 710464860588,234 | 32,5 | ||||
| 0,0828025538 | 9123965889827,92 | 755487676415,147 | 32,6 | ||||
| 0,0880332597 | 9123965889828,92 | 803212458874,629 | 32,7 | ||||
| 0,0935768893 | 9123965889829,92 | 853792346381,733 | 32,8 | ||||
| 0,0994511225 | 9123965889830,92 | 907388648947,761 | 32,9 | ||||
| 0,1056745793 | 9123965889831,92 | 964171257296,841 | 33 | ||||
| 0,0400845117 | 25553986477954,6 | 1024319071125,48 | 33,1 | 33 | |||
| 0,0425773273 | 25553986477955,6 | 1088020447338,52 | 33,2 | ||||
| 0,0452169633 | 25553986477956,6 | 1155473669128,41 | 33,3 | ||||
| 0,0480115867 | 25553986477957,6 | 1226887436799,79 | 33,4 | ||||
| 0,0509697922 | 25553986477958,6 | 1302481381277,2 | 33,5 | ||||
| 0,0541006235 | 25553986477959,6 | 1382486601271,41 | 33,6 | ||||
| 0,0574135948 | 25553986477960,6 | 1467146225118,6 | 33,7 | ||||
| 0,0609187142 | 25553986477961,6 | 1556715998346,89 | 33,8 | ||||
| 0,0646265075 | 25553986477962,6 | 1651464898066,47 | 33,9 | ||||
| 0,0267940402 | 65375574538683,2 | 1751675775322,67 | 34 | 34 | |||
| 0,0284149859 | 65375574538684,2 | 1857646026596,42 | 34,1 | ||||
| 0,0301288105 | 65375574538685,2 | 1969688295682,74 | 34,2 | ||||
| 0,0319405408 | 65375574538686,2 | 2088131207225,91 | 34,3 | ||||
| 0,0338554598 | 65375574538687,2 | 2213320133240,36 | 34,4 | ||||
| 0,0358791186 | 65375574538688,2 | 2345617993997,09 | 34,5 | ||||
| 0,0380173499 | 65375574538689,2 | 2485406094709,78 | 34,6 | ||||
| 0,0402762808 | 65375574538690,2 | 2633084999509,52 | 34,7 | ||||
| 0,042662347 | 65375574538691,2 | 2789075444254,62 | 34,8 | ||||
| 0,0451823072 | 65375574538692,2 | 2953819289781,58 | 34,9 | ||||
| 0,0478432586 | 65375574538693,2 | 3127780517264,29 | 35 | ||||
| 0,0180680563 | 183276286580767 | 3311446267412,63 | 35,1 | 35 | |||
| 0,0191259218 | 183276286580768 | 3505327925307,39 | 35,2 | ||||
| 0,0202424565 | 183276286580769 | 3709962252736,35 | 35,3 | ||||
| 0,0214207339 | 183276286580770 | 3925912569967,5 | 35,4 | ||||
| 0,0226639794 | 183276286580771 | 4153769988967,68 | 35,5 | ||||
| 0,0239755769 | 183276286580772 | 4394154700151,2 | 35,6 | ||||
| 0,0253590762 | 183276286580773 | 4647717314820,71 | 35,7 | ||||
| 0,0268182009 | 183276286580774 | 4915140265543,65 | 35,8 | ||||
| 0,028356856 | 183276286580775 | 5197139266791,33 | 35,9 | ||||
| 0,0117085627 | 469268940916220 | 5494464838253,85 | 36 | 36 | |||
| 0,0123764933 | 469268940916221 | 5807903893334,37 | 36,1 | ||||
| 0,0130805192 | 469268940916222 | 6138281395417,83 | 36,2 | ||||
| 0,0138224833 | 469268940916223 | 6486462084605,69 | 36,3 | ||||
| 0,0146043168 | 469268940916224 | 6853352277706,82 | 36,4 | ||||
| 0,0154280437 | 469268940916225 | 7239901744376,96 | 36,5 | ||||
| 0,0162957848 | 469268940916226 | 7647105662405,31 | 36,6 | ||||
| 0,0172097617 | 469268940916227 | 8076006655255,61 | 36,7 | ||||
| 0,018172302 | 469268940916228 | 8527696915082,47 | 36,8 | ||||
| 0,0191858434 | 469268940916229 | 9003320414560,27 | 36,9 | ||||
| 0,0202529389 | 469268940916230 | 9504075210981,99 | 37 | ||||
| 0,0076185265 | 1316687132066770 | 10031215846214,6 | 37,1 | 37 | |||
| 0,0080399174 | 1316687132066770 | 10586055846211,2 | 37,2 | ||||
| 0,0084833899 | 1316687132066770 | 11169970323943,7 | 37,3 | ||||
| 0,0089500371 | 1316687132066770 | 11784398689718,1 | 37,4 | ||||
| 0,0094410032 | 1316687132066770 | 12430847473008,8 | 37,5 | ||||
| 0,0099574857 | 1316687132066770 | 13110893260082 | 37,6 | ||||
| 0,0105007374 | 1316687132066770 | 13826185751818,4 | 37,7 | ||||
| 0,0110720691 | 1316687132066770 | 14578450946335,6 | 37,8 | ||||
| 0,0116728523 | 1316687132066770 | 15369494451128,5 | 37,9 | ||||
| 0,0048020774 | 3373790909320900 | 16201204929646,3 | 38 | 38 | |||
| 0,0050612377 | 3373790909320910 | 17075557687387,4 | 38,1 | ||||
| 0,0053336496 | 3373790909320910 | 17994618402752,1 | 38,2 | ||||
| 0,0056199532 | 3373790909320910 | 18960547008120,5 | 38,3 | ||||
| 0,0059208179 | 3373790909320910 | 19975601726758,5 | 38,4 | ||||
| 0,0062369435 | 3373790909320910 | 21042143271396 | 38,5 | ||||
| 0,0065690613 | 3373790909320910 | 22162639210487,5 | 38,6 | ||||
| 0,0069179357 | 3373790909320910 | 23339668508401,8 | 38,7 | ||||
| 0,0072843655 | 3373790909320910 | 24575926245992,7 | 38,8 | ||||
| 0,0076691856 | 3373790909320910 | 25874228528203,8 | 38,9 | ||||
| 0,0080732678 | 3373790909320910 | 27237517585628,1 | 39 | ||||
| 0,00302622 | 9473490710869230 | 28668867077136,3 | 39,1 | 39 | |||
| 0,0031848332 | 9473490710869230 | 30171487600966,5 | 39,2 | ||||
| 0,0033513235 | 9473490710869230 | 31748732421905,8 | 39,3 | ||||
| 0,0035260607 | 9473490710869230 | 33404103422441,3 | 39,4 | ||||
| 0,0037094307 | 9473490710869230 | 35141257286027,1 | 39,5 | ||||
| 0,0039018365 | 9473490710869230 | 36964011920924,1 | 39,6 | ||||
| 0,0041036989 | 9473490710869230 | 38876353133290,8 | 39,7 | ||||
| 0,004315457 | 9473490710869230 | 40882441558563,1 | 39,8 | ||||
| 0,0045375692 | 9473490710869230 | 42986619860404,9 | 39,9 | ||||
| 0,0018605545 | 24290296382190400 | 45193420206841,1 | 40 | 40 |
ЗАДАНИЕ НА КУРСОВУЮ РАБОТУ
ТИП АТС : АТСКЭ “КВАНТ”
1.Емкость АТС : 1120 номеров.
2.Абоненты АТС : Управление-Отделение.
3.Структурный состав : 36%-административный сектор , 64%-квартирный сектор.
4.Среднее число вызовов на одного абонента в час наибольшей нагрузки при внутристанционной связи : 1.25-административный сектор, 0.7-квартирный сектор.
5.Средняя продолжительность внутристанционной связи : 2.4 мин.
6.Требуется связь со следующими станциями :
|
Наименование станции |
Тип станции |
Тип соединительных линий |
|
ЖАТС 2 |
АТСКЭ ”КВАНТ” |
АСП |
|
ГАТС |
АТСКУ |
АСП |
|
УАТС |
УАТС-49 |
ФСЛ |
|
УАК |
АТСК-100/2000 |
ФСЛ |
7.Среднее число вызовов от встречных станций и среднее время обслуживания этих вызовов :
|
Наименование станции |
Исходящее направление |
Входящее направление |
Среднее время обслуживания вызова |
|
ЖАТС 2 |
0.5 |
1.3 |
1.6 |
|
ГАТС |
0.4 |
0.39 |
1.44 |
|
УАТС |
0.05 |
0.19 |
1.32 |
|
УАК |
0.22 |
0.26 |
1.8 |
|
МТС |
---- |
0.16 |
1.95 |
|
Спец. Службы |
0.55 |
----- |
0.47 |
УДК 621.245.151
РЕФЕРАТ
Курсовой проект содержит страниц машинописного текста, рисунков,
таблиц.
ТЕЛЕФОННАЯ НАГРУЗКА, СОЕДИНИТЕЛЬНЫЕ ЛИНИИ, КОММУТАЦИЯ, ПУЧКИ ЛИНИЙ, ТЕЛЕФОННАЯ СТАНЦИЯ, УЗЕЛ АВТОМАТИЧЕСКОЙ КОММУТАЦИИ, ВЕРОЯТНОСТЬ ПОТЕРЬ
Проект представлен в виде чертежей с пояснительной запиской. В нем разработаны следующие разделы:
структурная схема связи железнодорожного узла;
нумерация проектируемого узла;
функциональная схема связи железнодорожного узла;
расчет телефонной нагрузки;
определение объема оборудования станции;
комплектация и размещение оборудования;
проектирование переменной части программного обеспечения;
определение стоимости АТС.
В проекте представлены чертежи:
функциональная схема связи железнодорожного узла;
комплектация стативов АТСКЭ "Квант" блоками;
план размещения оборудования в автоматном зале и кроссовой.
Пояснительная записка и чертежи оформлены в соответствии
с требованиями действующего стандарта предприятия на курсовой проект.
СОДЕРЖАНИЕ
Введение………………………………………………………………………..5
Схема связи ж.-д. узла. Описание АТСКЭ “Квант”. Организация
внешней связи………………………………………………………………….6
Расчет телефонной нагрузки и объема оборудования
Общие сведения……………………………………………………..11
Исходные данные…………………………………………………...11
2.3. Порядок расчета……………………………………………………..12
2.4. Расчет нагрузки ИШК……………………………………………….13
2.5. Расчет нагрузки ВШК……………………………………………….15
2.6. Расчет нагрузки приемников и датчиков сигналов управления….15
2.7. Расчет нагрузок соединительных линий…………………………...18
2.8. Расчет нагрузки перемычек между БВЛ и БИЛ…………………...20
2.9. Определение количества коммутационного оборудования и
шнуровых комплектов………………………………………………22
2.10. Методы расчета количества приборов АТС……………………….23
2.11. Расчет количества входящих и двухсторонних соединительных
линий………………………………………………………………...25
2.12. Расчет количества исходящих соединительных линий и
приемников батарейных……………………………………………26
Комплектация и размещение оборудования АТСКЭ “Квант”
Расчет количества оборудования АТС……………………………..27
Комплектация оборудования ЦУУ………………………………….30
Комплектация оборудования, управляемого по медленному каналу31
Комплектация оборудования, управляемого по быстрому каналу..32
Разработка переменной части программного обеспечения
Таблица индексов характеристик направлений…………………….35
Характеристика АТС…………………………………………………39
Таблицы характеристик входящих направлений…………………..39
Таблицы пересчета для входящих комплектов…………………….40
Таблицы пересчета для исходящих комплектов……………………44
Определение состава электропитающих устройств……………………….47
Определение стоимости оборудования АТС………………………………48
Список литературы……………………………………………………………..50
ВВЕДЕНИЕ
Телефонная связь на железнодорожном транспорте является основным видом связи по объему передаваемой информации. Возрастают количество и протяженность телефонных каналов, внедряются более совершенные многоканальные системы передачи, автоматизируются процессы установления соединений, вводится в эксплуатацию современное коммутационное оборудование. Использование цифровых сигналов в коммутации позволит включать АТС в сеть каналов передачи данных наряду с терминалами, персональными компьютерами, взаимодействующими с ЭВМ.
Разработаны специализированные ЭВМ, которые работают по заданной (записанной) программе и управляют процессами коммутации в АТС и узлах автоматической коммутации (УАК). Квазиэлектронные и электронные АТС, реализованные на этих принципах, имеют малые размеры, высокую надежность работы, небольшие эксплуатационные расходы и значительную степень автоматизации процессов контроля оборудования и измерения качества функционирования систем.
Автоматические телефонные станции квазиэлектронной системы (АТСКЭ) широко применяются на сети связи железнодорожного транспорта. Следует отметить, что единственным перспективным оборудованием для строительства транзитных узлов автоматической коммутации на железнодорожном транспорте является квазиэлектронное узловое оборудование “Квант”.
Основным направлением технического прогресса в обслуживании автоматических телефонных станций и узлов является централизация технической эксплуатации, которая обеспечивает необходимое качество телефонной связи, и повышение производительности труда благодаря технической диагностике повреждений, переводу аппаратуры в необслуживаемый режим. Автоматические телефонные станции с программным управлением по своим эксплуатационным характеристикам наиболее приспособлены к централизованному обслуживанию. Они имеют более высокую надежность по сравнению с АТС электромеханических систем, развитую систему контроля и технической диагностики, возможность автоматического исключения из эксплуатации неисправных устройств, дают информацию обслуживающему персоналу о месте и характере повреждений.
Выполнение курсового проекта АТСКЭ "Квант" позволит получить навыки в расчетах телефонной нагрузки, соединительных устройств, составлении различных схем и проектировании переменных данных программного обеспечения.
1 СХЕМА СВЯЗИ ЖЕЛЕЗНОДОРОЖНОГО УЗЛА. ОПИСАНИЕ АТСКЭ “Квант”. ОРГАНИЗАЦИЯ ВНЕШНЕЙ СВЯЗИ
Квазиэлектронная АТС “Квант” обеспечивает возможность применения открытой и закрытой систем нумерации. Для более гибкой организации связи и рационального построения сети предусмотрена возможность восстановления и гашения цифр передаваемого номера.
Оборудование автоматической коммутации позволяет строить АТС с удельной суммарной нагрузкой на абонентскую линию до 0.2 Эрл и соединительную линию не менее 0.4 Эрл.
Блоки коммутации АТС построены на матричных ферридовых соединителях (МСФ). В оконечных станциях предусмотрена двухпроводная коммутация, в узловых и центральных – двух- , и четырехпроводная. В комплектах станционных и соединительных линий применены герконовые реле и полупроводниковые элементы.
Процессом установления соединений управляет централизованное управляющее устройство с записанной программой, построенное по принципу резервированного двухмашинного комплекса. Применение программного способа управления позволяет предоставить абонентам сети ряд дополнительных видов обслуживания.
Оборудование “Квант” предусматривает организацию узлов автоматической коммутации для сетей междугородной связи. АТС КЭ и УАК позволяют включить определенное число линий внешней связи, распределяемых по разным направлениям. Максимально в АТС можно включить 384 односторонние соединительные линии (исходящие и входящие), а в УАК – 512 таких линий. Вместо односторонних соединительных линий можно включить двухсторонние, при этом число линий уменьшается вдвое. Максимальное число направлений исходящей связи – 64, а входящей – 32. Число линий в направлении может быть любым.
Станция предусматривает подключение различных абонентских линий: индивидуального пользования, со спаренными телефонными аппаратами и взаимной связью удаленных линий, в которые могут быть включены телефонные аппараты с дисковым или кнопочным номеронабирателем. Абонентские линии подразделяются на категории в зависимости от их вида, типа абонентской установки, основных и дополнительных видов связи, предоставляемых абоненту, приоритета при установлении исходящей междугородной и международной связи и др.
Местные железнодорожные автоматические телефонные станции (ЖАТС) сооружаются для обслуживания абонентов подразделений Министерства путей сообщения (МПС): управлений и отделений железных дорог; железнодорожных станций; заводов, больниц, вузов и других предприятий железнодорожного транспорта.
ЖАТС должны обеспечивать для работников подразделений:
внутреннюю связь;
связь со специальными службами;
связь с абонентами других ЖАТС узла;
связь с междугородной телефонной станцией ручного обслуживания (МТС) железнодорожной сети связи;
связь с автоматически коммутируемой телефонной сетью (АКТС) междугородной связи МПС через узлы автоматической коммутации (УАК);
связь с абонентами учрежденческих телефонных станций (УАТС);
связь с абонентами городских телефонных станций (ГАТС);
связь с автоматической междугородной телефонной станцией сети общего пользования непосредственно или через ГАТС.
Структурная схема связи железнодорожного узла приведена на рис.1.1.
Структурная схема связи железнодорожного узла
Рис.1.1
Одним из важных вопросов проектирования является разработка плана нумерации узла связи и проектируемой станции.
На сети связи МПС применяется единая нумерация абонентов, линий и станций. Абонентам управления, отделений и крупных железнодорожных станций присваиваются четырехзначные номера, начинающиеся с цифр для:
управления - 4;
отделения - 3;
железнодорожной станции - 2.
При
необходимости увеличения емкости АТС
могут быть использованы для включения
абонентов четырехзначные номера,
начинающиеся с цифр 5, 6 или 7.
Нумерация на сети связи должна быть согласована: абоненты всех ЖАТС узла вызывают абонентов как своей, так и встречных станций единым четырехзначным номером без прослушивания повторного сигнала ОС. Для этого на АТСКЭ "Квант" предусмотрена возможность гашения и восстановления от одной до трех первых цифр номера как при входящей, так и при исходящей связи с другими станциями.
Нумерация абонентских линий малых АТС может быть трехзначной или четырехзначной. Для выхода на УАТС выбираем вариант с набором индекса выхода 7 и затем абонентского номера. Оборудование и программное обеспечение АТСКЭ "Квант" не предусматривает подачу повторного сигнала ОС после набора индекса выхода, кроме связи с АМТС. При входящей связи от УАТС, МТС и других станций сети абоненту может быть подан сигнал “ответ станции” (ОС) при подключении "Кванта".
Для выхода на ЖАТС2 выбираем вариант с набором индекса выхода 3 и затем абонентского номера.
Для выхода на сеть связи общего пользования (ГАТС) выбираем цифру 9, после чего набирается полный шестизначный номер городского абонента, который транслируется в приборы ГАТС. Для выхода на АМТС принимаем варианты набора индекса 8, после чего дается повторный сигнал ОС. Затем набирается трехзначный код вызываемого пункта и зоновый (5 знаков) или междугородный (7 знаков) номер вызываемого абонента.
Для обеспечения входящей связи от сети общего пользования следует учитывать, что абонент ГАТС набирает число цифр номера принятое на сети – в данном проекте – шесть. После занятия соединительной линии на проектируемую АТС должны транслироваться четыре цифры номера абонента проектируемой ЖАТС.
Для выхода на УАК принимаем цифру 0, после чего набирается трехзначный код вызываемого пункта сети АКТС и четырехзначный номер вызываемого абонента.
Линиям специальной связи присваиваются номера:
стол справок ЖАТС – 1-31;
стол заказов МТС – 1-21.
Оборудование АТСКЭ "Квант" позволяет транслировать и принимать цифры номера по соединительным линиям со встречными АТС декадным или многочастотным кодом.
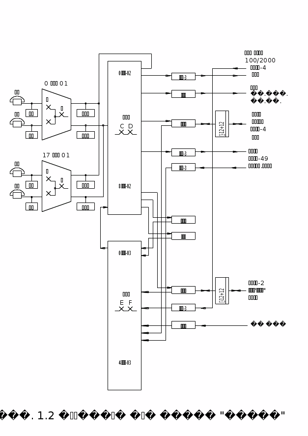
Функциональная схема АТСКЭ "Квант" приведена на рис. 1.2.


Разработанная система нумерации станции приводится в таблицах по форме табл.1.1 и табл.1.2.
Таблица 1.1
Система нумерации (исходящая связь)
|
Наименование АТС |
Нумерация |
Номер, набираемый абонентом |
Номер, транслируемый по СЛ |
Тип трансляции |
|
ЖАТС 1 |
4000-5120 |
— |
— |
— |
|
ЖАТС 2 |
ХХХ |
3ХХХ |
ХХХ |
МЧК |
|
УАТС |
XXX |
7XXX |
XXX |
ДБК |
|
ГАТС |
XXXXXX |
9XXXXXX |
XXXXXX |
МЧК |
|
Стол заказов |
— |
121 |
— |
— |
|
Стол справок |
— |
131 |
— |
— |
|
УАК |
ABC |
0ABCXXXX |
ABCXXXX |
ДБК |
Таблица 1.2
Система нумерации (входящая связь)
|
Наименование АТС |
Восстанавливаемые или гасимые цифры |
Номер, набираемый абонентом |
Номер транслируемый по СЛ |
Тип трансляции |
|
УАК |
— |
0XXXXXXX |
XXXXXXX |
ДБК |
|
ГАТС |
— |
2994XXX, 2995XXX |
4XXX, 5XXX |
МЧК |
|
МТС |
— |
XXXX |
XXXX |
ДБК |
|
ЖАТС 2 |
— |
4XXX |
4XXX |
МЧК |
|
УАТС |
— |
4XXX |
4XXX |
ДБК |
На функциональной схеме связи железнодорожного узла показаны проектируемая АТС и встречные станции.
Схема выполнена так, что можно проследить установление соединения как внутри проектируемой станции, так и с абонентами встречных станций.
Станции узла соединяются между собой по физическим соединительным линиям (ФСЛ), каналам ТЧ систем передачи – аналоговым (АСП) . Включение линий и каналов производится посредством комплектов соединительных линий (КСЛ) – исходящих (ИК), входящих (ВК), двухсторонних (ДК). Тип КСЛ зависит от способа организации СЛ или канала ТЧ. Имеются следующие типы КСЛ:
ИКБ-3, ВКБ-3 – исходящий и входящий комплекты для работы по трехпроводным физическим соединительным линиям;
ДКБК – двухсторонний комплект для работы по каналам ТЧ без выделенного сигнального канала; сигнализация частотой 2600 или 2100 Гц, используемая на сети АКТС железнодорожного транспорта;
Перечисленные комплекты обеспечивают трансляцию импульсов набора номера как декадным, так и многочастотным кодом.
Для связи со спецслужбами и ручной МТС служат комплекты:
ИКС – исходящий комплект для связи со спецслужбами (столом справок и столом заказов МТС);
ВКМР – входящий комплект для связи от МТС.
На встречных станциях узла для включения соединительных линий и каналов применяются комплекты, входящие в состав оборудования этих АТС.
Функциональная схема узла связи показана на рис.1.2.
Проектируемая ЖАТС 1 типа АТСКЭ "Квант" емкостью 1120 номеров построена по узловой схеме. Станция обслуживает абонентов управления железной дороги, имеющих нумерацию 4000 - 5120.
Связь с ГАТС типа АТСКУ осуществляется по аналоговой системе передачи К-12+12, для чего на ЖАТС 1 применяются комплекты ДКБК, на ГАТС – комплекты СЦТ. Взаимодействие между станциями осуществляется многочастотным кодом. Для выхода на ГАТС от абонентов ЖАТС 1 используется индекс 9 и набор шестизначного номера городского абонента. Для соединения с абонентом ЖАТС 1 абонент ГАТС должен набрать шестизначный номер 2994XXX или 2995XXX, по каналу АСП транслируются последние четыре цифры.
Связь ЖАТС 1 с УАТС типа ДШС осуществляется по физическим соединительным линиям (ФСЛ), для этого на проектируемом "Кванте" используются комплекты ИКБ-3 и ВКБ-3, на КРЖ – комплекты СК. Взаимодействие осуществляется декадными импульсами. Выход от ЖАТС 1 на УАТС осуществляется набором индекса 7 и трехзначного номера абонента ДШС, выход от УАТС на ЖАТС 1 – набором индекса 0 и, после получения от "Кванта" повторного ОС, набором четырехзначного номера абонента.
Связь с УАКом координатной системы организована по физическим соединительным линиям с помощью комплектов ИКБ-3 и ВКБ-3 со стороны "Кванта" и РСЛИ-4 и ПКУ со стороны УАКа. Взаимодействие между ЖАТС-1 и УАКом осуществляется декадно-батарейными импульсами. Для выхода на УАК абонент "Кванта" набирает 0 и далее 7 цифр (3 цифры кода города и 4 цифры номера абонента), которые транслируются по соединительной линии. При входящем соединении от УАК поступают 4 цифры номера.
Проектируемая АТС имеет исходящую связь со спецслужбами (столом справок и столом заказов) по физическим линиям через комплекты ИКС. Выход осуществляется кодами 131 и 121 соответственно.
Входящая связь от МТС осуществляется по физическим линиям через комплекты ВКМР. При занятии комплекта телефонистке подается ОС. Номер транслируется декадными импульсами.
2 РАСЧЕТ ТЕЛЕФОННОЙ НАГРУЗКИ И ОБЪЕМА ОБОРУДОВАНИЯ
2.1. Общие сведения.
Объем оборудования АТСКЭ "Квант" определяется по абонентской емкости станции (число АК, число БАЛ) и в зависимости от величины телефонной нагрузки (число ИК, ВК, ДК, ПБ и др.). Расчеты количества оборудования устройств связи производятся по нагрузке, поступающей в час наибольшей нагрузки (ЧНН). Нормы качества обслуживания вызовов для разных элементов оборудования АТС и линий приведены в [1, табл.4.1.].
Для проектирования телефонной станции заданы средние значения числа вызовов, поступающих в ЧНН, и средние значения длительностей занятия приборов. По этим данным рассчитано среднее значение (математическое ожидание) поступающей телефонной нагрузки – Y. Наблюдения показывают, что в реальных условиях значения телефонной нагрузки в ЧНН разных дней могут значительно отклоняться от среднего значения Y, полученного за многие дни измерений. Случайные снижения нагрузки вызывают меньшее падение величины вероятности потерь, а увеличения нагрузки – большее возрастание этой вероятности. Чтобы учесть влияние отмеченного эффекта, расчеты количества оборудования телефонного тракта производятся по расчетной нагрузке Y>Р>. Связь между нагрузками Y и Y>Р> устанавливается соотношениями:
(2.1)
(2.2)
2.2. Исходные данные.
Величина телефонной нагрузки, поступающей на приборы станции в ЧНН, может быть определена по формуле
(2.3)
где N – число источников нагрузки;
C – среднее число вызовов, поступающих от одного источника нагрузки в ЧНН;
T – средняя длительность одного занятия.
Так как не все вызовы заканчиваются разговором, то с учетом этого фактора, телефонная нагрузка будет определяться по формуле:
Y=a·P>P>·N·C·T (2.4)
где P>Р> – доля вызовов закончившихся разговором;
>
> – коэффициент,
учитывающий увеличение продолжительности
занятия приборов АТС вызовами, которые
не закончились разговором. Принимаем
>
>
= 1,2.
В курсовом проекте введены следующие обозначения:
1. Для среднего числа вызовов, приходящихся на каждого абонента АТС в ЧНН: C>ВН> – внутристанционных (ЖАТС 1); C>И.ЖАТС2>, C>И.ГАТС>, С>И.УАТС>, C>И.УАК> - исходящих к ЖАТС 2, ГАТС, УАТС; C>И.СПЕЦ> – исходящих к спецслужбам (стол заказов МТС, стол справок); C>В.ЖАТС2>, C>В.ГАТС>, C>В.УАТС>, C>В.УАК>, C>В.МТС> – входящих от ЖАТС 2, ГАТС, УАТС, УАК и МТС;
2. Для средней длительности разговора: Т>Р.ВН> – внутристанционного; Т>Р.ЖАТС2>, Т>Р.ГАТС>, Т>Р.УАТС>, Т>Р.МТС>, Т>Р.СПЕЦ> – внешних с ЖАТС 2, ГАТС, УАТС, МТС, спецслужбами;
3. Для числа цифр номера: n – количество цифр номера абонентов проектируемой АТС; n>1> – количество цифр, принимаемых ПБ для определения выхода на встречную АТС; n>2> – количество цифр, транслируемых на встречную АТС; n>(ИСХ)> – количество цифр полного номера абонента встречной АТС при исходящей связи (включая индекс выхода при наличии); n>(>>ВХ)> – количество цифр номера, поступающего от встречной АТС при входящей связи.
Расчет нагрузки производится отдельно для приборов и соединительных линий разного назначения для конечной емкости станции.
Средняя телефонная нагрузка, складывается из длительностей занятия соответствующих приборов и линий при сообщениях разного вида.
Длительность занятия коммутационных приборов при состоявшемся разговоре складывается из времени установления соединения, слушания абонентом сигналов ОС, КПВ и времени разговора. Средние значение длительности процессов, происходящих при работе станции, и их обозначения приведены в [1,табл. 4.2.].
2.3.Порядок расчета.
Для определения объема оборудования или проведения проверочных расчетов по достаточности, необходимо определить телефонную нагрузку, поступающую на каждую группу приборов и каждый пучок входящих и исходящих соединительных линий.
Расчет средних значений телефонной нагрузки выполняется для конечной емкости станции и проводится по методике, изложенной в [1].
2.4. Расчет нагрузки ИШК.
В один блок БАЛ может быть включено до 64 абонентских линий. Вся нагрузка, создаваемая абонентами при установлении исходящих внутристанционных и внешних соединений, поступает на исходящие шнуровые комплекты.
Нагрузка, поступающая на ИШК одного блока БАЛ, рассчитывается по формуле:
(2.5)
где N>БАЛ> – число абонентов, включенных в блок БАЛ;
C>ВН> – среднее число вызовов, поступающих от одного абонента в ЧНН при внутристанционном соединении;
T>ИШК.ВН> – длительность занятия ИШК при внутристанционном соединении;
C>И.>>i> – среднее число вызовов в i-м направлении;
T>ИШК.>>i> – длительность занятия ИШК при исходящем соединении в i-м направлении;
k – число направлений внешней связи.
Среднее
число вызовов при внутристанционном
соединении
(2.6)
где C>а>, С>К> – число вызовов, поступающих в ЧНН от одного абонента административного и квартирного секторов соответственно;
N>a>, N>К> – число абонентов административного и квартирного секторов соответственно;
N – емкость АТС.
>
>
Для определения длительностей занятий приборов удобно, пользуясь функциональными схемами проектируемой и встречных АТС, составить выражения для соответствующего времени, учитывая все процессы, которые должны произойти в это время. Длительности отдельных процессов берутся из задания и из [1, табл. 4.2.].
Средняя длительность занятия ИШК при внутристанционном соединении определится суммой, в которую входят время установления соединения к ПБ, время слушания сигнала "ответ станции", время набора четырех цифр номера (n=4), время установления соединения к вызываемому абоненту, посылка вызова, разговор и время разъединения:
T>ишк.вн>=t>с.кэ>+t>ос>+n.t>нн>+t>с.кэ>+t>пв>+T>р.вн>+t>р.>>а>, (2.7)
T>ишк.вн>=1+3+4·1.5+1+10+144+1=166 (с).
Время, необходимое для установления исходящих соединений к другим АТС, зависит от способа передачи номера на встречную АТС. АТСКЭ "Квант" может транслировать номер декадным кодом (батарейным, шлейфным и т.п. способами), многочастотным кодом (импульсный челнок) или по ОКСу.
В выражение для определения длительности занятия ИШК при исходящем соединении войдут следующие времена: подключения ПБ, слушания сигнала "ответ станции", набора n>1> цифр, достаточных для выбора направления и определения способа трансляции номера, подключения ИК, времени установления соединения на встречной АТС (T>АТС.>>i>), посылки вызова и разъединения:
T>ишк.>>i >=t>с.кэ>+t>ос>+n>1>.t>нн>+t>с.кэ>+T>АТС.>>i>+t>пв>+T>Р.>>i>+t>Р.а>, (2.8)
Если встречная станция электронного типа, то все цифры номера абонента встречной АТС принимается в ПБ, т.е. n>1> = n>(исх)>, после этого устанавливается соединение к встречной АТС и многочастотным кодом способом "импульсный челнок" передаются n>1> цифр номера.
Время T>АТС.>>i> определяется для типов АТС:
координатной АТСК 100/2000
T>АТС.>>i>> >=t>МРИ>+n>2>.t>НН>+t>МГИ>+t>МГИ>+t>МАИ>. (2.9)
квазиэлектронной АТСКЭ “Квант”
T>АТС>>.>>i >=t>С.Э>+n>2>.t>М>+t>С.Э>. (2.10)
координатной АТСКУ
Т>АТС>>.i >=t>МГИ.Г>> >+t>МГИ.Г>+t>МСР>+t>МАВ.>
Декадно-шаговой АТС ДШС
Т>АТС.>>i>=n>2*>t>НН>
При связи со столом справок и столом заказов МТС передачи импульсов набора номера нет, поэтому вместо времени T>АТС.>>i> определяется время T>СПЕЦ>:
T>СПЕЦ> = t>ОТ> + t>Р.МТС>. (2.11)
T>АТС.ЖАТС 2>=1+3*0.2+1=2.6 (с);
T>АТС.ГАТС>=0.65+0.65+0.5+0.9 =2.7 (с);
Т>АТС.УАТС>=3*1.5=4.5 (с);
Т>АТС.УАК>=0.15+7·1.5+5·0.7+0.75=14.9 (с);
Т>СПЕЦ.ст.зак.>=4+5=9 (с);
Т>СПЕЦ.ст.спр.>=4+5=9 (с).
Т>ИШК.ЖАТС 2>=1+3+4·1.5+1+2.6+10+96+1=122.3 (с);
Т>ИШК.ГАТС>=1+3+7·1.5+1+2.7+10+86.4+1=115.6 (с);
Т>ИШК.УАТС>=1+3+2·1.5+1+4.5+10+79.2+1=102.7 (с);
Т>ИШК.УАК>=1+3+2·1.5+1+14.9+10+108+1=141.9 (с);
Т>ИШК.ст.зак.>=1+3+2·1.5+1+9+28.2+10+1=56.2 (с);
Т>ИШК.ст.спр.>=1+3+2·1.5+1+9+28.2+10+1=56.2 (с).
>
>
2.5. Расчет нагрузки ВШК.
Вся входящая нагрузка, поступающая к абонентским линиям, включенным в один БАЛ, проходит через ВШК и рассчитывается по формуле
>
>,
(2.12)
где Т>ВШК.ВН >– длительность занятия ВШК при внутристанционном соединении;
C>В.>>i> – среднее число вызовов от i-го направления;
T>ВШК.>>i> – длительность занятия ВШК при установлении входящего соединения от i-го направления.
Длительности, входящие в эти формулы, определяютя:
T>ВШК.ВН> = t>С.КЭ> + t>ПВ> + T>Р.ВН> + t>Р.А>, (2.13)
T>ВШК.>>i> = t>С.КЭ> + t>ПВ> + T>Р.>>i> + t>Р.А>. (2.14)
Для входящего соединения от МТС
T>ВШК.МТС> = t>С.КЭ> + t>С.МТС> + T>Р.МТС> +t>Р.МТС> + t>Р.А>. (2.15)
Т>ВШК.ВН>=1+10+144+1=156 (с);
Т>ВШК.ЖАТС 2>=1+10+96+1=108 (с);
Т>ВШК.ГАТС>=1+10+86.4+1=98.4 (с);
Т>ВШК.УАТС>=1+10+79.2+1=91.2 (с);
Т>ВШК.УАК>=1+10+108+1=120 (с);
Т>ВШК.МТС>=1+20+117+5+1=144 (с).
>
>
2.6 Расчет нагрузки приемников и датчиков
сигналов управления.
Приемники и датчики сигналов управления (ПДСУ) состоят из приемников батарейных (ПБ) и оборудования приемников и датчиков многочастотных (ПДМ). Входы ПБ и ПДМ при включении в выходы звена D блока БИЛ запараллеливаются. Поэтому, число ПБ рассчитывается по нагрузке ПДБ:
Y>ПДБ> = Y>ПБ> + Y>ПДМ> , (2.16)
где Y>ПБ> – нагрузка на ПБ от абонентских и соединительных линий при работе декадным кодом;
Y>ПДМ> – нагрузка на ПДМ от соединительных линий при работе многочастотным кодом.
Приемники батарейные (ПБ) занимаются при внутристанционных, исходящих и входящих соединениях.
Нагрузка ПБ рассчитывается по формуле:
(2.17)
где N – емкость проектируемой АТС;
T>ПБ.ВН> – длительность занятия ПБ при внутристанционных соединениях;
T>ПБ.И.>>i> – то же при исходящих соединениях;
T>ПБ.В.>>i> – то же при входящих соединениях.
В формуле (2.17) учитываются все k исходящих направлений к встречным станциям и спецслужбам, и только m входящих направлений от станций, взаимодействие с которыми осуществляется декадным кодом.
Длительности занятия ПБ определяются:
T>ПБ.ВН >= t>С.КЭ> + n . t>НН> + t>С.КЭ>, (2.18)
T>ПБ.И.>>i> = t>С.КЭ> + n>(ИСХ)> . t>НН> + t>С.КЭ>, (2.19)
T>ПБ.В.>>i> = t>С.КЭ> + n>(ВХ)> . t>НН> + t>С.КЭ>, (2.20)
где n – число знаков номера абонента проектируемой АТС;
n>(ИСХ)> - число знаков полного номера вызываемого абонента встречной АТС, включая и индекс выхода;
n>(ВХ)> – число знаков номера, поступающего при входящей связи. Если по входящему направлению не происходит ни гашения ни восстановления цифр номера, то n>(>>ВХ)> = n.
Оборудование ПДМ участвует при установлении входящих и исходящих местных соединениях со станциями АТСКУ (АТСК), а так же станциями квазиэлектронного и электронного типов. Кроме того, ПДМ задействуется при установлении исходящих междугородных соединений для передачи информации АОН.
Нагрузка на ПДМ определяется по формуле:
(2.21)
где T>ПДМ.И.>>i> = t>С.КЭ> + n>2> . t>М> + t>С.КЭ>; (2.22)
T>ПДМ.В.>>i> = t>С.КЭ> + n>(ВХ)> . t>М> + t>С.КЭ>; (2.23)
В формулу (2.21) входят только p направлений связи к АТС с передачей номера многочастотным кодом.
Нагрузка ПДМ при приеме запроса и передаче информации АОН определяется по формуле:
(2.24)
где T>ПДМ.АОН> – время запроса и выдачи информации АОН.
Принимаем T>ПДМ.АОН> = 1,5 с.
Т>ПБ.ВН>=1+4·1.5+1=8 (с);
Т>ПБ.И.ЖАТС 2>=1+4·1.5+1=8 (с);
Т>ПБ.И.ГАТС>=1+7·1.5+1=12.5 (с);
Т>ПБ.И.УАТС>=1+4·1.5+1=8 (с);
Т>ПБ.И.УАК>=1+8·1.5+1=14 (с);
Т>ПБ.И.ст.зак.>=1+3·1.5+1=6.5 (с);
Т>ПБ.И,ст.спр.>=1+3·1.5+1=6.5 (с).
Т>ПБ.В.ЖАТС 2>=1+4·1.5+1=8 (с);
Т>ПБ.В.ГАТС>=1+4·1.5+1=8 (с);
Т>ПБ.В.УАТС>=1+4·1.5+1=8 (с);
Т>ПБ.В.УАК>=1+4·1.5+1=8 (с);
Т>ПБ.В.МТС>=1+4·1.5+1=8 (с).
>
>
Y>ПДМ.И.ЖАТС2>=1+3·0.2+1=2.6 (с);
Y>ПДМ.В.ЖАТС2>=1+4·0.2+1=2.8 (с);
Y>ПДМ.И.ГАТС>=1+6·0.2+1=3.2 (с);
Y>ПДМ.В.ГАТС>=1+4·0.2+1=2.8 (с).
>
>
>
>
>
>
2.7. Расчет нагрузок соединительных линий.
Нагрузка, поступающая на пучок исходящих (двухсторонних) соединительных линий, может быть определена для каждого направления по формуле
(2.25)
Исходящая соединительная линия занимается после набора абонентом цифр, достаточных для выбора направления и способа трансляции импульсов набора номера. Время занятия исходящей соединительной линии определяется по формуле:
T>И.СЛ.>>i>> >=t>С.КЭ>+T>АТС.>>i>+t>ПВ>+T>Р.>>i>+t>Р.А>, (2.26)
где T>АТС.>>i> определяется с учетом замечаний по расчету нагрузки ИШК к формуле (4.5).
Т>И.СЛ.ЖАТС 2>=1+2.6+10+96+1=110.6 (с);
Т>И.СЛ.ГАТС>=1+2.7+10+86.4+1=101.1 (с);
Т>И.СЛ.УАТС>=1+4.5+10+79.2+1=95.7 (с);
Т>И.СЛ.УАК>=1+14.9+10+108+1=134.9 (с);
Т>И.СЛ.ст.зак>>.>=1+9+10+28.2+1=49.2 (с);
Т>И.СЛ.ст.спр.>=1+9+10+28.2+1=49.2 (с).
>
>
>
>
>
>
>
>
>
>
>
>
Среднее значение нагрузки, поступающей на пучок входящих соединительных линий, может быть рассчитано по формуле
(2.27)
Входящая соединительная линия занимается после набора абонентом встречной станции кода, обеспечивающего выход на соединительную линию, и остается занятой до отбоя. Длительность занятия входящей соединительной линии зависит от способа трансляции цифр номера от встречной АТС.
Если встречная станция электронного типа, то номер вызываемого абонента передается на АТСКЭ "Квант" многочастотным кодом способом "импульсный челнок". Время T>В.СЛ.>>i> определяется по формуле:
T>В.СЛ.>>i> = t>С.КЭ>+n.t>М>+t>С.КЭ>+t>ПВ>+T>Р.>>i>+t>Р.А>. (2.28)
Если оборудованием встречной АТС не предусматривается многочастотный обмен, то трансляция импульсов набора номера ведется декадным кодом. Время занятия соединительной линии определяется по формуле:
T>В.СЛ.>>i> = t>С.КЭ>+n.t>НН>+t>С.КЭ>+t>ПВ>+T>Р.>>i>+t>Р.А>. (2.29)
Т>В.СЛ.ЖАТС 2>=1+4·0.2+1+10+96+1=109.8 (с);
Т>В.СЛ.ГАТС>=1+4·0.2+1+10+86.4+1=100.2 (с);
Т>В.СЛ.УАТС>=1+4·1.5+1+10+79.2+1=98.2 (с);
Т>В.СЛ.УАК>=1+4·1.5+1+10+108+1=127 (с);
Т>В.СЛ.МТС>=1+4·1.5+1+10+117+5=136 (с).
>
>
>
>
>
>
>
>
>
>
Для того, чтобы рассчитать нагрузку, поступающую на пучок двухсторонних соединительных линий необходимо для каждого направления сначала рассчитать по (2.28) входящую нагрузку Y>В.СЛ.>>i> и по (2.29) исходящую нагрузку Y>И.СЛ.>>i>.
Двухсторонняя нагрузка определяется как сумма
Y>Д.СЛ.>>i >=Y>И.СЛ.>>i>+Y>В.СЛ.>>i>. (2.30)
Y>Д.СЛ.ЖАТС2>=Y>И.СЛ.ЖАТС2>+Y>В.СЛ.ЖАТС2>=10.34+26.65=36.99 (Эрл).
Y>Д.СЛ.ГАТС>=Y>И.СЛ.ГАТС>+Y>В.СЛ.ГАТС>=7.55+7.29=14.84 (Эрл).
2.8.Расчет нагрузки перемычек между БВЛ и БИЛ.
Перемычки между БВЛ и БИЛ (промежуточные линии FC) заняты только при входящих соединениях. Нагрузка на перемычки определяются по формуле:
(2.31)
Y>FC>=26.65+7.29+3.48+6.16+4.06=47.64 (Эрл).
Число пучков перемычек K>FC> определяются:
K>FC> = K>БВЛ> . K>БИЛ>, (2.32)
K>FC>=5.10=50.
Количество перемычек в каждом пучке определяется выражениями:
>
>
(2.33)
V>FC>=32/5=6.4»7
Общая нагрузка, проходящая через все БИЛ станции:
Y>БИЛ> = Y>ИШК>. K>БАЛ> + Y>FC>, (2.34)
Y>БИЛ>=3.78*20+47.64=123.24 (Эрл).
По результатам расчета нагрузок Y>ИШК>, Y>ВШК>, Y>БИЛ> по формуле (2.1) определяются расчетные значения Y>Р.ИШК>, Y>Р.ВШК>, Y>Р.БИЛ> и вычисляются удельные нагрузки на звенья КП и вероятности занятости промежуточных линий:
Y>Р.ИШК> + Y>Р.ВШК>
Y>AB>
= ,
(2.35)
32
>
>
Y>Р.ИШК>
Y>BC>
= ,
(2.36)
32·К>БИЛ>
>
>
Y>Р.БИЛ>
Y>CD>
= ,
(2.37)
64· К>БИЛ>
>
>
По нагрузкам Y>AB>, Y>BC>, Y>CD> определяются вероятности занятости промежуточных линий P>AB>, P>BC>, P>CD.> Вероятность занятости промлинии включенной в МСФ какого-либо звена, может быть вычислена при условии свободности, по крайней мере, одного входа в этот МСФ, так как при занятости всех входов вызов к нему не мог бы поступить. Если на каждый из 8 входов МСФ поступает нагрузка Y, то при условии свободности одного входа нагрузка МСФ составит 7Y, а на один из восьми будет приходиться 7Y/8. Вероятность занятости промежуточных линий принимается численно равной нагрузке соответствующего выхода:
P>AB> = 7 Y>AB> / 8=0,290; (2.38)
P>BC> = 7 Y>BC> / 8=0,014; (2.39)
P>CD> = 7 Y>CD> / 8=0,179. (2.40)
Результаты расчета занесены в табл. 2.1.
Таблица 2.1
Результаты расчетов нагрузок и приборов
|
Наименование Приборов и линий |
Обозначение Нагрузки |
Нагрузка, Эрл |
|
|
Средняя |
Расчетная |
||
|
Y>ИШК> |
3.78 |
5.09 |
|
|
Y>ВШК> |
4.16 |
5.54 |
|
|
Y>ПБ> |
14.3 |
16.85 |
|
|
Y>ПДМ.АОН> |
5.6·10-3 |
5.6·10-2 |
|
|
Y>ПДМ> |
2.31 |
3.33 |
|
|
Y>ПДБ> |
16.61 |
19.36 |
|
|
Y>И.СЛ.ЖАТС 2> |
10.34 |
12.51 |
|
|
Y>И.СЛ.ГАТС> |
7.55 |
9.4 |
|
|
Y>И.СЛ.УАТС> |
0.89 |
1.53 |
|
|
Y>И.СЛ.УАК> |
5.54 |
7.13 |
|
|
Y>И.СЛ.ст.зак.> |
5.05 |
6.57 |
|
|
Y>И.СЛ.ст.спр.> |
5.05 |
6.57 |
|
|
Y>В.СЛ.ЖАТС 2> |
26.65 |
30.13 |
|
|
Y>В.СЛ.ГАТС> |
7.29 |
9.11 |
|
|
Y>В.СЛ.УАТС> |
3.48 |
4.74 |
|
|
Y>В.СЛ.УАК> |
6.16 |
7.83 |
|
|
Y>В.СЛ.МТС> |
4.06 |
5.42 |
|
|
Y>Д.СЛ.ЖАТС2> |
36.99 |
41.09 |
|
|
Y>Д.СЛ.ГАТС> |
14.84 |
17.49 |
|
|
Y>БИЛ> |
123.24 |
130.72 |
2.9. Определение количества коммутационного
оборудования и шнуровых комплектов.
Количество БАЛ определяется абонентской емкостью АТС
K>БАЛ> = N / 64, (2.41)
K>БАЛ>=1120/64=17.5=18
На одном ТЭЗе ШК расположены два комплекта: исходящий (ИШК) и входящий (ВШК). Количество ТЭЗов ШК определяется:
V>ШК> = 16 K>БАЛ>, (2.42)
V>ШК>=16·18=288.
Количество БИЛ для узловой станции принимается равным
K>БИЛ> = K>БАЛ>/2, (2.43)
K>БИЛ>=18/2=9.
Количество БВЛ для узловой станции
K>БВЛ> = K>БИЛ>/2, (2.44)
K>БВЛ>=9/2=4.5=5.
Коммутационные блоки БИЛ и БВЛ, имеющие по 64 входа и 64 выхода, предназначены для включения комплектов ПБ, ПДМ, ИК, ВК, ДК, ИШК, ВШК, промлиний FC. Количество БИЛ и БВЛ должны обеспечить подключение необходимого количества указанных блоков. Количество ИК, ВК, ДК и ПБ определяется исходя из расчетных значений нагрузок и показателей качества обслуживания абонентов. Количество ИК, ВК и ДК соответствует числу исходящих, входящих и двухсторонних соединительных линий.
2.10. Методы расчета количества приборов АТС.
Исходными данными для расчетов количества соединительных линии и приемников и датчиков сигналов управления являются величины расчетных нагрузок из таблицы 2.1 и вероятности потерь по вызовам, приведенные в [1, табл. 4.1.].
Расчет числа линий полнодоступных неблокируемых пучков производится по первой формуле Эрланга:
(2.45)
где P – потери по вызовам;
Y>р> – расчетное значение поступающей нагрузки;
V – число линий пучка;
E>V>(Y>р>) – краткая условная форма записи первой формулы Эрланга для пучка из V линий и нагрузки Y>р>.
Кроме случая расчета полнодоступного неблокируемого пучка первая формула Эрланга применяется в качестве вспомогательной при расчетах более сложных пучков.
График P = E>V>(Y>р>), построенный по данным расчетов по первой формуле Эрланга, приведен на рис.5.12. [2].
Чтобы определить число линий в полнодоступном неблокируемом пучке для заданных значений Y>р> и P, находим с помощью графика минимальное значение V, которое при нагрузке Y>р> обеспечивает вероятность потерь, меньшую или равную заданному значению P.
Для расчета неполнодоступных неблокируемых пучков можно воспользоваться методом О'Делла. Число линий в пучке в этом случае равно:
(2.46)
где a и b – коэффициенты, зависящие от величины вероятности потерь P и доступности D.
Значения коэффициентов a и b приведены в [1, табл.5.1.].
В тех случаях, когда доступность принимает дробные значения, следует воспользоваться формулой Пальма-Якобеуса :
(2.47)
Полнодоступные блокируемые пучки, образуемые двухзвенными ступенями искания, встречающимися, например, в координатных АТС, можно рассчитать с помощью формулы Якобеуса :
(2.48)
где P – заданная норма потерь;
Y>р> – расчетная величина нагрузки, поступающая на пучок соединительных линий;
a – расчетная нагрузка, приходящаяся на один вход блока ГИ;
n, m, q, f – параметры блока ГИ.
Необходимая для расчета величина числа линий пучка выражается через параметры блока:
V = mq. Для упрощения расчетов по формуле (2.48) можно воспользоваться графиками V = f(Yр) для ряда значений D и P, которые приведены на рис. 5.10. [3].
Для расчета числа линий V>НБ> неполнодоступного блокируемого пучка с доступностью D, включаемого в двухзвенные ступени искания, служит формула ЦНИИС - ЛФ:
(2.49)
где Y>D> – пропускная способность полнодоступного неблокируемого пучка при доступности D. Определяется по первой формуле Эрланга (2.45) при V=D и заданных потерях P;
Y>О> – нагрузка, поступающая к полнодоступному блокируемому пучку при V = D, определяется по формуле Якобеуса (2.48);
V>НН> – число линий неблокируемого неполнодоступного пучка с доступностью D, который обуславливает потери P при заданной расчетной нагрузке Y>Р>. Величина V>НН> определяется по формуле О'Делла (2.46).
Полнодоступные блокируемые пучки, образованные в квазиэлектронных АТС с числом звеньев коммутации три и более, рассчитываем с помощью метода эффективной доступности.
D>Э> = V - W ( V - Y>р> Y>S> ), (2.50)
где V – искомое число линий, определяемое подбором;
W – вероятность занятости всех соединительных путей от входа в первое звено до линии рассматриваемого пучка, включенной в выход последнего звена (вероятность блокировки линии);
Y>S> – расчетная нагрузка, приходящаяся на один выход последнего звена.
Вероятность W вычисляется с помощью метода вероятностных графов.
Вероятность блокировки соединительной линии, включенной в выходы БИЛ АТСКЭ "Квант" по методу вероятностных графов равна:
W=[1-[1-[1-(1-P>bc>)·(1-P>cd>)]z1] ·(1-P>ab>2)]z2 (2.51)
где P>AB>, P>BC>, P>CD> – вероятности занятия промежуточных линий между звеньями A и B, B и C, C и D.
Величины Z1 и Z2 зависят от числа точек включения линий в выходы блоков и от числа f промежуточных линий между каждым БАЛ и каждым БИЛ. Величина f определяется:
f=16 / K>БИЛ>, (2.52)
f=16/9=1.77»2.
В зависимости от числа f и от числа выходов БИЛ, в которые включается каждая линия, по табл.5.2 [1] выбираем значения Z1 и Z2.
Расчеты числа линий блокируемых пучков АТСКЭ “Квант” по методу эффективной доступности выполняются подбором в последовательности, изложенной в [1].
2.11. Расчет количества входящих и
двухсторонних соединительных линий.
Число входящих соединительных линий V>ВХ.i> вычисляется отдельно для каждого входящего направления связи по соответствующим расчетным нагрузкам Y>Р.В.СЛ.i>. Сначала, в зависимости от типа встречной АТС, определяются виды пучков линий. Затем, по соответствующим формулам (2.45 – 2.51) производится расчет числа линий.
При расчете входящих линий от координатных АТС образуются блокируемые пучки. Для расчетов принимается удельная нагрузка на один вход ГИ a = 0,5 Эрл. Для блоков группового искания АТСК 100/2000, имеющих 30 входов, 40 промежуточных линий и 200 выходов структурные параметры будут: m = 20, n = 15, f = 1, D = 20, q = V/m. Сначала, число линий от координатной АТС определяем по формуле Якобеуса (5.8) для полнодоступного блокируемого пучка. Если рассчитанное число линий V > D то это значит, что пучок неполнодоступный и расчет следует повторить по формуле ЦНИИС-ЛФ (2.49), в которой предварительно определяются величины Y>D> и Y>0> по формулам Эрланга (5.5) и Якобеуса (2.48) соответственно при V = D, а число линий Vнн рассчитывается по формуле О'Делла (2.46).
Y>Р.ДСЛ.ЖАТС2>=41.09 Эрл, считаем по формуле (2.46):
V>НН>=1.25·41.09+4.9=56.26»57.
Теперь считаем по формулам (2.47), (2.50), (2.51):
D>Э>=54-30.4·10-3(54-41.09·0.4)=52.85;
V=54.
Y>Р.ДСЛ.ГАТС>=17.49 Эрл, считаем по формуле (2.49):
Y>d>=11.24 Эрл; Y>0>=10.48 Эрл.
a=1.25; b=4.9; V>НН>=1.25·17.49+4.9=26.76»27.
>
>.
Y>Р.ВСЛ.УАТС>=4.74 Эрл, считаем по формуле (2.46):
V>ПБ>»11.
Y>Р.ВСЛ.УАК>=7.83 Эрл, считаем по формуле (2.48):
V>ПБ>»16.
Y>Р.ВСЛ.МТС>=5.42 Эрл, считаем по формуле (2.46):
V>НН>=1.41·5.42+6.9=14.54»15.
Число двухсторонних соединительных линий V>ДК.i> определяется по соответствующим расчетным значениям двухсторонних нагрузок Y>Р.Д.СЛ.i>, так же, как и число входящих линий.
2.12. Расчет количества исходящих
соединительных линий и приемников батарейных.
Расчеты количества ИК (V>ИК.i>) и ПБ (V>КОМПЛ.ПБ>) выполняются по расчетным значениям нагрузок Y>Р.И.СЛ.i > и Y>Р.ПДБ> . Расчеты выполняются методом эффективной доступности по формулам (2.50) и (2.47). Вероятность блокировки W определяется по формуле (2.51).
Y>Р.ИСЛ.УАТС>=1.53 Эрл;
W=30.4·10-3; D>Э>=6-30.4·10-3(6-7.13·0.4)=5.83;
ÞV=6.
Y>Р.ИСЛ.УАК>=7.13 Эрл;
W=30.4·10-3; D>Э>=14-30.4·10-3(14-7.13·0.4)=13.66;
ÞV=14.
Y>Р.ИСЛ.ст.зак.>=6.57 Эрл;
W=30.4·10-3; D>Э>=16-30.4·10-3(16-6.57·0.4)=15.59;
ÞV=16.
Y>Р.ИСЛ.ст.спр.>=6.57 Эрл;
W=30.4·10-3; D>Э>=16-30.4·10-3(16-6.57·0.4)=15.59;
ÞV=16.
Y>Р.ПБ>=16.85 Эрл;
W=30.4·10-3; D>Э>=26-30.4·10-3(26-16.85·0.4)=25.41;
ÞV=26.
3 КОМПЛЕКТАЦИЯ И РАЗМЕЩЕНИЕ ОБОРУДОВАНИЯ АТСКЭ “Квант”
3.1. Расчет количества оборудования АТС.
Количество коммутационных блоков БАЛ, БИЛ, БВЛ (K>БАЛ>, K>БИЛ>, K>БВЛ>) заказывается в количестве, определенном в п. 2.9 в соответствии со структурной схемой проектируемой станции. Типы используемых блоков (БИЛ, БВЛ) определяются их функциональным назначением, а так же проводностью коммутации (2 или 4).
ТЭЗы ШК учрежденческих АТС размещаются: половина ТЭЗов расположена в блоках БАЛ, для размещения другой половины нужно заказать кассеты ШК. Количество кассет ШК для учрежденческих АТС опреляется: К>ШК> = K>БАЛ>/2. В кассете ШК размещается 16 ТЭЗов ШК.
K>ШК>=18/2=9.
Количество ТЭЗов ПБ (V>ПБ>) заказывается в два раза меньшим, чем рассчитанное количество комплектов ПБ (так как на одном ТЭЗе – два комплекта).
V>ПБ>=26/2=13.
Количество блоков ПДБ определяется K>ПДБ> = V>ПБ>/16.
K>ПДБ>=13/16=1.
Количество блоков ПДМ (К>ПДМ>) принимается К>ПДМ> = К>ПДБ>.
K>ПДМ>=1.
В каждом блоке ПДМ содержится 4 комплекта ПДМ, в состав которых входят ТЭЗы приемников многочастотных ПМ, датчика многочастотного ДМ и приемников двухчастотных П2. Каждый блок ПДМ с помощью 16 промлиний KD может быть связан с выходами звена D блоков БИЛ параллельно ПБ. После определения количества блоков ПДМ проверяется удельная нагрузка на один комплект ПДМ:
(3.1)
>
>
Так как удельная нагрузка на один комплект ПДМ превышает величину 0.5 Эрл , то количество комплектов ПДМ удваивается.
K>ПДМ>=2.
Комплекты соединительных линий размещаются в кассетах КСЛ и КДЧ. В кассетах КСЛ размещаются ТЭЗы комплектов физических соединительных линий (ИКБ-3, ВКБ-3, ИКС, ВКМР) или работающих по системе с выделенным сигнальным каналом (ИКВСК, ВКВСК, ДКИ, ИКИКМ, ВКИКМ). Количество кассет КСЛ определяется отдельно для размещения комплектов исходящих, входящих и двухсторонних соединительных линий:
К>КСЛ(ИК)> = V>ИК>/16=52/16=3.25»4; (3.2)
К>КСЛ(ВК)> = V>ВК>/16=42/16=2.62»3.
Обычно, количество кассет для КСЛ каждого типа (ИК, ВК и ДК) берется кратным двум. Общее количество заказываемых кассет КСЛ определяется:
К>КСЛ> = К>КСЛ(ИК)> + К>КСЛ(ВК)>. (3.3)
К>КСЛ>= 4+3=7.
В кассетах КДЧ размещаются ТЭЗы комплектов, работающих по АСП без выделенного сигнального канала. Для железнодорожной связи выпускаются комплекты ДКБК. В состав этих комплектов входят приемники сигнальной частоты П1, а так же один на кассету генератор сигнальной частоты Г1. В одной кассете КДЧ размещаются 8 комплектов ДКБК, поэтому количество кассет КДЧ определяется по формуле:
К>КДЧ(ДК)> = V>ДК>/8. (3.4)
K>КДЧ(ДК)>=83/8=10.34»12.
Результаты расчета количества оборудования представлены в табл. 3.1.
Таблица 3.1
Количество заказываемого оборудования
|
Вид оборудования |
Тип блока, кассеты, ТЭЗа |
Кол-во блоков, кассет, ТЭЗов. |
Примечание |
|
Блок абонентских линий Блок входящих линий Блок исходящих линий Приемники батарейные Приемники и датчики многочастотные Комплекты соединительных Линий |
Блок БАЛ 01 Блок БСЛ 03 Блок БСЛ 02 Кассета ПДБ, ТЭЗ ПБ Блок ПДМ Кассета КСЛ Кассета КДЧ ТЭЗ ДКБК ТЭЗ П1 ТЭЗ ИКБ3 ТЭЗ ВКБ-3 ТЭЗ ВКМР ТЭЗ ИКС ТЭЗ ДКБК ТЭЗ ПБ |
К>БАЛ> = 18 К>БВЛ> = 5 К>БИЛ >=9 К>ПДБ> =1 V>ПБ> =13 К>ПДМ> = 2 К>КСЛ> = 16 К>КДЧ> = 12 V>ДКБК> = 83 V>ИКБ3> = 20 V>ВКБ-3>=27 V>ВКМР>=15 V>ИКС>=32 V>ДКБК>=83 V>ПБ>=42 |
Кассета с ТЭЗами УСК1 Кассета ПДМ и ТЭЗы ПМ, ДМ, П2, ПР1, УСК1, КТР Кассета с ТЭЗами УСК1 Кассета с ТЭЗами УСК1 и Г1 Комплект ДКБК вкл: ТЭЗ ДКБК ТЭЗ П1 |
Все функциональные устройства АТС выполнены в виде ТЭЗов – съемных приборов с печатным монтажом (печатная плата с электрорадиоэлементами).
ТЭЗы устанавливаются в кассеты, которые имеют направляющие рейки и колодки разъемов для врубания ТЭЗов, колодки для подключения кабелей межкассетных соединений. Монтаж кассеты выполнен проводом сечением 0.12мм2 методом накрутки. Кассеты бывают двух видов – одинарные и сдвоенные.
Установленные в кассеты ТЭЗы образуют блоки, которые размещаются на стативных рядах и соединяются кабелем.
Основные параметры конструкции АТСКЭ “Квант”:
количество кассет в стативе – 8;
высота стативного ряда с рядовым кабельростом – 2450 мм;
ширина одного статива – 800 мм;
глубина стативного ряда – 320 мм;
число стативов в ряду – до 5.
Оборудование АТСКЭ “Квант” размещается параллельными рядами перпендикулярно стене с окнами. Расстояния между рядами оборудования и между оборудованием и стенами помещения выбираются из условия удобства обслуживания и правил техники безопасности. Перекрытия автоматного зала должны выдерживать нагрузку 450 кг/м2. На станции может быть от одного до шести стативных рядов.
3.2. Комплектация оборудования ЦУУ.
Станции любой емкости и назначения имеют в своем составе статив центрального управляющего устройства ЦУУ, который обычно расположен в ряду 00 на стативном месте 00. Комплектация статива ЦУУ показана на рис. 3.1.
Статив ЦУУ укомплектован следующими блоками:
ввода – вывода БВВ;
центральных процессоров БЦП;
запоминающих устройств БЗУ;
накопителей на гибких магнитных дисках НГМД;
автоматического ввода программ АВП;
питания машинной периферии ПМП.
Комплектация статива ЦУУ
-
БВВ
БВВ
БЗУ0
БЦП
БЗУ1
НГМД
АВП
ПМП
Рис 3.1
3.3. Комплектация оборудования, управляемого по медленному каналу.
К оборудованию, управляемому по медленному каналу, относятся коммутационная система (блоки БАЛ и БСЛ), внутристанционные комплекты (АК и ШК), генераторное оборудование.
Оборудование, управляемое по медленному каналу, размещается в однотипных стативных рядах (ряды 01-04). Каждый ряд содержит коммутационное оборудование, соответствующее 512-номерной абонентской группе. На месте 00 каждого коммутационного ряда располагается статив генераторного оборудования, который носит название БГ в соответствии с названием кассеты.
Статив БГ укомплектован следующими блоками:
вторичных источников питания ВИП;
каналов БК;
генераторов БГ01.
Стативы 01-04 коммутационных рядов однотипны и носят название УВП. В состав статива УВП входят следующие блоки:
ввода питания УВП01;
абонентских линий БАЛ (два блока);
соединительных линий БСЛ;
шнуровых
комплекто
Комплектация статива БГ Комплектация статива УВП
Рис. 3.2 Рис. 3.3
3.4. Комплектация оборудования, управляемого по быстрому каналу.
К оборудованию, управляемому по быстрому каналу, относятся приемники-датчики сигналов управления ПДСУ, комплекты соединительных линий КСЛ и контрольное устройство периферии КУП.
Оборудование, управляемое по быстрому каналу, размещается на стативах ВВК. Стативы ВВК обычно размещаются в ряду 00, рядом со стативом ЦУУ.
Стативы ВВК любой комплектации обязательно содержат:
блок ввода – вывода каналов ВВК, устанавливаемый на месте 03;
блок ввода вторичного питания ВВП или блок вторичных источников питания ВИП, устанавливаемый на месте 00.
В состав статива ВВК входят следующие блоки:
ввода вторичного питания ВВП;
ввода – вывода каналов ВВК;
приемников декадных батарейных ПДБ;
приемников-датчиков многочастотных ПДМ;
контрольных устройств периферии КУП.
Комплектация статива ПДСУ Комплектация статива КСЛ
-
ВВП
ВИП
ПДБ
КСЛ(КДЧ)
(ВК)
КСЛ(КДЧ)
ПДМ
ВВК
ПДМ
ВВК
ПДБ
КСЛ(КДЧ)
(ВК)
КСЛ(КДЧ)
КУП
Рис. 3.4 Рис. 3.5
Комплектация кассет КДЧ:
Комплектация кассет КСЛ (исх).:
Комплектация кассет КСЛ (вх).:


4 РАЗРАБОТКА ПЕРЕМЕННОЙ ЧАСТИ ПРОГРАММНОГО ОБЕСПЕЧЕНИЯ
4.1. Таблица индексов характеристик направлений.
Обращение к таблице индексов характеристик направлений (ИХН) осуществляется по первым двум цифрам номера. Таблица ИХН расположена на адресах 33000-33031 и состоит из 50 шестнадцатиразрядных слов. Номер байта (00-99) соответствует первым двум цифрам номера. Содержимое байта является индексом ХН. По этому индексу программа обращается к таблице исходящих характеристик направлений, имеющей БА=33032. Таблица ХН состоит из двухсловных блоков ХН, которые следуют один за другим, начиная с индекса 0, затем 1, 2 и т.д. Структура характеристик зависит от вида связи и определяется параметром КНС.
Таблица 4.1
Таблица индексов исходящих характеристик направлений
|
Адрес |
FEDCBA98 |
76543210 |
“Олимпмйский” формат |
Адрес |
FEDCBA98 |
76543210 |
“Олимпийский” формат |
|
№ ХН |
№ ХН |
№ ХН |
№ ХН |
||||
|
По принятому коду хх |
По принятому коду хх |
||||||
|
33000 |
13 |
0 |
04300 |
33019 |
C |
B |
0300B |
|
33001 |
13 |
13 |
04313 |
3301A |
0 |
0 |
00000 |
|
33002 |
13 |
13 |
04313 |
3301B |
0 |
0 |
00000 |
|
33003 |
0 |
0 |
00000 |
3301C |
0 |
0 |
00000 |
|
33004 |
0 |
0 |
00000 |
3301D |
0 |
0 |
00000 |
|
33005 |
0 |
0 |
00000 |
3301E |
0 |
0 |
00000 |
|
33006 |
15 |
14 |
05114 |
3301F |
0 |
0 |
00000 |
|
33007 |
0 |
0 |
00000 |
33020 |
0 |
0 |
00000 |
|
33008 |
0 |
0 |
00000 |
33020 |
0 |
0 |
00000 |
|
33009 |
0 |
0 |
00000 |
33022 |
0 |
0 |
00000 |
|
3300A |
0 |
0 |
00000 |
33023 |
D |
D |
0310D |
|
3300B |
0 |
0 |
00000 |
33024 |
D |
D |
0310D |
|
3300C |
0 |
0 |
00000 |
33025 |
D |
D |
0310D |
|
3300D |
0 |
0 |
00000 |
33026 |
D |
D |
0310D |
|
3300E |
0 |
0 |
00000 |
33027 |
D |
D |
0310D |
|
3300F |
16 |
16 |
05216 |
33028 |
11 |
10 |
04110 |
|
33010 |
16 |
16 |
05216 |
33029 |
10 |
12 |
04012 |
|
33011 |
16 |
16 |
05216 |
3302A |
0 |
10 |
00010 |
|
33012 |
16 |
16 |
05216 |
3302B |
0 |
0 |
00000 |
|
33013 |
16 |
16 |
05216 |
3302C |
10 |
10 |
04010 |
|
33014 |
2 |
1 |
00201 |
3302D |
E |
F |
0320F |
|
33015 |
4 |
3 |
01003 |
3302E |
E |
E |
0320E |
|
33016 |
6 |
5 |
01205 |
3302F |
E |
E |
0320E |
|
33017 |
8 |
7 |
02007 |
33030 |
0 |
E |
0000E |
|
33018 |
A |
9 |
02209 |
33031 |
E |
0 |
03200 |
Характеристика незадействованного направления имеет КНС=F. ХН незадействованного направления имеет индекс 0 и всегда расположена на адресах 33032-33033.
Характеристика внутристанционной связи имеет КНС=2, что указывается в разрядах /3-0/ нулевого слова. В разрядах /9-5/ содержится указатель конца набора (УКН), т.е. количество цифр внутристанционного номера.
В первом слове ХН внутристанционной связи записывается БА сотенной группы из “кроссовой” таблицы, содержащей номер абонента.
ХН внешней связи имеют несколько разновидностей и отличаются алгоритмами установления соединения на направления с различными КНС.
В разрядах нулевого слова ХН внешней связи содержится следующая информация: /3-0/ – КНС, /9-5/ – УКН, /F-A/ – номер направления.
Разряды первого слова содержат: /2-0/ – НТН; /3/ – регистрация вызовов; /4/ – тип трансляции номера ТРН; /F-C/ – время расширения межсерийного интервала; /5-8/ – “индекс дополнительного слова”; /9/ – признак четырехпроводного транзита.
Если первых двух цифр номера недостаточно для определения направления связи и значности номера, то применяется ХН с расширением. Единица в разряде /4/ нулевого слова указывает на необходимость перехода к таблице расширения ИХН.
Таблица расширения ИХН состоит из пяти слов. Номер байта (0-9) соответствует третьей (четвертой, пятой и т.д.) цифре номера, а содержимое этого байта – индексу уточненной ХН.
Для выхода к спецслужбам составляются ХН, имеющие КНС=4 – для бесплатных служб. В первом слове ХН бит /6/ указывает на наличие комплекта ИКСВ (ИКС). Остальные параметры характеристики такие же, как у ХН внешней исходящей связи.
Таблица 4.2
Структура ХН связи
-
33032
0000000000001111
ХН 0
0000F
33033
0000000000000000
00000
33034
0000000010000010
ХН 1
00082
33035
40000
40000
33036
0000000010000010
ХН 2
00082
33037
40064
40064
33038
000000001000010
ХН 3
00082
33039
400C8
400C8
3303A
0000000010000010
ХН 4
00082
3303B
4012C
4012C
3303C
0000000010000010
ХН 5
00082
3303D
40190
40190
3303E
0000000010000010
ХН 6
00082
3303F
401F4
401F4
33040
0000000010000010
ХН 7
00082
33041
40258
40258
33042
0000000010000010
ХН 8
00082
33043
402BC
402BC
33044
0000000010000010
ХН 9
00082
33045
40320
40320
33046
0000000010000010
ХН A
00082
33047
40384
40384
33048
0000000010000010
ХН B
00082
33049
403F8
403F8
3304A
0000000010000010
ХН C
00082
3304B
4104C
4104C
3304C
0000110010000110
ХН D
03086
3304D
0000000000000001
00201
3304E
0000000011100101
ХН E
000E5
3304F
0000001000010001
00211
33050
0000000000011000
ХН F
00018
33051
33150
33150
33052
0000000101101001
ХН 10
00169
33053
0000001000010000
00210
33054
0000000000011001
ХН 11
00019
33055
33155
33155
33056
0000000100101000
ХН 12
00128
33057
0000001000010000
00210
33058
0000100100000110
ХН 13
02106
33059
0000001000000001
00201
3305A
0000000000010000
ХН 14
00010
3305B
3315A
3315A
3305C
0000000000010000
ХН 15
00010
3305D
3315F
3315A
3305E
0000010010000110
ХН 16
01086
3305F
0000001000000000
00200
33060
0000000001100101
ХН 17
00065
33061
0000001000011001
00219
33062
0000000010000101
ХН 18
00085
33063
0000001000011001
00219
33064
0000000001100001
ХН 19
00061
33065
0000001000000000
00200
33066
0000000110101101
ХН 1A
001AD
33067
0000001000010000
00210
33068
0001010001100001
ХН 1B
05061
33069
0000001000001000
00208
3306A
0001000001100001
ХН 1C
04061
3306B
0000001000001000
00208
Таблица 4.3
Структура таблицы ХН F
-
33150
17
18
05318
33151
17
17
05317
33152
17
17
05317
33153
17
17
05317
33154
17
17
05317
Таблица 4.4
Структура таблицы ХН 11
-
33155
19
1A
0611A
33156
1A
1A
0621A
33157
1A
1A
0621A
33158
1A
1A
0621A
33159
1A
1A
0621A
Таблица 4.5
Структура таблицы ХН 14
-
3315A
1B
0
06300
3315B
0
0
00000
3315C
0
0
00000
3315D
0
0
00000
3315E
0
0
00000
Таблица 4.6
Структура таблицы ХН 15
-
3315F
1C
0
07000
33160
0
0
00000
33161
0
0
00000
33162
0
0
00000
33163
0
0
00000
4.2. Характеристика АТС.
Для отображения в ЗУ общих сведений о данной АТС, а также об АМТС, с которой она взаимодействует, составляется характеристика АТС (табл. 4.7).
Нулевое слово содержит следующие параметры:
/F-C/ – тип АТС;
/B-8/ – тип АМТС, с которой взаимодействует данная АТС.
В первом слове указан конечный адрес массива четырехсловных блоков ДВО общего пользования, занимаемых под услуги ПОЖ, НАП, РВВ, печать РИМ и т.д. Типовое значение 012EF.
Второе слово содержит следующие параметры:
/F-C/ – указатель полной значимости номера;
/B-8/ – указатель значимости внутристанционного номера;
/5,4/ – количество гасимых цифр при исходящей междугородной связи или начало трансляции номера;
/3-0/ – индекс, транслируемый через РАТС для выхода на АМТС.
Третье слово содержит старшие знаки полного семизначного зонового номера абонентов данной АТС, включая дополнение.
Четвертое слово характеристики АТС содержит параметры:
/0/ – необходимость трансляции цифры “8” для выхода на АМТС через РАТС;
/1/ – наличие системы с набором собственного номера;
/7-2/ – номер междугородного направления;
/8/ – наличие индекса выхода на городскую сеть;
/F, E/ – количество цифр, после которых абонент получает повторный сигнал “Ответ станции”.
Таблица 4.7
Характеристика АТС
-
F
E
D
C
B
A
9
8
7
6
5
4
3
2
1
0
0 0 0 1
0 0 1 0
0 0 0 0 0 0 0 0
04200
012 EF
012EF
0 1 1 1
0 1 0 0
0 0
0 0
1 0 0 0
35008
0 1 0 0
1 0 0 1
0 0 1 0
0 0 1 0
22122
0 1
0 0 0 0 0
1
0 0 0 0 0 0
0
1
20101
4.3. Таблицы характеристик входящих направлений.
Характеристики входящих направлений (ХВН) размещены по адресам 33100-3313F. Номер ХВН совпадает с номером направления. Каждая ХВН содержит два шестнадцатиразрядных слова.
В нулевом слове ХВН указывается:
/B-0/ – три цифры номера, которые восстанавливаются при занятии ВК;
/E-C/ – код типа приемника номера;
/F/ – уведомление при входящем вызове.
В первом слове ХВН содержатся следующие параметры:
/2-0/ – количество восстанавливаемых цифр;
/3/ – наличие комплекта ВКСВ (ВКМР);
/4/ – наличие АОН на нижестоящей АТС;
/5-7/ – количество гасимых цифр;
/9/ – (ОС) – необходимость подачи сигнала “Ответ станции” при занятии входящего комплекта;
/A/ – прием номера в ПБ (0) или в ВК (1);
/B/ – признак комплекта ДКИ;
/F-D/ – указатель конца набора (только для случая приема номера многочастотным кодом методом “импульсный челнок”).
Таблица 4.8
Структура характеристики входящего направления
-
Адрес
F
E
D
C
B
A
9
8
7
6
5
4
3
2
1
0
“Олимп” формат
33100
0
0 1 0
0 0 0 0
0 0 0 0
0 0 0 0
10000
33101
1 0 0
0
0
0
0
0
0 0 0
0
0
0 0 0
40008
33102
0
0 0 0
0 0 0 0
0 0 0 0
0 0 0 0
00000
33103
1 0 0
0
0
0
0
0
0 0 0
0
0
0 0 0
40008
33104
0
0 0 0
0 0 0 0
0 0 0 0
0 0 0 0
00000
33105
0 0 0
0
0
1
1
0
0 0 0
0
0
0 0 0
01208
33106
0
0 0 0
0 0 0 0
0 0 0 0
0 0 0 0
00000
33107
0 0 0
0
0
0
1
0
0 0 0
0
0
0 0 0
00208
33108
33109
3310A
3310B
3310C
1
0 0 0
0 0 0 0
0 0 0 0
0 0 0 0
40000
3310D
0 0 0
0
0
0
1
0
0 0 0
0
1
0 0 0
00208
4.4. Таблицы пересчета для входящих комплектов.
Таблица пересчета номера ВК в номер входящего направления (или в номер ХВН) состоит из 256 байтовых элементов и занимает адреса 332E0-3335F. Номер байта соответствует линейному номеру ВК, а его содержимым является номер ХВН (разряды /5-0/ и /D-8/). Кроме того, каждому ВК ставится в соответствие код входящего пучка (биты /7,6/ и /F-E/).
Таблица пересчета номера ВК в код типа комплекта состоит из 256 тетрадных элементов. Номер тетрады соответствует номеру ВК, а содержимое тетрады – коду типа ВК.
Таблица 4.9
Таблица пересчета номера ВК в код типа ВК
|
323C0 |
0 0 0 0 |
0 0 0 0 |
0 0 0 0 |
0 0 0 0 |
0 0 0 0 0 |
|
323C1 |
0 0 0 0 |
0 0 0 0 |
0 0 0 0 |
0 0 0 0 |
0 0 0 0 0 |
|
323C2 |
0 0 0 0 |
0 0 0 0 |
0 0 0 0 |
0 0 0 0 |
0 0 0 0 0 |
|
323C3 |
1 1 1 0 |
1 1 1 0 |
1 1 1 0 |
1 1 1 0 |
7 3 2 E E |
|
323C4 |
1 1 1 0 |
1 1 1 0 |
1 1 1 0 |
1 1 1 0 |
7 3 2 E E |
|
323C5 |
1 1 1 0 |
1 1 1 0 |
1 1 1 0 |
1 1 1 0 |
7 3 2 E E |
|
323C6 |
1 1 1 0 |
1 1 1 0 |
1 1 1 0 |
1 1 1 0 |
7 3 2 E E |
|
323C7 |
0 0 0 0 |
0 0 0 0 |
0 0 0 0 |
0 0 0 0 |
0 0 0 0 0 |
|
323C8 |
0 0 0 0 |
0 0 0 0 |
0 0 0 0 |
0 0 0 0 |
0 0 0 0 0 |
|
323C9 |
0 0 0 0 |
0 0 0 0 |
0 0 0 0 |
0 0 0 0 |
0 0 0 0 0 |
|
323CA |
0 0 0 0 |
0 0 0 0 |
0 0 0 0 |
0 0 0 0 |
0 0 0 0 0 |
|
323CB |
1 0 0 1 |
1 0 0 1 |
1 0 0 1 |
1 0 0 1 |
4 6 1 9 9 |
|
323CC |
1 0 0 1 |
1 0 0 1 |
1 0 0 1 |
1 0 0 1 |
4 6 1 9 9 |
|
323CD |
1 0 0 1 |
1 0 0 1 |
1 0 0 1 |
1 0 0 1 |
4 6 1 9 9 |
|
323CE |
1 0 0 1 |
1 0 0 1 |
1 0 0 1 |
1 0 0 1 |
4 6 1 9 9 |
|
323CF |
1 0 0 1 |
1 0 0 1 |
1 0 0 1 |
1 0 0 1 |
4 6 1 9 9 |
|
323D0 |
1 0 0 1 |
1 0 0 1 |
1 0 0 1 |
1 0 0 1 |
4 6 1 9 9 |
|
323D1 |
1 0 0 1 |
1 0 0 1 |
1 0 0 1 |
1 0 0 1 |
4 6 1 9 9 |
|
323D2 |
1 0 0 1 |
1 0 0 1 |
1 0 0 1 |
1 0 0 1 |
4 6 1 9 9 |
|
323D3 |
1 0 0 1 |
1 0 0 1 |
1 0 0 1 |
1 0 0 1 |
4 6 1 9 9 |
|
323D4 |
1 0 0 1 |
1 0 0 1 |
1 0 0 1 |
1 0 0 1 |
4 6 1 9 9 |
|
323D5 |
1 0 0 1 |
1 0 0 1 |
1 0 0 1 |
1 0 0 1 |
4 6 1 9 9 |
|
323D6 |
1 0 0 1 |
1 0 0 1 |
1 0 0 1 |
1 0 0 1 |
4 6 1 9 9 |
|
323D7 |
1 0 0 1 |
1 0 0 1 |
1 0 0 1 |
1 0 0 1 |
4 6 1 9 9 |
|
323D8 |
1 0 0 1 |
1 0 0 1 |
1 0 0 1 |
1 0 0 1 |
4 6 1 9 9 |
|
323D9 |
1 0 0 1 |
1 0 0 1 |
1 0 0 1 |
1 0 0 1 |
4 6 1 9 9 |
|
323DA |
1 0 0 1 |
1 0 0 1 |
1 0 0 1 |
1 0 0 1 |
4 6 1 9 9 |
|
323DB |
1 0 0 1 |
1 0 0 1 |
1 0 0 1 |
1 0 0 1 |
4 6 1 9 9 |
|
323DC |
1 0 0 1 |
1 0 0 1 |
1 0 0 1 |
1 0 0 1 |
4 6 1 9 9 |
|
323DD |
1 0 0 1 |
1 0 0 1 |
1 0 0 1 |
1 0 0 1 |
4 6 1 9 9 |
|
323DE |
1 0 0 1 |
1 0 0 1 |
1 0 0 1 |
1 0 0 1 |
4 6 1 9 9 |
|
323DF |
1 0 0 1 |
1 0 0 1 |
1 0 0 1 |
1 0 0 1 |
4 6 1 9 9 |
|
323E0 |
1 0 0 1 |
1 0 0 1 |
1 0 0 1 |
1 0 0 1 |
4 6 1 9 9 |
Таблица 4.10
Таблица пересчета номера ВК в номер входящего направления
-
332E0
0 0
0 0 0 0 1 1
0 0
0 0 0 0 1 1
00303
332E1
0 0
0 0 0 0 1 1
0 0
0 0 0 0 1 1
00303
332E2
0 0
0 0 0 0 1 1
0 0
0 0 0 0 1 1
00303
332E3
0 0
0 0 0 0 1 1
0 0
0 0 0 0 1 1
00303
332E4
0 0
0 0 0 0 1 1
0 0
0 0 0 0 1 1
00303
332E5
0 0
1 1 1 1 1 1
0 0
0 0 0 0 1 1
17303
332E6
0 1
0 0 0 1 1 0
0 1
0 0 0 1 1 0
21256
332E7
0 1
0 0 0 1 1 0
0 1
0 0 0 1 1 0
21256
332E8
0 1
0 0 0 1 1 0
0 1
0 0 0 1 1 0
21256
332E9
0 1
0 0 0 1 1 0
0 1
0 0 0 1 1 0
21256
332EA
0 1
0 0 0 1 1 0
0 1
0 0 0 1 1 0
21256
332EB
0 1
0 0 0 1 1 0
0 1
0 0 0 1 1 0
21256
332EC
0 1
0 0 0 1 1 0
0 1
0 0 0 1 1 0
21256
332ED
0 1
1 1 1 1 1 1
0 1
0 0 0 1 1 0
34356
332EE
0 1
0 0 0 0 1 0
0 1
0 0 0 0 1 0
20252
332EF
0 1
0 0 0 0 1 0
0 1
0 0 0 0 1 0
20252
332F0
0 1
0 0 0 0 1 0
0 1
0 0 0 0 1 0
20252
332F1
0 1
0 0 0 0 1 0
0 1
0 0 0 0 1 0
20252
332F2
0 1
0 0 0 0 1 0
0 1
0 0 0 0 1 0
20252
332F3
0 1
0 0 0 0 1 0
0 1
0 0 0 0 1 0
20252
332F4
0 1
0 0 0 0 1 0
0 1
0 0 0 0 1 0
20252
332F5
0 1
0 0 0 0 1 0
0 1
0 0 0 0 1 0
20252
332F6
1 0
0 0 0 0 0 1
1 0
0 0 0 0 0 1
40181
332F7
1 0
0 0 0 0 0 1
1 0
0 0 0 0 0 1
40181
332F8
1 0
0 0 0 0 0 1
1 0
0 0 0 0 0 1
40181
332F9
1 0
0 0 0 0 0 1
1 0
0 0 0 0 0 1
40181
332FA
1 0
0 0 0 0 0 1
1 0
0 0 0 0 0 1
40181
332FB
1 0
0 0 0 0 0 1
1 0
0 0 0 0 0 1
40181
332FC
1 0
0 0 0 0 0 1
1 0
0 0 0 0 0 1
40181
332FD
1 0
0 0 0 0 0 1
1 0
0 0 0 0 0 1
40181
332FE
1 0
0 0 0 0 0 1
1 0
0 0 0 0 0 1
40181
332FF
1 0
0 0 0 0 0 1
1 0
0 0 0 0 0 1
40181
33300
1 0
0 0 0 0 0 1
1 0
0 0 0 0 0 1
40181
33301
1 0
0 0 0 0 0 1
1 0
0 0 0 0 0 1
40181
33302
1 0
0 0 0 0 0 1
1 0
0 0 0 0 0 1
40181
33303
1 0
0 0 0 0 0 1
1 0
0 0 0 0 0 1
40181
33304
1 0
0 0 0 0 0 1
1 0
0 0 0 0 0 1
40181
33305
1 0
0 0 0 0 0 1
1 0
0 0 0 0 0 1
40181
33306
1 0
0 0 0 0 0 1
1 0
0 0 0 0 0 1
40181
33307
1 0
0 0 0 0 0 1
1 0
0 0 0 0 0 1
40181
33308
1 0
0 0 0 0 0 1
1 0
0 0 0 0 0 1
40181
33309
1 0
0 0 0 0 0 1
1 0
0 0 0 0 0 1
40181
3330A
1 0
0 0 0 0 0 1
1 0
0 0 0 0 0 1
40181
3330B
1 0
0 0 0 0 0 1
1 0
0 0 0 0 0 1
40181
3330C
1 0
0 0 0 0 0 1
1 0
0 0 0 0 0 1
40181
3330D
1 0
0 0 0 0 0 1
1 0
0 0 0 0 0 1
40181
3330E
1 0
0 0 0 0 0 1
1 0
0 0 0 0 0 1
40181
3330F
1 0
0 0 0 0 0 1
1 0
0 0 0 0 0 1
40181
33310
1 0
0 0 0 0 0 1
1 0
0 0 0 0 0 1
40181
33311
1 0
0 0 0 0 0 0
1 0
0 0 0 0 0 0
40080
33312
1 0
0 0 0 0 0 0
1 0
0 0 0 0 0 0
40080
33313
1 0
0 0 0 0 0 0
1 0
0 0 0 0 0 0
40080
33314
1 0
0 0 0 0 0 0
1 0
0 0 0 0 0 0
40080
33315
1 0
0 0 0 0 0 0
1 0
0 0 0 0 0 0
40080
33316
1 0
0 0 0 0 0 0
1 0
0 0 0 0 0 0
40080
33317
1 0
0 0 0 0 0 0
1 0
0 0 0 0 0 0
40080
33318
1 0
0 0 0 0 0 0
1 0
0 0 0 0 0 0
40080
33319
1 0
0 0 0 0 0 0
1 0
0 0 0 0 0 0
40080
3331A
1 0
0 0 0 0 0 0
1 0
0 0 0 0 0 0
40080
3331B
1 0
0 0 0 0 0 0
1 0
0 0 0 0 0 0
40080
3331C
1 0
0 0 0 0 0 0
1 0
0 0 0 0 0 0
40080
3331D
1 0
0 0 0 0 0 0
1 0
0 0 0 0 0 0
40080
3331E
1 0
0 0 0 0 0 0
1 0
0 0 0 0 0 0
40080
3331F
1 0
1 1 1 1 1 1
1 0
0 0 0 0 0 0
57380
4.5. Таблицы пересчета для исходящих комплектов.
Для каждого ИК в процессе установления соединения необходимо знать номер комплекта. Таблица соответствия номера ИК коду типа комплекта имеет БА=32380. Таблица состоит из 256 тетрадных элементов. Номер тетрады соответствует номеру ИК, а содержимое – коду типа ИК.
Для закрепления исходящих комплектов ИК за исходящими направлениями составляется таблица, имеющая БА=30080. Каждое слово таблицы состоит из двухбайтных элементов. Номер элемента соответствует линейному номеру ИК, а содержимое – номеру исходящего направления.
Таблица 4.11
Таблица пересчета номера ИК в код типа ИК
|
32380 |
1 1 1 0 |
1 1 1 0 |
1 1 1 0 |
1 1 1 0 |
732EE |
|
32381 |
1 1 1 0 |
1 1 1 0 |
1 1 1 0 |
1 1 1 0 |
732EE |
|
32382 |
1 1 1 0 |
1 1 1 0 |
1 1 1 0 |
1 1 1 0 |
732EE |
|
32383 |
1 1 1 0 |
1 1 1 0 |
1 1 1 0 |
1 1 1 0 |
732EE |
|
32384 |
1 1 1 0 |
1 1 1 0 |
1 1 1 0 |
1 1 1 0 |
732EE |
|
32385 |
1 1 1 0 |
1 1 1 0 |
1 1 1 0 |
1 1 1 0 |
732EE |
|
32386 |
1 1 1 0 |
1 1 1 0 |
1 1 1 0 |
1 1 1 0 |
732EE |
|
32387 |
1 1 1 0 |
1 1 1 0 |
1 1 1 0 |
1 1 1 0 |
732EE |
|
32388 |
0 0 0 0 |
0 0 0 0 |
0 0 0 0 |
0 0 0 0 |
00000 |
|
32389 |
0 0 0 0 |
0 0 0 0 |
0 0 0 0 |
0 0 0 0 |
00000 |
|
3238A |
0 0 0 0 |
0 0 0 0 |
0 0 0 0 |
0 0 0 0 |
00000 |
|
3238B |
0 0 0 0 |
0 0 0 0 |
0 0 0 0 |
0 0 0 0 |
00000 |
|
3238C |
0 0 0 0 |
0 0 0 0 |
0 0 0 0 |
0 0 0 0 |
00000 |
|
3238D |
0 0 0 0 |
0 0 0 0 |
0 0 0 0 |
0 0 0 0 |
00000 |
|
3238E |
1 0 0 1 |
1 0 0 1 |
1 0 0 1 |
1 0 0 1 |
46199 |
|
3238F |
1 0 0 1 |
1 0 0 1 |
1 0 0 1 |
1 0 0 1 |
46199 |
|
32390 |
1 0 0 1 |
1 0 0 1 |
1 0 0 1 |
1 0 0 1 |
46199 |
|
32391 |
1 0 0 1 |
1 0 0 1 |
1 0 0 1 |
1 0 0 1 |
46199 |
|
32392 |
1 0 0 1 |
1 0 0 1 |
1 0 0 1 |
1 0 0 1 |
46199 |
|
32393 |
1 0 0 1 |
1 0 0 1 |
1 0 0 1 |
1 0 0 1 |
46199 |
|
32394 |
1 0 0 1 |
1 0 0 1 |
1 0 0 1 |
1 0 0 1 |
46199 |
|
32395 |
1 0 0 1 |
1 0 0 1 |
1 0 0 1 |
1 0 0 1 |
46199 |
|
32396 |
1 0 0 1 |
1 0 0 1 |
1 0 0 1 |
1 0 0 1 |
46199 |
|
32397 |
1 0 0 1 |
1 0 0 1 |
1 0 0 1 |
1 0 0 1 |
46199 |
|
32398 |
1 0 0 1 |
1 0 0 1 |
1 0 0 1 |
1 0 0 1 |
46199 |
|
32399 |
1 0 0 1 |
1 0 0 1 |
1 0 0 1 |
1 0 0 1 |
46199 |
|
3239A |
1 0 0 1 |
1 0 0 1 |
1 0 0 1 |
1 0 0 1 |
46199 |
|
3239B |
1 0 0 1 |
1 0 0 1 |
1 0 0 1 |
1 0 0 1 |
46199 |
|
3239C |
1 0 0 1 |
1 0 0 1 |
1 0 0 1 |
1 0 0 1 |
46199 |
|
3239D |
1 0 0 1 |
1 0 0 1 |
1 0 0 1 |
1 0 0 1 |
46199 |
|
3239E |
1 0 0 1 |
1 0 0 1 |
1 0 0 1 |
1 0 0 1 |
46199 |
|
3239F |
1 0 0 1 |
1 0 0 1 |
1 0 0 1 |
1 0 0 1 |
46199 |
|
323A0 |
1 0 0 1 |
1 0 0 1 |
1 0 0 1 |
1 0 0 1 |
46199 |
|
323A1 |
1 0 0 1 |
1 0 0 1 |
1 0 0 1 |
1 0 0 1 |
46199 |
|
323A2 |
1 0 0 1 |
1 0 0 1 |
1 0 0 1 |
1 0 0 1 |
46199 |
|
323A3 |
1 0 0 1 |
1 0 0 1 |
1 0 0 1 |
1 0 0 1 |
46199 |
Таблица 4.12
Таблица пересчета номера ИК в номер исходящего направления
-
30080
0 0 0 0 0 1 0 0
0 0 0 0 0 1 0 0
01004
30081
0 0 0 0 0 1 0 0
0 0 0 0 0 1 0 0
01004
30082
0 0 0 0 0 1 0 0
0 0 0 0 0 1 0 0
01004
30083
0 0 0 0 0 1 0 0
0 0 0 0 0 1 0 0
01004
30084
0 0 0 0 0 1 0 0
0 0 0 0 0 1 0 0
01004
30085
0 0 0 0 0 1 0 0
0 0 0 0 0 1 0 0
01004
30086
0 0 0 0 0 1 0 0
0 0 0 0 0 1 0 0
01004
30087
0 0 0 0 0 1 0 0
0 0 0 0 0 1 0 0
01004
30088
1 1 1 1 1 1 1 1
1 1 1 1 1 1 1 1
773FF
30089
0 0 0 0 0 1 0 1
0 0 0 0 0 1 0 1
01105
3008A
0 0 0 0 0 1 0 1
0 0 0 0 0 1 0 1
01105
3008B
0 0 0 0 0 1 0 1
0 0 0 0 0 1 0 1
01105
3008C
0 0 0 0 0 1 0 1
0 0 0 0 0 1 0 1
01105
3008D
0 0 0 0 0 1 0 1
0 0 0 0 0 1 0 1
01105
3008E
0 0 0 0 0 1 0 1
0 0 0 0 0 1 0 1
01105
3008F
0 0 0 0 0 1 0 1
0 0 0 0 0 1 0 1
01105
30090
0 0 0 0 0 1 0 1
0 0 0 0 0 1 0 1
01105
30091
1 1 1 1 1 1 1 1
1 1 1 1 1 1 1 1
773FF
30092
0 0 0 0 0 0 1 1
0 0 0 0 0 0 1 1
00303
30093
0 0 0 0 0 0 1 1
0 0 0 0 0 0 1 1
00303
30094
0 0 0 0 0 0 1 1
0 0 0 0 0 0 1 1
00303
30095
1 1 1 1 1 1 1 1
1 1 1 1 1 1 1 1
773FF
30096
0 0 0 0 0 0 1 0
0 0 0 0 0 0 1 0
00202
30097
0 0 0 0 0 0 1 0
0 0 0 0 0 0 1 0
00202
30098
0 0 0 0 0 0 1 0
0 0 0 0 0 0 1 0
00202
30099
0 0 0 0 0 0 1 0
0 0 0 0 0 0 1 0
00202
3009A
0 0 0 0 0 0 1 0
0 0 0 0 0 0 1 0
00202
3009B
0 0 0 0 0 0 1 0
0 0 0 0 0 0 1 0
00202
3009C
0 0 0 0 0 0 1 0
0 0 0 0 0 0 1 0
00202
3009D
1 1 1 1 1 1 1 1
1 1 1 1 1 1 1 1
773FF
3009E
0 0 0 0 0 0 0 1
0 0 0 0 0 0 0 1
00101
3009F
0 0 0 0 0 0 0 1
0 0 0 0 0 0 0 1
00101
300A0
0 0 0 0 0 0 0 1
0 0 0 0 0 0 0 1
00101
300A1
0 0 0 0 0 0 0 1
0 0 0 0 0 0 0 1
00101
300A2
0 0 0 0 0 0 0 1
0 0 0 0 0 0 0 1
00101
300A3
0 0 0 0 0 0 0 1
0 0 0 0 0 0 0 1
00101
300A4
0 0 0 0 0 0 0 1
0 0 0 0 0 0 0 1
00101
300A5
0 0 0 0 0 0 0 1
0 0 0 0 0 0 0 1
00101
300A6
0 0 0 0 0 0 0 1
0 0 0 0 0 0 0 1
00101
300A7
0 0 0 0 0 0 0 1
0 0 0 0 0 0 0 1
00101
300A8
0 0 0 0 0 0 0 1
0 0 0 0 0 0 0 1
00101
300A9
0 0 0 0 0 0 0 1
0 0 0 0 0 0 0 1
00101
300AA
0 0 0 0 0 0 0 1
0 0 0 0 0 0 0 1
00101
300AB
0 0 0 0 0 0 0 1
0 0 0 0 0 0 0 1
00101
300AC
0 0 0 0 0 0 0 1
0 0 0 0 0 0 0 1
00101
300AD
0 0 0 0 0 0 0 1
0 0 0 0 0 0 0 1
00101
300AE
0 0 0 0 0 0 0 1
0 0 0 0 0 0 0 1
00101
300AF
0 0 0 0 0 0 0 1
0 0 0 0 0 0 0 1
00101
300B0
0 0 0 0 0 0 0 1
0 0 0 0 0 0 0 1
00101
300B1
0 0 0 0 0 0 0 1
0 0 0 0 0 0 0 1
00101
300B2
0 0 0 0 0 0 0 1
0 0 0 0 0 0 0 1
00101
300B3
0 0 0 0 0 0 0 1
0 0 0 0 0 0 0 1
00101
300B4
0 0 0 0 0 0 0 1
0 0 0 0 0 0 0 1
00101
300B5
0 0 0 0 0 0 0 1
0 0 0 0 0 0 0 1
00101
300B6
0 0 0 0 0 0 0 1
0 0 0 0 0 0 0 1
00101
300B7
0 0 0 0 0 0 0 1
0 0 0 0 0 0 0 1
00101
300B8
0 0 0 0 0 0 0 1
0 0 0 0 0 0 0 1
00101
300B9
1 1 1 1 1 1 1 1
1 1 1 1 1 1 1 1
773FF
300BA
0 0 0 0 0 0 0 0
0 0 0 0 0 0 0 0
00000
300BB
0 0 0 0 0 0 0 0
0 0 0 0 0 0 0 0
00000
300BC
0 0 0 0 0 0 0 0
0 0 0 0 0 0 0 0
00000
300BD
0 0 0 0 0 0 0 0
0 0 0 0 0 0 0 0
00000
300BE
0 0 0 0 0 0 0 0
0 0 0 0 0 0 0 0
00000
300BF
0 0 0 0 0 0 0 0
0 0 0 0 0 0 0 0
00000
300C0
0 0 0 0 0 0 0 0
0 0 0 0 0 0 0 0
00000
300C1
0 0 0 0 0 0 0 0
0 0 0 0 0 0 0 0
00000
300C2
0 0 0 0 0 0 0 0
0 0 0 0 0 0 0 0
00000
300C3
0 0 0 0 0 0 0 0
0 0 0 0 0 0 0 0
00000
300C4
0 0 0 0 0 0 0 0
0 0 0 0 0 0 0 0
00000
300C5
0 0 0 0 0 0 0 0
0 0 0 0 0 0 0 0
00000
300C6
0 0 0 0 0 0 0 0
0 0 0 0 0 0 0 0
00000
300C7
0 0 0 0 0 0 0 0
0 0 0 0 0 0 0 0
00000
300C8
1 1 1 1 1 1 1 1
0 0 0 0 0 0 0 0
77300
300C9
1 1 1 1 1 1 1 1
1 1 1 1 1 1 1 1
773FF
5 ОПРЕДЕЛЕНИЕ СОСТАВА ЭЛЕКТРОПИТАЮЩИХ УСТРОЙСТВ
Емкость станции N=1280; Ток, потребляемый от первичных источников I=3.8·12=45.6 (A); Время разряда аккумуляторов T=2 ч.
Величина разрядной емкости рассчитывается по разрядному току I и максимально возможной длительности T перерыва подачи электрической энергии переменного тока
Q>РАЗ>=I·T+Q>АВ>;
Емкость, получаемая от аккумуляторной батареи, аварийными потребителями, зависит от тока потребителей I>Б> и времени работы T:
Q>АВ>=I>Б>·T;
Ток I>Б> зависит от заданной мощности потребителей P, номинального напряжения аккумуляторной батареи U>Н>, от которой питается потребитель, и потерь при преобразовании электрической энергии
I>Б>=P/(U>Н>·h);
P=P>0>·S=3·234.3=702.9 (Вт); U>Н>=60 В; h=1;
I>Б>=702.9/60=11.72 (А);
Q>АВ>=11.72·2=23.43 (А·ч);
Q>РАЗ>=45.6·2+23.43=144.64 (А·ч);
Выбираем аккумуляторы типа С-4.
В аккумуляторной батарее общее число последовательно соединенных элементов каждой группы выбирается из условия обеспечения минимально допустимого напряжения на нагрузке в конце аварийного периода времени, когда был выключен источник переменного напряжения:
>
>
(5.1)
где U>Н>>min> – минимально допустимое напряжение на зажимах нагрузки;
DU>ТРС> – допустимое падение напряжения в токораспределительной сети и устройствах коммутации;
U>Эл>>min> – минимально допустимое напряжение на одном элементе батареи (U>Эл>>min>=1.75).
Число основных элементов рассчитывается по формуле
>
>
(5.2)
где U>Н> – номинальное напряжение нагрузки;
U>ЭЛ.БУФ> – номинальное буферное напряжение на одном элементе (U>ЭЛ.БУФ>=2.2 В).
Число дополнительных элементов
N>ДЭ>=N>ОБЩ>-N>ОСН>=38-30=8.
Буферные выпрямители выбирают по максимальному напряжению буферной работы, достаточному для послеаварийного заряда основной группы аккумуляторной батареи
>
>
(5.3)
Наибольший ток буферных выпрямителей слагается из тока нагрузки и тока заряда аккумуляторной батареи
>
>
где N>В.БУФ> – общее число параллельно соединенных буферных выпрямителей, включая резервный.
Выбираем два выпрямителя ВУК-140/66.
6 ОПРЕДЕЛЕНИЕ СТОИМОСТИ ОБОРУДОВАНИЯ АТС
Стоимость оборудования АТСКЭ “Квант” определяется на основе выписки из прейскуранта 24-18-84 [1] и расчетов, выполненных в п.3. Результаты расчета представлены в табл. 6.1.
Таблица 6.1
Локальная смета на приобретение оборудования
|
Наименование оборудования |
Единицы измерения |
Количество |
Стоимость, руб |
|
|
Единицы |
Общая |
|||
|
Блоки |
||||
|
БАЛ 01 |
Шт. |
18 |
4820 |
86760 |
|
БСЛ 03 |
Шт. |
5 |
7202 |
36010 |
|
БСЛ 02 |
Шт. |
9 |
6587 |
95256 |
|
ПДМ |
Шт. |
2 |
4000 |
8000 |
|
КУП |
Шт. |
2 |
1857 |
3714 |
|
ВВП |
Шт. |
2 |
1444 |
2888 |
|
ВВК |
Шт. |
6 |
1844 |
11064 |
|
ВИП |
Шт. |
5 |
1217 |
6085 |
|
БК |
Шт. |
3 |
1630 |
4890 |
|
ШК 01 |
Шт. |
9 |
2182 |
19638 |
|
УВП 01 |
Шт. |
9 |
1265 |
11385 |
|
БГ 01 |
Шт. |
6 |
1290 |
7740 |
|
БВВ 2 |
Шт. |
2 |
2120 |
4240 |
|
БП 01 |
Шт. |
1 |
1815 |
1815 |
|
БЦП 1 |
Шт. |
1 |
2030 |
2030 |
|
БЗУ 1 |
Шт. |
1 |
3835 |
3835 |
|
Кассеты |
||||
|
ПДБ (+ТЭЗы УСК 1) |
Шт. |
1 |
602 |
602 |
|
КСЛ (+ТЭЗы УСК 1) |
Шт. |
7 |
615 |
4305 |
|
КДЧ (+ТЭЗы УСК 1) |
Шт. |
12 |
551 |
6612 |
|
ТЭЗы |
||||
|
ИКБ-3 |
Шт. |
20 |
151 |
3020 |
|
ВКБ-3 |
Шт. |
27 |
142 |
3834 |
|
ВКМР |
Шт. |
15 |
130 |
1950 |
|
ИКС |
Шт. |
32 |
112 |
3584 |
|
ДКБК |
Шт. |
83 |
138 |
11454 |
|
ПБ |
Шт. |
13 |
90 |
1170 |
|
Комплекты |
||||
|
ЗИП |
Шт. |
1 |
14772 |
14772 |
|
К-т. стат. (3) |
Шт. |
1 |
686 |
686 |
|
К-т. стат. (4) |
Шт. |
1 |
790 |
790 |
|
К-т. стат. (5) |
Шт. |
3 |
930 |
2790 |
|
К-т. кабелей (1024) |
Шт. |
1 |
11174 |
11174 |
|
К-т. кабелей (256) |
Шт. |
1 |
3262 |
3262 |
|
УАВП |
Шт. |
1 |
8030 |
8030 |
|
К-т. инструмента |
Шт. |
1 |
114 |
114 |
|
Итого |
383499 |
|||
|
Трансп.расх. |
Проц. |
3 |
11505 |
|
|
Загот.расх. |
Проц. |
1.2 |
4602 |
|
|
Итого оборудования |
399606 |
Стоимость одного номера – 399606·10:1280=3567.91 руб.»$137.2.
Курс : $ 1=26 руб.
СПИСОК ЛИТЕРАТУРЫ
1. Проектирование АТСКЭ “Квант” железнодорожного узла связи: Методические указания по курсовому и дипломному проектированию, часть 1/А.В.Холод, А.Н.Громов. – Омский гос. унив-т путей сообщения, 1999. 32с.
2. Телефонная связь на железнодорожном транспорте. – Методические указания к курсовому проектированию/ А.А.Пономарев, И.М.Соколова-Курганская, И.В.Раздобарова, А.В.Холод. – Омск: Омский ин-т инж. ж.-д. транспорта, 1984 – 72 с (приложение).
3. Телефонная связь на железнодорожном транспорте. – Методические указания к курсовому проектированию/ А.А.Пономарев,И.М.Соколова-Курганская, И.В.Раздобарова, А.В.Холод. – Омск: Омский ин-т инж. ж.-д. транспорта, 1984 – 72 с.
4. Автоматическая телефонная связь на железнодорожном транспорте / В.М.Волков, А.К.Лебединский, А.А. Павловский, Ю.В.Юркин; Под ред. В.М.Волкова. М.: Транспорт, 1996. 342 с.
5. Соколова-Курганская И.М., Холод А.В., Раздобарова И.В. Абонентские и внестанционные данные АТСКЭ "Квант" / Омский ин-т инж. ж.-д. транспорта. – Омск, 1992. – 52 с.
6. Основы построения АТСКЭ “Квант”: Методические указания к лабораторным работам по курсу “Автоматическая телефонная связь на железнодорожном транспорте”/И.М.Соколова-Курганская, А.В.Холод, И.В.Раздобарова. – Омский инт-т инж. ж.-д. транспорта, 1990, 50 с.
7. Поздняков Л.Г., Карпова Л.А., Митрохин В.Е. Расчет электропитающей установки для устройств автоматики и связи. – Омск: Омский ин-т инж. ж.-д. транспорта, 1984. – 52 с.
8. Истратова В.М., Косенко С.С., Соколов Ю.И. Квазиэлектронные АТС на железнодорожном транспорте. – М: Транспорт, 1991. – 191 с.