Анализ случайных процессов в линейных системах радиоэлектронных следящих систем
БЕЛОРУССКИЙ ГОСУДАРСТВЕННЫЙ УНИВЕРСИТЕТ ИНФОРМАТИКИ И РАДИОЭЛЕКТРОНИКИ
Кафедра РТС
РЕФЕРАТ
На тему:
"Анализ случайных процессов в линейных системах радиоэлектронных следящих систем"
МИНСК, 2008
Определение статистических характеристик случайных процессов в линейных системах
Задающее воздействие
и
внутренние возмущения (флуктуации
частоты, фазы, задержки) являются
случайными процессами с нормальным
законом распределения, который не
изменяется при прохождении процессов
через линейные цепи. Флюктуационная
составляющая напряжения на выходе
дискриминатора
(t)
также процесс случайный, и хотя не всегда
имеет нормальный закон распределения,
но при прохождении через последующие
узкополосные линейные цепи нормализуется.
Случайный процесс с нормальным законом распределения определяется математическим ожиданием и корреляционной функцией. Методы определения математического ожидания рассмотрены в предыдущем разделе. Рассмотрим методы определения корреляционной функции и связанной с ней дисперсией случайных процессов.
Спектральная плотность процесса на выходе и входе линейной системы связаны зависимостью
,
где
- частотная передаточная функция системы;
- спектральная плотность процесса на
входе.
Преобразовав по Фурье правую и левую часть можно определить корреляционную функцию:
.
Дисперсия случайного процесса на выходе линейной системы:
(1)
или:
,
(2)
где Sv(w) –двусторонняя спектральная плотность процесса на выходе системы.
При использовании односторонней спектральной плотности N(f) выражение (2) может быть записано в виде:
,
где
;
.
Расчет дисперсии случайного процесса с помощью стандартных интегралов
Для упрощения вычисления интеграла (6.1) его приводят к стандартному виду:
,
где
─
полином четной степени частоты
;
- полином, корни которого принадлежат
верхней полуплоскости комплексной
переменной
;
n – степень полинома
.
Вычисление производят по формулам:
;
;
.
При n>3 формулы для расчетов можно найти в справочнике.
Условие применения стандартных
интегралов: полином под интегралом
должен быть дробно-рациональной функцией
переменной
и система должна быть устойчивой.
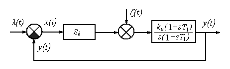
Рассмотрим пример расчета дисперсии ошибки слежения в системе, представленной структурной схемой (рис.1).

Рис.1. К примеру расчета дисперсии ошибки слежения.
Исходные данные:
─
флюктуационная составляющая, определяемая
спектральной плотностью
.
Рассчитаем дисперсию ошибки слежения по формуле дисперсию по формуле:
.
Передаточная функция от воздействия к ошибке
;
;
.
Выполним расчет:
;
;
;
;
;
;
;
;
;
.
(3)
Приведем
ко
входу дискриминатора и упростим выражение
(3)
,
(4)
где
;
- спектр приведенного ко входу
дискриминатора случайного процесса.
Таким образом, дисперсия ошибки слежения пропорциональна коэффициенту усиления разомкнутого контура следящей системы и спектральной плотности флюктуационной составляющей.
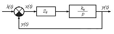
Если вместо
пропорционально-интегрирующего фильтра
использовать интегратор, то:
,
и
;
Если на вход инерционного звена с передаточной функцией

подать шум со спектральной
плотностью
,
то дисперсия на выходе будет равна
;
Таким образом шум вызывает
одинаковый эффект на выходе инерционной
цепи и в следящих системах, содержащих
одно интегрирующее звено с добротностью,
обратной постоянной времени
.
Если следящая система содержит в качестве фильтра последовательное соединение инерционного звена и интегратора, то в этом случае
;
;
;
.
Следовательно, постоянная
времени инерционного звена не влияет
на величину флюктуационной ошибки
(дисперсию). Это объясняется тем, что
при увеличении
инерционного звена сужается полоса
системы, но одновременно увеличивается
максимум АЧХ, а площади под кривыми не
изменяются (рис.2).

Рис.2. Зависимость АЧХ от постоянной времени инерционного звена.
Используя (4) можно оптимизировать
параметры системы, в частности
по критерию минимума флюктуационной
ошибки. С этой целью продифференцируем
(6.4) по
и приравняем производную нулю.

;
;
;
;
;
при
;
;
Подставив
в (4), получим
,
где
- собственная частота следящей системы.
Если задающее воздействие представлено спектральной плотностью неточность его воспроизведения также оценивается дисперсией. Рассмотрим пример (рис.3).

Рис.3
Пусть
;
,
где
─
дисперсия задающего воздействия;
- параметр, определяющий ширину спектра.
Определим величину дисперсии
ошибки слежения
,
обусловленную неточностью воспроизведения
задающего воздействия.
;
,
где
;
- коэффициент передачи интегратора;
- крутизна дискриминационной характеристики.
;
;
приведем выражение к стандартному виду:
;
(jw) =(
+jw) (Kv+jw)
=(jw) 2 +(
+Kv)
jw+
Kv;
;
;
;
;
;
;
;
;
При увеличении
уменьшается, в то время как в первом
примере
увеличивается.
Эквивалентная шумовая полоса следящих систем
Под эквивалентной шумовой полосой следящей системы понимают полосу пропускания эквивалентной системы, имеющей прямоугольную АЧХ, одинаковое с исходной системой ее значение на нулевой частоте и одинаковую дисперсию на выходе при воздействии на входы систем белого шума (рис.4).

Рис.4. АЧХ исходной и эквивалентной систем.
Чтобы определить полосу
пропускания
используем условие равенства дисперсий:

Отсюда
.
Использование значения эквивалентной шумовой полосы позволяет упростить вычисление дисперсии:
;
.
Если
,
то
,
или
,
где
─ односторонняя спектральная плотность.
Формулы для расчета эквивалентной шумовой полосы систем приведены в табл.1
Таблица 1. Формулы для расчета эквивалентной шумовой полосы.
Оптимизация параметров следящих систем
Для решения задачи оптимизации необходимо определить структуру системы, предъявляемые требования и ограничения, накладываемые на систему, описать воздействия и возмущения, выбрать критерий оптимизации и метод.
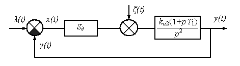
Оптимизируем параметры kи2 и T1 в системе (рис.5), в которой задающее воздействие λ(t) – детерминированная функция, а возмущение ─ случайный процесс ξ(t).
В качестве критерия оптимизации используем критерий минимума среднего квадрата ошибки:
;
(5)
где
- квадрат математического ожидания
ошибки слежения.

Рис.5. Структурная схема оптимизируемой системы.
Исходные данные:
;
.
Необходимо определить
и
по
критерию (5).
Величина математического ожидания (динамической ошибки) определяется выражением
.
Величина дисперсии ошибки:

.
(6)
Для определения оптимальных значений параметров воспользуемся методом дифференцирования:
.
Из этого уравнения определяем
.
(7)
Подставив в исходное уравнение (6) вместо T1 его оптимальное значение (7) и продифференцировав по переменной kи2, найдем ее оптимальное значение
.
Пусть задающее воздействие является случайным процессом с нулевым математическим ожиданием и спектральной плотностью

Флюктуационная составляющая
характеризуется спектральной плотностью
.
В качестве фильтра используется идеальный интегратор:
.
Найдем оптимальное значение
коэффициента передачи интегратора
по критерию минимума суммарной ошибки
слежения:
,
где
─
величина дисперсии ошибки, обусловленная
неточным воспроизведением входного
воздействия;
─ величина дисперсии ошибки обусловленная
воздействием флюктуационной составляющей.

.
(8)
Продифференцируем (8) по
и приравняем производную нулю. В
результате получим
.
Память следящих систем
Радиотехнические системы работают в условиях многолучевого распространения радиоволн, поэтому при приеме сигнала наблюдается эффект замирания сигнала. Попадание на вход приемника мощной широкополосной помехи приводит к смещению рабочей точки характеристики активного элемента на нелинейный участок характеристики и в результате – к подавлению полезного сигнала мощной помехой. Сигнал на входе следящей системы пропадает, что эквивалентно размыканию контура. На структурной схеме (Рис.6) это явление можно отобразить введением двух ключей Кл1 и Кл2. Пропадание сигнала приводит к размыканию ключа Кл1 и переводу ключа Кл2 в положение 2, поскольку меняется характер флюктуаций.

Рис.6. Структурная схема следящей системы с учетом пропадания полезного сигнала на входе.
Если в режиме слежения закон
распределения ошибки нормальный с
нулевым математическим ожиданием и в
момент времени
следящая система разомкнулась, то через
время
,
характер распределения ошибки слежения
изменится: увеличится математическое
ожидание и дисперсия. Если в момент
значение ошибки не выходит за пределы
апертуры дискриминационной характеристики,
то появление сигнала приведет к
восстановлению режима слежения. Если
же
,
то происходит срыв слежения.
Вероятность того, что через
после
пропадания сигнала ошибка слежения не
превышает
определяет память следящей системы:
.

Рис.7. Распределение плотности вероятности ошибки слежения.

Рис.8. Дискриминационная характеристика.
Рассмотрим пример.
Пусть следящая система имеет два интегратора (рис.9).

Рис.9. Структурная схема системы.
Задающее воздействие определяется линейной зависимостью
;
Поскольку система является астатической с астатизмом второго порядка установившееся значение ошибки равно нулю, т.е.
.
Следовательно,
;
,
а
,
т.е. напряжение на входе
второго интегратора пропорционально
скорости изменения задающего воздействия
.
Таким образом, система отслеживает скорость изменения входного процесса не по рассогласованию а по памяти. При пропадании сигнала на вход система будет отслеживать его изменение, если скорость не изменятся. При восстановлении сигнала ошибка будет минимальной, или равной нулю (в реальной ситуации срыв может произойти в результате флюктуаций управляемой величины под воздействием помех).
Память следящих систем определяется числом интегрирующих звеньев. Одно звено обеспечивает память по положению, два – по скорости, три – по ускорению.
Таким образом, система с астатизмом n –го порядка обладает памятью по n-1 производной задающего воздействия.
ЛИТЕРАТУРА
1. Коновалов. Г.Ф. Радиоавтоматика: Учебник для вузов. – М.: Высш. шк., 2000.
2. Радиоавтоматика: Учеб. пособие для вузов. / Под ред.В.А. Бесекерского. - М.: Высш. шк., 2005.
3. . Первачев С. В. Радиоавтоматика: Учебник для вузов. - М.: Радио и связь, 2002.
4. Цифровые системы фазовой синхронизации / Под ред. М.И. Жодзишского – М.: Радио, 2000










