Биполярные транзисторы (работа 3)
Курс: Компьютерная системотехника
Тема: Биполярные транзисторы
1. Биполярные транзисторы
Определение.
Транзистор ППП с 3-мя электродами, служащий для усиления сигналов (в общем случае по мощности) или их переключения.
2. Типы биполярных транзисторов и их диодные схемы замещения
Различают кремниевые (рис.1) и германиевые транзисторы (рис.2).

Рис.1. Рис.2.
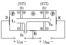
На рис.1 и 2 показаны условные графические обозначения кремниевых (n-p-n) и германиевых (p-n-p) транзисторов и соответствующие им диодные схемы замещения.
Транзистор состоит из двух противоположно включенных диодов, которые обладают одним общим n - или p - слоем. Электрод связанный с ним называется базой (Б). Дав других электрода называются эмиттером (Э) и коллектором (К). Диодная эквивалентная схема, приведенная рядом с его графическим обозначением, поясняет структуру включения переходов транзистора. Хотя эта схема не характеризует полностью функции транзистoра, но она дает возможность представлять действующие в нем обратные и прямые токи и напряжения.
3. Физические явления в транзисторах
Эмиттерная область транзистора является источником носителей заряда, а область улавливающая эти носители заряда называется коллектром. Область, которая управляет потоком этих носителей, называется базой.

При подключении прямого напряжения между эмиттером и базой происходит инжекция носителей зарядов через открытый (смещенный в прямом направлении) переход Э-Б, т.е. переход их из области эмиттера в область базы.
Таким образом образуется эмиттерный ток (Iэ) через соответсвующий переход (ЭП эмиттерный переход).
Как известно, при “дырочной" проводимости типа “p" основными носителями заряда являются “дырки”, а неосновными электроны. Часть “дырок” пришедших в базовую область рекомбинируют в электроны, появляется ток базы (Iб), который очень мал по сравнению стоком эмиттера, так как только малая часть инжектированных “дырок” (носителей заряда) рекомбинирует.
Между коллектором и базой прикладывается обратное напряжение, поэтому говорят что носители заряда из области базы экстрагируются (втягиваются) в коллекторную область и за счет этого образуется ток коллектора (Iк).
Таким образом, на основании приведенных выше рассуждений можно записать следующие простые соотношения между токами эмиттера, базы и коллектора:
Iэ= Iб+Iк (1); Iб<<Iк (Iэ) (2); Iк Iэ (3);
Iк = Iэ = Iк / Iэ (0,90,99) <1 (4);
Iк = Iэ + Iкбо (5),
где Iэ управляемый ток, Iкбо неуправляемый (обратный) ток, протекающий через переход Б-К в направлении противоположном прямому току Iк через этот переход.

Iк = Iб = Iк / Iб (6);
Iк = Iб + Iкбо;
Uб Uэ - Uэб (7);
= / 1 - (8);
4. Подача напряжений питания
Обычно переход Э-Б смещен в прямом направлении, а К-Б в обратном. Поэтому источники напряжений питания транзисторов должны быть включены, как показано на рис.3 и

Рис.3 Рис.4
Основная особенность транзисторов состоит в том, что коллекторный ток Iк является кратным базовому току Iб. Их отношение = Iк / Iб называют коэфициентом усиления по току.
5. Схемы включения и статические параметры
Существуют три основные схемы включения транзисторов:
1) ОЭ
2) ОБ
3) ОК
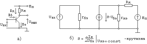
1) Схема с общим эмиттером применяется наиболее часто.
В этой схеме управляющее напряжение прикладывается к участку Б-Э, выходной сигнал снимается с резистора нагрузки, включенного в коллекторную цепь (потенциал эмиттера фиксирован).

Рис.5. Включение транзистора по схеме с ОЭ (а) и эквивалентная схема (б) для данного случая.
Вольт - амперные характеристики и режимы работы транзистора в данном случае приведены на рис.5.2.
Входные характеристики приведены на Рис.6а, выходные на Рис.6б.

а) б)
Рис.6. Входные и выходные вольт - амперные характеристики транзистора включенного по схеме с ОЭ.
На семействе выходных характеристик выделяют три области:
1) Область линейного усиления;
2) Область наыщения:
3) Область отсечки.
В соответствии с этим транзистор может работать в трех режимах.
В области линейного усиления, увеличение тока базы приводит к пропорциональному изменению тока коллектора, при этом динамическое сопротивление участка К-Э стремится к
rкэ = vUк / vIк;
В области насыщения, изменение тока коллектора не приводит к существенному изменению напряжения на коллекторе. Динамичнское сопротивление участка К-Э стремится к 0.
В области отсечки Iк = Iкбо 0. Динамическое сопротивление сопротивление участка К-Э стремится к .
Величина Iк сверху ограничена допустимой рассеиваемой мощностью на участке К-Э. Превышение предельного тока Iк max ведет к разрушению транзистора, поэтому необходимо обеспечить схемные средства ограничения Iк. В простейшем случае это резистор в коллекторной (или эмиттерной) цепи фиксирующий ток коллектора на уровне Iк max = Eп / Rк. Но, в этом случае, потенциал коллектора изменяется при изменении тока коллектора (т.е. Uк = f (Iк)). Эта зависимость определяется так называемой нагрузчной прямой, отсекающей на осях координат два отрезка:
1) на оси абсцисс напряжение питания Еп при Iк = 0;
2) на оси ординат Iк max = Eп / Rк.
Пересечение нагрузочной прямой и выходной характеристики при конкретном токе базы дает, так называемую, рабочую точку.
Т.о. транзистор может работать в одном из следующих режимов (для n-p-n):
1) нормальный активный режим: Uбэ>0, Uкб>0
2) инверсный активный режим: Uбэ<0, Uкб<0
3) режим насыщения: Uбэ>0, Uкб<0
4) режим отсечки: Uбэ<0, Uкб>0
Нормальный активный режим.
В этом режиме переход Б-Э смещен в прямом направлении, а Б-К в обратном.
При анализе основных схем включения транзисторов (здесь ОЭ, а далее ОБ и ОК) воспользуемся упрощенным (эквивалентным) представлением биполярного транзистора для низких частот, изображенном на рис.5. б.
Входная цепь представлена динамическим входным сопротивлением rбэ, а в коллекторной цепи использован управляемый источник тока коллектора (Iк = S Uбэ),
где

При этом внутреннее динамическое сопротивление включено параллельно этому источнику тока, как и следует из теории электрических цепей (Теорема Теверена об эквивалентном генераторе). При определении основных характеристик и параметров схемы здесь и далее будем считать, что идеальные источники напряжений питания (Еп) и входного сигнала (Uвх).
Ток коллектора
1) Iк = / 1 - Iб + 1/1 - Iкбо = Iб + (1+) Iкбо Iб,
где: коэфициент передачи по току (т.е. коэфициент передачи тока из эмиттерной цепи в коллекторную) в схеме с ОЭ. Т. к. >>1, то в схеме с ОЭ возможно усиление по току (потому, что Iб<<Iк!).
2) Ток базы закрытого транзистора. При Uбэ = 0 (транзистор закрыт) Iб Iкбо, т.е. из базы вытекает ток, обратному тепловому току перехода К-Б.
3) Входное сопротивление


Тогда ток базы, который также зависит и от Uбэ можно примерно определить так:
Iб = Iк , где = h>21 э>
4) Коэфициент усиления по напряжению

5) Коэфициент усиления по току

6) Выходное сопротивление

Режим насыщения
В этом режиме оба перехода смещены в прямом направлении.
Внешним проявлением режима насыщения является отсутствие зависимости Iк от Iб. Для схемы с ОЭ существует некоторый “граничный” ток Iбн, при котором достигается насыщение коллекторного тока
Iкн = Iбн
При дальнейшем увеличении тока базы ток коллектора не увеличивается и может быть введен некоторый коэфициент, характеризующий:
1) Степень насыщения
N = Iб / Iбн Iкн = N Iк
2) Входное сопротивление
Rвх>н> = Rвх / ,
где Rвх входное сопротивление в активной линейной области.
3) Выходное напряжение
Uвых = Uкэн Uбэ
Это так называемое остаточное напряжение на участке К - Э, слабо зависящее от величины коллекторного тока.
4) Выходное сопротивление
Rвых rкэ Rвых / Rк / ,
где Rвых выходное сопротивление в активной линейной области.
Режим отсечки
В этом режиме оба перехода смещены в обратном направлении.
1) Iэ 0
2) Iк Iкбо
3) Iб Iкбо
Границей режима отсечки является обратное напряжение (напряжение отсечки) на переходе Б-Э (Uбэ>обр>), при котором Iэ = 0!
В большинстве цифровых схем Uбэ>обр> такое, при котором Iб уменьшается в 100200 раз!!
2) Схема с общей базой
В этой схеме управляющее напряжение прикладывается к участку Э-Б, а входной сигнал снимается с резистора нагрузки, вкюченного в коллекторную цепь. Потенциал базы при этом фиксирован, а потенциал Э должен быть меньше потенциала Б, если переход Б-Э смещен в прямом направлении.

а) б)
Рис.7
На рис.7 показана схема включения транзистора с ОБ и ее эквивалентная схема на низких частотах.
Вольт амперная характеристика и режимы работы

а) б)
Рис.8 Входные а) и выходные б) характеристики.
Нормальный активный режим.
В этом режиме, как и в схеме с ОЭ, переход Б-Э смещен в прямом направлении, переход К-Б в обратном.
1) Iк = Iэ + Iко (eUкб/Uт 1) = Iэ + Iкбо Iэ
Т. к. <1, то усиление по току в такой схеме невозможно Iк = Iб.
2)

3) Ki = 1
4) Rвх rбэ / Uвх / Iвх, т.е. в раз меньше чем всхеме с ОЭ!!
5)
,
т.е. такое же как и в схеме с ОЭ.
Режим насыщения
в данной схеме возможно только при Uк < Uб, что недостижимо при фиксированной полярности питания. Т.е. режима насыщения нет.
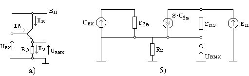
3) Схема с общим коллектором
Это по сути частный случай схемы с ОЭ при Rк = 0! Поэтому, практически все соотношения для токов транзистора и потенциалов на его переходах, характерные для схемы с ОЭ, могут быть применим и в данном случае.
В этой схеме управляющее напряжение приложено к участку Б-Э, выходной сигнал снимается с резистора нагрузки, включенного в эмиттерную цепь. Потенциал коллектора при этом фиксирован!
Причем, в этой схеме, также как и в схеме с ОБ, отсутствует режим насыщения, поскольку потенциал коллектора никогда не может быть ниже потенциала базы!!
Параметры схемы в режиме отсечки аналогичны таковым в схеме с ОЭ!!
На рис.8 приведены схема включения и ее эквивалентная схема.

Рис.8
1)

2)

3) Rвх = rбэ + Rэ, т.е. во много раз больше чем Rвх в схемах с ОЭ и ОБ! (десятки и сотни кОм).
4)

Т. е. такая схема имеет высокий Ki, малое Rвых и большое Rвх!!
6. h и Y параметры транзисторов
Транзистор можно рассматривать как четырехполюсник где
Uвх = U>1,>Iвх = I>1>, Uвых = U>2>, Iвых = I>2>.
h>11>>э>> >= Uбэ / Iбэ Uк = const = Rвх
h>12>>э>> >= Uбэ / Uк Iб = const
коэффициент внутренней ОС (очень малая величина, которой в инженерной практике пренебрегают и принимают = 0)
h>21>>э>> >= Iк / Iб Iб = const =
h>22>>э> = Iк / Uк Iб = const
Выходная проводимость
([Сименс] = 1/Ом)
Rвых = 1/ h>22э>
В настоящее время для практических расчетов h и y параметры практически не используются!
7. Влияние температуры на статистические характеристики транзистора. Динамические параметры
Это параметры, которые совместно с такими же параметрами других компонентов схемы определяют вид АЧХ линейной схемы или характер переходных процессов в ключевых схемах.
Частотные свойства транзистора в активном режиме определяются:
инерционностью процессов распространения подвижных носителей в транзисторной структуре (в основном на базе);
наличием емкостей переходов (в частности барьерной емкостью коллекторного перехода) и конечным значением внутренних сопротивлений;
эффектами накопления и рассеивания зарядов.
Обычно, для упрощения анализов динамических процессов, большую часть источников инерционности процессов в транзисторе сводятся к эквивалентным емкостям (зависящим, в общем случае, от напряжения и частоты). За счет этого получают достаточно простые эквивалентные схемы транзистора на переменном токе, приведенные на рис.5.6.

Рис.9. Эквивалентные схемы для активного режима а) и режима отсечки б).
Коэффициент передачи по току может быть представлен характеристикой ФНЧ первого порядка
,
где >> частота среза.
Во временной области эта зависимость имеет вид:
,
где >> = 1/>> постоянная времени изменения коэффициента передачи по току.
Граничной частотой усиления (или “частотой единичного усиления”) называют частоту, при которой модуль коэффициента усиления уменьшается до
В практических в расчетах используется соотношение
>гр> = >>
>> = >> / (1+) или >> = (1+) >> >>,
где >> = 1/2f>>, f>> граничная частота усиления для схемы с ОЭ, которая приводится обычно в справочных данных!
Кроме f>> в справочных данных приводятся значения >> и >>, а также величины емкостей эмиттерного (С*>эо>) и коллекторного (С*>ко>) переходов при Uкб=0, Uэб=0, Uкк и Uэк контактная разность потенциалов переходов К-Б и Э-Б.
Особенности переходных процессов в ключевом режиме работы транзистора включенного, например, по схеме с ОЭ заключается в наличии времени рассасывания заряда неосновных носителей, накопленного в базе при протекании тока в отрытом и насыщенном состоянии. Причем, с увеличением Iкн увеличивается р!
Iк (t) = (t) Iб
Iкн = >о> Iбн Iбн = S Iбо

9. Предельно допустимые параметры
1) Uэб>обр> электрический (Зенеровский) или тепловой пробой перехода Б-Э
2) Uкб>обр>
Это max допустимые обратные напряжения на переходах Э-Б и К-Б. Причем,
Uэб>обр> < Uкб>обр> (иногда в 2 раза!)
3) Uкэ>max>
4) Pр>max> максимально допустимая рассеиваемая мощность
Pр Uкэ Iк
В паспорте обычно указывается Pр>max> при температуре корпуса, равной 25оС. С увеличением tоС необходимо уменьшение Pр ниже Pр>max>!
Литература
Волович Г.И. Схемотехника аналоговых и аналого-цифровых электронных устройств. М., 2005. - 530с.
Лысенко А.П. Статический коэффициент передачи тока базы транзистора и его зависимость от режима и температуры. Учебное пособие - Московский государственный институт электроники и математики. М., 2005. - 29 с.
Нефедов А.В. Интегральные микросхемы и их зарубежные аналоги. Справочник. Том 1. Издательство: РадиоСофт, 2000. - 512с.
Петухов В.М. Биполярные транзисторы средней и большой мощности сверхвысокочастотные и их зарубежные аналоги. Справочник. Том 4. Издательство: КУбК-а, 1997. - 544с.
Чижма С.Н. Основы схемотехники. СПб., 2008. - 424с.