Выбор параметров и анализ режимов электропередачи
МИНИСТЕРСТВО ОБРАЗОВАНИЯ РОССИЙСКОЙ ФЕДЕРАЦИИ
ФИЛИАЛ ГОСУДАРСТВЕННОГО ОБРАЗОВАТЕЛЬНОГО
УЧЕРЕЖДЕНИЯ ВЫСШЕГО ПРОФЕССИОНАЛЬНОГО ОБРАЗОВАНИЯ
МОСКОВСКОГО ЭНЕРГЕТИЧЕСКОГО ИНСТИТУТА (ТЕХНИЧЕСКОГО УНИВЕРСИТЕТА)
Факультет “Энергетики и электротехники”
Кафедра “Электрические системы”
Курсовой проект
По курсу: “Дальние линии электропередачи СВН”
Тема: “Выбор параметров и анализ режимов электропередачи”
Смоленск, 2003
ВВЕДЕНИЕ
В данном курсовом проекте рассматривается электропередача переменного тока сверхвысокого напряжения с одной промежуточной подстанцией, предназначенной для транспорта электрической энергии от удаленной гидроэлектростанции в приёмную систему.
Решаются вопросы, связанные с выбором схемы электропередачи и номинального напряжения её участков, оценивается пропускная способность электропередачи, проводятся расчёты и анализ основных рабочих, послеаварийного и особых режимов работы.
В заключительной части проекта определяются основные технико-экономические показатели.
1. Выбор схемы, номинального напряжения и сечения проводов участков электропередачи
Выбор числа цепей на участках электропередачи производится по условию обоснованно надёжного снабжения энергией потребителей промежуточной подстанции, а также потребителей приёмной системы, обеспечиваемых энергией от ГЭС.
Сопоставляя три заданные величины:
наибольшая мощность, передаваемая от ГЭС Р>0> = 1340 МВт;
наибольшая мощность потребителей промежуточной подстанции Р>п/ст >= 600 МВт;
оперативный резерв мощности, имеющийся в приёмной системе Р>резерв> = 470 МВт.
Наметим следующие варианты схемы участков электропередачи:
0100090000032a0200000200a20100000000a201000026060f003a03574d46430100000000000100fd110000000001000000180300000000000018030000010000006c000000000000000000000008000000100000000000000000000000971e0000a513000020454d4600000100180300001200000002000000000000000000000000000000900600001a040000b801000013010000000000000000000000000000c0b6060038320400160000000c000000180000000a00000010000000000000000000000009000000100000002b010000c0000000250000000c0000000e000080250000000c0000000e000080120000000c00000001000000520000007001000001000000f1ffffff00000000000000000000000090010000000000cc04400022430061006c006900620072006900000000000000000000000000000000000000000000000000000000000000000000000000000000000000000000000000000000001100dc5f11001000000040631100c060110052516032406311003860110010000000a8611100246311002451603240631100386011002000000049642f31386011004063110020000000ffffffff9c1ef700d0642f31ffffffffffff0180ffff0180efff0180ffffffff0000000000080000000800004300000001000000000000006000000025000000372e9001cc00020f0502020204030204ef0200a07b20004000000000000000009f00000000000000430061006c00690062007200000000000000000000611100dee32e31e88d0832606411006c6011009c3827310900000001000000a8601100a8601100e878253109000000d06011009c1ef7006476000800000000250000000c00000001000000250000000c00000001000000250000000c00000001000000180000000c00000000000002540000005400000000000000000000000800000010000000010000001886d1411886d141000000000d000000010000004c0000000400000000000000000000002b010000c000000050000000200000000900000046000000280000001c0000004744494302000000ffffffffffffffff2c010000c1000000000000004600000014000000080000004744494303000000250000000c0000000e000080250000000c0000000e0000800e000000140000000000000010000000140000000400000003010800050000000b0200000000050000000c02c0002b01040000002e0118001c000000fb021000070000000000bc02000000cc0102022253797374656d0000000000000000000000000000000000000000000000000000040000002d010000040000002d01000004000000020101001c000000fb02f1ff0000000000009001000000cc0440002243616c6962726900000000000000000000000000000000000000000000000000040000002d010100040000002d010100040000002d010100050000000902000000020d000000320a0d00000001000400000000002b01c00020930900040000002d010000040000002d010000030000000000
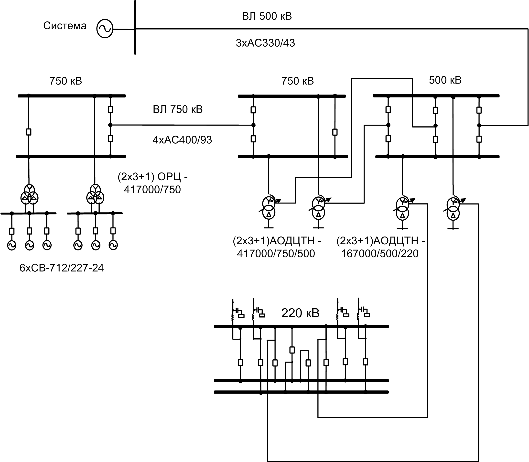
Рис 1.1. Вариант 1 схемы участков электропередачи.
0100090000032a0200000200a20100000000a201000026060f003a03574d46430100000000000100fd110000000001000000180300000000000018030000010000006c000000000000000000000008000000100000000000000000000000971e0000a513000020454d4600000100180300001200000002000000000000000000000000000000900600001a040000b801000013010000000000000000000000000000c0b6060038320400160000000c000000180000000a00000010000000000000000000000009000000100000002b010000c0000000250000000c0000000e000080250000000c0000000e000080120000000c00000001000000520000007001000001000000f1ffffff00000000000000000000000090010000000000cc04400022430061006c006900620072006900000000000000000000000000000000000000000000000000000000000000000000000000000000000000000000000000000000001100dc5f11001000000040631100c060110052516032406311003860110010000000a8611100246311002451603240631100386011002000000049642f31386011004063110020000000ffffffff9c1ef700d0642f31ffffffffffff0180ffff0180efff0180ffffffff0000000000080000000800004300000001000000000000006000000025000000372e9001cc00020f0502020204030204ef0200a07b20004000000000000000009f00000000000000430061006c00690062007200000000000000000000611100dee32e31e88d0832606411006c6011009c3827310900000001000000a8601100a8601100e878253109000000d06011009c1ef7006476000800000000250000000c00000001000000250000000c00000001000000250000000c00000001000000180000000c00000000000002540000005400000000000000000000000800000010000000010000001886d1411886d141000000000d000000010000004c0000000400000000000000000000002b010000c000000050000000200000000900000046000000280000001c0000004744494302000000ffffffffffffffff2c010000c1000000000000004600000014000000080000004744494303000000250000000c0000000e000080250000000c0000000e0000800e000000140000000000000010000000140000000400000003010800050000000b0200000000050000000c02c0002b01040000002e0118001c000000fb021000070000000000bc02000000cc0102022253797374656d0000000000000000000000000000000000000000000000000000040000002d010000040000002d01000004000000020101001c000000fb02f1ff0000000000009001000000cc0440002243616c6962726900000000000000000000000000000000000000000000000000040000002d010100040000002d010100040000002d010100050000000902000000020d000000320a0d00000001000400000000002b01c00020930900040000002d010000040000002d010000030000000000
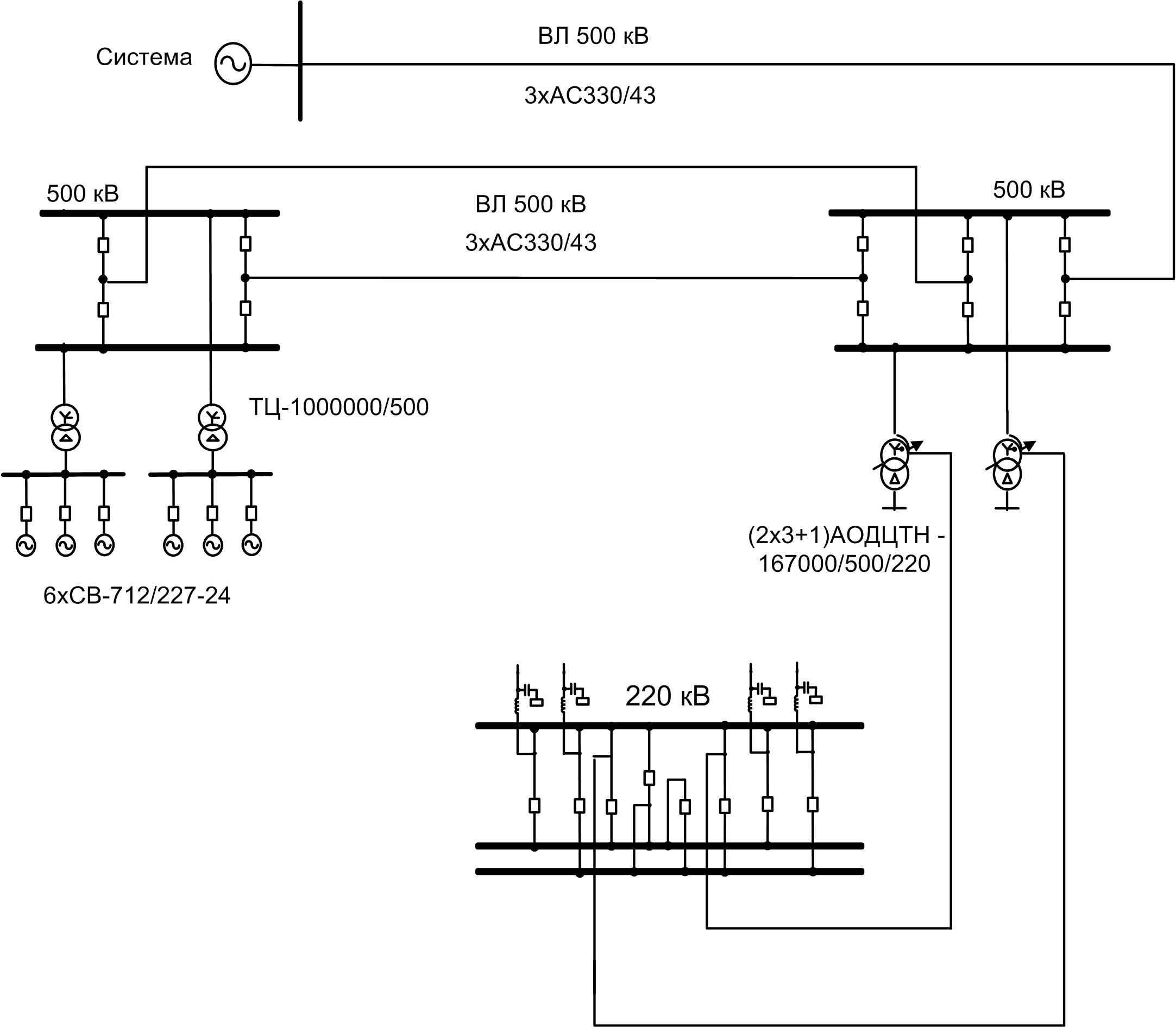
Рис 1.2. Вариант 2 схемы участков электропередачи.
При длине линий более 400 км, предельный экономический ток для двух смежных марок проводов равен:

где К02 и К01 – удельные капитальные вложения на сооружение ВЛ соответственно с проводами большего и меньшего сечения [1] при учете зональных и поправочных коэффициентов [1];
Е>н> = 0,12 – коэффициент эффективности капиталовложений;
а – коэффициент ежегодных издержек на амортизацию и обслуживание ВЛ [1];
dРк1 и dРк2 – среднегодовые потери мощности при коронировании проводов большего и меньшего сечения [1];
r02 и r01 – погонные активные сопротивления одного провода соответственно большего и меньшего сечения, вычисляемые по данным табл. 7.6 [1] с введением поправки на среднегодовую температуру воздуха [1];
n - стандартное число проводов в фазе;
Зi и Зii – удельные затраты на возмещение потерь электроэнергии, зависящие от времени потерь и района сооружения ВЛ;
t>потерь> – время потерь.
t>потерь >= ∑(Р>i>/Р>нб>)2∙t>i>
t>потерь >= 122000+0,722500+0,522500+0,321760 = 4008,4 час.
Вариант 1
Линия 750 кВ длиной 630 км (одна цепь).
I>расч
>= P>max>>.
л.>/(N∙√3∙U>ном>∙cosφ)
I>расч
>= 1340>.>/(1∙√3∙750∙0,99)
= 1041,952 А
F>расч >= I>расч>/(n∙j>расч>)
F>расч >= 1041,952/(4∙1) = 260.488 мм2
Количество проводов расщеплённой фазы n = 4.
Т. о. выбираем провод 4АС 400/93.
I>доп> = 4∙860 = 3440 А, где
860 А – длительно допустимый ток на один провод фазы из табл. 7.12 [1] (значение взято для ближайшего сечения, т.к. отсутствуют данные)
3440 > 1042, значит, провод по нагреву проходит.
Линия 500 кВ длиной 420 км (одна цепь).


I>расч
>= P>max>>.
л.>/(N∙√3∙U>ном>∙cosφ)
= (P>0>
– Р>пс>)>.>/(N∙√3∙U>ном>∙cosφ)
I>расч >= 740>.>/(1∙√3∙500∙0,98) = 871,917 А
F>расч >= I>расч>/(n∙j>расч>)
F>расч >= 871,917 /(3∙1) = 290,639 мм2
Т.к. минимальное сечение провода по условиям короны для напряжения 500 кВ составляет 330/43 мм2 , то учитывая количество проводов расщеплённой фазы n = 3, выбираем провод: 3АС 330/43.
I>доп> = 3∙730 = 2190 А
730 А – длительно допустимый ток на один провод фазы из табл. 7.12 [1] (значение взято для ближайшего сечения, т.к. отсутствуют данные).
2190 > 872 , значит провод по нагреву проходит.
Вариант 2
Линия 500 кВ длиной 630 км (две цепи):
I>расч
>= P>max>>.
л.>/(N∙√3∙U>ном>∙cosφ)
I>расч
>= 1340>.>/(2∙√3∙500∙0,99)
= 781,464 А
F>расч >= I>расч>/(n∙j>расч>)
F>расч >= 781,464/(3∙1) = 260,488 мм2
Т.к. минимальное сечение провода по условиям короны для напряжения 500 кВ составляет 330/43 мм2 , то учитывая количество проводов расщеплённой фазы n = 3, выбираем провод: 3АС 330/43.
I>доп> = 3∙730 = 2190 А
730 А – длительно допустимый ток на один провод фазы из табл. 7.12 [1] (значение взято для ближайшего сечения, т.к. отсутствуют данные).
I>ав.пер.> = 2∙ I>расч >= 1564 А
2190 > 1564 , значит провод по нагреву проходит.
Линия 500 кВ длиной 420 км варианта 2 аналогична линии 500 кВ длиной 420 км варианта 1.
2. Выбор схемы электрических соединений передающей станции и промежуточной подстанции
Вариант 1
Р>расч> = 1,15∙1340 = 1541 МВт.
Выбираем шесть гидрогенераторов СВ – 712/227 – 24.
Номинальные данные:
S>ном.г>= 306 МВА, Р>ном. г> = 260 МВт, U> ном> = 15,75 кВ, cosφ =0,85, Х>d> = 1,653, Х>d>’ = 0,424, Х>d>” = 0,279.
Располагаемая активная мощность ГЭС равна 1560 МВт.
С учётом подключения трех генераторов к одному блочному трансформатору выбираем две группы однофазных трансформаторов 2 3 + 1 ОРЦ 417000/750 со следующими номинальными параметрами:
S>ном. тр> = 417 МВ∙А, U>вн ном> = 787/√3 кВ, U>нн ном> = 15,75 кВ,
Δ Р>к> = 0,8 МВт, ΔР>х> = 0,4 МВт, R>т> = 0,96 Ом, Х>т> = 69,3 Ом.
При числе присоединений равном трём на напряжении 750 кВ выбираем схему треугольника.
На промежуточной подстанции будет двойная трансформация.
Расчётная мощность первой трансформации:
S>расч >= Р>0.>/(1,4∙cosφ>п/ст>) = 1340>.>/(1.4∙ 0,99) = 966,8 МВ∙А
Выбираем (3∙2 +1) АОДЦТН 417000/750/500 со следующими номинальными параметрами:

S>ном.
тр> = 417 МВ∙А, U>вн ном>
= 750/√3 кВ, U>сн ном> =
500/√3 кВ, U>нн ном> =
15,75 кВ,
Δ Р>к> = 0,7 МВт, ΔР>х> = 0,28 МВт, Х>т н> = 309 Ом, Х>т в> = 55,1 Ом.
Расчётная мощность второй трансформации:
S>расч >= Р>п/ст.>/(1,4 cosφ>п/ст>) = 600>.>/(1,4∙ 0,99) = 432,9 МВ∙А
Выбираем (3∙2 +1) АОДЦТН 167000/500/220 со следующими номинальными параметрами:


S>ном. тр> = 267 МВ∙А, U>вн ном> = 500/√3 кВ, U>сн ном> = 230/√3 кВ, U>нн ном> = 11 кВ,
ΔР>к> = 0,325 МВт, ΔР>х> = 0,125 МВт, Х>т н> = 113,5 Ом, Х>т в> = 61,1 Ом.
На подстанции потребители питаются от шин 220 кВ. Определим количество отходящих линий от РУ 220 кВ, ориентируясь на их натуральную мощность:
n = Р>п/ст>/135 = 600/135 = 4,4, следовательно принимаем n = 4.
Т. о. на подстанции при первой трансформации принимаем схему треугольника, а при второй трансформации при числе присоединений равном пяти выбираем схему трансформатор – шины с присоединением линий через два выключателя.
На 220 кВ при числе присоединений равном шести выбираем схему одна секционированная система шин с обходной с отдельными секционным и обходными выключателями. В итоге схема электрических соединений для первого варианта электропередачи выглядит с. о.:

Рис.2.1 Схема электрических соединений для первого варианта электропередачи.
Вариант 2
С учётом подключения трех генераторов к одному блочному трансформатору выбираем трансформаторы ТЦ 1000000/500 со следующими номинальными параметрами:
S>ном. тр> = 1000 МВ∙А, U>вн ном> = 525 кВ, U>нн ном> = 15,75 кВ,
ΔР>к> = 2 МВт, ΔР>х> = 0,6 МВт, R>т> = 0,55 Ом, Х>т> = 40 Ом.
При числе присоединений равном четырем на напряжении 500 кВ выбираем схему четырехугольника. На промежуточной подстанции остается лишь одна трансформация на 220 кВ, в остальном схемы электрических соединений аналогичны варианту 1 и выглядит следующим образом:

Рис.2.2 Схема электрических соединений для второго варианта электропередачи.
Выбор выключателей на РУ
В цепи генераторов: I> >>max> = 260/(1,73∙15,75∙ 0,85) = 11,213 кА
ВВГ – 20 – 160 /20000 У3
U> ном> = 20 кВ, I> ном> = 20 кА, I> откл> = 160 кА
ОРУ 750 кВ: I> >>max> = 1340/(1,73∙750∙0,99) = 1,042 кА
ВВБ – 750 – 40/3150У1
U> ном> = 750 кВ, I> ном> = 3,15 кА, I> откл> = 40 кА
ОРУ 500 кВ: I> >>max> = 1340/(1,73∙500∙0,99) = 1,563 кА
ВНВ – 500А – 40/3150У1
U> ном> = 500 кВ, I> ном> = 3,15 кА, I> откл> = 40 кА
ОРУ 220 кВ: I> >>max> = 600/(1,73∙220∙0,99) = 1,59 кА
ВВБК – 220Б – 56/3150У1
U> ном> = 220 кВ, I> ном> = 3,15 кА, I> откл> = 56 кА.
3. Технико-экономическое сравнение двух вариантов электропередачи
Экономическим критерием определения наиболее рационального варианта является минимум приведенных затрат, которые вычисляются по следующей формуле:
3= Ен К>∑> +И>∑> +У, где
Е>н >– нормативный коэффициент сравнительной эффективности капиталовложений;
Е>н> = 0,12 (для энергетики срок окупаемости 8 лет);
К>∑ >- капиталовложения в сеть;
И>∑ >- издержки всей сети;
У – ущерб.
К>∑> = К>л >+ К>п/ст>.
К>л >= К>о>· ℓ, где
Ко – удельная стоимость сооружения линий,
ℓ – длина линии, км
К>п/ст> = К>ору> + К>тр> + К>ку> + К>пч>
В расчете предварительно не учитывается стоимость компенсирующих устройств, т.е. К>ку> = 0
К>ору> = К>орувн> + К>орусн>
К>тр>- капиталовложение трансформаторов,
К>пч> – постоянная часть затрат
И>∑> = И>∑а.о.р.>+ И>∑потери ээ>, где
И>∑> - издержки всей сети;
И>∑.о.р а.>- издержки амортизацию, обслуживание и ремонт;
И>∑потери ээ >- издержки связанные с потерями электроэнергии.> >
И>∑а.о.р> = И>а.о.р.л> + И> а.о р п/ст>
И>∑потери ээ> =И>потери ээВЛ >+ И>потери тр >
И>а.о.р.вл> = а>л>·к>л>
а>л >– ежегодные издержки на амортизацию, обслуживание и ремонт воздушных линий в % от капиталовложений.
И>потери ээ> = И>потери ээ> >ВЛ> + И>∑потери ээ> >тр> , где
И> а.о р п/ст> = а> п/ст >· К> п/ст>
Расчет произведём для схем отличающихся частей вариантов схем 1 и 2.
Схема 1
З = Е>н>· К>å> + И>å>
К>å> = К>å>> вл> + К>ГЭС> + К>п/ст>
1) К>вл >= к>о>· L
К>вл> = к>0(400))>· ℓ>1 >= 97∙630 = 43470 тыс. руб.
2) К>ГЭС> = К>орувн >+ К>тр >+> >К> пч>
> >К>орувн >= 3·700 = 2100 тыс. руб.
К>тр> = 2∙1980 = 3960 тыс. руб.
К>пч> = 6800 тыс. руб.
К>ГЭС> = 2100 + 3960 + 6800 = 12860 тыс. руб.
3) К>п/ст >= К>ору вн 750 >+> >К>тр 750 >+ К> пч 750 >
К>ору вн 750 >= 3·700 = 2100 тыс. руб.
К>тр 750> = 2∙2150 = 4300 тыс. руб.
К>п/ст >= 2100 + 4300 + 6800 = 13200 тыс. руб.
Тогда К>å> = 48500 + 12860 + 13200 = 74560 тыс. руб.
И>å>> >=И>å>> а.о.р. >+ И>å>> потери ээ>
И>å>> а.о.р.> = И>å>> а.о.р.вл >+ И>å>> а.о.р. ГЭС> + И>å>> а.о.р.н/ст>
И>å>> а.о.р.вл> = 0,028·43470 = 1217,16 тыс. руб.
И>å>> а.о.р. ГЭС> = 0,078·12860 = 1003,08 тыс. руб.
И>å>> а.о.р.п/ст> = 0,084·13200 = 1108,8 тыс. руб.
И>å>> а.о.р> = 1217,16 + 1003,08 + 1108,8 = 3329,04 тыс. руб.
Определим издержки на потери электроэнергии в линии:
1)ΔW>л1 >= ΔР> л1> τ >л1>·α >t>, где α >t>, = 1
ΔP> л1>= S2>мах>/ U2>ном > R>л> = 1353,52 /7502 11,97 = 38,98 МВт
τ >л1>= (0,124 + Т>мах.>/10000)2 8760
W>год>= 1340∙2000 +1340∙0,7∙2500 +1340∙0,5∙2500 +1340∙0,3∙1760 = 7,408∙106 МВт·ч
Т>мах> = W>год>/Р>мах >= 7,408∙106/1340 = 5528 час.
τ >л1>= (0,124 + 5528/10000)2 ·8760 = 4012,59 час
ΔW> л1>= 38,98 · 4012,59 = 156410,8 МВт·ч
ΔW>кор л1> = 160∙630 = 100800 МВт·ч
И>потери ээ> >ВЛ>= ЗI∙ΔW>л1> + ЗII∙ΔW>кор л1 >= 2∙10-2∙156410,8 + 1,75∙10-2∙100800 = 4892,2 тыс. руб.
Определим издержки на потери энергии в трансформаторах:
И>потери ээ> >тр> = ЗI∙ΔР>к.з>(S>нг.мах.>/S>ном.т>)2.τ >т> + ЗII∙ΔР> х.х> ·8760
Т 750/10:
И>потери ээ> >тр 750/10> = 2∙10-2∙1/2∙0,8∙(1353,5>.>/1251)2 ∙4012,59 + 1,75∙10-2∙2·0,4·8760 = 160,22 тыс. руб.
Т 750/500/10:
И>потери ээ> >тр 750/500> = 2∙10-2∙1/2∙0,7∙(1353,5>.>/1251)2∙ 4012,59 + 1,75∙10-2∙2·0,28∙8760 = 118,73 тыс. руб.
И>потери ээ> >тр >>Σ> = 160,22 + 118,73 = 278,95 тыс. руб.
И>потери ээ> >Σ> = И>потери ээ> >ВЛ> + И>потери ээ> >тр >>Σ>
И>потери ээ> >Σ> = 4892,2 + 278,95 = 5171,15 тыс. руб.
И>∑> = И>∑а.о.р.>+ И>∑потери ээ>
И>∑> = 3329,04 + 5171,15 = 8500,19 тыс. руб.
У = ω∙Т>в>∙(Р>нб> – Р>рез> )∙ε>н>∙У>ов>
ω = 0,2∙10-2∙630 = 1,26
ε>н> = (Р>нб> – Р>рез> )/Р>нб> = (1340 – 470)/1340 = 0,649
Т>в> = 1,7∙10-3
У>ов> = 4,5 тыс. руб./кВт.
У = 1,26∙1,7∙10-3∙870∙0,649∙4,5∙1000 = 5442,47 тыс. руб.
И тогда окончательно приведенные затраты на схему варианта 1 будут равны:
З = Е>н>· К>å> + И>å> + У
З>1 >= 0,12·74560+ 8500,19 + 5442,47 = 22889,86 тыс. руб.
Схема 2
З = Е>н>· К>å> + И>å> + У
К>å> = К> л1> + К>ГЭС>
1) К>л1> = 2∙к>0(500))>· ℓ>1 >= 2∙49,9∙630 = 62874 тыс. руб.
2) К>ГЭС> = К>орувн >+ К>тр >+> >К> пч>
К>орувн >= 6·260 = 1560 тыс. руб.
К>тр> = 2∙932 = 1864 тыс. руб.
К>пч> = 2400 тыс. руб.
К>ГЭС> = 1560 + 1864 + 2400 = 5824 тыс. руб.> >
Тогда К>å> = 62874 + 5824 = 68698 тыс. руб.
И>å>> >=И>å>> а.о.р. >+ И>å>> потери ээ>
И>å>> а.о.р.> = И>å>> а.о.р.вл >+ И>å>> а.о.р.ору вн ГЭС>
И>å>> а.о.р.вл> = 0,028·62874 = 1760,472 тыс. руб.
И>å>> а.о.р. ГЭС> = 0,078·5824 = 454,272 тыс. руб.
И>å>> а.о.р> = 1760,472 + 454,272 = 2214,744 тыс. руб.
1) Определим издержки на потери электроэнергии в линии:
ΔW>л1 >= ΔР> л1>· τ >л1> · α >t>, где α >t>, = 1
ΔP> л1>= (S2>мах>/ U2>ном >)∙ 0,5R>л> = 1353,52 /5002 ·0,5·9,135 = 33,47 МВт
W>год> = 7,408∙106 МВт·ч
Т>мах> = W>год>/Р>мах >= 7,408∙106 /1340 = 5528 час.
τ >л1>= (0,124 + 5528/10000)2 ·8760 = 4012,5 час
ΔW> л1>= 33,47 · 4012,5 = 134298,37 МВт·ч
ΔW>кор л1> = 2∙60∙630 = 75600 МВт·ч
ЗI = 2 коп/(кВт∙час), ЗII = 1,75 коп/(кВт∙час)
И>потери ээ> >ВЛ>= ЗI∙ΔW>л1> + ЗII∙ΔW>кор л1 >= 2∙10-2∙134298,37+ 1,75∙10-2∙75600 = 4008,97 тыс. руб.
2) Определим издержки на потери энергии в трансформаторе 500/10:
И>потери ээ> >тр> = ЗI∙ΔР> к.з>(S>нг.мах.>/S>ном.т>)2.τ >т> + ЗII∙ΔР> х.х> ·8760
И>потери ээ тр> = 2∙10-2∙1/2∙2(1353,5>.>/2000)2∙4012,5+1,75∙10-2∙2∙0,6·8760 = 220,714 тыс. руб.
И>потери ээ> >Σ> = И>потери ээ> >ВЛ> + И>потери ээ> >тр>
И>потери ээ> >Σ> = 4008,97 + 220,714 = 4229,684 тыс. руб.
И>∑> = И>∑а.о.р.>+ И>∑потери ээ>
И>∑> = 2214,744 + 4229,684 = 6444,428 тыс. руб.
И тогда окончательно приведенные затраты на схему варианта 2 будут равны:
З>2 >= 0,12·68698 + 6444,428 = 14688,188 тыс. руб.
Сравним приведенные затраты для схем 1 и 2
З>1 >= 22889,86 тыс. руб>.>. З>2 >= 14688,188 тыс. руб.
Оценим эту разницу в %: ε = (22889,86 – 14688,188) ·100% /22889,86 = 36%
Т.о. схема 2 обходится значительно дешевле, нежели схема 1, поэтому по технико-экономическим показателям наиболее рациональным вариантом схематического исполнения электропередачи является вариант 2 и весь дальнейший расчёт ведётся именно для этого варианта.
0100090000032a0200000200a20100000000a201000026060f003a03574d46430100000000000100fd110000000001000000180300000000000018030000010000006c000000000000000000000008000000100000000000000000000000971e0000a513000020454d4600000100180300001200000002000000000000000000000000000000900600001a040000b801000013010000000000000000000000000000c0b6060038320400160000000c000000180000000a00000010000000000000000000000009000000100000002b010000c0000000250000000c0000000e000080250000000c0000000e000080120000000c00000001000000520000007001000001000000f1ffffff00000000000000000000000090010000000000cc04400022430061006c006900620072006900000000000000000000000000000000000000000000000000000000000000000000000000000000000000000000000000000000001100dc5f11001000000040631100c060110052516032406311003860110010000000a8611100246311002451603240631100386011002000000049642f31386011004063110020000000ffffffff9c1ef700d0642f31ffffffffffff0180ffff0180efff0180ffffffff0000000000080000000800004300000001000000000000006000000025000000372e9001cc00020f0502020204030204ef0200a07b20004000000000000000009f00000000000000430061006c00690062007200000000000000000000611100dee32e31e88d0832606411006c6011009c3827310900000001000000a8601100a8601100e878253109000000d06011009c1ef7006476000800000000250000000c00000001000000250000000c00000001000000250000000c00000001000000180000000c00000000000002540000005400000000000000000000000800000010000000010000001886d1411886d141000000000d000000010000004c0000000400000000000000000000002b010000c000000050000000200000000900000046000000280000001c0000004744494302000000ffffffffffffffff2c010000c1000000000000004600000014000000080000004744494303000000250000000c0000000e000080250000000c0000000e0000800e000000140000000000000010000000140000000400000003010800050000000b0200000000050000000c02c0002b01040000002e0118001c000000fb021000070000000000bc02000000cc0102022253797374656d0000000000000000000000000000000000000000000000000000040000002d010000040000002d01000004000000020101001c000000fb02f1ff0000000000009001000000cc0440002243616c6962726900000000000000000000000000000000000000000000000000040000002d010100040000002d010100040000002d010100050000000902000000020d000000320a0d00000001000400000000002b01c00020930900040000002d010000040000002d010000030000000000
Рис 2.3 Схема замещения электропередачи.
Рассчитаем параметры схемы замещения.
Линия 13АС 330/43.
Сопротивления на одну цепь:
R>л1> = К>R>∙ℓ∙r>0> = [1 – (0,664)2/3]∙630∙0,029 = 15,58 Ом
X>л1> = К>Х>∙ℓ∙x>0> =[1 – (0,664)2/6]∙630∙0,308 = 179,78 Ом
В>л1> = К>В>∙ℓ∙b>0> =[1 + (0,664)2/12]∙630∙3,6∙10–6 = 2,351 ∙10–3 См
Где 0,664 = β>0>∙ℓ , где ℓ = 630 км и

Линия 23АС 330/43.
Сопротивления на одну цепь:
R>л1> = К>R>∙ℓ∙r>0> = [1 – (0,443)2/3]∙420∙0,029 = 11,38 Ом
X>л1> = К>Х>∙ℓ∙x>0> =[1 – (0,443)2/6]∙420∙0,308 = 125,13 Ом
В>л1> = К>В>∙ℓ∙b>0> =[1 + (0,443)2/12]∙420∙3,6∙10–6 = 1,537∙10–3 См
Где 0,443 = β>0>∙ℓ , где ℓ = 420 км.
3. Расчёт нормальных, послеаварийного и особых режимов электропередачи





Произведём расчёт линии 2.
Произведём проверку режима:
U>ННдоп>min = 10,45кВ <U>НН> = 10,46 кВ < U>ННдоп>max =11,55кВ
U>СН>max = 195,5≤ U>СН> = 228,731≤ U>СНдоп>max = 264,5кВ
U>Гдоп>min =14,96 кВ < U>г> = 15,104 кВ < U>Гдоп>max =16,54 кВ
cosφ>г >= 0,956 > cosφ>гном >= 0,85
k>з1 >= 124,5 % >20% ; k>з2 >= 197,49 % >20%
k>з1> = (Р>пр1> – Р>0>)/ Р>0> = (U>1>∙U>2>/X>л1> – Р>0>)/Р>0> = (525∙515/89,89 – 1340)/1340 = 124,5 %
k>з2> = (Р>пр2>– Р>0>)/ Р>0> = (U>2>∙U>сис>/X>л2>– Р>сис>)/Р>сис> = (515∙492,533/125,13– 681,421)/681,421 = 197,49 %
Расчёт режима наименьшей передаваемой мощности
По условию в данном режиме, мощности, передаваемые по линиям, составляют 30 % номинальных. Поэтому в режиме НМ отключена одна из цепей на головной ВЛ, одна из групп АОДЦТН 167000/500/220 на промежуточной подстанции, один блок на ГЭС и устройства УПК.



С целью поднятия напряжения на шинах ГЭС и подстанции предусмотрена установка двух групп реакторов 3xРОДЦ – 60/500 в начале головной линии и одной группы в конце.
В данном режиме U>1> = 500 кВ.
Зададимся напряжением: U2 = 500 кВ и произведём расчёт режима НМ.



Произведём расчёт линии 2.
Учитывая посадку напряжения на шинах системы, устанавливаем группу реакторов 3хРОДЦ – 60/500.

Произведём проверку режима
1) U>ННдоп>min = 10,45кВ <U>НН> = 10,869 кВ < U>ННдоп>max = 11,55кВ
2) U>СН> = 195,5< U>СН>max = 227,826<U>СНдоп>max = 264,5кВ
3) U>Гдоп>min =14,96 кВ < U>г> = 15,135 кВ < U>Гдоп>max = 16,54 кВ
4) cosφ>г >= 0,98 > cosφ>гном >= 0,85
5) k>з1 >= 245,9 % >20%; k>з2 >= 838 %>20%
k>з1> =(Р>пр1> – Р>0>)/ Р>0> = (U>1>∙U>2>/X>л1> – Р>0>)/Р>0> =(500∙500/179,78 – 402)/402 = 245,9 %
k>з2> = (Р>пр2>– Р>0>)/ Р>0> =(U>2>∙U>сис>/X>л2>– Р>сис>)/Р>сис>=(500∙488,1/125,13 – 207,9)/207,9 = 838 %
Расчёт послеаварийного режима
В качестве послеаварийного режима рассматриваем отключение одной цепи линии Л-1.
При этом по линии Л-1 протекает мощность P>0 >= 1340 МВт, что больше натуральной мощности линии 500кВ (P>c>=852,82МВт), поэтому принимаем напряжение в начале линии U>1 >= 1,05∙U>ном >= 525 кВ; учтём резерв и УПК.
Напряжение в конце линии Л-1 принимаем U>2 >= 490 кВ.






Для выработки необходимой реактивной мощности предусматривается установка двух СК типа КСВБ0-100-11.
В данном случае считаем, что вторая линия генерирует часть своей зарядной мощности на подстанцию, соответственно другая её часть поступает в систему.

Произведём проверку режима:
1) U>ННдоп>min = 10,45кВ <U>НН> = 10,524 кВ < U>ННдоп>max=11,55кВ
2) U>СН> = 195,5 кВ < U>СН> = 231,364 кВ < U>СНдоп>max= 264,5кВ
3) U>Гдоп>min=14,96 кВ < U>г> = 16,04 кВ < U>Гдоп>max=16,54 кВ
4) cosφ>гном >= 0,961 > cosφ>гном >= 0,85
5) k>з1>=64,27 % >20 %; k>з2>=509%>20%
k>з1> =(Р>пр1> – Р>0>)/ Р>0> = (U>1>∙U>2>/X>л1> – Р>0>)/Р>0> =(525∙490/87 –1800)/1800 = 64,27 %
k>з2> = (Р>пр2>– Р>0>)/ Р>0> =(U>2>∙U>сис>/X>л2>– Р>сис>)/Р>сис>=(490∙481,88/66,82 – 580)/580 = 509 %
Рассчитанные основные рабочие режимы электропередачи требуют установки
УПК 40%, двух синхронных компенсаторов типа КСВБ0-100-11, одной группы реакторов 3∙РОДЦ – 60 в начале линии 1 и трёх групп реакторов 3∙РОДЦ – 60 в начале линии 2
Расчёт режима синхронизации на шинах промежуточной подстанции









































































































Рис 3.1 Схема замещения электропередачи в режиме синхронизации на шинах промежуточной подстанции
В этом случае линия головного участка электропередачи включена со стороны станции и отключена со стороны промежуточной подстанции. При этом приемная подстанция питается от приемной системы по второму участку электропередачи. Напряжение на шинах подстанции определяется обычным путем, исходя из того, что синхронизация осуществляется в режиме максимальных нагрузок.
Рассчитаем участок электропередачи система – промежуточная подстанция.
Параметры схемы замещения :

Принимаем Р>системы> = 1,05∙Р>п/ст> = 1,05∙1100 = 1155 МВт, U>сис> = 510 кВ
Р′′>л2> = Р>системы> – ΔР>к2>/2 = 1155 – 6,3/2 = 1151,85 МВт
Q′′>л2> = Q′′>з2>/2 = U>сис>2∙Y>2>/2 = 474,42 Мвар
Определим значение Q′′>л2>, при котором U>2> будет не более 500 кВ.
Q′′>л2> = [(U>сис> – U>2>)∙ U>сис> – Р′′>л2>∙R2]/X2 = [(510 – 500)∙510 – 1151,85∙7,015]/66,82
Q′′>л2> = – 44,6 Мвар
Устанавливаем в конце второй линии три группы реакторов 3∙РОДЦ – 60 общей мощностью 3∙180∙( U>сис>/525)2 = 509,58 Мвар
Q′′>л2> = 474,42 – 509,58 = – 35,58 Мвар
Р′>л2> = Р′′>л2> – [Р′′>л2>2 + Q′′>л2>2]∙ R2/ U>сис>2 = 1151,85 – [1151,852 + 35,582]∙ 7,015/ 5102
Р′>л2> = 1116 МВт
Q′>л2> = Q′′>л2> – [Р′′>л2>2 + Q′′>л2>2]∙ Х2/ U>сис>2 = –35,58 – [1151,852 + 35,582]∙ 66,82/ 5102
Q′>л2> = – 376,75
U>2> = U>сис> – ( Р′′>л2>∙R2+ Q′′>л2>∙X2)/ U>сис> = 510 – (1151,85 ∙7,015– 35,58 ∙66,82)/510
U>2> = 498,86 кВ.
Далее проверим напряжения на НН и СН подстанции.
Р>ат> = Р′>л2> – ΔР>к2>/2 = 1116 – 6,3/2 = 1112,85 МВт
Q>ат> = Q′>л2> + U>2>2∙Y>2>/2 = – 376,75 + 498,822∙3, 648∙10-3/2 = 77,1 Мвар



Оставшийся дефицит реактивной мощности покрывают два синхронных компенсатора установленных ранее по условию работы электропередачи в режиме наибольших нагрузок.
U>нн> = 11,045 < Umax>ск> = 11,55 кВ.> >
Следовательно, режим допустим.
Теперь рассчитаем первый участок электропередачи.
Вторая цепь линии Л-1 отключена, на ГЭС в работе 1 генератор и 1 блочный трансформатор.
Для синхронизации необходимо чтобы напряжения на отключённом конце головного участка и на шинах промежуточной подстанции были равны.
U>2> = 498,86 кВ.
U>2> = U>1>/cos(β>0>∙L) = 525/ cos(1,052∙10–3∙500∙180/3,14) = 607,15 кВ
Для уменьшения напряжения на открытом конце головного участка ставим реакторы в конце головной линии.
Определим необходимое количество этих реакторов:
Т. о. устанавливаем две группы реакторов 3∙РОДЦ – 60.
Тогда

Что равно напряжению на шинах промежуточной подстанции, питающейся от системы.
Определим возможность существования такого режима для генератора.
а) ЛЭП – 1

Q>р>= 2∙180∙ (U>2хх>/525)> >2 = 2∙180∙ (497,868/525)> >2 = 323,75 Мвар
Q′′>л1> = Q>р> – U>2хх>2∙Y>1>/2 = 323,75 – 497,8682∙1,862∙10–3/2 = 92,98 Мвар
Q′>л1> = Q′′>л1> + Q′′>л1>2∙Х>1>/ U>2хх>2 = 92,28 + 92,282∙145/ 497,8682 = 97,26 Мвар
Q>л1> = Q′>л1> – U>1>2∙Y>1>/2 = 97,26 – 5252∙1,862∙10–3/2 = –159,35 Мвар
Для уменьшения U>г> ставим в начале головной линии одну группу реакторов 3∙РОДЦ – 60 общей мощностью в 180 Мвар.
Тогда Q>л1> = –159,35 + 180 = 20,65 Мвар.

Q>г> = Q>л1> + Q>л1>2∙Х>т1>/ U>1>2 = 20,65 + 20,652∙61,3/5252 = 20,745 Мвар


I>г >= 0,764 кА < I>г ном> = 10,997 кА
Исследуем возможность самовозбуждения генератора.
Х>с> = 1/[j∙Y>1>/2] = 1/[ j∙1,862∙10–3/2] = – j∙1074,11 Ом
Х>р> = j∙ U>ном>2/Q>р> = j∙ 5252/180 = j∙1531,25 Ом
Х>1> = Z>л1>+Х>с>∙Х>р>/(Х>с>+Х>р>)= 9,08+ j∙145– j∙1074,11∙ j∙1531,25/(–j∙1074,11+j∙1531,25)
Х>1> = 9,08 – j∙819,26 Ом
Z>внеш>=Х>с>∙Х>1>/(Х>с>+Х>1>) = – j∙1074,11∙[9,08–j∙819,26] /(– j∙1074,11+ 9,08– j∙819,26)
Z>внеш> = 0,511 – j∙819,26 Ом
Х>d> = Х>d>> >∙U>ном>2/S>ном> + j∙Х>т1>= j∙1,31∙5002/353 + j∙61,3 = j 989 Ом
Z>вн> носит емкостной характер => возможно самовозбуждение генератора.
Т.к. X>d>= 989 Ом < X>вн >= 819,26 Ом, то рабочая точка попадает в зону самовозбуждения.
Для устранения самовозбуждения установим ещё одну группу реакторов
в начале головной линии.
Тогда Q>л1> = –159,35 + 360 = 200,65 Мвар.
Q>г> = Q>л1> + Q>л1>2∙Х>т1>/ U>1>2 = 200,65 + 200,65 2∙61,3/5252 = 209,6 Мвар

Напряжение генератора находится в допустимых пределах.


I>г >=8,04 кА < I>г ном> = 10,997 кА
Следовательно, генератор не перегружен по току. Исследуем возможность самовозбуждения генератора.
Х>с> = 1/[j∙Y>1>/2] = 1/[ j∙1,862∙10–3/2] = – j∙1074,11 Ом
Х>р> = j∙ U>ном>2/(2∙Q>р>) = j∙ 5252/360 = j∙765,625 Ом
Х>1> = Z>л1>+Х>с>∙Х>р>/(Х>с>+Х>р>)= 9,08+ j∙145– j∙1074,11∙ j∙1531,25/(–j∙1074,11+j∙765,625)
Х>1> = 9,08 + j∙2,811 Ом
Z>внеш>=Х>с>∙Х>1>/(Х>с>+Х>1>)+j∙Х>т1>= – j∙1074,11∙[9,08 + j∙2,811] /(– j∙1074,11+ 9,08 + j∙2,811)
Z>внеш> = 3,473 – j∙1738+ j∙61,3 = 0.511 – j∙1677
Х>d> = Х>d>> >∙U>ном>2/S>ном> = 1,31∙5002/353 = 927,76 Ом
Z>вн> носит емкостной характер => возможно самовозбуждение генератора, но т.к. X>d>> >= 989 <X>вн >= 1677Ом, то рабочая точка не попадает в зону самовозбуждения.

0100090000032a0200000200a20100000000a201000026060f003a03574d46430100000000000100fd110000000001000000180300000000000018030000010000006c000000000000000000000008000000100000000000000000000000971e0000a513000020454d4600000100180300001200000002000000000000000000000000000000900600001a040000b801000013010000000000000000000000000000c0b6060038320400160000000c000000180000000a00000010000000000000000000000009000000100000002b010000c0000000250000000c0000000e000080250000000c0000000e000080120000000c00000001000000520000007001000001000000f1ffffff00000000000000000000000090010000000000cc04400022430061006c006900620072006900000000000000000000000000000000000000000000000000000000000000000000000000000000000000000000000000000000001100dc5f11001000000040631100c060110052516032406311003860110010000000a8611100246311002451603240631100386011002000000049642f31386011004063110020000000ffffffff9c1ef700d0642f31ffffffffffff0180ffff0180efff0180ffffffff0000000000080000000800004300000001000000000000006000000025000000372e9001cc00020f0502020204030204ef0200a07b20004000000000000000009f00000000000000430061006c00690062007200000000000000000000611100dee32e31e88d0832606411006c6011009c3827310900000001000000a8601100a8601100e878253109000000d06011009c1ef7006476000800000000250000000c00000001000000250000000c00000001000000250000000c00000001000000180000000c00000000000002540000005400000000000000000000000800000010000000010000001886d1411886d141000000000d000000010000004c0000000400000000000000000000002b010000c000000050000000200000000900000046000000280000001c0000004744494302000000ffffffffffffffff2c010000c1000000000000004600000014000000080000004744494303000000250000000c0000000e000080250000000c0000000e0000800e000000140000000000000010000000140000000400000003010800050000000b0200000000050000000c02c0002b01040000002e0118001c000000fb021000070000000000bc02000000cc0102022253797374656d0000000000000000000000000000000000000000000000000000040000002d010000040000002d01000004000000020101001c000000fb02f1ff0000000000009001000000cc0440002243616c6962726900000000000000000000000000000000000000000000000000040000002d010100040000002d010100040000002d010100050000000902000000020d000000320a0d00000001000400000000002b01c00020930900040000002d010000040000002d010000030000000000
Рис.3.2 Зоны самовозбуждения генератора
Расчет режима синхронизации на шинах передающей станции
В этом случае линия, через которую осуществляется синхронизация, включена со стороны промежуточной подстанции и отключена со стороны ГЭС.
Значения U>2>, P>C>, Q>C> берем из предыдущего режима:
U>2>=497,87кВ, P>C>=559,3МВт, Q>C>=10,56Мвар
U>1хх> = U>2>/cos(β>0>∙ℓ) = 498,86 /cos(1,052∙10–3∙500∙180/3,14) = 575,69 кВ.
Необходимо, чтобы U>1хх> ≤ 525 кВ.
Для понижения напряжения на холостом конце головного участка ставим там реакторы. Y>р> = 180/5252 = 6,53∙10–4 См

Т. о . в начале головной линии устанавливаем одну группу реакторов 3∙РОДЦ – 60 общей мощностью в 180 Мвар.


Q′>л1> = U>1хх>2∙Y>1>/2 – Q>р> = 519,712∙1,862∙10–3/2 – 180 = 71,46 Мвар
Q′′>л1> = Q′>л1> – Q′>л1>2∙Х>1>/U>1хх>2= 71,46 – 71,462∙145/ 519,712 = 68,72 Мвар
Q>2> = Q′′>л1> + U>2>2∙Y>1>/2 = 68,72 + 498,872∙1,862∙10–3/2 = 300,4 Мвар
Р>пс >= Р>сис> = 1112,85 МВт
Q>сис >= 77,1 Мвар
Q>ат> = Q>2> + Q>сис> = 300,4 + 77,1 = 377,5 Мвар
U′>2> = U>2> – Q>ат>∙Х>т2>/ U>2> = 498,87 – 377,5 ∙19,9/498,87 = 483,81 кВ
U>сн> = U′>2>/К>тр> = 483,81∙230/500 = 222,55 кВ
Q′>ат> = Q>ат> – [Р>сис> 2 + Q>ат> 2]∙ Х>т2>/ U>2>2= 377,5 – [1112,85 2 + 377,5 2]∙19,9/ 498,872
Q′>ат> = 267 Мвар
Q′>нн> = Q′>ат> – Q>атс> = 267 – 221,334 = 45,67 Мвар
U>нн> = [U′>2> – Q′>нн> ∙Х>тн2>/ U′>2>]∙11/500 = [483,81 – 45,67∙37,8/483,81]∙11/500 =10,56 кВ
Q>нн> = Q′>нн> – Х>тн2>∙(Q′>нн>/ U′>2>)> >2 = 45,97 – 37,8∙(45,67/483,81)2 = 45,63 Мвар
Учтём, что у нас уже имеются синхронные компенсаторы КСВБ0-100-11. В данном режиме они будут потреблять реактивную мощность.
Таким образом, наиболее тяжелым режимом для СК является послеаварийный режим: необходимо установить 2xКСВБ-100-11.
Для обеспечения всех режимов необходимо установить 8 групп реакторов 8x3xРОДЦ-60/500.
4. ОПРЕДЕЛЕНИЕ ТЕХНИКО-ЭКОНОМИЧЕСКИХ ПОКАЗАТЕЛЕЙ ЭЛЕКТРОПЕРЕДАЧИ
В процессе проектирования электропередачи была выявлена необходимость установки дополнительных устройств:
Двух СК КСВБ-320/20, восьми групп реакторов 3хРОДЦ-60000/500
Учтём эти устройства при расчёте кап. вложений в электропередачу.
З = Е>н>· К>å> + И>å>
К>å> = К> л1> + К> л2> + К>ГЭС> + К>П/СТ>
1) К>л1> = 2∙к>0(500))>· ℓ>1 >= 2∙63,5∙500 = 63500 тыс. руб.
2) К>л2> = 2∙к>0(300))>· ℓ>2 >= 2∙48,4∙450 = 43560 тыс. руб.
3) К>ГЭС> = К>орувн >+ К>тр >+> >К> пч>
К>орувн >= 6·260 = 1560 тыс. руб.
К>тр> = 4∙705 = 2820 тыс. руб.
К>пч> = 4100 тыс. руб.
К>ГЭС> = 1560 + 2820+ 4100 = 8480 тыс. руб.> >
4) К>П/СТ> = К>ОРУ ВН >+ К>О>>РУ>> СН >+ К>ТР >+ К> пч> + К>КУ>
К>ОРУ ВН> = 260∙6 =1560 тыс. руб.
К>О>>РУ>> СН> = 110∙12 =1320 тыс. руб.
К>ТР> = 2∙1260 = 2520 тыс. руб.
К> пч> = 2800 тыс. руб.
К>КУ> = К>Р> + К>СК>
К>КУ> = 380∙8 + 1150 = 4190 тыс. руб.
К>П/СТ> = 1560 + 1320 + 2520 + 2800 + 4190 = 12390 тыс. руб.
Тогда К>å> = 63500 +43560+ 8480 + 12390 = 127930 тыс. руб.
И>å>> >=И>å>> а.о.р. >+ И>å>> потери ээ>
И>å>> а.о.р.> = И>å>> а.о.р.вл >+ И>å>> а.о.р.ору вн ГЭС >+ И>å>> а.о.р.п/ст>
И>å>> а.о.р.вл> = 0,028·(63500 +43560) = 2997,7 тыс. руб.
И>å>> а.о.р. ГЭС> = 0,078·8480 = 661,44 тыс. руб.
И>å>> а.о.р.п/ст> = 0,084∙12390 = 1040,76 тыс. руб.
И>å>> а.о.р> = 2997,7 + 661,44 + 1040,76 = 4699,9 тыс. руб.
И>потери ээ> >Σ> = И>потери ээ> >ВЛ> + И>потери ээ> >тр>
1) Определим издержки на потери электроэнергии в линиях:
а) в линии 1:
ΔW>л1 >= ΔР> л1>· τ >л1> · α >t>, где α >t>, = 1
ΔP> л1>= (S2>мах>/ U2>ном >)∙ 0,5R>л> = 23472 /5002 ·5 = 110,17 МВт
W>год> = 1,294∙107 МВт·ч
Т>мах> = W>год>/Р>мах >= 1,294∙107/2300 =5626 час.
τ >л1>= (0,124 + 5626/10000)2 ·8760 = 4129,6 час
ΔW> л1>= 110,17 · 4129,6 = 454950 МВт·ч
ΔW>кор л1> = 2∙35∙500 = 35000 МВт·ч
И>потери ээ> >ВЛ1 >= ЗI∙ΔW>л1> + ЗII∙ΔW>кор л1 >= 2∙10-2∙454950+ 1,75∙10-2∙35000 =
9711,5 тыс. руб.
б) в линии 2:
ΔW>л1 >= ΔР> л1>· τ >л1> · α >t>, где α >t>, = 1
ΔP> л1>= (S2>мах>/ U2>ном >)∙ 0,5∙R>л> = 12242 /5002 ·7,015 = 42,04 МВт
Т>мах> = 5626 час.
τ >л2>= 4129,6 час
ΔW> л1>= 42,04 · 4129,6 = 173608 МВт·ч
ΔW>кор л1> = 2∙60∙450 = 54000 МВт·ч
ЗI = 2 коп/(кВт∙час), ЗII = 1,75 коп/(кВт∙час)
И>потери ээ> >ВЛ2 >= ЗI∙ΔW>л1> + ЗII∙ΔW>кор л1 >= 2∙10-2∙173608+ 1,75∙10-2∙54000 =
4417,2 тыс. руб.
Тогда И>потери ээ> >ВЛ> = И>потери ээ> >ВЛ1> + И>потери ээ> >ВЛ2> =9711,5 + 4417,2 =14128,66 тыс. руб.
2)Определим издержки на потери энергии в трансформаторах
а) в трансформаторах ГЭС 500/10:
И>потери ээ> >тр ГЭС> = ЗI∙ΔР> к.з>(S>нг.мах.>/S>ном.т>)2.τ >т> + ЗII∙ΔР> х.х> ·8760
И>потери ээ> >тр ГЭС> = 2∙10-2∙1/4∙0,121(2346>.>/1251)2∙4129,6 + 1,75∙10-2∙4∙0,42 ·8760 =266,33 тыс. руб.
б) в трансформаторах промежуточной подстанции 500/220/10:
И>потери ээ> >тр п/ст> = ЗI∙ΔР> к.з>(S>нг.мах.>/S>ном.т>)2.τ >т> + ЗII∙ΔР> х.х> ·8760
И>потери ээ> >тр п/ст> = 2∙10-2∙1/6∙0,49∙(1122,45>.>/1602)2∙4129,6 + 1,75∙10-2∙6∙0,15 ·8760 =141,28 тыс. руб.
И>потери ээ> >тр> = И>потери ээ> >тр ГЭС> + И>потери ээ> >тр п/ст> = 266,33 + 141,28 = 407,61 тыс. руб.
И>потери ээ> >Σ> = И>потери ээ> >ВЛ> + И>потери ээ> >тр> = 14128,66 + 407,61 = 14536,27 тыс. руб.
И>∑> = И>∑а.о.р.>+ И>∑потери ээ>
И>∑> = 4699,9 + 14536,27 = 19236,2 тыс. руб.
И тогда окончательно приведенные затраты на схему варианта 2 будут равны:
З = Е>н>· К>å> + И>å>
З = 0,12· 127930+ 19236,2 = 34587,8 тыс. руб.
Найдём себестоимость передачи электрической энергии сети:
С = И>å> /W>год>
С = 19236,2 /1,294∙107 = 1,5 руб./МВт·ч = 0,15 коп/кВт∙ч
СПИСОК ЛИТЕРАТУРЫ
1. Правила устройства электроустановок. - М.: Энергоатомиздат, 1986 – 648 с.: ил. М.:Энергоатомиздат, 1987.
2. Неклепаев Б.Н., Крючков И.П. Электрическая часть электростанций и подстанций: Справочные материалы для курсового и дипломного проектирования: Учебное пособие для вузов– 4-е изд., перераб. и доп. – М.: – Энергоатомиздат, 1989 – 608 с.: ил.
3. Справочник по проектированию электроэнергетических систем/В. В. Ершевич, А. Н. Зейлингер, Г. А. Илларионов и др.; Под ред. С. С. Рокотяна и И. М. Шапиро. – 3-е изд., перераб. и доп. – М.: Энергоатомиздат, 1985 – 352 с.
4.Веников В.А.,Рыжов Ю.П. Дальние электропередачи переменного и постоянного тока.– М.: Энергоатомиздат, 1985.–272 с.
5.Режимы дальних электропередач в примерах/Зарудский Г.К., Путятин Е.В.,
Рокотян И.С. и др.: Ред. Ю.П.Рыжов.–М.: Моск.энерг.ин-т, 1985.–180 с.