Выпрямительные устройства
“Белорусский государственный университет информатики и радиоэлектроники”
Кафедра защиты информации
РЕФЕРАТ
на тему:
«ВЫПРЯМИТЕЛЬНЫЕ УСТРОЙСТВА»
МИНСК, 2009
В технике электропитания широко распространены преобразователи переменного тока в постоянный, называемые выпрямителями.
Для преобразования переменного тока в постоянный необходимо располагать вентильными устройствами (элементами с односторонней проводимостью) и электрическими накопители инерционности, роль которых выполняют L и C.
Выпрямители строятся по двум основным принципам:
- с трансформаторным входом;
- с бестрансформаторным входом.
Структурные схемы ВУ

Рисунок 1
Достоинством данной схемы выпрямления является регулируемая транзистором гармоническая развязка первичного источника питания (ПИП) и нагрузки, что обязательно при заземленном режиме нагрузки.
Кроме того, трансформатором довольно просто реализуется преобразование входного напряжения к уровню, подходящему для последующего использования.
Центральным недостатком этой схемы (трансформаторный вход) является наличие габаритного, большой массы силового трансформатора на обычно низкой частоте, питающего напряжения (на промышленной частоте 50 Гц).
Опыт показывает, что увеличение рабочей частоты в инверторе позволяет существенно уменьшить массу и габариты источника, против выпрямителей решающих ту же задачу, но построенных по схем с трансформатором на входе.
В технике электропитания в настоящее время имеется явно выраженная тенденция построения ВУ с безтрансформаторным входом.
Достоинством схемы являются уменьшенные масса и габариты источников.
Недостатки – сложность схемы, наличие многих элементов (увеличение стоимости, уменьшение надежности);
- высокие требования к вентилям во входном ВЗ1.
- повышенные требования к быстродействию элементов инвертора (транзисторы, лампы).
Внутренние и внешние характеристики ВУ
Параметры, характеризующие режим работы элементов схемы ВУ и нагрузки, а также эксплуатационные характеристики ВУ удобно рассмотреть, обращаясь к схеме выпрямителя с трансформаторным входом.

Рисунок 2
Как видно из структурной схемы любое выпрямительное устройство может быть охарактеризовано внешними электрическими параметрами.
По входу:
[В];
;
f[гЦ]
- амплитуды. (1)
- мощность (2)
(3)
По выходу:

[А]
[Вт] (4)
- коэффициент пульсации (5)
В дополнение к характеристикам по входу и выходу каждое ВУ характеризуется КПД:
(6)
По внешним характеристикам ВУ (как и другие устройства) условно можно разделить на:
- маломощные (ММ) с

- средней мощности (СМ)

- большой мощности (БМ)

Возможны классификации: по току, выходным напряжениям (высоковольтные, низковольтные) и т.д..
U>1000 [B] – высоковольтный источник.
К внешним характеристикам при анализе возможностей ВУ и их показателей качества относят:
- массу и габариты;
- стоимость устройства;
- допустимый диапазон рабочих температур;
- влажность.
Внутренние характеристики ВУ представляют собой электрические и эксплуатационные параметры режимов работы различных элементов схемы.
К ним относят:
В трансформаторе:
(7)
(8)
(9)
- коэффициент использования
транзистора (10)
В вентильном звене:
Представляют интерес следующие электрически характеристики. В В3 для каждого вентиля схемы интересуются:
- максимальным значением тока
(амплитуда);
- действующим значением тока
;
- среднее значение тока:
;
- обратный ток
;
- прямое напряжение
;
- максимальное обратное напряжение

По каждому показателю выбираются при проектировании подходящие стандартные вентильные устройства.
Применительно к сглаживающим фильтрам из внутренних электрических характеристик представляют общий интерес:
- пропускаемый через фильтр в
нагрузку ток
;
- его всплески
;
- максимальное напряжение
источника на элементах

Вентили для ВУ. Параллельное и последовательное соединение вентилей в схемах ВУ
Электрический вентиль – устройство с односторонней проводимостью.
Для выпрямления тока используются электрические вентили следующих типов:
- электроламповые;
- полупроводниковые;
- с электронно-ионной проводимостью.
Любой электрический вентиль при действии на него напряжения в прямом направлении имеет малое сопротивление току, при подаче напряжения в противоположном обратном направлении, сопротивление вентиля резко увеличивается.
Типичная ВАХ для полупроводникового вентиля имеет вид:

Рисунок 3
При использовании вентилей в ВУ для каждого типа не должны превышаться допустимые значения прямого тока Iпр и обратного напряжения Uобр.
В тех случаях, когда имеющиеся в распоряжении вентили не обеспечивают необходимого тока в нагрузку, применяя параллельное включение нескольких вентилей по следующей схеме (рис 4).

Рисунок 4
Добавляют Rдоб в 2-5 раза больше Rпр. На добавочных сопротивлениях в мощных выпрямителях могут возникать недопустимые рассеивания энергии. В таких случаях возможно для выравнивания тока в вентилях применение индуктивных реакторов (рис 5).

Рисунок 5
В тех случаях, когда обратное напряжение на вентилях превышает максимально допустимое, прибегают к последовательному соединению нескольких вентилей.
В тех случаях, когда ВУ высоковольтное можно добавить емкости. Параллельное и последовательное соединение вентилей широко применяется в ВУ хотя существенно усложняет схему, увеличивается масса и объем, стоимость. А в случаях последнего соединения – увеличивается внутреннее сопротивление Rпр.
(11)
(12)
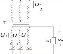
Работа многофазного выпрямителя на активную нагрузку
Работы ВУ на различные нагрузки (активные, реактивные, индуктивного характера, емкостного характера). Отличается определенной спецификой.
Наиболее простым является работа на чисто активную нагрузку
Рассмотрим особенности этого режима на примере однотактного выпрямителя для трехфазной сети переменного тока выполненной по схеме Миткевича.

Рисунок 6
В дальнейшем рассмотрении будут использованы предположения:
- об идеальности транзистора т.е. Rгр = Xгр = 0
- об идеальности вентилей Rпр
= 0; Rобр
=

- схема совершенно симметрична Uа = Uб = Uc
- Внутреннее сопротивление фазы равно 0
Задача состоит в анализе электрических процессов выпрямления и в вычислении связи между электрическими характеристиками режима работы трансформатора и вентильного звена (с первой стороны) и электрическими характеристиками режима работы нагрузки (с другой стороны):
1.

- вторичная обмотка
2.
,
(13)
3.
(14)
4. КПД:
(15)
Анализ удобно провести, пользуясь временными диаграммами токов и напряжений, действующих в цепях и элементах схемы ВУ.

Рисунок 7
Можно убедится, что напряжение в каждой фазе может обеспечить ток через вентиль в этой фазе при выполнении 2-х условий:
- это напряжение для вентиля является прямым;
- оно больше чем положительное напряжение в смежных фазах.
Вентиль в рабочей фазе, будучи идеальным представляет собой КЗ и падение напряжения на нем равно 0. Напряжение, на закрытых вентилях образуемое из ЭДС соответствующих фаз и ЭДС работающей фазы, определяется линейным межфазным напряжением.
Подобно формулам для напряжений могут быть выведены формулы для токов. Необходимо принять во внимание, что ток в вентиле:
(16)
(17)
;
(18)
(19)
Если интересоваться действительным значением тока, то необходимо вычислять среднее значение интеграла от квадрата ток и извлекать квадратный корень.
(20)
Для расчета тока первичной обмотки трансформатора необходимо учесть тот факт что постоянная составляющая тока, протекающего по фазам вторичной системы обмоток, не трансформируется.
Трансформируется через коэффициент трансформации только переменная составляющая.
По рассчитанным значениям тока и напряжения в 1-й и во второй обмотках могут быть определены полные мощности в 1-й и во 2-й обмотках и габаритная мощность.
(21)
(22)
(23)
Относительно пульсаций выходного напряжения в данной схеме необходимо отметить следующее:
- как видно из физики работы схемы временных диаграмм за период выпрямляемого напряжения ток в нагрузке появляется 3 раза;
- пульсация напряжения в связи с этим имеет вид полуволн;
- колебания (интенсивность пульсаций) можно оценить рассматривая их гармонические составляющие, т.е. разлагая их в ряд Фурье:
(24)
Пользуясь этим соотношением, запишем коэффициент по К-гармоникам:
(25)
В данном случае m=3
коэффициент
пульсации по первой наиболее интенсивной
гармонике составит:

Проведенный анализ непосредственно распространяется только на случай чисто активной нагрузки.
Как видно из проведенного анализ особенностью работы выпрямителя на чисто активную нагрузку является:
- напряжение на выходе выпрямителя как функция времени определяется огибающей ЭДС действующих фаз;
- каждая фаза в рассмотренной схеме работает 1 раз за период а импульсы тока через нагрузку вентилей совпадают по форме с действующей фазой ЭДС. Длительность импульса тока равно 2π/м где м – число импульсов тока за период выпрямляемого напряжения;
- работа выпрямителей на чисто активную нагрузку на практике распространена сравнительно мало, т.к. непосредственно выпрямленное напряжение содержит значительную пульсацию. Для сглаживания этой пульсации применяют различные рода фильтры НЧ, которые в любой технике называют сглаживающими.
Простейшими сглаживающими фильтрами (СФ) являются индуктивные фильтры или емкостные.
Таким образом, на практике широко распространены режимы работы выпрямления, на нагрузку с индуктивной или емкостной реакцией.
Эти режимы имеют определенное отличие от режима работы на чисто активную нагрузку. Эти отличия определяют и различия требований к элементам схемы, а также особенности расчетных формул, связывающих напряжение и ток с нагрузки с напряжениями и токами в вентилях и трансформаторах.
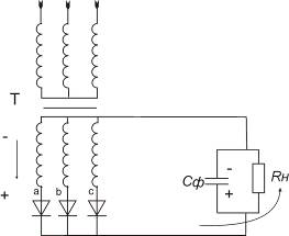
Особенности работы выпрямителя на нагрузку емкостного характера
В качестве основы берем ту же схему Миткевича:

Рисунок 8
Считаем что трансформатор идеальный, т.е. Rтр = 0 Xтр = 0 вентили идеальны. Схема совершенно симметрична:

Рисунок 9
Емкость (мгновенно в идеальном случае) заряжается до напряжения в фазе и напряжение на емкости будет, изменяется в соответствие с ЭДС по достижении его максимального значения. При уменьшении напряжения в фазе емкость разряжается на нагрузку по экспоненциальному закону и если напряжение на ней выше, чем в фазе, вентиль закрывается разностью этих воздействий.
Принято оценивать длительность
импульса тока угловой мерой
.
- угол отсечки.
Если мы увеличиваем нагрузку, то длительность импульса тока уменьшается и наоборот.
Как видно из проведенного рассуждения.
Работа выпрямителя на нагрузку емкостного характера. Особенности:
- напряжение на выходе выпрямителя
представляет собой сравнительно сложную
функцию, составленную из периодически
чередующихся отрезков косинусов и
экспоненты:

Рисунок 10
- длительность импульса тока а
фазе и в вентиле
(чаще
всего)
- отведенное время для работы
фазы.
При прочих требованиях к току в нагрузке, ток через вентиль в импульсном режиме, соответствующем емкостному характеру нагрузки, имеет большую амплитуду, чем в случае чисто активного сопротивления нагрузки.
Таким образом, требования к пропускной способности вентиля по току при работе на емкостную нагрузку, существенно увеличивается против случая с активной нагрузкой, что является платой за достигаемое сглаживание пульсаций.
ЛИТЕРАТУРА
Иванов-Цыганов А.И. Электротехнические устройства радиосистем: Учебник. - Изд. 3-е, перераб. и доп.-Мн: Высшая школа, 200
Алексеев О.В., Китаев В.Е., Шихин А.Я. Электрические устройства/Под ред. А.Я.Шихина: Учебник. – М.: Энергоиздат, 200– 336 с.
Березин О.К., Костиков В.Г., Шахнов В.А. источники электропитания радиоэлектронной аппаратуры. – М.: Три Л, 2000. – 400 с.
Шустов М.А. Практическая схемотехника. Источники питания и стабилизаторы. Кн. 2. – М.: Альтекс а, 2002. –191 с.