Выпрямительные устройства и их характеристики
Выпрямительные устройства и их характеристики
1. Структурная схема и параметры выпрямителей
ВЫПРЯМИТЕЛЬ - это устройство, преобразующее переменный ток в постоянный.
Структурная схема выпрямителя

Трансформатор регулирует напряжение до необходимой величины.
Вентильная группа содержит элементы с односторонней проводимостью: выпрямительные диоды в неуправляемых выпрямителях и тринисторы - в управляемых выпрямителях.
Сглаживающие фильтры предназначены для уменьшения пульсаций выпрямленного напряжения.
Стабилизатор напряжения поддерживает неизменным напряжение на нагрузочном резисторе R>н>.
Существуют однофазные и трехфазные, управляемые и неуправляемые выпрямители.
2. Однофазные выпрямители. Схемы, принцип действия, параметры и характеристики
Для выпрямления однофазного переменного напряжения применяют три схемы:
однополупериодная;
двухполупериодная мостовая;
двухполупериодная трансформаторная (с выводом средней точки).
Однополупериодная схема - в которой ток проходит через вентиль только в течение одного полупериода переменного напряжения источника.
Двухполупериодные схемы - в которых ток проходит через вентильную группу в течение двух полупериодов переменного напряжения источника.
Рассмотрим соотношения параметров в выпрямителях при следующих допущениях:
Индуктивное сопротивление рассеяния трансформатора и активное сопротивление его обмоток равны нулю;
Сопротивление вентиля в прямом направлении равно нулю, а в обратном равно бесконечности.
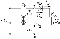
Однополупериодный однофазный выпрямитель
Временные диаграммы напряжений и токов:
Определим постоянную составляющую выпрямленного тока:


.
Так
как
,
то

.
Но
так как
,
т.е.
,
то

или
.
Постоянная составляющая напряжения, выраженная через максимальное значение:
.
Постоянная составляющая напряжения, выраженная через действующее значение:

Таким образом, в данной схеме максимальное напряжение на диоде
,
т.е. напряжение на диоде в три раза больше, чем на нагрузке.
Среднее
значение тока диода в этой схеме
.
Величину пульсаций выпрямленного напряжения характеризуют коэффициентом пульсаций
,
где U>1m> – амплитуда переменной составляющей напряжения, изменяющегося с частотой повторения импульсов, т.е. амплитуда первой гармоники.
Для однополупериодной схемы
,
а
.
Недостатки схемы:
большое
значение коэффициента пульсаций
;
напряжение на нагрузке почти в 3 раза меньше, чем на диоде;
постоянная
составляющая выпрямленного тока
значительно меньше тока
во вторичной обмотке трансформатора,
что приводит к его недостаточному
использованию по току.
Двухполупериодная мостовая схема

I>0> в 2 раза больше, чем в однополупериодной схеме. Поэтому:

;
;
Частота выпрямленного тока в 2 раза больше, чем у сети.
.
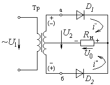
Двухполупериодная схема с выводом средней точки вторичной обмотки трансформатора

Это фактически сочетание двух однополупериодных выпрямителей, включенных на нагрузочный резистор R>н> в различные фазы.
Соотношения параметров в данной схеме такие же, как и в мостовой схеме.
Преимущества двухполупериодных выпрямителей по сравнению с однополупериодным:
Среднее значение выпрямленных тока и напряжения в 2 раза больше, а пульсации меньше.
Но двухполупериодные выпрямители имеют более сложную конструкцию и стоимость.
Сравнение двухполупериодных схем:
Мостовая схема конструктивно проще, ее габариты, масса и стоимость ниже, чем трансформаторной схемы.
Максимальное обратное напряжение на закрытых диодах в мостовой схеме в 2 раза меньше (на каждый из двух диодов приходится половина напряжения).
Но в мостовой схеме необходимо в 2 раза больше диодов.
При выпрямлении токов I >I>прmax> для одного диода параллельно включают однотипные диоды с добавочными сопротивлениями:

Величины токов определяются их сопротивлениями в прямом направлении. Но сопротивления диодов в прямых направлениях R>дпр> даже для однотипных диодов различны. Для выравнивания токов диодов последовательно включают добавочные сопротивления. Причем R>д> в 5…10 раз больше R>дпр>.

При выпрямлении напряжения, превышающего максимально допустимое для диода U>обр.max>, используют последовательное соединение диодов, шунтированных резисторами.
При этом обратное напряжение на диодах распределяется в соответствии с их обратными сопротивлениями R>д.обр>. Для выравнивания обратных напряжений параллельно диодам включают шунтирующие резисторы R>ш>, величина которых равна:
R>ш>=(0,1…0,2) R>д.обр>.
3. Сглаживающие фильтры
Схемы, принцип действия, параметры и характеристики
Для уменьшения пульсаций выпрямленного напряжения применяют сглаживающие фильтры (СФ).
Снижение пульсаций оценивается коэффициентом сглаживания
,
где K>п> и K>п>’ – коэффициенты пульсаций до и после фильтра.
Основными требованиями к сглаживающим фильтрам является максимальное уменьшение высокочастотных составляющих токов в сопротивлении нагрузки.
У
индуктивного элемента
,
а у емкостного элемента
,
где k – номер гармоники.
Поэтому индуктивность устанавливают последовательно, а емкость – параллельно нагрузке.
Емкостной фильтр

Конденсатор
заряжается до напряжения U>2>,
когда U>2
>>
U>с>
(интервал t>1>
– t>2>).
В течение интервала времени (t>2>
– t>3>)
напряжение U>с>
> U>2>
– диод закрыт, а конденсатор разряжается
через резистор R>н>
с постоянной времени
.
С момента времени t>3> U>с> < U>2> – конденсатор заряжается и т.д.
То есть, когда диод пропускает ток конденсатор заряжается, а когда к диоду приложено обратное напряжение – конденсатор разряжается на нагрузку R>н>.
Индуктивный фильтр


В течение положительного полупериода напряжения u>2>, когда ток i нарастает, индуктивная катушка L>ф> запасает энергию, а в отрицательный полупериод – энергия расходуется на поддержание тока.
Длительность
импульсов тока i>н>
определяется постоянной времени
.
Чем больше индуктивность L>ф>,
тем больше затягивается импульс и его
амплитуда снижается из-за индуктивного
сопротивления
.
Падает и среднее значение тока.
Обычно индуктивность L>ф> в однополупериодных схемах не применяют, а используют в двухполупериодных:

Разновидности сглаживающих фильтров:

LC- RC-фильтры; Г-, П-, Т- образные фильтры.
4. Внешние характеристики выпрямителей
Сопротивление нагрузки R>н> при работе изменяется, что вызывает изменение нагрузочного тока I>н>.
Трансформаторы и вентили (диоды) имеют определенные величины активных сопротивлений R>тр> и R>пр>. На этих сопротивлениях происходит падение напряжения от тока I>н>, приводящее к изменению напряжения на нагрузке U>н>.
Внешняя характеристика выпрямителя U>н>(I>н>).
,
где U>хх> – выпрямленное напряжение при I>н>=0;
-
среднее значение падения напряжения
на сопротивлении диода в прямом
направлении;
-
среднее значение падения напряжения
на активном сопротивлении вторичной
обмотки трансформатора.
Внешняя характеристика определяет границы изменения нагрузочного тока, при котором выпрямленное напряжение не снижается ниже допустимой величины.

1 – выпрямитель без фильтра (характеристика нелинейна из-за R>пр>);
2 – Выпрямитель с емкостным фильтром;
В режиме ХХ (I>н>=0) выпрямленное напряжение равно амплитудному значению U>mхх>, а без фильтра – среднему значению.
Для однополупериодного выпрямителя
;
Для двухполупериодного -
.
При росте тока нагрузки кривая 2 падает более резко, поскольку падение происходит также за счет более быстрого разряда конденсатора на меньшее сопротивление, что снижает напряжение на нагрузке.
3 – Выпрямитель с Г-образным RC-фильтром. Дополнительное снижение напряжения вызвано падением напряжения на последовательно включенном резисторе R>ф>.