Высокочастотный приемный тракт
Министерство образования Российской Федерации
ТОМСКИЙ ГОСУДАРСТВЕННЫЙ УНИВЕРСИТЕТ СИСТЕМ
УПРАВЛЕНИЯ И РАДИОЭЛЕКТРОНИКИ (ТУСУР)
Кафедра сверхвысоких частот и квантовой радиотехники
(СВЧ и КР)
ВЫСОКОЧАСТОТНЫЙ ПРИЕМНЫЙ ТРАКТ.
2002
Реферат
Дипломный проект 111 с., 15 рис., 5 табл., 15 источников, 7 приложения.
ПРИЕМНОЕ УСТРОЙСТВО, МАЛОШУМЯЩИЙ УСИЛИТЕЛЬ, БОРТОВОЙ РАДИОЛОКАТОР, СМЕСИТЕЛЬ, ВЫСОКОЧАСТОТНЫЙ ПРИЕМНЫЙ ТРАКТ.
Объектом разработки является высокочастотный тракт приемного устройства и экспериментальное исследование его характеристик.
Область применения высокочастотного приемного тракта – приемо-передающий модуль бортового радиолокатора.
Дипломная работа выполнена в текстовом редакторе Microsoft Word 98.
Содержание
Введение
1. Анализ технических требований
1.1.Выбор структурной схемы приемника
1.2 Структура зондирующего сигнала
1.3 Пассивные помехи
1.4 Расчет чувствительности приемного устройства
1.5 Выбор средств обеспечения избирательности приемника
1.6 Расчет коэффициента усиления приемного устройства
1.7 Выбор функциональной схемы приемного устройства
2. Расчет преселектора
2.1 Выбор схемы малошумящего усилителя
2.2 Выбор элементной базы
2.3 Расчет схемы малошумящего усилителя
2.4 Расчет микрополосковой линий
3. Расчет смесителя
3.1 Выбор схемы смесителя
3.2 Выбор элементной базы
3.3 Расчет смесителя
4. Результаты экспериментального исследования
4.1 Результаты исследования малошумящего усилителя
4.2 Результаты исследования смесителя
4.3 Результаты исследования приемника
5. Организационно-экономическая часть
5.1 Технико-экономическое обоснование работы
5.2 Планирование работ
5.3 Расчет стоимости разработки ВЧ тракта
6. Охрана труда
6.1 Обеспечение безопасности работающих
6.1.1 Характеристика условий труда
6.1.2 Обеспечение безопасности труда
6.2 Экологичность проекта
6.3 Чрезвычайные ситуации
7. Заключение
Список используемых источников
Приложение А
Приложение B
Приложение С
Приложение D
Приложение E
Приложение F
Приложение Н
Введение
В настоящее время приемо-передающие устройства СВЧ используются для решения чрезвычайно большого круга задач. Они широко применяются в радиолокации, системах космической связи, радиоастрономии, системах высококачественного телевидения. Так, например, созданный отечественными специалистами радиолокационный комплекс для космических исследований, в состав которого входит приемо-передающее устройство используется при изучении планет Венеры, Меркурия, Марса и Юпитера. Радиолокация позволяет получить более точные данные о расстоянии до планет и о скорости их вращения вокруг собственных осей, а так же информацию о структуре атмосферы и поверхности планет.
Приемо-передающие устройства в составе радиолокационных станций и комплексов большое применение находят также в военном деле. Так, например, в авиации современные самолеты оборудуются большим количеством радиолокационных устройств. К ним относятся: панорамный радиолокатор, радиовысотомер, радиолокатор защиты хвоста самолета, радиолокационный бомбардировочный прицел, аппаратура слепой посадки. Наряду с бомбардировочным прицелом (или вместо него) на самолете может быть установлена радиолокационная станция наведения ракет класса “воздух-земля”. В бортовое оборудование ракет также входят радиолокационные устройства. В Военно-морском флоте военные корабли оснащаются разнообразными радиолокационными устройствами. К ним относятся: радиолокационные станции обнаружения надводных кораблей и воздушных целей, станции управления оружием, радионавигационные средства.
В войсках ПВО радиолокационная техника применяется для получения информации о средствах воздушного нападения противника, дальности, азимуте, угле места и скорости цели. Радиолокационные станции широко применяются в аппаратуре орудийной наводки. Такие станции достаточно точно определяют место расположения батарей противника по траектории снарядов или мин.
Наземные войска также используют радиолокационные станции (РЛС) для обнаружения танков, автомобилей и другой наземной техники противника.
В современных условиях значительно больше внимания уделяется радиолокационным станциям наведения ракет. Из зарубежной литературы видно [1], что противовоздушная и особенно противоракетная оборона требует использования специальных радиолокационных комплексов, которые должны включать в себя несколько автоматических и полуавтоматических РЛС различного назначения и стартовое оборудование управляемых антиракет.
Приведенный выше краткий перечень показывает, что современная наука и техника очень широко использует самые разнообразные СВЧ устройства, в состав которых входят приемо-передающие модули.
По сравнению с аппаратурой, работающей на длинных, средних, коротких и ультракоротких волнах, радиоприемные устройства СВЧ обладают рядом особенностей [2,3]. Так, в диапазоне СВЧ уровень внешних помех чрезвычайно мал, если, конечно, помехи не создаются преднамеренно. Основную роль играют внутренние шумы, которые ограничивают чувствительность радиоприемного устройства. В связи с этим в радиоприемных устройствах диапазона СВЧ большое внимание уделяется уменьшению шумов всех элементов: частотно-избирательных систем, усилителей, преобразователей частоты и др. Первые каскады радиоприемного устройства обязательно должны быть малошумящими [4]. Отметим, что создание малошумящих усилителей СВЧ – одна из важнейших проблем современной радиоприемной техники. Так как приемо-передающий модуль предназначен для работы в составе бортового радиовысотомера, расположенного внутри летательного аппарата, то возможности увеличения мощности передатчика и размеров антенны для повышения дальности ограничены заданным весом и размерами аппаратуры. Поэтому для повышения чувствительности и уменьшения коэффициента шума следует применить малошумящий усилитель. Использование малошумящих усилителей позволяет при сохранении дальности в несколько раз снизить мощность передатчика, повысив тем самым его надежность, и при этом получить выигрыш в общем весе аппаратуры [5].
1. Анализ технических требований
1.1 Выбор структурной схемы приемника
Структурные схемы приемных устройств различаются прежде всего построением тракта высокой частоты.
Наиболее простым является принцип построения приемника прямого детектирования. Входная цепь в виде резонансной системы или фильтра обеспечивает частотную избирательность. Принципиальным моментом является отсутствие усиления сигнала до детектора, ведущее к серьезному упрощению устройства приемника, но одновременно обуславливающее его низкую чувствительность и избирательность.
Схема приемника прямого усиления отличается наличием усилителя радиочастоты (УРЧ) и, как следствие, значительно большими чувствительностью и избирательностью. Входная цепь и избирательные цепи УРЧ настроены на частоту принимаемого радиосигнала, на которой и осуществляется усиление, причем входная цепь обеспечивает предварительную, а УРЧ основную частотную избирательность и значительное усиление сигнала. При необходимости получения большого усиления УРЧ может содержать несколько каскадов, что сопряжено со снижением его устойчивости и общей избирательности приемника. Трудности, связанные с многокаскадностью УРЧ, позволяет устранить в принципе использование регенеративных и сверхрегенеративных усилителей, обеспечивающих большее усиление на каскад. Однако такие усилители обладают повышенными искажениями, относительно низкой устойчивостью по отношению к дестабилизирующим факторам, повышенной вероятностью паразитного излучения. По этой причине они применяются редко. При любых типах используемых УРЧ полностью преодолеть присущие схеме прямого усиления недостатки не удается, поэтому в настоящее время такие приемники с фиксированной настройкой применяются практически лишь в микроволновом и оптическом диапазоне.
Существенное улучшение большинства показателей приемного устройства достигается на основе принципа преобразования частоты принимаемого сигнала – переноса его в частотную область, где он может быть обработан с наибольшей эффективностью. Почти все радиолокационные приемники строятся по супергетеродинному принципу. Отраженный сигнал, подвергнутый незначительному усилению или вообще без усиления, преобразуется в сигнал промежуточной частоты путем смешивания с сигналом гетеродина. Перенос сигнала на более низкую фиксированную частоту имеет следующие преимущества: возможность высокого устойчивого усиления за счет ослабления роли паразитных обратных связей; сужение полосы пропускания без усложнения фильтрующих цепей; относительная полоса частот, занимаемая полезным сигналом, на промежуточной частоте получается больше, а это упрощает фильтрацию. Однако преобразование частоты обуславливает и ряд особенностей супергетеродинного приема, требующих принятия специальных мер для нейтрализации их отрицательного влияния на показатели и характеристики приемного устройства. К таким особенностям относятся: образование побочных каналов приема, по которым в тракт приемного устройства проникают различные помехи; влияние нестабильности частоты гетеродина на настройку приемника; возможность излучения колебаний гетеродина через приемную антенну.
В связи с выше изложенным материалом приемник будем реализовать по супергетеродинной схеме с двойным преобразованием частоты. Первое преобразование – перенос спектра сигнала на 5 МГц, для выделения фазоманипулированного сигнала (ФКМ), второй режим работы станции. Второе преобразование частоты – перенос спектра сигнала на нулевую промежуточную частоту, для выделения дальномерной частоты и фазы сигнала, первый режим работы станции.
1.2 Структура зондирующего сигнала
Зондирующий сигнал представляет собой непрерывный сигнал с несимметричным пилообразным законом модуляции частоты. Причем несущая частота меняется с частотой 5 МГц, разница между несущими частотами 808 МГц, это предназначено для развязки передатчика и приемника, т.е когда передатчик излучает одну частоту, то приемник настроен на другую частоту. Структура излученного и отраженного сигнала представлена на рисунке 1.1.
0100090000032a0200000200a20100000000a201000026060f003a03574d46430100000000000100e6350000000001000000180300000000000018030000010000006c0000000000000000000000350000006f0000000000000000000000d0370000ca2a000020454d46000001001803000012000000020000000000000000000000000000007f120000771a0000c80000001f010000000000000000000000000000000f030058600400160000000c000000180000000a00000010000000000000000000000009000000100000002e0d0000190a0000250000000c0000000e000080250000000c0000000e000080120000000c00000001000000520000007001000001000000a4ffffff00000000000000000000000090010000000000cc04400022430061006c006900620072006900000000000000000000000000000000000000000000000000000000000000000000000000000000000000000000000000000000001d00ac951d001000000010991d0090961d00e450266610991d0008961d001000000078971d00f4981d008a4f266610991d0008961d002000000080e0ce6108961d0010991d0020000000ffffffff5c3c7b01fbe0ce61ffffffffffff0180ffff0180afff0180ffffffff00300000000800000008000050bfbd0501000000000000005802000025000000372e9001cc00020f0502020204030204ff0200e1ffac004009000000000000009f01000000000000430061006c0069006200720000000000b4951d00d0961d00334ed061282ead62309a1d003c961d00d532c861200000000100000078961d0078961d000076c66120000000a0961d005c3c7b016476000800000000250000000c00000001000000250000000c00000001000000250000000c00000001000000180000000c0000000000000254000000540000000000000000000000350000006f00000001000000e7298740a48e87400000000057000000010000004c0000000400000000000000000000002f0d00001c0a000050000000200046013600000046000000280000001c0000004744494302000000ffffffffffffffff2f0d00001a0a0000000000004600000014000000080000004744494303000000250000000c0000000e000080250000000c0000000e0000800e000000140000000000000010000000140000000400000003010800050000000b0200000000050000000c0237019501040000002e0118001c000000fb020200010000000000bc02000000cc0102022253797374656d003f00003f3f3f3f3f3f3f3f3f3f0800000001003f3f3f3f3f00040000002d010000040000002d01000004000000020101001c000000fb02f5ff0000000000009001000000cc0440002243616c6962726900000000000000000000000000000000000000000000000000040000002d010100040000002d010100040000002d010100050000000902000000020d000000320a0a00000001000400000000009401370120000600040000002d010000040000002d010000030000000000
Рисунок 1.1 Структура излученного и отраженного сигнала.
После смесителя, на входе разрабатываемого приемника будут возникать биения с частотой 808МГц+f>д>+f>доп.> Для определения дальности до целей нужно выделить f>д> и компенсировать f>доп>, чтобы он не влиял на точность измерений. Методы компенсации рассмотрены в пункте 1.3. В результате расчетов получилось, что f>доп>=24 кГц, f>д> – дальномерная частота от 6 кГц до 160 кГц, т.е. приемник должен выделять частоты от 6 кГц до 160 кГц и компенсировать допплеровскую частоту. На выходе приемника все сигналы должны иметь одинаковую амплитуду, для этого сигналы с разных дальностей нужно выровнять в приемнике. Так как мощность отраженного сигнала обратно пропорциональна четвертой степени расстояние до цели, то для выравнивания сигналов на выходе приемника по напряжению нужно, чтобы промежуточный тракт по второй промежуточной частоте имел передаточную характеристику с наклоном +12 дБ/окт в полосе частот от 6 кГц до 160 кГц. Такой наклон реализуется двухполюсным активным RC-фильтром.
1.3 Пассивные помехи
Спектр мешающих отражений определяется характеристикой направленности антенны, а также взаимным –перемещением радиолокатора и мешающих объектов.
Такой подход к спектрам мешающих сигналов является наиболее общим, так как включает и все случаи движения радиолокатора по поверхности и над поверхностью земли. В этом случае характеристики направленности должна учитывать все боковые лепестки, по которым тоже происходит прием мешающих сигналов. Вследствие перемещения радиолокатора относительно поверхности земли отраженные от этой поверхности сигналы, а также сигналы всех целей, расположенных на поверхности земли, получают допплеровские приращения частоты и образуют широкий шумоподобный спектр помех земли. Этот спектр имеет три характерные области:
отражения от поверхности земли, приходящие по главному лепестку характеристики направленности,
отражения от поверхности земли, приходящие по боковым лепесткам характеристики направленности,
пассивные помехи на линии высоты.
Отражения,
соответствующие главному лепестку,
будут наиболее интенсивными. Ширина и
положение спектра частот этих отражений
зависят от формы главного лепестка
(особенно его ширины) и от направления
максимума излучения относительно
вектора путевой скорости. Отражения,
соответствующие боковым лепесткам,
менее интенсивны, но занимают полосу
частот
.
Мешающие отражения от земной поверхности
непосредственно под самолетной РЛС
называются пассивными помехами на линии
высоты. При зеркальном отражении от
гладкой поверхности эти помехи могут
быть сильными, они имеют относительно
небольшую спектральную ширину и нулевую
допплеровскую частоту.
В приложение А приведен спектр пассивных помех. Из графика видно, что наиболее интенсивные помехи будут около допплеровской частоты 24 кГц. Причем спектральная плотность помехи будет равна p>п>=–82 дБ/Вт относительно полосы 1 Гц. При полосе 24 кГц мощность помехи будет равна(размерность величин в децибелах):
Р>п>= p>п >+ Df=(-82)+43=-39 дБ/Вт
Соответственно при мощности сигнала Рс=–150 дБ/Вт перегрузка составит (мощность помехи вычесть мощность минимального сигнала):
150-39=111 дБ
Эти помехи как правило отфильтровываются с помощью отдельного режекторного фильтра. Как было сказано выше фильтр высоких частот с наклоном +12 дБ/окт обеспечивает перегрузку в 60 дБ. Соответственно глубина режекции фильтра должна быть как минимум 51 дБ.
Сформулируем требования к режекторному фильтру.
полоса режекции по уровню –20 дБ должна около 48 кГц, чтобы перекрыть весь спектр помех, возникающих в следствии эффекта Допплера,
полоса режекции по уровню –3 дБ должна быть не более 60 кГц, чтобы режекторный фильтр не подавлял дальномерные частоты,
глубина режекции, минимум 8 дБ, возьмем с запасом 55-60 дБ,
центральная частота 5 МГц, так как на первой промежуточной частоте 808 МГц нереально спроектировать фильтр с такой узкой относительной полосой режекции около 0,006 %.
Компенсации влияния движения носителя, т.е чтобы допплеровские частоты не вносили ошибку в измерение дальности, когда заранее известна скорость носителя , а значит допплеровская частота, можно добиться смещением промежуточной частоты радиолокационного сигнала на величину, равную средней допплеровской частоте спектра помех fд ср=24 кГц. Сместить частоту проще у второго гетеродина с частотой 5 МГц, чем первого с частотой 808 МГц.
1.4 Расчет чувствительности приемного устройства.
Чувствительность приемника определяется минимально необходимой мощностью сигнала на входе приемника, при которой обеспечивается необходимое соотношение сигнал/шум на выходе приемника. В данном случае тангенциальная чувствительность Рс/Рш=1. Чувствительность приемника определяется по формуле:
(1.4.1)
где
-
чувствительность приемника,
-
постоянная Больцмана,
- стандартная температура приемника,
Δf – полоса пропускания приемника,
N – коэффициент шума приемника,
D=1 – постоянный коэффициент различимости.
Преобразуем формулу 1.4.1 в случае определения чувствительности в децибелах относительно ватта, получим:
(1.4.2)
где N – коэффициент шума приемника, выраженный в децибелах,
Δf – полоса пропускания приемника, выраженная в децибелах относительно одного герца,
-203,8 – постоянное слагаемое.
Из формулы 1.4.2 видно, что чувствительность зависит от полосы пропускания приемника и коэффициента шума. Полоса пропускания Δf задается в техническом задание, значит разработчик может обеспечить заданную чувствительность применяя МШУ с достаточно низким коэффициентом шума. Тогда коэффициент шума определяется:
(1.4.3)
N=203,8+(-150)-47,8=6 дБ
где
-требуемая
чувствительность приемника,
Δf=47,8дБ/Гц - полоса пропускания приемника, выраженная в децибелах относительно одного герца.
Следовательно коэффициент шума приемника не должен превышать 6 дБ.
Для типичного супергетеродинного приемника, приемный тракт которого включает усилитель радиочастоты (УРЧ), преобразователь частоты (ПЧ) и усилитель промежуточной частоты (УРЧ) коэффициент шума приемника определяется по следующей формуле [6]:
(1.4.4)
где
- коэффициенты шума УРЧ, ПЧ и УПЧ,
- коэффициенты усиления по мощности УРЧ
и ПЧ,
-
суммарные потери пассивных элементов,
стоящих перед УРЧ.
Анализируя формулу 1.4.4 можно сделать вывод, что для получения минимального возможного коэффициента шума приемника необходимо применить малошумящий усилитель (МШУ) в качестве УРЧ, причем усиление МШУ должно быть достаточно большим, около 20 дБ. В этом случае в формуле следующие слагаемые будут малыми, следовательно ПЧ и УПЧ будут мало влиять на коэффициент шума приемника. Т.е. коэффициент шума приемника будет определяться коэффициентом шума МШУ. Причем коэффициент шума МШУ не должен превышать 3 дБ, так как половина коэффициента шума приемника в первом приближении отводиться на МШУ, вторая половина отводиться на потери в пассивных элементах, стоящих перед МШУ.
1.5 Выбор средств обеспечения избирательности приемника
В супергетеродинных приемниках частотная избирательность определяется в основном ослаблениями зеркального Seзк и соседнего канала Seзк. В приемниках с двойным преобразованием частоты рационально выбирать частоту настройки 1-ого гетеродина выше частоты сигнала.
При этом вычитаются вызванные однозначными уходами частот 1-ого и 2-ого гетеродинов изменения второй промежуточной частоты fп2. Для обеспечения однозначности уходов частоты 1-ого и 2-ого гетеродинов можно образовать эти частоты путем умножения частоты общего задающего генератора, при этом использовать один кварцевый резонатор для стабилизации частот 1-ого и 2-ого гетеродинов. При такой расстановке частот, могут появиться зеркальная помеха относительно частоты 1-ого гетеродина fзк1=fc+2fп1 и помеха fзк2=fc-2fп2, которая после первого преобразования частоты превращается в fп1+2fп1 и становиться зеркальной относительно частоты 2-ого гетеродина. Помеха fзк1 должна быть ослаблена в преселекторе. Помеха fзк2 может быть ослаблена в преселекторе и в УПЧ-1, но так как fп2<<fc и fп1<<fc, то fзк2 ослабляется главным образом в УПЧ-1.
В нашем случае частота сигнала fc=808 МГц, первая промежуточная частота fп1=5 МГц, следовательно первая зеркальная помеха будет на частоте:
fзк1=fc+2fп1=808+2·5=818 МГц – эта помеха должна как сказано выше должна подавляться в преселекторе до смесителя.
Вторая помеха, которая после преобразования частоты становиться зеркальной относительно частоты 2-ого гетеродина, расположена достаточно близко к частоте принимаемого сигнала, поэтому в преселекторе существенно не ослабляется.
Рассмотрим средства обеспечения избирательности по первой зеркальной помехе.
По техническому заданию предъявлены следующие требования :
полоса
пропускания по уровню –3 дБ -
МГц,
полоса
пропускания по уровню –50дБ -
МГц.
Эти технические требования должны реализоваться в преселекторе.
Для обеспечения высокой селекции применим фильтр на поверхностно-акустических волнах (ПАВ-фильтр), т.к. требуется узкая относительная полоса пропускания – 1,8 %, коэффициент прямоугольности – 2,7 по уровням (60/3) дБ, высокая рабочая частота 808МГц. Фильтр должен быть реализован на базе технологии ИМС. Выбор произведен по данным источника (таблица 1.1 [7] ).
ПАВ-фильтр состоит из передающего и приемного преобразователей, трансформирующих электрический сигнал в акустическую волну на входе и обратно на выходе устройства. Средой для поддержания ПАВ служит пьезоэлектрический звукопровод, на полированной рабочей поверхности которого располагаются преобразователи. Поскольку большинство типов преобразователей ПАВ обладает двунаправленностью излучения, то во избежание паразитных отражений на торцы звукопроводов наносят поглотители. В результате многократных отражений от краев электродов и несогласованности фильтра с внешними нагрузками возникают волны, отраженные от преобразователей. Известно, что наибольшие искажения характеристик фильтра вызывают сигналы тройного прохождения. Но т.к. РЛС работает в режиме непрерывного излучения, то этот эффект мало влияет на точность измерений.
Один ПАВ-фильтр поставим перед МШУ для селекции внешних помех и предохранения МШУ от перегрузки.
Из определения коэффициента шума N четырехполюсника следует, что шумы зеркального канала, так называемые зеркальные шумы, в режиме однополосного приема увеличивают N, поскольку мощность этих шумов попадает на выход смесителя и не может быть отнесена к мощности шумов источника сигнала. При использовании широкополосного МШУ перед смесителем зеркальные шумы значительно (примерно на 3 дБ) ухудшают общий коэффициент шума, так как их мощность в этом случае равна приблизительно половине общей мощности шумов на выходе приемника. Поэтому второй ПАВ–фильтр поставим после МШУ, для подавления зеркальных шумов на его выходе.
Таким образом исходя из выше приведенных соображений можно сформулировать технические требования для ПАВ-фильтра:
центральная частота 808 МГц,
полоса
пропускания
МГц,
полоса
пропускания по уровню –25дБ -
МГц,
так в преселекторе стоит два ПАВ-фильтра,
то они обеспечат избирательность при
расстройке ±20
МГц - 50 дБ, что требуется в техническом
задание.
прямые потери не более 0,2-0,5 дБ, чтобы фильтр не сильно увеличил коэффициент шума приемника.
Рассмотрим средства обеспечения избирательности по второй зеркальной помехе, она будет в диапазоне частот от 807,840 МГц до 808 МГц. После первого преобразование частоты спектр помехи перенесется на частоты от 4,840 МГц до 5 МГц.
Простейшим и часто используемым методом решения этой задачи является использование на выходе смесителя фильтра того или иного типа, затухание которого в полосе частот сигнала мало (L<1..1,5 дБ), а в полосе частот зеркального канала велико (L>13..15 дБ). Однако при промежуточной частоте 5 МГц и при полосе частот сигнала 160 кГц, у фильтра относительная полоса пропускания должна быть около 3,2 % и коэффициент прямоугольности около 1,5 по уровням (20/3)дБ. Создание LC-фильтра с такими параметрами трудно и нецелесообразно вследствие большой добротности катушек и температурной нестабильности элементов. Применение пьезоэлектрических и пьезокерамических фильтров также неоправданно из-за дороговизны разработки и производства этих фильтров.
Применение УПЧ с настроенными контурами, с двухконтурными каскадами, с попарно расстроенными одноконтурными каскадами, с одноконтурными каскадами, настроенными на три частоты и т.п., конструктивно неприемлемо из-за большого числа каскадов 7-8, также из-за сложностей настройке.
При третьем методе подавление зеркального канала применяют схему фазового подавления зеркального канала. Преобразователь с компенсацией помех зеркального канала можно построить по схеме, приведенной на рисунке 1.2. Принцип работы такого двухканального компенсатора с фазовым подавлением состоит в том, что принимаемый сигнал в разных каналах имеет одинаковую фазу и при суммирование в общем тракте удваивается, а зеркальные помехи противоположны по фазе и компенсируют друг друга.

Рисунок 1.2.Схема двухканального компенсатора с фазовым подавлением.
Напряжение от гетеродина u>г>=U>г>cos(ω>г>t+φ>г>) подается на смесители См1 и См2. Напряжение сигнала основного канала u>с>=U>с>cos(ω>с>t+φ>с>) и зеркального канала u>зк>=U>зк>cos(ω>зк>t+φ>зк>) подаются на смеситель См1 непосредственно и на смеситель См2 через фазовращатель Фв1 со сдвигом по фазе на 900. В качестве основного канала принят сигнал на частоте f>c>=f>г>-f>пр>, в качестве зеркального f>зк>=f>г>+f>пр>. На выходе См1 после фильтра ФПЧ будет выделяться напряжение промежуточной частоты основного и зеркального каналов:
u>с1>=U>с>K>п>cos[(ω>г>-ω>с>)t+φ>г>-φ>с>],
u>зк1>=U>зк>K>п>cos[(ω>зк>-ω>с>)t+φ>зк>-φ>г>].
Здесь K>п>-коэффициент передачи смесителя вместе с фильтром ФПЧ.
На выходе См2 (коэффициент передачи фазовращателя полагается равным единице)
u>с2>=U>с>K>п>cos[(ω>г>-ω>с>)t+φ>г>-(φ>с>+900)],
u>зк2>=U>зк>K>п>cos[(ω>зк>-ω>с>)t+φ>зк>+900-φ>г>].
После фазовращателя Фв2 фаза сигнала u>с2> оказывается такой же, как у u>с1> (φ>с1>=φ>с2>=φ>г>-φ>с>), а фаза помехи u>зк2> отличается от фазы u>зк1> на 900. При одинаковых коэффициентах передачи трактов смесителей напряжение сигнала на выходе сумматора имеет удвоенную амплитуду, а напряжение зеркальной помехи взаимно компенсируется и на выходе отсутствует.
В принципе в компенсаторе можно не использовать Фв1, тогда на смесители должно подаваться напряжение гетеродина с взаимным фазовым сдвигом 900. Также технически проще реализовать взаимный фазовый сдвиг 900 после смесителей, если поставить в обе цепи фазовращатели, чем обеспечить фазовый сдвиг 900 только в одной ветви схемы.
1.6 Расчет коэффициента усиления приемногоё устройства
В техническом задании задана эффективное значение выходного сигнала Uэф=0.3 В, рассчитаем необходимый коэффициент усиления приемного тракта.
Зная минимальную мощность входного сигнала рассчитаем коэффициент усиления.
(1.6.1)
где Р>cmin >–чувствительность приемника,
R=50 Ом – сопротивление нагрузки по входу,
U>вых>=0,3 В – напряжение выходного сигнала.
По формуле 1.6.1 получаем.
дБ
1.7 Выбор функциональной схемы приемного устройства
Исходя из выше приведенных соображений произведем выбор функциональной схемы приемного устройства.
В преселекторе для увеличения динамического диапазона поставим схему ослабления сигнала, состоящих из двух переключателей в одной ветви стоит МШУ, а в другой ветви аттенюатор. При измерении большой дальности - сигнал слабый, тогда в цепь включен МШУ, при измерении малой дальности - сигнал сильный, тогда в цепь включен аттенюатор, что позволяет увеличить динамический диапазон на величину К>мшу>+L>а> , где К>мшу >- коэффициент усиления МШУ, L>а >- ослабление аттенюатора. В техническом задании динамический диапазон должен быть 90 дБ, приемник обеспечивает 68 дБ, следовательно, ослабление аттенюатора для обеспечения заданного динамического диапазона должно быть не менее 12 дБ, это значение взято с запасом.
Потери в переключателях должны быть не более 2,5 дБ, так как суммарные потери в пассивных элементах, стоящих перед МШУ должны быть не более 3 дБ, а прямые потери в ПАВ-фильтре не более 0,5 дБ.
Исходя из выше изложенных соображений, преселектор будет состоять из следующих блоков: ПАВ-фильтр (ПФ), переключатель (SPDT), МШУ, переключатель (SPDT), ПАВ-фильтр (ПФ). Коэффициент усиления по мощности преселектора равен:
К=К>мшу>-2(L>пер>+L>ф>)=20-2(2,5+0,5)=14 дБ
где К>мшу> – коэффициент усиления МШУ,
L>пер>,L>ф> – прямые потери в переключателе и в ПАВ-фильтре.
Преобразователь частоты (ДБС) по первой промежуточной частоте поставим после преселектора. Схема должна иметь два выхода: один – для выделения ФКМ-сигнала, второй для дальнейшей обработки сигнала, для выделения дальномерной частоты и фазы сигнала. Коэффициент усиления транзисторных смесителей в интегральном исполнение около 10 дБ.
Для подавление пассивных помех после смесителя поставим режекторный фильтр (ПЗФ), технические требования на который сформулированы в пункте 1.3.
Для переноса спектра сигнала на вторую промежуточную частоту и подавления зеркального канала применим схемы двухканального компенсатора с фазовым подавлением зеркального канала, его схема и принцип работы рассмотрена в пункте 1.5. Перед фазовращателями поставим фильтр верхних частот (ФВЧ) с наклоном АЧХ +12 дБ/окт.
Из практики известно, что на транзисторные смесители подается мощность гетеродина примерно –30 дБ/Вт, следовательно, мощность сигнала должна быть на входе смесителя не более –40 дБ/Вт, чтобы не было нелинейных искажений, что влечет появления второй, третьей и т.д. гармоник, а значит появление ложных целей.
Тракт низкой частоты охватим цепью АРУ для компенсации флуктуации сигналов от целей. Флуктуация целей составляет примерно 20 дБ, поэтому АРУ должно иметь глубину регулировки не менее 20 дБ. АРУ реализуем с помощью введения в схему управляемых аттенюаторов (УА). Последний каскад тракта низкий частоты (УНЧ) сделаем с ручной регулировкой усиления, для установления уровня выходного сигнала. После управляемых аттенюаторов поставим усилительный ограничительный каскад, для того чтобы сильная помеха на входе приемника не перегрузила последние каскады приемника. Ограничитель сделаем симметричным, потому что при ограничение сигнала будут появляться только нечетные гармоники и их мощность много меньше, чем мощность первой гармоники, т.е. полезного сигнала, поэтому ложных целей не будет.
Функциональная схема приемника приведена в приложении В.
2. Расчет преселектора
2.1 Выбор схемы малошумящего усилителя
В соответствии с выше приведенными соображениями необходимо, чтобы малошумящий усилитель отвечал следующим техническим требованиям:
коэффициент усиления не менее 20 дБ;
коэффициент шума не более 3 дБ;
динамический диапазон не менее 90 дБ,
центральная частота 808 МГц.
кроме этого имел высокую стабильность характеристик, высокую надежность работы, малые габариты и вес.
Принимая во внимание предъявляемые к малошумящему усилителю требования, проведем рассмотрение возможных вариантов решения поставленной задачи. При рассмотрении возможных вариантов учтем те условия, в которых будет эксплуатироваться приемо-передающий модуль (размещение на борту летательного аппарата и воздействие внешних факторов, таких как перепад температур, вибрации, давление и т.д.). Проанализируем малошумящие усилители, выполненные с применением различной элементной базы.
Самыми малошумящими из усилителей СВЧ являются в настоящее время квантовые парамагнитные усилители (мазеры), которые характеризуются чрезвычайно низкими шумовыми температурами (менее 20оК) и, как следствие, весьма высокой чувствительностью. Однако в состав квантового усилителя входит криогенная система охлаждения (до температуры жидкого гелия 4,2оК), имеющая большие габариты и массу, высокую стоимость, а также громоздкую магнитную систему для создания сильного постоянного магнитного поля. Все это ограничивает область применения квантовых усилителей уникальными радиосистемами – космической связи, дальней радиолокации и т.п.
Необходимость миниатюризации радиоприемных устройств СВЧ диапазона, повышения их экономичности, уменьшения стоимости привели к интенсивному применению малошумящих усилителей на полупроводниковых приборах, к которым относятся полупроводниковые параметрические, на туннельных диодах и транзисторные усилители СВЧ.
Полупроводниковые параметрические усилители (ППУ) работают в широком диапазоне частот (0,3…35ГГц), имеют полосы пропускания от долей до нескольких процентов от центральной частоты (типичные значения 0,5…7%, но могут быть получены полосы до 40%); коэффициент передачи одного каскада достигает 17…30дБ, динамический диапазон входных сигналов 70…80дБ. В качестве генераторов накачки используются генераторы на лавинно-пролетных диодах и на диодах Ганна, а также на транзисторах СВЧ (с умножением и без умножения частоты). Полупроводниковые параметрические усилители являются самыми малошумящими из полупроводниковых и вообще из всех неохлаждаемых усилителей СВЧ. Их шумовая температура находится в интервале от десятков (на дециметровых волнах) до сотен (на сантиметровых волнах) градусов Кельвина. При глубоком охлаждении (до 20оК и ниже) по шумовым свойствам они сравнимы с квантовыми усилителями. Однако система охлаждения увеличивает габариты, массу, потребляемую мощность и стоимость ППУ. Поэтому охлаждаемые ППУ находят применение в основном в наземных радиосистемах, где требуются высокочувствительные радиоприемные устройства, а габариты, масса, потребляемая мощность не столь существенны.
К достоинствам ППУ по сравнению с усилителями на туннельных диодах и транзисторах СВЧ помимо лучших шумовых свойств следует отнести способность работать в диапазоне более высоких частот, большее усиление одного каскада, возможность быстрой и простой электронной перестройки по частоте (в пределах 2…30%). Недостатками ППУ являются наличие СВЧ-генератора накачки, меньшая полоса пропускания, большие габариты и масса, значительно большая стоимость, в отличие от транзисторных усилителей СВЧ.
Усилители на туннельных диодах имеют по сравнению с другими полупроводниковыми усилителями меньшие габариты и массу, определяемые главным образом габаритами и массой ферритовых циркуляторов и вентилей, меньший уровень потребляемой мощности и широкую полосу пропускания. Они работают в диапазоне частот 1…20ГГц, имеют относительную полосу пропускания 1,7…65% (типичные значения 3,5…18%), коэффициент передачи одного каскада 6…20дБ, коэффициент шума 3,5…4,5дБ на дециметровых волнах и 4…7дБ на сантиметровых, динамический диапазон входных сигналов составляет 50…90дБ. Усилители на туннельных диодах применяются в основном в устройствах, где на малой площади необходимо разместить большое количество легких и малогабаритных усилителей, например в активных фазированных антенных решетках. Однако в последнее время усилители на туннельных диодах из-за присущих им недостатков (сравнительно высокий коэффициент шума, недостаточный динамический диапазон, малая электрическая прочность туннельного диода, сложность обеспечения устойчивости, необходимость развязывающих устройств) интенсивно вытесняются транзисторными усилителями СВЧ.
Основные преимущества полупроводниковых малошумящих усилителей – малые габариты и масса, малое энергопотребление, большой срок службы, возможность построения интегральных схем СВЧ – позволяют использовать их в активных фазированных антенных решетках и в бортовой аппаратуре. Причем наибольшую перспективу имеют транзисторные усилители СВЧ.
Успехи в развитии физики и технологии полупроводников сделали возможным создание транзисторов, обладающих хорошими шумовыми и усилительными свойствами и способных работать в диапазоне СВЧ. На основе этих транзисторов были разработаны СВЧ малошумящие усилители.
Транзисторные усилители в отличие от усилителей на полупроводниковых параметрических и туннельных диодах являются не регенеративными, поэтому обеспечить их устойчивую работу значительно проще, чем, например, усилителей на туннельных диодах.
В МШУ СВЧ применяются малошумящие транзисторы, как биполярные (германиевые и кремниевые), так и полевые с барьером Шоттки (на кремнии и арсениде галлия). Германиевые биполярные транзисторы позволяют получить меньший коэффициент шума, чем кремниевые, однако последние более высокочастотны. Полевые транзисторы с барьером Шоттки превосходят биполярные транзисторы по усилительным свойствам и могут работать на более высоких частотах, особенно арсенид-галлиевые транзисторы. Шумовые характеристики на относительно низких частотах лучше у биполярных транзисторов, а на более высоких – у полевых. Недостатком полевых транзисторов являются высокие входное и выходное сопротивление, что затрудняет широкополосное согласование.
Чтобы транзистор работал в диапазоне СВЧ, надо сильно сократить размеры его активных областей (особенно базы, затвора), а также минимизировать паразитные элементы р-п-переходов и реактивности корпуса и выводов. Это, естественно, связанно со значительными технологическими трудностями. Теоретический предел усиления биполярных транзисторов 10…15ГГц, а полевых транзисторов с барьером Шоттки на арсениде галлия – примерно 90ГГц. Биполярные транзисторы применяются в основном на частотах до 4…5 ГГц, полевые транзисторы – на частотах выше 8 ГГц, а в промежуточной области частот используются и те, и другие транзисторы.
В настоящее время транзисторные МШУ СВЧ изготавливаются в основном в виде гибридных интегральных схем на диэлектрических подложках с навесными активными элементами. Транзисторы используются как в корпусном, так и в бескорпусном исполнении. Бескорпусные транзисторы по сравнению с корпусными имеют меньшие линейные размеры и в них минимизированы паразитные элементы. Такие транзисторы способны работать на более высоких частотах, хотя их монтаж в схему технологически более сложен.
Изложенные выше соображения позволяют наметить стратегию синтеза малошумящего усилителя на полевом транзисторе, в монолитном интегральном исполнении.
2.2 Выбор элементной базы
Как сказано выше преселектор состоит из двух полосовых фильтров, двух переключателей и МШУ. Требуемые технические параметры на эти элементы изложены ранее. Произведя обзор по отечественной и зарубежной элементной базе, были выбраны следующие элементы с параметрами, отвечающие требуемым техническим параметрами.
Характеристики фильтра М4553-804:
центральная частота - 804 МГц
потери в полосе пропускания - 2.2 дБ
полоса пропускания - 16 МГц
полоса пропускания по уровню – -30дБ – 47 МГц
входное и выходное сопротивление – 50 Ом
Характеристики переключателя SSW-124 [7]:
потери в прямом включении – 0.7 дБ
потери в обратном включении – 50 дБ
время переключения – 3 нс
управляющее напряжение – 5 В
входное и выходное сопротивление – 50 Ом
Характеристики МШУ MGA – 86563 [7]:
коэффициент усиления – 20 дБ
коэффициент шума на частоте 800 МГц – 2 дБ
Характеристики МШУ MGA – 86563 приведены в приложении С.
2.3 Расчет схемы малошумящего усилителя
Как было выбрано
ранее МШУ построим на основе модуля MGA
– 86563. Схема электрическая принципиальная
приведена на рисунке 2.1. Типовая схема
включения приведена на рисунке 2.2[7]:
Рисунок 2.1 Схема электрическая принципиальная MGA-86563.

Рисунок 2.2 Типовая схема включения
В схеме включения в качестве линии передачи используются микрополосковые линии. На входе и выходе микросхемы включены разделительные конденсаторы С1 и С2, для подавления постоянной составляющей напряжения. Номиналы конденсаторов С1 и С2 выбираются таким образом чтобы на рабочей частоте они имели сопротивление на порядок меньше чем сопротивление микрополосковой линии 50 Ом, т.е. порядка несколько Ом. Номиналы емкостей С1, С2 рассчитываются по формуле 2.3.1:
(2.3.1)
где ωо – рабочая частота, рад/сек.
По формуле 2.1. получаем что С1=С2 > 39 пФ.
Возьмем номинал конденсатора из стандартного ряда С1=С2=100 пФ. Сопротивление нагрузки R1 возьмем из рекомендаций, т.е. R1=50 Ом. Напряжение питания микросхемы 6 В.
В цепи питания стоят два фильтра, один фильтр образованный С3 и L2 предназначен для устранения паразитной обратной связи по первой промежуточной частоте 5 МГц по цепям питания. Индуктивность L2 рассчитывается по формуле 2.3.2, исходя из того что сопротивление индуктивности на 5 МГц было больше 100 Ом:
(2.3.2)

где fпр= 5 МГц – первая промежуточная частота.
Выбираем L2= 10 мкГн.
Емкость конденсатора С3 рассчитывается по формуле 2.3.3:
(2.3.3)

где R=100 Ом – сопротивление индуктивности на частоте 5 МГц
Выбираем из ряда номинальных величин С3=0,047 мкФ
Другой фильтр, образованный С4 и четвертьволновым замкнутым шлейфом, предназначен для устранения паразитной обратной связи по высокой частоте 808 МГц по цепи питания. Размеры четвертьволнового замкнутого шлейфа рассчитаны в пункте 2.4. Номинал конденсатора рассчитывается по формуле 2.3.3, частота задается 808 МГц. Получаем С4=100 пФ.
Индуктивность L1 выбираем рекомендованную дл частоты 800 МГц, равную 10 нГн.
2.4 Расчет микрополосковой линий
Обычно применяемая в СВЧ ИС микрополосковая линия представляет собой несимметричную полосковую линию, заполненую диэлектриком с высокой относительной диэлектрической проницаемостью ε. Конструктивно МПЛ выполняют в виде диэлектрической подложки, на одну сторону которой наносят проводящую полоску в виде пленки металла, а другую полностью покрывают металлической пленкой, которая служит проводящей (заземленной) поверхностью.
Волновое сопротивление МПЛ W зависит от ε и соотношения размеров линии ω/h :
(2.4.1)
где W – волновое сопротивление МПЛ,
ε – диэлектрическая проницаемость подложки,
ω – ширина МПЛ,
h – толщина МПЛ.
В качестве подложки используется материал электроизоляционный фольгированный МИ1222-1-35-1,5-1 класс толщиной h=0.8 мм и с диэлектрической проницаемостью ε=5.5 [8]. Из формулы 2.4.1 получим требуемое значение ω для получения заданной величины волнового сопротивления W=50 Ом.
(2.4.2)
рассчитаем ω:

МПЛ нуждается в экранировке. Обычно СВЧ ИС для экранировки, а также для защиты от механических повреждений помещают в металлический корпус. Расстояние от его стенок до поверхности подложки с полосковыми проводниками должно быть в 4-5 раз больше толщины подложки, при этом влияние корпуса на электрические параметры МПЛ будет малым.
Рассчитаем четвертьволновой замкнутый шлейф. Длина волны в свободном пространстве выражается по формуле 2.4.3:
(2.4.3)
где с = 300000 км/c – скорость света,
f=808 МГц – рабочая частота.

Так как длина волны в МПЛ меньше в свободном пространстве, то пересчитаем длину волны, из графика [9] отношение λо/λв = 2.Тогда длина четверть волнового замкнутого шлейфа равна:
(2.4.4)
Ширина четвертьволнового шлейфа та же что и МПЛ, т.е. ω=1.2 мм.
3. Расчет смесителя
3.1 Выбор схемы смесителя
В приемниках длинных, средних, коротких и метровых волн рационально использовать транзисторные преобразователи частоты. В приемниках дециметровых волн можно применять преобразователи с транзисторными и диодными (резистивными, туннельными и параметрическими) смесителями. Приемники сантиметровых и миллиметровых волн имеют преобразователи с диодными смесителями. В разрабатываемом приемнике рабочая длина волны 37 см, т.е. дециметровый диапазон, тогда по выше приведенным рекомендациям будем осуществлять синтез транзисторного смесителя, так как диодные смесители имеют больший коэффициент шума и меньший коэффициент усиления что в конечном итоге отразится на уменьшении чувствительности приемника.
Одним из важнейших узлов приемника является смеситель, осуществляющий функцию переноса спектра частот в ту или иную область. В диапазоне СВЧ биполярные транзисторы используются до частот 4..6 ГГц, на более высоких частотах лучшие показатели имеют ПТШ. В зависимости от схемы построения смесители делятся на небалансные (НБС), называемые еще однотактными, и балансные (БС), или двухтактные. Однако НБС в современных приемниках РЛС применяются весьма редко, так как имеют ряд недостатков по сравнению с БС. Ниже рассмотрим преимущества БС. Основным преимуществом является способность подавлять шум амплитудной модуляции колебаний гетеродина, что весьма важно для получения низкого коэффициента шума. Наряду с этим БС работает при меньшей мощности гетеродина, имеет повышенную помехоустойчивость к сигналам помех определенных частот, а также позволяет уменьшить мощность гетеродина, просачивающуюся в антенну, что позволяет увеличить скрытность работы пассивной РЛС.
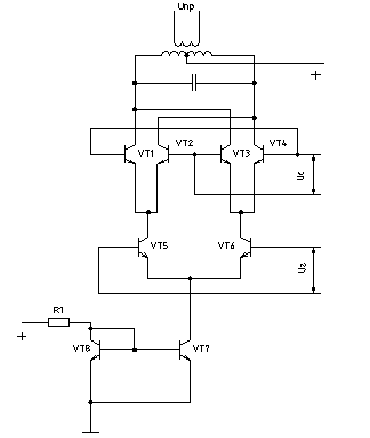
Балансные схемы в основном делают в интегральном исполнении [6]. Для балансных преобразователей используются дифференциальные каскады (рисунок 3.1).
Коллекторное
напряжение на смесительные транзисторы
VT1 и VT2 подано через среднюю точку катушки
индуктивности выходного резонансного
контура, настроенного на промежуточную
частоту. Токи i1 и i2 транзисторов VT1 и VT2
через выходной контур текут встречно,
и выходное напряжение пропорционально
их разности. Напряжение гетеродина на
смесительные транзисторы подано через
транзистор VT3 синфазно. Поэтому токи i1
и i2 с частотой гетеродина, его гармоник
и составляющие токов шумов гетеродина,
имеющие в обоих транзисторов одинаковые
фазы, взаимно компенсируются и не создают
напряжения в выходных цепях. Под действием
напряжения гетеродина меняется крутизна
характеристики каждого из транзисторов
VT1 и VT2.
Рисунок 3.1 Схема балансного смесителя.
Напряжение сигнала действует на транзисторы смесителя противофазно, поэтому составляющие тока промежуточной частоты также противофазны. Эти токи в выходном контуре текут встречно, поэтому составляющие промежуточной часты складываются.
Также в балансном преобразователе, как и в балансном усилителе, происходит компенсация четных гармоник преобразуемого сигнала. В частности, в балансном преобразователе компенсируются помехи с частотами полузеркальных каналов.
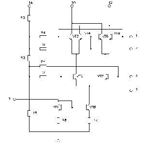
Балансная схема является аналоговым перемножителем напряжений, построенным по методу переменной крутизны, т.е. на основе зависимости крутизны транзистора от тока эмиттера. Такая схема не балансна по одному из напряжений, одно из них проходит на выход. Схема двойного балансного смесителя для напряжений сигнала и гетеродина приведена на рисунке 3.2. Смеситель построен на основе трех дифференциальных транзисторных пар. Напряжение Uc подано на транзисторные пары VT1, VT2 и VT3, VT4 крутизна характеристик которых меняются под действием напряжения Uг с помощью транзисторов VT5 и VT6. На тразисторы каждой пары напряжение сигнала подается противофазно, а напряжение гетеродина – синфазно на оба транзистора одной пары, но противофазно для разных пар. Токи всех транзисторов определяются ГСТ на транзисторе VT7, напряжение на базе которого стабилизировано цепью из резистора R1 и транзистора VT8 в диодном включении.
Рисунок 3.2. Смеха
двойного балансного смесителя.
Основными параметрами балансного смесителя являются:
Рабочий диапазон частот;
Динамический диапазон;
Коэффициент шума N;
Подавление напряжения входного сигнала на выходе по отношению к уровню сигнала промежуточной частоты Sс;
Подавление напряжения гетеродина на выходе по отношению к уровню сигнала промежуточной частоты Sг>;>
Коэффициент передачи по мощности K>.>
Рассмотрев различные варианты схемы построения смесителя остановимся на двойной балансной схеме смесителя в интегральном исполнении.
3.2 Выбор элементной базы
Произведя обзор по отечественной и зарубежной элементной базе был выбран наиболее подходящий смеситель. Сверхширокополосный монолитный интегральный смеситель М43209, применяется в качестве двойного балансного преобразователя частоты, имеет следующие параметры [9]:
Рабочий диапазон частот – 15-1000 Мгц;
Динамический диапазон – не менее 80 дБ;
Коэффициент шума N – не более 8 дБ;
Подавление напряжения входного сигнала на выходе по отношению к уровню сигнала промежуточной частоты Sс – не менее 20 дБ;
Подавление напряжения гетеродина на выходе по отношению к уровню сигнала промежуточной частоты Sг – не менее 20 дБ>;>
Коэффициент передачи по мощности K – не менее 7 дБ>.>
3.3 Расчет смесителя
Синтез смесителя как было сказано выше произведем на основе сверхширокополосного монолитного интегрального смесителя М43209, его схема приведена на рисунке 3.3.
Возьмем за основу типовую схему включения, но при этом внесем некоторые изменения. Так как гетеродинный вход дифференциальный, то на вход дополнительно включим трансформатор, чтобы можно было использовать синфазный сигнал гетеродина, таким образом напряжение на гетеродинах входах будет противофазно. На сигнальный вход будем сразу подавать противофазный сигнал с ПАВ – фильтра, так что отпадает необходимость использовать трансформатор. На выходе смесителя поставим резонансный контур. Схема включения приведена рисунке 3.4:
Рисунок 3.3. Схема электрическая принципиальная М43209.





































































Сигнал подается на дифференциальный вход модуля (выводы 6,7 ). Сигнал гетеродина подается также на дифференциальный вход (выводы 1,2 ). Резистор R1 служит для согласования выхода гетеродина и входа смесителя. Конденсаторы С1 и С2 являются разделительными и служат для развязки смесителя и гетеродина по постоянному току. Номиналы конденсаторов рассчитываются по формуле 2.1, получаем что С1=С2>39 пФ. Возьмем номиналы конденсаторов из стандартного ряда С1=С2=470 пФ. Трансформатор Т1 служит для получения противофазного сигнала. Индуктивность обмоток рассчитывается по формуле 3.2.1:
(3.3.1)
где ωо – рабочая частота, рад/сек,
L – индуктивность обмоток.
мкГн
На выходе модуля (выводы 10,12) цепочки R3, С3 и R4, С4 является фильтрами нижних частот, предназначенные для фильтрации частоты гетеродина и несущей. Частота среза фильтра должна быть больше 5 МГц, чтобы не давилась промежуточная частота. Возьмем частоту среза fc=80 Мгц. Номиналы резисторов R3=R4=50 Ом, так как микросхема для устойчивой работы должна быть нагружена на 50 Ом. Исходя из этого рассчитаем номиналы конденсаторов С3 и С4 по формуле 3.2.2:
(3.3.2)
где R=R3=R4=50 Ом,
fс=80 МГц – частота среза.
Ф
Индуктивность обмоток выберем таким образом, чтобы резонансный контур, состоящий из индуктивности обмоток и С3, С4 были настроены на промежуточную частоту 5 МГц. Соединение обмоток трансформатора Т2, приведенные на рисунке 3.4, обеспечивает симметрию схемы и два несимметричных выхода. Индуктивность обмоток рассчитывается по формуле 3.2.3:
(3.3.3)
где L – индуктивность обмоток,
С=С3=С4=36 пФ – емкость контура,
fпр=5 МГц – промежуточная частота.
Гн
Емкости С5, С6 и индуктивность проводов служат фильтрами по высокой частоте 5 МГц в цепи питания. Индуктивность выбирается исходя из условия, что на высокой частоте оно имеет большое сопротивление порядка 1000 Ом.
Номиналы емкости рассчитываются по формуле .
Ф
Из ряда номинальных величин выбираем С5=С6=470 пФ
Емкость С7 и индуктивность проводов служит фильтром для низкой частоты в цепи питания. Индуктивность выбирается исходя из условия, что на низкой частоте оно имеет большое сопротивление порядка 1000 Ом. Номинал емкости С7 такой же, что и в цепи питания МШУ, т.е С7=0.047 мкФ.
4. Результаты экспериментального исследования
4.1 Результаты исследования малошумящего усилителя
В результате проведенной работы был исследован малошумящий усилитель MGA86563.
Исследование АЧХ МШУ производилось с помощью стенда СНПУ-135, прибора для исследования АЧХ Х1-42.Схема соединений для измерения АЧХ приведена на рисунке 4.1:

Рисунок 4.1.Схема соединений для измерения АЧХ.
В ходе эксперимента величины корректирующих элементов подобраны так, чтобы обеспечить следующие характеристики.
полоса пропускания – 300 МГц;
центральная частота – 804 МГц;
коэффициент усиления по мощности – 20 дБ.
Измерение коэффициента шума МШУ производилось с помощью генератора шума Я5Х-269, индикатора коэффициента шума типа Я8Х-273.Схема соединений для измерения коэффициента шума приведена на рисунке 4.2:

Рисунок 4.2. Схема соединений для измерения коэффициента шума.
Получен следующий результат:
коэффициент шума – 1.8 дБ.
Измерение динамического диапазона МШУ производилось с помощью генератора Г4-76А, стенда СНПУ-135, ваттметр поглощаемой мощности М3-56. Схема соединений для измерения динамического диапазона приведена на рисунке 4.3:

Рисунок 4.3. Схема соединений для измерения динамического диапазона
Получен следующий параметр:
динамический диапазон - 92 дБ.
4.2 Результаты исследования смесителя
Исследовался блок построенный на основе сверхширокополосного монолитного интегрального смесителя М43209 с избирательной нагрузкой на выходе, в качестве избирательной нагрузки был использован колебательный контур.
Исследование смесителя производилось с помощью генератора Г4-76А, стенда СНПУ-135, осциллографа С1-65А, вольтметра В3-56. Схема соединений для измерения коэффициента усиления приведена на рисунке 4.4:
Рисунок 4.4.Схема
соединений для измерения коэффициента
усиления.
В ходе эксперимента были измерены следующие параметры:
- оптимальная мощность гетеродина - –39 дБ/Вт;
- допустимая мощность сигнала, при котором смеситель работает в линейном режиме - –30 дБ/Вт;
- максимальный коэффициент усиления по мощности - +10 дБ;
Исследование
АЧХ производилось с помощью стенда
СНПУ-135, прибора для исследования АЧХ
Х1-42. Схема соединений для измерения АЧХ
приведена на рисунке 4.5:
Рисунок 4.5. Схема соединений для измерения АЧХ.
Получены следующие результаты:
полоса пропускания по уровню –3 дБ - 11 МГц;
центральная частота - 6,5 МГц.
В ходе исследования блок был настроен на оптимальные параметры.
4.3 Результаты исследования приемника
В ходе проделанной работы были исследованы характеристики разработанного приемника.
Исследование
приемника производилось с помощью
генератора Г4-176, синтезатора частот
РЧ6-05, стенда СНПУ-135, осциллографа С1-65А,
вольтметра В3-56, спектроанализатора
Я-40 и специальной аппаратуры. Схема
соединений для измерения характеристик
приемника приведена на рисунке 4.6:
Рисунок 4.6 Схема соединений для измерения характеристик приемника.
1. Измерение чувствительности и уровня шумов.
Схема соединений для измерения чувствительности и уровня шумов приведена на рисунке 4.6.
Получены следующие результаты:
чувствительность приемника - -152 дБ/Вт,
уровень шумов на выходе приемника - -14дБ/В.
В исследуемый приемник не входили переключатели и ПАВ-фильтр, с введением их в блок приемника чувствительность упадет примерно на 2-3 дБ, т.е чувствительность приемника будет около –150 дБ/Вт, что удовлетворяет техническому заданию.
Измерение сквозной АЧХ приемника.
Схема соединений для измерения сквозной АЧХ приемника приведена на рисунке 4.6.
Полученные результаты приведена в приложении D. Из результатов видно что сквозная АЧХ приемника имеет наклон +12 дБ/окт в диапазоне частот от 6 кГц до 160 кГц. Динамический диапазон приемника - 62 дБ, при введение в схему режекторного фильтра пассивных помех динамический диапазон увеличиться на 10-15 дБ, что удовлетворяет техническому заданию. Максимальный входной сигнал -
3. Измерение подавления зеркальных каналов.
Схема соединений для измерения подавления зеркальных каналов приведена на рисунке 4.6.
Получены следующие результаты:
подавление первого зеркального канала – 18 дБ, так как в реальном приемнике будет два ПАВ-фильтр , то подавление первого зеркального канала будет около 36 дБ.
подавление второго зеркального канала [см. приложении Е] примерно 20-30 дБ.
4. Измерение регулировочной характеристики.
Схема соединений для измерения подавления зеркальных каналов приведена на рисунке 4.6.
Полученные результаты приведена в приложении F. Глубина регулировки А=46 дБ, при изменении управляющего напряжения от 0 В до –6 В.
5. Организационно-экономическая часть
5.1 Технико-экономическое обоснование работы
Разработка настоящего дипломного проекта вызвана необходимостью создания ВЧ тракта приемного устройства для приемо-передающего модуля радиолокатора.
Целью проекта является создание ВЧ тракта, обладающих заданными техническими характеристиками, и возможностью их реализации при невысокой себестоимости.
5.2 Планирование работ
Для проведения опытно-конструкторских работ требуется четкое планирование и организация на всем протяжении работ.
Для того, чтобы правильно спланировать работу по созданию ВЧ тракта для приемо-передающего модуля, необходимо провести тщательный выбор и обоснование комплекса работ, осуществить их взаимосвязь.
Для этого составляется перечень работ, которые необходимо произвести, чтобы выполнить эскизный проект, включающий в себя выбор и обоснование схемы устройства, расчет схемы устройства, конструктивные расчеты, проработку технико-экономических вопросов. Для оценки трудоемкости работ используется следующее соотношение:
(5.2.1)
где t>i> - ожидаемая трудоемкость работ;
A>i> - минимально возможная трудоемкость работ;
M>i> - наиболее вероятная трудоемкость работ;
D>i> - максимально возможная трудоемкость работ;
i - номер работы.
Полученные результаты отражены в таблицах 5.2.1, 5.2.2.
Таблица 5.2.1 – Перечень работ на разработку ВЧ тракта
|
Номер работы |
Вид работы |
Исполнитель |
|
1 |
Анализ ТЗ, изучение научно-технической литературы |
Инженер |
|
2 |
Выбор и обоснование функциональной схемы |
Руководитель, инженер |
|
3 |
Разработка схемы электрической принципиальной и ее расчет |
Руководитель, инженер |
|
4 |
Конструктивные расчеты. Изготовление и настройка блока |
Руководитель, инженер |
|
5 |
Конструкторско-технологическая часть. Организационно-экономическая часть |
Руководитель, инженер |
|
6 |
Выполнение чертежей и пояснительной записки |
Инженер |
|
7 |
Проведение лабораторных испытаний блока. Корректировка электрического расчета |
Руководитель, инженер |
Таблица 5.2.2 – Трудоемкость выполнения работ
|
Номер работы |
Минимальная трудоемкость работ, дней |
Вероятная трудоемкость работ, дней |
Максимальная трудоемкость работ, дней |
Ожидаемая трудоемкость работ, дней |
|
1 |
6 |
7 |
8 |
7 |
|
2 |
6 |
7 |
8 |
7 |
|
3 |
8 |
9 |
10 |
9 |
|
4 |
4 |
5 |
6 |
5 |
|
5 |
3 |
4 |
5 |
4 |
|
6 |
13 |
14 |
15 |
14 |
|
7 |
5 |
6 |
7 |
6 |
Ленточный график приведен в приложении H.
5.3 Расчет стоимости разработки ВЧ тракта
Расчет стоимости разработки устройства производится по следующим статьям расходов:
Комплектующие и материалы
Фонд оплаты труда
Отчисления на социальное страхование
Накладные расходы
Расшифровка затрат по статье "Комплектующие и материалы" предоставлена в таблице 5.3.1.
Таблица 5.3.1 Расшифровка статьи комплектующие и материалы
|
Наименование комплектующего изделия. |
Кол. шт. |
Цена за единицу, руб. |
Сумма затрат, руб. |
Поставщик |
Адрес поставщика. |
|
1 |
2 |
3 |
4 |
5 |
6 |
|
Устройство |
|||||
|
Керамические ЧИП конденсаторы |
|||||
|
ЧИП-50В-5пФ±5% |
4 |
0,64 |
2,56 |
ООО "Институт радиотехники" |
г. Екатеринбург |
|
ЧИП-50В-100пФ±5% |
3 |
0,64 |
1,92 |
ООО "Институт радиотехники |
г. Екатеринбург |
|
ЧИП-50В-47нФ±5% |
2 |
0,67 |
1,34 |
ООО "Институт радиотехники |
г. Екатеринбург |
|
ЧИП-50В-20пФ±5% |
2 |
0,64 |
1,28 |
ООО "Институт радиотехники |
г. Екатеринбург |
|
ЧИП-50В-470пФ±5% |
4 |
1 |
4 |
ООО "Институт радиотехники |
г. Екатеринбург |
|
ЧИП-50В-36пФ±5% |
2 |
0,64 |
1,28 |
ООО "Институт радиотехники |
г. Екатеринбург |
|
Резисторы |
|||||
|
Р1-8-0,125-20Ом±2% |
1 |
4,25 |
4,25 |
ЗАО "Резистор-НН" |
г. Нижний-Новгород |
|
РН1-12-0,125-51Ом±5% |
4 |
0,65 |
2,6 |
ГКБ "Икар" |
г. Нижний-Новгород |
|
РН1-12-0,125-5,1кОм±5% |
2 |
0,65 |
1,3 |
ГКБ «Икар» |
г. Нижний-Новгород |
|
РН1-12-0,125-10кОм±5% |
1 |
0,65 |
0,65 |
ГКБ «Икар» |
г. Нижний-Новгород |
|
РН1-12-0,125-100Ом±5% |
1 |
0,65 |
0,65 |
ГКБ «Икар» |
г. Нижний-Новгород |
|
РН1-12-0,125-2кОм±5% |
1 |
0,65 |
0,65 |
ГКБ «Икар» |
г. Нижний-Новгород |
|
Микросхемы |
|||||
|
SSW-124 |
2 |
527,5 |
1055 |
ООО "Институт радиотехники |
г. Екатеринбург |
|
MGA-86563 |
1 |
211,3 |
211,3 |
ООО "Институт радиотехники |
г. Екатеринбург |
|
М43209 |
1 |
170 |
170 |
НИИ "Электроника" |
г. Новосибирск |
|
Фильтр 4553М-804 |
2 |
252 |
504 |
ТОО "АЭК" |
г. Санкт-Петербург |
|
Аттенюаторы |
|||||
|
ПР1-1-4дБ±2% |
1 |
47,52 |
47,52 |
ООО "Тензор" |
г. Нижний-Новгород |
|
ПР1-1-8дБ±2% |
1 |
63,36 |
63,36 |
ООО "Тензор" |
г. Нижний-Новгород |
|
Сердечник МР100Ф-2 |
1 |
15,72 |
15,72 |
ООО "Балтэлектронкомплект" |
г. Санкт-Петербург |
|
Сердечник МР1500НМ3-23 |
1 |
1,8 |
1,8 |
ООО "Балтэлектронкомплект |
г. Санкт-Петербург |
|
Индуктивность 10 мкГн |
1 |
1,8 |
1,8 |
ООО "Балтэлектронкомплект |
г. Санкт-Петербург |
|
Розетка СР-50-727ФВ |
3 |
56 |
168 |
ФРУП ПО "Октябрь" |
г. Каменск-Уральский |
|
Гнездо контрольное |
2 |
13,5 |
27 |
ПРУП Минский завод "Термопласт" |
г. Минск |
|
ИТОГО: |
2287,98 |
||||
|
Материалы - 15% |
343,2 |
||||
|
Транспортно-заготовительные расходы – 2,2% |
57,89 |
||||
|
ВСЕГО: |
2689,07 |
Трудоемкость, содержание работ и сроки их выполнения определяет оперативно-календарный план – основной расчетный документ для планирования работ по теме. Основная заработная плата рассчитывается исходя из суммарной трудоемкости работ в человеко-днях.
Календарный фонд рабочего времени за период разработки составляет 52 дня. Трудоемкость разработки в человеко-днях по оперативно-календарному плану (таблица 5.3.2) составляет:
Таблица 5.3.2 Описание темы по этапам, трудоемкость и сроки исполнения
|
№ этапов |
Наименование этапов и пунктов |
Ведущий руководитель этапа |
Содержание работы |
Трудоемкость |
Общая трудоемкость (приведенная к ИТР-дням) |
Сметная стоимость в тыс. рублях |
Календарный график в сметной стоимости |
|||||||||||||||
|
ИТР (в чел.-днях) |
рабочие (н-час) |
|||||||||||||||||||||
|
научно-технический отдел и лаборатории |
конструкторов |
чертежники, деталировщиккопировщики |
лаборатории |
опытное производство |
апрель |
май |
Июнь |
|||||||||||||||
|
недели |
недели |
Недели |
||||||||||||||||||||
|
1 |
2 |
3 |
4 |
1 |
2 |
3 |
4 |
1 |
2 |
3 |
4 |
|||||||||||
|
1 |
2 |
3 |
4 |
5 |
6 |
7 |
8 |
9 |
10 |
11 |
12 |
13 |
14 |
15 |
16 |
17 |
18 |
19 |
20 |
21 |
22 |
23 |
|
|
Эскизный проект |
Анализ ТЗ, изучение научно-технической литературы |
7 |
7 |
||||||||||||||||||
|
|
Выбор и обоснование функциональной схемы |
7 |
7 |
|||||||||||||||||||
|
3 |
Разработка схемы электрической принципиальной и ее расчет |
9 |
9 |
|||||||||||||||||||
|
4 |
Конструктивные расчеты. Изготовление и настройка блока. |
5 |
5 |
|||||||||||||||||||
|
5 |
Конструкторско-технологическая часть. Организационно-экономическая часть |
4 |
4 |
|||||||||||||||||||
|
6 |
Выполнение чертежей и пояснительной записки |
14 |
14 |
|||||||||||||||||||
|
7 |
Проведение лабораторных испытаний блока. Корректировка электрического расчета |
6 |
6 |
|||||||||||||||||||
|
ВСЕГО: трудоемкость разработки (чел-дн) |
52 |
52 |
Сумма расходов по статье "отчисление на социальное страхование" определяется по установленному Правительством Российской Федерации проценту от ФОТ. Отчисления на социальное страхование - 36 % от основных и дополнительных расходов на оплату труда в соответствии с Налоговым кодексом РФ часть II, глава 24 и письмом Министерства РФ по налогам и сборам № БГ-6-12/774 от 03.10.2000 г., (Постановлением Правительства РФ № 184 от 02.03.2000 г., страховое свидетельство ФСС РФ № 1441 от 31.01.2001 г. с от 16.04.2001 г.).
,
где:
– трудоемкость, чел-днях;
– численность производственного
персонала – 1 человек;
– месячный фонд рабочего времени – 21
день;
– число месяцев, подлежащих отработке
– 2,5.
Получается:
=
52 чел-дня.
Трудоемкость ИТР составляет 52 чел-дня.
Средняя оплата труда 1 чел./мес. инженерно-технического персонала составляет 4479,00 руб. в соответствии с протоколом согласования фактически сложившегося на ГУП УПКБ «Деталь» уровня оплаты труда для формирования цен на продукцию оборонного значения.
Дополнительная заработная плата составляет 8,6% от основной.
Накладные расходы по предприятию установлены в размере 250 % от основной заработной платы труда.
Калькуляция затрат представлена в таблица 5.3.3.
Таблица 5.3.3 Калькуляция затрат на разработку передающего устройства
|
Наименование статей расходов |
Сумма, руб |
|
1. Материалы и комплектующие изделия |
2689,07 |
|
2. Заработная плата |
11197,68 |
|
- трудоемкость ИТР, чел/дн |
52 |
|
- стоимость 1 чел/дн ИТР, руб |
215,34 |
|
3. Отчисления на социальное страхование (36% от п. 2) |
4031,16 |
|
4. Накладные расходы (250% от п.2 / 1,086) |
27994,2 |
|
5. Себестоимость разработки (п.1+п.2+п.3+п.4) |
45912,11 |
В результате проведенного в данном разделе расчета определена стоимость разработки ВЧ тракта приемного устройства, которая составляет 45912,11 руб.
6. Охрана труда
Данный раздел дипломного проекта посвящен его оценке с точки зрения безопасности, экологичности, а также работы в чрезвычайных ситуациях.
Дипломный проект посвящен разработке и изготовлению приемного устройства в техническом подразделении (радиотехнической лаборатории) предприятия, расположенного в центре города в огороженном здании в непосредственной близости от жилых домов.
В этом разделе дипломного проекта рассмотрим следующие вопросы:
обеспечение безопасности работающих;
экологичность проекта;
чрезвычайные ситуации.
6.1 Обеспечение безопасности работающих.
6.1.1 Характеристика условий труда
Охрана труда является важнейшим элементом процесса производства. Поэтому она имеет как организационно-технические, так и социальные аспекты. Охрана труда призвана ограждать работников от воздействия от опасных и вредных производственных факторов, обеспечивать наиболее благоприятные условия труда, что содействует повышению производительности труда.
В процессе труда человек вступает во взаимодействие с предметами труда, орудиями труда и другими людьми. Кроме того, на него воздействуют различные параметры производственной обстановки, в которой протекает труд (температура, влажность и подвижность воздуха, шум, вибрации, вредные вещества, различные излучения и т.д.). Все это в совокупности характеризует определенные условия, в которых протекает труд человека.
От условий труда в большой степени зависят здоровье и работоспособность человека, его отношение к труду, и результаты труда. При плохих условиях резко снижается производительность труда, и создаются предпосылки для возникновения травм и профессиональных заболеваний.
Эргономика – наука, изучающая функциональные возможности человека в трудовых процессах с точки зрения анатомии, антропологии, физиологии, психологии и гигиены в целях создания орудий и условий труда, а также технологических процессов, наиболее соответствующих требованиям человеческого организма.
Эргономическая оценка рабочего места
Эргономические требования к рабочему месту устанавливаются в соответствии с ГОСТ 12.2.032-78. Рабочее место для выполнения работ сидя организуют при легкой работе, не требующей свободного передвижения работающего.
Рабочее место инженера-проектировщика – часть помещения предприятия, имеющая площадь и объем, достаточные для размещения инженера и необходимого оборудования. Конструкция рабочего места и взаимное расположение всех его элементов должны соответствовать физиологическим и психологическим требованиям, а также характеру работы. Рабочее место должно быть организовано в соответствии с требованиями стандартов, технических условий и методических указаний по безопасности труда. Конструкцией рабочего места должно быть обеспечено оптимальное положение работающего.
В проектировании процедуры обработки используется вид рабочего места, включающего в себя все необходимое для расчета: стол, стул, ЭВМ, информационные и рабочие материалы. Рабочий стол используется для расчетов, эскизов, чертежей. Материал крышки стола не должен быть блестящим, но обязательно гладким. Стол имеет возможность регулировки высоты, так как это является одним из решающих факторов комфортности рабочего места, который влияет на быстроту утомляемости, правильность осанки и качество выполняемых работ. Размеры столешницы обычно 1600/800 мм. В таблице 6.1.1 приведена рекомендуемая высота столешницы в зависимости от роста человека(ГОСТ 12.2.032-78).
Таблица 6.1.1 – Рекомендуемая высота столешницы
|
Рост человека, см |
190 |
180 |
170 |
165 |
160 |
150 |
|
Высота стола, см |
75 |
72 |
70 |
68 |
66 |
64 |
Форма сидения и спинка стула выполняется так, чтобы исключить онемение тела из-за нарушения кровообращения и давать возможность частой смены положения.
Очень часто используемые средства отображения информации, требующие точного и быстрого считывания показаний, следует располагать в вертикальной плоскости под углом в ±15° от нормальной линии взгляда и в горизонтальной плоскости под углом ±15°. К данным средствам отображения относятся все приборы, используемые в работах на предприятии.
В зависимости от характера выполняемых работ освещенность рабочей площади должна быть от 200 до 100 лк, предпочтительнее использовать рассеянное освещение. Рекомендуемые цвета: потолок – белый; стены – желтые, салатные, светло-голубые; панели и пол – темно-серые, темно-красные, коричневые.
Для обеспечения комфортной рабочей среды необходимо обеспечить в течении 8-и часовой рабочей смены вентиляцию воздуха объемом 25-50м3, отвод влаги 300-500 гр., тепла 5000 Дж на каждый кг массы инженер-оборудование.
Большое значение имеют требования к рабочим помещениям. Объем помещения на одного работника – 15 м3 и площадь – 4.5 м2. Лабораторное помещение, в котором производится разработка, имеет объем 90 м3 и площадь 30 м2. Комната имеет пять рабочих мест, то есть на одного работающего приходится 18 м3 и площадь 6 м2, что удовлетворяет требованиям. Лаборатория для поддержания нужной температуры и влажности воздуха оснащена кондиционерами и обогревательными устройствами.
Источниками шумов в лаборатории являются вентиляторы охлаждения мощных приборов, что необходимо для их нормальной работы. В соответствии с требованиями СНиП 11–12.77 для нормальной работы допускается уровень шумов 60 дБ. При работе всех приборов в лаборатории уровень шума составляет 40-45 дБ. Но так как вероятность работы одновременно всех приборов мала, то требования СНиП11–12.77 удовлетворяются.
Особенностью рабочего места является достаточно большой обзор и зона деятельности рук. Кроме того, требуется избегать длительные фиксированные рабочие позы.
Рабочее место включает в себя информационное и моторное поля. Моторное поле подразделяется на зоны:
оптимальной досягаемости;
легкой досягаемости;
предельной досягаемости.
На рабочем месте в зоне оптимальной досягаемости расположен: паяльник, инструменты, настраиваемое изделие, щупы измерительных приборов. К ним обращаются чаще двух раз в минуту.
В зоне легкой досягаемости находится осциллограф, генератор, блок питания, вольтметр. К ним обращаются реже двух раз в минуту, но чаще, чем два раза в час.
В информационном поле измерительные приборы расположены в вертикальной плоскости под углом ± 150 от нормальной линии взгляда. (ГОСТ 12.2.032 Рабочее место при выполнении работ сидя).
При разработке необходимо следить за выполнением следующих требований:
наличие рубильника на щите отключения общего питания;
наличие в лаборатории разводки питания к каждому рабочему месту, которая заканчивается розеткой;
наличие защиты от перегрузок в общей цепи в цепях каждого отключателя;
на окнах, расположенных с солнечной стороны должны иметься плотные шторы для защиты рабочего места от прямых солнечных лучей;
при работе с СВЧ энергией необходимо строго руководствоваться следующими нормами облучения, которые должны составлять:
- не выше 10 мкВт/см2 при работе в течении дня;
- не выше 100 мкВт/см2 при работе до 2-х часов;
- не выше1000 мкВт/см2 при работе не более15-20 мин;
системы общего освещения освещенность рабочего места должна быть 150-200 лк согласно СНиП 11-4-79.
Микроклимат в помещении лаборатории
Под оптимальными микроклиматическими условиями понимают такие сочетания параметров, которые при длительном и систематическом воздействии на человека обеспечивают сохранение нормального функционирования и теплового состояния организма без напряжения механизма терморегуляции. Они обеспечивают ощущение теплового комфорта и создают предпосылки для хорошей работоспособности.
Требования к микроклимату на рабочем месте устанавливаются в соответствии с ГОСТ 12.1.005-88.
Нормирование микроклимата в рабочей зоне производится в зависимости от периода года, категории работы, избытком тепла.
Оптимальные микроклиматические условия характеризуются сочетанием параметров микроклимата, которые при длительном воздействии на человека обеспечивают сохранение нормального функционального и теплового состояния организма. Оптимальное сочетание параметров приведено в таблице 6.1.2.
Таблица 6.1.2 - Параметры микроклимата
|
Параметры микроклимата |
Значение |
|
1. Период года |
теплый, переходный |
|
2. Категория работы |
Легкая |
|
3. Температура воздуха |
20 - 23 0С |
|
4. Оптимальная относительная влажность |
40 - 60 % |
|
5. Скорость движения воздуха |
0,2 м/с |
Вентиляция в помещении лаборатории
Под вентиляцией понимают систему устройств, предназначенных для обеспечения на постоянных рабочих местах, в рабочей и обслуживаемой зонах помещений метеорологических условий и чистоты воздушной среды, соответствующих гигиеническим и техническим требованиям.
Основными вредными веществами в лаборатории являются вещества, выделяемые при пайке. Они относятся к разряду вредных устройств, вызывающих нарушение деятельности всего организма и отдельных его систем.
Основная мера борьбы с вредными веществами – вентиляция. Основным видом вентиляции в данной лаборатории является естественная вентиляция, осуществляемая за счет разности температур воздуха в помещении и наружного воздуха, а также действия ветра. Она осуществляется при открывании форточек и окон на определенное время. Данной вентиляции достаточно для поддержания концентрации вредных веществ ниже предельно допустимых норм (ПДК).
Характеристика помещения по степени опасности поражения человека электрическим током
Анализ признаков, влияющих на вероятность поражения человека электрическим током:
полы являются не токопроводящими;
относительная влажность воздуха не превышает 60%, помещение является сухим;
температура воздуха не превышает плюс 30°С, следовательно повышенной не является;
возможности одновременного прикосновения человека к заземленным корпусам технологического оборудования с одной стороны и токоведущим частям с другой стороны не имеется;
химически активные вещества отсутствуют.
Согласно ГОСТ 12.1.013-78.ССБТ данное помещение можно классифицировать как помещение без особой опасности.
Все работы с приборами должны осуществляться в соответствии с правилами техники эксплуатации электроустановок промышленных предприятий. Для обеспечения безопасности при работе с электрооборудованием согласно ГОСТ 12.1.009-76 необходимо корпуса всех используемых приборов соединить с проведенным в лаборатории кольцевым заземлением. Сопротивление заземления корпуса должно быть не более 4 Ом. Все токоведущие проводники тщательно изолируются, чтобы устранить возможность соприкосновения человека с ними.
Классификация производства по пожароопасности и взрывоопасности
По отношению к возможности образования взрывоопасных смесей или горючей пыли или волокон с переходом их во взвешенное состояние, данное помещение может быть классифицировано как взрывобезопасное, так как условия таких взрывоопасных продуктов отсутствуют.
6.1.2 Обеспечение безопасности труда
Электробезопасность
Для исключения поражения людей электрическим током все приборы, используемые в процессе работы, должны быть заземлены. Требования к заземлению устанавливаются в соответствии с ГОСТ 12.1.030-81.
Защитное заземление следует выполнять преднамеренным электрическим заземлением металлических частей электроустановок с «землей» или эквивалентом.
В случае возникновения аварийной ситуации или несчастного случая нужно обесточить лабораторию, отключив рубильник силового щита.
При работе в лаборатории необходимо знать, что ремонт приборов и макетов имеют право производить только лица, имеющие квалификационную группу и право работы в таких условиях.
Эксплуатацию электроустановок должен осуществлять подготовленный электротехнический персонал.
Производственному неэлектротехническому персоналу, выполняющему работы, при которых может возникнуть опасность поражения электрическим током, присваивается I группа по электробезопасности.
Инструктаж неэлектрического персонала производит лицо из электротехнического персонала с квалификационной группой по электробезопасности не ниже III.
Результаты проверки оформляются в специальном журнале установленной форме. Удостоверение не выдается.
Обучение и проверка знаний лиц, обслуживающих электроустановки, производится в соответствии с главой "Подготовка персонала" ПТЭ и ПТБ при эксплуатации электроустановок потребителей.
Работники из электротехнического персонала, не достигшие 18-летнего возраста, к работе на электроустановках не допускаются.
Состояние здоровья электротехнического персонала, обслуживающего действующие электроустановки, определяется медицинским освидетельствованием при приеме на работу и затем периодически в сроки, установленные органами здравоохранения.
Электротехнический персонал до назначения на самостоятельную работу или при переходе на другую работу (должность), связанную с эксплуатацией электроустановок, а также при перерыве в работе в качестве электротехнического персонала свыше одного года обязан пройти производственное обучение на рабочем месте. Для производственного обучения на рабочем месте работнику должен быть предоставлен срок, достаточный для ознакомления с оборудованием, аппаратурой, оперативными схемами и одновременного изучения в необходимом для данной должности объеме:
"Правил техники безопасности при эксплуатации электроустановок";
"Правил использования электрической энергии";
"Правил устройства электроустановок";
инструкций по охране труда;
других правил, нормативных и эксплуатационных документов, действующих на данном предприятии.
По окончании производственного обучения обучаемый должен пройти проверку знаний. Ему должна быть присвоена соответствующая группа по электробезопасности. После проверки знаний каждый работник из оперативного персонала должен пройти стажировку на рабочем месте продолжительностью не менее двух недель под руководством опытного работника, после чего он может быть допущен к самостоятельной работе. Допуск к стажировке и самостоятельной работе оформляется для ИТР распоряжением по предприятию, для рабочих – распоряжением по цеху.
Проверка знаний правил, должностных и производственных инструкций должна производиться:
первичная – перед допуском к самостоятельной работе;
очередная;
внеочередная – при нарушении правил и инструкций, по требованию ответственного за электрохозяйство или органов государственного энергетического надзора.
Очередная проверка должна производиться в следующие сроки:
для электротехнического персонала, непосредственно обслуживающего действующие электроустановки или выполняющего в них наладочные, электромонтажные ремонтные работы или профилактические испытания, а также для персонала, оформляющего распоряжения и организующего эти работы – один раз в год.
Персоналу, успешно прошедшему проверку знаний выдается удостоверение установленной формы.
На предприятии должна проводиться систематическая работа с электротехническим персоналом, направленная на повышение его квалификации, уровня знаний правил и инструкций по охране труда, изучение передового опыта и безопасных приемов обслуживания электроустановок, предупреждение аварийности и травматизма.
Для защиты рабочего места инженера-проектировщика необходимо принять следующий комплекс мер:
разработка инструкции по технике безопасности;
использование зануления и заземления;
использование дополнительного освещения (настольная лампа 150 Вт на расстоянии 50 см) при монтажных работах.
В соответствии с требованиями СНиП 11-4-79 минимальная осве-щенность рабочей зоны при работах высокой точности должна составлять 300 лк. Для расчета освещенности используется следующая формула:
E = (F·N·n)/(K·S·I), (6.1)
где E- освещенность рабочей поверхности;
F- световой поток источника света;
S- площадь помещения;
N- количество светильников;
n- коэффициент использования световой установки;
I=(1.2-1.3) – коэффициент перехода;
К=1.3 – коэффициент запаса, учитывающий снижение освещенности в процессе эксплуатации ламп.
Для помещения, где поводился расчет схемы системы контроля, для общего освещения используется 8 световых ламп дневного света, поток F=2000, коэффициент использования n=0.8, площадь помещения S=30 м2.
E = (2000·8·0.8)/(1.3·30·1.2) = 273.5 [лк]
Этого освещения достаточно для выполнения этого вида работ.
Требования к заземлению и занулению.
Во время работы инженеру приходится пользоваться электро и радиоизмерительными приборами, которые питаются от напряжения сети 220 В и частотой 50 Гц и относятся к первой группе(с напряжением до 1000 В). Для исключения поражения работающего электрическим током, необходимо обеспечить недоступность токоведущих частей, производить электрическое разделение сети при помощи трансформаторов. По возможности использовать инструмент, рассчитанный на малые рабочие напряжения, использовать соединительные шнуры питания приборов с двойной изоляцией. Для устранения опасности поражения людей переменным током при появлении напряжения на конструктивных частях приборов, последние необходимо занулить. Для первой группы приборов в сетях с глухо - заземленной нейтралью сопротивление защитного зануления не должно превышать 4 Ома в соответствии с ГОСТ 12.1.038-82(Электробезопасность, защитное заземление, зануление).
Заземление и зануление электроустановок следует выполнить в соответствии с требованиями ПЭУ-76. Металлические части оборудования, которые могут в следствии повреждения изоляции оказаться под напряжением, должны иметь заземляющие зажимы, соответственно ГОСТ 21.1.30-75. Возле заземляющих зажимов располагают знаки заземления. Вокруг болта должна быть контактная площадка для присоединения заземляющего провода, защищенная от коррозии и не имеющая поверхностной окраски. Диаметр болта и контактной площадки выбирают по значениям электрического тока, подводимого к оборудованию в соответствии с таблицей 6.1.3.
Органы управления специального технологического оборудования должны соответствовать требованиям ГОСТ 21.7.53, 22.2.69-76, 12.4.040-78.
Таблица 6.1.3-Зависимость диаметра болта и контактной площадки от силы тока
|
Сила электрического тока, А |
Диаметр резьбы болта не менее, мм |
Диаметр контактной площадки не менее, мм |
|
До 16 |
М4 |
12 |
|
16…25 |
М5 |
14 |
|
25…100 |
М6 |
16 |
|
100…250 |
М8 |
20 |
Пожарная безопасность
Пожаробезопасность - это основа техники безопасности, так как несоблюдение правил, установленных в ГОСТ 12.1.004-85 может привести к очень тяжелым последствиям, наносящим материальный ущерб государству и здоровью людей. (ГОСТ 12.1.004-85 Пожарная безопасность).
Причинами возникновения пожаров неэлектрического характера являются:
неисправность вентиляционных систем;
самовозгорание;
неисправность оборудования и нарушение технологических процессов.
Причинами возникновения пожаров электрического характера являются:
короткое замыкание от перегрузки;
большие переходные сопротивления;
искрение;
электрическая дуга;
статическое электричество;
При монтаже и ремонте оборудования техника запитывается от сети 220 В 50 Гц.
Провода силовой части проложены в скрытом защищенном кожухе, а используемые электроприборы, паяльник и измерительная техника находятся в исправном состоянии.
К пожароопасным материалам, применяемым в процессе радиомонтажа необходимо отнести спирто-канифольный флюс, который в связи с содержанием спирта относится к легковоспламеняющимся жидкостям.
Таким образом, радиомонтажные участки относятся к пожароопасным.
Существуют требования пожарной безопасности для таких участков:
во избежание пожара паяльники должны обеспечиваться специальными термостойкими диэлектрическими подставками;
легковоспламеняющиеся жидкости следует хранить в посуде с герметичными крышками, посуду открывают только в момент использования легковоспламеняющихся жидкостей.
В целях пожаробезопасности курение в помещениях лаборатории категорически запрещено и возможно только в специально отведенных местах.
В помещении лаборатории должны быть установлены огнетушители типа ОУ-2, ОУ-7.
Меры безопасности при проведении работ
К работе допускаются лица, достигшие восемнадцатилетнего возраста, прошедшие инструкцию по технике безопасности при работе с электрооборудованием, инструкцию по технике безопасности на рабочем месте в лаборатории с записью в специальном журнале. Лица, приступившие к работе с электрооборудованием, должны быть заранее ознакомлены с инструкциями по эксплуатации каждого прибора, уметь практически оказать первую помощь пострадавшему от электрического тока, знать порядок оповещения при нарушении техники безопасности или травмировании.
Все розетки в помещении должны выключаться с помощью одного рубильника.
Перед началом работы необходимо -
провести внешний осмотр приборов, при этом убедиться, что все токоведущие части закрыты и недоступны для случайного прикосновения;
убедиться в наличии заземления, в исправности вентиляции, рабочего инструмента;
о неисправностях доложить ответственному за лабораторию и только после его разрешения приступать к работе;
4) при включении рубильника весь рабочий персонал должен быть предупрежден.
Для настройки и наладки устройства используются следующие устройства с питанием сети 220В/50 Гц: генератор, частотомер, осциллограф, источники питания. Все подключения и отключения приборов, требующих разрыва электрических цепей, находящихся под напряжением, производятся при помощи полного снятия напряжения. (ГОСТ 12.3.019-80 Испытания и измерения в электронике).
Если присоединения и отсоединения приборов не требуют разрыва электрических цепей (вольтметр или осциллограф), то разрешается указанные операции производить без снятия напряжения, применяя при этом провод с хорошей изоляцией и специальные наконечники с изолированными ручками, рассчитанными на рабочее напряжение до 1000 В.
На монтажном участке проводятся мероприятия по охране труда с целью уменьшить степень риска существующего при выполнении работ по радиомонтажу, исключить травматизм, не допустить возникновение заболеваний, связанных с особенностями технологического процесса, например повышенное содержание свинца в организме работающего.
С этой целью проводятся периодические (два раза в год) инструктажи и принимаются зачеты по знанию требований техники безопасности.
Все работающие с электрооборудованием проходят обучение и инструктаж по технике безопасности и правилам электробезопасности.
Каждый работник имеет индивидуальные средства защиты: инструменты с изолированными ручками, диэлектрические перчатки и резиновые диэлектрические коврики.
В лаборатории, где происходит настройка, предусмотрены (ГОСТ 12.2.007-76 Изделия электротехнические. Общие требования безопасности):
защитное заземление аппаратуры;
распределительный щит обеспечен устройством защитного отключения посредством автоматического выключателя;
допуск к работе только лиц, прошедших инструктаж, обеспечивающий обучение безопасным методам труда и проверку знаний;
изоляция токоведущих частей для цепей 220 В используется двойная;
при настройке проектируемого устройства используется источник питания малого напряжения;
Класс электротехнического изделия по способу (варианту) защиты человека от поражения электрическим током – третий. (ГОСТ 12.1.019 Электробезопасность. Общие требования и номенклатура видов защиты).
Используемые разъемы с единственно возможным соединением исключают возможность неправильного соединения цепей питания.
По окончании работы:
оборудование необходимо отключить, соблюдая порядок выключения, изложенный в инструкции по эксплуатации данного прибора;
убрать рабочее место, рабочую поверхность стола, инструменты вымыть мыльным раствором;
3) уходя с работы последним, обязательно отключить главный рубильник и выключить освещение.
Освещение рабочего места
Для работы средней степени точности, к которым относится монтаж изделия, с наименьшими размерами 0,5 мм и средним фоном, наименьшая допустимая освещенность рабочих поверхностей в производственных помещениях для системы комбинированного освещения 300 лк, для систем общего освещения 150 лк. (СниП II4-79 Естественное и искусственное освещение).
Для монтажных работ приемлемой является система комбинированного освещения. При выполнении системы комбинированного освещения соблюдается определенное соотношение между освещенностью рабочей поверхности, создаваемой одновременно светильниками местного и общего освещения. Это соотношение выдержано в пределах 10/12 – 10/5 (СниП II4-79 Естественное и искусственное освещение) для более равномерного распределения яркости в поле зрения, при этом уменьшается утомляемость.
Место установки устройств местного освещения выбирается в каждом случае индивидуально, на основе изучения характера работы на освещенном рабочем месте и возможных вариантах освещения непосредственно в производственных условиях.
В большинстве случаев возникает необходимость изменения направления светового потока в процессе работы. Это обстоятельство вынуждает использовать шарнирные кронштейны для крепления светильников на рабочем месте.
Воздействие электромагнитного поля СВЧ на организм человека.
Биофизика воздействия электромагнитного поля СВЧ на организм различает тепловое действие радиоволн СВЧ (энергетическое взаимодействие), которое наблюдается при плотности потока мощности свыше 10 мВт/см2 и специфическое действие радиоволн СВЧ.
К специфическим эффектам воздействия радиоволн можно отнести влияние ракурса освещения. Из биологических экспериментов известно, что изменение расположения тела по отношению к векторам поля может привести к резкому изменению эффективности воздействия радиоволн. Наиболее опасным считается облучение по оси грудь-спина.
Чувствительность органов резко повышается, если в них имеются металлические включения, соизмеримые с длиной волны. Исследования позволили выявить у лиц, подвергавшихся хроническому СВЧ-воздействию, определенные изменения со стороны нервной и сердечно-сосудистой систем, эндокринных желез, крови и лимфы, хотя в подавляющем большинстве случаев эти изменения носят обратимый характер. Также были обнаружены случаи помутнения хрусталика и снижения обонятельной чувствительности человека. Наиболее общим эффектом действия на организм человека электромагнитных излучений малых уровней (единицы милливатт) является дезадаптация – нарушение функций механизмов адаптации, регулирующих реакции приспособления организма к изменению условий внешней среды, то есть СВЧ поле является типичным стрессором.
При работе с СВЧ- устройствами следует знать и соблюдать определенные правила (ГОСТ 12.1.006-84 Электромагнитные поля радиочастот. Общие требования безопасности):
Работу с радиочастотами, создающими плотность потока излучения свыше 100 мкВт/см2 производить только в специальных помещениях (камерах, отсеках, кабинах и т.д.).
Испытания установок, по которым распространяются электромагнитные волны с плотностью потока свыше 10 мкВт/см2 производить с использованием защитных очков.
Элементы установок должны быть тщательно состыкованы.
При изменении условий труда, при переходе к отработке установки другой мощности, другой конструкции или при изменении условий излучения к работе приступить после проверки интенсивности облучения работающих.
Работу, связанную с излучением, производить при минимально возможной мощности.
Определение генерируемой мощности и других высокочастотных параметров, производить с помощью специальных приборов, исключающих возможность излучения сверх установленных норм.
Осмотр открытого конца волновода в процессе работы производить только при выключении источника СВЧ.
Во время настройки и испытаний СВЧ устройств не допускается:
направлять излучаемый поток энергии за пределы выделенной зоны (сектора);
определять наличие генерируемой мощности по тепловому эффекту на руке или другой части тела. Для этого следует пользоваться индикаторами поля;
производить разборку или исправление высокочастотного тракта или антенных устройств;
нарушать экранировку СВЧ установок и снимать защитные устройства.
6.2 Экологичность проекта
Наиболее объективным критерием, используемым при экологической экспертизе производства, является ущерб, наносимый народному хозяйству загрязнением окружающей среды.
Характеристика района размещения подразделения:
В настоящее время в городе сложилась неблагоприятная радиационно-химическая обстановка, вызванная скоплением технических радионуклидов.
Территория города, особенно ее южная часть, загрязнены также промышленными, бытовыми отходами. Наиболее характерными следами загрязнения водоемов и почв являются медь, цинк, никель, хром, фториды, хлориды, сульфаты, алюминий.
Сильному загрязнению промышленными и бытовыми отходами подвержена река Исеть, Волковское водохранилище. Воздух в городе, а так же вокруг автодорог и автомагистралей, загрязнен выбросами промышленных предприятий и транспорта. Имеются случаи выпадения кислотных осадков в результате загрязнения атмосферы оксидами серы и азота .
6.3 Чрезвычайные ситуации
Каменск-Уральский, город областного подчинения, расположен в Зауралье, на юго-востоке Свердловской области. Городское звено областной подсистемы РСЧС предназначено для предупреждения чрезвычайных ситуаций (ЧС) в мирное и в военное время, а в случае их возникновения – для ликвидации последствий, обеспечения безопасности населения, защиты окружающей среды и уменьшения ущерба народному хозяйству.
Комиссия по ЧС любого уровня организует материально-техническое, финансовое обеспечение работ по предупреждению и ликвидации ЧС самостоятельно. Расходы, связанные с проведением мероприятий по защите населения, спасательных и других неотложных работ в ходе ликвидации последствий стихийных бедствий, аварий и катастроф проводится за счет средств местных бюджетов и средств предприятий на которых произошла авария.
В городе имеется 35 пожароопасных объектов, 1 взрывоопасный объект. В северо-западном направлении от города на расстоянии 53 км по прямой расположена Белоярская атомная электростанция. В 30ти и в 50ти – километровые зоны от БАЭС город не входит.
Возможная суммарная площадь заражения сильно действующими ядовитыми веществами (СДЯВ) составляет около 220 км2. В зоне возможного заражения проживает 115 тыс. человек. При этом возможные потери могут составить 57,5 тыс. человек.
Защита населения города, ликвидация последствий аварий осуществляется по распоряжениям начальника ГО города. К чрезвычайным ситуациям на территории города можно отнести:
аварии на предприятиях, использующих СДЯВ;
аварии на железнодорожных путях сообщения и транспорта;
стихийные бедствия, связанные с пожарами, паводками, массовыми инфекционными заболеваниями.
На территории города находятся 8 объектов, использующих в своем производстве СДЯВ, с максимальным суммарным запасом хлора 608 т. и аммиака 72 т., в том числе:
Синарский трубный завод;
ПТО жилкомхоза;
хладокомбинат;
Красногорская ТЭЦ;
металлургический завод;
Уральский алюминиевый завод;
товарищество «Экология – вторичные ресурсы»;
станция Каменск-Уральский;
мясокомбинат.
При заблаговременном проведении мероприятий ГО (снижение запасов СДЯВ, обеспечение населения СИЗОД, проведение эвакомероприятий) потери могут снизиться до 0,002 тыс. человек.
Основными источниками аварий на химически опасных объектах могут быть:
неисправность технологического оборудования и емкостей;
нарушение правил техники безопасности при работе с СДЯВ;
отсутствие должной охраны СДЯВ.
На территории города расположены 35 пожароопасных объектов, на территории которых размещены здания и сооружения с категориями производств А, Б и В. Наиболее сложная обстановка ожидается на объектах категории А: нефтебаза, СТЗ, УАЗ, КУМПО, ГАТК, ПАТП, ГАЗЭКС, АТП-14, СУМ-4, ЗЖБИ.
В случае возникновения массовых пожаров возможны человеческие жертвы и уничтожение до 0,01% жилых и –производственных построек.
Площадь лесных массивов, входящих в территорию города составляет 280 га, а прилегающих к городу – 1480 га. При пожаре в них может возникнуть сложная обстановка с угрозой распространения огня на городские объекты.
Основные источники пожаров:
неисправность или неправильная эксплуатация электрооборудования;
неосторожное обращение с огнем;
детская шалость и поджоги;
природного характера (грозы, возгорание торфа и т.д.);
стихийные бедствия.
Основные эпидемиозначимые объекты города:
ОАО «Молоко»;
мясокомбинат;
хлебозавод;
фильтровальная станция Сысертского водовода;
комбинат питания.
Особо опасные инфекции в городе не регистрируются. Уровень инфекционных заболеваний оценивается как эпидемиологически благополучный. Однако, при нарушении техники эксплуатации водовода, канализации, а также технологии переработки и приготовления пищевых продуктов возможно инфицирование воды и продуктов кишечными инфекциями, что может вызвать подъем заболеваемости до 400 человек.
При аварийных сбросах в верховьях реки Исеть СДЯВ на территории города может произойти ухудшение санитарно-гигиенической обстановки. Из стихийных бедствий в городе возможны ураганы и снежные бури.
При получении информации об опасности возникновения аварий или стихийных бедствий передаются сообщения по городскому радиовещанию и с помощью подвижных средств оповещения., даются рекомендации о проведении герметизации помещений, подвалов, создании запасов воды, продовольствия, о порядке поведения населения.
Проводятся подготовительные мероприятия к проведению йодной профилактики.
Приводятся в готовность эвакоорганы и автотранспорт.
Приводятся в готовность защитные сооружения ГО.
Разворачиваются пункты выдачи средств индивидуальной защиты.
Обеспечивается медицинское обслуживание населения.
При организации защиты населения и ликвидации последствий аварии необходимо:
безаварийно остановить цеха, попадающие в зону заражения;
оцепить зону заражения;
при необходимости произвести частичную эвакуацию населения;
оказать первую медицинскую помощь пострадавшим и эвакуировать их в специальные больницы;
организовать работы по обеззараживанию территории.
При угрозе возникновения эпидемий эпидемиологическая обстановка доводится до населения. Проводятся подготовительные мероприятия к массовой иммунизации населения. Медицинские учреждения готовятся к развертыванию коечной сети изоляторов.
Работы по ликвидации последствий стихийных бедствий включают:
спасение людей;
оказание пострадавшим медицинской помощи и эвакуация;
локализация и тушение пожаров;
устранение аварий на коммунально-энергетических сетях;
восстановление линий связи;
расчистка дорог.
Заключение
В результате проделанной работы была спроектирована функциональная схема приемного устройства для применения в бортовом радиолокаторе и принципиальная схема ВЧ приемного тракта, состоящего из малошумящего усилителя и смесителя, входящего в состав приемного устройства.
Кроме того, был проведен расчет затрат на разработку ВЧ приемного тракта, а также определены требования к рабочему месту в отношении пожаробезопасности и технической безопасности. В процессе работы был изготовлен макет схемы приемного устройства и проведены лабораторные испытания, которые показали, что параметры макета соответствуют требованиям технического задания. Результаты лабораторных испытаний и теоретических расчетов, приведены в пояснительной записке и на демонстрационных плакатах.
Список используемых источников
Electronic Design Automation Express // -2000.
С.М. Клич Проектирование СВЧ устройств радиолокационных приемников. -М., 1973,- 319с.
А.Ф. Харвей Техника сверхвысоких частот.-М., “Советское радио” 1965,-430с.
В.М. Руденко, Д.Б. Халяпин Малошумящие входные цепи СВЧ приемных устройств. –М., 1971,- 280с.
В.Н. Данилин, Г.В. Петров Аналоговые полупроводниковые интегральные схемы СВЧ. –М., 1985,- 192с.
Н.Н. Фомин Радиоприемные устройства. –М.: Радио и связь, 1996. –512с.
Hewlett Packard Components // Katalogue - 2000.
ТУ22996-001-00213060-94.
Монолитные интегральные приборы / Каталог – Москва: Центральный научно-исследовательский институт “Элетроника”, 1988.
Проектирование радиоприемных устройств. / Под ред. А.П.Сиверса./ Учебное пособие для вузов. –М., 1976,- 486с.
А.В.Крутов, А.М.Темнов Сверхширокополосные усилители СВЧ на полевых транзисторах с барьером Шоттки. Обзоры по электронной технике. –М., 1989.
А.П. Жуковский, Е.И. Оноприенко, В.И. Чижов Теоретические основы радиовысотометрии. / Под ред. А.П. Жуковского.-М.: Сов.радио 1979,-320с.
А.Ф. Харвей Техника сверхвысоких частот.-М., “Советское радио” 1965,-430с.
С.В. Перцов, К.А. Щутцкий Входные цепи радиоприемников. –М.,”Энергия” 1977,-256с.
М. Сколник Справочник по радиолокации.–М., ”Советское радио” 1979,-527с.
Приложение А

Приложение B

Приложение С


Приложение D
Сквозная АЧХ приемника
|
F,кГц |
1 |
3 |
6 |
10 |
20 |
40 |
80 |
160 |
185 |
200 |
|
U>вх>, дБ/В |
-35 |
-41 |
-55 |
-69 |
-82 |
-94 |
-106 |
-113 |
-110 |
-96 |
|
К,дБ |
24 |
30 |
44 |
58 |
71 |
83 |
95 |
102 |
99 |
85 |
Примечание: U>вых>=const=-11 дБ/Вт.

Приложение E
Подавление второго зеркального канала.
|
F,кГц |
1 |
3 |
6 |
10 |
20 |
40 |
80 |
160 |
185 |
200 |
|
S>зк>,дБ |
3 |
6 |
14 |
25 |
27 |
29 |
29 |
26 |
22 |
20 |
Примечание: U>вых>=const=-11 дБ/Вт.

Приложение F
Регулировочная характеристика
|
U>рег>,В |
0 |
-1 |
-2 |
-3 |
-4 |
-5 |
-6 |
|
К,дБ |
102 |
77 |
74 |
68 |
63 |
59 |
56 |
Примечание: f>вых с>=160 кГц.

Приложение Н

1
2