Генератор трикутних напруг
Міністерство освіти і науки України
Вінницькій національний технічний університет
Інститут автоматики електроніки та комп’ютерних систем управління
Факультет автоматики і комп’ютерних систем управління
Кафедра метрології і промислової автоматики
ГЕНЕРАТОР ТРИКУТНИХ НАПРУГ
Пояснювальна записка до курсового проекту
з дисципліни ” Основи електроніки ”
за спеціальністю
6.097302 “Метрологія та вимірювальна техніка”
08 – 03.КП.021.00.000ПЗ
Вінниця ВНТУ 2008
Зміст
Вступ
1. Розробка технічного завдання
2. Розробка структурної схеми
2.1 Аналіз існуючих методів вимірювання та формування напруги
2.2 Розробка структурної схеми перетворювача
2.3 Попередній розрахунок АМВ
2.4 Попередній розрахунок підсилювача потужності
2.5 Попередній розрахунок підсилювача напруги
2.6 Попередній розрахунок первинного перетворювача
2.7 Розробка детальної структури схеми
3. Електричні розрахунки
3.1 Електричний розрахунок підсилювача потужності
3.2 Розрахунок підсилювача напруги
3.3 Електричний розрахунок первинного перетворювача
3.4 Електричний розрахунок автоколивального мультивібратора
4. Моделювання одного з вузлів
Висновки.
Список літератури
Додаток А. Генератор трикутних напруг. Схема електрична принципова
УДК. 621.38
Генератор трикутних напруг. Курсовий проект.
ВНТУ, 2008, Українська мова; сторінок 35; додатки 3.
Анотація
У даному курсовому проекті було розроблено та реалізовано генератор трикутних імпульсів типу RC. Цей генератор здатен формувати трикутну напругу на виході, при чому регулювати амплітуду та періоду повтору імпульса. Максимальна напруга вихідного сигналу не перевищує 10(В) на опорі навантаження 4(Ом). Перетворювач забезпечує високу точність, тобто похибка складає менше 1%.
Вступ
Ефективність електронної апаратури обумовлена високою швидкодією, точністю та чутливістю елементів, що до неї входять, найважливішими з яких є електронні прилади. За допомогою цих приладів можна порівняно просто та в багатьох випадках з високим ККД перетворювати електричну енергію по формі, величині і частоті струму або напруги. Такий процес перетворення енергії здійснюється в багатьох схемах електронної апаратури (випрямлячах, підсилювачах, генераторах).
Окрім того, за допомогою електронних приладів вдається перетворити неелектричну енергію в електричну і навпаки (наприклад, у фотоелементах, терморезисторах). Різноманітні електронні передавачі та вимірювальні прилади дозволяють з високою точністю вимірювати, регіструвати та регулювати зміни різних неелектричних величин – температури, тисків, пружних деформацій, прозорість і т. д.
Процеси перетворення енергії в приладах електроніки відбуваються з великою швидкістю. Це зумовлено малою інерційністю, характерною для більшості електронних приладів, дозволяючи застосовувати їх в широкому діапазоні частот. При цьому досягається така висока чутливість, яка не може бути отримана у приладах іншого типу. Електронні прилади легко виявляють малі.
Тенденція розвитку така, що частка електронних інформаційних пристроїв і пристроїв автоматики безупинно збільшується. Це є результатом розвитку інтегральної технології, упровадження котрої дозволило налагодити масовий випуск дешевих, високоякісних, що не вимагають спеціального настроювання і налагодження мікроелектронних функціональних вузлів різного призначення. Вони являють собою напівпровідникові пластини малої товщини, на якій на площах у долі декілька квадратних міліметрів виконані десятки тисяч електрично-з'єднаних між собою відповідно до необхідних схем елементів електроніки (польових і біполярних транзисторів, конденсаторів та ін.). Причому ці елементи, як правило, одержують одночасно (по груповій технології) у єдиному технологічному циклі, що майже цілком автоматизований. Тому вартість інтегральних схем при масовому виробництві мало залежить від кількості в них елементів і розкид параметрів від зразка до зразка порівняно невеликий.
Використання базових матричних кристалів і що програмуються логічних матриць є іншим способом розширення функціональних можливостей інтегральних схем. У масовій кількості виготовляються єдині матриці нескомутованих (не з'єднаних між собою) елементів. Електричні зв'язки між ними виконують індивідуально на етапі формування розведення, виходячи з вимог замовника. Виготовивши базову матрицю або що програмується логічну матрицю одного типу, на її основі можна створити сотні різноманітних функціональних вузлів різного призначення. Причому різниця між базовими матричними кристалами і логічними що програмуються матрицями полягає в тому, що в останніх з'єднаннях можна не тільки створювати, але і руйнувати.
Створено також більш прості напівзаказні інтегральні схеми, що містять набори елементів. З них можуть бути отримані й аналогові пристрої, наприклад підсилювачі електричних сигналів. Це дозволяє знизити витрати на проектування і виробництво електронних пристроїв різного призначення і зменшити терміни їх впровадження в серійне виробництво.
У розвитку електроніки протягом багатьох років залишається стабільним тільки одне – це безупинна зміна елементної і схемотехнічної баз.
У зв'язку із широким вибором інтегральних схем, параметри яких відомі з технічних умов, змінилися задачі, що стоять перед розроблювачами електронної апаратури. Якщо раніше значна частина часу ішла на розрахунки режимів окремих каскадів, визначення їхніх параметрів, рішення питань термостабілізації і т. п., то в даний час головна увага приділяється питанням вибору схем з'єднань і взаємного узгодження мікросхем.
Типові мікровузли дозволяють зібрати потрібний електронний блок без детального розрахунку окремих каскадів. Розроблювач електронної апаратури, визначивши, які перетворення повинний перетерпіти електричний сигнал, підбирає необхідні інтегральні мікросхеми, розробляє схему їхніх з'єднань і вводить зворотні зв'язки необхідного вигляду. І тільки в тому випадку, що коли випускаються інтегральні мікросхеми не дозволяють вирішити якійсь конкретне питання, до них добавляють окремі вузли на дискретних компонентах, що вимагають проведення відповідних розрахунків, або розробляють мікросхеми часткового застосування.
Ефективне застосування інтегральних мікросхем, особливо аналогового типу, неможливо без знання принципів їхньої дії й основних параметрів, а також теорії електронних кіл. Тому вивченню даної дисципліни звичайно приділяється підвищена увага.
1. Розробка технічного завдання
Метою курсового проекту є розрахунок та визначення технічних параметрів схеми генератора трикутних напруг. Заданий діапазон періоду повтору імпульсу складає від 10мс до 10мкс, значення вихідної напруги лежить в діапазоні від 0,1В до 10В, значення опору навантаження складає 4Ом. Необхідно розрахувати значення кожного з елементів схеми генератора трикутних напруг та згідно розрахункам вибрати необхідні операційні підсилювачі, транзистори та діоди.
Конструктивні схеми генератори трикутної напруги використовуються в різних варіантах у залежності від області застосування.
Можливі області застосування генератора трикутних імпульсів надзвичайно різноманітні, можна виділити лише окремі сфери:
- промислова техніка виміру і регулювання;
- робототехніка;
- побутова техніка;
Застосування того чи іншого генератора в цих сферах визначається насамперед відношенням ефективності. При промисловому застосуванні визначальним фактором є погрішність, що при регулюванні процесів повинна складати < 1%, а для задач контролю - 2...3%. Для спеціальних застосувань в області робототехніки генератори можуть досягати навіть рівня 10...100 тис. Прилад повинний відтворювати вимірювані величини з погрішностями, що допускаються. При цьому слово «відтворення», еквівалентне в даному трактуванні слову «відображення», розуміється в самому широкому змісті: одержання на виході приладу величин, пропорційних вхідним величинам; формування заданих функцій від вхідних величин (квадратична і логарифмічна шкали й ін.); одержання похідних і інтегралів від вхідних величин; формування на виході слухових чи зорових образів, що відображають властивості вхідної інформації; формування керуючих сигналів, використовуваних для керування контролю; запам'ятовування і реєстрація вихідних сигналів.
Розроблений генератор трикутної напруги, формує вихідну напругу яка може використовуватись як вхідний сигнал для подальшого перетворення в необхідний сигнал чи імпульс. Даний сигнал подається в подальшому на вимірювальний прилад, за допомогою якого можна вимірювати час імпульсу та амплітуду будь – яких сигналів, але в залежності від діапазону. Вимірювальний сигнал, одержуваний від контрольованого об'єкта, передається у вимірювальний прилад у виді імпульсу або у виді енергії. Можна говорити про сигнали: первинних - безпосередньо характеризують контрольований процес; сприйманих чуттєвим елементом приладу; поданих у вимірюльну схему, і т.д. При передачі інформації від контрольованого об'єкта до покажчика приладу сигнали перетерплюють ряд змін за рівнем і спектром і перетворяться з одного виду енергії в іншій.
Та частина приладу, у якій первинний сигнал перетвориться, наприклад, в електричний, називається первинним перетворювачем. Часто цей перетворювач сполучається з чуттєвим елементом. Сигнали з виходу первинного перетворювача надходять на наступні перетворювачі вимірювального приладу.
Згідно ДСТУ 2681-94 „Метрологія. Терміни та визначення” та ДСТУ 2682-94 „ Метрологія. Метрологічне забезпечення ” даний розроблений генератор трикутних напруг - відноситься до первинних вимірювальних перетворювачів.
2. Розробка структурної схеми
2.1 Аналіз існуючих методів вимірювання та формування напруги
Генератор - це пристрій, що перетворює енергію джерела живлення в електричні коливання заданої форми, частоти і амплітуди. За формою імпульсів розрізняють генератори прямокутних, трикутних і синусоїдальних імпульсів, генератори пилоподібної напруги.
Пилоподібна напруга виходить в процесі заряду або розряду конденсатора. Напруга пилоподібної форми (лінійно мінілива напруга) характеризуються двома проміжками часу: часом робочого ходу, протягом якого напруга змінюється за лінійним законом, і часом зворотнього ходу, протягом якого напруга повертається до вихідного значення. Зазвичай закон зміни напруги під час зворотного ходу не істотний. У мультівібраторі напруга на частотно-задаючому конденсаторі змінюється від напруги спрацьовування до напруги відпускання за експоненціальним законом, однак буває необхідно отримати коливання трикутної форми з високою лінійністю.
У якості реалізації генератора трикутних напруги можна використовувати багато різних схем. Найбільш ефективними можна вважати схеми підключення на основі операційних підсилювачів, які можуть надають великий коефіцієнт підсилення, який у свою чергу забезпечує досить велику вихідну напругу. Також використання операційних підсилювачів генераторах дозволяє дозволяє забезпечити стабільної частоти від долі герц до сотні кілогерц. Як правило для реалізації генератора використовують схеми підключення під назвою «інтегратор» та «диференціатор», остання методика не є досить вдалою для забезпечення виходу трикутної напруги.
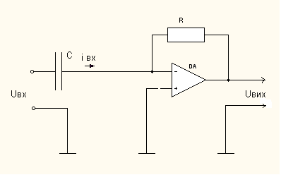
«Диференціатор» сигналу, побудований на операційному підсилювачі.
Являється підсилювачем на високих частотах (рисунок 2.1).

Рисунок 2.1 - Деференціатор
В такому підключенні здійснюється деференціювання вихідного сигналу.
,
(1)
,
(2)
,
(3)
;
(4)
В
такому разі дане рівняння показує, що
операційний підсилювач диференціює
вхідний сигнал з постійною сталою
.
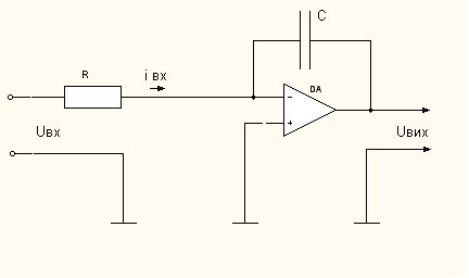
«Інтегратор» - це метод який найкращим чином задовольняє умову реалізації виходу трикутних імпульсів, який ми і використаємо у даній задачі (рисунок 2.2).

Рисунок 2.1 – Інтегратор
Інтегратор
являє
собою самим простим
пристроєм з реактивних елементів.
Якщо на вхід інтегратора подати сигнал
типу
меандр , то на виході ми отримаємо
трикутну напругу з сталою часу
.
,
(5)
За рахунок
віртуального нуля

,
,
,
Звідси:
;
(6)
Оскільки на інтегратор необхідно подати прямокутну напругу, то для її генерації використаємо імпульсний генератор.
Імпульсні генератори – призначені для одержання сигналів, форма яких суттєво відрізняється від синусоїдальної. Такі сигнали характеризуються наявністю ділянок з відносно повільною зміною амплітуди і її стрибковою зміною. Імпульсні генератори мають внутрішній або зовнішній позитивний зворотній зв’язок.
Особливість роботи активних елементів: вони періодично, дуже швидко змінюють свій стан з одного крайнього положення в інше.
Основні режими імпульсних генераторів:
- автоколивальний – після збудження генерується послідовність імпульсів, характеристики яких визначаються лише параметрами елементів схеми;
- очікування – генератори імпульсів відбуваються лише за наявності зовнішнього сигналу запуску;
- синхронізації – частота вихідних імпульсів рівна чи кратна частоті зовнішнього синхронізуючого сигналу.
Формувачі імпульсів – пристрої, які виробляють імпульси необхідної тривалості з інших імпульсів чи з перепаду напруг (фронта).
Формувачі імпульсів бувають:
- на логічних елементах;
- з інтегруючим ланцюгом;
- з емітер ним повторювачем;
- на мікросхемах.
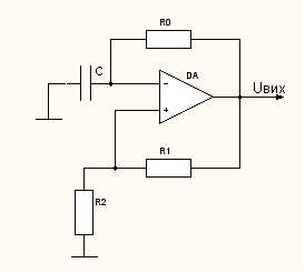
Для того щоб сформувати трикутну напругу на інтегратор необхідно подавати прямокутні імпульси. Це ми забезпечимо за допомогою автоколивального мультивібратора (рисунок 2.3).

Рисунок 2.3 – Автоколивальний мультивібратор
Для забезпечення підсилення амплітуди вихідного сигналу з автоколивального мультивібратора використаємо інвертуючий підсилювач (масштабний підсилювач)(рисунок 2.4).

Рисунок 2.4 – Інвертуючий підсилювач.
Тому за допомогою опорів R1 та R2 ми можемо підібрати необхідний коефіцієнт підсилення, який буде забезпечувати нормальну роботу інтегратора. Коефіцієнт передачі ідеального операційного підсилювача не залежить від параметрів операційного підсилювача, а визначається тільки зовнішніми елементами R1 та R2.
;
(7)
Але в реальних умовах потрібно враховувати, що операційний підсилювач не ідельний тому накладає певні обмеження.
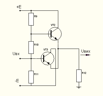
Для
підсилення сигналу на вихід інтегратора
використаємо каскад побудований по
двотактній схемі на біполярних
транзисторах різної провідності
(комплементарна пара) (рисунок 2.5).
Транзистори вихідного каскаду працюють
в режимі класу В, з кутом відсічки
.
Тобто,
;
(8)

Рисунок 2.5 – Підсилювальний каскад на БТ
2.2 Розробка структурної схеми перетворювача
Спрощена структурна схема перетворювача наведена на рисунку 2.6.

Рисунок 2.6 – Спрощена структурна схема
На рисунку 2.6 - спрощена структурна схема, на якій :
АМВ – автоколивальний мультивібратор на операційному підсилювачі, використовується для того, щоб сформувати прямокутні імпульси вхідного сигналу з певною частотою. Межі частоти формуються опором Rx.
П – перетворювач, який призначений для формування трикутного імпульсу на виході даної схеми.
ПН – підсилювач напруги, призначений для підсилення величини вихідного сигналу по напрузі до заданого в умові
ПП – підсилювач потужності, використовується для забезпечення потужності на навантаженні.
2.3 Попередній розрахунок АМВ
Даний каскад використовується для генерування імпульсів зі сталою напругою та змінною частотою. Особливих вимог до даного генератора не висувається.
Розрахуємо діапазони зміни Rx для для зміни тривалості імпульсу на виході автоколивального мультивібратора
Наведемо можливі межі опору:
кГц,
кГц,
Розрахуємо динамічний діапазон.
D=
,
(9)
D=
.
Оскільки заданий діапазон є більшим за 10, то виконаємо його розбиття на під діапазони:
D
=
, (10)
D
=
=2,
D
=
,
(11)
D=
=5.
D
=
,
(12)
D=
=1.
Таким чином при проведенні подальших розрахунків необхідно врахувати ці під діапазони при виборі елементів даного вузла схеми.
Для такого ОМВ тривалість сформованого імпульсу:
,
(13)
Для зручності оберемо напругу на виході 5В. Період повтору лежить в межах 10мс до 10мкс.
Тому
напруга на виході генератора не повинна
бути висока для зменшення похибки. Нехай
U>вих>=5(В),
тоді
=(1,2...1,4)
U>вих>
=(6..7)(В)
Задамося
=
(В).
Визначимо
напругу живлення за заданою амплітудою
вихідних імпульсів гранична частота
лежить в межах
,
а
:
,
,
,
;
Виберемо ОП К574УД1
Основні параметри:
(нА)
вхідний струм
(В)
максимальна вихідна напруга
(Ом)
вихідний опір
(МГц)
гранична частота
Діапазон
робочих температур
=
(45-70)
С
2.4 Попередній розрахунок підсилювача потужності
В якості підсилювача потужності використаємо підсилювальний двотактний каскад на біполярних транзисторах.
Розрахуємо потужність на виході даного каскаду.
Початкові дані:
10(В),
=4
(Ом)
І>max>>
>=
,
(14)
І>max>
=
;
Розрахуємо максимальну вихідну потужність:
Р>max>=U>max> I>max>> , >(15)
Р>max>
=
=25
(Вт)
Оскільки використовуємо комплементарне включення то потужність на виході одного транзистора зменшується у двічі. Таким чином для транзистора:
Р>max>=U>max> I>max>/ 2,
Р>max> =12,5 (Вт)
За даними параметрами з довідника оберемо два транзистори КТ819А типу NPN, і КТ 818А типу PNP.
Таблиця 2.1 – Основні параметри транзистора
-
Тип
Pкmax,Вт
Ікmax, A
Uкеmax, B
H31e
min/max
fгр, МГц
КТ819А
КТ 818А
60
10
40
>15
3
2.5 Попередній розрахунок підсилювача напруги
ПН використовується для стабілізації рівня вихідної напруги на перед кінцевому каскаді. Для визначення параметрів проведемо наступні розрахунки.
Визначимо коефіцієнт підсилення по напрузі:
,
(16)

.
Оскільки попередній каскад перетворює прямокутну напругу в трикутну, то хоч попередній каскад варто стабілізувати рівень вихідної напруги та підсилити його до рівня 10 В. Це і буде виконувати даний каскад.
Виберемо активний елемент підсилювача потужності спираючись на наступні дані:
Оскільки коефіцієнти підсилення транзисторів VT2 та VT3 К>пр>=25дб=300,
то :
Р>вх>=
,
(17)
Р>вх>
,
,
І>кмах
>=
.
Заданим параметрам відповідає транзистор n-p-n КТ3107А
Основні параметри транзисторів:
КТ3107А:
=300(мВт)
– максимальна колекторна потужність.
=100(мА)
– максимальний колекторний струм.
=380/800
– коефіцієнт підсилення.
=200(МГц)
- гранична частота, T=-60...+125
С
– робоча температура.
2.6 Попередній розрахунок первинного перетворювача
Для первинного перетворювача в даному випадку – інтегратора, виберемо такий операційний підсилювач:
Нехай
U>вх>=5(В),
тоді
=(1,2...1,4)
U>вих>
=(6..7)(В).
Задамося
=
(В).
К574УД2Б
Основні параметри:
(нА)
вхідний струм
(В)
максимальна вихідна напруга
(Ом)
вихідний опір
(МГц)
гранична частота
Розрахуємо діапазони зміни Rx для для зміни амплітуди імпульсу на виході первинного перетворювача.
Наведемо можливі межі напруг:
(В),
(В),
Розрахуємо динамічний діапазон.
D=
,
D=
.
Оскільки заданий діапазон є більшим за 10, то виконаємо його розбиття на під діапазони:
D
=
, D
=
=2,
D
=
,
D=
=5.
D
=
,
D=
=10.
2.7 Розробка детальної структури схеми
Детальна структура схеми представлена на рисунку 2.7.
Рисунок 2.7 – Детальна структурна схема
На рисунку 2.7 – детальна структурна схема, в якій:
АМВ – автоколивальний мультивібратор, використовується для того, щоб сформувати прямокутні імпульси з напругою 5(В). Використовується в подальшому для формування трикутної напруги на виході.
П –перетворювач, призначений для перетворення прямокутної напруги в трикутну. В якості перетворювача використовується інтегратор на ОП моделі К574УД2Б.
ПН – підсилювач напруги, призначений для підсилення величини вихідного сигналу по напрузі до 10(В). Таким чином на виході даного каскаду отримуємо напругу 0...10(В).
ПП – підсилювач потужності, використовується для забезпечення потужності на навантаженні. Оснований на БТ КТ802А і КТ 805А P.
Закінчивши попередню розробку структурної схеми, маємо схему, розбиту на декілька каскадів, внаслідок чого, для кожного з каскадів зроблений попередній розрахунок. Тобто визначені динамічні діапазони, коефіцієнти підсилення, максимальні значення струмів, напруг,
потужностей, вибрані згідно розрахункам операційні підсилювачі, транзистори.
Принцип роботи перетворювача заключається у наступному. АМВ проводить генерацію імпульсів з напругою 5(В). Згенеровані імпульси потрапляють інтегратор, на виході якого формуються трикутні імпульси, тривалість яких може формуватись за допомогою змінних резисторів. Дана напруга є досить низькою і виникає необхідність її підсилення по напрузі та стабілізації та підсилення по потужності, саме тому у схемі і використовуємо підсилювачі напруги та потужності.
3 Електричні розрахунки
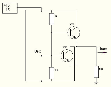
3.1 Електричний розрахунок підсилювача потужності
Електричний розрахунок виконуємо за допомогою електричної принципової схеми , яка зображена на (рисунку 3.1).

Рисунок 3.1 – Схема ПП електрична принципова
Вхідні дані:
Транзистори КТ802А і КТ 805А.
=60(Вт)
=10(А)
=40(В)
U>мах >=10(В)
Р>вх>=300(мВт)
Р>вих>=80(Вт)
Оберемо напругу живлення

З вихідних характеристик транзисторів:
при

З вхідних характеристик:
при
та
,
Задамося
,
,
тому
;
Проведемо розрахунок опорів вхідного подільника R>18> R>16>
(18)
(19)
Оберемо стандартні опори:
R>9>
С2-23-10Ом, Р=0,125Вт,
1%
R>10>
С2-23-10Ом, Р=0,125Вт,
1%
Розрахуємо вхідний опір цього каскаду:
(20)
Ом
– додатковий опір.
R>11>
С2-23-100Ом, Р=0,125Вт,
1%
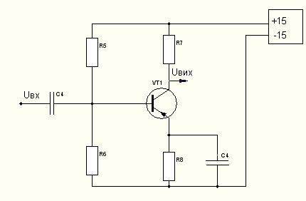
3.2 Розрахунок підсилювача напруги
На рисунку 3.2 зображена схема ПН електрична принципова.

Рисунок 3.2 – Схема ПН електрична принципова
Вхідні дані:
Транзистор КТ3107А
=300(мВт)
=100(мА)
=45(В)
Оберемо напругу живлення
.
Задаємося
.
Обираємо з вихідної характеристики транзистора:
,
при
.
З вхідних характеристик:
при
.
Задамося
.
Розрахуємо R>7>:
(21)
R>7>
С2-23-1кОм, Р=0,125Вт,
1%
Розрахуємо R>9> :
,
(22)
R>8>
С2-23-100Ом, Р=0,125Вт,
1%
тому
,
.
Проведемо розрахунок опорів вхідного подільника R>5> R>6>
(23)
(24)
R>5>
С2-23-2,2кОм, Р=0,125Вт,
1%
R>6>
С2-23-22кОм, Р=0,125Вт,
1%
Розрахуємо вхідний опір цього каскаду:
(25)
Проведемо розрахунок конденсаторів.
-
розділові конденсатори.
- блокувальний
конденсатор.
; (26)
;
(27)
(28)
К21-7-2мкФ ,
10%
Аналогічно
розрахуємо

(29)
КМ6М47-360нФ ,
20%
3.3 Електричний розрахунок первинного перетворювача
Проведемо розрахунок первинного перетворювача за допомогою схеми електричної принципової первинного перетворювача (рисунок 3.3).

Рисунок 3.3 – Схема первинного перетворювача електрична принципова
Проведемо розрахунок опорів інтегратора, тобто ОП з який інтегрує на виході. Такий інтегратор повинен формувати трикутні напруги на виході схеми.
Визначимо напругу живлення за заданою амплітудою вихідних імпульсів:
=(1,2…1,4)
,
(30)
=12
(В).
Оскільки даний каскад повинен лише формувати трикутні імпульси, а не підсилювати сигнал по напрузі, то виберемо номінали елементів так, щоб коефіцієнт підсилення по напрузі даного каскаду
,
(31)
Оскільки
,
тоді
,
Задавшись
=1кОм,
знаючи межі, в яких змінюється опір
проведемо розрахунок ємності конденсатора.

Таким чином задавшись R>4> =1(кОм) проведено вибір усіх елементів
схеми.
R>4>
С2-23-1кОм, Р=0,125Вт,
1%
К21-7-2мкФ ,
10%
Тоді значення опору R>4 >буде приймати значення
(кОм)
,
(Ом)
,
(Ом)
,
Виберемо, значення опорів:
С2-23-10кОм,
Р=0,125Вт,
1%
С2-23-5кОм,
Р=0,125Вт,
1%
С2-23-100Ом,
Р=0,125Вт,
1%
3.4 Електричний розрахунок АМВ
На рисунку 3.5 зображена схема АМВ електрична принципова.

Рисунок 3.5 – Схема АМВ електрична принципова
Розрахуємо опір.
Вхідні данні:
Частота модуляції f>max>= 100(кГц)
U>max>=5(В)
Визначимо напругу живлення за заданою амплітудою вихідних імпульсів:
=(1,2…1,4)
=6…7(В).
Оберемо
=12(В).
Оскільки частота f = 100(кГц), задавшись ємністю конденсатора С>1>=1000(пФ) розрахуємо значення резистора R>1>:
(36)
R>1>
С2-23-7,1
кОм, Р=0,125Вт,
А також конденсатор:
С>1>
КМ6М47-1000пФ ,
20%
Знаючи,
які значення опорів приймають в
діапазонах опір
визначимо коефіцієнт підсилення по
напрузі для формування прямокутних
імпульсів. Задамося опором R>3
>=1(кОм)
R>3
>С2-23-1Ом,
Р=0,125Вт,
1%
(кОм)
,
(кОм)
,
(кОм)
,
Проведемо
розрахунок опорів
,
,
:
С2-23-10кОм,
Р=0,125Вт,
1%
С2-23-4кОм,
Р=0,125Вт,
1%
С2-23-1Ом,
Р=0,125Вт,
1%
4. Моделювання одного з вузлів
Проведемо моделювання одного з вузлів перетворювача з метою впевнитись у його працездатності. Проведемо моделювання автоколивального мультивібратора (рисунок 4.1). Підставимо всі обрані вище номінали.

Рисунок 4.1 – Автоколивальний мультивібратор

Рисунок 4.1 – Амплітуда вихідної напруги
Висновки
В даному курсовому проекті докладно були описані головна мета, основне призначення та області застосування генератора трикутних напруг. Також була розглянута поетапна розробка та розрахунок кожного з елементів схеми, приведені структурні схеми окремих каскадів.
В результаті проведених розрахунків була розроблена структура перетворювача, проведено розрахунок опорів та ємностей, ОП та транзисторів, підібрані елементи та їх номінали, проведено моделювання одного з вузлів схеми електричної принципової, визначені метрологічні характеристики і вирахувано, що похибка перетворення не перевищує 1%.
Графічна частина містить схему електричну принципову, створену згідно стандартів.
Література
Терещук Р.М. Полупроводниковые приемно-усилительные устройства.- Киев: Наук.думка, 1988.- 800с.
Степененко И.П. Основи мікроелектроніки.- М.: Сов. Радио, 1980 - 456 с.
Харовіц П. Н. Мистецтво схемотехніки.- М.: Мир. 1986. – 55 с.
Довідник. Вживання інтегральних мікросхем в електронній обчислювальній техніці.- М.: Радіо і зв'язок, 1987. –400 с.
Наумов Ю.Е. Інтегральні схеми.- М.:Сов.радио, 1970. –112 с.
Никитин В.А. Книга начинающего радиолюбителя.–М.: Патриот, 1991.-464с.
7. Бокуняев А.А. Справочная книга радиолюбителя-конструктора.-М.: Радио и связь,1990. – 624 с.
Додаток А
Генератор трикутних напруг. Схема електрична принципова
