Генераторы гармонических колебаний
Енергодарський інститут державного та муніципального управління імені Р.Г. Хеноха
Класичний приватний університет
«Отримано»
Реєстраційний №
Дата отримання «»2008р.
«Відправлено з зауваженнями»
Реєстраційний №
Дата отримання «»2008р.
«Отримано повторно»
Реєстраційний №
Дата отримання «»2008р.
РЕФЕРАТ
З дисципліни «Основи електротехніки і електроніки»
На тему «Генератори гармонійних коливань»
Виконав (ла) студент (ка)
ІІI курсу, групи ЗИ - 617
Вільчак Володимир Федорович
м. Енергодар, 2009р.
План
Введение
1. Генераторы гармонических колебаний
2. Генератор LC-типа
3. RC- генератор с последовательно- параллельной RC-цепью
4. Схема генератора RC - типа с фазосдвигающей цепью
Вывод
Список использованной литературы
Введение
Колебаниями называются движения или процессы, которые характеризуются определенной повторяемостью во времени. Колебательные процесс широко распространены в природе и технике, например качания маятника часов, переменный электрический ток и т.д.
Физическая природа колебаний может быть разной, поэтому различают колебания механические, электромагнитные и другие. Однако различные колебательные процессы описываются одинаковыми характеристиками и одинаковыми уравнениями.
Колебания называются свободными (или собственными), если они совершаются за счет первоначально совершенной энергии при последующем отсутствии внешних воздействий на колебательную систему (систему, совершающую колебания). Простейшим типом колебаний являются гармонические колебания - колебания, при которых колеблющаяся величина изменятся со временем по закону синуса (косинуса).
Генератором гармонических колебаний называют устройство, создающее переменное синусоидальное напряжение при отсутствии входных сигналов. В схемах генераторов всегда используется положительная обратная связь. Различают аналоговые и цифровые генераторы.
Для аналоговых генераторов гармонических колебаний важной проблемой является автоматическая стабилизация амплитуды выходного напряжения. Если в схеме не предусмотрены устройства автоматической стабилизации, устойчивая работа генератора окажется невозможной. В этом случае после возникновения колебаний амплитуда выходного напряжения начнет постоянно увеличиваться, и это приведет к тому, что активный элемент генератора (например, операционный усилитель) войдет в режим насыщения. В результате напряжение на выходе будет отличаться от гармонического. Схемы автоматической стабилизации амплитуды достаточно сложны.
1. Генераторы гармонических колебаний
Генераторы гармонических колебаний представляют собой электронные устройства, формирующие на своем выходе периодические гармонические колебания при отсутствии входного сигнала. Генерирование выходного сигнала осуществляется за счет энергии источника питания. Со структурной точки зрения генераторы представляют собой усилители электрических сигналов, охваченные ПОС.
Внешний входной сигнал отсутствует. На входе усилителя действует только выходной сигнал ОС UOC. А на входе ОС действует UВХОС=UВЫХ. Поэтому коэффициент усиления такой схемы

Условием, обеспечивающим наличие сигнала на выходе генератора при отсутствии внешнего входного сигнала является К→ ∞,то есть

При выполнении этого условия любой усилитель, охваченный ПОС становится генератором, на выходе его появляются колебания, независимые от входного сигнала (автоколебания). Явление возникновения автоколебаний в усилителе называется самовозбуждением.
Условие возникновения автоколебаний можно разделить на две составляющие:
1) Условие баланса амплитуд: К∙β=1. Физический смысл: результирующее усиление в контуре, состоящем из последовательного соединения усилителя и цепи ОС должно быть равно единице. Если цепь ОС ослабляет сигнал, то усилитель должен на 100% компенсировать это ослабление. То есть если в любом месте разорвать контур ПОС и на вход подать сигнал от внешнего источника, то пройдя по контуру К∙β с выхода разрыва цепи ОС вернется сигнал точно такой же амплитуды, что был подан на вход разрыва.
2) Условие баланса фаз: arg(K·β)=0. Физический смысл: результирующий фазовый сдвиг, вносимый усилителем и цепью ОС должен быть равен нулю (или кратен 2π). То есть при подаче сигнала на разрыв, вернувшийся сигнал будет иметь точно такую же фазу. При выполнении этого условия ОС будет положительна.
Для существования автоколебаний необходимо одновременное выполнение этих условий. Если эти условия выполняются не для одной частоты, а для целого спектра частот, то генерируемый выходной сигнал будет сложным (не гармоническим). Для обеспечения синусоидальности выходного сигнала генератор должен генерировать сигнал только одной единственной частоты. Для этого необходимо, чтобы условия возникновения автоколебаний выполнялись для единственной частоты, которая и будет генерироваться. Для этого делают К или β частотно-зависимыми. Как правило β имеет максимум β0 на некоторой частоте ω0. Поэтому на ω0 и коэффициент усиления будет иметь максимум К0. Величины К0 и β0 обеспечивают такими, чтобы они удовлетворяли условиям возникновения автоколебаний. Тогда при отклонении частоты от ω0 и условия возникновения автоколебаний выполнятся не будут, что приведет к затуханию колебаний этой частоты и на выходе генератора будут только гармонические колебания частоты ω0.
В зависимости от того, каким способом в генераторе обеспечивается условие баланса фаз и амплитуд, различают генераторы:
1) RC-типа;
2) LC-типа.
2. Генератор LC-типа
Такой
генератор строят на основе усилительного
каскада на транзисторе, включая в его
коллекторную цепь колебательный
LC-контур.
Для создания ПОС используется
трансформаторная связь между обмотками
W1
(имеющей
индуктивность L) и W2
(рис. 2.1).

Рис. 2.1 - Генератор LC-типа
Напряжение U2 является напряжением ОС. Оно связано с напряжением первичной обмотки W1 коэффициентом трансформации:

Коэффициент
трансформации в данном случае является
коэффициентом передачи ОС, показывая
какая часть напряжения
передается
на вход. Для выполнения баланса амплитуды
на частоте ω0
должно
выполнятся равенство

Из этого условия рассчитывается необходимое число витков вторичной обмотки, чем обеспечивается условие баланса амплитуд. Для обеспечения баланса фаз необходимо обеспечить соответствующее включение начал и концов обмоток, чтобы ОС была положительной. Емкость С1 выбирают такой, чтобы ее сопротивление на частоте генерации было незначительным по сравнению с R2. Это исключает влияние сопротивления делителя на ток во входной цепи транзистора, создаваемый напряжением ОС. Назначение RЭ и СЭ такое же, как в обычном усилительном каскаде. LC-генераторы, также как и LC-избирательные усилители применяют в области высоких частот, когда требуются небольшие величины L и имеется возможность обеспечить высокую добротность LC-контура. А на низких и инфранизких частотах, когда построение LC-генератора затруднительно, используют RС цепи тех же типов, что и для избирательных усилителей.
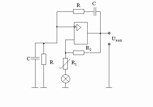
3. RC- генератор с последовательно- параллельной RC-цепью

Рис. 3.1 - Принципиальная схема генератора с последовательно-параллельной RC-цепью на ОУ

Рис. 3.2 - Частотная характеристика RC-цепи
Так
как последовательно-параллельная
цепь
имеет на частоте настройки ω0
коэффициент передачи
β0=1/RC,
то условие баланса амплитуд
Кн∙β0=1
запишется
как

откуда R2=2R1 и К=3.
Регулирование частоты в этом генераторе осуществляется одновременным изменением сопротивлений R или емкостей С. Для стабилизации амплитуды генерируемых колебаний в качестве сопротивления R1 применяют терморезистор с положительным температурным коэффициентом. Если при этом амплитуда выходного сигнала возрастет выше установившегося уровня, то возросший сигнал на выходе генератора приведет к увеличению напряжения и тока (то есть мощности) на R1. При нагреве R1 его сопротивление возрастет и коэффициент усиления по неинвертирующему входу уменьшится (то есть уменьшится наклон амплитудной характеристики усилителя по неинвертирующему входу). Это приведет к уменьшению амплитуды автоколебаний на выходе. Если же амплитуда автоколебаний уменьшится, то мощность выделяемая на R1 уменьшится. Его температура также уменьшится, что вызовет уменьшение его температуры. Коэффициент усиления возрастет, увеличится наклон характеристики, точка пересечения характеристик сместится вверх и обеспечит большую амплитуду. В качестве такого терморезистора можно использовать маломощную лампу накаливания.
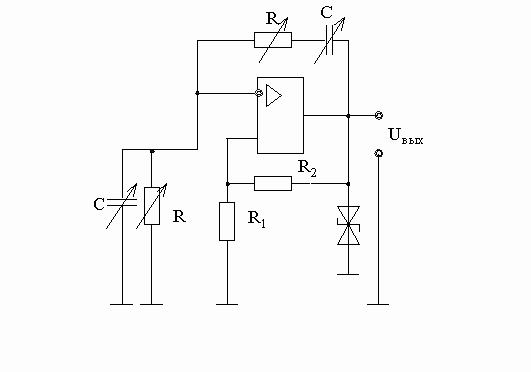
Существует
множество стабилизаторов амплитуды
колебаний. Так, например, последовательно
с
R2
включают
двусторонний стабилитрон, который
работает как на положительной, так и на
отрицательной полуволне (рис. 3.1-а.). При
этом, пока амплитуда выходного сигнала
недостигла напряжения стабилизации
,
эквивалентное сопротивление R2
и
велико.
Поэтому велик и коэффициент усиления.
Это приводит к росту амплитуды выходного
напряжения
.
При достижении
напряжения
стабилизации происходит пробой
стабилитрона, эквивалентное сопротивление
цепи ОС уменьшается до выполнения
условия баланса амплитуд и выходное
напряжение стабилизируется на этом
уровне. C помощью стабилитронов можно
исскуственно формировать выходную
характеристику генератора, создавая с
помощью R2
и
VС участок насыщения на амплитудной
характеристике, соответствующий
напряжению
.

Рис. 3.1-а - Принципиальная схема генератора с последовательно-параллельной RC-цепью на ОУ
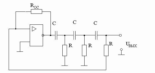
4. Схема генератора RC - типа с фазосдвигающей цепью
Построить схему генератора можно применяя частотно зависимые цепи, не имеющие в своей частотной характеристике максимумов или минимумов. При этом также можно обеспечить выполнение условий баланса амплитуд и фаз.
Например рассмотрим RС- цепь, состоящую из трех дифференцирующих звеньев, которая может применятся для построения генератора.

Рис. 4.1 - RС-цепь из трех дифференцирующих звеньев
Такая цепь не будет пропускать НЧ сигналы и постоянную составляющую, но хорошо пропускает ВЧ сигналы. На высокой частоте цепь не дает фазового сдвига. При уменьшении частоты каждая RС- цепь дает фазовый сдвиг равный 90 о.
Коэффициент передачи такой цепи зависит от частоты. Фазовый сдвиг между выходным и входным сигналом с ростом частоты уменьшается от 270о до 0о. На некоторой частоте ω0 фазовый сдвиг равен 180о, а b=1/30. Это свойство используется при построении генератора.
Генератор строится на инвертирующем усилителе, в ОС которого включена дифференцирующая цепь.

Рис. 4.2 - Схема генератора с фазосдвигающей цепью
Фазовый сдвиг, вносимый ОС на частоте ω0 равен 180о, а результирующий фазовый сдвиг, вносимый инвертирующим усилителем вместе с ОС равен 360о. Таким образом несмотря на то, что выход RС- цепи подключен к инвертирующему входу ОУ, ОС через RС- цепь - положительная.

Рис. 4.3 - ФЧХ генератора
Условие баланса амплитуд:
|КИ |b(ω0 )=1, КИ = -RОС /R.
|КИ |=1/ b(ω0)=30, RОС =30R.
При этом генератор будет генерировать колебания с частотой ω0, которая зависит от параметров RС- цепи:

При расчете генератора обычно ω0 известно, С задают, рассчитывают R и по нему находят RОС.
Недостатком этой схемы является то, что искажения сигнала в этой схеме больше по сравнению с другими схемами.
Вывод
Использование кварцевых резонаторов позволяет значительно снизить относительное изменение частоты генераторов. Однако, у кварцевых генераторов затруднено оперативное изменение частоты выходного сигнала.
В отличие от аналоговых, цифровые генераторы обладают высокой стабильностью, надежностью, возможностью изменения частоты генерируемого сигнала в широких пределах и универсальностью.
Бурное развитие цифровой электронной техники позволяет во все большем числе случаев формирования аналоговых сигналов использовать цифровые методы. Так как цифровые генераторы аналоговых сигналов обладают рядом достоинств:
- универсальность, поскольку они позволяют генерировать аналоговый сигнал с произвольной, заданной пользователем, формой;
- отсутствие ограничения по минимальной частоте;
- высокая стабильность параметров выходного сигнала и другие.
Цифровые генераторы обладают универсальностью, точностью и удобством настройки. Поэтому они получают всё большее распространение как узлы электронной аппаратуры, тат и как самостоятельные устройства применяемые при измерениях и налаживании систем, работающих со сложными сигналами.
Аналоговые генераторы используются в тех случаях, когда нет высоких требований к параметрам генератора, или важна простота и минимальная стоимость узла.
Список использованной литературы
1. Белецкий А.Ф. Теория линейных электрических цепей. – М.: Радио и связь, 1986.
2. Бакалов В.П. и др. Теория электрических цепей. – М.: Радио и связь, 1998.
3. Качанов Н.С. и др. Линейные радиотехнические устройства. – М.: Воен. издат., 1974.
4. Попов В.П. Основы теории цепей – М.: Высшая школа, 2000.
5. Иванов И.И., Лукин А.Ф., Соловьев Г.И. Электротехника. Основные положения, примеры и задачи. 2-е изд., исправленное. - СПб.: Издательство «Лань», 2002.
6. Иванов И.И., Равдоник В.С. Электротехника: Учебник для вузов. - М.: Высшая школа, 1984.