Деятельность предприятия НП РУП Экран
Содержание
О предприятии (история создания)
1 Структура предприятия НП РУП Экран (назначение отдельных структурных подразделений)
2 Задачи и виды работ подразделения, занимающегося техническим обслуживанием и ремонтом электроустановок
3 Должностные обязанности специалиста, занимающегося техническим обслуживанием и ремонтом электроустановок
4 Технологический процесс технического обслуживания (ремонта) электромеханического прибора «Автоматического выключателя серии А3700»
5 Специальные устройства, дистанционное управление, разрывы и габариты безопасности, назначение и применение электромеханического прибора «Автоматического выключателя серии А3700»
Инструкция по охране труда для ремонтников – электриков при производстве ремонтных работ
О предприятии (история создания)
История предприятия началась 16 мая 1974 года, когда Министерством авиационной промышленности СССР был подписан приказ № 87 «О создании строящегося «Борисовского приборостроительного завода». Новый завод должен был освоить производство авиационных приборов в самые сжатые сроки. 7 января 1976 года Министерством авиационной промышленности подписан приказ № 3 «О вводе в число действующих БПЗ». Эта дата празднуется как день рождения завода.
12.12.83 г. предприятие было реорганизовано в объединение (вместе с Ивацевичским приборостроительным заводом) и получило название Белорусское Производственное Объединение «Экран».
14.12.2000г. предприятие получило наименование научно-производственное республиканское унитарное предприятие «Экран».
Предприятие имеет более чем 25 летнюю историю, сложившуюся систему качества продукции. На заводе, созданном для производства сложнейших авиационных приборов (авиагоризонтов, пилотажно-навигационных приборов, блоков управления, связи и контроля), систем автоматического управления полётом (САУ), пилотажно-навигационных комплексов (ПНК), аэродромного проверочного оборудования, предназначенных как для боевых, так и гражданских самолётов и вертолётов, сформировался высококвалифицированный коллектив инженеров и рабочих.
Система организации производства передовые технологии авиационной промышленности, традиции которые сложились и испытаны временем, во многом сохранились и сейчас.
В изменившихся политических и экономических условиях предприятие развило два новых направления производства: сложная бытовая электротехника и автоэлектроника, — комплектующие автомобилей тракторов, автобусов, троллейбусов.
Изделие, с которым во многом связано успешное будущее предприятия, — антиблокировочная система торможения (АБС) для грузовых автомашин, автобусов, троллейбусов. Система сложна, наукоемка, перспективна для рынка СНГ, не уступает по качеству аналогам из Германии, но имеет более низкую цену.
АБС адаптирована к автобусам МАЗ, проводятся серьезные серийные сертификационные и конструкторские работы с целью серийного применения систем на автомобилях КАМАЗ, УРАЛАЗ,ГАЗ, автобусах ПАЗ, ЛАЗ и других.
Производство автоэлектроники возникло и развилось в период распада СССР в рамках программы «Импортозамещение», когда традиционные поставщики автотракторных комплектующих по тем или иным причинам не смогли обеспечить наших крупнейших производителей — МАЗ и МТЗ.
Сейчас обострившаяся конкуренция с российскими производителями из Владимира, Калуги, Ставрово, производителями автоэлектроники из Риги, немецкими фирмами Wabco и Knorr по системам АБС заставляет искать новые формы сотрудничества, вести гибкую ценовую политику, смягчать условия договоров поставки, кредитуя тем самым основных потребителей в сложных финансовых условиях.
Система управления, внутриорганизационные процессы предприятия построены на основе международных норм в соответствии с требованиями международного стандарта ISO 9001. В настоящее время ведется работа по внедрению системы управления окружающей средой на основе МС ИСО 14000 и новой версии стандартов МС ИСО 9000: 2000 г.
Усилия НП РУП «Экран» в настоящее время направлено на создание сильной, сплоченной организации с яркой, узнаваемой индивидуальностью и корпоративной душой.
Руководство НП РУП «Экран» работает над тем, что бы продукция предприятия воспринималась покупателями— доверительно, лояльно и многообещающе.
В данный момент предприятие имеет производственные связи с рядом предприятий и организаций, находящихся в России, Китае, Индии, Польше, Украине, Молдове.
О продукции
Автоэлектроника:
АВС - Антиблокировочная система предназначена для предотвращения блокировки и поддержания проскальзывания колес на уровне, обеспечивающем оптимальное сцепление с дорожным покрытием в любых дорожных условиях. Антиблокировочная система устанавливается на автомобилях и автобусах с пневмоприводом тормозов и имеет две модификации:
АБС-Т — для самоходных транспортных средств, автомобилей, автобусов и т. д.;
АБС-П — для прицепного состава.
Выключатели «массы» ВМ - Выключатель «массы» аккумуляторной батареи, кнопочный, электромагнитный. Предназначен для дистанционного включения и отключения «массы» аккумуляторной батареи.
Датчик аварийной температуры жидкости ДАТЖ, ДАТЖ-01(аналог ТМ111)- Предназначены для включения сигнальной лампы на щитке приборов при аварийном повышении температуры жидкости в системе охлаждения и устанавливается на автомобилях, тракторах, автобусах, спецтехнике (МАЗ, МТЗ, МоАЗ, «Неман»).
Прерыватели электронные указателей поворотов ПЭУП - ПЭУП-2 и ПЭУП-4 предназначены для работы в автотранспортных средствах (АТС) с бортовой сетью 24В и боковыми повторителями с лампами категории R5W типа А24-5, ПЭУП-5, ПЭУП-6 и ПЭУП-7 — для работы в АТС бортовой сетью 24В и боковыми повторителями с лампами категории P21/5W типа А24-21, на которые, согласно правилу ЕЭК ООН 48, должен быть осуществлен переход в самое ближайшее время.
Сигнализатор аварийный СА-1 - устанавливается на автомобилях, автобусах, спецтехнике (МАЗ, АМАЗ, МоАЗ, «Ударник»).
Стеклоомыватель электрический СЭАТ - Стеклоомыватель электрический автотракторный предназначен для подачи жидкости на ветровое стекло и стекла фар автотранспортных средств.
Электробытовая техника:
Тепловентилятор ТВ 1,00/1,0 - Тепловентилятор бытовой предназначен для дополнительного обогрева и вентиляции жилых помещений.
Машина сверлильная электрическая реверсивная ЭД-260 ЭР -Предназначена для сверления отверстий диаметром до 10 мм, зачистки поверхностей от коррозии, заточки инструмента, полировки металлических, деревянных и др. поверхностей, отвинчивания винтов и шурупов.
Машина кухонная электрическая ручная КЭМ-Р2У «Алеся-300» -Предназначена для выполнения комплекса кулинарных работ в домашних условиях.
Электромясорубка ЭМШ 20/160 - Электромясорубка бытовая шнековая предназначена для изготовления фарша из мяса, рыбы, грибов, измельчения овощей, фруктов, профилирования теста.
Электротостер «Алеся» -Электротостер «Алеся» предназначен для подрумянивания одновременно четырех хлебцев (тостов) к кофе, чаю, молоку.
Электроутюг «Алеся-6» - Электроутюг предназначен для глажения тканей и изделий в бытовых условиях.
Фен «Юность» - Электрофен предназначен для ускоренной сушки, укладки волос.
1 Структура предприятия
Главный инженер - определяет техническую политику и направления технического развития предприятия в условиях рыночной экономики, пути реконструкции и технического перевооружения действующего производства, уровень специализации и диверсификации производства на перспективу.
Главный технолог - занимается контролем в подготовке и организация технологии производства приборостроительного предприятия.
Отдел главного технолога (ОГТ) - непосредственная разработка технологии производства приборостроительного предприятия.
Служба конструкторского отдела (СКО) – разработка и сопровождение конструкторской документации.
Конструкторский отдел товаров народного потребления (КО ТНП) – разработка и внедрение в производства товаров народного потребления.
Главный метролог – отвечает за точность применяемых инструментов в процессе производства, а также приборов точности.
Отдел главного метролога (ОГметр) – проверка приборов на технологическую точность. А также ремонт и замена контрольно-измерительных приборов.
Зам. гл. инженера по подг. про-ва - занимается подготовкой средств труда к изготовлению продукции.
Служба автоматизированных систем (САС) – программное обеспечение предприятия (служба программистов).
Отдел технической документации (ОТД) – архив предприятия, множительный центр. Занимается внесением изменений по извещению технологов и конструкторов в конструкторскую и технологическую документацию КД и ТД соответственно.
Инструментальный отдел (ИОН) – обеспечивает производства инструментами (Цех №26 и др.)
Цех №26 – занимается инструментальным производствам.
Отдел гл. энергетика (ОГЭ) и Отдел гл. механика(ОГМ) – объединены в (ЭМУ) – энергомеханическое управление; осуществляет передачу отчетов о потреблении эл. энергии в различные службы контроля (Энергонадзор,Энергозбыт ). Отвечает за все электромеханическое хозяйство предприятия.
Служба капитального строительства (СКС) уч.№42 – проводит все строительные работы на предприятии.
Отдел техники безопасности (ОТБ) – отвечает за безопасное выполнение производственных работ (инструкции по охране труда).
Санитарно-промышленная лаборатория (СПЛ) – следит за соответствием санитарных норм, измеряет уровень запыленности и вредности на рабочих местах.
Начальник спец. конструкторского бюро (СКБ) - руководит производством автомобильной техники.
Спец. конструкторское бюро (СКБ) - разрабатывает и внедряет в производство конструкторскую документацию КД по автомобильной техники (ДД, АБС).
Зам.ген.директора по производству – руководит всем производством предприятия. Отвечает за выпуск продукции.
Производственно-диспетчерский отдел (ПДО) – осуществляет учет и движение деталей и изделий по предприятию.
Цех №1 – Металлообрабатывающее производство (станочная обработка).
Цех №5 – Гальваника. Металлизация плат (химическое меднение).
Уч. №9 – Ремонт машин.
Цех №14 – Литье цветных металлов.
Цех №19 – Литье пластмассовых изделий.
Цех №20 – Закрыт.
Цех №21 – Сборка антиблокировочных систем (АБС).
Цех №25 – Комплектующее для АБС.
Зам. ген.директора по качеству – следит за надлежащим качеством выпускаемой продукции.
Отдел технологического контроля (ОТК) – контроль качества.
Отдел стандартизации и нормирования (ОСН) – обеспечение производства нормативной документации (ГОСТы, СТП, Стандарты).
Испытательный центр (ИЦ) – проверка изделий на прочность, влагоустойчивость, вибрацию.
Отдел управлением качеством (ОУК) – осуществляет обучение по вопросам качества.
Зам. ген.директора по экономическим вопросам – решает вопросы экономического характера.
Планово экономический отдел (ПЭО) – Разработка и осуществление плана на предприятии.
Отдел труда и заработной платы (ОТИЗ) – Расчет ЗП; составление калькуляций; нормирование труда.
Финансовый отдел (ФО) – распределение финансов по предприятию, оплата по договорам.
Главный бухгалтер – расчет заработной платы, расчет командировок.
Бухгалтерия – Производит расчет и оплату предприятия по всем фондам.
Спец.отдел (ВМО, 1 отдел) – оформление секретной документации, учет военнообязанных лиц.
Юридическое бюро – решает вопросы, связанные с применением законодательных актов.
Зам. ген.директора по снабжению – обеспечивает предприятие надлежащим сырьем для выпуска продукции.
Отдел внешней комплектации (ОВК) – Обеспечивает предприятие радиоэлементами.
Отдел материально-технического снабжения (ОМТС) – Обеспечивает предприятия материалами (сырьем).
Административно-хозяйственный участок (АХУ) – Дворники, уборщики.
Цех №28 – Гараж.
Зам. ген.директора по маркетингу и сбыту. Директор центра - осуществляет реализацию продукции, находит новее пути сбыта.
Центр маркетинга и сбыта – контроль за рекламой продукции и реализации товаров.
Отдел Маркетинга – создание упаковок, рекламы.
Отдел Сбыта – внедрение товара на рынок.
Торговое бюро – внешние контакты с торговыми агентствами.
Магазин «Криница» - продажа товаров предприятия.
Эксплуатационно-ремонтный отдел (ЭРО) – гарантийный ремонт, ликвидация брака.
СЭОик – закрыто.
Зам. директора БПЗ по кадрам, охране и информационной работе – осуществляет контроль за проведением идеологической работы, учет кадров, охрану производства.
Отдел кадров и подготовки кадров (ОК и ПК) - обеспечивает подготовку и переподготовку кадров.
Военизированная служба охраны – служба охраны производства, отдел сбыта, 2 общежития.
Редакция – закрыта.
Зам.директора БИЗ директора со социально-бытовым вопросам - следит за проведением работ связанных с социальными вопросами.
Спортзал – зал для проведения массовых мероприятий, связанных с физической деятельностью.
Здрав. пункт – решает вопросы связанные с здоровьем работников.
Отдел быта – решает вопросы, связанные с благоустройством и улучшением жизни работников.
Зубопротезный – протезирование зубов.
Жилищно-комунальный участок - 2 общежития.
Столовая – питание работников предприятия во время перерывов.
Детский сад – переведен в собственность города.
Дом культуры (ДК) - переведен в собственность города.
ЗАО «Заручье», ООО «Экрум», ООО Протон-Экран, Ассоциация Бел РЭИП, Ассоциация Авиаприборостроителей , ЗАО «ЭПИР», АО «Авиапром», АО «Штурмавики Сухого», АББ «Авиабанк», АКБ ПСБ, АКБ Минск Комплксбанк – филиалы Аэрокосмической ассоциации.
Задачи и виды работ подразделения, занимающегося
техническим обслуживанием и ремонтом электроустановок
Электрик обслуживает и несет ответственность за безаварийное и бесперебойное электроснабжение предприятия, а также за состояние оборудования согласно нижеприведенному
- РУ-10 кВ;
- Все подстанции предприятия;
- Генераторная спецтоков цеха № 25;
- Шинопроводы корпуса № 1;
Магистральные силовые линии и линии спецтоков согласно актов разграничения
- Низковольтные и высоковольтные кабельные линии предприятия;
- Силовые распределительные щиты до верхних губок
Обслуживание электроустановок осуществляется периодически. При обходе электроустановок необходимо проверять следующие параметры:
- внешний вид;
- температуру работающего трансформатора (температура 70 градусов)
- давление в трансформаторе;
- токовую нагрузку на вторичной обмотке трансформатора;
- визуально вести наблюдение за напряжением во вторичной обмотке трансформатора и показанием амперметров отходящих линий;
Электрик должен знать правила и приемы безопасного выполнения работ при использовании инструмента ударного действия, связанных с опасностью> >травмирования глаз, использовать защитные очки или щитки. Необходимо соблюдать правила внутреннего трудового распорядка.
В случае аварийной ситуации в эл. оборудовании электрик обязан самостоятельно и немедленно принять меры к восстановлению нормального режима его работы, сообщить о принятых мерах мастеру, начальнику цеха.
Аварийные работы также, как и все остальные должны выполняться в строгом соответствии с требованиями правил ПТЭ и ПТБ.
При возникновении пожара:
- немедленно сообщить о пожаре в пожарную часть по городскому телефону 01, заводскому 15-01 и администрации службы;
- принять меры по эвакуации людей;
- приступить к тушению пожара своими силами, имеющимися средствами пожаротушения.
Должностные обязанности специалиста, занимающегося
техническим обслуживанием и ремонтом электроустановок
Характеристика работ. Обслуживание силовых и осветительных электроустановок со схемами включения средней сложности. Выполнение простых работ на ведомственных электростанциях, трансформаторных электроподстанциях с полным их отключением от напряжения оперативных переключений в электросетях, ревизией трансформаторов, выключателей, разъединителей и приводов к ним без разборки конструктивных элементов. Регулирование нагрузки электрооборудования, установленного на обслуживаемом участке. Проверка мегомметром состояния изоляции и измерение величины ее сопротивления в электродвигателях, трансформаторах и кабельных сетях. Выявление и устранение неисправностей и повреждений в силовых и осветительных электросетях, а также в электродвигателях и электрических схемах технологического оборудования. Разделка, сращивание, изоляция и пайка проводов напряжением свыше 1000 В. Обслуживание, установка и включение электроизмерительных приборов и электросчетчиков, электродвигателей мощностью до 100 кВт, пускорегулирующей аппаратуры электродвигателей и оборудования распределительных устройств, эксплуатируемых в сетях до 1000 В. Зарядка и обслуживание сложной осветительной арматуры (взрывонепроницаемой) с лампами накаливания и установка люминесцентных светильников.
Должен знать: устройство обслуживаемых электродвигателей и генераторов постоянного и переменного тока, трансформаторов, аппаратуры распределительных устройств, электросетей и электроприборов, масляных выключателей, предохранителей, контакторов, аккумуляторов, статических конденсаторов, контроллеров, ртутных выпрямителей и темнителей; правила и нормы испытания изоляции обмотки мегомметром; приемы и способы сращивания и пайки проводов высокого напряжения; основные требования к релейной защите; приемы нахождения и устранения неисправностей в электросетях, в работе электромашин; принцип работы гасящих реостатов, автотрансформаторов и электроприводов с полуавтоматическим управлением; определение допустимых нагрузок на трансформаторы, электродвигатели, кабели и провода; устройство универсальных и специальных приспособлений, простых и средней сложности контрольно - измерительных приборов.
Технологический процесс технического обслуживания (ремонта)
электромеханического прибора «Автоматического выключателя серии А3700»
Техническое состояние выключателя (электромеханического прибора) и его дальнейшая работоспособность проверяются при техническом обслуживании. При этом: отключают выключатель вручную; снимают напряжение в главной цепи и цепях его дополнительных узлов; отвинчивают четыре винта и снимают крышку АВ (электромагнитный привод); отвинчивают два винта, крепящие основание АВ к шпилькам со стороны искрогасителя (кроме того, для выключателей величин 1 и 2 отвинчивают два винта, крепящих основание АВ к шпилькам, соединяющим корпус выключателя и РП (полупроводниковыми расцепителями)), осматривают и очищают АВ от пыли и других загрязнений, смазывают АВ, устанавливают крышку АВ, плотно затягивают четыре винта и повертывают АВ вокруг шарнира; снимают искрогаситель с изоляционной пластиной, блок управления РП или крышку, закрывающую доступ к зажимам подвижных контактов, крышку выключателя; определяют наличие провала главных контактов выключателя и толщину металлокерамического слоя контактов.

Рис. 1- Определение наличия провала. контактов главной цепи выключателя: а – линия разъема крышки и корпуса выключателя; 1-контакто,держатель подвижного контакта; 2- контакто-держатель малоподвижного контакта.
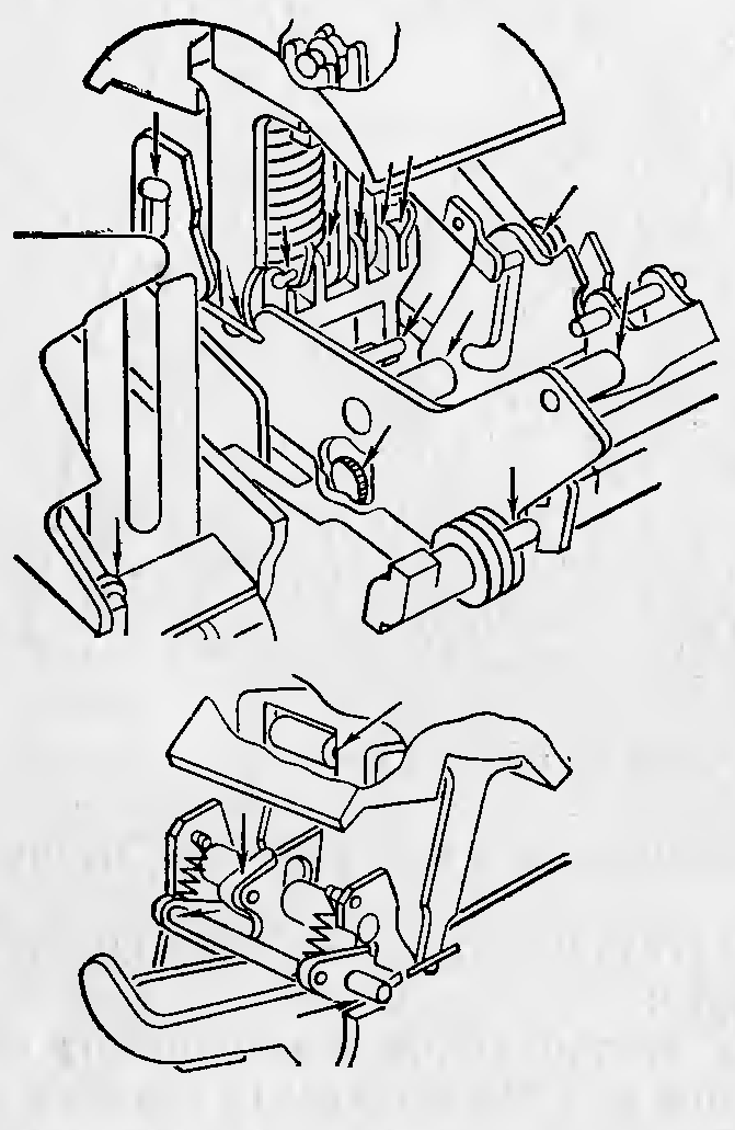
Если провал контактов или толщина металлокерамического слоя контакта окажутся менее 0,5 мм, то выключатель для дальнейшей работы непригоден. Толщина металлокерамического слоя контактов определяется визуально. Провал соответствует разности размеров во включенном и отключенном положениях выключателя от линии разъема крышки и корпуса выключателя до точки, находящейся в зоне, боковой грани металлокерамического контакта на малоподвижном контактодержателе (рис. 1). При этом замеры во включенном и отключенном положениях выключателя должны производиться в одних и тех же точках. расцепляют рычаг механизма управления с рейкой, для чего осторожно провертывают удерживающую рейку до момента ее расцепления с рычагом механизма; очищают выключатель, особенно пластмассу, во всех доступных местах от копоти и пыли; очищают дугогасительные камеры от копоти и попавших между пластинами камеры застывших капель металла (при этом для придания гладкой поверхности металлокерамическим контактам не допускается опиливать заплывы и неровности, образовавшихся в результате отключения выключателем рабочих токов и токов короткого замыкания); смазывают выключатель и проверяют четкость взвода. Включения и отключения выключателя, а также затяжку крепежа. Места смазки выключателей показаны на рис. 2 и рис.3.

Рис. 2 - Места смазки выключателей величин 1 и 2
При этом винты, окрашенные в красный цвет, отвинчивать не допускается; устанавливают дугогасительные камеры и изоляционные пластины в пазы корпуса; устанавливают крышку выключателя и закрепляют ее четырьмя винтами. При этом для выключателей величин 3 и 4 перед тем, как установить крышку, надевают на рукоятку выключателя изоляционную пластину, если она была установлена заводом-изrотовителем. Окрашенная часть пластины должна быть расположена со стороны метки «О».
Кроме того, при исполнении выключателя с РП, но без РН ( независимый расцепитель ), до установки крышки необходимо убедиться, что выключатель находится в положении «Отключено автоматически»; устанавливают козырек, искрогаситель с изоляционной пластиной, блок управления РП или крышку, закрывающую доступ к зажимам подвижных контактов. Все винты, крепящие узлы, затягивают до отказа; проверяют работоспособность РП и устанавливают АВ с РН на выключатель. При установке АВ на выключатель без РН: устанавливают рукоятку АВ стрелкой против метки «О», повертывают АВ вокруг оси шарнира так, чтобы каретка АВ коснулась рукоятки выключателя; поворачивая рукоятку АВ по часовой стрелке, устанавливают каретку АВ так, чтобы рукоятка выключателя попала между ведущими роликами каретки; доводят АВ до упора его основания в шарнире; убеждаются, что рукоятка выключателя находится между ведущими роликами каретки АВ, после чего закрепляют основание АВ к шпилькам выключателя; проверяют работу АВ и надежность контактирования замыкающих и размыкающих ВК и надежность контактирования контактов, не задействованных в цепях РН с АВ, проверяют при помощи электрических ламп напряжением 2,5 - 3,5 В током 0,05 - 0,2 А или измерением сопротивления прибором типа Ц-56, при этом показание прибора должно быть равно нулю.

Рис. 3 - Места смазки выключателей величин 3 и 4.

Рис. 4 - Места смазки АВ
Для проверки работы РН включают выключатель и подают соответствующее напряжение на катушку. При этом выключатель должен отключиться. При исполнении выключателя с АВ проверка РН осуществляется при проверке АВ. При проверке работы АВ выключателя с РН:
а) при отсутствии напряжения в цепи привода поворотом по часовой стрелке устанавливают рукоятку АВ стрелкой против метки «1». Если рукоятка до этого находилась в положении 1, делают один оборот, если в положении 0 полтора оборота;
б) отключают выключатель с помощью РН;
в) включают выключатель вручную, для чего вначале повертывают рукоятку по часовой стрелке в положение 0, а затем в положение 1. При этом выключатель должен включиться;
г) отключают выключатель с помощью РН. При этом выключатель должен отключаться, а рукоятка АВ остаться в положении 1;
д) подают соответствующее напряжение в цепь АВ. При этом рукоятка АВ должна автоматически перейти в положение 0;
е) включают и выключают выключатель нажатием кнопок на, ВКЛ. и ОТКЛ. При этом выключатель должен включаться и отключаться.
Коммутационное положение выключателя при операциях определяется переключением свободного вспомогательного контакта. Места смазки АВ показаны на рис. 4.
Проверка работы АВ выключателя без РН производится следующим образом. Подается соответствующее напряжение в цепь АВ, при этом рукоятка АВ автоматически должна перейти в положение «Отключено», если выключатель до этого находился в положении «Отключено автоматически».
Поверка работоспособности РП производится следующим образом. Собирается схема согласно рис. 5 для проверки РП выключателей переменного тока и согласно рис. 6 для выключателей постоянного тока. Проверку производят так:
а) снимают напряжение в главной и вспомогательной цепях, а также в цепи питания блока управления РП выключателя постоянного тока, если питание блока управления осуществляется от постороннего источника тока, снимают прозрачную крышку;
б) подсоединяют к гнездам на лицевой стороне блока правления РП выводы 1,2 и 3 (рис. 5) для выключателей переменного тока, а для выключателей постоянного тока 1, 2, 3 и 4 (рис. 6). Номер подсоединяемого ввода должен соответствовать номеру гнезда на лицевой стороне блока управления РП;

Рис. 5 - Схема для проверки работоспособности РП выключателей Т- переменного тока: не менее 80 В; R1 - MT-2-18К: VD1, VD2, VD3, VD4-Д226Б

Рис. 6 - Схема для проверки работоспособности РП выключателей постоянного тока: R1–ПЭВ–10–10К; R2–МЛТ–0,5–1К; R3–МЛТ–0,5–20К;С–К50–3–250–20; VD1–VD4–Д226Б
в) включают выключатель;
г) включают вилку схемы в сеть переменного тока
д) включают выключатель SAl;
е) включают выключатель SA2. При этом проверяемый выключатель должен отключиться за время не более 14 мин, включают выключатель и нажимают кнопку SB2.
При этом выключатель должен отключиться за время не более 1 с;
з) отключают схему от сети, отсоединяют выводы схемы от блока управления РП и устанавливают прозрачную крышку.
Отключение проверяемого выключателя при включении выключателя SA2 и нажатии кнопки SB1 свидетельствует о работоспособности РП. Если выключатель не срабатывает, необходимо убедиться в исправности РН и надежности контактов, маркированных на выключателе символами х1, х2. При необходимости промывают контакты спиртом. При исправном РН и надежным контактировании следует сменить блок управления РП. Для смазки включателей и АВ должно применяться масло МВП ГOCT 1805 – 76 .
Смазка выключателей и АВ должна производиться по 1- 2 капли в зависимости от размеров трущейся поверхности.
Специальные устройства, дистанционное управление, разрывы и
габариты безопасности, назначение и применение «Автоматического выключателя серии А3700»
Воздушные автоматические выключатели серии А3700 (сокращенно выключатели) предназначены для максимальной токовой защиты электрических установок при перегрузках и коротких замыканиях в цепях с номинальным напряжением (в зависимости от исполнения) до 440 В постояннoгo тока, до 660 В переменноrо тока частотой 50 и 60 Гц и до 380 В переменного тока частотой 400 Гц, для нечастых оперативных коммутаций этих цепей, а также для защиты электрических цепей при снижении напряжения, до недопустимого.
Серия автоматических выключателей А3700 состоит из четырех величин (1, 2, 3, 4) на номинальные токи соответственно 160,250,400 и 630 А. Выключатели допускают нечастые пуски короткозамкнутых асинхронных электродвигателей. Количество циклов «включение отключение» для выключателей величины 1300, величины 2200, величины 31600, величины 41000.
Выключатели в зависимости от исполнения предназначены для эксплуатации в районах с умеренным, тропическим или холодным климатом. Автоматические выключатели выполняются с максимальной токовой защитой в зонах перегрузки и кopoткoгo замыкания. Расцепители токовой защиты выполнены на полупроводниковых (РП) и электромагнитных (РЭ) элементах. Выключатели выпускаются также и в неавтоматическом исполнении.
По роду защиты выключатели могут быть предназначены для селективной защиты (с регулируемым временем срабатывания в зоне короткого замыкания в пределах 0,1 - 0,4 с) и токоограничивающими. В основном применяются токоограничивающие выключатели, которые позволяют в результате быстродействия резко ограничить ток короткого замыкания. В этом варианте выпускаются выключатели всех четырех величин. Расцепители автоматических выключателей этих двух величин охватывают зону номинальных токов от 160 до 630 А.
Максимальная защита токоограничивающих выключателей выполнена на полупроводниковых и электромагнитных элементах, а выключателей для селективной защиты только на полупроводниковых расцепителях.
Уставки по току срабатывания и по времени срабатывания выключателей и полупроводниковых максимальных расцепителей тока могут регулироваться в широких пределах. В зоне короткого замыкания время срабатывания регулируется только для выключателей селективной защиты. Вставки по току срабатывания и по времени срабатывания в зоне перегрузки у выключателей, оборудованных только электромагнитными максимальными расцепителями тока, в эксплуатации не регулируются.
Наличие полупроводникового расцепителя делает возможным быстрое повторное включение после отключения аварийного тока.
Блок управления полупроводникового максимального расцепителя тока выполнен в отдельной пластмассовой оболочке и является легкосъемным, взаимозаменяемым с любым блоком аналогичного исполнения.
Выключатели выпускаются с ручным или с дистанционным малогабаритным электромеханическим приводом.
Выключатели переменного тока выпускаются как в двухполюсном, так и в трехполюсном исполнении, а постоянного тока только в двухполюсном исполнении, без левого полюса.
Двухполюсные и трехполюсные выключатели одной величины имеют одинаковые габариты и установочные размеры.
Выключатели серии А3700 общепромышленного исполнения рассчитаны для работы в следующих условиях: температура окружающего воздуха от 40 до +40 ос, относительная влажность окружающего воздуха не более 95 % при температуре +20 ос и не более 50 % при температуре +40 0 с. Не допускается установка выключателей во взрывоопасной среде, а также в среде, содержащей пыль (в количестве, нарушающем работу выключателя), агрессивные газы и пары в концентрациях, разрушающих металлы и изоляцию, насыщенной водяными парами; в местах, не защищенных от попадания атмосферных осадков, воды, масла, эмульсии и т.п.
Выключатели не должны подвергаться резким толчкам и сильной тряске, воздействию солнечной радиации. Допускается вибрация мест крепления с частотой не более 25 Гц.
Выключатели с полупроводниковыми расцепителями в условиях эксплуатации допускают регулировку номинального тока расцепителя; уставок по току срабатывания в зоне кз; уставок по времени срабатывания в зоне перегрузки; уставок по времени срабатывания в зоне КЗ для выключателей для селективной защиты.
Выключатели токоограничивающего исполнения имеют в каждом полюсе электромагнитный расцепитель, срабатывающий при токах короткого замыкания без выдержки времени. Расцепители представляют собой электромагнитные или термобиметаллические механизмы, которые срабатывают и вызывают отключение выключателя мгновенно или с некоторой выдержкой времени.
Существуют расцепители максимального тока, которые срабатывают при токе, большем уставки тока срабатывания, расцепители минимального напряжения, которые срабатывают, когда напряжение на катушке становится меньше заданного, которые срабатывают без выдержки времени, когда на их катушку подано напряжение.
Отключение выключателя при срабатывании расцепителя происходит вследствие воздействия последнего на механизм свободного расцепления; при этом нарушается связь между приводом и контактной системой и она переходит в отключенное положение под действием отключающих пружин независимо от положения привода.
Благодаря наличию механизма свободного расцепления при наступлении ненормальных условий в цепи выключатели отключаются независимо от положения привода и после этого не могут самопроизвольно включаться (принцип свободного расцепления).
ИНСТРУКЦИЯ ПО ОХРАНЕ ТРУДА ДЛЯ РЕМОНТНИКОВ-
ЭЛЕКТРИКОВ ПРИ ПРОИЗВОДСТВЕ РЕМОНТНЫХ РАБОТ
ИОТ 06-12.087-2006 г.
Борисов, 2006 г.
1. ОБЩИЕ ТРЕБОВАНИЯ БЕЗОПАСНОСТИ
1.1 К самостоятельной работе в электроустановках в качестве ремонтников-электриков при производстве ремонтных работ допускаются лица не моложе 18 лет, прошедшие медицинский осмотр и не имеющие противопоказании по состоянию здоровья, прошедшие вводный инструктаж и инструктаж на рабочем месте, обученные безопасным методам и приемам работы, прошедшие проверку знаний по охране труда имеющие соответствующее удостоверение, а также сдавшие экзамен на знание правил ПТЭ и ПТБ с квалификационной группой не ниже 2-4.
1.2 К ремонтному персоналу относится персонал, выполняющий все виды работ, по ремонту, реконструкции и монтажу электрооборудования. К этой категории относится также персонал специализированных служб (испытательных лабораторий, служб автоматики и контрольно-измерительных приборов и т.д.) в обязанности которого входит проведение испытаний, измерений и регулировка электроаппаратуры и т.д.
1.3 До назначения на самостоятельную работу или при переходе на другую работу (должность), связанную с эксплуатацией электроустановок, а также при перерыве в работе в качестве электротехнического персонала свыше 1 года персонал обязан пройти производственное обучение на новом месте работы под руководством опытного работника с одновременным изучением в необходимом объеме :
правил ПТЭ и ПТБ (правила технической эксплуатации и правила техники безопасности) при эксплуатации электроустановок потребителей;
- правила устройства электроустановок (ПУЭ), производственных (должностных и эксплуатационных) инструкций;
- дополнительных правил, нормативных и эксплуатационных документов данного предприятия или участка, данную инструкцию.
Прикрепление обучаемого к обучающему его работнику с указанием срока обучения оформляется распоряжением по цеху.
1.4 По окончании производственного обучения, обучаемый должен пройти проверку знаний ПТЭ и ПТБ квалификационной комиссией с присвоением соответствующей группы допуска по электробезопасности, после чего распоряжением по цеху допускается к самостоятельной работе. Периодичность проверки знаний по электробезопасности - один раз в год.
1.5 Периодичность проведения инструктажей :
- вводный при поступлении на работу,
- на рабочем месте в течении 6 рабочих смен перед допуском к самостоятельной работе;
- повторный через три месяца;
- внеплановый при необходимости.
1.6 На рабочем месте ремонтный персонал должен соблюдать правила внутреннего трудового распорядка, не допускать распития спиртных напитков, употребления наркотических и токсических веществ. Курить в специально отведенных для этого местах.
1.7 Капитальный ремонт энергооборудования осуществляется в целях восстановления его исправности и обеспечения надежной и экономичной работы При капитальном ремонте оборудования проводятся - подробный осмотр, разборка, устранение обнаруженных дефектов, восстановление и изношенных узлов и деталей, испытания, регулировка.
1.8 Капитальный и текущий ремонты выполняются как по месту установки оборудования, так и с выводом из технологической линии и последующим централизованным ремонтом.
1.9 При ремонте электроустройств напряженней свыше 1000В на рабочих местах или в бригадах, централизованного ремонта должны использоваться следующие средства индивидуальной защиты:
изолирующая штанга (оперативная или универсальная) ГОСТ 20494-90;
- указатель напряжения выше 1000В ГОСТ 20493-90;
- изолирующие клещи (при отсутствии универсальной штанги) ГОСТ 9071-79;
- диэлектрические перчатки ГОСТ 12,4.010-75;
- диэлектрические боты (для ОРУ) ГОСТ 133 58-78;
- переносные заземления ГОСТ 20494-90;
- временные ограждения, переносные плакаты н знаки безопасности ГОСТ 12.4.026-76; 12.4.027-76;
- защитные очки ГОСТ 12.4.003-80;
костюм х/б (согласно Положения по обеспечению рабочих и служащих СИЗ от 1.11.2005 г.)
1.10. При ремонтах распределительных устройств напряжением до 1000В, а также специального технологического оборудования необходимо иметь и применять в работе следующие средства:
изолирующая штанга (оперативная или универсальная);
- указатель напряжения до 1000В: изолирующие клещи:
- диэлектрические перчатки;
- диэлектрические галоши;
изолирующая подставка или диэлектрический ковер;
изолирующие накладки, временные ограничения, переносные плакаты и знаки безопасности;
переносные заземления;
- защитные очки;
- костюм х/б (согласно Положения по обеспечению рабочих и служащих СИЗ от 1.11.2005г.) Все средства индивидуальной защиты подлежащие периодической поверке должны быть исправны, проверены и иметь отметки о сроках поверки.
1.11 В процессе выполнения работ ремонтниками-электриками может возникнуть опасность поражения электрическим током, возникновение загорания
1.12 Для обеспечения выполнения требований по пожаро- и взрывобезопасности необходимо выполнять требования инструкции по пожарной безопасности для ЭМУ 109/06.
1.13 При получении рабочим травмы или недомогания, немедленно прекратить работу, обратиться в медпункт, а также известить непосредственного руководителя. На месте получения-травмы инструмент, приспособления, механизмы должны находиться в том же положении как и на момент получения травмы до прибытия специальной комиссии по расследованию, если это не угрожает безопасности окружающих.
1.14 Ремонтный персонал должен знать и приемы безопасного выполнения работ при использовании инструмента ударного действия, связанных с опасностью травмирования глаз, использовать защитные очки или щитки.
1.15 При обнаружении неисправности оборудования, приспособлений, инструментов, нарушениях технологического процесса, ремонтник-электрик должен прекратить работы и немедленно предупредить непосредственного руководителя.
1.16 Ремонтный персонал обязан обладать навыками освобождения пострадавшего от действия
электрического тока и оказания первой (доврачебной) помощи согласно инструкции НОТ 93-20.83-2005 г.
1.17 Требования данной инструкции являются обязательными для ремонтников-электриков, невыполнение требований инструкции рассматривается как нарушение трудовой дисциплины.
2. ТРЕБОВАНИЯ БЕЗОПАСНОСТИ ПЕРЕД НАЧАЛОМ
РАБОТЫ
2.1 Перед началом работ надеть спецодежду, проверить исправность СИЗ.
2.2 Работа в электроустановках производится по наряду, распоряжению, в порядке текущей эксплуатации.
2.2.1 По наряду производятся все работы по обслуживанию электроустановок, выполняемые:
а) со снятием напряжения;
б) без снятия напряжения на токоведущих частях и вблизи них;
в) без снятия напряжения вдали от токоведущих частей, находящихся под напряжением. В наряде должно быть определено:
содержание и место работы;
- время начала и окончания работы;
- условия безопасного проведения работы;
- состав бригады и лица, ответственные за безопасность проведения работы.
2.2.2 Распоряжение-это задание на производство работы, определяющее ее содержание, место, время, меры безопасности (если они требуются) н лиц, которым поручено ее выполнение. Распоряжение может быть передано непосредственно или с помощью средств связи с последующей записью в журнале. Распоряжение имеет разовый характер, срок его действия зависит от продолжительности рабочего дня исполнителей.
2.2.3 В порядке текущей эксплуатации ремонтный персонал проводит самостоятельно на закрепленном за ним участке в течении одной смены работы согласно утвержденного на предприятии (в цехе) перечня.
2.3 Перед началом работ, выполняемых по нарядам, ремонтный персонал обязан ознакомиться с содержанием работ и мерами безопасности, указанными в наряде. В случае наличия какого-либо сомнения, ремонтный персонал должен потребовать разъяснениями у ответственного руководителя или лица, выдавшего наряд, а также потребовать дополнительных мер безопасности, если на его взгляд они недостаточны.
2.4 Дня подготовки рабочего места при работах со снятием напряжения необходимо выполнить в указанном порядке следующие технические мероприятия:
произвести необходимые отключения и приняты меры, препятствующие подаче напряжения к месту работы вследствие ошибочного или самопроизвольного включения коммутационной аппаратуры;
- на приводах ручного и на ключах дистанционного управления коммутационной аппаратурой вывесить запрещающие плакаты;
- проверить отсутствие напряжения на токоведущих частях, на которых должно быть наложено заземление для защиты людей от поражения электрическим током;
наложить заземление (включить заземляющие ножи, а там где они отсутствуют, установить переносные заземления);
- вывесить предупреждающие и предписывающие плакаты, оградить при необходимости рабочие места и оставшиеся под напряжением токоведущие части. В зависимости от местных условии токоведущие части ограждаются до и после наложения заземлений.
2.5 Перед началом работ (на месте производства работ) в установках напряжением свыше 1000В необходимо отключить:
- токоведущие части, на которых производится работа;
- не огражденные токоведущие части, к которым возможно приближение людей, используемых ими ремонтной оснастки инструмента, механизмов и грузоподъемных машин на расстояние менее допустимого. Перед началом работы в установках напряжением свыше 1000В с каждой стороны, откуда коммутационным аппаратом может быть подано напряжение на место работы, должен быть обеспечен видимый разрыв, образованный отсоединением или снятием шин проводов, отключением разъединителей, снятием предохранителей, а также отключением тех, у которых автоматическое включение осуществляется пружинами, установленными на самих аппаратах.
2.6 В электроустановках напряжением до 1000В перед началом работы с токоведущих частей, на которых будет производиться работа, напряжение со всех сторон должно быть снято отключением коммутационных аппаратов с ручным приводом, а при наличии в схеме предохранителей - снятием последних. При отсутствии в схеме предохранителей предотвращения ошибочного включения коммутационных аппаратов должно быть обеспечено такими мерами как запирание рукояток или дверец шкафа, укрытие кнопок, установка между контактами изолирующих накладок и т.д. Если позволяет конструктивное исполнение аппаратов и характер работы, перечисленные выше меры могут быть заменены расшиновкой или отсоединением концов кабеля, проводов от коммутационных аппаратов либо от оборудования, на котором должна производиться работа.
2.7 Перед началом всех видов работ в электроустановках со снятием напряжения необходимо проверить отсутствие напряжения на участке работы Проверка отсутствия напряжения между всеми фазами и между каждой фазой и землей и каждой фазой и нулевым проводом на отключенной для производства работ части электроустановки должна быть проведена допускающим после вывешивания предупреждающих плакатов.
2.8 Указатель напряжения должен быть только заводского изготовления, исправность которого должна быть установлена приближением его к токоведущим частям, заведомо находящихся под напряжением. Если уже проверенный таким образом указатель напряжения был уронен или подвергался толчкам (ударам), то применять его без повторной проверки запрещается.
3. ТРЕБОВАНИЯ БЕЗОПАСНОСТИ ПРИ ВЫПОЛНЕНИИ
РАБОТ
3.1 Работать электрикам-ремонтникам разрешается только исправным инструментом. Рукоятки инструмента должны быть изолированы.
3.2 Все проходы в местах расположения электрооборудования должны быть всегда свободны.
3.3 В КРУ с оборудованием на выкатываемых тележках запрещается без снятия напряжения с шин и их заземления проникать в отсеки ячеек, не отделенные сплошными металлическими перегородками от шин или от непосредственно соединенного с КРУ оборудования.
3.4 При работе в отсеке шкафов КРУ тележку с оборудованием необходимо выкатить, шторку отсека, в котором токоведущие части остались под напряжением, запереть на замок н вывесить плакат "СТОЙ! НАПРЯЖЕНИЕ!». В отсеке вывесить плакат «РАБОТАТЬ ЗДЕСЬ!»
3.5 Если работы производятся на отходящих кабельных линиях вне КРУ, то тележку с выключателем необходимо выкатить, верхнюю шторку или дверцы запереть на замок и вывесить плакаты* НЕ ВКЛЮЧАТЬ! РАБОТАЮТ ЛЮДИ!», «НЕ ВКЛЮЧАТЬ! РАБОТАЮТ НА ЛИНИИ!».
3.6 При выполнении работ на кабельных линиях необходимо выполнять следующие требования:
- перед рытьем траншей необходимо получить письменное разрешение на выполнение работ от предприятия, организации, цеха и т.д.на территории которых предстоит производить земляные работы и указания о точном местонахождении имеющихся сооружений, газовых, водопроводных и прочих коммуникаций.
открытые муфты должны укрепляться на прочной доске, подвешенной с помощью проволоки или троса к перекинутым через траншею брусьям н закрываются коробами;
-запрещается использовать для подвешивания кабелей соседние кабели, трубопроводы во избежание их обрывов или пробоев;
-при изготовлении муфт кабельная масса для заливки разогревается в специальной металлической посуде с крышкой и носиком. Запрещается разогревать невскрытые банки с кабельной массой, при заливке кабельной массы следует надевать брезентовые рукавицы и предохранительные очки. Запрещается передавать котелок или ковш с припоем либо сосуд с массой из рук в руки во избежание получения ожогов и травм, при передаче необходимо ставить на землю или на прочное основание:
- при перекатке барабана с кабелем необходимо принять меры против захвата выступающими его частями одежды рабочих. До начала перекатки закрепить концы кабеля и удалить торчащие из барабана гвозди.
3.7 Для обеспечения безопасности работ, проводимых в цепях измерительных приборов и устройств релейной защиты, все вторичные обмотки измерительных трансформаторов тока и напряжения должны иметь постоянные заземления. При необходимости разрыва токовой цепи измерительных приборов и реле цепь вторичной обмотки трансформатора тока предварительно закорачивается на специально предназначенных для этого зажимах
3.8 При ремонте оборудования, содержащего электролитические конденсаторы, обязательно применение защитных щитков или очков.
3.11. Электроинструмент и ручные электрические машины должны удовлетворять требованиям ГОСТ и правил ПТЭ и ПТБ.
3.12. При производстве ремонтных работ на специальном технологическом оборудовании на работы связанные с ремонтом энергетической части данного оборудования распространяются все требования, изложенные в разделе 1,2,3 настоящей инструкции, а также правила ПТЭ и ПТБ
4. ТРЕБОВАНИЯ БЕЗОПАСНОСТИ В АВАРИЙНЫХ
СИТУАЦИЯХ
4.1 При возникновении аварийной ситуации (поломка, отключение, отказ приборов контроля) произвести отключение оборудования от силовой сети и доложить непосредственному руководителю.
4.2 При возникновении пожара:
сообщить о пожаре в пожарную часть по городскому телефону 01, заводскому 15-01 и администрации службы;
- принять меры по эвакуации людей;
- приступить к тушению пожара своими силами, имеющимися средствами пожаротушения.
4.3 Ремонтному персоналу разрешается производить работы по предотвращению аварий и ликвидации их последствий без наряда под наблюдением оперативного персонала, если выписка и оформление наряда вызовут задержку ликвидации последствий аварии, но с последующей записью в оперативном журнале.
4.4 В случае занятости оперативного персонала или в случае отсутствия постоянно обслуживающего персонала ремонтный персонал может производить аварийные работы под наблюдением и ответственностью обслуживающего данную электроустановку административного электротехнического персонала с группой по электробезопасности не ниже 5, а в установках напряжением до 1000В не ниже 4.
4.5 Во всех случаях при аварийных работах должны выполняться все технические мероприятия, обеспечивающие безопасность работ.
4.6 При попадании пострадавшего под действие эл. тока необходимо быстро освободить его от действия эл. тока путем отключения эл. установки, а если это невозможно (в случае, когда контакт происходит на высоте) отделить пострадавшего от токоведущих частей токонепроводящими предметами (сухая ткань, деревянные предметы). Применять в таких случаях металлические или мокрые предметы не допускается Необходимо помнить, что при освобождении пострадавшего нельзя касаться его открытых частей тела. После освобождения пострадавшего от действия эл. тока необходимо оказать ему первую медицинскую помощь, при необходимости сделать искусственное дыхание, наружный массаж сердца, вызвать персонал и доложить непосредственному начальнику, оказывать медицинскую помощь.
5. ТРЕБОВАНИЯ БЕЗОПАСНОСТИ ПО ОКОНЧАНИИ РАБОТЫ
5.1 После полного окончания работы рабочее место проводится в порядок ответственным руководителем, который после вывода бригады расписывается в наряде об окончании работы и сдает его оперативному персоналу.
5.2 После окончания работ сообщить непосредственному руководителю о всех недостатках и замечаниях обнаруженных во время работы и о принятых мерах по их устранению.
5.3 Тщательно вымыть руки и лицо теплой водой с мылом или принять душ.
СПИСОК ЛИТЕРАТУРЫ
1. Правила технической эксплуатации электроустановок потребителей и Правила техники безопасности при эксплуатации электроустановок потребителей. 2001 г.
2. Л.Д.Гинасбург - Справочное пособие по технике безопасности.
3. КА.Князевскнй. Охрана труда в электроустановках.
4 Справочник по охране труда. Минск, Беларусь. 1990 г.
5. Письмо министерства промышленности РБ № 90 (70) - 2002 г.
6. СПП 600417525-12.268-2002 «Порядок разработки, согласования и утверждения инструкций по охране труда.
7. Правила устройства электроустановок (ПУЭ) - 2001 г.