Дослідження математичної моделі WiMax та розрахунок покриття на її основі
Міністерство освіти і науки України
Курсова робота
на тему
«Дослідження математичної моделі WiMax та розрахунок покриття на її основі»
Виконав:
Перевірив:
Львів - 2008
Зміст
1.Вступ.....................................................................................................................3
2.Дослідження імітаційної моделі WiMax...........................................................5
3.Теоретичний огляд розрахунку покриття WiMax………....………………..22
3.1 Величина радіусу комірки в залежності від виду модуляції…………..25
3.2 Залежність величини радіусу комірки від чутливості приймача………29
3.3 Залежність величини радіусу комірки від системного підсилення…….31
3.4 Вплив інтерференції на радіус комірки системи WiMax……………….35
3.5 Оцінка впливу зон Френеля на якість сигналу в межах траси WiMax….40
4.Проектування покриття комірки на основі імітаційної моделі......................43
5.Висновок..............................................................................................................46
6.Список літератури..............................................................................................47
1.Вступ
При переході до створення систем широкосмугового радіодоступу з інтеграцією послуг стало зрозуміло, що основні принципи, закладені в безпровідникові системи на попередніх етапах, потребують значної корекції. На сигнальному рівні першочергове значення дістало оптимальне використання спектрального ресурсу радіоканалу при будь-яких співвідношеннях „швидкість – завадозахищеність”. На рівні протоколів стало необхідним забезпечувати заданий рівень якості обслуговування(QoS) будь-якому абоненту мережі. З цією метою в 2004 році був розроблений стандарт IEEE 802.16-2004[164], що являє собою розраховану на введення в міських бездротових мережах (WirelessMAN) технологію без провідного широкосмугового доступу операторського класу. Часто використовується комерційна назва стандарту WiMax(Worldwide Interoperability for Microwave Access), що походить від назви міжнародної організації WiMax Forum, в яку входять ряд передових комунікаційних і напівпровідникових компаній.
Основне призначення даних мереж - це надання послуг абонентам по високошвидкісній і високоякісний безпровідній передачі даних, голосу і відео на відстані в декілька десятків кілометрів. У жовтні 2007 року International Telecommunication Union ( ITU-R) включив технологію WIMAX стандарту IEEE 802.16 в сімейство стандартів мобільного зв'язку 3G. У мережах WIMAX реалізовані найостанніші досягнення науки і техніки в області радіозв'язку, телекомунікацій і комп'ютерних мереж. Стандарт IEEE 802.16 визначає застосування:
на фізичному рівні широкосмугового радіосигналу OFDM з множиною піднесучих;
на канальному рівні використовується сучасний протокол множинного (багатостанційного) доступу Time Divion Multiply Access (TDMA) і Scalable OFDM Access (SOFDMA);
на мережевому (транспортному) рівні в мережах WIMAX застосовується IP-протокол передачі даних, що широко використовуваний в більшості сучасних мережах передачі даних, зокрема, в мережі Інтернет.
В більшості випадків проектування мереж WiMax є досить складним і неоднозначним процесом. Розрахунок покриття відбувається на основі вимірювань рівня завад на місцевості, що потребує значних витрат коштів та часу. В даній роботі пропонується метод оцінки параметрів системи WiMax на основі математичної моделі, створеної в середовищі системи MatLab. Даний математичний апарат, в деякій мірі, може полегшити процес розрахунку покриття.
2.Дослідження імітаційної моделі WiMax
На фізичному рівні стандарту IEEE 802.16 передбачено три принципово різні методи передачі даних – метод модуляції одної несучої(SC, в діапазоні нижче 11 ГГц - SCa), метод модуляції за допомогою несучих OFDM(orthogonal frequency division multiplexing) і метод мультиплексування (множинного доступу) за допомогою ортогональних несучих OFDMA(orthogonal frequency division access). Даний математичний апарат побудований на основі методу WirelessMAN-OFDM, але може бути легко модифікований під будь-який з перелічених методів.
Режим OFDM – це метод модуляції потоку даних в одному частотному каналі(шириною 1-2МГц і більше) з центральною частотою fc. Ділення на канали – частотне. При модуляції даних під дією ортогональних несучих в частотному каналі виділяється N піднесучих так, щоб fk=fc+k*∆f, де k - ціле число із діапазону [-N/2,N/2]. Відстань між ортогональними несучими ∆f=1/Tb, де Tb – тривалість передачі даних. Крім даних в OFDM-символі передається захисний інтервал, що являється копією кінцевого фрагмента символу. Його тривалість може бути 1/4, 1/8, 1/16 та 1/32 від Tb.
Модуляція OFDM основана на двох основних принципах: розбиття одного каналу із змінними параметрами на паралельні гаусівські канали із різними співвідношеннями сигнал-шум і точне вимірювання характеристик каналу. У відповідності із першим принципом OFDM кожна несуча модулюється незалежно під дією квадратурної амплітудної модуляції. Загальний сигнал вираховується під дією зворотного швидкого перетворення Фур’є як
[1]
де Ck – комплексне представлення символу квадратурної модуляції. Комплексне представлення зручне, оскільки генерація радіосигналу проходить відповідно до виразу
Sk(t) = Ik*cos(2πfc)-Qksin(2πfc) [2],
де Ik і Qk – синфазна і квадратурна складова комплексного символу.
Для роботи алгоритмів ШПФ/ОШПФ зручно, щоб кількість точок відповідала 2^m. Тому число несучих вибирають рівними мінімальному числу Nfff = 2^m. В режимі OFDM стандарту IEEE 802.16 N=200, відповідно Nfff=256. З них 55 створюють захисний інтервал на границі частотного інтервалу каналу. Інші 200 – інформаційні.
У відповідності до другого принципу OFDM для точного визначення параметрів каналу необхідні так звані пілотні несучі частоти, метод модуляції і передаючий сигнал, що точно відомий всім станціям в мережі. В OFDM передбачено використання 8 пілотних частот(з індексами 88, 63, 38 та 13). Інші 192 несучі розбиті на 16 підканалів по 12 несучих в кожному. Ділення на підканали необхідне, оскільки в режимі WirelessMAN-OFDM передбачена можливість роботи не у всіх 16, а в 1, 2, 4 чи 8 підканалах – тобто закладені передумови OFDMA. Для цього кожний підканал і кожна група має свій індекс(від 0 до 31).
Тривалість корисної частини Tb OFDM-символу залежить від ширини смуги каналу BW та системної тактової частоти(частоти дискретизації) Fs. Fs=Nfff/Tb. Співвідношення Fs/BW=n нормується і в залежності від ширини смуги каналу приймає значення 86/75(BW кратне 1.5МГц), 144/125(BW кратне 1.25МГц), 316/275(BW кратне 2,75МГц), 57/50(BW кратне 2МГц) та 7/8(BW кратне 1,75МГц і у всіх інших випадках).
Для дослідження стандарту WiMax була використана фізико-математична імітаційна модель, будова якої збігається із представленою нижче блок-схемою:

Рис.1.1. Математична імітаційна модель стандарту IEEE 802.16 на основі методу WirelessMAN-OFDM
До її складу входять наступні функціональні блоки:
Randomizer

Рис.1.2. Randomizer WiMax
PN Sequence Generator (Генератор псевдовипадкової шумоподібної послідовності) створює псевдовипадкову шумоподібну (PN) послідовність використовуючи лінійний регістр зсуву із зворотнім зв’язком(LFSR).

Рис.1.3. Блок-схема генератора псевдовипадкової шумоподібної послідовності.
LFSR для свого функціонування використовує просту конфігурацію генератора 15-розрядного регістра зсуву (SSRG чи Фібоначчі).
В якості поліному генератора використовується наступна послідовність: 1000000000000011 (Задаючий поліном c(x) = x^15+x^14+1). Дані значення призначенні для визначення зв’язків регістра зміщення. Для будь якого поліному у вигляді двійкового вектора перший і останній біти повинні бути одиницею. Початковий стан регістру зміщення представлений поліномом 100101010000000 (16x4A80).
Інформація обробляється кадрами по 280 біт.
Logical Operator XOR (Логічний оператор „виключне або”) виконує логічну операцію XOR між PN послідовністю та вхідним сигналом. В результаті на виході отримується 1 при непарній кількості одиниць на вході, тобто коли лише із одного входу поступає одиниця.
Zero Pad (Доповнювач нулями) доповнює або відкидає значення у стовпцях для досягання розміру 288 біт. Якщо довжини на вході та виході рівні, блок інформації просто передається. Доповнення та усікання відбувається в кінці сигналу.
Block Encoder

Рис.1.4. Блочний кодер WiMax.
Bit to Integer Converter (Перетворювач біт – ціле десяткове число) перетворює групу із 8 бітів у вихідний сигнал у вигляді цілих чисел. Для прикладу, при вхідному сигналі [0000011100001101] на виході буде [7,13]. Із кадру довжиною 288 вхідних біт отримується послідовність із 36 цілих десяткових чисел.
Zero Pad to Code Word Size(Доповнювач нулями до розміру кодового слова) доповнює або відкидає значення у стовпцях для досягання розміру 239 біт. Доповнення відбувається на початку сигналу за допомогою додавання певної кількості нулів.
Integer-Input RS Encoder(Кодер Ріда-Соломона з цілочисельним значенням на виході) кодує 239 бітне кодове слово(K) кодом Ріда-Соломона із символами із поля Галуа GF(256), в результаті чого отримується повідомлення довжиною 255 біт(N). Тобто додається 16 перевірочних бітів. Даний код може виправляти (N-K)/2=8 символьних помилок(не лише 8 біт). Параметри вибираються так, щоб N-K було парним цілим числом. Тоді значення М визначається як найменше ціле число, що більше чи рівне log2(N+1) і рівне 8. Для конкретизації певних полів Галуа GF(2^M), які формують повідомлення, використовується примітивний многочлен 100011101 (X^8+X^4+X^3+X^2+1). В якості породжуючого поліному використовується поліном, сформований за допомогою команди genPoly = conv(genPoly, [1 gf(2,8)^idx]). Породжуючий поліном відповідає наступній формі:
g(x)= (x+A^b)(x+A^(b+1))(x+A^(b+2))...(x+A^(b+N-K-1)),
де А – примітивний елемент поля Галуа, через який визначається вхідний елемент, b – ціле число.
Для прикладу, нехай М = 3, N = 2^3-1 = 7, і K = 5. Тоді повідомлення представляється вектором довжиною 5 цілих символів, що лежать в межах від 0 до 7. Наступна фігура ілюструє можливий вхідний і вихідний сигнали:

Рис.1.5. Приклад обробки сигналу за допомогою кодера Ріда-Соломона
Selector(Прилад відбору) створює вихідний сигнал на основі відбору та перерозподілу вказаних елементів вхідного векторного сигналу за допомогою вектора елементів вхідного сигналу з індексами 240-243 та 204-239. На виході отримується 40 бітні повідомлення.
Integer to Bit Converter перетворює вектор вхідного сигналу із десяткових цілих чисел у рамку бітів по 8 біт з одного цілого числа. На виході створюється 320 бітний кадр.
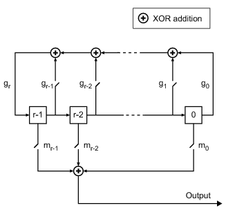
Convolutional Encoder(Згортковий кодер)

Рис.1.6.Згортковий кодер WiMax.
Convolutional Encoder кодує двійкову інформацію перед передачею через канал із шумом. На виході кодера створюється потік інформації, вдвічі більший за вхідний(згортковий код із швидкістю R=1/2). Протягом кодування k вхідних бітів кодуються у n вихідних бітів з подальшою швидкістю k/n потоку кодованих бітів. Кодер складається з регістру зсуву з k*L ланками (L – обмеження довжини коду), куди за один кодовий такт входять k символів, і n суматорів, пов’язаних із відповідними розрядами регістрів. Зв’язок j-го суматора по mod2 описується шляхом задання j-го породжуючого поліному gi=(g>i>>0>,g>i>>1>,…,g>i>>(>>m>>-1))> , де і = 1...k, m- довжина регістра, а наявність коефіцієнтів відповідає наявності з’єднань. Породжуючи поліноми повністю визначають структуру кодера двійкового загорткового коду. Вихідні кодові символи можна представити у вигляді згортки послідовності інформаційних символів і породжуючи поліномів коду, що задають лінійні рекурсивні правила кодування. В перегляді D5 версії IEEE WIMAX 802.16 використовується кодер з обмеженням довжини 7 та породжуючими поліномами g0 = 171>oct> і g1 = 133>oct>, що в даній імітаційній моделі задається командою poly2trellis(7 [171 133]). Його будова показана на рис.1.7, де g0 і g1- породжуючі поліноми, а D-ланка затримки. Для програмної побудови кодера першим кроком є представлення вхідної послідовності як поліному. Згортковий кодер представляється у вигляді:
g0 = 1 + D + D2 + D3 + D6
g1 = 1 + D2 + D3 + D5 + D6
Далі згортковий кодер помножує породжуючий поліном на вхідний потік бітів:
A(x) = g0(x) * I(x) = a b c … g
B(x) = g1(x) * I(x) = P Q R … V
Чергуючи обидва виходи згорткового кодера отримаємо E(x) = aPbQcR … gV, що можу бути записано, як:
E(x) = (a0 b0 c0 … g0) + (0P0Q0R … 0V) = A(x2) + x*B(x2)
Тому,
E(x) = A(x2) + x * B(x2) , а A(x2) = g0(x2) * I(x2) і B(x2) = g1(x2) * I(x2)
Далі
E(x) = g0(x2) * I(x2) + x * g1(x2) * I(x2) = I(x2) * (g0(x2) + x * g1(x2)) = I(x2) * G(x), де G(x) = g0(x2) + x * g1(x2)
G(x) = 1 + x2 + x4 + x6 + x12 + x * (1 + x4 + x6 + x10 + x13) = 1 + x + x2 + x4 + x5 + x6 + x7 + x11 + x12 + x13

Рис.1.7. Блок-схема загорткового кодера WiMax.
Runcture(виколювач) створює вихідний сигнал на основі видалення певних бітів із вхідної послідовності із збереженням усіх інших біт. В даному випадку виколювання відбувається за допомогою функції reshape([1 0 1 0 1;1 1 0 1 0], 10, 1) і отримується 384 вихідні біти.
Для прикладу при виколюванні вектора виколювача [1;0;1;1;1;0] буде видалятися 2 та 6 елементи з вхідної 6-символьної послідовності:

Рис.1.8. Приклад виколювання бітів.
Interleaver(Перемішувач) реорганізовує порядок вхідних елементів без проведення повторення чи видалення елементів вхідного вектора.

Мал.1.9. Перемішувач.
Для прикладу, якщо вхідний вектор [40;32;59;1], а параметр „елементи” перемішувача [4,1,3,2], то буде побудований вихідний вектор [1;40;59;32].
Modulator

Мал.1.10. Модулятор QPSK.
Bit to Integer Converter1(Перетворювач біт – ціле десяткове число) перетворює групу із 2 бітів у вихідний сигнал у вигляді цілих чисел. Із кадру довжиною 384 вхідних біт отримується послідовність із 192 цілі десяткові числа.
General QAM Modulator Baseband(QAM модулятор) модулює вхідний сигнал використовуючи метод квадратурної фазової модуляції(QPSK), що заміняє 2бітову послідовність за допомогою одного символу із відповідною синфазною(I) і квадратурною складовою(Q) з векторних діаграм Грея.

Рис.1.11. Векторна діаграма Грея для QPSK.
Normalize(Нормалізатор) розкладає комплексний сигнал Z після модуляції на real(Z) - i*imag(Z) та перемножує на величину 1/√2:

Рис.1.12. Нормалізатор.
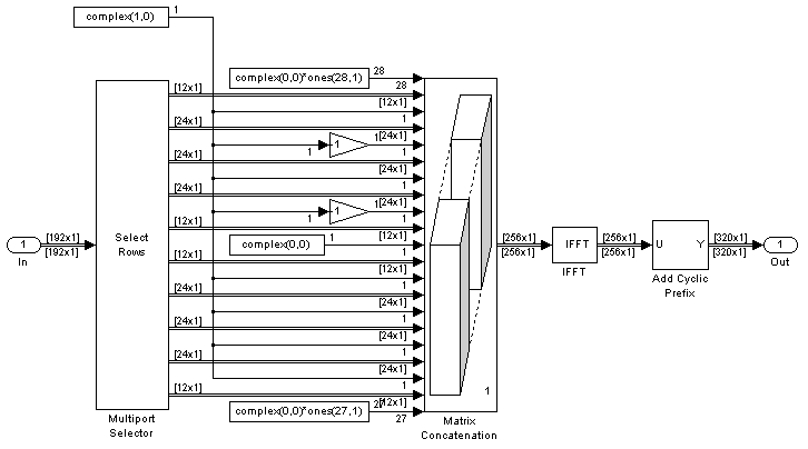
OFDM Symbols(Формувач OFDM повідомлення) проводить OFDM модуляцію потоку даних в одному частотному каналі. Для цього елементи вхідного потоку інтерпретуються як 192 несучі, що групується по 12 та передається 16 групами на вихідні порти. До них додаються дві групи(27 і 28 несучих), що утворюють захисний інтервал на границі частотного діапазону. В результаті об’єднання груп утворюється вихідний сигнал, над яким проходиться зворотнє швидке перетворення Фур’є та додається циклічний префікс (коефіцієнти 193-256 та 1-256).Утворений сигнал із 320 символів передається через канал зв’язку.

Рис.1.13. OFDM-модулятор.
OFDM Data(відновлювач даних з OFDM - повідомлення) отримує сигнал після проходження ним каналу зв’язку. Він відкидає циклічний префікс, проводить швидке перетворення Фур’є, об’єднує інформацію в кадри по 256символів, видаляє елементи із 29 до 128 та від 130 до 229. На виході отримується кадр із 192 символів.

Рис.1.14. OFDM-демодулятор.
Denormalize(Денормалізатор) являється точною копією блока Normalize.
Demodulator виконує QPSK демодуляцію та перетворює цілі числа до біт з відповідністю 1 число до 2-х біт. На виході отримується рамка із 384 бітів.

Рис.1.13. Демодулятор QPSK.
Deinterleaver(зворотній перемішувач) відновлює початковий порядок бітів, аналогічний послідовності до обробки перемішувачем на передаючій стороні.

Рис.1.14. Зворотній перемішувач.
Viterbi Decoder

Рис.1.15. Декодер Вітербі
Unipolar to Bipolar Converter(перетворювач однополярного коду до двополярного) перетворює вхідний однополярний сигнал до двополярного вихідного сигналу. Так вхідний сигнал містить значення одиниць та нулів, в той час як вихідний 1 та -1.
Insert Zero(Блок додавання нулів) будує вихідний вектор на основі додавання нулів до вхідної послідовності для розширення її із 384 до 640 бітів. Відбувається вставка 4 нулів на кожні 6 символів згідно алгоритму reshape([1 0 1 0 1;1 1 0 1 0], 10, 1). Для прикладу, додавання нулів із початковим вектором [1,0,1,1,1,0] цього блоку буде виглядати наступним чином:

Рис.1.16. Приклад роботи блоку додавання нулів.
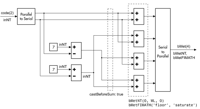
Viterbi Decoder(Декодер Вітербі) використовує алгоритм Вітербі для декодування кодованої вхідної інформації. Ідея алгоритму Вітербі полягає в тому, що в декодері відтворюють всі можливі шляхи послідовних змін стану сигналу, порівнюючи при цьому кодові символи із прийнятими аналогами із каналу зв’язку, і на основі аналізу помилок між прийнятими і потрібними символами вибирають оптимальний шлях. Декодування по методу Вітербі являє собою алгоритм пошуку найкращого, максимально правдоподібного шляху на графі – решіточній діаграмі коду. До складу декодеру Вітербі входять три основні блоки:
гілкового метричного обчислення(BMC);
додавання-порівняння і відбору(FCS);
зворотного декодування (TBD).

Рис.1.17. Блок-схема декодера Вітербі.
Як приклад, побудова BMC для 1/2 швидкості та nsdec = 3 буде наступною:

Рис.1.18. Будова блоку гілкового метричного обчислення(BMC).
ACS складову в загальному вигляді відображає наступний рисунок:

Рис.1.19. Будова блоку додавання-порівняння і відбору(FCS).
Block Decoder

Рис.1.20. Блочний декодер.
Bit to Integer Converter2(Перетворювач біт – ціле десяткове число2) перетворює послідовність з 8 бітів в одне ціле десяткове число.
Selector1(Прилад відбору1) відбирає елементи з порядковим номером від 2 до 40, а перший елемент додається в кінець послідовності.
Zero Pad to Code Word Size1(Доповнювач нулями до розміру кодового слова1) збільшує розмір повідомлення з 40 до 239 додаючи на початок повідомлення необхідну кількість нулів.
Zero Pad to Code Word Size2(Доповнювач нулями до розміру кодового слова2) збільшує розмір повідомлення з 239 біт до 255 додаючи необхідну кількість нулів у кінці повідомлення.
Integer-Output RS Decoder(Декодер Ріда-Соломона з цілочисельним значенням на виході) відновлює повідомлення із кодового слова Ріда-Соломона. Для належного декодування параметри даного блока повинні збігатися із параметрами кодера. В результаті декодування отримується 239бітна послідовність.
Selector2(Прилад відбору2) вибирає біти з індексами 204-239 та будує з них вихідну послідовність.
Integer to Bit Converter3(Перетворювач ціле десяткове число – біт3) перетворює ціле число у послідовність із 8 бітів.
De-Randomizer відбирає перші 280 біт із 288бітного вхідного вектора та проводить логічну операцію XOR між отриманою послідовністю після селектора та псевдовипадковою послідовністю, в результаті чого отримується початковий сигнал.

Рис.1.21. De-Randomizer.
3.Теоретичний огляд розрахунку покриття WiMax
Розрахунок покриття WiMax – досить неоднозначний процес, що залежить від великої кількості параметрів середовища передачі та тих, що закладені в будову системи WiMax. Розрізняють дві стратегії побудови мережевої інфраструктури WIMAX.
Перша стратегія орієнтована на отримання максимальної щільності потоку даних на заданій території. Дана стратегія застосовується в великих містах з високою щільністю населення з розвиненою проводовою мережевою інфраструктурою. Основною метою є забезпечення конкурентності з проводовим широкосмуговим доступом DSL і надання мультимедійних послуг.
Друга стратегія, застосовна в умовах відсутності або низького рівня конкуренції з боку дротяних систем, припускає таке розміщення базових станцій, яке забезпечує отримання максимальної зони покриття із забезпеченням заданої щільності потоку даних. Дана стратегія застосовна в сільських районах, а також в містах і обласних центрах з низьким розвитком дротяної інфраструктури, що характерний для більшості регіонів України. Реалізація даної стратегії дозволяє отримувати щільність потоку даних 1-6 Mbps/кв.км. Мета реалізації даної стратегії полягає в забезпеченні потрібної для послуг швидкості, що надаються оператором, передачі на максимальних територіях.
Реалізація стратегії максимізації щільності потоку даних на дозволяє при обмеженому частотному ресурсі отримати конкурентну з DSL густину потоку даних (20-40 Mbps/ кв.км) при високій щільності розміщення базових станцій (БС) Base Spacing,що рівна 1-2 км. При цьому TDD БС мають можливість повторного використання частот на одній БС і можливості collocation БС - синхронізації роботи БС з метою виключення взаємних перешкод. В умовах обмеженості частотного ресурсу це дозволяє TDD БС досягати великих значень щільності потоку даних в порівнянні з продуктивнішим устаткуванням FDD, що вимагає для своєї роботи значного частотного ресурсу.
Реалізація стратегії максимізації площі територій, що покриваються послугою, ускладнюється відносно високими втратами потужності радіосигналу при розповсюдженні радіохвиль в діапазоні порядку частот 5 Ггц. Ці втрати на частоті 5 Ггц декілька вище за аналогічні втрати на нижчих частотах 2.5 Ггц і 3.5 Ггц. Проте, застосування стратегії максимізації території, що покривається, на частоті 5 Ггц для фіксованого безпровідного доступу достатньо ефективно. Річ у тому, що фіксований доступ припускає оснащення абонентських терміналів зовнішніми антенами. У мережах WIMAX це можуть бути антени для використання усередині приміщень, якими оснащуються (self-installable) абонентські термінали, що інсталюються абонентами самостійно, і зовнішні антени, що встановлюються поза приміщеннями, вимагають професійної інсталяції оператором зв'язку. По оцінках фахівців, більшість абонентських терміналів, що працюють в мережах WIMAX фіксованого доступу в діапазоні частот 5 Ггц, будуть оснащені зовнішніми антенами. При цьому зовнішні антени 5 Ггц мають в середньому на 5-7 dbi більше посилення в порівнянні з антенами аналогічних розмірів діапазону 2.5 і 3.5 Ггц. Вище посилення зовнішніх абонентських антен якраз і компенсує підвищені втрати при розповсюдженні радіосигналу.
Таким чином, застосування устаткування стандарту IEEE 802.16-2004 дозволяє покривати послугою широкосмугового доступу обширні території з мінімумом витрат, тобто ефективно реалізовувати стратегію максимізації території, що покривається. При цьому важливою особливістю WIMAX мереж є відносно невеликий радіус обслуговування self-installable абонентських терміналів. Втрати потужності при розповсюдженні радіосигналу в умовах міської забудови поза прямою видимістю в діапазоні 5 Ггц набагато більш значні чим, наприклад, в діапазоні частот 2.5 Ггц. Ці підвищені втрати неможливо компенсувати застосуванням в self-installable абонентських терміналах потужних антен. Тому максимальна дальність обслуговування таких абонентів поза прямою видимістю базової станції значно менша, ніж на нижчих частотах, і не перевищує 1 км. Таким чином, в мережах WIMAX діапазону частот 5 Ггц self-installable абонентські термінали практично застосовуватися не будуть. Установка абонентських outdoor терміналів із зовнішніми направленими антенами (зокрема з інтегрованими в корпус терміналу антенами) вимагає професійних навиків і зазвичай проводиться силами оператора зв'язку. Установка абонентського терміналу не вимагає наявності прямої видимості на базову станцію за умови дотримання двох умов:
1) наявність потрібного для використовуваної модуляції відношення SNR сигнал/шум; 2) необхідного перевищення (fade margin 6-12 db) рівнем корисного сигналу відповідного використовуваній модуляції порогу чутливості. Зазвичай дані умови виконуються для абонентських терміналів, оснащених зовнішньою антеною або інтегрованою антеною з високим посиленням, на дальності не більше 3-5 км. від базової станції. На вищих дальностях при установці абонентських терміналів потрібно забезпечити пряму видимість (без обмежень на ступінь закриття зони Френеля).
Далі описуються методи розрахунку радіусу комірки на основі стратегії максимізації площі територій, оскільки саме вона характерна для території України.
Максимальний радіус комірки WiMax , як і в будь-яких радіосистемах, визначається на основі попередньо заданої BER(ймовірності бітової помилки) або SINR (Signal to interference plus noise ratio). Збільшення радіусу комірки спричиняє і збільшення BER у її межах. Відповідно, можна визначити максимальний радіус комірки із допустимим значенням ймовірності помилки у межах комірки. Для систем WIMAX стандарт IEEE 802.16 визначає максимально допустимий рівень бітової помилки рівний Ber=10e-6 (відсоток прийому помилкових біт інформації не більше 0,005%) або SINR >= 21 db. При даному рівні помилок система WIMAX здатна підтримувати з необхідною якістю найкритичніший до помилок сервіс цифрової телефонії (сервіс TDM).
3.1 Величина радіусу комірки в залежності від виду модуляції
Слід зазначити, що технологія WIMAX має найвищі в класі BWA енергетичні параметри каналу зв'язку, що забезпечує задану високу швидкість передачі даних (пропускну здатність) на найбільшій дальності і ,навпаки, - на заданій дальності мережа WIMAX має найвищу пропускну здатність. Тим самим, системи WIMAX забезпечують найвищу щільність потоку даних, вимірювану пропускною здатністю в Mbps в перерахунку на один км2 території, що покривається. Висока пропускна здатність систем WIMAX досягається за рахунок можливості підтримки на великих дальностях високої символьної швидкості унаслідок високої енергетики системи. Символьна швидкість, або по іншому швидкістю модуляції (або кодова швидкість), характеризує швидкість передачі інформації (даних) на фізичному (радіо) рівні мережі і є швидкістю передачі послідовності символів, що реалізовується модуляцією сигналу. Енергетика системи визначається величиною параметра системного підсилення (System Gain).
Символьна швидкість передачі повністю визначається використовуваним типом модуляції, тобто кожен тип модуляції забезпечує певну символьну швидкість. Тим самим, висока щільність потоку даних в мережах WIMAX досягається за рахунок можливості підтримки на великих в порівнянні з іншими системами дальностях високошвидкісних типів модуляцій.
У системах WIMAX застосовується квадратурна амплитудно-фазова модуляції QAM, а також фазова модуляція QPSK і BPSK. На сьогоднішній день QAM є одному з найефективніших методів модуляції, що дозволяє досягати максимально можливі швидкості передачі даних.
При реалізації QAM кожна несуча OFDM сигналу моделюється корисним сигналом одночасно по амплітуді і по фазі, утворюючи сигнал, положення якого в просторі координат фази і амплітуди називається діаграмою сузір'я (constellation diagramm) та несе інформацію про закодований в ньому символ. На мал. 3.1 представлена діаграма сузір'я модуляції 16QAM.

Мал. 3.1. Діаграма сузір'я модуляції 16 QAM.
Вектор сигналу 16 QAM має 16 можливих позиції в просторі координат амплітуди і фази, що кодує 16 значень символу від 0000 до 1111. Вектор сигналу 64 QAM має 64 позиції, що кодує 64 значення символу. Модуляції BPSK і QPSK кодують 2 і 4 значення символу за допомогою, відповідно, два і чотирьох можливих значень фази. Амплітуда сигналу в модуляціях BPSK і QPSK не міняється. Тим самим ці два типи модуляції можна розглядати як окремий випадок амплитудно-фазової модуляції QAM. Таким чином, модуляція 64qam є найшвидкіснішою, оскільки дозволяє передавати 64 можливих значення в одному символі даних, що забезпечує вищу символьну швидкість і, в результаті, вищу швидкість передачі даних в порівнянні з нижчими модуляціями.
На мал. 3.2 представлені зони обслуговування різними модуляціями фіксованих абонентів мережі WIMAX в діапазоні частот 5 Ггц. Так обслуговування абонентів, оснащених зовнішньою направленою антеною на найшвидкіснішій модуляції 64QAM3/4, що підтримує максимальну символьну швидкість і відповідну швидкість передачі даних, забезпечується на дальності до 25 км., 16QAM1/2 - на дальності до 40-45 км. Тим самим, дальність обслуговування на швидкісних модуляціях 64 QAM і 16 QAM в мережі WIMAX в чотири і більше разів більше відповідних дальностей обслуговування на аналогічних модуляціях систем preWiMax.
Здатність підтримки тієї або іншої модуляції залежить від багатьох параметрів зв'язку, і насамперед, від енергетичних параметрів системи.

Мал. 3.2. Зони обслуговування мережі WIMAX.
Як видно з діаграми сузір'я модуляції QAM, чим вище тип модуляції, тим менше по амплітуді і фазі відрізняються вектори сусідніх значень символу, що передається. Тим самим, для безпомилкового прийому символу (прийому з деяким допустимим рівнем помилок) потрібний потужніший сигнал, а точніше, вище відношення потужності сигналу до шуму.
Кожен тип модуляції для передачі символу з рівнем помилок, що не перевищує певного максимального значення, вимагає певного мінімального значення відношення рівня сигналу до шуму Signal/noise Ratio (SNR або S/n). Окрім відношення SNR часто використовується практично ідентичне поняття Сnr Carrier/noise Ratio або C/n.
Кожен тип модуляції характеризується необхідним рівнем відношення сигналу до шуму SNR, необхідного для передачі біт інформації з помилками Bit Error Rate (BER) не вище за деякий допустимий рівень. На мал. 3.3 представлені залежності відношення SNR від бітових помилок для кожного типу модуляції.

Мал. 3.3. Залежність відношення сигнал/шум від бітової помилки.
Стандарт IEEE 802.16-2004 визначає для підтримки модуляції 64 QAM на рівні помилок не вище Ber=10e-6 з урахуванням корекції помилок Fec=3/4 значення відношення сигнал/шум для кожної несучої OFDM сигналу SNR рівне 24.4 db. Пізніший стандарт IEEE 802.16e-2005 задає для фіксованих і мобільних мереж WIMAX жорсткіше значення Snr=21 db для 64QAM3/4 з Ber=10e-6.
3.2 Залежність величина радіусу комірки від чутливості приймача.
Розрахунок радіусу комірки для різних видів модуляції є дещо ідеалізований. Для досягнення таких результатів при практичній побудові необхідно оцінити додаткові енергетичні характеристики системи, такі як чутливість приймача та коефіцієнт системного підсилення. Так, для отримання необхідного рівня SNR(а значить і відповідного BER) потужність сигналу на вході приймача системи має бути вище відповідного порогового рівня чутливості.
Для прикладу, розглянемо модуляцію 64QAM.
Пороговий рівень чутливості Rx приймача для систем OFDM для модуляції 64QAM3/4 визначається як:
Rx 64QAM3/4 = No + Snr64qam3/4 + 10 Log (Bwef) + Nf + Implementation Loss, dbw; [3]
де Snr64qam 3/4 - необхідний рівень відношення SNR для модуляції 64QAM3/4=21 db;
No = 10 log (kto) = -144 db (W/mhz) - Receiver Noise Floor спектральна густина потужності теплового шуму приймача, kto - закон рівномірного розподілу;
Nf - значення власного шуму приймача (noise figure) рівне - 8 db (IEEE 802.16e-2005).
Implementation loss рівне 5 db. Ця величина відображає так звані втрати реалізації, що враховують неідеальність приймача, фазовий шум і ін.
Bwef - ефективна ширина спектру групового сигналу OFDM. Ця величина пропорційна кількості піднесучих в спектрі групового сигналу. За рахунок наявності захисного інтервалу між під несучими ефективна ширина спектру OFDM сигналу декілька менше смуги пропускання приймача (ширина каналу). Для каналу шириною 10 Мгц без sub>channelisation (використовуються всі піднесучі) Bwef = 9.15 Мгц, 10 Log (Bwef) = 9.6 Мгц.
Отже
Rx 64QAM3/4 = -101 + Snr64qam3/4 +10 Log (Bwef), dbm; [4]
Тим самим, необхідний пороговий рівень чутливості системи WIMAX стандарту IEEE 802.16e-2005 при implementation loss 5 db з шириною каналу 10 Мгц складає 70.4 dbm. За стандартом IEEE 802.16-2004 ця величина раніше складала 68 dbm. Відзначимо, що стандарт IEEE 802.16e-2005 описує вимоги не тільки до мобільних OFDMA мереж WIMAX, а також містить нові жорсткіші вимоги (так званий Rev Cor1) до фіксованих OFDM мереж WIMAX.
Для підтримки деякої модуляції рівень OFDM сигналу на вході приймача Receive Strength Signal Level (RSSL) в смузі пропускання каналу BW повинен на величину SNR відношення сигнал/шум перевищувати рівень теплового шуму з урахуванням внутрішнього шуму приймача і втрат реалізації.
Таким чином, для підтримки модуляції 64QAM3/4 рівень OFDM сигналу на вході приймача Receive Strength Signal Level (RSSL) має бути для систем WIMAX згідно стандарту IEEE 802.16e-2005 не нижче за рівень чутливості 70.4 db (Snr=21 db) в смузі ширини каналу Bw=10 Мгц. Реальні системи WIMAX зазвичай мають вищий в порівнянні з вимогами стандарту рівень чутливості, оскільки значення втрат реалізації implementation loss 5 db в стандарті дещо завищене. Наприклад, чутливість системи Airspan MICROMAX SOC 5 Ghz (стандарт IEEE 802.16e-2005) в каналі шириною 10 Мгц для 64QAM3/4 складає -77 dbm (при Snr=21 dbm), що відповідає практично ідеальному приймачу (Implementation loss близько до нуля) з низьким рівнем власних шумів noise figure менше 6 db. Чутливість системи Axxcelera AB-MAX 5 Ghz (стандарт IEEE 802.16-2004) в каналі шириною 10 Мгц для 64QAM3/4 складає 72.7 dbm (при Snr=21 dbm). Чутливість системи UNIDATA Maxbridge CPE 5 Ghz (стандарт IEEE 802.16e-2005) складає 70.5 dbm (при Snr=20 dbm і для значно нижчого рівня помилок Ber=10-11, що відповідає чутливості для Ber=10-6 порядку -74 dbm).
В принципі, система може підтримувати модуляцію 64QAM3/4 і при значно (на декілька db) нижчих значеннях сигналу, але при цьому рівень бітової помилки буде гірше значення Ber=10е-6. Відповідно, розрахувавши чутливість приймача, можна оцінити певний коефіцієнт погіршення чи покращення якості в каналі зв’язку, а значить – провести зміни розміру комірки.
3.3 Залежність величина радіусу комірки від системного підсилення
Кожна система характеризується параметром, відомим як системне підсилення System Gain, що визначає максимальний радіус комірки. Системне посилення визначається як:
System Gain = Tx - Rx; [5]
де Tx - вихідна потужність передавача системи; Rx - чутливість приймача системи.
Тим самим, системи WIMAX мають на 5-10 db вище системне посилення (при рівності значень Tx вихідної потужності передавача).
Для розрахунку радіусу комірки використовують рівняння бюджету каналу зв'язку Link Budget. Як відомо, збільшення Link Budget на 6 і 12 db збільшує дальність зв'язку, відповідно, LOS і NLOS в два рази. Дане рівняння зв'язує рівень потужності на вході приймача RSSLRX і вихідну потужності передавача Tx, що знаходяться один від одного на відстані D:
RSSLRX = TX + GTX + GRX - LRX -ltx - LD, dbm; [6]
де TX - вихідна потужність передавача, dbm;
GTX - коефіцієнт підсилення антени передавача, dbi;
GRX - коефіцієнт підсилення антени приймача, dbi;
LRX, LTX - СВЧ втрати потужності сигналу, відповідно, в приймачі і передавачі, в кабелі, роз'ємах і др.;
LD - втрати в db на шляху розповсюдження радіохвиль на дальність D км.
Наприклад, в умовах LOS втрати потужності сигналу у вільному просторі розраховуються як
LD = 20 log (4рd / л), db; [7]
де л - довжина хвилі.
В умовах NLOS втрати розраховуються по складніших формулах.
Оскільки система підтримує зв'язок на модуляції 64QAM3/4, якщо рівень сигналу на вході приймача RSSLRX буде вищий за рівень чутливості RX, то згідно виразу Link Budget (7) для цього необхідно, щоб
RSSLRX - FM = TX + GTX + GRX - LRX - LTX - LD - FM >= RX, dbm; [8]
LD =< TX - RX + GTX + GRX - LRX - LTX - FM; [9]
де FM - запас по завмираннях fade margin.
У реальних системах унаслідок завмирання сигналу із-за багатопроменевого розповсюдження радіохвиль зазвичай потрібно, щоб рівень сигналу RSSL перевищував рівень чутливості сигналу на деяку величину – запас по завмираннях Fade Margin (FM). У системах WIMAX для підтримки модуляції 64QAM3/4 сигналу OFDM достатньо запасу fade margin рівне 1 db.
Таким чином, для роботи на дальності D км., втрати розповсюдження радіохвиль мають бути менше величини:
LD =< System Gain + Підсилення антен - СВЧ втрати - Fade Margin
Таким чином, чим вище System Gain системне посилення і менший необхідний запас по завмираннях Fade Margin, тим більший бюджет лінка має система і відповідно, тим більша дальність зв'язку.
Як було відмічено, системи WIMAX мають на 5-10 db вище System Gain в порівнянні з системами Prewimax. Крім того, OFDM сигнал prewimax системи має значно менше число піднесучих. Також захисний інтервал між піднесучими не розрахований на обробку багатопроменевого розповсюдження сигналів на високих дальностях зв'язку (відмінних від офісних умов). Це приводить до низької ефективності обробки завмирань системами prewimax і, як наслідок, необхідності великих запасів по завмираннях fade margin, рівними 6 db в умовах LOS (за наявності зони Френеля) і 12 db за наявності оптичної видимості (near LOS, повна або часткова відсутність зони Френеля).
Таким чином, системи WIMAX мають бюджет лінка Link Budget на 10-20 db більше, ніж системи prewimax.
У таблиці представлені порівняльні дані по енергетичних параметрах систем WIMAX і prewimax.
|
Система |
Rx, чутливість, 64QAM3/4, BW=10 МГц |
Tx power |
Fade Margin |
Необхідний SNR, 64QAM3/4, BER=10E-6 |
System gain |
Величина запасу Link Budget |
|
WiMAX, IEEE 802.16, 5 ГГц |
-71 |
20 |
1 |
21 |
91 |
17 |
|
Airspan MicroMAX SOC IEEE 802.16e-2005, 5 ГГц |
-77.4 |
22 |
1 |
21 |
99 |
25 |
|
preWiMAX IEEE 802.11a, 5 ГГц |
-65 |
20 |
12 |
21 |
85 |
- |
Таблиця 1. Енергетичні параметри систем WIMAX і prewimax
Представляє інтерес також порівняльний аналіз дальності-швидкості передачі даних WIMAX систем в діапазоні частот 5 Ггц з системами BWA діапазону частот 2.4 Ггц. Втрати потужності сигналу при розповсюдженні радіохвиль в умовах LOS на перших 50 км. в діапазоні частот 2.4 Ггц на 7 db менше аналогічних втрат в діапазоні частот 5 Ггц. Тим самим, збільшення Link Budget на 7 db могло б дати збільшення дальності зв'язку в два рази. Проте такої переваги системи BWA 2.4 Ггц не мають.
Більшість систем BWA в діапазоні 2.4 Ггц працює на модуляції BPSK і QPSK з однією піднесучою (стандарт Ieee802.11b). Системи 2.4 Ггц стандарту IEEE 802.11g, що підтримують модуляцію QAM і OFDM з множиною піднесучих, в цілях зворотної сумісності з системами IEEE 802.11b на модуляціях BPSK і QPSK використовують сигнал з однією піднесучою. Cистеми з однією піднесучою для стійкої роботи вимагають дуже високого значення величини Fade Margin. Наприклад, для підтримки модуляції BPSK для будь-яких систем теоретично достатньо Snr=3 db. Системи WIMAX здатні стійко працювати на даній модуляції при Snr=4 db (Fade Margin=1 db). Для системи з однією піднесучою модуляції BPSK (стандарт IEEE 802.11b/g) необхідний рівень SNR для умов LOS складає 19 db (fade margin 15 db). В умовах оптичної видимості (Near LOS, часткове перекриття зони Френеля) вимоги до SNR для BWA систем в 2.4 Ггц досягають 25-30 db (fade margin 20 db). Фактично вищі значення fade margin для систем 2.4 Ггц з однією піднесучою позбавляють ці системи всіх переваг використання нижчих частот. В результаті системи BWA 2.4 ГГЦ мають нижчі значення Link Budget (на величину 15-25 db), що приводить до істотно нижчих дальностей зв'язку. Фактично там, де система BWA 2.4 Ггц здатна працювати на модуляції BPSK або QPSK в каналі шириною 20 Мгц з реальною швидкістю передачі даних до 3-4 Mbps і з максимальним радіусом обслуговування базової станції (без використання підсилювачів) до 8-10 км., система WIMAX здатна працювати на максимальній модуляції 64QAM3/4 в каналі шириною 10 МГЦ cо швидкістю передачі даних в 25 Mbps. Більш того, система WIMAX здатна підтримувати дану швидкість на дальності до 25 км.
Системи WIMAX фіксованого доступу мають ще одне дуже важливе технологічне нововедення, зв'язане із застосуванням OFDM радіосигналу, ніколи раніше до появи мереж WIMAX що не використалося. Мова йде про так звані технології sub>-channelization, коли абонентські пристрої можуть використовувати для каналу зв'язки Uplink не всі доступні в каналі під несучі, а тільки деяку частину з них. Зокрема, мінімальна кількість піднесучих uplink каналу зв'язку складає одну шістнадцяту частину повного набору піднесучих. При застосуванні sub>-channelization використовувана частина піднесучих забезпечує потрібну для абонента швидкість передачі даних UL висхідного каналу, вимоги за швидкістю до якої в типових застосуваннях зазвичай нижче чим для DL низхідного каналу. При цьому ширина UL каналу стає значно менше ширини каналу з повним набором піднесучих, що збільшує енергетику UL каналу максимально на 12 db.
Для підвищення дальності зв'язку необхідно підвищувати енергетику як з боку базової станції так і з боку абонента. Підвищення вихідної потужності базової станції не є серйозною проблемою, а ось збільшення вихідної потужності абонентського терміналу має обмеження. Тому застосування механізму sub>-channelization, що підвищує енергетику абонентського терміналу, є одним з могутніх інструментів, що також дозволяють значно збільшувати дальність зв'язку систем WIMAX.
3.4 Вплив інтерференції на радіус комірки системи WiMax
На територіях з міською забудовою крім енергетичних параметрів системи при розрахунку покриття починають значно домінувати явища інтерференції, наявності зон Френеля та дифузійного розсіювання.
Тобто, у реальних системах окрім теплового шуму і внутрішнього шуму приймача присутня інтерференція. Тому SNR оцінюється як С/N+I, де C - потужність сигналу, N - потужність теплового шуму, I - потужність сигналу інтерференції. Вплив інтерференції приводить до деградації рівня чутливості приймача. Чим вище рівень інтерференції, тим на значнішу величину сигнал на вході приймача RSSL повинен перевищувати рівень чутливості для підтримки відповідної модуляції.
Значення показника Snr=с/n+i (зазвичай позначається коротко як C/i) постійно вимірюється в процесі роботи як на базовій станції, так і на кожному абонентському терміналі WIMAX, з метою динамічного призначення найбільш відповідної модуляції для кожного передаваного пакету даних. Цей вимірюваний показник позначається SINR (Signal to interference plus noise ratio) або CINR (Carrier to interference plus noise ratio).
Експериментально встановлено, що якщо рівень інтерференції знаходиться нижчим за рівень теплового шуму Receiver Noise Floor на величину в 6 db, то ця інтерференція не робить впливу на приймач системи. Точніше, при I = No - 6 dbm рівень зниження (деградації) рівня чутливості приймача не перевищує 1 db.
Рівень теплового шуму з урахуванням внутрішнього шуму приймача складає N = 10log(kto)+ Nf = -136 db (W/mhz). Тому рівень інтерференції I в каналі шириною 10 Мгц, чутливості приймача, що не приводить до істотної деградації, рівний
I = -136 + 30 + 10 Log(10) - 6 = -102 dbm
У каналі шириною 5 Мгц рівень інтерференції, що не приводить до істотної деградації чутливості приймача, рівний -105 dbm.
При перевищенні рівня потужності інтерференції порогових величин деградація рівня чутливості збільшується більш ніж на 1 db і інтерференції може впливати на роботу системи. Ступінь негативного впливу залежить від типу сигналу інтерференції (перешкоди). При оцінці чутливості приймача як шум розглядається шум Гауса або “білий шум”. Реальний сигнал перешкоди по своїй структурі, природно, може відрізнятися від „білого шуму” і його вплив на роботу системи може бути як сильніший, так і слабкіший за вплив білого шуму. Так наприклад, вузькосмугова перешкода може взагалі не впливати на широкосмуговий сигнал OFDM. Точна теоретична оцінка впливу різних типів перешкод на роботу приймача системи є достатньо складним завданням. Більш менш точно оцінити взаємний вплив інтерференції можливо для однотипного устаткування при аналізі електромагнітної сумісності. На практиці для оцінки можливості роботи систем в умовах інтерференції різного типу зазвичай оперують граничними значення CINR.
WIMAX є системою з автоматичним регулюванням потужності Aтpc. На базових станціях задається максимально можливий рівень вхідного сигналу RSSL. Для 5 Ггц систем з шириною каналу 5 або 10 Мгц даний рівень зазвичай встановлюється рівним 65-70 dbm. При мінімально достатньому рівні сигналу на вході приймача RSSL в 65-70 dbm (близькому до рівня чутливості з урахуванням fade margin) і при відношенні сигнал/шум + інтерференція С/n+i >= 21 + 6 = 27 db на модуляції 64QAM3/4 досягається деградація рівня чутливості приймача не вище 1 db для BER = 10E-6. Таким чином, зміряне в процесі роботи WIMAX значення CINR >= 27 db при мінімально достатньому рівні RSSL гарантує, що інтерференції знаходиться нижчим за рівень теплового шуму приймача на величину не менше 6 db і незалежно від типу сигналу інтерференції практично не робить впливу на роботу системи.
При роботі в умовах сильної інтерференції або по інших причинах максимальний рівень вхідного сигналу на базовій станції може бути підвищений до 65-60 dbm. В цьому випадку, при підвищенні рівня сигналу на вході приймача, вимоги до рівня CINR для підтримки модуляції 64QAM3/4 декілька знижуються аж до мінімально необхідного рівня 21 db.
Тим самим, в умовах присутності інтерференції для підтримки, наприклад, модуляції 64QAM3/4 абсолютно недостатньо мати рівень сигналу RSSL, що перевищує рівень чутливості приймача для 64QAM3/4 на величину fade margin. Тобто, тільки за значенням рівня сигналу RSSL за наявності інтерференції неможливо визначити який тип модуляції може підтримуватися системою. Наприклад, рівень вхідного сигналу RSSL може бути рівним - 65 dbm, що в умовах відсутності інтерференції більш ніж достатньо для підтримки модуляції 64QAM3/4 при будь-якій ширині каналу. Проте за наявності інтерференції реально отримуваний CINR може бути менше величини 20 db, що не дозволяє підтримувати модуляцію 64QAM3/4 з рівнем помилок Ber=10e-6.
Якщо зміряне системою значення CINR перевищує значення 21 db, то це означає, що сигнал RSSL перевищує рівень порогової чутливості для 64QAM3/4. Якщо зміряне системою значення CINR перевищує значення 27db, то по колишньому сигнал RSSL перевищує рівень порогової чутливості для 64QAM3/4, але при цьому рівень інтерференції не перевищує допустимого рівня і не впливає на приймач системи.
Таким чином, для підтримки системою WIMAX найвищої символьної швидкості на модуляції 64QAM3/4 необхідно і достатньо, щоб відношення сигнал/шум + інтерференція CINR перевищувала значення 21-27 db на величину fade margin.
Тим самим, об'єктивним показником можливості підтримки тієї або іншої модуляції є вимірюване системою WIMAX відношення CINR. Саме по значеннях CINR система WIMAX встановлює робочу модуляцію сигналу, що забезпечує стійку роботу каналу зв'язку з рівнем бітової помилки не вище Ber=10e-6.
Зазвичай базову станцію WIMAX настроюють на роботу в умовах відсутності або низького рівня інтерференції, задаючи максимальний рівень потужності вхідного сигналу близькому до значення чутливості Rx плюс fade margin в 1-3 db, що для систем з шириною каналу 10 Мгц складає порядку -70 dbm. Cістема WIMAX за відсутності інтерференції здатна працювати на модуляції 64QAM3/4 при CINR >= 21 db. Запас по завмираннях fade margin для CINR зазвичай вибирається 1 db або для стабільнішої роботи 3 db. Поріг перемикання на нижчу модуляцію, наприклад, 64QAM2/3 також може складати 1 db. Верхній і нижній пороги перемикання модуляцій утворюють так званий гістерезис. Тим самим, система WIMAX може бути стандартно настроєна таким чином, що досягши Cinr=24 db включається модуляція 64QAM3/4, яка міняється на 64QAM2/3 при зниженні рівня CINR нижче 20 db. Якщо в процесі роботи системи Wimaх із стандартними налаштуваннями поточне вимірюване значення CINR рівне 27 db і вище, то це свідчить про те, що навіть якщо інтерференція і присутній, то її рівень не впливає на роботу системи на модуляції 64QAM3/4. Якщо вимірюваний рівень CINR менше 20 db при RSSL = -70 dbm, то це свідчить про наявність сильної інтерференції. В цьому випадку, якщо понизити рівень потужності інтерференції неможливо або важко, то на базовій станції може бути підвищений максимальний рівень вхідного сигналу до 65 і навіть 60 dbm. При цьому вимоги до CINR для 64QAM3/4 знижуються до 21 db і для стійкої роботи системи гістерезис підтримки модуляції 64QAM3/4 також має бути відповідним чином змінений.
Важливою відмінністю систем WIMAX від prewimax є спосіб вимірювання SNR, системою, що реалізовується, в процесі її роботи. Система WIMAX вимірює SNR шляхом обчислення рівня CINR на основі підрахунку кількості прийнятих помилкових біт для кожного пакету даних і на основі аналізу отриманого рівня CINR вибирає тип підтримуваної модуляції. Системи prewimax взагалі можуть не проводити оцінку SNR, а вибір типу модуляції проводити на основі аналізу рівня вхідного сигналу RSSL (або деякої абстрактної величини RSSI - Receive Strength Signal Indicator). Також може проводитися оцінка рівня шуму (інтерференції) на основі вимірювання рівня потужності сигналів, не розпізнаних демодулятором приймача, і даватися вельми приблизна оцінка результуючого SNR. Тим самим для prewimax систем можлива ситуація, коли індикатори показує хороший рівень вхідного сигналу RSSI і SNR, але в радіоканалі унаслідок дії перешкод є високий рівень помилок. Така ситуація в системах WIMAX принципово неможлива. Система WIMAX завжди адекватно реагує на високий рівень інтерференції шляхом пониження рівня модуляції на основі аналізу значення CINR, що набуває, і не допускає збільшення помилок в радіоканалі зверху необхідної величини.
При оцінці дальності зв'язку в умовах інтерференції вираз (6) розрахунку потужності вхідного сигналу RSSL трансформується у вираз розрахунку необхідного рівня SNR = С/n + I або С/i відношення сигнал/шум + інтерференція. Слід зазначити, що вплив інтерференції будь-якого типу на OFDM сигнал з невеликою кількістю піднесучих, а також на сигнал з однією піднесучою, в загальному випадку, носить більш деструктивний характер, ніж на сигнал з великою кількістю піднесучих. Це виражається в тому, що рівень SNR, потрібний для роботи, наприклад, 64QAM3/4 в умовах сильної інтерференції для сигналу з меншою кількістю піднесучих (prewimax) може бути значно більше необхідного рівня SNR з великою кількістю піднесучих (WIMAX). Це дає додатковий запас по енергетиці сигналу системам WIMAX при роботі в умовах інтерференції і збільшує максимальну дальність зв'язку.
3.5 Оцінка впливу зон Френеля на якість сигналу в межах траси WiMax

Рис.3.4. Побудова 1 зони Френеля.
Радіохвиля в процесі розповсюдження в просторі займає об'єм у вигляді еліпсоїда обертання з максимальним радіусом в середині прольоту, який називають зоною Френеля. Природні (земля, горби, дерева) і штучні (будівлі, стовпи) перешкоди, що потрапляють в цей простір послаблюють сигнал.
Це надзвичайно важливо особливо для стандартів 802.16 та 802.16а, що працюють лише при наявності прямої видимості між передаючою та приймаючою антеною.
Радіус 1-ї зони Френеля бути розрахований за допомогою наступної формули:

Тут n=1 – номер зони Френеля, R>1> і R>2> – відстань від передаючої та приймаючої антен до місця обчислень радіуса r і r - радіус зони Френеля в метрах.
Звичайне блокування 20% зони Френеля вносить незначне загасання в канал. Понад 40% - загасання сигналу буде вже значним, тому слід уникати попадання перешкод на шляху розповсюдження.
Для стандартів WiMax, що працюють і в умовах відсутності прямої видимості максимальна дальність роботи базової станції на частоті 2,5ГГц в закритій зоні Френеля не перевищує 3км.
Для прикладу, розглянемо зміну радіусу 1 зони Френеля на середині відстані між приймачем і передавачем при зміні відстані чи частоти несучої:

Рис.3.5. Залежність радіусу зони Френеля від несучої частоти.

Рис.3.5. Залежність радіусу зони Френеля від відстані між абонентами.
4. Проектування покриття комірки на основі імітаційної моделі
Для прикладу, розглянемо декілька варіантів розрахунку радіусу комірки в залежності від параметрів системи WiMax на основі математичної імітаційної моделі. В якості початкових умов було вибрано систему із передачею сигналу в смузі 1.25МГц на частоті 2ГГц з використанням 200 піднесучих.
Канал зв’язку був спроектований на основі наступної блок-схеми:

Рис.4.1. Модель каналу зв’язку
В каналі зв’язку задані наступні початкові параметри:
SNR = 30дБ;
Дальність між передаючою і приймаючою станціями – 1Км;
Чутливість приймача – -80дБп;
Температура – 290К;
Фазовий шум - -120дБп/Гц;
Частотний відступ – 100Гц.
При заданих параметрах імовірність бітової помилки при проходженні інформації через систему рівна нулю, а спектр сигналу на виході передавача виглядає наступним чином:


Рис.4.2.Спектр сигналу WiMax
Тепер отримаємо залежність зміни BER у відповідності до співвідношення сигнал-шум, несучої частоти та відстані.

Рис.4.3. Деякі залежності, отримані за допомогою імітаційної моделі.
Так, на основі даних досліджень можна визначити, що система із заданою ймовірністю бітової помилки 10^-6 та відношенням сигнал/шум на рівні 30дБ, може збільшити радіус покриття комірки до 1.7км. Або при заданому радіусі дії комірки може працювати у місцевості з гіршим SNR порядку на 2дБ, чи на вищій на 1ГГц частоті. Дана імітаційна модель дає можливість дослідити і ряд інших залежностей, таких як співвіднешення BER та фазового шуму, температури, частотного відстуну, I/Q дисбалансу та ряду інших параметрів. Використовуючи дані залежності можливо отримати багатомірну систему для розрахунку покриття комірки шляхом порівняння значної кількості параметрів системи.
5.Висновок
В даній курсовій роботі розглядалися актуальні проблеми однієї із найсучасніших широкосмугових радіотехнологій – WiMax. Основна увага приділялась оцінці факторів, що впливають на радіус дії системи, та на основі них – можлива методика розрахунку покриття WiMax. Було наведено дві основні стратегії покриття території – на основі максимальної густини потоку даних та на основі максимального покриття території, серед яких стратегія максимального покриття території була вибрана, як оптимальна для території України. Серед основних чинників, що впливають на дальність передачі інформації, були окремо розглянуті вплив виду модуляції, чутливість приймача, коефіцієнт системного підсилення, вплив інтерференції та ряд інших факторів і параметрів. Через неможливість дослідження реальної системи передачі була досліджена фізико-математична імітаційна модель WiMax, за допомогою якої отриманий зручний математичний апарат для розрахунку покриття в залежності від параметрів системи.
6. Список літератури
Широкополосные беспроводные сети передачи информации. Вишневський В.М., М:. Техносфера, 2005.
Цифровая связь. Б.Скляр. Москва,Санкт-Петербург,Киев, 2003.
Цифровая связь. Прокис Джон. - М.: Радио и связь. 2000.
Цифровая обработка сигналов. А.Б.Сергиенко. СПб.: Питер, 2003.
www.unidata.com.ua
1