Електровимірювальна апаратура
Міністерство освіти та науки України
Державний вищий навчальний заклад
„Лисичанський нафтохімічний технікум”
ЖУРНАЛ
Лабораторні роботи
( звіти )
5.05130103.ЕОЕ.096.00.00.ЛР
Перевірив викладач
_______ З. І. Вахрамєєва
Виконав студент
_________ Д. I. Левченко
Лисичанськ
2009
ЗМІСТ
Лабораторна робота № 1 „Ознайомлення з правилами техніки безпеки, правилами збірки схем і правилами користування електровимірювальною апаратурою”
Лабораторна робота № 2 „Дослідження схем з’єднання резисторів”
Лабораторна робота № 3 „Перевірка амперметра і вольтметра”
Лабораторна робота № 4 „ Паралельне з’єднання індуктивної котушки і конденсатора. Компенсація потужності”
Лабораторна робота № 5 „Дослідження трифазного кола при з’єднанні споживача зіркою”
Лабораторна робота № 6 „Дослідження режимів однофазного трансформатора”
Лабораторна робота № 7 „Зняття робочих характеристик трифазного асинхронного двигуна з короткозамкненим ротором”
Лабораторна робота № 8 „Збірка і перевірка роботи схем релейно-контакторного управління трифазним асинхронним двигуном з короткозамкненим ротором”
Лабораторна робота №9 „Визначення втрат напруги і потужності у проводах ЛЕП”
Лабораторна робота № 10 „Дослідження роботи однонапівперіодного і двохнапівперіодного однофазного випрямлячів”
Лабораторна робота № 1
„Ознайомлення з правилами техніки безпеки, правилами збірки схем і правилами користування електровимірювальною апаратурою”
Мета роботи: ознайомитися з правилами техніки безпеки, правилами збірки схем і правилами користування електровимірювальною апаратурою
ВИКОНАННЯ РОБОТИ
Ознайомитися з правилами техніки безпеки
Ознайомитися з правилами збірки схем
Ознайомитися з правилами користування вимірювальної апаратури:
Оглянути зовнішній вигляд пристрою
Визначити призначення пристрою
Ознайомитися з інструкцією; технічною характеристикою пристрою; правилами користування;
Визначити діапазон вимірювання, ціну поділки
4. Здати усний залік по правилам ТБ
Лабораторна робота № 2
„Дослідження схем з’єднання резисторів ”
Мета роботи: 1) навчитися складати послідовне, паралельне та мішане кола;
2) вивчити співвідношення між струмами і напругами при послі-
довному, паралельному і мішаному зєднаннях резисторів;
3)визначити опір електричного кола
Прилади і обладнання: міліамперметр А (- 50 мА), міліамперметр А (- 300 мА), амперметр А (- 1 А), вольтметр V>1> (-50 В), вольтметр V>2> (-15 В), резистори R>2>, R>3>, R>4>, R>5>, з’єднувальні проводи
Таблиця 2.1 Технічні характеристики приладів
|
Найменування приладу, його шифр |
Система приладу |
Клас точності |
Діапазон вимірювання |
Рід струму |
І. Дослідження послідовного з’єднання резисторів

Рис.2.1 – Схема послідовного з’єднання резисторів
Таблиця 2.2 Результати дослідження послідовного з’єднання резисторів
|
№ досліду |
Експериментальні дані |
Результати обчислень |
|||||||||||
|
U>заг>, В |
U>2>, В |
U>3>, В |
U>4>, В |
U>5>, В |
I>заг>, А |
U/>заг>, В |
R>2>, Ом |
R>3>, Ом |
R>4>, Ом |
R>5>, Ом |
R>заг>, Ом |
R/>заг>, Ом |
|
|
1 |
10 |
||||||||||||
|
2 |
20 |
||||||||||||
|
3 |
30 |
Перевіряємо виконання другого закону Кірхгофа:

Обчислюємо значення опорів:



ІІ. Дослідження паралельного з’єднання резисторів

Рис. 2.2 – Схема паралельного з’єднання резисторів
Таблиця 2.3 Результати дослідження паралельного з’єднання резисторів
|
№ досліду |
Експериментальні дані |
Результати обчислень |
|||||||
|
U>заг>, В |
I>заг>, А |
I>2>, А |
I>3>, А |
I/>заг>, А |
R>2>, Ом |
R>3>, Ом |
R>заг>, Ом |
R/>заг>, Ом |
|
|
1 |
10 |
||||||||
|
2 |
15 |
||||||||
|
3 |
20 |
Перевіряємо виконання першого закону Кірхгофа:

Обчислюємо значення опорів за формулами:



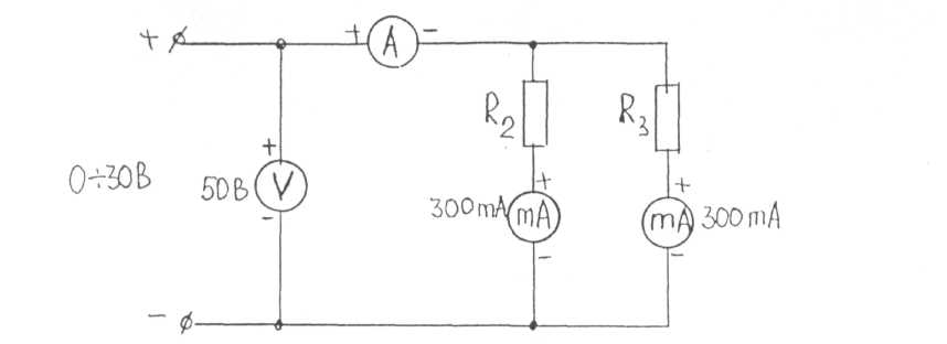
Лабораторна робота № 3
„Перевірка амперметра і вольтметра”
Мета роботи: навчитися перевіряти амперметри і вольтметри; виявляти відповідність перевіряємих приладів класу точності, позначеному на них
Прилади і обладнання: міліамперметр mA (~ 300 мА), зразковий міліамперметр mA (~300 мА з класом точності 0.5), вольтметр V>1> ( - 15 В), зразковий вольтметр V (-15 В з класом точності 0.5), резистори R/>1>, R/>2>, з’єднувальні проводи
ВИКОНАННЯ РОБОТИ
Таблиця 3.1 Технічні характеристики приладів
|
Найменування приладу, його шифр |
Система приладу |
Клас точності |
Діапазон вимірювання |
Рід струму |
ДОСЛІД І
m
A
mA>1>
~ 0÷ 6.3 В
грубо точно
R/>1 >R/>2>
Рис 3.1 – Схема перевірки амперметра
Таблиця 3.2 Результати перевірки міліамперметра
|
Покази перевіряємого міліамперметра І, mA |
||||||
|
Покази зразкового міліамперметра I>зр>, mA |
||||||
|
Абсолютна похибка ∆І, mA |
||||||
|
Зведена похибка, γ>зв>, % |
Лабораторна робота № 6
„Дослідження режимів однофазного трансформатора”
Мета роботи: визначити коефіцієнт трансформації і ККД трансформатора в різних режимах; побудувати зовнішню характеристику трансформатора і залежність його ККД від коефіцієнта завантаження
Прилади і матеріали: джерело живлення (мережа змінного струму), однофазний трансформатор ( 220/42 В), лабораторний автотрансформатор ЛАТР, два вольтметри V>1> (~250 В), V>2> (~50 В), два амперметри А>1>> >(~5 А) і А>2> (~5 А) електромагнітної системи, ватметр Р1 (~1500 Вт), ламповий реостат на 6 ламп розжарювання, однополюсний вимикач S>1>, автоматичний вимикач QF, з’єднувальні проводи
ВИКОНАННЯ РОБОТИ
Таблиця 6.1 Технічні характеристики приладів
|
Найменування приладу, його шифр |
Система приладу |
Клас точності |
Діапазон вимірювання |
Рід струму |

Рис. 6.1 - Схема для дослідження режимів однофазного трансформатора
Таблиця 6.2 Результати дослідження режимів однофазного трансформатора
|
№ п/п |
Режим роботи трансформатора |
Дані досліджень |
Результати обчислень |
||||||
|
U>1>, В |
I>1>, А |
P>1>, Вт |
U>2>, В |
I>2>, А |
P>2>, Вт |
k>3> |
η, % |
||
|
1 |
Холостий хід |
||||||||
|
2 |
Увімкнуто 1 лампу |
||||||||
|
3 |
Увімкнуто 2 лампи |
||||||||
|
4 |
Увімкнуто 3 лампи |
||||||||
|
5 |
Увімкнуто 4 лампи |
||||||||
|
6 |
Увімкнуто 5 ламп |
||||||||
|
7 |
Коротке замикання |
Обчислюємо коефіцієнт трансформації К (тільки для холостого ходу), корисну потужність P>2>, коефіцієнт завантаження k>3>, , ККД трансформатора η за формулами:
;
;

де


де
=
Р>1> в першому
досліді ( досліді холостого ходу),
= Р>1>
в сьомому досліді ( в досліді короткого
замикання)
Лабораторна робота № 7
„Зняття робочих характеристик трифазного асинхронного двигуна з короткозамкненим ротором”
Мета роботи: виявити залежність параметрів двигуна від навантаження на його валу
Прилади і матеріали: джерело живлення (трифазна мережа змінного струму), трифазний асинхронний двигун з короткозамкненим ротором, вольтметр V (~250 В), амперметр А (~5 А) електромагнітної системи, два однофазних ватметри феродинамічної системи W>1> i W>2> (~1500 Вт), тахометр, механічне гальмо, автоматичний вимикач QF, з’єднувальні проводи
ВИКОНАННЯ РОБОТИ
Таблиця 7.1 Технічні характеристики приладів
|
Найменування приладу, його шифр |
Система приладу |
Клас точності |
Діапазон вимірювання |
Рід струму |
Q
F
C1 Гальмо
С2
С3
Рис. 7.1 - Схема для дослідження трифазного двигуна
Розрахунки:




Таблиця 7.2 Результати зняття робочих характеристик трифазного двигуна
|
№ п/ п |
Режим роботи |
Дані спостереження |
Результати обчислення |
||||||||||
|
U, В |
I, А |
P, Вт |
n, об/хв |
l, м |
m, кг |
n>0>-n, об/хв |
s, % |
cosφ |
M, Нм |
P>2>, Вт |
η , % |
||
|
1 |
Холостий хід |
||||||||||||
|
2 |
Під навантаженням |
||||||||||||
|
3 |
Під навантаженням |
||||||||||||
|
4 |
Під навантаженням |

Рис. 7.2 Робо чі характеристики n=f(P>2>), I=f(P>2>), M=f(P>2>), s=f(P>2>), cosφ=f(P>2>), η=f(P>2>)
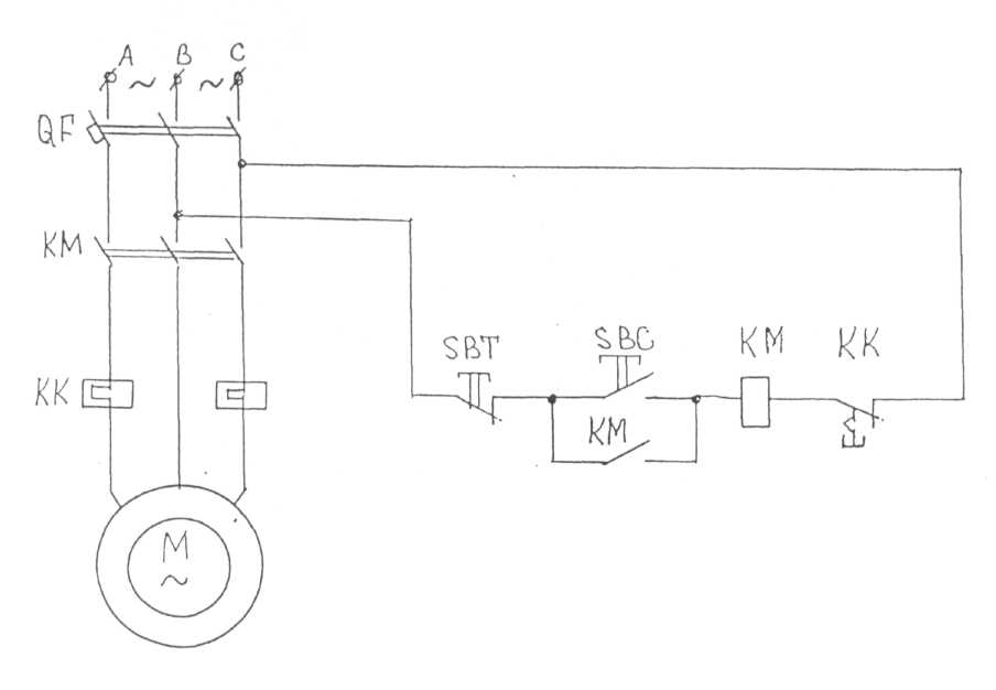
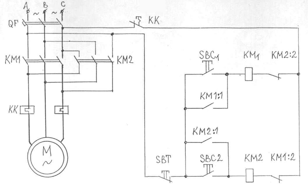
Лабораторна робота № 8
„Збірка і перевірка роботи схем релейно-контакторного управління трифазним асинхронним двигуном з короткозамкненим ротором”
Мета роботи: вивчити ДЕСТи на графічні і буквенні позначення на електричних схемах; вивчити будову і принцип дії пускової низьковольтової апаратури; здобути навички в збірці схем пуску двигунів; зібрати і перевірити схеми пуску нереверсивного і реверсивного трифазного асинхронного двигунів з короткозамкненими роторами
Обладнання: трифазний автоматичний вимикач, трьох кнопкова станція, два контактори, теплове реле, трифазний двигун з короткозамкненим ротором, з’єднувальні проводи
ВИКОНАННЯ РОБОТИ

Рис. 8.1 – Схема пуску нереверсивного трифазного асинхронного двигуна з короткозамкненим ротором

Рис.8.2 – Схема пуску реверсивного трифазного асинхронного двигуна з короткозамкненим ротором
Лабораторна робота № 9
„Визначення втрат напруги і потужності у проводах ЛЕП”
Мета роботи: вияснити, який вплив надає навантаження лінії і опір її проводів на напругу приймача; визначити потужність втрат в проводах і ККД лінії електропередач
Прилади і матеріали: двохпровідна лінія з мідними і сталевими проводами, лабораторний автотрансформатор ЛАТР, два вольтметри і амперметр електромагнітної системи, ламповий реостат на 3 лампи, з’єднувальні проводи
ВИКОНАННЯ РОБОТИ
Таблиця 9.1 Технічні характеристики приладів
|
Найменування приладу, його шифр |
Система приладу |
Клас точності |
Діапазон вимірювання |
Рід струму |

Рис. 9.1 – Двох провідна лінія електропередач
Таблиця 9.2 Результати дослідження проводів ЛЕП
|
№ п /п |
проводи |
Опір проводу R, Ом |
Дані спостережень |
Результати обчислень |
|||||
|
U>1>, В |
U>2>, В |
I, A |
∆U', В |
∆U", В |
∆P, Вт |
η, % |
|||
|
1 |
2 |
3 |
4 |
5 |
6 |
7 |
8 |
9 |
10 |
|
1 |
Мідні |
||||||||
|
2 |
|||||||||
|
3 |
|||||||||
|
4 |
сталеві |
||||||||
|
5 |
|||||||||
|
6 |
Обчислюємо втрати напруги ∆U', ∆U", втрати потужності ∆P, ККД η за формулами




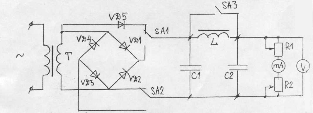
Лабораторна робота № 10
«Дослідження роботи однонапівперіодного і двохнапівперіодного однофазного випрямлячів»
Мета роботи : вивчити роботу випрямлячів; виявити вплив згладжу вального фільтру на випрямлену напругу
Прилади і матеріали: генератор низької частоти ГНЧШ, осцилограф ОМШ-2-76, лабораторний макет випрямлячів, вольтметр і амперметр магнітоелектричної системи, з’єднувальні проводи
ВИКОНАННЯ РОБОТИ
Таблиця 10.1 Технічні характеристики приладів
|
Найменування приладу, його шифр |
Система приладу |
Клас точності |
Діапазон вимірювання |
Рід струму |

Рис. 10.1 – Схема лабораторної установки для дослідження випрямлячів
Таблиця 10.2 Результати дослідження випрямлячів без фільтру
|
Тип випрямляча |
Параметр випрямляча |
Дані спостереження |
|||||
|
Однонапівперіодний без фільтру |
Напруга U, В |
||||||
|
Струм І, mA |
|||||||
|
Двохнапівперіодний без фільтру |
Напруга U, В |
||||||
|
Струм І, mA |
Таблиця 10.3 Результати дослідження випрямлячів з фільтром
|
Тип випрямляча |
Параметр випрямляча |
Дані спостереження |
|||||
|
Однонапівперіодний з фільтром |
Напруга U, В |
||||||
|
Струм І, mA |
|||||||
|
Двохнапівперіодний з фільтром |
Напруга U, В |
||||||
|
Струм І, mA |