Зарядка и разрядка конденсатора
Зарядка и разрядка конденсатора
1 Зарядка диэлектрического конденсатора
Ошибочность существующей интерпретации работы конденсатора особенно очевидна. Она базируется на присутствии в электрической цепи положительных и отрицательных зарядов. Носители этих зарядов известны: протон и электрон. Однако, также известно, что они чувствуют присутствие друг друга на расстоянии в тысячу раз большем размера электрона и в миллион раз большем размера протона. Даже такое их далёкое соседство заканчивается процессом формирования атомов водорода, которые существуют лишь в плазменном состоянии при температуре до 5000 С. Это происходит, например, в процессах удаления электронов и протонов от Солнца и последующего объединения их в атомы водорода. Так что совместное присутствие протонов и электронов в свободном состоянии в проводниках полностью исключается, поэтому положительный и отрицательный потенциалы на пластинах диэлектрического конденсатора – ошибка физиков. Исправим её.
Сейчас мы увидим, что пластины диэлектрического конденсатора заряжаются не разноимённой электрической полярностью, а разноимённой магнитной полярностью. При этом функции плюса принадлежат южному магнитному полюсу электрона, а функции минуса – северному. Эти полюса и формируют полярность, но не электрическую, а магнитную. Проследим процесс зарядки диэлектрического конденсатора, чтобы увидеть, как магнитные полюса электрона формируют магнитную полярность его пластин. Известно, что между платинами диэлектрического конденсатора находится диэлектрик D (рис. 1, а).
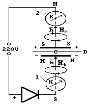
Схема эксперимента по зарядке диэлектрического конденсатора показана на рис. 1, а. Самое главное требование к схеме – ориентация её с юга (S) на север (N). Чтобы обеспечить полную изоляцию конденсатора от сети после его зарядки, желательно использовать электрическую вилку, включаемую в розетку сети с напряжением 220 V.
Сразу после диода показан компас 1 (К), положенный на провод, идущий к конденсатору С. Стрелка этого компаса, отклоняясь вправо в момент включения вилки, показывает направление движения электронов (рис. 1) от точки S к нижней пластине конденсатора. Тут уместно обратить внимание на общность информации о поведении электронов в проводах, представленной на рис. 1.

Рис. 1. Схема нашего эксперимента зарядки конденсатора
Выше компаса 1 (рис. 1) показана схема направления магнитного поля вокруг провода, формируемого движущимися в нём электронами.
Таким образом,
электроны, прошедшие через диод, приходят
к нижней пластине конденсатора,
сориентированными векторами спинов
и магнитных моментов
к её внутренней поверхности (рис. 1). В
результате на этой поверхности формируется
северный магнитный потенциал (N).
Вполне естественно, что к внутренней поверхности верхней пластины конденсатора электроны придут из сети, сориентированными южными магнитными полюсами (S). Доказательством этого служит экспериментальный факт отклонения стрелки верхнего компаса 2 (К) вправо (рис. 1). Это означает, что электроны, движущиеся из сети к верхней пластине конденсатора, ориентированы южными магнитными полюсами (S) в сторону движения (рис. 2).
Таким образом, ориентацию электронов на пластинах диэлектрического конденсатора обеспечивает проницаемость их магнитных полей через диэлектрик. Потенциал на пластинах конденсатора один – отрицательный и две магнитных полярности: северного и южного магнитных полюсов.
На рис. 2 представлена схема, поясняющая ориентацию электронов, движущихся к пластинам конденсатора С. Электроны приходят к нижней пластине конденсатора, сориентированными северными магнитными полюсами (N) к её внутренней поверхности (рис. 2). К внутренней поверхности верхней пластины конденсатора приходят электроны, сориентированные южными магнитными полюсами (S).

Рис. 2. Схема движения электронов к пластинам диэлектрического конденсатора
Так электроны – единственные носители электричества в проводах формируют на пластинах конденсатора не разноимённую электрическую полярность, а разноимённую магнитную полярность. Нет на пластинах диэлектрического конденсатора протонов – носителей положительных зарядов.
2 Разрядка диэлектрического конденсатора
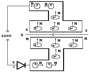
Процесс разрядки диэлектрического конденсатора на сопротивление – следующее экспериментальное доказательство соответствия реальности выявленной модели электрона и ошибочности сложившихся представлений о том, что на пластинах диэлектрического конденсатора формируются разноимённые электрические заряды (рис. 3) .
Схема отклонения стрелок компасов (К) 1, 2, 3 и 4 при разрядке конденсатора на сопротивление R в момент включения выключателя 5 показана на рис. 3.
Как видно (рис. 1 и 3), в момент включения процесса разрядки конденсатора, магнитная полярность на пластинах конденсатора изменяется на противоположную и электроны, развернувшись, начинают двигаться к сопротивлению R (рис. 2, 3).

Рис. 3. Схема отклонения стрелок компасов (К) в момент разрядки конденсатора

Рис. 4. Схема движения электронов от пластин конденсатора к сопротивлению R при разрядке диэлектрического конденсатора
Электроны, идущие от верхней пластины конденсатора, ориентируются южными магнитными полюсами в сторону движения, а от нижней – северными (рис. 4). Компасы 3 и 4, установленные на совокупности проводов ВА, сориентированных с юга на север, чётко фиксируют этот факт отклонением стрелок вправо, доказывая этим, что векторы спинов и магнитных моментов всех электронов в этих проводах направлены с юга на север (рис. 3, 4).
3 Зарядка электролитического конденсатора
При анализе процесса зарядки электролитического конденсатора надо учитывать, что в электролитическом конденсаторе присутствуют ионы, имеющие положительный и отрицательный заряды, которые и управляют процессом формирования потенциалов на пластинах электролитического конденсатора. Сейчас увидим, что наличие электролита в конденсаторе не приводит к появлению в проводах положительных носителей заряда, то есть протонов.
Электрон представляет собой полый тор, который имеет два вращения: относительно оси симметрии и относительно кольцевой оси тора. Вращение относительно кольцевой оси тора формирует магнитное поле электрона, а направления магнитных силовых линий этого поля формируют два магнитных полюса: северный N и южный S.
Вращением
электрона относительно центральной
оси управляет кинетический момент
- векторная величина. Магнитный момент
электрона
- тоже величина векторная, совпадающая
с направлением вектора кинетического
момента
.
Оба эти вектора формируют северный
магнитный полюс электрона (N),
а на другом конце центральной оси его
вращения формируется южный магнитный
полюс (S).
Формированием столь сложной структуры
электрона управляют более 20 констант.
На рис. 5, а в
качестве примера показана ориентация
иона
в электрическом поле. Положительно
заряженный протон
своим северным магнитным полюсом
направлен к отрицательно (-) заряженной
пластине. Так как векторы магнитных
моментов электрона
и протона
в атоме водорода направлены противоположно,
то осевые электроны 2 и 3 атома кислорода,
соединяясь в цепочку с протонами и
нейтронами ядра атома кислорода,
формируют на концах оси иона
одинаковую магнитную полярность (рис.
5, а). Эта закономерность магнитной
полярности сохраняется и вдоль оси
кластера, состоящего из этих ионов (рис.
5, b).
Логичность всех процессов сохраняется
лишь при условии, если действия зарядов
и магнитных полей электрона и протона
эквивалентны.
Обратим
внимание на главную особенность структуры
атома водорода: векторы магнитных
моментов электрона
и протона
направлены вдоль оси атома в противоположные
стороны. Обусловлено это тем, что
сближение протона и электрона ограничивают
их одноименные магнитные полюса.
Распределение магнитных полей в структуре
иона
показано на рис. 5, а. Как видно, на концах
оси этого иона северные магнитные полюса
электрона и протона. Аналогичную
полярность имеют и кластеры ионов
(рис. 5, b).
Вполне естественно, что количество
кластеров ионов
,
формирующих электрическую цепь в
диэлектрическом конденсаторе, очень
велико.
Если роль электродов, представленных на рис. 5, а, выполняют пластины конденсатора, то при его зарядке, электроны, пришедшие из внешней сети, сориентируются южными магнитными полюсами у левой пластины конденсатора и северными магнитными полюсами у правой пластины. Обусловлено это тем, что электроны сближают их разноимённые магнитные полюса, а сближение электрона с протоном ограничивают одноимённые магнитные полюса.

Рис. 5. а) –
схема иона
;
схема кластера из двух ионов

На рис. 6, а в
качестве примера показана ориентация
иона
в заряженном конденсаторе. Положительно
заряженный протон
своим северным магнитным полюсом
направлен к нижней отрицательно (-)
заряженной пластине конденсатора. Так
как векторы магнитных моментов электрона
и протона
в атоме водорода направлены противоположно,
то осевые электроны 2 и 3 атома кислорода,
соединяясь в цепочку с протонами и
нейтронами ядра атома кислорода,
формируют на концах оси иона
одинаковую магнитную полярность. Эта
закономерность магнитной полярности
сохраняется и вдоль оси кластера,
состоящего из этих ионов. Логичность
всех процессов сохраняется лишь при
условии, если действия зарядов и магнитных
полей электрона и протона эквивалентны.
Обратим особое внимание на то, что у верхней пластины конденсатора (рис. 6, а) с обоих сторон присутствуют электроны и поэтому кажется, что они отталкивают друг друга. Однако, надо иметь ввиду, что при образовании кластеров электронов они соединяются друг с другом разноимёнными магнитными полюсами, а одинаковые электрические заряды ограничивают их сближение, поэтому контакт иона с верхней пластиной конденсатора обеспечивают разноимённые магнитные полюса электронов. У нижней пластины конденсатора – разноимённые электрические заряды, которые сближают протон атома водорода и электрон пластины конденсатора. Но это сближение ограничивается их одноимёнными магнитными полюсами. Так объясняются эти кажущиеся противоречия.

А) Б)
Рис. 6. а)
схема ориентации иона
в электролитическом конденсаторе; b)
схема зарядки конденсатора
Таким образом, пластины электролитического конденсатора заряжаются разноимённой электрической полярностью и разноимённой магнитной полярностью одновременно. При этом функции плюса принадлежат южному магнитному полюсу электрона, а функции минуса – северному. Эти полюса формируют и электрическую, и магнитную полярности на пластинах конденсатора. Проследим процесс зарядки конденсатора, чтобы увидеть, как магнитные полюса электрона и протона формируют магнитную и электрическую полярности его пластин.
Схема эксперимента по зарядке конденсатора показана на рис. 5, b. Самое главное требование к схеме – ориентация её с юга (S) на север (N). Сразу после диода показан компас 1 (К), положенный на провод, идущий к конденсатору С. Стрелка этого компаса, отклоняясь вправо в момент включения напряжения, показывает направление движения электронов (рис. 5, b) от точки S к нижней пластине конденсатора С. Выше компаса показана схема направления магнитного поля вокруг провода, формируемого движущимися в нём электронами.
Таким образом,
электроны, прошедшие через диод, приходят
к нижней пластине конденсатора
сориентированными векторами спинов
и магнитных моментов
к её внутренней поверхности (рис. 5, b).
В результате на этой поверхности
формируется северный магнитный потенциал
(N),
эквивалентный отрицательному потенциалу
(-).
Вполне естественно, что к верхней пластине конденсатора электроны придут из сети сориентированными южными магнитными полюсами (S). Доказательством этого служит экспериментальный факт отклонения стрелки верхнего компаса 2 (К) вправо (рис. 5, b). Это означает, что электроны, движущиеся по проводу к верхней пластине конденсатора, ориентированы южными магнитными полюсами (S) в сторону движения.
На рис. 4 представлена схема, поясняющая ориентацию электронов, движущихся к пластинам конденсатора С при его зарядке. Электроны приходят к нижней пластине конденсатора сориентированными северными магнитными полюсами (N) к её внутренней поверхности. К внутренней поверхности верхней пластины конденсатора электроны приходят сориентированными южными магнитными полюсами (S).
Обратим внимание на то, что направления ориентации электронов при их движении к пластинам диэлектрического конденсатора (рис. 4) аналогичны ориентации электронов при их движении к пластинам электролитического конденсатора (рис. 6, b).
Так электроны – единственные носители электричества в проводах формируют на пластинах электролитического конденсатора и разноимённую электрическую полярность (+ и -) и разноимённую магнитную полярность (S и N) одновременно.
4 Разрядка электролитического конденсатора
Процесс разрядки конденсатора на сопротивление – следующее экспериментальное доказательство правильности новой интерпретации о направлении движения электронов (рис. 3) в проводах и ошибочности сложившихся представлений о том, что на пластинах конденсатора формируются только разноимённые электрические заряды.
Схемы отклонения стрелок компасов (К) 1, 2, 3 и 4 при разрядке конденсатора на сопротивление R в момент включения выключателя 5 показаны на рис. 3.
Как видно (рис. 2), в момент включения процесса разрядки конденсатора магнитная и электрическая полярности на пластинах конденсатора изменяются на противоположные и электроны, развернувшись, начинают двигаться к сопротивлению R (рис. 2).
Электроны, идущие от верхней пластины конденсатора ориентируются южными магнитными полюсами в сторону движения, а от нижней – северными. Компасы 3 и 4, установленные на совокупности проводов ВА (рис. 3), сориентированных с юга на север, чётко зафиксируют факт, отклонением стрелок вправо, доказывая этим, что векторы спинов и магнитных моментов всех электронов в этих проводах направлены с юга на север.
Как видно, схема движения электронов при разрядке диэлектрического конденсатора аналогична схеме движения электронов при разрядке электролитического конденсатора (рис. 3).
А теперь
представим моменты размыкания или
замыкания электрической цепи, при
которых, как известно, резко повышается
напряжение. Причина этого явления
заключается в том, что в момент размыкания
электрической цепи существует фаза,
когда часть этой цепи формируется ионами
воздуха. Общее количество электронов
этих ионов значительно больше количества
свободных электронов в проводе. В
результате они и увеличивают электрический
потенциал на тот промежуток времени,
когда электрическую цепь формируют
ионы воздуха. Это наглядно видно на рис.
5, а, где показан ион
между пластинами конденсатора. Зона
разорванной электрической цепи заполнена
такими же ионами.