Изучение конструкции и проверка работоспособности ротаметра
Лабораторная работа
Тема: Изучение конструкции и проверка работоспособности ротаметра
Цель:
Изучить конструкцию ротаметра
Определить работоспособность ротаметра
1. Теоретическое обоснование
ВЕДЕНИЕ
Настоящее техническое описание и инструкция по эксплуатации распространяются на ротаметры пневматические фторопластовые типа РПФ ГОСТ 13045-81 (в дальнейшем ротаметры)
В обозначении ротаметра буквы обозначают:
Р — ротаметр; П — пневматический; Ф — фторопластовый.
1.НАЗНАЧЕНИЕ
1.1. Ротаметры типа РПФ предназначены для измерения объемного расхода плавноменяющихся однородных потоков чистых и слабозагрязненных агрессивных жидкостей с дисперсными немагнитными включениями инородных частиц, нейтральных к фтороиласту-4 ТУ6-05-810-76 и преобразования величины расхода в унифицированный пневматический сигнал.
Ротаметры работают в комплекте с вторичными пневматическими приборами или устройствами с пределами изменения давления воздуха от 0,2 до 1,0 кгс/см2
Ротаметры предназначены для эксплуатации в макроклиматических районах с умеренным климатом.
Пример записи обозначения ротаметра при его заказе.
Ротаметр пневматический фторопластовый для измерения расхода жидкости с верхним пределом измерения 10 м°/ч, исполнения У, для категории размещения 3 по ГОСТ 15150-69 РПФ-ЮЖУЗ.
2. ТЕХНИЧЕСКОЕ ОПИСАНИЕ
2.1. Технические данные.
2.1.1. В зависимости от расхода измеряемых жидкостей ротаметры выпускаются заводом-изготовителем в 3-х базовых моделях.
Каждая базовая модель имеет унифицированный корпус ротаметрической части. Пределы измерения расходов для данных моделей получаются установкой соответствующего мерительного конуса, а условный проход—установкой соответствующего воротника.
2.1.2. Ротаметры типа РПФ имеют единую унифицированную пневмоголовку преобразующую величину расхода в пневматический сигнал и обеспечивающую местные показания.
2.1.3. Основные параметры и размеры, коды ОКП и контрольные числа (КЧ) ротаметров приведены в табл. 1 и рис. 1.
2.1.4. Основная допускаемая погрешность по шкале местный показаний и пневмосигналу ±2,5 %; ±4 %.
2.1.5. Исполнение ротаметра— пылебрызгозащищенное.
2.1.6. Питание ротаметра осуществляется сжатым воздухом давлением 1,4±0,14 кгс/см2 по ГОСТ 26.015-81. Воздух класса О, 1, 3 по ГОСТ 17433-80. Для обеспечения работы прибора модели РПФ при минусовых температурах сжатый воздух, поступающий в прибор, должен иметь точку росы на 10 "С ниже температуры окружающего воздуха.
2.1.7. Пределы изменения выходного пневмосигнала от 0,2 до 1 кгс/см2.
2.1.8. Градуировка ротаметров — индивидуальная, производится заводом-изготовителем по воде при температуре воды и окружающего воздуха (20±5) °С.
2.1.9. Шкала местных показаний ротаметра — условная равномерная. Расход в м3/ч определяется по таблице, указанной в паспорте, методом линейной интерполяции.
2.1.10. При измерении расхода жидкости, имеющей отличные от воды значения вязкости и плотности, необходимо провести пересчет расхода с воды на данную измеряемую жидкость согласно расчету 4Е2.833.706РР.
2.1.11. Температура измеряемой жидкости от 5 до 100 °С.
2.1.12. Температура окружающей среды от минус 30 до 50 °С.
2.1.13. Относительная влажность окружающей среды от 30 до 80 %'.
2.1.14. Дополнительная погрешность ротаметра, вызванная изменением температуры окружающего воздуха, не должна превышать 0,5 абсолютного значения основной допускаемой погрешности на каждые 10 °С отклонения температуры от 20 °С в диапазоне температур от минус 30 до 50 °С.
2.1.15. Материал деталей, соприкасающихся с измеряемой средой, фторопласт-4 ТУ6-05-810-76.
2.1.16. Материал уплотнения— фторопласт-4 ТУ6-05-810-76.
2.1.17. Присоединение ротаметра к трубопроводу—фланцевое.
2.1.18. Наибольшее расстояние передачи выходного сигнала ротаметра к вторичному прибору—300 м.
2.1.19. Величина потери давления от установки ротаметра в технологическую линию—не более 0,1 кгс/см2.
2.1.20. Средний срок службы должен быть не менее 6 лет.
Таблица 1. Основные параметры ротаметров
|
Условное обозначение |
Верхний предел измерения по воде, м3/ч |
Условный проход Ду, мм |
Рабочее давление, кгс/см2 |
Габаритные размеры, ММ |
Масса, кг, не более |
Код ОКП |
|
|
ротаметра |
базовых моделей |
||||||
|
РПФ-0,63ЖУЗ |
РПФ-1 |
0,63 |
|
16 |
347х220х |
13 |
4213420401 |
|
РПФ-1 ЖУЗ |
1,00 |
25 |
4213420402 |
||||
|
РПФ-1,6ЖУЗ |
РПФ-11 |
1,6 |
40 |
16 |
347x220x243 |
25 |
4213420403 |
|
РПФ-2,5 ЖУЗ |
2,5 |
40 |
4213420404 |
||||
|
РПФ-4 ЖУЗ |
4,0 |
40 |
4213420405 |
||||
|
РПФ-6,ЗЖУЗ |
6,3 |
70 |
4213420406 |
||||
|
РПФ-1 ОЖУЗ |
РПФ-1 11 |
10 |
70 |
16 |
442х245х |
32 |
421342040' |
|
РПФ-1 6ЖУЗ |
16 |
100 |
421342040S |
Примечание. Нижний предел измерения—не более 20 % от верхнего предела измерения.
3. СОСТАВ РОТАМЕТРА
Таблица 2
|
Обозначение |
Наименование |
Количество |
|
4Е2.833. 697-00 |
Ротаметр (по спецификации заказа) |
1 |
4. УСТРОЙСТВО И РАБОТА РОТАМЕТРА
4 1. Ротаметр типа РПФ состоит из двух основных частей: ротаметрической и пневматической (пневмоголовка).
4.2. Принципиальное устройство ротаметра показано на рис. 2.
4.3. Ротаметрическая часть предназначена для размещения ротаметрической пары мерительный конус—поплавок, реагирующей на изменение потока измеряемой жидкости и присоединения прибора в технологическую линию.
4.4. Корпус ротаметрической части 1 представляет собой прямоточную трубу с приваренными на концах кольцами 6. Внутри корпуса расположены, перемещающийся под действием измеряемого потока поплавок 2, жестко связанный со сдвоенными магнитами 7, конус мерительный 4, направляющие 3, 12.
Корпус ротаметрической части футерован фторопластом-4, а направляющие 3, 12, поплавок 2, конус мерительный 4 выполнены из фторопласта-4.
К корпусу ротаметрической части приварена плата 26, служащая для закрепления корпуса пневмоголовки.
4.5. Пневмоголовка предназначена для обеспечения местных показаний и преобразования высоты подъема поплавка, зависящей от величины расхода, в пневматический выходной сигнал
4.6 Механизм перемещения 10 шарнирно соединен с реле механическим 8 тягой 11, преобразует вертикальное перемещение штока 14 во вращательное движение стрелки 9
4.7 Для регулировки верхнего предела измерения служит направляющая 19 Гайка 21 служит для контровки направляющей 19
4.8 Все детали пневмоголовки защищены от воздействия окружающей среды (пыли, брызги) и механических повреждений крышкой, которая крепится к корпусу при помощи 3-х винтов
4.9 Принцип действия ротаметра основан на восприятии поплавком, перемещающимся в конусе мерительном 4, динамического напора, проходящего снизу вверх измеряемого потока жидкости (рис 2)
При подъеме поплавка проходной зазор между мерительной поверхностью конуса и кромкой поплавка увеличивается, при этом уменьшается перепад давления на поплавке
Когда перепад давления становится равным весу поплавка, приходящемуся на единицу площади его поперечного сечения, наступает равновесие При этом каждой величине расхода измеряемой жидкости при определенной ее плотности и кинематической вязкости соответствует строго определенное положение поплавка
4.10 В принципе магнитопневматического преобразователя используется свойство восприятия следящим магнитом 6, механического перемещения сдвоенных магнитов 7, жестко связанных с поплавком, и преобразования этого перемещения в выходной пневматический сигнал.
Перемещение поплавка вверх вызывает изменение положения следящего магнита 6 и жестко связанной с ним заслонки 5 При этом зазор между соплом и заслонкой уменьшается, командное давление увеличивается увеличивая давление на выходе реле пневматического 4 (рис 4)
Усиленный по мощности сигнал поступает во внутреннюю полость стакана 15 (рис 2) Под действием этого сигнала происходит сжатие упругого элемента (сильфон 17 — пружина 24) сервопривода 16, перемещение вверх штока 14, жестко связанного с нижним концом сильфона 17, сопла 25, реле механического 8, укрепленных на штоке 14
Движение штока 14 и реле механического 8 происходит до тех пор, пока следящий магнит 5 с заслонкой не займут первоначальное положение относительно сдвоенных магнитов 7.
При движении поплавка вниз изменяется положение следящего магнита 5 и связанной с ним заслонки, при этом зазор между заслонкой и соплом 25 увеличивается, уменьшая тем самым командное давление и давление на выходе реле пневматического Избыточный воздух из полости стакана 15 (рис 2) через клапан реле пневматического стравливается в атмосферу Так как давление в стакане 15 уменьшилось, шток 14 под действием упругого элемента (сильфон - пружина) вместе с реле механическим 8 перемещается вниз (в сторону движения поплавка) до тех пор, пока следящий магнит 5 с заслонкой не займут первоначальное соложение относительно сдвоенных магнитов.
Воздух, очищенный от пыли, масла, поступает на вход реле пневматического, далее через кольцевой зазор клапана I, через дроссель 4 в камеру сопла «Б», которого. Одновременно, воздух поступает на выход реле пневматического (далее к вторичному прибору) и в камеру «А»,
При уменьшении зазора между соплом 9 и заслонкой 2 давление в камере «Б» растет.
Давление в камере «Б» уменьшается., а следовательно, уменьшается: давление на мембраны 8, 10,
Мембрана 8 открывает клапан 7, через который воздух из камеры. «А» стравливается в атмосферу, а мембрана 10 прикрывает клапан 1, уменьшая поступление воздуха в реле пневматическое, давление на выходе реле пневматического уменьшается.
Ход работы
Описание лабораторного стенда
Основными задачами лабораторного стенда
«Проверка работоспособности ротаметра»
1) ознакомление студентов с измерением расхода жидкости методом постоянного перепада давлений;
2) ознакомление студентов с назначением ротаметра пневматического типа РП;
3) ознакомление студентов с устройством ротаметра пневматического типа РП.
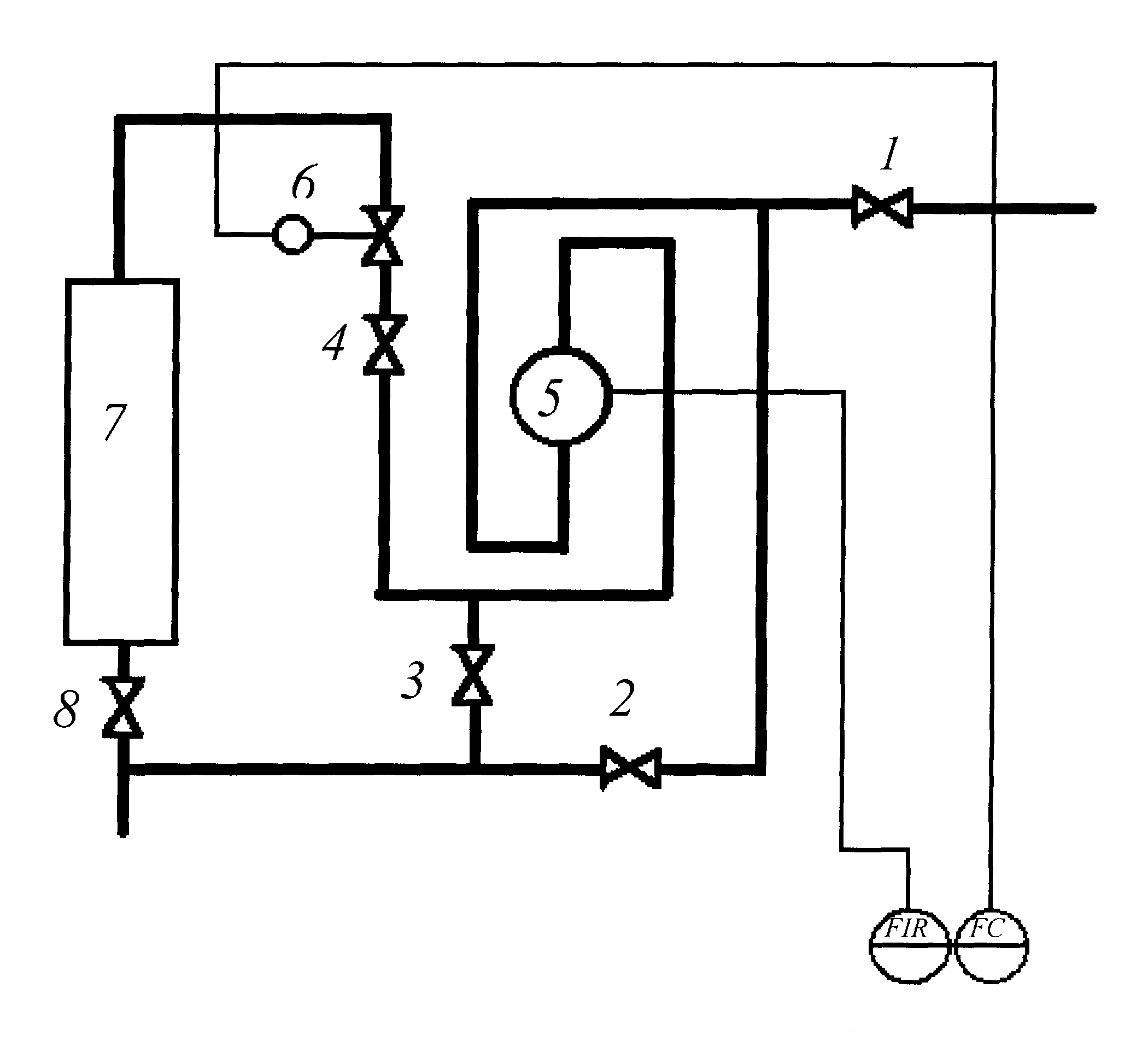
Структурная схема стенда представлена на рисунке 1

Рисунок 1 — Схема лабораторного стенда
Для подачи воды, расход которой измеряется и регулируется стендом, необходимо открыть вентиль 1. При этом нужно выгнать воздух из трубопровода: помощью вспомогательных вентилей 2 и 3. После вентили 2 и 3 нужно закрыть, а вентиль 4 открыть. Ротаметр 5 измеряет расход жидкости в трубопроводе. Регулирование расхода происходит с помощью регулирующего клапана 6. После прохождения воды через ротаметр и регулирующий клапан, она попадает в ёмкость 7. Для слива воды из ёмкости необходимо открыть клапан 8. При закрытом клапане 8 можно наблюдать изменение расхода на изменении скорости прибавления уровня воды в ёмкости.
При выполнении лабораторной работы сравниваются показания ротаметра с показаниями вторичного прибора, при прямом и обратном ходе.
Проверка местных показаний и пневмосигнала ротаметра при прямом ходе
Сравнение показания ротаметра и вторичного прибора производят в пяти шести точках равномерно распределённых по шкале. Изменение величины задания на вторичном приборе приводит к изменению сигнала посылаемого на исполнительный механизм, который в свою очередь изменяет расход жидкости.
Все показания приборов записываются в отчёт. Проверка местных показаний и пневмосигнала ротаметра при обратном ходе.
По данным показаний приборов производиться отчёт основной погрешности и вариации.
Проверка местных показаний и пневмосигнала ротаметра при обратном ходе
При обратном ходе сравнение показаний ротаметра и вторичного прибора производится по тем же самым точкам шкалы, что и при прямом оде.
Все показания приборов записываются в отчёт. После проведения опыта производится работка результатов. Находится основная допустимая погрешность, вариация.
Основная допустимая погрешность по шкале четных показаний и пневмосигналу не должно повышать ±4 %.
Рекомендуемая форма протокола поверки ротаметра.
Протокол №_______
от______ __________________200 года
Проверки работоспосбности ротаметра пневматического
Тип________ номер_________________
Предел измерения_____________________________
Вторичный прибор тип_______________ номер___________________
Предел измерения________________ класс точности________________
Показания приборов |
||||||
|
Вариация |
Прибор Вторичный |
Абсолютная погрешность |
||||
|
Прямой ход |
обратный ход |
|||||
|
Прямой ход |
обратный ход |
|||||
|
20 |
||||||
|
30 |
||||||
|
40 |
||||||
|
50 |
||||||
|
60 |
||||||
|
70 |
||||||
|
80 |
||||||
|
90 |
||||||
|
100 |