Информационные сети и телекоммуникации
Федеральное агентство по образованию РФ
Государственное образовательное учреждение высшего профессионального образования
"Владимирский государственный университет"
ЛАБОРАТОРНЫЕ РАБОТЫ
по дисциплине: "Информационные сети и телекоммуникации"
Выполнил
Студент гр. ЗПИЭу-107
Соколова В.Р.
Принял:
Преподаватель
Галас В.П.
Владимир 2009 г
Лабораторная работа №1. Исследование моделей распределенных линий связи вычислительных сетей
Цель работы: Ознакомление с процессом моделирования распределенных линий связи. Получение навыков работы с моделями систем и их экспериментального исследования.
Аппаратура: компьютер, принтер.
Программное обеспечение: ОС MS Windows, программа Electronics Workbench.
Длина линии – 75 метров
Погонное сопротивление – 0.5 Ом/м
Напряжение источника питания – 5В
Частота источника питания – 300 кГц
Общие сведения
Проводные линии связи вычислительных сетей являются цепями с распределенными параметрами, которые характеризуются тем, что в них индуктивность, емкость, сопротивление и проводимость распределены в пространстве — чаще вдоль двух проводников, образующих линию связи для обмена информацией между различными объектами. Если названные параметры распределены вдоль линии (на единицу длины) равномерно (например, для двухпроводной линии в виде параллельных проводников), то такая линия называется однородной, в противном случае линия является неоднородной.
Линии связи (ЛС) могут быть представлены двумя моделями: идеальной двухпроводной ЛС без потерь (рис. 1, а) и с потерями (рис. 1, б). Математическая модель ЛС с потерями состоит из набора одинаковых звеньев (сегментов), схема которого (рис. 1, в) содержит (в обозначениях EWB 5.0):
R - активное (омическое) сопротивление проводников ЛС, отнесенное к единице длины (погонное сопротивление), Ом/м;
L - погонная индуктивность проводников ЛС, Гн/м;
G - погонная проводимость между проводниками ЛС, См/м; для реальных ЛC к этой проводимости добавляются проводимости, вызванные диэлектрическими потерями изоляционных материалов;
С - погонная емкость между проводниками, Ф/м.

Рис. 1. Графические обозначения ЛС без потерь (а), с потерями (б) и звено математической модели ЛС с потерями (в).
Значения параметров ЛС в EWB 5.0 задаются с помощью диалоговых окон (рис 2, рис3).
Зададим сразу параметры для линии связи с потерями согласно варианту работы.
1. Найдем
С. С = 11.11 * 10-18 / L
C =11.11*10-18 / 11.11*10-6 = 1*10 -12 Фарад
2. Найдем Z0
Z0 = (L/C)1/2 = (11.11*10-6 / 10-12)1/2 = 3333.33 Ом
3. Найдем G
G = R*C /L = 9 * 10-7

Рис. 2 Диалоговое окно установки параметров ЛС с потерями

Рис. 3 Диалоговое окно установки параметров ЛС без потерь
В окне, изображенном на рис. 2, задаются значения параметров эквивалентной схемы (рис.1,в), где, кроме перечисленных выше параметров, указаны длина ЛС (LEN , м). В диалоговом окне для идеальной ЛС (R = 0, G = 0) (рис. 3) обозначено: ZO -волновое сопротивление, Ом; TD — время задержки распространения сигнала. Процессы, происходящие в ЛС, описываются так называемыми телеграфными уравнениями [51]:
∂u/∂х + L(∂i/∂t) + Ri = 0; ∂i/∂х + C(∂u/∂t) + Gu = 0 (1)
где ∂u/∂х , ∂i/∂х, ∂u/∂t, ∂i/∂t) — частные производные от напряжения и тока i по расстоянию х и времени t.
Решение уравнений (1) дает следующий набор характеристик (вторичных параметров) однородной ЛС:
1. Волновое (характеристическое) сопротивление
ZO = [(R + j(ωL)/(G + jωC)]1/2. (2)
2. Коэффициент распространения
γ = [(R + jωL)(G + jωC)]1/2 = β + jα, (3)
где коэффициент затухания β = (RG)1/2, коэффициент фазы α = ω(LC)1/2.
Если выполнить условие R/L=G/C, называемое условием неискажающей ЛС, то из (2) получим
ZO=(L/C)1/2, (4)
т. е. волновое сопротивление, как и в случае идеальной ЛС, не будет зависеть от частоты. При тех же условиях скорость распространения электромагнитного поля вдоль ЛС
v = ω/α. = 1/(LC)1/2,
а время задержки сигнала при прохождении ЛС длиной I
TD = 1/v. (5)
Для воздушных ЛС скорость распространения v принимается равной скорости света с = 3.108 м/с, тогда LC = 1/c2 = 11,11. 10-18. (6) ЛС могут работать в следующих режимах :
Режим согласованной линии характерен для ЛС, на выходе которой включено активное сопротивление, равное волновому сопротивлению ZO. Для такого режима мгновенное значение напряжения в любой точке ЛС описывается выражением
U = Ui.exp(-βl)cos (ωt - αl), (7)
где 1 - расстояние от начала ЛС до точки, в которой определяется значение напряжения; ω - частота входного сигнала Ui.
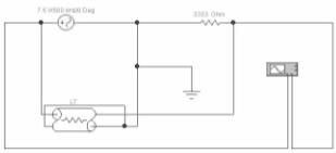
Из формулы (7) видно, что амплитуда бегущей волны напряжения убывает вдоль линии по экспоненциальному закону. Для моделирования ЛС в режиме согласованной линии используется схема рис. 4. Рекомендуемые значения параметров ЛС LT1: LEN = 50 м, R = 10 Ом/м. Входной сигнал Ui напряжением 7.5v и частотой f=500кГц. Значения ZO, С и G находятся из формул (4), (6) при условии, что R/L=G/C.

Рис. 4 ЛС в режиме согласованной линии
Из осциллограмм на рис. 5, полученных в результате моделирования, можно определить запаздывание α выходного сигнала относительно входного на длину линии в режиме бегущей волны ( α = 2πf(Т2-Т1)), а из индикаторных окон – амплитуды входного U>im>=VA1 и выходного U>om>=VB2 напряжений.

Рис. 5. Осциллограммы сигналов на входе (А) и выходе (В) ЛС
Эти же величины можно получить теоретически α – по формуле (3), U>om> – по формуле (7).
Режим несогласованной
линии характеризуется
тем, что на ее выходе включено сопротивление
Z,
не равное волновому сопротивлению ZO.
Наиболее ярко этот режим проявляется
при разомкнутой (Z
=
)
или замкнутой (Z = 0)
линии. При разомкнутой линии бегущая
волна тока достигает конца линии, и
заряды дальше двигаться не могут: ток
должен прекратиться. Но убывание тока
создает по правилу Ленца ЭДС самоиндукции,
направленную попутно с убывающим током.
Появление же этой ЭДС приводит к повышению
напряжения на конце линии, что в свою
очередь вызывает движение зарядов в
обратном направлении.

Рис 6 ЛС в режиме несогласованной линии
Следовательно, дойдя до разомкнутого конца линии, волны вынуждены двигаться в обратном направлении. Это явление называется отражением волны от конца линии. Энергия отраженных волн возвращается к началу линии. Электрические заряды прямой и обратной волн у конца провода складываются, в результате чего в этом месте в каждый момент времени получается удвоенное напряжение.
Для характеристики линии в рассматриваемом режиме используется коэффициент отражения:
р = (Z - ZO)/(Z + ZO). (8)
При Z = ZO
коэффициент р = 0
и в линии наступает режим бегущей волны.
При разомкнутой линии
Z =
и р = 1.
При этом в конце линии амплитуды
напряжения и тока определяются
выражениями:
U>м> = U>n>(1 + р) = 2U>n>; I>m> = I>n>(1 - p) = 0. (9)
Следовательно, при разомкнутой линии ток в ее конце равен нулю, а амплитуда напряжения равна двойной амплитуде падающей волны U>n>. При этом падающие и отраженные волны напряжения имеют одинаковую фазу, а волны тока — противоположную.
Схема для исследования короткозамкнутой ЛС содержит (рис.8) источник входного напряжения Ui частотой 200 КГц (длина волны 75 м), амперметры Al, A2 для измерения тока на входе и выходе ЛС и ЛС, по параметрам аналогичную на рис.6 для разомкнутой ЛС, но составленную из трех компонентов: LI (LEN = 75 м), L2 и L3 (LEN = 75 м).

Рис 8 Схема для исследования короткозамкнутой несогласованной ЛС
Заметим, что для этих компонентов нужно создать отдельную библиотеку, а для амперметра A2 установить минимальное внутреннее сопротивление для имитации короткого замыкания выхода ЛС.
Пример осциллограмм, полученных для данного режима, приведен на рис.9

Рис.9 Осциллограммы сигналов на входе и выходе ЛС в режиме короткозамкнутой линии.
В процессе моделирования можно наблюдать, что после его запуска входной ток постепенно (по синусоиде и в зависимости от быстродействия ПК) возрастает, в то время как выходной ток остается нулевым до тех пор, пока волна (верхняя осциллограмма) не достигнет конца линии
Лабораторная работа №2. Исследование устройств частотного преобразования сигналов информационных сетей
Цель работы: Ознакомление с устройством и работой модуляторов и демодуляторов частотных сигналов. Получение навыков моделирования и экспериментального исследования этих устройств.
Аппаратура: компьютер, принтер.
Программное обеспечение: ОС MS Windows, программа Electronics Workbench.
1. Значение несущей – 10 кГц
2. Значение несущей – 5 кГц
3. Сопротивление фильтра -50 Ом
4. Модулирующее напряжение – 1.5 В.
Общие сведения
Основными элементами модемов, т.е. устройств, позволяющих обмениваться информацией между РС через аналоговые каналы, являются модулятор и демодулятор.
Модулятор. Различают амплитудные, импульсные, фазовые и др. виды модуляции сигнала. Наиболее простая модуляция - амплитудная сводится к перемножению модулирующего сигнала Y(t) = Ео + Ym.cosωt и несущего X(t) = Xm.cosωt. После перемножения и тригонометрических преобразований получим результирующее колебание в следующем виде:
Z(t) = Em{cosωt + 0,5M[cos(Ω, - ω)t + cos (Ω + ω)t]}, (1)
где М = Ym/Em — коэффициент модуляции; Em = Eo.Xm.
Схема амплитудного модулятора (рис.1) содержит двухвходовой суммирующий усилитель на ОУ, к одному входу которого подключен источник постоянного напряжения Ео, а к другому — источник модулирующего напряжения Y'(t). На выходе усилителя формируется сигнал Y(t) = Ео + Y'(t) = Ео + Ym.cosωt, который поступает на Y-вход перемножителя М с коэффициентом передачи 1. На Х-вход перемножителя подается сигнал несущей X(t).

Рис.1. Амплитудный модулятор

Рис. 2. Осциллограммы амплитудно-модулированного сигнала и несущей
По осциллограммам, полученным в результате исследования модели (рис.1) можно определить коэффициент модуляции М = Ам/Ас, где Ам = |VB2 - VBl|/2 В; Ac = Ам + |VB2| и расчетный параметр (Em), который измеряется вольтметром на выходе перемножителя М при отключенном воздействии модулирующего сигнала. Пример результатов моделирования показаны на рис.2, откуда видно, что амплитуда несущей равна среднему значению Ас амплитудно-модулированного колебания.
Кроме рассмотренной амплитудной модуляции с гармонической несущей, в системах управления и многоканальных устройствах связи широко используются разнообразные виды импульсной модуляции. Наиболее простой из них является амплитудно-импульсная (АИМ), которая чаще всего используется при реализации более сложных видов импульсной модуляции (время-импульсной, фазоимпульсной, частотно-импульсной и т.п.).
Рассматриваемая схема амплитудно-импульсного модулятора (рис. 3)

Рис.3 Амплитудно-импульсный модулятор
Схема и настройки функционального генератора содержит сумматор на ОУ 1 и сумматор-выпрямитель на ОУ 2; в качестве несущей используется однополярная (положительной полярности) последовательность прямоугольных импульсов с параметрами, определяемыми настройками функционального генератора (см. рис. 3, б). Напряжение на выходе сумматора-выпрямителя (т. А на осциллограмме рис.4)
U>A> = -(K>М>U>m> + K>H>U>H> + K>f>U>f>), K>M> = R7/R4; К>f> = R7/R5; К>H> = R7/R3. (2)
Перечисленные коэффициенты выбираются таким образом, чтобы при отсутствии несущей (U>h>) напряжение в точке A U>a> = 0. При этом выходное напряжение (осциллограмма В) будет определяться выражением :
Uo = -[U>H>R6/R1-(K>M>U>m> + K>H>U>H> + K>f>U>f> )R6/R2]. (3)

Рис. 4. Результаты испытаний амплитудно-импульсного модулятора.
Другим распространенным типом модуляции является угловая. Такое название является общим для частотной и фазовой модуляции. Связь между ними формулируется следующим образом : изменение частоты во времени по закону ω(t) эквивалентно изменению полной фазы по закону интеграла от ω(t), а изменение полной фазы по закону φ(t) эквивалентно изменению частоты по закону производной от φ (t). Это положение, являющееся основным в теории угловой модуляции, определяет связь между изменениями частоты и фазы и указывает на общность, существующую между двумя разновидностями угловой модуляции — модуляцией частоты (ЧМ) и модуляцией фазы (ФМ).
Сигнал с частотной модуляции в простейшем случае описывается выражением:
A(t) = Ao.sin[ωt + (Δω)/Ω)sinΩt], (4)
где Ao - амплитуда несущей; Δω - диапазон частотного отклонения (девиации) несущей под действием модулирующего (в данном случае — синусоидального) сигнала.
Из выражения (4) видно, что периодическая модуляция частоты эквивалентна гармонической вариации фазы с той же частотой, при этом амплитуда получаемой вариации фазы равна Ф = Δω/Ω. Это отношение численно равно индексу модуляции М, являющемуся основным параметром угловой модуляции.
Сигнал с фазовой модуляции описывается выражением:
A(t) = Ao.sin[ωt + ФsinΩt] (5)
Поскольку выражения (4) и (5) получены для гармонического модулирующего сигнала, то из сравнения этих выражений можно сделать вывод, что различие между частотной и фазовой модуляцией проявляется только при изменении частоты модуляции. При этом различие заключается в следующем. При частотной модуляции величина девиации Δω пропорциональна амплитуде модулирующего напряжения и не зависит от частоты модуляции Ω, однако с ростом последней индекс модуляции уменьшается. При фазовой же модуляции величина Ф пропорциональна амплитуде модулирующего напряжения и не зависит от частоты модуляции Ω.
Схема фазового модулятора (рис. 5, а) содержит функциональный генератор в качестве источника модулирующего сигнала (рис. 5, б), источник напряжения Ui несущей и фазовращатель на OU1 с полевым транзистором VT в режиме управляемого сопротивления. Канал В осциллографа подключен к выходу OU1, а канал А — к источнику несущей для возможности наблюдения эффекта модуляции.

Рис. 5. Схема фазового модулятора с установками функционального генератора

Рис. 5а. Осциллограмма фазовой модуляции.

Рис 6. Схема для исследования зависимости сопротивления полевого транзистора
Ограничимся рассмотрением статического режима, заменив сопротивление полевого транзистора сопротивлением R. В таком случае напряжение на неинвертирующем входе OU1 в операторной форме будет иметь вид: Ui'(p) = Ui(p)pRC/(l + pRC). Это напряжение передается на выход OU1 с коэффициентом передачи 1 + R2/R1 = 2. Напряжение Ui(p) передается на выход того же усилителя с коэффициентом передачи R2/R1 = 1, причем с инвертированием сигнала. Следовательно, выходное напряжение OU1
Uof(p) = 2Ui'(p) - Ui(p) = Ui(p)(pRC - l)/(pRC +1)
и коэффициент передачи равен
К(р) = (pRC - l)/(pRC+1). (6)
Вводя замену р =jω), из (6) после преобразований нетрудно определить, что фазовый угол будет определяться выражением
Ф = 2arctg (ωRС). (7)
Из (7) видно, что по сравнению с обычной RC-цепью рассматриваемый фазовращатель обеспечивает возможность получения фазового сдвига в диапазоне от 0 до 180°. Сопротивление R (сопротивление полевого транзистора) может изменяться под действием модулирующего сигнала. Схема для исследования зависимости сопротивления полевого транзистора от входного напряжения представлена на рис.5,в.
Поскольку в выражении (7) сопротивление R изменяется под действием модулирующего сигнала, выражение (7) отражает факт фазовой модуляции, что и подтверждается осциллографическими измерениями на рис. 7

Рис.7 Результаты испытаний фазового модулятора.
Демодулятор (амплитудный или частотный детектор) - это устройство, выходное напряжение которого является функцией амплитуды или частоты входного сигнала.
Основной характеристикой демодулятора является его передаточная характеристика, которая показывает зависимость постоянного выходного напряжения Uo от амплитуды или частоты входного сигнала Fi. Чувствительность частотного детектора определяется крутизной его характеристики S = ΔUo/ΔFi, где ΔUo, ΔFi — приращения выходного напряжения и частоты входного сигнала.
Принцип работы большинства частотных детекторов ЧД основан на преобразовании частотно-модулированного напряжения в амплитудно-частотно-модулированное с последующим амплитудным детектированием. В качестве преобразователя частотно-модулированного напряжения в амплитудно-частотно-модулированное используется любая линейная система, коэффициент передачи которой зависит от частоты. Поскольку выходное напряжение таких детекторов зависит не только от частоты, но и от амплитуды входного напряжения, их иногда называют также частотно-амплитудными детекторами.
Наиболее простой схемой амплитудного детектора АД является схема, изображенная на рис.8, с полупроводниковым диодом D и фильтром на элементах R1 и С. Входным сигналом служит сигнал с источника амплитудномодулированных колебаний АM, нагрузка имитируется резистором R2. Осциллограмма выходного сигнала, полученного на нагрузке R2, представлена на рис.8.

Рис.8 Схема амплитудного детектора

Рис.9 Выходной сигнал АД
Наиболее простой схемой ЧД является схема с одиночным контуром на рис. 10.

Рис.10 Схема модели частотного детектора
Она содержит параллельный колебательный контур на элементах L, С1, на вход которого входной сигнал подается от источника частотно-модулированных колебаний FM (режим детектирования).
Сигнал с выхода колебательного контура измеряется осциллографом и подается на вход амплитудного детектора, формирующего модулирующее (низкочастотное) колебание, которое также можно наблюдать на экране (Рис.10) осциллографа по каналу В.
Как видно из осциллограммы сравнительно большие нелинейные искажения являются недостатком рассмотренного детектора: коэффициент второй гармоники для этого детектора равен около 19%, а третьей — 3,6%. Для уменьшения нелинейных искажений можно увеличивать затухание контура, однако это приводит к существенному уменьшению крутизны характеристики детектора, т. е. к уменьшению напряжения на его выходе.

Более высокими показателями по нелинейным искажениям обладают балансный детектор с двумя взаимно расстроенными контурами и детектор со связанными контурами, а также так называемый дробный детектор, который отличается от первых двух схемой построения выпрямительной части, обеспечивающей минимальную зависимость выходного сигнала от изменений амплитуды входного.