Испытания ЭС на влияние невесомости. Радиационные воздействия
Министерство образования Республики Беларусь
Белорусский государственный университет информатики и
радиоэлектроники
Кафедра РЭС
Реферат
на тему:
"Испытания ЭС на влияние невесомости. Радиационные воздействия"
Минск 2008
Испытания ЭС на влияние невесомости.
Проводят для исследования их работоспособности в условиях невесомости. Для имитации этих условий применяют различные методы. Кратковременное состояние невесомости может быть достигнуто с помощью специально оборудованного самолета, выполняющего маневр по кеплеровским траекториям.
Для проведения точных экспериментов по изучению парообразования, кипения, конденсации, поведения топлива в баках и т.д. необходимо, чтобы возмущающие механические силы (например, вибрации) были устранены. С этой целью применяют «плавающие» контейнеры, внутри которых размещают испытываемые изделия и контрольно-измерительную аппаратуру. В начале полета контейнер удерживается на упругих растяжках в середине кабины самолета, но по достижении состояния невесомости растяжки отстегиваются и контейнер движется свободно по эллиптической траектории. Если требуется, чтобы перед наступлением невесомости жидкость длительное время не подвергалась внешним возмущениям, для проведения испытания используют вертикальные башни, с которых сбрасывают контейнеры с приборным оборудованием. При поддержании вакуума внутри башни свободно падающее в ней тело находится в состоянии невесомости в течение всего времени падения. Однако контейнер, падая в вакууме, развивает очень большую скорость (около 2100 км/ч) в конце участка падения. Кроме того, для увеличения продолжительности периода невесомости требуется сооружать высокие башни. Поэтому на практике строят башни без вакуумируемой шахты и приемлемой высоты.

Рисунок 1 - Схема падающего капсулированного контейнера:
1 — зажимное устройство; 2 — контейнер с испытываемым изделием и
контрольно-измерительной аппаратурой; 3 — вакуумированная капсула;
4 — демпфер: H1 — высота падения контейнера;
H3 — высота падения капсулы.
Чтобы приблизить условия испытания к условиям невесомости, необходимо уменьшить силу аэродинамического торможения контейнера, отнесенную к единице его массы. С этой целью контейнер с приборным оборудованием помещают внутри верхней части вакуумированной капсулы, которую сбрасывают с вершины башни в обычной атмосфере (рисунок 1). По мере торможения капсулы о воздух внутренний контейнер постепенно приближается к переднему концу капсулы, оставаясь все время в состоянии свободного падения. Для реализации описанного метода испытания высота башни должна быть около 300 м, что обеспечивает имитацию невесомости в течение почти 8 с.
Применение ракет и спутников для исследования влияния невесомости позволяет увеличить время проведения научных экспериментов, но значительно удорожает их.
Радиационные воздействия.
Электронные средства, работающие в условиях космоса и на объектах, содержащих радиационные установки, могут подвергаться воздействию радиоактивного излучения. Для измерения поглощенной дозы радиоактивного излучения применяется специальная единица — грей. Грей равен поглощенной дозе радиоактивного излучения, при которой облученному веществу массой 1 кг передается энергия излучения 1 Дж: 1 Гр= 1 Дж/кг.
Воздействие на ЭС радиоактивного излучения приводит к радиационным повреждениям изделий. При этом различают необратимые (остаточные) и обратимые (временные) нарушения.
Необратимые нарушения связаны с изменением структуры применяемых в ЭС материалов и, прежде всего, полупроводниковых. К таким нарушениям относятся: перегруппировка атомов в кристаллической решетке; появление вакансий; междоузельных атомов, дислокаций; внедрение инородных атомов. Обратимые нарушения, например в ИС, наблюдаются при переходе электронов и дырок в неравновесное состояние, которое из-за большой подвижности носителей заряда быстро восстанавливается после прекращения облучения. Тем не менее, и обратимые изменения могут ухудшать параметры ЭС, вызывая увеличение токов утечки и снижение сопротивления изоляционных, полупроводниковых и проводящих материалов технике испытаний под радиационными дефектами обычно понимают только необратимые нарушения.
В зависимости от вида и энергии излучения процессы, приводящие к нарушениям, могут происходить по всему объему применяемого в ЭС материала или только в приповерхностном его слое. Нейтроны и гамма-кванты обладают высокой проникающей способностью, и, поэтому вызываемые ими изменения, как правило, носят объемный характер. Естественно, они могут приводить одновременно и к поверхностным изменениям. Альфа-частицы и осколки ядер вследствие малой длины их пробега в веществе воздействуют только на поверхность. Протоны и электроны (бета-излучение) могут приводить к дефектам как в поверхностном слое, так и в объеме материала, поскольку глубина их проникновения зависит от энергии частиц и возникновения в данном материале вторичных ионизирующих излучений (нейтронов, гамма-квантов и т.д.).
Влияние радиоактивных излучений на электрические свойства полупроводников связано с появлением новых энергетических уровней в запрещенной зоне. Некоторые из них (центры рекомбинации) могут захватывать носители зарядов, в результате чего уменьшается эффективное время жизни последних и заметно ухудшаются основные параметры полупроводниковых приборов и ИС. Интенсивность возникающих при облучении процессов рекомбинации носителей зарядов существенно различна для разных полупроводниковых материалов. Например, на дефектах в кристаллической решетке кремния, облученного нейтронами, рекомбинация в 10 раз активнее, чем на дефектах в облученном германии. Поэтому германий - радиационно более стойкий материал, чем кремний. Как правило, материалы с меньшим удельным электрическим сопротивлением являются радиационно более стойкими.
Наиболее чувствительны к облучению в полупроводниковых приборах р-n-переходы и область базы. Транзисторы с узкой базой выдерживают большую дозу облучения, чем транзисторы с широкой базой, так как эффективность работы транзистора тем выше, чем меньше рекомбинирует при прохождении через базу инжектированных в нее неосновных носителей. Следовательно, высокочастотные транзисторы радиационно более стойкие, чем низкочастотные.
Наряду с нарушениями структуры материалов при облучении происходит также их нагрев (радиационный разогрев) вследствие преобразования поглощенной энергии радиоактивного излучения в тепловую. В связи с этим в ряде случаев целесообразнее использовать в ЭС материалы, менее стойкие к облучению, но более стойкие к воздействию повышенных температур.
Изменение стокозатворной характеристики полевого транзистора с p-n-переходом после радиоактивного облучения его в реакторе потоками быстрых нейтронов показано на рисунке 2, причем кривой с большим порядковым номером соответствует большая энергия излучения. При нулевом напряжении на затворе ширина обедненного слоя у p-n-перехода затвора минимальна, а ток максимален. Максимальный ток в канале транзистора определяется главным образом концентрацией свободных носителей заряда в канале. Поскольку при облучении быстрыми нейтронами
эта концентрация уменьшается, уменьшается и максимальный ток.

Рисунок 2 - изменение стокозатворной характеристики полевого транзистора при облучении его быстрыми нейтронами: 0 — до облучения; 1-4 — после облучения.
Стокозатворная и стоковая характеристики полевых транзисторов с p-n-переходом практически не зависят от поверхностных эффектов, что определяет их высокую стойкость к радиоактивным излучениям. Предельная поглощенная доза для них может составлять 107 Гр.

Рисунок 3 - Схема образования напряженных (НС) и оборванных (ОС) валентных связей между атомами на границе раздела двух материалов с различными кристаллическими решетками.
Изменение параметров МДП-транзисторов в результате воздействия радиоактивного излучения обусловлено главным образом радиационными дефектами в диэлектрике затвора и на границе диэлектрик-полупроводник. Повышенная концентрация дефектов в переходном слое связана с различием в строении и физических свойств полупроводника и диэлектрика. Контактирование двух материалов с различными кристаллическими решетками приводит к возникновению дефектов в виде оборванных и напряженных валентных связей в переходном слое (рисунок 3). При воздействии радиационного излучения на структуру диэлектрик - полупроводник наблюдается увеличение плотности поверхностных состояний и образование пространственного заряда в объеме диэлектрика. Плотность наведенного облучением заряда определяется поглощенной дозой ионизирующего излучения, значением и полярностью приложенного к затвору напряжения, концентрацией ловушек. В пленке диоксида кремния в результате облучения происходит накопление положительного пространственного заряда. Это приводит к изменению поверхностной концентрации носителей заряда, образованию поверхностных проводящих каналов, появлению поверхностного тока утечки и уменьшению пробивного напряжения.
Стойкость резисторов к радиоактивному излучению зависит от технологии их изготовления и исходных материалов. Пленочные металлические резисторы обладают большей радиационной стойкостью, чем углеродистые. В свою очередь, резисторы из чистых металлов имеют большую радиационную стойкость, чем резисторы из сплавов или оксидов металлов. Степень радиационных нарушений в пленочных углеродистых резисторах зависит от вида защитного покрытия. Резисторы, опрессованные в пластмассу, противостоят облучению лучше резисторов с корпусами из керамики, стекла и эпоксидной смолы, причем стойкость резисторов повышается, если вместо воздуха корпуса заполнены внутри азотом или гелием.
Диффузионные резисторы ИС подвержены резкому влиянию радиации. Их стойкость существенно зависит от изоляции элементов ИС. Наименее чувствительны к радиоактивному излучению резисторы, с диэлектрической изоляцией, а наиболее чувствительны — резисторы, изолированные р-n-переходом. Это объясняется тем, что обратно включенные р-n-переходы оказывают шунтирующее действие при радиоактивном излучении, так как обратный ток диодов в результате облучения значительно возрастает. Поэтому в ЭС, эксплуатируемых при повышенном уровне радиации, нежелательно применять ИС с изоляцией элементов при помощи обратносмещенных р-n-переходов.
Радиационная стойкость конденсаторов определяется технологией их изготовления и применяемыми материалами. Как показывает практика, органические диэлектрики почти на порядок более чувствительны к радиоактивным излучениям, чем неорганические. Барьерная емкость закрытого р-n-перехода, часто используемая в качестве конденсатора ИС, очень чувствительна к облучению. При больших дозах облучения эта емкость существенно увеличивает время задержки включения логических ИС, а следовательно, ухудшает их быстродействие. Тонкопленочные структуры типов МДМ и МДП, также используемые в качестве конденсаторов ИС, радиационно более стойки. Наиболее чувствительным параметром тонкопленочных конденсаторов является проводимость диэлектрической пленки, которая при облучении в большинстве случаев увеличивается.
Радиационная стойкость катушек индуктивности определяется в основном степенью повреждения материалов. Катушки индуктивности без сердечника и пленочные спиральные катушки индуктивности наиболее стойки к радиации. За счет радиационного изменения активного сопротивления катушки индуктивности может незначительно измениться только добротность. Однако этот эффект не проявляется при облучении потоками плотностью до 1018 см-2 –с-1 . Индуктивность пленочных спиральных катушек с ферромагнитными пленками при облучении в реакторе или на гамма-установке большими дозами (105 Гр) уменьшается за счет радиационного изменения магнитной проницаемости сердечников. При таких дозах облучения в катушках индуктивности, покрытых защитными лаками или смолами, происходят механические разрушения конструкции катушек и уменьшение сопротивления изоляции.
Источники радиоактивного излучения.
В качестве источников радиоактивного излучения в лабораторных условиях применяют ускорители заряженных частиц и ядерные реакторы. В «классических» ускорителях ускоряющее поле создается внешними радиотехническими устройствами (генераторами). В ускорителях с коллективными методами ускорения заряженных частиц ускоряющее поле создается другими заряженными частицами (электронным пучком, электронным кольцом, плазменными волнами). В линейных ускорителях траектории заряженных частиц близки прямой линии, а в циклических ускорителях частицы под действием ведущего магнитного поля (постоянного или изменяющегося во времени) движутся по орбитам, близким к круговым. В резонансных ускорителях ускорение производится высокочастотным электрическим полем и ускоряемые частицы движутся синхронно в резонанс с изменением поля. В нерезонансных — направление поля за время ускорения не изменяется.
Классификация ускорителей заряженных частиц:
По способу получения ускоряющего поля:
"классические";
с коллективными методами ускорения;
По виду траекторий частиц:
линейные;
циклические;
По типу ускоряемых частиц:
электронные;
протонные;
ионные;
По характеру ускоряющего поля:
резонансные;
нерезонансные (индукционные и высоковольтные).
Увеличение энергии частиц в ускорителях происходит за счет действия на них сил электрического поля Большую кинетическую энергию заряженные частицы могут получать в результате: однократного прохождения ускоряющего зазора, к которому приложена большая разность потенциалов; движения в вихревом электрическом поле; многократного прохождения ускоряющего зазора, к которому приложена сравнительно невысокая разность потенциалов (частицы возвращаются в область ускоряющего зазора поперечным магнитным полем).

Рисунок 4 - Диафрагмированный волновод с бегущей волной: 1 — ускоряемый сгусток электронов; 2 — диафрагмы; штриховыми линиями показано распределение магнитного поля.
В электростатических ускорителях линейного типа ускорение заряженных частиц осуществляется в ускорительной линии.
Ускорительная линия представляет собой вакуумную трубку с расположенными в ее торцах электродами, к которым прикладывается высокая разность потенциалов. Остаточное давление газа в ускорительной трубке должно быть довольно низким, чтобы при работе в ней не возникал газовый разряд. Поскольку при функционировании ускорителя происходит непрерывное газовыделение элементами конструкции трубки и натекание газа из ионного источника, ускорительные трубки работают при непрерывной откачке высокопроизводительными насосами. В качестве источников ионов в настоящее время применяют источники с холодным катодом и источники с высокочастотным разрядом, в которых происходит ионизация газа. Образовавшиеся ионы с помощью специальной системы электродов формируются в пучок, попадают в ускорительную трубку, где приобретают высокую энергию.
Электростатические ускорители нашли широкое применение при проведении радиационных испытаний ЭС для получения энергии заряженных частиц в диапазоне 1...12 МэВ. Кроме того, их используют для инжекции заряженных частиц в другие, более крупные ускорители.
Волноводный ускоритель линейного типа позволяет получить более высокую энергию заряженных частиц, в частности электронов. Ускоряющей системой в нем служит цилиндрический диафрагмированный волновод (рисунок 4).
Циклические ускорители работают на принципе ускорения заряженных частиц, движущихся по окружности под действием магнитного поля. При этом частицы набирают большую конечную энергию благодаря многократному прохождению ими ускоряющего зазора, к которому приложена сравнительно небольшая разность потенциалов. Траектории частиц в циклических ускорителях имеют различную форму (рисунок 5). В современных циклических ускорителях используют постоянные или переменные управляющие магнитные поля.

Рисунок 5 - Идеальная траектория заряженных частиц в некоторых циклических ускорителях:
а — спиральная (циклотрон); б — спиральная (микротрон); в — круговая (бетатрон).
К циклическим ускорителям с постоянным во времени магнитным полем относятся циклотроны, фазотроны (синхроциклотроны) и микротроны.
Циклотрон предназначен для циклического ускорения тяжелых частиц — протонов и ионов. Частота ускоряющего электрического поля в нем постоянна во времени. Движение частиц в циклотроне происходит по спирали, разворачивающейся от центра к периферии вакуумной камеры ускорителя. Ускоряемые частицы дважды за период обращения проходят ускоряющий зазор. Ускоренные частицы выводятся из вакуумной камеры с помощью специального устройства, называемого дифлектором, и далее попадают в вакуумную трубку ионопровода, по которому направляются к месту использования. С помощью циклотрона протонам можно сообщать энерглю 20...25МэВ.
Фазотрон, или синхроциклотрон — циклический резонансный ускоритель тяжелых частиц. Движение частиц в фазотроне, как и в циклотроне, происходит по раскручивающейся спирали. В фазотроне для обеспечения резонанса частота ускоряющего электрического поля изменяется синхронно с изменением частоты обращения частиц. Благодаря этому в данном ускорителе может быть получена значительно большая энергия, чем в циклотроне. Ускоренные частицы выводятся из вакуумной камеры к месту использования аналогично способу, рассмотренному в циклотроне.
К циклическим ускорителям с изменяющимся во времени управляющим магнитным полем относятся бетатрон, синхротрон и синхрофазотрон. Бетатрон — циклический индукционный ускоритель; предназначенный для ускорения бета-частиц, т. е. электронов.

Рисунок 6 - Конструкция бетатрона:
а — к пояснению принципа действия (1 — катушка возбуждения;
2 — инжектор; 3 — мишень); б — конструкция (1 — вакуумная камера;
2 — обмотка возбуждения; 3 — магнитопровод; 4 — полюсные наконечники; 5 — смещающие обмотки)
Частицы, вылетающие из инжектора 2, попадают в переменное магнитное поле Ф, двигаясь в котором по круговой орбите они увеличивают свою энергию под действием вихревого электрического поля. Ускорение электронов при движении по орбите происходит за время нарастания магнитного поля от нуля до максимального значения, т. е. за четверть периода. Направление ускоряющего вихревого электрического поля в течение этого промежутка времени не меняется. За время ускорения электрон успевает сделать огромное (до нескольких миллионов) число оборотов по круговой орбите постоянного радиуса r>o>, так называемой равновесной орбите. Хотя энергия, приобретаемая электроном за один оборот, невелика, конечное значение энергии оказывается очень большим. Ускоренные электроны выводятся на мишень 3.
По принципу действия бетатрон аналогичен обычному трансформатору, поэтому не случайно их конструктивное сходство (рисунок 6,б). Катушка возбуждения соответствует первичной обмотке трансформатора, а роль вторичной обмотки выполняет электронный луч. Число оборотов, совершаемых электронами в процессе ускорения, соответствует числу витков вторичной обмотки. Ускорение электронов осуществляется в вакуумной камере тороидальной формы. По окончании цикла ускорения электроны должны быть смещены с равновесной орбиты для бомбардировки мишени, установленной в вакуумной камере (для бетатронов, предназначенных для генерирования жесткого рентгеновского излучения), или выведены из камеры в атмосферу (для бетатронов, служащих в качестве источников электронов высокой энергии) через выводное устройство (например, дифлектор). Бетатрон может ускорять электроны до энергий 100... 300 МэВ. Однако ввиду громоздкости его конструкции для энергий выше 100 МэВ предпочтительнее использовать синхротрон.
Синхротрон — циклический резонансный ускоритель электронов, ускорение частиц в котором осуществляется высокочастотным электрическим полем постоянной частоты, а управление траекторией их движения в вакуумной камере — переменным магнитным полем. Поскольку в процессе повышения энергии частиц магнитное поле на орбите ускорителя также нарастает, радиус орбиты электронов остается постоянным. Магнитное поле в синхротроне обеспечивает устойчивое движение электронов по орбите постоянного радиуса. Синхротроны позволяют повышать энергию электронов до 5.. 10ГэВ.
Максимальная энергия частиц достигается в синхрофазотронах. Синхрофазотрон — циклический резонансный ускоритель протонов (или ионов), в котором частота ускоряющего электрического поля меняется во времени так, чтобы частицы под действием переменного магнитного поля двигались по орбите с постоянным радиусом, т. е. по равновесной орбите. Конструктивно синхрофазотрон аналогичен синхротрону.
В синхрофазотронах применяют ускоряющие устройства двух типов: объемные резонаторы и дрейфовые трубки. Резонаторы используют для перестройки частоты ускоряющего напряжения в сравнительно небольших пределах. Для регулирования частоты в полости резонатора устанавливают ферритовые кольца, играющие роль дополнительной индуктивности. Регулировку частоты осуществляют изменением намагничивающего тока.
Дрейфовая трубка (рисунок 7,6) состоит из трех цилиндров круглого и эллиптического сечения: длинного (среднего) и двух коротких (крайних). При подаче на трубку высокочастотного напряжения в зазорах между цилиндрами образуются переменные электрические поля, направленные встречно. При указанной на рисунке 7,6 полярности приложенного к электродам напряжения ластица, попавшая в левый зазор, ускоряется и попадает в средний цилиндр. За время ее движения через него полярность электродов меняетсях на противоположную, поэтому в правом зазоре частица также ускоряется. Дрейфовая трубка входит в резонансный контур входного усилительного каскада высокочастотного генератора. Частота ускоряющего напряжения на зазорах дрейфовой трубки регулируется с помощью индуктивности, включенной в резонансный контур. Значение индуктивности, выполненной в виде катушки с ферритовым сердечником, зависит от силы намагничивающего тока.
В настоящее время в эксплуатации находятся синхрофазотроны с энергией частиц до 500 ГэВ (США). Предельная энергия частиц в синхрофазотроне лимитируется себестоимостью ускорителя.

Рисунок 7 - Сечение ускоряющего синхрофазотрона: а — объемный резонатор (1 — изолятор; 2 — корпус резонатора;3 — ферритовые кольца; 4 — вакуумная камера; 5, 6 — коаксиальные кабели); б — дрейфовая трубка.

Рисунок 8 - Гетерогенный ядерный реактор на тепловых нейтронах:
а — схематический разрез(1 — регулирующие стержни; 2 — блок с топливом; 3 — активная зона; 4 — замедлитель нейтронов; 5 — отражатель нейтронов; 6 — защитноеустройство); б — конструкция(1 —нижняя опорная плита; 2 — каналы охлаждения биологической защиты; 3 — тепловыделяющий элемент; 4 — корзина реактора; 5 — автоматически регулирующий стержень; 6 — верхняя опорная плита; 7 — компенсирующий стержень; 8 — стержень аварийной защиты; 9 — тяги системы управления и защиты; 10 — крышка реактора; 11 — трубопровод для выхода теплоносителя; 12 — корпус реактора; 13 — трубопровод для входа теплоносителя; 14 — биологическая защита)
Ядерные реакторы применяют наряду с ускорителями заряженных частиц для испытания ЭС на воздействие радиоактивных излучений. В реакторах происходит управляемая цепная ядерная реакция деления, приводящая к излучению интенсивного потока нейтронов и гамма-излучению. По принципу работы все реакторы делятся на импульсные (развивающие большую мощность при очень малом времени функционирования — 10-5 ...10-2 с) и статические (длительного действия).
Любой ядерный реактор состоит из активной зоны, отражателя, систем регулирования, контроля, охлаждения и биологической защиты. В активной зоне, где находится ядерное топливо, протекает цепная ядерная реакция с выделением энергии, главным образом тепловой. В качестве делящегося вещества в ядерном реакторе применяют природное ядерное топливо — уран, который содержит делящиеся ядра 23 5U, обеспечивающие поддержание цепной реакций; и «сырьевые» ядра 238U, способные захватывать нейтроны и превращаться в новые делящиеся ядра 239Рu, не существующие в природе (вторичное горючее). К вторичному горючему относятся также ядра 233U. Если активная зона кроме ядерного топлива включает замедлитель нейтронов (графит, воду и другие вещества, содержащие легкие ядра), то основная часть делений происходит под действием тепловых нейтронов — ядерный реактор на тепловых нейтронах. Замедлитель позволяет получить нейтроны с низкими энергиями, равными тепловым (около 25-10-4 эВ). Если же замедлителя в активной зоне нет, то основная часть делений вызывается быстрыми нейтронами с энергией, превышающей 10 кэВ, — быстрый реактор.
По конструкции ядерные реакторы делятся на гомогенные и гетерогенные. В гомогенных реакторах ядерное топливо и замедлитель представляют однородную смесь (раствор или суспензию). В гетерогенных ядерное топливо распределено в активной зоне дискретно по блокам, между которыми находится замедлитель нейтронов (рисунок 9,а). В наиболее распространенных ядерных реакторах блоки с ядерным топливом в виде стержней, называемых тепловыделяющими элементами, образуют правильную решетку. Конструкция гетерогенного ядерного реактора на тепловых нейтронах представлена на рисунке 9, б.
Мощность ядерного реактора в основном зависит от возможности быстрого отвода тепла, выделяющегося в активной зоне. Управление реактором, поддержание реакции и мощности на заданном уровне, пуск и остановку производят специальными подвижными управляющими стержнями, изготовленными из материалов, интенсивно поглощающих тепловые нейтроны. Перемещением стержней управляют дистанционно с пульта управления. При небольшом перемещении стержней от положения, соответствующего критическому состоянию реактора, цепной процесс либо развивается, либо затухает, т. е. мощность потока нейтронов в активной зоне можно регулировать. Если стержни ввести глубоко в активную зону, поглощение в них нейтронов будет настолько велико, что цепной процесс станет невозможен.
Испытываемые изделия при помощи манипулятора вводят в активную зону либо через вертикальный канал, разрез которого показан на рисунке 10,б, либо через специально сделанный для этих целей боковой горизонтальный канал.
Основными характеристиками излучения тепловых ядерных реакторов, которыми необходимо располагать при испытании изделий, являются следующие: поток нейтронов в месте расположения испытываемого изделия; энергетическое распределение нейтронов; экспозиционная доза гамма-излучения и ее максимальная мощность; энергетическое распределение гамма-квантов. Для реакторов быстрых частиц, которые могут работать также и в импульсном режиме, к указанным характеристикам добавляются форма и длительность нейтронного импульса и импульса гамма-излучения.

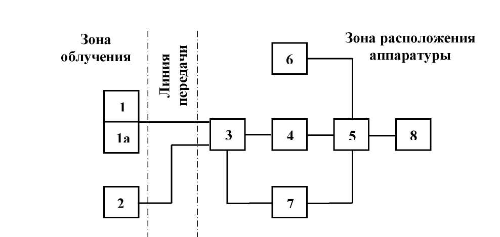
Рисунок 10 - Структурная схема испытательного комплекса:
1 — испытываемые изделия; 1а — дозиметры и датчики температуры; 2 — блок датчиков; 3 — блок коммутации и согласования; 4 — регистрирующая аппаратура; 5 — командный блок; 6 — вспомогательная аппаратура; 7 — блок измерений; 8 — блок питания.
Радиационное испытание ЭС. Испытание проводят с целью проверки работоспособности и сохранения внешнего вида ЭС в соответствии с НТД (требования ТЗ и ТУ) во время и после воздействия радиации. Испытание проводят в электрических режимах, оговоренных в стандартах и программах испытаний, по специально разработанной методике, которая составляется на каждый вид радиоактивного излучения. При выборе контролируемых параметров необходимо исходить из требования получения максимального объема информации и из технологических возможностей методов измерения параметров ЭС в условиях облучения.
Испытательный комплекс, схема одного из возможных вариантов которого приведена на рисунке 10, должен обеспечивать одновременное испытание выбранного числа образцов, дистанционное измерение и регистрацию контролируемых параметров. Состав блоков комплекса и их функции определяются видом испытаний, типом моделирующего источника радиоактивного излучения и характеристиками контролируемого параметра.
Блок датчиков содержит датчик формы импульса гамма-излучения и датчик импульса запуска регистрирующей аппаратуры (электронных осциллографов). Этот блок необходим только при импульсных источниках излучения. В качестве датчика формы импульса служит фотоэлектронный умножитель с фотолюминесцентным кристаллом. Датчик импульса запуска электронных осциллографов вместе с блоком согласования обеспечивают запуск разверток с опережением сигнала реакции ЭС на излучение, что необходимо для качественной записи импульса реакции и его фронта. Опережение определяется временем срабатывания схемы развертки осциллографа и длительностью фронта импульса воздействующего излучения.
Блок коммутации и согласования обеспечивает переключение каналов регистрации параметров ЭС на одно регистрирующее устройство при проведении испытания на статическом ядерном реакторе и временное согласование сигналов от испытываемых изделий и сигналов на запуск регистрирующей аппаратуры при испытании на импульсной моделирующей установке. Командный блок предназначен для программного автоматического или ручного управления работой аппаратуры измерительного комплекса. Вспомогательная аппаратура служит для градуировки осциллографов и проверки измерительных трактов.
Измерение температуры окружающей среды или корпусов изделий следует проводить в случае ожидаемого нарушения температурного режима изделий за счет радиационного разогрева или повышенной температуры в зоне облучения. Датчики и блок измерения, температуры обеспечивают одновременное измерение и регистрацию ее в заданном диапазоне. Они должны быть нечувствительны или малочувствительны к воздействию проникающих излучений. Обычно для этих целей используют термопары.
Организация защиты от радиационных излучений.
При работе с радиоактивными веществами и источниками ионизирующих излучений важное значение имеет правильная организация защиты от радиационных излучений, обеспечивающая безопасность обслуживающей персонала.
Наиболее просто осуществляется защита от альфа- и бета-излучений. Так как длина пробега альфа-частиц испускаемых радиоактивными веществами, в воздухе составляет 8...9 см, то обслуживающему персоналу достаточно находиться на расстоянии 9... 10 см от источника радиоактивного излучения. В случае бета-излучения обслуживающий персонал должен находиться за специальными ширмами (экранами) или в специальных защитных шкафах с толщиной стенок, превышающей максимальный пробег бета-частиц. В качестве защитных материалов используют плексиглас, алюминий или стекло.
Защитные устройства от гамма-излучения и нейтронов представляют собой довольно громоздкие сооружения; толщина применяемых для защиты материалов (бетон, свинец, песок и др.) может достигать нескольких десятков и даже сотен сантиметров (например, для защиты ядерного реактора). Защита должна проектироваться с коэффициентом запаса, равным двум. Поэтому мощность дозы излучения за защитой Р = Д>доп>/(2t), где Д>доп> — предельно допустимая доза, выражаемая в зивертах в неделю (Зв/нед); t — время облучения в неделю.
Входная дверь в помещение, где размещена установка радиоактивного излучения, должна быть обязательно снабжена блокирующим устройством, препятствующим входу при включенной установке. Кроме того, должно быть предусмотрено устройство для принудительного дистанционного перемещения источника излучения в положение хранения в случае аварии. Все манипуляции с источниками гамма- и нейтронного излучения следует производить при помощи длинных захватов и держателей.
Необходимо периодически производить контроль эффективности защиты по дозиметрическим приборам, так как с течением времени она может частично утратить свои защитные свойства вследствие нарушения целостности (появления микротрещин в бетонных ограждениях, вмятин, разрывов свинцовых листов и т.д.).
Изделия, подвергшиеся облучению, в зависимости от степени его активности и необходимости последующего анализа должны быть либо перегружены в места, предусмотренные для выдержки образцов после облучения, либо разрушены в установленном порядке.
Литература:
Глудкин О.П. Методы и устройства испытания РЭС и ЭВС. – М.: Высш. школа., 2001 – 335 с.
Испытания радиоэлектронной, электронно-вычислительной аппаратуры и испытательное оборудование / под ред. А.И. Коробова М.: Радио и связь, 2002 – 272 с.
Млицкий В.Д., Беглария В.Х., Дубицкий Л.Г. Испытание аппаратуры и средства измерений на воздействие внешних факторов. М.: Машиностроение, 2003 – 567 с
Национальная система сертификации Республики Беларусь. Мн.: Госстандарт, 2007
Федоров В., Сергеев Н., Кондрашин А. Контроль и испытания в проектировании и производстве радиоэлектронных средств – Техносфера, 2005. – 504 с.