Исследование полупроводниковых приборов
Министерство образования и науки Российской Федерации
Федеральное агентство по образованию
Южно-Уральский государственный университет
Кафедра электропривода и автоматизации
Промышленных установок
621.389(07)
С197
Н.М. Сапрунова
Исследование полупроводниковых приборов
Учебное пособие к лабораторным работам
Челябинск
Издательство ЮУрГУ
2006
УДК621.389(07)+621.382.2.(07)
Сапрунова Н.М. Исследование полупроводниковых приборов: Учебное пособие к лабораторным работам. – Челябинск: Изд. ЮУрГУ, 2006. – 73 с.
Учебное пособие предназначено для студентов всех электротехнических специальностей энергетического факультета.
Учебное пособие содержит описание и методику проведения лабораторных работ по информационной электронике. Лабораторные работы состоят из двух циклов: полупроводниковые приборы и микроэлектроника.
Ил.78, табл.13, список лит. – 4 назв.
Одобрено учебно-методической комиссией энергетического факультета.
Рецензенты: Сарваров А.С., Мартынов В.П.
ISBN 5-696- © Издательство ЮУрГУ, 2006
Введение
Учебное пособие содержит лабораторные работы, выполняемые студентами при изучении курсов "Физические основы электроники", "Промышленная электроника", "Преобразовательная техника" и других курсов с близкими названиями. Оно предназначено для студентов всех электротехнических специальностей энергетического факультета.
Основная задача данного цикла лабораторных работ – научить студентов работать с электронными приборами и интегральными схемами и закрепить изученный материал. Все работы разбиты на 2 цикла: осциллограф и полупроводниковые приборы и микроэлектроника.
Для более глубокого изучения материала студенты дома до выполнения лабораторной работы производят предварительные расчеты и построения. Каждый студент получает индивидуальное задание. Лабораторная работа в значительной степени является проверкой предварительно выполненного задания. При отсутствии домашнего задания выполнение лабораторной работы нецелесообразно.
Для проверки знаний студентов перед лабораторной работой проводится коллоквиум на основе контрольных вопросов, помещенных в пособии.
Особое внимание при выполнении лабораторных работ уделяется развитию навыков работы с электронным осциллографом.
После выполнения лабораторной работы студенты составляют индивидуальные отчеты. Отчеты содержат как результаты проверки индивидуальных заданий, так и результаты общих экспериментальных исследований.
Общие рекомендации к выполнению лабораторных работ
Порядок выполнения работ
Перед выполнением работ все студенты должны изучить правила техники безопасности применительно к лаборатории промышленной электроники, для чего преподавателем проводится инструктаж. Краткий инструктаж проводится также на каждом занятии.
При подготовке к лабораторной работе необходимо:
ознакомиться с ее содержанием и, пользуясь рекомендованной литературой и конспектом лекций, изучить теоретические положения, на которых базируется работа;
выполнить предварительные расчеты и построения, указанные в задании для своего варианта;
изучить схему лабораторной установки и продумать методику выполнения лабораторной работы;
ответить на контрольные вопросы.
Перед выполнением каждой лабораторной работы необходимо сдать коллоквиум и представить отчет по предыдущей работе. Вопросы коллоквиума составлены на основе контрольных вопросов пособия
При выполнении лабораторной работы необходимо:
ознакомиться с рабочим местом, проверить наличие необходимых приборов и соединительных проводов;
проверить положение стрелок электроизмерительных приборов и если требуется, установить на нуль; приборы с несколькими пределами измерения включить на наибольший предел;
произвести сборку схемы;
после разрешения преподавателя включить питание и приступить к выполнению работы;
в начале каждого опыта, изменяя напряжения и токи в допустимых пределах, качественно оценить характер зависимости, а затем произвести требуемые измерения. При снятии характеристик надо обязательно снять крайние точки. Наибольшее число измерений следует производить на участках резкого изменения наклона характеристик, а на линейных участках независимо от их протяженности достаточно снимать по три точки. Характеристики строятся непосредственно во время проведения эксперимента;
в ходе работы и по ее окончанию полученные данные представлять на проверку преподавателю;
схему разбирать только после проверки преподавателем результатов опыта (перед разборкой не забудьте выключить источник питания);
по окончании работы привести в порядок рабочее место.
Оформление отчетов по лабораторным работам
В отчете должна быть сформулирована цель проведенной работы и представлены следующие материалы:
схемы экспериментов;
расчет заданного варианта;
рассчитанные характеристики и подтверждающие их экспериментальные характеристики, построенные в одних осях координат;
сравнительные таблицы экспериментальных и расчетных данных;
все остальные экспериментальные характеристики;
обработанные осциллограммы;
выводы (анализ экспериментальных данных, вида кривых, причин погрешностей и т.д.).
Отчет оформляется чернилами или шариковой ручкой. Схемы вычерчиваются карандашом. Графики строятся на листах миллиметровой бумаги карандашом и вклеиваются в отчет. Отчет может быть напечатан на принтере.
Опытные точки могут иметь разброс. Экспериментальные кривые проводят плавно, максимально приближая к экспериментальным точкам. На графиках приводят название, обозначают, к какому опыту они относятся, и указывают постоянные величины, определяющие условия опыта. На осях координат надо обязательно указать, какая величина по ним отложена, в каких единицах она измеряется, и нанести деления. Цена деления должна быть удобной для работы.
Работа №1
Изучение электронного осциллографа
Цель работы
Освоение измерений напряжения, тока электронным осциллографом; определение масштабов напряжения, тока, времени.
Теоретическая часть
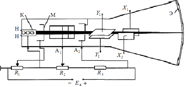
Электронный осциллограф предназначен для записи или наблюдения на экране электронно-лучевой трубки изменений электрических сигналов во времени, а также для измерения различных электрических величин. Структурная схема осциллографа приведена на рис.1.

Рис.1. Структурная схема осциллографа
Основным блоком осциллографа является электронная лучевая трубка (ЭЛТ). Катод К в трубке служит источником электронов. Электроны собираются в узкий луч при помощи электрического или магнитного поля специальных электродов или катушек с током. Электронный луч фокусируется на экране, который образуется внутренней стороной стеклянного баллона трубки, покрытой люминофором. Схематическое устройство ЭЛТ с электростатическим управлением приведено на рис.2.
Металлический катод К, подогреваемый током металлической нити Н, имеет форму стакана. Катод охвачен полым цилиндрическим модулятором М с отверстием на оси. Модулятор имеет отрицательный потенциал относительно катода, который регулируется потенциометром R>1>. Чем меньше напряжение модулятора, тем меньше плотность электронного потока, проходящего через модулятор и, следовательно, тем меньше яркость изображения на экране.
Электроны, прошедшие через модулятор, попадают в электрическое поле первого А>1> и второго А>2> анодов, имеющих вид полых металлических цилиндров. Анодам сообщаются высокие положительные потенциалы от источника питания через делитель R>1>–R>2>–R>3>. Регулировкой потенциала первого анода с помощью потенциометра R>2> добиваются точной фокусировки пучка электронов на поверхности экрана.
Для управления положением светящегося пятна на экране применяются отклоняющие пластины X и Y, которые расположены взаимно перпендикулярно. При изменении разности потенциалов между Y>1> и Y>2>, а также X>1> и Х>2> изменяется положение электронного луча на экране благодаря воздействию электростатических полей отклоняющих пластин на электроны. Разность потенциалов между пластинами Х определяет положение луча по горизонтали, а разность потенциалов между пластинами Y – положение луча по вертикали.
Канал вертикального отклонения луча содержит входное устройство и широкополосный усилитель (усилитель Y). Входное устройство содержит делитель напряжения, который позволяет регулировать чувствительность канала Y, кроме того, в него входит устройство задержки сигнала. Задержка сигнала вводится для того, чтобы напряжение развертки луча поступило на горизонтально отклоняющие пластины ЭЛТ с опережением относительно сигнала, что позволяет наблюдать на экране начало процесса.
На выходе усилителя Y создается напряжение, пропорциональное входному сигналу и вызывающее вертикальное отклонение луча. Усилитель обеспечивает чувствительность канала Y в пределах до 2500 мм/В при сравнительно низкой чувствительности ЭЛТ в пределах 0,1…0,4 мм/В.
Канал горизонтального отклонения луча состоит из входного устройства, усилителя канала синхронизации, генератора развертки и усилителя горизонтального отклонения (усилитель X). Входное устройство канала Х не имеет устройства задержки сигнала. Генератор развертки создает линейно изменяющееся напряжение, которое через усилитель Х поступает на горизонтально отклоняющие пластины ЭЛТ.

Рис.2. Схематическое изображение электронно-лучевой трубки
Сигналы от входного устройства Y или Х поступают на генератор развертки через усилитель синхронизации. С помощью переключателя П>2> генератор развертки может быть исключен из канала X. Тогда на горизонтально отклоняющие пластины подается напряжение, пропорциональное сигналу на входе X.
Пусть осциллограф работает в режиме развертки, для которого на схеме показано положение переключателей П>1>–П>3>. Если на входе Y сигнал отсутствует, то линейно изменяющееся напряжение генератора развертки смещает электронный луч по экрану ЭЛТ слева направо с постоянной скоростью. При этом на экране получатся прямая. По окончании действия напряжения, генератора развертки луч возвращается в исходное положение в левой части экрана. После этого процесс повторяется. Смещение X луча по горизонтали пропорционально времени t.
Пусть на входе Y появляется напряжение u(t). Благодаря напряжению генератора развертки на экране будет наблюдаться развертка исследуемого напряжения во времени. Для получения устойчивого изображения необходимо синхронизировать напряжение генератора развертки с исследуемым сигналом. Допустим, что напряжение сигнала u(t) изменяется во времени по синусоидальному закону, период Т>С> которого отличается от периода напряжения развертки Т>Р> (рис.3). В этом случае по окончании периода развертки луч не вернется в исходное положение, т.к. u(t>1>) не вернулось в нулевое значение. Второму периоду развертки будет соответствовать кривая 2, смещенная на экране относительно кривой 1 на величину ∆T = Т>С >– Т>Р>, и т.д. На экране наблюдается «бегущая синусоида».

Для получения устойчивого изображения необходимо выполнить соотношение Т>Р >= nТ>С>, где n – целое число. Если n = 1, то на экране наблюдается один период исследуемого сигнала; при n = 2, 3,... на экране наблюдается два, три, и т.д. периодов сигнала.
Существует три вида синхронизации: от сети; внутренняя; внешняя. Синхронизация от сети применяется в том случае, если исследуются сигналы токов и напряжений, равные или кратные частоте сети 50 Гц. Такие сигналы действуют в выпрямителях, инверторах, ведомых сетью, непосредственных преобразователях частоты и др.
При внутренней синхронизации входное устройство входа Y запускает усилитель канала синхронизации, который вырабатывает короткие импульсы с частотой исследуемого сигнала. Полученные импульсы поступают на генератор развертки, который генерирует импульсы с частотой, равной или кратной частоте сигнала. При внешней синхронизации переключатель П>5> находится в положении 2, и запуск генератора развертки производится внешним сигналом.
С помощью переключателя П>1> генератор развертки может быть исключен из канала X. Тогда на горизонтально отклоняющие пластины можно подать напряжение, пропорциональное сигналу на входе X. На входе Х отсутствует делитель напряжения, поэтому чувствительность канала не регулируется и масштаб напряжения определяется по эталонному сигналу. Например, эталонный сигнал с амплитудой 1 В отклоняется по оси х на расстояние 1,5 см, масштаб напряжения определяется отношением 1 В/1,5 см = 0,66 В/см.
Экспериментальная часть
Проведение измерения напряжений при помощи вертикального входа Y.
Установить род работы «
»,
замерить напряжение источника питания:
+15 В, +27 В, +6,3 В, –6,3 В, +9 В, –9 В. При этом
пользоваться разными положениями
делителя напряжения на вертикальном
входе. Тумблер «Усилитель Y»
поставить в положение «х10». Прямая
измеряемого напряжения не должна
выходить за пределы экрана. Результаты
измерения занести в таблицу, например,
при измерении напряжения +15 В. Зарисовать
осциллограммы напряжений.
Таблица 1 – Варианты измерения постоянных напряжений
|
Масштаб на входе Y |
20 В/см |
10 В/см |
5 В/см |
|
Величина отклонения, см |
0,7 |
1,5 |
3,0 |
|
Величина напряжения, В |
14 |
15 |
15 |
|
Относительная погрешность |
6,6% |
0 |
0 |
Проведение измерения напряжений при помощи вертикального входа Y и внешнего делителя напряжений
Установить род работы «
».
Замерить те же значения напряжений,
используя делитель напряжения с
коэффициентом делителя К>д>
= 4. Результаты измерения занести в
таблицу.
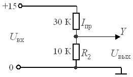
Делитель напряжения (рис.4.) представляет собой цепь из двух последовательно включенных резисторов. Цепь подключается к источнику напряжения. С одного из плеч снимается выходное напряжение, которое получается меньше входного, т.е. ослабляется.

Рис.4. Делитель напряжения
Измерение переменного напряжения
Установить род работы «~».
Убедиться в том, что в этом положении
нельзя замерить постоянное напряжение.
Подключить переменное напряжение «12
В». Определить амплитуду и действующее
значение переменного напряжения >
>.
Зарисовать осциллограмму напряжения
в разных масштабах генератора развертки.
Определить масштаб времени. Проверить
влияние рода синхронизации на изображение
сигнала: «
»,
«~», «сеть», «внутренняя», «внешняя».
Сделать выводы о влиянии синхронизации
на устойчивость изображения.
Измерение эталонного сигнала
На вертикальный вход подключить эталонный сигнал с гнезда «кГц». Замерить его амплитуду в масштабах 1 В/дел и 0,5 В/дел. Определить масштаб времени и период следования импульсов.
Измерение сигналов при помощи горизонтального входа
Переключатель «Развертка» поставить в положение «Х». При этом генератор развертки отключается от входа «Х» и на экране появляется точка. Подать на вход «Х» сигнал от гнезда «2 кГц». Определить масштаб по напряжению. Снять осциллограмму.
Далее при помощи делителя напряжения измерить переменное напряжение источника питания. Схема подключения приведена на рис.5.

Рис.5. Подключение делителя к источнику переменного напряжения
Оформление отчета.
При оформлении отчета представить таблицы измерений и осциллограммы напряжений. Сделать выводы по каждому пункту.
Контрольные вопросы
Как осуществляется фокусировка электронного луча на экране?
Как получить отклонение луча по вертикали?
Как измерить сигнал по входу X?
Для чего применяется генератор развертки?
Как синхронизировать сигнал, если его частота равна 150 Гц?
Для чего применяется внутренняя синхронизация?
Какой род работы необходимо установить, если должна фиксироваться нулевая линия?
Чем отличается внешняя синхронизация от внутренней?
Как расширить пределы измерения сигнала по оси Y или X?
Работа №2
Исследование выпрямительного и туннельного диодов
Цель работы
Изучение характеристик и параметров выпрямительных и туннельных диодов.
Теоретическая часть
Формирование электронно-дырочного перехода.
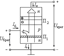
Плоскостные выпрямительные диоды основаны на плоскостном контакте слоев полупроводников с разным типом проводимости. Структура полупроводников n- и р-типа приведена на рис.1, где n-слой с электронной проводимостью, а p-слой с дырочной проводимостью.

Рис.1. Структура полупроводников с электронной и дырочной проводимостью
При соединении слоев происходит диффузия электронов из n-слоя в p-слой. Принимается условие, что концентрация электронов в n-слое больше концентрации дырок в p-слое. После диффузии электронов у границы n-слоя остается неподвижный положительный заряд ионов примеси (донора). В p-слое электроны рекомбинируют с дырками, в результате чего у границы p-слоя возникает неподвижный отрицательный заряд ионов примеси (акцептора). Область неподвижных зарядов ионов примеси в основном составляет p-n-переход (рис.2).

Переход
получается в единой пластине полупроводника,
в которой получена резкая граница между
слоями n
и р. Резкость границы играет основную
роль для образования p-n-перехода,
т.к. плавный переход не обладает
вентильными свойствами, на которых
основана работа диодов и транзисторов.
Граница между слоями является резкой, если выполняется неравенство:
>
>, (1)
где >
>
– градиент концентрации примеси на
границе перехода,
l>i> – глубина проникновения электрического поля в кристалл,
n>i> – собственная концентрация электронов.
Например, для значений n>i>
= 1013 зар/см3
и l>i> = 1,5 мкм
условие (1) выполняется при >
>
зар/см4.
Согласно условию (1) концентрация примеси
в переходе должна существенно изменяться
на отрезке, меньшем l>i>.
Переходы, в которых наблюдается
скачкообразное изменение концентрации
на границе слоев >
>,
называются ступенчатыми. Ступенчатые
переходы хорошо воспроизводят параметры
и характеристики реальных структур и
проще для анализа.

Рис.2. Структура несимметричного ступенчатого p-n-перехода и потенциальный барьер p-n-перехода
По соотношению концентраций основных носителей в слоях n и р переходы делятся на симметричные и несимметричные: n>n>@p>p> и n>n>>>p>p> или p>p>>>n>n>, где n>n> – концентрация электронов в области n, p>p> – концентрация дырок в области р. Практическое применение находят несимметричные переходы, у которых различие в концентрациях составляет до 100 – 1000 раз.
Заряды p-n-перехода образуются не только за счет ионов примесей, но и за счет некоторого числа носителей, поступивших из соседнего слоя. Количество свободных носителей невелико. В рассматриваемом случае концентрация доноров значительно выше концентрации акцепторов, в то же время полные заряды в обеих частях перехода одинаковы, поэтому область отрицательного заряда в р-слое будет гораздо шире, чем область положительного заряда в n-слое. Следовательно, несимметричный переход сосредоточен в основном в высокоомном слое.
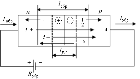
Заряды p-n-перехода создают внутреннее поле, которое препятствует перемещению основных носителей 1 и 2. Под действием внутреннего поля перемещаются неосновные носители 3 и 4, которые создают ток дрейфа. Внутреннее поле создает на границе слоев потенциальный барьер, который принято изображать для электронов. Для перехода электрона 1 из n-слоя в p-слой электрону необходимо сообщить потенциал j>pn>,> >который для кремниевых p-n-переходов составляет величину 0,6–0,7 В, а для германиевых – 0,2–0,3 В. При отсутствии внешнего напряжения через переход протекают токи диффузии и дрейфа, которые равны по величине. Ширина p-n-перехода зависит от материала полупроводника, концентрации электронов и дырок, температуры.
Подключение p-n-перехода к внешнему напряжению.
Подключение внешнего напряжения позволяет изменить ширину p-n-перехода и высоту потенциального барьера. Различают прямое и обратное включение p-n-перехода. Схема прямого включения приведена на рис.3. Источник Е>пр >действует встречно внутреннему полю, поэтому уменьшаются ширина p-n-перехода и высота потенциального барьера. Основные носители электроны получают возможность для диффузии из n-слоя в p-слой.

Рис.3. Прямое включение p-n-перехода
Пусть электроны 1, 2, 3 совершают диффузию в p-слой, который на мгновение теряет электрическую нейтральность, приобретая избыточный отрицательный заряд. Между p-слоем и его выводом возникает электрическое поле, которое выбрасывает во внешнюю цепь электроны 4, 5, 6 из ближайших орбит парно-электронных связей полупроводника p-типа. Далее электроны 1¢, 2¢, 3¢ начинают диффузионное перемещение по дыркам вправо к правому контакту.
Во время диффузии электронов 1, 2, 3 n-слой также теряет электрическую нейтральность, приобретая избыточный положительный заряд. Между n-слоем и его выводом возникает электрическое поле, которое втягивает из внешней цепи электроны 7, 8, 9. В результате у левого и правого контакта, а также через структуру протекает прямой ток. Величина прямого тока определяется площадью p-n-перехода и зависит от приложенного прямого напряжения и ограничивающего сопротивления.

Рис.4. Обратное включение p-n-перехода
Схема обратного включения p-n-перехода приведена на рис.4. Под действием обратного напряжения происходит отток основных носителей 1 и 2 от границ перехода, поэтому p-n-переход расширяется. Для основных носителей создается сильное тормозящее поле, поэтому диффузия носителей невозможна. Поле, действующее на переходе, является ускоряющим для неосновных носителей, поэтому происходит дрейф носителей. Ток дрейфа имеет три составляющие: ток термогенерации, тепловой ток, ток утечки.
Ток термогенерации создается неосновными носителями 5 и 6, которые генерированы в области перехода, и зависит от температуры I>тг>(Т) = I>тг>(Т>0>)×еaDТ, где Т>0> – начальное значение температуры (250С); Т – текущее значение температуры; DТ – изменение температуры; a – температурный коэффициент. Ток термогенерации преобладает у кремниевых диодов, которые имеют бóльшую ширину p-n-перехода по сравнению с германиевыми диодами.
Тепловой ток создается неосновными носителями 3 и 4, которые генерированы в слоях полупроводника, прилегающих к переходу. Тепловой ток преобладает у германиевых p-n-переходов. Он зависит от температуры I>т>(Т) = I>т>(Т>0>)×еaDТ. Существует эмпирическое правило для оценки токов, зависящих от температуры: при возрастании температуры на 100С обратный ток возрастает в 2 раза.
Ток утечки создается неосновными носителями, которые генерируются на поверхности слоев. Этот ток не зависит от температуры, т.к. определяется состоянием поверхности кристалла полупроводника. Основной особенностью тока утечки является нестабильность во времени, которая называется ползучестью.
Суммарное значение тока неосновных носителей при температуре до 400С много меньше тока диффузии: I>пр>/I>обр> = 104 – 105. Из этого соотношения следует, что несимметричный ступенчатый p-n-переход обладает вентильными свойствами.
Вольтамперная характеристика p-n-перехода.
Вольтамперная характеристика p-n-перехода приведена на рис.5, где прямая и обратная ветви изображены в разных масштабах. Участки прямой характеристики: 0–А, А–В, В–С. На участке 0–А прямой ток не протекает из-за тормозящего действия потенциального барьера на p-n-переходе. На участке А–В ток возрастает, т.к. часть электронов преодолевает потенциальный барьер. На участке А–В изменение тока носит нелинейный характер. На участке В–С действие потенциального барьера незначительное, т.к. большая часть электронов имеет энергию достаточную для диффузии из n-слоя в p. Участок В–С является линейным и рабочим для p-n-перехода. На нем при незначительном увеличении напряжения ток резко возрастает. Рассмотренный закон изменения прямого тока связан с различными скоростями электронов, а именно, число электронов с большими скоростями мало, а с малыми скоростями – велико.

Рис.5. Вольтамперная характеристика ступенчатого p-n-перехода


На участке 0–D
обратный ток резко возрастает при
незначительном увеличении обратного
напряжения. Это связано с тем, что при
заданной температуре в структуре
образуются тепловой ток и ток
термогенерации. На участке D–E
при значительном увеличении напряжения
происходит незначительное увеличение
тока. Этот участок носит приблизительно
линейный характер, т.к. ток термогенерации
зависит от обратного напряжения по
закону I>тг>º>
>,
а ток утечки пропорционален обратному
напряжению. В точке Е происходит пробой
p-n-перехода.
Если материал полупроводника – кремний,
то в точке Е происходит резкий переход
на участок пробоя.
При спрямлении рабочего участка В–С на оси напряжений определяется пороговое напряжение U>пор> (рис.6). Величина этого напряжения зависит от материала полупроводника и составляет величину 0,2–0,6 В.
Величина рабочего напряжения, которое прикладывается к переходу, составляет десятки и сотни вольт, поэтому имеет смысл рассмотреть вольтамперную характеристику в одинаковых масштабах для напряжения и для тока. При этом прямая вольтамперная характеристика сливается с осью тока (рис.7). На рис.7 масштабы по току и напряжению одинаковые для прямого и обратного включения. Обратная ветвь сливается с осью напряжений до участка пробоя. Итак, согласно рис.7, вольтамперная характеристика несимметричного ступенчатого p-n-перехода представляет собой характеристику идеального вентиля, а p-n-переход применяется в выпрямительных диодах.
Диффузия электронов при прямом включении носит характер впрыскивания, или инжекции. Инжектирующий слой, имеющий относительно малое удельное сопротивление, называется эмиттером. В рассмотренном примере эмиттер – n-слой. Эмиттер имеет малое удельное сопротивление из-за повышенной концентрации основных носителей по сравнению с p-слоем. Второй слой, в который происходит инжекция, называется базой. База имеет относительно большое удельное сопротивление из-за пониженной концентрации примесей по сравнению с эмиттером.
В слове диод «ди» означает наличие двух выводов или двух электродов полупроводникового прибора. Разновидности диодов:
плоскостные выпрямительные;
точечные выпрямительные;
диоды Шоттки;
туннельные диоды;
полупроводниковые стабилитроны;
варикапы.
Параметры выпрямительных диодов.
Плоскостные выпрямительные диоды различаются по мощности и диапазону частот. По мощности они делятся на три группы: маломощные, средней мощности, большой мощности. Маломощные диоды имеют предельный ток I>п> = 10–100 мА, диоды средней мощности – I>п> = 0,1–10 А, большой мощности – I>п> ³ 10 А. Чем больше предельный ток, тем меньше граничная частота работы диода. Например, диод с предельным током 500 А имеет граничную частоту работы 600 Гц. Маломощные диоды имеют граничную частоту в пределах десятков, сотен килогерц.
Полупроводниковые диоды имеют два вида параметров: характеризующие параметры и предельные. Характеризующие параметры определяют значения электрических, тепловых и механических величин в заданной точке вольтамперной характеристики.
Основные характеризующие параметры диода.
R – сопротивление постоянному
току, которое определяется как для
прямой, так и для обратной ветви: R
= >
>.
R>i>
– дифференциальное сопротивление,
которое называется еще внутренним, или
динамическим: R>i>
= >
>.
Оно определяется для линейного рабочего
участка прямой ветви: R>i>
= >
>
(рис.6).
U>пор> – пороговое напряжение, которое определяется по спрямленному линейному участку (рис. 6).
Р – мощность, рассеиваемая на
переходе, >
>.
Мощность Р нагревает переход, а тепло
рассеивается в окружающую среду.
R>t>
– тепловое сопротивление, которое
определяет способность диода рассеивать
тепло, выделяемое на переходе. Значение
установившегося теплового сопротивления
переход-среда равно: R>t>>
пс уст> = >
>
≠ [град/Вт].
u>пр> – прямое падение напряжения; представляет собой мгновенное значение напряжения для значения прямого тока: I>пр> = (2¸3)I>пред>.
U>проб> – обратное напряжение, при котором диод теряет вентильные свойства.
Предельные параметры диода.
I>пред> – предельный ток – это максимально допустимое среднее значение тока в однополупериодной схеме выпрямления однофазного тока. Его значение зависит от типа охладителя и скорости охлаждающего воздуха или воды. По значению тока различают диоды малой, средней и большой мощности. К мощным диодам относятся диоды с током I>пред> ³ 10 А.
U>п> – повторяющееся напряжение – это максимально допустимое импульсное напряжение, которое прикладывается к диоду в обратном направлении. По значению U>п> определяется класс вентиля (класс = U>п>/100). Выпрямительные диоды выполняются от 1 до 22 класса. Класс вентиля берется по импульсному напряжению, т.к. нагрузка выпрямителя носит индуктивный характер, а прерывание тока в индуктивности создает перенапряжение, которое складывается с синусоидальным напряжением.
U>неп> – неповторяющееся напряжение – это максимально допустимое импульсное напряжение, которое прикладывается однократно к вентилю в аварийной ситуации. Повторное приложение напряжения U>неп> снижает класс вентиля. Для вентиля большой мощности U>неп> @ U>п>+200 В.
I>уд> – ударный ток, который определяется для вентилей большой мощности – это максимально допустимая амплитуда одной полуволны, имеющей длительность 10 миллисекунд (рис. 8).

Рис.8. Ударный ток
[q>pn>] – максимально допустимая температура p-n-перехода, которая для кремниевых диодов составляет величину 120 – 1250 С.
Р>доп> – максимально допустимая мощность, рассеиваемая на переходе.

Рис.9. Кривая максимально допустимой мощности рассеивания
Мощность Р>доп> рассеивается при максимально допустимой температуре p-n-перехода: Р>доп> = ([q>pn>] – Т>окр>)/R>t> [Вт], где Т>окр> – температура окружающей среды. Построение линии Р>доп> = 1 Вт для диода с предельным током 10 А показано на рис.9. Для построения кривой составляется таблица 1. В ней задается значение тока, по которому вычисляется значение напряжения U = Р>доп>/I.
Таблица 1 – Значения тока и напряжения для P>доп> = 1 Вт
-
I, А
1,0
2,0
5,0
10
U, В
1,0
0,5
0,2
0,1
Схема замещения диода
0100090000030202000002008a01000000008a01000026060f000a03574d464301000000000001007bdf0000000001000000e802000000000000e8020000010000006c0000000000000000000000ffffffffffffffff00000000000000006e350000a213000020454d4600000100e80200000e000000020000000000000000000000000000007f120000771a0000c80000001f010000000000000000000000000000000f030058600400160000000c000000180000000a00000010000000000000000000000009000000100000009f0c0000a4040000250000000c0000000e000080120000000c000000010000005200000070010000010000009cffffff00000000000000000000000090010000000000cc04400012540069006d006500730020004e0065007700200052006f006d0061006e00000000000000000000000000000000000000000000000000000000000000000000000000000000000000000000000000000000000000000000000000000000000000000000000000000000000000000000000000000000000000000000000000000000000000000000000000000000000000000000000000000000000000000000000000000000000000000000000000000000000000122d093000000000040000000000ae304f2d09300000000047169001cc0002020603050405020304877a0020000000800800000000000000ff01000000000000540069006d00650073002000000065007700200052006f006d0061006e00000000000000c62b093050cbae30003314000100000000000000044811006ab40230044811004c4eaf301c4811006476000800000000250000000c00000001000000180000000c0000000000000254000000540000000000000000000000ffffffffffffffff01000000e7298740a48e874000000000fe040000010000004c0000000400000000000000000000009f0c0000a404000050000000200000002d00000046000000280000001c0000004744494302000000ffffffffffffffffa00c0000a4040000000000004600000014000000080000004744494303000000250000000c0000000e0000800e000000140000000000000010000000140000000400000003010800050000000b0200000000050000000c02ac00d301040000002e0118001c000000fb020200010000000000bc02000000cc0102022253797374656d0000000000000000000000000000000000000000000000000000040000002d01000004000000020101001c000000fb02f2ff0000000000009001000000cc0440001254696d6573204e657720526f6d616e0000000000000000000000000000000000040000002d010100050000000902000000020d000000320ab90000000100040000000000d201ac0020020600040000002d010000030000000000.
Схема замещения диода приведена на рис.10, где r>э> и r>б> – омические сопротивления слоев эмиттера и базы;
r>pn>
– дифференциальное сопротивление
p-n-перехода.
Омические сопротивления слоев определяются
известным выражением: >
>.
Дифференциальное сопротивление
r>pn>>
>определяется выражением >
>.
В прямом направлении r>pn>>
>очень мало, поэтому внутреннее
сопротивление диода определяется
сопротивлением базы: R>i>
@ r>б>.
В обратном направлении омические
сопротивления слоев много меньше r>pn>>,
>поэтому R>обр> @
r>pn>.
Одноименная область зарядов на p-n-переходе представляет собой диэлектрик, а прилегающие слои полупроводников – обкладки конденсатора, поэтому в схеме замещения появляется емкость p-n-перехода. Различают барьерную и диффузионную емкости.
Барьерная определяется для обратного включения диода. Она зависит от распределения зарядов в p-n-переходе, которое, в свою очередь, зависит от обратного напряжения U>обр>. Зависимость барьерной емкости от обратного напряжения приведена на рис.11. В общем случае характеристика носит нелинейный характер, но можно выделить на ней линейный участок. С увеличением обратного напряжения емкость С>pn> уменьшается. Изменение емкости p-n-перехода используется в диодах – варикапах.

Рис.11. Зависимость барьерной емкости от напряжения и условное обозначение варикапа
Диффузионная емкость определяется для прямого включения диода. Она зависит от распределения зарядов в базе, т.к. ширина перехода становится очень малой. Распределение зарядов в базе зависит от прямого тока.
Емкость С>pn> влияет на скорость изменения концентрации основных носителей, когда в схеме действуют высокочастотные сигналы или прямоугольные импульсы, поэтому, как параметр, емкость С>pn> используется при расчете переходных процессов. Для уменьшения влияния С>pn> необходимо иметь меньшее значение емкости.
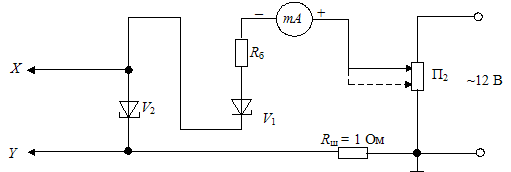
Экспериментальная часть
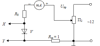
Снятие вольтамперной характеристики кремниевого диода D226 методом амперметра-вольтметра
Резистор R>б> (балластный) служит для ограничения тока, шунт R>ш> – для снятия осциллограммы тока, потенциометр П>2> – для регулирования питающего напряжения. Снять зависимость тока диода от напряжения на нем I>а> = F(U>a>). Данные занести в таблицу 2.
Таблица 2 – Примерные значения тока и напряжения диода
-
I>а>, мА
0
5
10
30
U>a>, В
0-0,60
0,70
0,75
0,78
При изменении полярности питающего напряжения необходимо изменить подключение миллиамперметра и вольтметра.
Построить вольтамперную характеристику. Определить по ней пороговое напряжение, дифференциальное сопротивление, обратный ток, прямое падение напряжения при токе 30 мА. Определение параметров показано на рис.13.

Рис.13. Определение параметров диода по вольтамперной характеристике
Снятие вольтамперной характеристики выпрямительных диодов при помощи осциллографа
Собрать схему, приведенную на рис.14.

Рис.14. Схема для снятия вольтамперной характеристики диода при помощи осциллографа: Х – горизонтальный вход осциллографа, Y – вертикальный вход
Зарисовать вольтамперные характеристики диодов: кремниевого типа D226 и германиевого типа D7А. Для каждого диода снять 2 характеристики: без делителя напряжения и с делителем, причем, К>дел> = 4. Определить масштабы тока и напряжения. По характеристикам определить пороговое напряжение, прямое падение напряжения при токе 30 мА. Сравнить параметры в пунктах 1 и 2. Сравнить параметры кремниевого и германиевого диодов.
Снятие вольтамперной характеристики туннельного диода при помощи осциллографа.
Собрать схему, приведенную на рис.15.

Рис.15. Схема для снятия вольтамперной характеристики туннельного диода при помощи осциллографа
Схема позволяет снять прямую ветвь характеристики. Перед началом опыта движок потенциометра поставить в положение, показанное на рис.15. Внимание! Постепенно увеличивать напряжение от нуля.
Рис.16.
Вольтамперная характеристика туннельного
диода
По характеристике определить дифференциальные сопротивления на разных участках прямой ветви, пиковый ток, ток впадины, отношение пикового тока к току впадины, напряжение пика, напряжение впадины (рис.16.) При оформлении отчета представить таблицы измерений и обработанные осциллограммы. Сделать выводы по каждому пункту.
Внимание! Тумблер «Усилитель Y» держать в положении «x10».
Контрольные вопросы
Пояснить образование несимметричного ступенчатого p-n-перехода.
Как изменить сопротивление p-n-перехода?
Почему возрастает ток при прямом включении p-n-перехода, а при обратном включении p-n-переход закрыт?
Что показывают предельные параметры диода?
Перечислить характеризующие и предельные параметры выпрямительного диода?
Что такое ток термогенерации?
Причины возникновения пробоя p-n-перехода.
Как определить класс вентиля?
Как зависит вид вольтамперной характеристики диода от концентрации примесей в слоях?
Как снимается вольтамперная характеристика диода?
Таблица вариантов
|
№ вар. |
U>пор>, В |
R>i>, Ом |
P>доп>, Вт |
I>п>, А |
№ вар. |
U>пор>, В |
R>i>, Ом |
P>доп>, Вт |
I>п>, А |
|
|
0,40 |
0,80 |
0,32 |
0,40 |
|
0,40 |
0,90 |
0,32 |
0,40 |
|
|
0,50 |
0,80 |
0,50 |
0,50 |
|
0,50 |
0,90 |
0,40 |
0,50 |
|
|
0,60 |
0,80 |
0,70 |
0,60 |
|
0,60 |
1,50 |
0,24 |
0,30 |
|
|
0,45 |
0,75 |
0,70 |
0,70 |
|
0,45 |
1,20 |
0,24 |
0,30 |
|
|
0,65 |
0,70 |
0,75 |
0,80 |
|
0,65 |
1,30 |
0,28 |
0,35 |
|
|
0,40 |
0,70 |
0,80 |
0,90 |
|
0,40 |
0,75 |
0,70 |
0,80 |
|
|
0,45 |
0,60 |
1,0 |
1,0 |
|
0,45 |
0,65 |
1,10 |
1,0 |
|
|
0,50 |
0,20 |
1,50 |
2,50 |
|
0,50 |
0,25 |
1,45 |
2,50 |
|
|
0,40 |
0,10 |
3,0 |
5,0 |
|
0,40 |
0,10 |
3,50 |
5,0 |
|
|
0,45 |
0,10 |
4,0 |
7,0 |
|
0,45 |
0,09 |
5,0 |
7,0 |
|
|
0,50 |
0,08 |
6,0 |
8,0 |
|
0,50 |
0,07 |
6,0 |
8,0 |
|
|
0,40 |
0,05 |
8,0 |
10,0 |
|
0,40 |
0,05 |
8,0 |
10,0 |
Примечание: Студенты, получившие подвариант А, строят вольтамперную характеристику диода; получившие подвариант Б – строят кривую максимально допустимой мощности рассеивания; получившие подвариант В – составляют таблицу параметров для выпрямительных диодов большой мощности.
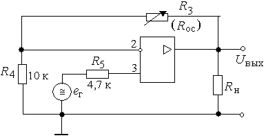
Работа №3
Исследование однополупериодного выпрямителя
и параметрического стабилизатора постоянного напряжения
Цель работы
Изучить работу однополупериодного выпрямителя однофазного тока и принцип стабилизации постоянного напряжения при помощи одноанодного стабилитрона.
Теоретическая часть
Схема однополупериодного выпрямителя однофазного тока приведена на рис.1. Выпрямитель питается от фазного напряжения U>1> с действующим значением 220 В. Трансформатор Тр преобразует величину напряжения, создавая на вторичной обмотки W>2> напряжение U>2>, действующее значение которого зависит от коэффициента трансформации К>тр>= W>1>/W>2 >= U>1>/U>2 >. Кроме этого трансформатор разделяет потенциально цепи первичной и вторичной обмоток. Диод V включен последовательно с нагрузкой в цепь вторичной обмотки трансформатора.

Рис.1. Схема однополупериодного выпрямителя однофазного тока
Пусть в некоторый момент времени напряжение u>ab> > 0, тогда к диоду прикладывается прямое напряжение и он проводит ток i>а>. На нагрузке появляется напряжение u>н> = i>а>*R>н>. При изменении полярности напряжения u>а>>b> диод закрыт, ток в контуре не протекает и напряжение на нагрузке равно 0. Итак, за период переменного напряжения во вторичной обмотке трансформатора получается один импульс тока, поэтому схема называется однополупериодной.
Рассмотрим работу схемы в двух режимах:
U>2>>m> @ U>пор>; 2) U>2>>m> >> U>пор>, где U>пор> – пороговое напряжение вольтамперной характеристики диода.
Пусть работа диода происходит в первом режиме, тогда при построении нагрузочной диаграммы необходимо учитывать нелинейность вольтамперной характеристики. Нагрузочная диаграмма изображена на рис.2.
Анодный ток в интервалах времени t>1>–t>2> и t>8>–t>9> не протекает, а в интервалах времени t>2>–t>4> и t>6>–t>8> имеет нелинейные искажения. Когда изменения напряжения U>2> приходятся на линейный участок вольтамперной характеристики между точками 3 и 4, тогда нелинейные искажения тока отсутствуют.
Временные диаграммы работы выпрямителя с учетом нелинейности приведены на рис.3.

Рис.3. Временные диаграммы работы выпрямителя
Экспериментальная часть
Исследование выпрямителя на пониженном напряжении

Рис.4. Схема однополупериодного выпрямителя однофазного тока
Установить на входе выпрямителя напряжение с амплитудой 3 В. Измере-ние напряжения производить при помощи осциллографа. Зарисовать осциллог-раммы входного напряжения u>вх, >напряжения на нагрузке u>н, >напряжения на ди-оде u>а, >анодного тока i>а. >Убедиться в появлении нелинейных искажений тока и напряжения нагрузки.
Исследование выпрямителя при входном напряжении 12 В.
Установить на входе выпрямителя напряжение с максимальной амплитудой. Зарисовать осциллограммы u>вх>, u>н>, u>а>, i>а>.
Снять зависимость среднего значения напряжения и тока нагрузки от амплитуды входного напряжения: U>н> = F(U>вх>>m>), I>a>> >= F(U>вх>>m>). Сравнить зависимости U>н> = F(U>вх>>m>), I>a>> >= F(U>вх>>m>) с расчетными.
Среднее значение напряжения на нагрузке
>
>;
где >
>
– среднее значение выпрямленного
напряжения на холостом ходе выпрямителя;
u>а >–> >падение напряжения на диоде, которое берется из вольтамперной характеристики диода.
Среднее значение анодного тока
>
>,
где R>н >= 120 Ом.
Построить зависимость U>н> = F(U>вх>>m>) и I>н >= F(U>вх>>m>).
Снятие вольтамперной характеристики одноанодного стабилитрона
Собрать
схему, приведенную на рис.5.
Рис.5.
Схема для снятия вольтамперной
характеристики стабилитрона:
Х – горизонтальный вход осциллографа, Y – вертикальный вход
Зарисовать вольтамперную характеристику стабилитрона и определить по ней параметры: дифференциальные сопротивления в прямом и обратном направлениях, напряжение стабилизации, прямое падение напряжения.
Определение параметров показано на рис.6.
0100090000030202000002008a01000000008a01000026060f000a03574d464301000000000001007bdf0000000001000000e802000000000000e8020000010000006c0000000000000000000000ffffffffffffffff00000000000000006e350000a213000020454d4600000100e80200000e000000020000000000000000000000000000007f120000771a0000c80000001f010000000000000000000000000000000f030058600400160000000c000000180000000a00000010000000000000000000000009000000100000009f0c0000a4040000250000000c0000000e000080120000000c000000010000005200000070010000010000009cffffff00000000000000000000000090010000000000cc04400012540069006d006500730020004e0065007700200052006f006d0061006e00000000000000000000000000000000000000000000000000000000000000000000000000000000000000000000000000000000000000000000000000000000000000000000000000000000000000000000000000000000000000000000000000000000000000000000000000000000000000000000000000000000000000000000000000000000000000000000000000000000000000122d093000000000040000000000ae304f2d09300000000047169001cc0002020603050405020304877a0020000000800800000000000000ff01000000000000540069006d00650073002000000065007700200052006f006d0061006e00000000000000c62b093050cbae30003314000100000000000000044811006ab40230044811004c4eaf301c4811006476000800000000250000000c00000001000000180000000c0000000000000254000000540000000000000000000000ffffffffffffffff01000000e7298740a48e874000000000fe040000010000004c0000000400000000000000000000009f0c0000a404000050000000200000002d00000046000000280000001c0000004744494302000000ffffffffffffffffa00c0000a4040000000000004600000014000000080000004744494303000000250000000c0000000e0000800e000000140000000000000010000000140000000400000003010800050000000b0200000000050000000c02ac00d301040000002e0118001c000000fb020200010000000000bc02000000cc0102022253797374656d0000000000000000000000000000000000000000000000000000040000002d01000004000000020101001c000000fb02f2ff0000000000009001000000cc0440001254696d6573204e657720526f6d616e0000000000000000000000000000000000040000002d010100050000000902000000020d000000320ab90000000100040000000000d201ac0020020600040000002d010000030000000000
Рис.6. Определение параметров по вольтамперной характеристике стабилитрона
Исследование параметрического стабилизатора постоянного напряжения.
Собрать схему, приведенную на рис.7.

Рис.7. Схема параметрического стабилизатора постоянного напряжения: V>1>, V>2 >– вольтметры.
Снять зависимость выходного напряжения стабилизатора от входного напряжения: U>вых> = F(U>вх>). Построить зависимость. Измерить изменение тока DI. Определить коэффициент стабилизации по напряжению:
>
>;
где значение U>вх >в точке покоя принять 11 В, U>вых> взять из вольтамперной характеристики стабилитрона –U>вых >=U>с>>m>.
Оформление отчета.
При оформлении отчета представить таблицы измерений и обработанные осциллограммы. Сделать выводы по каждому пункту
Внимание! Тумблер «Усилитель Y» держать в положении «x10».
Контрольные вопросы
Какая схема выпрямления называется однополупериодной?
Как работает схема выпрямления однофазного тока?
В каком случае необходимо учитывать нелинейность вольтамперной характеристики диода?
Как построить кривую анодного
тока при малом значении питающего
напряжения, когда U>2>>m>>
>>
>U>пор>.
Можно ли считать выпрямительный диод идеальным вентилем?
Как снимается вольтамперная характеристика стабилитрона?
Какой вид пробоя используется в одноанодных стабилитронах? Охарактеризовать каждый вид пробоя.
Как строится схема параметрического стабилизатора напряжения? Раскрыть назначение элементов.
Таблица вариантов
|
№ вар. |
U>2m>, B |
R>н>, Ом |
№ вар. |
U>2m>, B |
R>н>, Ом |
|
1 |
0,9 |
10 |
13 |
0,9 |
12 |
|
2 |
1,0 |
12 |
14 |
1,0 |
14 |
|
3 |
1,1 |
13 |
15 |
1,1 |
13 |
|
4 |
1,2 |
14 |
16 |
1,2 |
15 |
|
5 |
1,3 |
15 |
17 |
1,3 |
12 |
|
6 |
1,4 |
16 |
18 |
1,4 |
15 |
|
7 |
0,9 |
15 |
19 |
1,9 |
12 |
|
8 |
1,0 |
14 |
20 |
1,0 |
13 |
|
9 |
1,1 |
13 |
21 |
1,1 |
14 |
|
10 |
1,2 |
12 |
22 |
1,2 |
15 |
|
11 |
1,3 |
16 |
23 |
1,3 |
18 |
|
12 |
1,4 |
17 |
24 |
1,4 |
20 |
Примечание: студенты, получившие подвариант А, строят кривую анодного тока i>a>(t); подвариант Б – кривую анодного напряжения u>a>(t); подвариант В – временные диаграммы u>2>(t), i>a>(t), u>a>(t), u>н>(t) для заданной вольтамперной характеристики (ВАХ) диода. ВАХ диода приведена на рис.8.

Рис.8. Вольтамперная характеристика диода для предварительного расчета
Работа №4
Исследование однооперационного тиристора
Цель работы
Изучение параметров и характеристик тиристора и исследование однофазного управляемого выпрямителя.
Теоретическая часть
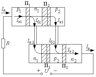
Однооперационный тиристор является плоскостным полупроводниковым прибором, который состоит из четырех слоев р>1>-n>1>-р>2>-n>2>. Тиристор имеет три вывода: анод (А), катод (К), управляющий электрод (УЭ). Принцип действия тиристора рассматривается на четырехслойной структуре, имеющей два вывода. Такая структура называется динистором. Структура динистора приведена на рис.1.

Рис.1. Структура и условное обозначение динистора
На границе слоев образуются p-n-переходы П>1>, П>2>, П>3>. При подключении динистора к источнику прямого напряжения p-n-переходы П>1> и П>3> смещаются в прямом направлении, а П>2> – в обратном направлении. Сопротивление перехода П>2> велико и составляет величину порядка 1 МОм, поэтому ток через структуру не протекает. В таком состоянии динистор закрыт. Для того чтобы рассмотреть условия включения структуры, необходимо представить схему замещения четырехслойной структуры двумя трехслойными.

Рис.2. Схема замещения динистора
На схеме замещения определяются слои эмиттеров и коллекторов каждого транзистора. Эмиттер является крайним слоем того p-n-перехода, который смещен в прямом направлении, поэтому эмиттерами являются слои p>1> и n>2>. Коллектор является крайним слоем p-n-перехода, который смещен в обратном направлении, поэтому коллекторами являются слои n>1> и p>2>. На основании схемы замещения определяется ток перехода П>2>:
>
>. (1)
Коллекторные токи определяются из уравнения:
>
>. (2)
Структура динистора разделена
на две части, поэтому ток неосновных
носителей перехода П>2> делится
пополам между двумя транзисторами и
составляет >
>.
С учетом этого замечания выражение (2)
представляется в виде:
>
>,
>
>,
(3)
где α>1>, α>2 >– коэффициенты передачи тока эмиттера.
Выражения (3) подставляются в выражение (1):
>
>.> >(4)
В динисторе все слои включены последовательно, поэтому токи I>п2>,> >I>э1>, I>э2 >одинаковые и равны анодному току во внешней цепи I>а>:
>
>. (5)
Из выражения (5) определяется анодный ток:
>
>. (6)
Выражение (6) определяет условия включения четырехслойной структуры:
– наличие тока I'>к0>;
– (α>1> + α>2>) = 1. (7)
При выполнении условия (7) анодный ток резко возрастает и динистор включается. Пусть напряжение, приложенное к динистору, возрастает. Тогда возрастают токи I>э1>, I>э2>, I>п2> и одновременно возрастают коэффициенты α>1> и α>2>. Необходимо отметить, что в структуре динистора действует положительная обратная связь, так как выходной ток одного транзистора равен входному току другого: I>к1> = I>б2>, I>к2> = I>б1> (рис.2). Благодаря обратной связи включение динистора происходит лавинообразно, если выполняется условие (7).
Процесс включения происходит следующим образом. При увеличении анодного напряжения возрастают токи в структуре, а также коэффициенты передачи α>1> и α>2>. Для малых анодных напряжений (α>1> + α>2>) << 1. При некотором анодном напряжении, называемым напряжением переключения, сумма (α>1> + α>2>) приближается к 1 и начинается процесс включения, в процессе которого динистор переходит на диодную ветвь вольтамперной характеристики (рис.3). На участке 0–1 динистор закрыт, а на участке 1–2 происходит его включение.
Под действием обратного анодного напряжения два перехода П>1> и П>3>
Рис.3. Вольтамперная характеристика динистора
смещаются в обратном направлении, следовательно, оба транзистора структуры закрыты. Для того чтобы появился анодный ток, необходимо пробить переходы П>1> и П>3>. На рис.3 обратная ветвь показана до участка пробоя.
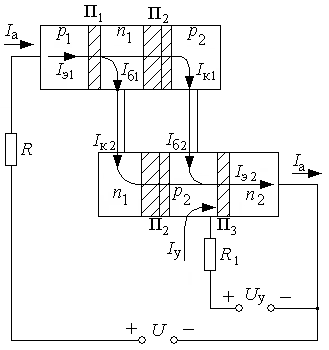
Структура однооперационного тиристора и схема прямого включения его приведена на рис.4. В базу транзистора n-p-n задается ток управления, который приводит к увеличению всех токов четырехслойной структуры: I>э2>, I>к2>, I>б1>, I>к1>, I>э1>, I>б2>. По сравнению с динистором включение тиристора произойдет при меньшем напряжении переключения U>пк>. С возрастанием тока управления I>у> напряжение переключения уменьшается.

Рис.4. Структура и схема прямого включения тиристора
Уравнение анодного тока выглядит следующим образом:
>
>. (8)
При больших анодных напряжениях, составляющих сотни вольт, может произойти лавинный пробой перехода П>2>, что приводит к увеличению концентрации носителей тока, а в выражении (8) появляется коэффициент лавинного размножения носителей М>1:
>
>. (9)
Выключение тиристора происходит по анодной цепи, когда анодный ток уменьшается до тока удержания. Током управления тиристор не выключается, так как анодный ток значительно больше тока управления.
Вольтамперные характеристики анодной цепи тиристора приведены на рис.5. Обратная ветвь характеристики сливается с осью.

Рис.5. Вольтамперные характеристики тиристора
Экспериментальная часть
1. Включение тиристора на постоянном токе

Рис.6. Схема включения тиристора на постоянном токе
В работе исследуется тиристор типа Т6-10 с предельным током 6 А. В анодную цепь и цепь управления подаются постоянные напряжения 9 В и 27 В от блока питания (рис.6). Ограничение анодного тока после включения тиристора осуществляется резистором R>н> = 120 Ом. Нагрузкой цепи управления является резистор R>у> = 75 Ом.
Определение отпирающего тока управления I>у0> и условий выключения тиристора.
Потенциометр R>П1> установлен в такое положение, когда напряжение на управляющем электроде равно нулю, т.е. U>у> = 0. При помощи потенциометра R>П2> установить анодное напряжение 12 В. Регулируя напряжение в цепи управления, добиться включения тиристора. Результаты измерения занести в таблицу. Примерное значение параметров приведено в таблице 1.
Таблица 1 – Измерение параметров включения тиристора
-
U>a>, В
I>a>, мА
I>у0>, мА
U>у0>, В
12 – 0,9
0 – 50
22
1,6
После включения тиристора переключить предел измерения вольтметра V>2> на 10 В и замерить прямое падение напряжения на тиристоре U>пр>. В таблице 1 это значение равно 0,9 В. Также записать значение анодного тока после включения тиристора. В таблице 1 это значение равно 50 мА.
Уменьшить ток управления до нуля. Убедиться в том, что значение анодного тока не изменяется, т.е. тиристор не выключается. Выключить тиристор по анодной цепи, уменьшая напряжение U>2>. Записать анодный ток удержания тиристора и анодное напряжение, при котором тиристор выключается.
Снятие характеристики управления.
Снять
зависимость I>у> =
F(U>у>)
при разорванной анодной цепи, используя
схему рис.6. Построить характеристику
управления (рис.7), нанести на нее
отпирающие значения тока и напряжения
I>у0>, U>у0>.
По характеристике управления определить
дифференциальное сопротивление >
>
вблизи точки I>у0>,
U>у0>.

0100090000030202000002008a01000000008a01000026060f000a03574d464301000000000001007bdf0000000001000000e802000000000000e8020000010000006c0000000000000000000000ffffffffffffffff00000000000000006e350000a213000020454d4600000100e80200000e000000020000000000000000000000000000007f120000771a0000c80000001f010000000000000000000000000000000f030058600400160000000c000000180000000a00000010000000000000000000000009000000100000009f0c0000a4040000250000000c0000000e000080120000000c000000010000005200000070010000010000009cffffff00000000000000000000000090010000000000cc04400012540069006d006500730020004e0065007700200052006f006d0061006e00000000000000000000000000000000000000000000000000000000000000000000000000000000000000000000000000000000000000000000000000000000000000000000000000000000000000000000000000000000000000000000000000000000000000000000000000000000000000000000000000000000000000000000000000000000000000000000000000000000000000122d093000000000040000000000ae304f2d09300000000047169001cc0002020603050405020304877a0020000000800800000000000000ff01000000000000540069006d00650073002000000065007700200052006f006d0061006e00000000000000c62b093050cbae30003314000100000000000000044811006ab40230044811004c4eaf301c4811006476000800000000250000000c00000001000000180000000c0000000000000254000000540000000000000000000000ffffffffffffffff01000000e7298740a48e874000000000fe040000010000004c0000000400000000000000000000009f0c0000a404000050000000200000002d00000046000000280000001c0000004744494302000000ffffffffffffffffa00c0000a4040000000000004600000014000000080000004744494303000000250000000c0000000e0000800e000000140000000000000010000000140000000400000003010800050000000b0200000000050000000c02ac00d301040000002e0118001c000000fb020200010000000000bc02000000cc0102022253797374656d0000000000000000000000000000000000000000000000000000040000002d01000004000000020101001c000000fb02f2ff0000000000009001000000cc0440001254696d6573204e657720526f6d616e0000000000000000000000000000000000040000002d010100050000000902000000020d000000320ab90000000100040000000000d201ac0020020600040000002d010000030000000000
Снятие
анодных вольтамперных характеристик
Собрать схему, приведенную на
рис.8. Подключить входы «Y»
и «X» осциллографа к
сигналам, пропорциональным соответственно
анодному току и напряжению тиристора.
Вход «Y» подключается к
резистору R>ш>,
напряжение на котором пропорционально
току i>а>. Масштаб по
току m>i>
определяется следующим образом: находится
масштаб по напряжению по указателю на
переключателе, например 20 мВ/см; затем
это значение делится на сопротивление
шунта: >
>.

Рис.8. Схема включения тиристора на переменном токе:
R>1>,
R>2>
– делитель напряжения; >
>
Масштаб по напряжению определяется
следующим образом: при помощи эталонного
сигнала находится масштаб по напряжению
на входе «Х», например, 0,6 В/см; затем это
значение умножается на коэффициент
делителя >
>,
равный 4; m>u>
= 0,6 В/см * 4 = 2,4 В/см.

Установить максимальное напряжение в анодной цепи тиристора. Затем, изменяя ток управления, зарисовать несколько анодных вольтамперных характеристик (рис.5). Записать значения токов управления, при которых сняты характеристики. На характеристиках показать напряжения переключения тиристора U>пк>.
Зарисовать диодную вольтамперную характеристику тиристора без делителя напряжения R>1> – R>2>. Для этого вход “Х” осциллографа подключить к точкам 6–9. Выставить ток управления больше значения отпирающего тока. По характеристике определить пороговое напряжение U>пор>, прямое падение напряжения при максимальном токе U>пр>, дифференциальное сопротивление R>i> = DU>пр> / DI>пр >(рис.9).
Исследование однофазного управляемого выпрямителя.
Схема выпрямителя приведена на рис.3. Делитель R>1>–R>2> отключен. Тиристор управляется постоянным током управления. Зарисовать осциллограммы тока i>а>, входного напряжения выпрямителя u>2>, анодного напряжения тиристора u>a>(u>ак>) и напряжения на нагрузке u>н> для двух значений тока управления. На рис.10 приведены временные диаграммы работы выпрямителя при токе управления I>у> > I>у0>, когда тиристор работает в диодном режиме; на рис.11 – при токе управления I>у> < I>у0>.
Среднее значение выпрямленного
напряжения на нагрузке определяется
по формуле: >
>.
Среднее значение выпрямленного тока:
>
>.

Рис.10. Временные диаграммы работы выпрямителя для I>у> > I>у0>

Рис.11. Временные диаграммы работы выпрямителя для I>у> < I>у0>
Контрольные вопросы
Как определить отпирающий ток управления тиристора?
Почему с ростом тока управления уменьшается напряжение переключения?
Почему процесс включения тиристора происходит лавинообразно?
Как влияет температура на характеристики управления и анодные?
Можно ли выключить однооперационный тиристор при помощи цепи управления?
Пояснить работу выпрямителя однофазного тока.
Сравнить диапазоны регулирования момента включения тиристора при управлении постоянным током, синусоидальным (амплитудный способ) и импульсным.
Таблица вариантов
|
№ вар. |
U>2m>, B |
R>н>, Ом |
α |
№ вар. |
U>2m>, B |
R>н>, Ом |
α |
|
1 |
15 |
100 |
30 |
13 |
25 |
150 |
30 |
|
2 |
20 |
120 |
40 |
14 |
30 |
170 |
40 |
|
3 |
25 |
140 |
50 |
15 |
35 |
130 |
50 |
|
4 |
30 |
160 |
60 |
16 |
40 |
180 |
60 |
|
5 |
35 |
180 |
70 |
17 |
45 |
200 |
70 |
|
6 |
40 |
200 |
80 |
18 |
50 |
170 |
80 |
|
7 |
45 |
100 |
90 |
19 |
55 |
130 |
90 |
|
8 |
50 |
120 |
100 |
20 |
60 |
200 |
100 |
|
9 |
55 |
140 |
110 |
21 |
20 |
210 |
110 |
|
10 |
60 |
160 |
120 |
22 |
40 |
220 |
120 |
|
11 |
15 |
120 |
130 |
23 |
15 |
120 |
130 |
|
12 |
20 |
130 |
140 |
24 |
20 |
140 |
140 |
Примечания:
Студенты, получившие подвариант А, рассчитывают и строят зависимость U>d> = F(α); подвариант Б – рассчитывают и строят зависимость I>d> = F(α); подвариант В – временные диаграммы u>2>(t), u>н>(t), i>d>(t), i>у>(t).
При расчете принимать R>н>=120 Ом.
Работа №5
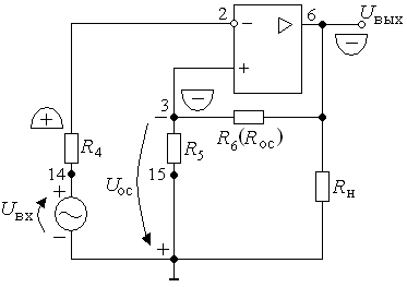
Исследование дифференциального включения операционного усилителя
Цель работы
Изучение характеристик и параметров дифференциального включения операционного усилителя.
Теоретическая часть
Подключение сигнала U>вх1> аналогично подключению его в инвертирующем усилителе (рис.1). Второй сигнал U>вх2 >поступает на неинвертирующий вход в точку 3. Резисторами R>5>–R>7 >создается делитель напряжения на этом входе. Из-за идеальности ОУ потенциалы точек 2 и 3 одинаковы, поэтому напряжение в этих точках можно приравнять: U>2> = U>3>. Определение напряжений U>2> и U>3> показано ниже. При дифференциальном включении операционного усилителя (ОУ) используется два входа усилителя: инвертирующий и неинвертирующий. Для того чтобы усилитель работал на линейном участке амплитудной характеристики, необходимо охватить его отрицательной обратной связью. Обратная связь осуществляется так же, как и в инвертирующем усилителе. Напряжение с точек 6–12 через сопротивление обратной связи R>ос1> поступает в точки 2–12. В результате получается параллельная обратная связь по напряжению.
>
> (1)
>
> (2)
>
> (3)
>
> (4)
После преобразования с учетом выражения (4) получается значение выходного напряжения:
>
> (5)
Согласно полученному выражению выходного напряжения получаются следующие значения масштабных коэффициентов К>1> и К>2>:
>
>;
>
>, (6)
>
>. (7)
Пусть R>ос1>= R>4> и R>7 >= R>5>, тогда
>
>. (8)
Если R>ос1>= nR>4> и R>7 >= nR>5>, то значение выходного напряжения зависит от значения n:
>
>. (9)
Вид амплитудной характеристики усилителя зависит от соотношения слагаемых выражения (7), так как может быть инвертирующего вида либо неинвертирующего.
Рис.1.
Дифференциальное включение операционного
усилителя
Экспериментальная часть
Работа усилителя от сигналов постоянного тока.
В схему включить резисторы R>ос1> и R>7> и подобрать их так, чтобы R>ос1> = R>4> и R>7 >= R>5>. В качестве источников сигналов использовать два источника постоянного напряжения лабораторного стенда.
1.1. Снять зависимость >
>,
используя источники постоянных
напряжений. Вначале изменять U>вх2>
при U>вх1>= const,
затем изменять U>вх1>
при U>вх2> = const.
Изменить значение R>ос1>
и R>7>: R>ос1>=
nR>4> и R>7
>= nR>5>. Подобрать
значение коэффициента n
по имеющимся значениям сопротивлений.
Снять зависимость >
>,
используя источники постоянных
напряжений.
Работа усилителя от импульсных входных сигналов.
Зарисовать осциллограммы входных и выходных напряжений для разных амплитуд импульсов и времени сдвига импульсов. Примерный вид осциллограмм приведен на рис.2.





а)

б)
Рис.2. Осциллограммы работы дифференциальной схемы включения:
а) ∆t > t>и> б) ∆t < t>и>; Dt – промежуток времени между фронтами импульсов
3. Оформление отчета.
По результатам опыта построить
характеристики >
>,
определить U>н>+
и U>н>–, параметры
усилителя и обработать осциллограммы.
Контрольные вопросы
Что такое инвертирующий (неинвертирующий) вход усилителя?
В какой точке усилителя находится виртуальный ноль?
Почему потенциалы инвертирующего и неинвертирующего входов при дифференциальном включении одинаковы?
Что такое амплитудная характеристика усилителя?
Как определить напряжение на неинвертирующем входе?
Как вычислить масштабные коэффициенты по разным входам усилителя?
Назвать разновидности схем дифференциального включения.
Таблица вариантов
|
№ вар. |
U>вх1>, В |
U>вх2>, В |
R>4>, кОм |
R>ос1>, кОм |
R>5>, кОм |
R>7>, кОм |
|
1 |
0,5 |
1,0 |
0,5 |
1,0 |
2,0 |
3,2 |
|
2 |
0,7 |
1,2 |
0,8 |
1,5 |
2,7 |
3,6 |
|
3 |
1,0 |
1,5 |
1,0 |
2,2 |
3,2 |
4,7 |
|
4 |
1,2 |
1,7 |
1,2 |
2,4 |
3,6 |
2,0 |
|
5 |
1,4 |
2,0 |
1,4 |
2,7 |
4,7 |
2,7 |
|
6 |
1,6 |
0,5 |
2,0 |
2,5 |
1,0 |
3,2 |
|
7 |
1,8 |
0,7 |
2,2 |
3,6 |
1,5 |
3,6 |
|
8 |
0,2 |
1,0 |
0,5 |
3,2 |
3,2 |
4,7 |
|
9 |
0,4 |
1,2 |
0,8 |
2,5 |
3,6 |
2,0 |
|
10 |
0,6 |
1,4 |
1,2 |
2,4 |
1,0 |
2,7 |
|
11 |
0,8 |
1,6 |
1,6 |
3,0 |
1,4 |
3,6 |
|
12 |
1,0 |
1,8 |
1,4 |
2,0 |
1,6 |
4,7 |
|
13 |
1,2 |
2,0 |
1,2 |
2,7 |
2,0 |
5,2 |
|
14 |
1,4 |
0,2 |
0,5 |
1,2 |
2,2 |
4,7 |
|
15 |
1,6 |
0,4 |
0,8 |
1,4 |
2,5 |
3,6 |
|
16 |
1,8 |
0,6 |
1,0 |
2,2 |
3,0 |
2,0 |
|
17 |
2,0 |
0,8 |
1,2 |
3,6 |
3,6 |
3,2 |
|
18 |
0,4 |
1,0 |
0,5 |
3,0 |
1,0 |
3,6 |
|
19 |
0,6 |
1,2 |
0,8 |
3,2 |
1,6 |
4,7 |
|
20 |
0,8 |
1,4 |
1,2 |
2,0 |
2,0 |
5,1 |
|
21 |
1,0 |
0,2 |
1,4 |
2,4 |
2,2 |
2,0 |
|
22 |
1,2 |
0,4 |
1,6 |
3,6 |
2,5 |
2,7 |
|
23 |
1,4 |
0,6 |
2,0 |
4,7 |
3,0 |
3,2 |
|
24 |
1,6 |
0,8 |
2,2 |
4,2 |
3,6 |
4,7 |
Примечание: студенты, получившие подвариант А – строят амплитудную характеристику U>вых> = F (U>вх2>) для U>вх1> = const, U>вх2> = var; подвариант Б – строят амплитудную характеристику U>вых> = F (U>вх1>) для U>вх1> = var, U>вх2> = const; подвариант В – временные диаграммы U>вх1>(t), U>вх2>(t), U>вых>(t).
Значения U>вх1> = const, U>вх2> = const берутся из таблицы вариантов. При построении временных диаграмм считать, что U>вх1> и U>вх2> являются постоянными напряжениями. Напряжение насыщения усилителя U>н>± = 7В.
Работа №6
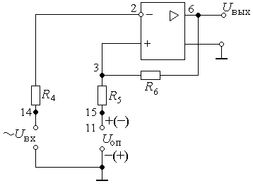
Исследование суммирующего усилителя
Цель работы
Изучение схемы суммирующего усилителя на основе операционного усилителя.
Теоретическая часть
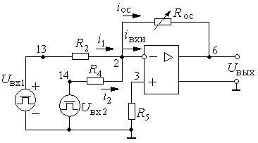
Для суммирующего усилителя используется инвертирующее включение операционного усилителя. В этой схеме действует параллельная отрицательная обратная связь по напряжению (рис.1). Сопротивление обратной связи R>ос> соединяет точки 6 и 2.
Схема усилителя приведена на рис.1.

Рис.1. Схема суммирующего усилителя
Пусть на инвертирующий вход поступают два сигнала U>вх1> и U>вх2>, которые подключаются к точке 2 через резисторы R>2> и R>4>. Операционный усилитель является идеальным усилителем напряжения, поэтому для него i>вхи>≈0, где i>вхи> – входной ток инвертирующего входа. Тогда точка 2 является виртуальным нулем и справедливо уравнение
i>1> + i>2> = i>ос>. (1)
Значения токов определяются из соотношений:
i>1>
= >
>;
i>2>
= >
>;
i>ос>
= >
>. (2)
Выражения (2) подставляются в выражение (1):
>
>
+ >
>
= – >
>,
U>вых>
= – (U>вх1>>
>
+ U>вх2>>
>), (3)
где >
>,
>
>
называются масштабными коэффициентами.
Знак минус говорит об инверсии результата
суммирования.
Масштабные коэффициенты
применяются для того, чтобы усилитель
работал на линейном участке амплитудной
характеристики. Если необходимо ослабить
значения U>вх1>
и U>вх2>,
то >
><
1 и >
><
1. Если сумма наибольших значений U>вх1>
и U>вх2>
не превышает значения напряжения
насыщения, то масштабные коэффициенты
равны единице, а выражение (3) принимает
вид:
U>вых> = – (U>вх1> + U>вх2>). (4)
Экспериментальная часть
Снятие амплитудной характеристики усилителя.
Снять амплитудные характеристики усилителя: U>вых> = F(U>вх1>) при U>вх2> = const и U>вых> = F(U>вх2>) при U>вх1> = const. Источники постоянных напряжений находятся на лабораторном стенде. При снятии характеристики установить заданное значение сопротивления обратной связи R>ос>.
Суммирование импульсных напряжений.
Снять осциллограммы входных и выходных напряжений при разном времени задержки двух импульсов. Амплитуды импульсных напряжений установить согласно таблице вариантов, а время задержки импульсов – опытным путем.
Измерение переходных искажений.
При работе усилителя с периодическим импульсным сигналом переходные искажения проявляются в изменении времени фронта и среза импульса, а также вершины импульса.
Вначале установить U>вх2>=0 и работать от одного импульса.
Замерить времена фронта у входного (U>вх1>) и выходного импульса (рис. 2).

Рис.2.
Измерение фронтов импульсов:
t>ф> – время фронта; t>с> – время среза
Изменением амплитуды входного сигнала u>вх1 >при u>вх2>=0 добиться искажения вершины импульса. Зарисовать осциллограммы u>вх1>(t) и u>вых>(t).
Установить u>вх1>≠0 и u>вх2>≠0 и зарисовать осциллограммы u>вх1>(t) и u>вх2>(t) и u>вых>(t).
Оформление отчета.
По результатам опыта построить амплитудные характеристики и обработать осциллограммы.
Контрольные вопросы
Почему операционный усилитель является идеальным усилителем напряжения?
Что такое «виртуальный ноль» операционного усилителя?
Раскрыть назначение масштабных коэффициентов.
Как определить вид обратной связи в схеме суммирующего усилителя?
Чем ограничена величина суммирующих напряжений?
Какое влияние на работу усилителя оказывает резистор R>5>?
Нужна ли балансировка суммирующего усилителя?
Что называется переходными искажениями?
Как определяются времена фронта и среза импульса?
Что такое переходные искажения в области малых времен и в области больших времен?
Таблица вариантов
|
№ вар. |
R>ос>, кОм |
U>вх1>, В |
U>вх2>, В |
№ вар. |
R>ос>, кОм |
U>вх1>, В |
U>вх2>, В |
|
1 |
6,8 |
6,5 |
1,0 |
13 |
4,7 |
1,0 |
1,0 |
|
2 |
10,0 |
1,0 |
0,5 |
14 |
6,8 |
1,5 |
1,5 |
|
3 |
22,0 |
1,5 |
1,0 |
15 |
10,0 |
2,0 |
2,0 |
|
4 |
33,0 |
2,0 |
1,5 |
16 |
22,0 |
2,5 |
2,5 |
|
5 |
47,0 |
2,5 |
2,5 |
17 |
33,0 |
3,0 |
3,0 |
|
6 |
100,0 |
3,0 |
3,0 |
18 |
47,0 |
4,0 |
4,0 |
|
7 |
4,7 |
0,5 |
0,5 |
19 |
6,8 |
2,0 |
2,0 |
|
8 |
6,8 |
1,0 |
1,0 |
20 |
10,0 |
2,5 |
2,5 |
|
9 |
10,0 |
1,5 |
1,5 |
21 |
22,0 |
3,0 |
3,0 |
|
10 |
22,0 |
2,0 |
2,0 |
22 |
33,0 |
3,5 |
3,5 |
|
11 |
33,0 |
2,5 |
2,5 |
23 |
47,0 |
4,0 |
4,0 |
|
12 |
47,0 |
3,0 |
3,0 |
24 |
6,8 |
2,0 |
2,0 |
Примечание: студенты, получившие подвариант А – строят амплитудную характеристику U>вых> = F (U>вх2>) для U>вх1> = const, U>вх2> = var; подвариант Б – строят амплитудную характеристику U>вых> = F (U>вх1>) для U>вх1> = var, U>вх2> = const; подвариант В – временные диаграммы u>вх1>(t), u>вх2>(t), u>вых>(t). Напряжение насыщения усилителя U>н>± = 7 В.
Работа №7
Исследование усилителей на основе операционного усилителя
Цель работы
Изучение схем инвертирующего и неинвертирующего включения операционного усилителя.
Теоретическая часть
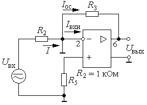
Схема инвертирующего усилителя приведена на рис.1. В цепи обратной связи усилителя включен резистор R>3>, который создает параллельную отрицательную обратную связь по напряжению. Отрицательная обратная связь стабилизирует работу усилителя, то есть уменьшает дрейф нуля.

Рис.1. Схема инвертирующего усилителя
Пусть операционный усилитель является идеальным усилителем напряжения, тогда ток инвертирующего входа отсутствует, то есть I>вхи >= 0. В этом случае точка 2 является виртуальным нулем, поэтому I = I>ос >(1). Значение токов определяются из соотношений:
>
>,
>
>. (2)
Знак минус в значении тока I>ос>
говорит о повороте фазы сигнала на
выходе. На основании условия (1) получается
выражение: >
>
(3), откуда определяется коэффициент
усиления по напряжению усилителя с
обратной связью: >
>
(4).
Коэффициент усиления по напряжению к>ос> не зависит от коэффициента усиления операционного усилителя к>оу>, так как петлевое усиление β*к>оу >подчиняется соотношению β*к>оу >>>1, где β – коэффициент передачи цепи обратной связи по напряжению. Амплитудная характеристика усилителя приведена на рис.2. Выходное напряжение изменяется до значения насыщения U>н>±. Линейный участок амплитудной характеристики лежит в пределах изменения входного напряжения ΔU>лин>. По амплитудной характеристике определяется коэффициент усиления по напряжению:
>
>
(5).
Амплитудно-частотная характеристика усилителя представляет собой зависимость амплитуды выходного напряжения от частоты при постоянной амплитуде входного напряжения: U>вых>>m> = F(f) при U>вх>>m> = const. Амплитуда входного сигнала выбирается на линейном участке амплитудной характеристики. Из-за неизменной амплитуды U>вх>>m> коэффициент усиления по напряжению К>ос> будет изменяться так же, как и амплитуда выходного напряжения, то есть амплитудно-частотная характеристика усилителя определяется не только как U>вых>>m>, но и как К>ос >= F(f). Амплитудно-частотная характеристика приведена на рис.3.

Рис.3. Амплитудно-частотная характеристика
В усилителе отсутствует разделительный конденсатор и трансформаторы, поэтому он пропускает и усиливает постоянный ток и низкочастотные составляющие сигнала. Уменьшение выходного напряжения происходит в области высоких частот за счет паразитных емкостей, действующих параллельно входу и выходу усилителя.
Пусть усиление на низкой частоте
происходит с коэффициентом К>0>.
При уменьшении коэффициента в >
>
раз или на 3 дб определяется полоса
пропускания усилителя. Коэффициент
частотных искажений на верхних частотах
определяется из выражения >
>.
Схема неинвертирующего усилителя приведена на рис.4.

Рис.4. Схема неинвертирующего усилителя
В схеме усилителя введена последовательная отрицательная обратная связь по напряжению. Из условия идеальности операционного усилителя получается равенство потенциалов на инвертирующем и неинвертирующем входах:
U>2 >= U>3>. (1)

Рис.5.
Амплитудные характеристики неинвертирующего
усилителя для трех значений R>ос>
Значение потенциалов в точках 2 и 3 определяется из соотношения
>
>, (2)
U>3 >= e>г>. (3)
На основании выражений (1) – (3) определяется коэффициент усиления по напряжению с обратной связью:
>
>. (4)
Если отношение >
><1,
то получается >
>,
а схема работает как неинвертирующий
повторитель. Если отношение >
>>1,
то получается неинвертирующий усилитель.
Амплитудная характеристика неинвертирующего
усилителя приведена на рис.5.
R>ос1>
При изменении параметров резисторов R>3> и R>4> изменяется наклон линейного участка характеристики. Амплитудно-частотная характеристика выглядит так же, как и инвертирующего усилителя.
Экспериментальная часть
1. Балансировка усилителя.
Собрать схему согласно рис.1. Сбалансировать усилитель. Для этого использовать потенциометр R>6>, расположенный на плате операционного усилителя.> >Изменяя плечи потенциометра, добиться того, чтобы напряжение на выходе упало до нуля при заземлении точки 13 схемы. Выходное напряжение контролировать при помощи осциллографа.
2. Снятие амплитудной характеристики неинвертирующего усилителя на постоянном токе.
Снять амплитудную характеристику усилителя U>вых> = F(U>вх>) для заданного R>ос1>. В качестве источника сигнала использовать регулируемое напряжение U>рег>. Построить амплитудную характеристику (рис.2) и по ней определить коэффициент усиления К>ос>, напряжения насыщений U>н>+, U>н>– и динамический диапазон изменения амплитуды входного сигнала.
3. Снятие амплитудных характеристик неинвертирующего усилителя при помощи осциллографа.
Снять амплитудные характеристики усилителя при помощи осциллографа для трех значений R>ос1>: заданного и двух соседних. По характеристикам определить коэффициенты усиления. Для опыта необходимо подключить на инвертирующий вход в точку 13 генератор сигнала, используя у него переменный синусоидальный сигнал. В качестве источника переменного сигнала используется генератор синусоидальных и импульсных напряжений.
Для снятия зависимости данной величины от другой надо использовать два входа осциллографа: «Y» и «Х». Вход «Y» подключается к выходу усилителя в точку 6, а выход «Х» к входу усилителя в точку 13; развертка переключается в положение «Х».
4. Снятие амплитудно-частотной характеристики неинвертирующего усилителя.
Снять амплитудно-частотную характеристику (АЧХ) усилителя к>u> = F(f) при U>вх> = const для заданного значения R>ос1. >Амплитуду выходного сигнала выбрать на линейном участке амплитудной характеристики. Сигналы u>вх>, u>вых> замерить осциллографом.
На амплитудно-частотной
характеристике определить полосу
пропускания усилителя 0…f>в
>для коэффициента частотных искажений
на верхних частотах М>в> = >
>.
Зарисовать u>вх>(t)
и u>вых>(t)
для частоты 1 кГц.
5. Снятие амплитудных характеристик неинвертирующего усилителя.
Собрать схему неинвертирующего усилителя согласно рис.4.
Снять амплитудные характеристики усилителя при помощи осциллографа для трех значений резистора R>3>. Определить по характеристикам коэффициенты усиления и напряжения насыщения U>н>+, U>н>–.
6. Снятие амплитудно-частотной характеристики неинвертирующего усилителя.
Снять амплитудно-частотную характеристику неинвертирующего усилителя к>u> = F(f) при U>вх> = const для заданного значения R>ос1>.
Зарисовать u>вх>(t)
и u>вых>(t)
для частоты 1 кГц. По АЧХ определить
полосу пропускания усилителя для
коэффициента частотных искажений на
верхних частотах М>в>=>
>.
7. Оформление отчета.
По результатам опыта построить характеристики усилителей, определить их параметры, обработать осциллограммы.
Контрольные вопросы
Как определяется вид обратной связи в усилителе?
Почему отрицательная обратная связь называется стабилизирующей обратной связью?
Почему параллельная отрицательная обратная связь уменьшает входное сопротивление? Это является недостатком или достоинством?
Как вывести коэффициенты усиления по напряжению для инвертирующего и неинвертирующего усилителей?
Что называется амплитудной характеристикой усилителя?
Что такое балансировка усилителя и как она осуществляется?
Что представляет собой операционный усилитель? Каковы его параметры?
Что называется амплитудно-частотной характеристикой усилителя? Как по ней определяются полоса пропускания и коэффициент частотных искажений?
Таблица вариантов
|
№ вар. |
К>u> |
U>н>±, В |
№ вар. |
К>u> |
U>н>±, В |
|
1 |
2 |
6,3 |
13 |
20 |
6,3 |
|
2 |
4 |
9,0 |
14 |
15 |
9,0 |
|
3 |
6 |
12,0 |
15 |
10 |
12,0 |
|
4 |
10 |
15,0 |
16 |
5 |
15,0 |
|
5 |
15 |
6,3 |
17 |
2 |
6,3 |
|
6 |
20 |
9,0 |
18 |
10 |
9,0 |
|
7 |
2 |
12,0 |
19 |
15 |
12,0 |
|
8 |
4 |
15,0 |
20 |
20 |
15,0 |
|
9 |
6 |
6,3 |
21 |
25 |
6,3 |
|
10 |
8 |
9,0 |
22 |
30 |
9,0 |
|
11 |
10 |
12,0 |
23 |
5 |
12,0 |
|
12 |
15 |
15,0 |
24 |
10 |
15,0 |
Примечание: студенты, получившие подвариант А, строят амплитудную характеристику и временные диаграммы u>вх>(t), u>вых>(t) для инвертирующего усилителя; подвариант Б – для неинвертирующего усилителя; подвариант В – вывод коэффициентов усиления по напряжению для усилителей.
Работа №8
Исследование компараторов на основе операционного усилителя
Цель работы
Изучение различных схем компараторов и их характеристик.
Теоретическая часть
Компаратором называется схема для сравнения двух напряжений. В зависимости от используемой элементной базы существуют аналоговые компараторы и цифровые. Аналоговые компараторы сравнивают величины напряжений порядка 1 – 15 В; цифровые компараторы сравнивают коды чисел.
Аналоговые компараторы разделяются на 4 вида: 1) одновходовые без обратной связи; 2) двухвходовые без обратной связи; 3) триггер Шмитта; 4) двухвходовый с положительной обратной связью.
Одновходовый компаратор без обратной связи
Схема компаратора приведена на рис.1.

Рис.1. Схема одновходового компаратора
Входное напряжение U>вх> и опорное U>оп> подаются на один вход, поэтому знаки напряжений должны быть разными. Переключение компаратора произойдет тогда, когда входное напряжение сравняется по величине с опорным и превысит значение U>оп> на порог срабатывания операционного усилителя: |U>вх>| ≥ |U>оп>|.
Временные диаграммы работы компаратора приведены на рис.2.

Рис.2. Временные диаграммы работы одновходового компаратора
До момента времени t>1> (см. рис.2) состояние компаратора определяется опорным напряжением, которое подается на инвертирующий вход (см. рис.1). Для положительного значения U>оп> на выходе получается отрицательное значение напряжения насыщения U>н>¯. В момент времени t>1> компаратор переключается из одного состояния насыщения в другое – U>н>+.

При изменении опорного напряжения характеристика смещается вдоль оси U>вх> влево или вправо в зависимости от полярности напряжения U>оп>.
Для U>оп> = 0 получается амплитудная характеристика операционного усилителя.
Временные диаграммы работы для положительного значения напряжения U>оп> и периодического входного сигнала приведены на рис.4. Выходное напряжение имеет вид прямоугольных знакопеременных импульсов, имеющих длительность t>и>+ и t>и>–.

Рис.4. Временные диаграммы одновходового компаратора для периодического входного сигнала
По осциллограмме выходного
напряжения определяются коэффициенты
заполнения для положительного и
отрицательного импульсов:>
>,
>
>.
Двухвходовый компаратор без обратной связи.
Схема компаратора приведена на рис.5. В ней напряжения U>оп> и U>вх> подаются на разные входы, поэтому знаки сравниваемых напряжений должны быть одинаковыми. Для подключения опорного напряжения необходимо на плате соединить точки 15 и 11.

Рис.5. Схема двухвходового компаратора
Временные диаграммы работы для нарастающего входного сигнала приведены на рис.6.

Рис.6. Временные диаграммы работы двухвходового компаратора
До момента времени t>1> состояние компаратора определяется неинвертирующим входом, так как на нем действует большее по величине напряжение. Как только напряжение на инвертирующем входе превысит значение U>оп> на порог срабатывания компаратора, так напряжение на выходе скачком меняется из состояния U>н>+ в состояние U>н>–. Временные диаграммы для периодического входного сигнала и отрицательного значения U>оп> приведены на рис.7.

Рис.7. Временные диаграммы работы двухвходового компаратора для периодического входного сигнала
Триггер Шмита.
Триггером называется схема с двумя устойчивыми состояниями равновесия, которая под действием входного сигнала переключается из одного состояния равновесия в другое и обладает памятью. Существуют аналоговые триггеры и цифровые. Аналоговый триггер выполняется на операционном усилителе. При построении схем триггеров применяется положительная обратная связь.
Схема триггера Шмитта приведена на рис.8.

Рис.8. Схема триггера Шмитта
Резистор обратной связи соединяет точки 6 и 3. В схеме введена последовательная обратная связь по напряжению, так как напряжение обратной связи U>ос> пропорционально выходному напряжению и включено во входную цепь последовательно с входным сигналом.
Для определения знака обратной
связи на вход задается сигнал любого
знака, например, положительного. В точке
6 сигнал инвертируется, поэтому на схеме
показан отрицательный сигнал, который
передается на вход в точку 3, причем, >
>.
Во входном контуре получается согласное
включение сигналов U>вх>
и U>ос>
(стрелки направлены в одну сторону).
Знаки или фазы сигналов совпадают,
поэтому связь – положительная.
Положительная обратная связь приводит
к уменьшению времени переключения
компаратора и создает память триггера.
Амплитудная характеристика триггера Шмитта приведена на рис.9. Если на выходе схемы появляется положительное напряжение U>н>+, то такой же знак имеет напряжение обратной связи U>ос>. Для переключения операционного усилителя на инвертирующий вход необходимо подать положительное напряжение. Когда выполняется условие U>вх> ≥ U>ос>, тогда компаратор переключается в другое состояние насыщения U>н>¯.
Для отрицательного выходного напряжения изменяется знак напряжения обратной связи на отрицательный. Чтобы переключить компаратор, необходимо на вход подать отрицательное напряжение, которое должно сравняться с напряжением обратной связи и превысить его на малую величину. В результате переключения усилителя под действием входного сигнала разной полярности получается релейная характеристика в виде петли гистерезиса (рис.9). Пока значение входного сигнала лежит в пределах петли, триггер сохраняет значение выходного сигнала. Это означает, что схема триггера обладает памятью. Значения напряжения U>ос> называются пороговыми U>пор>.

Рис.9. Амплитудная характеристика триггера Шмитта
Двухвходовый компаратор с положительной обратной связью

Рис.10. Схема двухвходового компаратора с положительной обратной связью
Схема компаратора приведена на рис.10. В ней включен источник опорного напряжения в цепь неинвертирующего входа, а входной сигнал – в цепь инвертирующего входа. В зависимости от полярности опорного напряжения петля амплитудной характеристики сдвигается от нуля влево или вправо. На рис.11 изображена амплитудная характеристика для U>оп> >0.

Рис.11. Амплитудная характеристика двухвходового компаратора с положительной обратной связью
Экспериментальная часть
Снятие амплитудной характеристики операционного усилителя.
Снять амплитудную характеристику операционного усилителя для U>оп> = 0. Для этого вертикальный вход осциллографа подключить к выходу усилителя, а горизонтальный вход – к инвертирующему входу.
Снятие амплитудной характеристики одновходового компаратора.
Снять амплитудную характеристику одновходового компаратора для U>оп> ≠ 0. Значение опорного напряжения взять из таблицы вариантов.
Снятие амплитудной характеристики триггера Шмита.
Амплитудная характеристика триггера Шмитта снимается также как и амплитудная характеристика одновходового компаратора: вертикальный вход осциллографа подключается к выходу, а горизонтальный – к инвертирующему входу.
Снятие амплитудной характеристики двухвходового компаратора.
Снять амплитудную характеристику двухвходового компаратора с положительной обратной связью для U>оп> ≠ 0. Подключение осциллографа остается таким же как в п.3, а в цепь неинвертирующего входа подключается опорное напряжение.
Исследование работы компараторов от переменного входного сигнала.
5.1. Зарисовать осциллограммы напряжений u>вх>(t), U>оп>(t), u>вых>(t) для U>оп> ≠ 0. В качестве источника входного напряжения использовать генератор импульсов.
5.2. Зарисовать осциллограммы напряжений u>вх>(t), u>вых>(t) триггера Шмитта. В качестве источника входного напряжения использовать генератор импульсов.
5.3. Зарисовать осциллограммы напряжений u>вх>(t), U>оп>(t), u>вых>(t) двухвходового компаратора с положительной обратной связью.
Снять зависимость коэффициента заполнения γ± от опорного напряжения U>оп>±.
Контрольные вопросы
Что называется компаратором?
Зачем в схему компаратора включается опорное напряжение?
Зачем в компаратор включается положительная обратная связь?
В каких случаях применяется одновходовый компаратор?
Что такое амплитудная характеристика и как она выглядит для разных схем компараторов?
Как повысить помехоустойчивость триггера Шмитта?
Что такое коэффициент заполнения? Как изменяется коэффициент заполнения от опорного напряжения при синусоидальном входном сигнале в разных схемах компараторов?
Таблица вариантов
|
№ вар. |
U>оп>, В |
U>вх>>m>, В |
> |
№ вар. |
U>оп>, В |
U>вх>>m>, В |
> |
|
1 |
0,5 |
4,0 |
0,3 |
13 |
0,5 |
3,0 |
0,4 |
|
2 |
1,0 |
5,0 |
0,5 |
14 |
1,0 |
4,0 |
0,6 |
|
3 |
1,5 |
6,0 |
1,0 |
15 |
1,5 |
3,5 |
1,0 |
|
4 |
2,0 |
5,0 |
1,5 |
16 |
2,0 |
4,0 |
0,5 |
|
5 |
2,5 |
6,0 |
1,0 |
17 |
2,5 |
4,5 |
1,0 |
|
6 |
3,0 |
5,0 |
1,5 |
18 |
3,0 |
6,0 |
0,5 |
|
7 |
0,5 |
3,0 |
0,3 |
19 |
0,5 |
4,0 |
1,0 |
|
8 |
1,0 |
3,5 |
0,5 |
20 |
1,0 |
3,5 |
0,3 |
|
9 |
1,5 |
4,0 |
0,8 |
21 |
1,5 |
4,0 |
0,5 |
|
10 |
2,0 |
4,5 |
1,0 |
22 |
2,0 |
4,5 |
1,0 |
|
11 |
2,5 |
3,0 |
1,5 |
23 |
2,5 |
5,0 |
1,5 |
|
12 |
3,0 |
5,0 |
1,0 |
24 |
3,0 |
5,5 |
1,0 |
Примечание: студенты, получившие подвариант А, строят временные диаграммы u>вх>(t), u>вых>(t), u>оп>(t) для двухвходового компаратора; подвариант Б – временные диаграммы u>вх>(t), u>вых>(t), u>пор>(t) для триггера Шмитта; подвариант В – временные диаграммы u>вх>(t), u>вых>(t), u>оп>(t), u>пор>(t) для двухвходового компаратора с положительной обратной связью (ПОС). Напряжение насыщения усилителя U>н>± = 7 В.
Работа № 9
Исследование биполярного транзистора
Цель работы
Изучение характеристик и параметров биполярного транзистора.
Теоретическая часть
В биполярном транзисторе два типа носителей заряда (электроны и дырки) участвуют в процессе протекания тока. Кроме того, транзистор содержит две цепи: входную и выходную. Входная цепь транзистора состоит из перехода эмиттер-база, который включается в прямом направлении, а выходная цепь состоит из перехода коллектор-база, который включается в обратном направлении.
По типу основных носителей, которые перемещаются в структуре, различают транзисторы типа n-p-n и p-n-p. В транзисторе типа n-p-n основные носители – электроны, а в транзисторе типа p-n-p – дырки. По способу перемещения основных носителей через базу различают диффузионные и дрейфовые транзисторы.
Дрейфовые транзисторы имеют более тонкую базу, в которой характер перемещения основных носителей – дрейфовый. В диффузионных транзисторах время перемещения основных носителей через базу больше чем в дрейфовых. Статические характеристики и параметры диффузионных и дрейфовых транзисторов одинаковые, а динамические параметры разные. Дрейфовые транзисторы относятся к высокочастотным полупроводниковым приборам и используются в интегральных схемах или в виде отдельных полупроводниковых приборов. Схема включения транзисторов в статическом режиме с общей базой приведена на рис.1. Стрелками на структуре показано перемещение электронов.

Рис.1. Схема включения с общей базой в статическом режиме
Под действием прямого напряжения U>э> происходит диффузия электронов из эмиттера в базу. Потенциальный барьер перехода П>1> не препятствует диффузии, т.к. его ослабляет внешнее напряжение. В базе происходит диффузионное перемещение электронов от перехода П>1> к переходу П>2>, если рассматривается транзистор диффузионного типа. В процессе диффузионного перемещения происходит рекомбинация электронов и дырок. Если заполненные электронные связи получаются устойчивыми, то к переходу П>2> подходят не все электроны, которые были инжектированы в базу из эмиттера.
В результате актов рекомбинации база теряет электрическую нейтральность и приобретает избыточный отрицательный заряд. Между слоем базы и ее выводом возникает электрическое поле, выталкивающее во внешнюю цепь электроны, в результате чего появляется ток базы.
Основная масса электронов подходит к коллекторному переходу П>2> и под действием напряжения U>к> дрейфует в коллектор. Слой коллектора приобретает избыточный отрицательный заряд, поэтому между слоем коллектора и его выводом возникает электрическое поле, выталкивающее во внешнюю цепь электроны. По аналогии с цепью коллектора в цепи эмиттера протекает ток, вызванный избыточным положительным зарядом эмиттера. Таким образом, протекание токов в цепях эмиттера, базы и коллектора связано с поддержанием электрической нейтральности слоев транзистора.
Для взаимодействия эмиттерного и коллекторного переходов необходимо, чтобы слой базы был достаточно тонким, например, для диффузионного транзистора ширина базы составляет десятки мкм. Передача тока из эмиттерной цепи в коллекторную определяется коэффициентом α. Различают статический коэффициент передачи тока эмиттера и дифференциальный:
>
>,
>
>. (1)
На линейных участках характеристик транзистора статический и дифференциальный коэффициент передачи одинаковы, поэтому для линейного режима работы используется одно значение α.
Из схемы включения транзистора следует основное уравнение для токов:
>
>. (2)
В цепи коллектора необходимо учесть ток неосновных носителей, который протекает под действием источника E>к>. Этот ток определяется при оборванном эмиттере и обозначается I>к0> (рис.2). С учетом обратного тока коллектора I>к0> значение выходного тока в схеме с общей базой определяется выражением:
>
>. (3)
Рис.2. Схема включения с общей базой при I>э> = 0
Влияние выходного напряжения на ток коллектора зависит от дифференциального сопротивления коллекторного перехода r>к> и определяется соотношением U>к>/r>к>. Уравнение выходного тока для линейного участка вольтамперной характеристики имеет вид:
>
>. (4)
Схема включения с общим эмиттером приведена на рис.3. В этой схеме на вход и на выход подаются регулируемые напряжения U>брег> и U>крег>. Эмиттер является общим электродом для входа и выхода. Принцип действия биполярного транзистора не изменяется при изменении схемы включения, так как эмиттерный переход П>1> включается в прямом направлении, а коллекторный П>2> – в обратном. В отличие от схемы с общей базой напряжение U>крег> подключается к двум p-n-переходам П>1> и П>2>. Из-за этого в области базы появляется избыточный отрицательный заряд, если разомкнута цепь эмиттера. Отрицательный заряд скапливается у границы перехода П>2> и вызывает полевой пробой этого перехода, поэтому в схемах включения с общим эмиттером и общим коллектором нельзя включать транзистор с оборванной базой. Данное условие необходимо соблюдать для биполярных транзисторов разной мощности, особенно для средней и большой. В паспортных данных биполярных транзисторов указывается минимальный ток базы или внешнее сопротивление в цепи базы, при которых не происходит пробоя коллекторного перехода.

Рис.3. Схема включения с общим эмиттером
Выражение выходного тока для схемы с общим эмиттером получается на основе уравнения выходного тока схемы с общей базой. В выражение (4) подставляется выражение (2):
>
>. (5)
После преобразования выражения (5) получается коллекторный ток, зависящий от параметра α:
>
>. (6)
В выражении (6) каждое слагаемое можно рассмотреть отдельно:
>
>; >
>; >
>, (7)
где В – коэффициент передачи тока базы, причем, различают статический коэффициент передачи и дифференциальный; на линейных участках характеристик статический и дифференциальный коэффициенты одинаковы;
I>к0>’ – обратный ток коллектора в схеме с общим эмиттером;
r>d> – дифференциальное сопротивление коллекторного перехода для схемы с общим эмиттером.
>
>; при
U>к> = const. (8)
>
>; при
I>б> = const. (9)
Для оценки параметров транзистора зададим коэффициент передачи тока эмиттера α=0,98 и подсчитаем параметры В, r>d>, I>к0>’:
>
>;
>
>;
>
>. (10)
Из соотношения (10) следует, что в схеме с общим эмиттером происходит усиление тока базы, поэтому коэффициент передачи В называется коэффициентом усиления тока базы. Выходное сопротивление транзистора r>d> уменьшается, а ток I>к0>’ возрастает по сравнению со схемой включения с общей базой.
Уравнение выходного тока с учетом соотношений (7) запишется в виде:
>
>. (11)
Для графоаналитического расчета усилительных каскадов используются статические характеристики транзистора: входные I>б> = F(U>б>) при U>к> = const; выходные I>к> = F(U>к>) при I>б> = const; передачи по току I>к> = F(I>б>) при U>к> = const.
Входные характеристики имеют вид, аналогичный прямой вольтамперной характеристике диода (рис.4). С ростом коллекторного напряжения характеристики сдвигаются вправо, так как происходит расширение коллекторного перехода в сторону базы и вследствие этого уменьшение ширины базы, а значит – базового тока. Влияние коллекторного напряжения на ток базы незначительное, так как базовый ток в основном определяется прямым напряжением, поступающим на базу.

Рис.4. Входные характеристики транзистора
Выходные характеристики транзистора имеют вид, аналогичный вольтамперным характеристикам диода в обратном включении (рис.5а). Принято изображать выходные характеристики в первом квадранте (рис.5б). Первая характеристика представляет собой обратный ток коллектора, который протекает при нулевом полезном сигнале в цепи базы (рис.6). По выходным характеристикам определяются выходное сопротивление транзистора r>d> в схеме с общим эмиттером и коэффициент усиления тока базы В.

а) б)
Рис.5. Выходные характеристики транзистора

Рис.6. Контур протекания обратного тока I>к0>’
При включении нагрузки в цепь коллектора (рис.7) транзистор работает в квазистатическом (нагрузочном) режиме. Значение тока коллектора определяется из уравнения 2-го закона Кирхгофа, составленного для выходной цепи:
>
>, (12)
>
> . (13)

Рис.7. Схема с общим эмиттером в нагрузочном режиме
Из выражения (13) определяются точки холостого хода и короткого замыкания выходной цепи:
i>к>
= 0, u>к>
= Е>к>; u>к>
= 0, >
>. (14)
По точкам холостого хода и короткого замыкания строится нагрузочная прямая на выходных характеристиках транзистора (рис.8). Прямая пересекает три области работы: область отсечки, активную область усиления и область насыщения.

Рис.8. Области работы транзистора в нагрузочном режиме
Область отсечки находится ниже
характеристики обратного тока коллектора
I>к0>’.
На рис.8 рабочей точкой отсечки является
точка 1. На коллекторе действует напряжение
отсечки U>котс>.
Мощность, рассеиваемая на транзисторе
в режиме отсечки, равна: >
>.
Активная область усиления расположена между рабочими точками 1 и 4, где выходной ток изменяется пропорционально входному току: I>к> = В*I>б>. Область называется активной, т.к. на ней происходит усиление сигнала за счет внутренних свойств транзистора и взаимодействия эмиттерного и коллекторного переходов. В этой области на транзисторе рассеивается наибольшая мощность, определяемая рабочей точкой: P>акт> = I>к>*U>к>.
Область насыщения находится между осью тока и выходными характеристиками, которые сливаются в одну линию при малых напряжения коллектора. Рабочей точкой насыщения является точка 4, в которой ток коллектора достигает значения насыщения. При увеличении тока базы I>б> ≥ I>б3> ток коллектора не изменяется, а напряжение достигает значения насыщения U>кэн>. Мощность, рассеиваемая на транзисторе равна: P>н> = I>кн>*U>кэн>. Причем, в режиме насыщения рассеиваемая мощность больше, чем в режиме отсечки.
Экспериментальная часть
Рис.9. Схема для снятия статических характеристики транзистора
1. Снятие входной характеристики.
Снять входную характеристику
транзистора I>б>
= F(U>б>)
при постоянном значении Е>2>.
Построить входную характеристику и
определить по ней входное сопротивление:
>
>.
Входная характеристика показана на
рис.10.
2. Снятие характеристики передачи в статическом режиме.
Построить характеристику
передачи. Определить по ней коэффициент
усиления тока базы >
>.
Характеристика передачи транзистора
показана на рис.11.

Рис.10. Входная характеристика транзистора

Рис.11. Статическая характеристика передачи транзистора
Снятие характеристики передачи в нагрузочном режиме.
Для этого в цепь коллектора включить резистор R>к> согласно заданному варианту. Схема включения приведена на рис.12.
Построить характеристику I>к> = B(I>б>) при R>к> = const. По ней найти токи насыщения базы и коллектора, а также коэффициент усиления тока. Определение этих величин по характеристике показано на рис.13.

Рис.13. Характеристика передачи в нагрузочном режиме
Коэффициент усиления по току
>
>. (15)
Снятие выходных характеристик транзистора.
Выходные характеристики снимаются при изменяющемся токе коллектора. Для этого в цепь коллектора подается положительная полуволна напряжения, которая получается в результате однополупериодного выпрямления напряжения ~6,3 В. Схема включения приведена на рис.14.
По выходным характеристикам определить выходное сопротивление транзистора:
>
>. (16)
Определение r>d> показано на рис.15.

Рис. 15. Выходные характеристики транзистора
5. Оформление отчета.
При оформлении отчета представить таблицы измерений, характеристики транзистора, определение параметров по характерситикам. Сделать выводы по каждому пункту.
Контрольные вопросы
Что такое электронная и дырочная проводимости полупроводника?
Чем отличаются транзисторы типа n-p-n и p-n-p?
Показать подключение транзисторов типа n-p-n и p-n-p к источникам входной цепи?
Изобразить характеристики передачи биполярного транзистора в статическом режиме и нагрузочном?
Какой параметр транзистора определяется по характеристике передачи?
Как выглядят выходные характеристики транзистора и какие параметры определяются по ним?
Как влияет температура на выходные характеристики транзистора?
Как смещается линия нагрузки на выходных характеристиках, если сопротивление нагрузки возрастает (уменьшается)?
Таблица вариантов
|
№ вар. |
E>к>, В |
R>к>, кОм |
№ вар. |
E>к>, В |
R>к>, кОм |
|
|
6 |
1,5 |
|
6 |
1,3 (1,5//10) |
|
|
7 |
1,5 |
|
6 |
1,8 (2,2//10) |
|
|
8 |
1,8 (2,2//10) |
|
8 |
2,2 |
|
|
9 |
1,8 (2,2//10) |
|
9 |
2,2 |
|
|
10 |
2,2 |
|
10 |
2,48 (3,3//10) |
|
|
11 |
2,48 (3,3//10) |
|
11 |
2,2 |
|
|
6,5 |
1,5 |
|
6,5 |
1,3 (1,5//10) |
|
|
7,5 |
1,5 |
|
7,5 |
1,8 (2,2//10) |
|
|
8,5 |
1,8 (2,2//10) |
|
8,5 |
2,2 |
|
|
9,5 |
2,2 |
|
9,5 |
2,48 (3,3//10) |
|
|
10,5 |
2,2 |
|
10,5 |
2,48 (3,3//10) |
|
|
11,5 |
2,48 (3,3//10) |
|
11,5 |
2,7 (3,3//15) |
Примечание: студенты, получившие подвариант А – строят нагрузочную прямую на выходных характеристиках транзистора; подвариант Б – строят характеристику передачи в статическом режиме; подвариант В – строят характеристику передачи в нагрузочном режиме.
Работа №10
Исследование интегрирующего усилителя
Цель работы
Изучение свойств интегрирующего усилителя на основе операционного усилителя.
Теоретическая часть
Схема усилителя приведена на рис.1.

Рис.1. Схема интегрирующего усилителя
В цепи обратной связи включены конденсатор С и резистор R>7> = 470 кОм. Резистор R>7> создает отрицательную обратную связь по постоянному току, что позволяет уменьшить дрейф нуля усилителя. Конденсатор С пропускает переменные составляющие сигнала и осуществляет операцию интегрирования.
Пусть частота сигнала 104 Гц, емкость конденсатора 3,3 нФ, тогда
>
>. (1)
Получается относительно малое сопротивление x>с> по сравнению с R>7>, поэтому током i>1> можно пренебречь.
Пусть операционный усилитель является идеальным усилителем напряжения, тогда ток i>вх>>u> = 0. Точка 2 является виртуальным нулем, поэтому i = i>oc>.
Значение токов определяется из соотношений:
>
>, (2)
>
>, (3)
>
>, (4)
>
>>
>,
>
>. (5)
На основании выражения (5) определяется временная функция выходного напряжения:
>
>, (6)
где U>вых>(0) – начальное напряжение на конденсаторе.
Пусть U>вых>(0) = 0, а на вход подается скачек напряжения с амплитудой
U>m>.
Тогда >
>, (7)
где R>4>С = τ – постоянная времени интегрирования.
Работа интегрирующего усилителя для скачка входного напряжения приведена на рис.2.

Рис.2. Временные диаграммы работы интегрирующего усилителя для скачка входного напряжения
Если на вход усилителя подается прямоугольное знакопеременное напряжение, то на выходе получается пилообразное напряжение. Временные диаграммы, иллюстрирующие работу усилителя, приведены на рис.3.

Рис.3. Временные диаграммы интегрирующего усилителя для периодического прямоугольного сигнала
При построении рис.3 начальное напряжение U>вых>(0) принято равным 0. Амплитудное значение выходного напряжения U>п>>m> достигается за четверть периода Т прямоугольного сигнала или половину длительности импульса t>u>:
>
>,
>
>,
где f
– частота входного сигнала.
Тогда значение амплитуды
определяется выражением: >
>
(8)
При расчете и построении временных диаграмм напряжение U>m> принимается равным 3 В.
Экспериментальная часть
1. Балансировка усилителя.
Собрать схему согласно рис.1. При отсутствии входного сигнала добиться нулевого значения выходного напряжения. Напряжение на выходе контролировать при помощи осциллографа.
2. Работа генератора пилообразного напряжения.
Исследовать
работу генератора пилообразного
напряжения. Для этого в точку 14 схемы
подать прямоугольное знакопеременное
напряжение от генератора сигнала,
используя у него выход «
».
Установить заданную частоту f
и амплитуду входного напряжения U>m>.
Зарисовать осциллограммы u>вх>(t)
и u>вых>(t).
Сравнить с расчетом по значениям U>m>,
f,
U>п>>m>.
3. Снятие зависимости амплитуды выходного напряжения от частоты.
При изменении частоты прямоугольного входного сигнала контролировать изменение амплитуды U>п>>m> = F(f). Результаты измерений занести в таблицу.
4. Оформление отчета.
По результатам опыта построить зависимость U>п>>m> = F(f), определить U>п>>m> для заданной частоты и обработать осциллограммы.
Контрольные вопросы
Что означает понятие «Виртуальный ноль»?
Как изменить постоянную времени интегрирования?
Что произойдет с выходным напряжением интегрирующего усилителя, если смещается ноль усилителя?
Как определить вид обратной связи в усилителе?
Что произойдет в схеме, если изменяются R>4>, R>7>, R>5>, С?
Как влияет частота входного сигнала на выходное напряжение схемы?
Таблица вариантов
|
№ вар. |
С, нФ |
f, кГц |
№ вар. |
С, нФ |
f, кГц |
|
1 |
1.0 |
40 |
13 |
6.8 |
5 |
|
2 |
1.5 |
30 |
14 |
3.3 |
20 |
|
3 |
2.2 |
35 |
15 |
2.2 |
25 |
|
4 |
3.3 |
10 |
16 |
10.0 |
10 |
|
5 |
6.8 |
8 |
17 |
6.8 |
13 |
|
6 |
10.0 |
4 |
18 |
3.3 |
19 |
|
7 |
6.8 |
6 |
19 |
2.2 |
28 |
|
8 |
3.3 |
15 |
20 |
1.0 |
62.5 |
|
9 |
2.2 |
30 |
21 |
1.5 |
55.5 |
|
10 |
1.5 |
25 |
22 |
2.2 |
40 |
|
11 |
1.0 |
50 |
23 |
3.3 |
25 |
|
12 |
10 |
3 |
24 |
10.0 |
8.0 |
Примечание: студенты, получившие подвариант А, строят временные диаграммы u>вх>(t), u>вых>(t); подвариант Б – изображают варианты схем интегрирующих усилителей; подвариант В – расчет выходного напряжения с учетом резистора R>7>.
Библиографический список
Горбачев Г.Н., Чаплыгин Е.Е. Промышленная электроника. – М.: Энергоатомиздат, 1988. – 320 с.
Забродин Ю.С. Промышленная электроника. – М.: Высшая школа, 1982. – 496 с.
Гусев В.Г., Гусев Ю.М. Электроника. – М.: Высшая школа, 1991. – 622 с.
Шило В.Л. Линейные интегральные схемы в радиоэлектронной аппаратуре. – М.: Сов. радио, 1979. – 368 с.
>,
В