Источник бесперебойного питания мощностью 600 Вт
«Утверждено»
РТ01.430127.001 ТЗ-ЛУ
“____” __________200 р.
Техническое задание
Источник бесперебойного питания
РТ01.430127.001 ТЗ
2006 г.
Техническое задание на разработку источника
бесперебойного питания.
1. Наименование.
“Источник бесперебойного питания”.
2.Технические требования.
2.1. Основные параметры.
Блок должен отвечать требованиям существующих технических требований (ТТ) и комплекта конструкторской документации (КД) РТ01.430127.001
Источник бесперебойного питания (далее ИБП) должен обеспечивать контроль параметров входного напряжения в границах, которые обеспечивают нормальную работу импульсного источника питания. Это обусловлено особенностями импульсных блоков питания, а именно широким диапазоном входных напряжений. Граница изменения напряжения на входе, при котором обеспечивается нормальная работа от сети ИБП, должна составлять:
нижний порог – 30%;
верхний порог + 20%.
ИБП должен обеспечивать контроль параметров на выходе при обеспечении питания от внешней сети и в режиме питания от батарей:
контролировать выходное напряжение;
контролировать уровень нагрузки.
Измерение параметров позволяет наблюдать за процессами, которые происходят в сети, своевременно реагировать на исчезновение напряжения или отход его величины от границ, превышение которых вызывает нарушение работы импульсных источников питания.
Так, как характеристики напряжения сети имеют определенные параметры, установленные стандартами (ГОСТ 3413-96), то напряжение питания ИБП должно отвечать величине 220В, и иметь отклонения напряжения и частоты, которые не превышают предельных значений.
Так, как мы рассчитываем источник бесперебойного питания, который можно было бы применять с разнообразной нагрузкой, предполагаемая выходная мощность будет составлять 600 Вт (типичный компьютер потребляет 350—400 Вт).
Так, как необходимо обеспечить время резервного питания, во время которого необходимо, например, выполнить возможный переход на питание от более энергоемкого источника (например, генератора), или завершение работы тех или иных устройств (выключение ПК), минимально необходимое время резервирования (резервного питания) должно быть не менее 5 мин., при 100% нагрузке.
Основные технические требования сводим в таблицу 2.1.
Основные технические требования. Таблица 2.1
-
№
Параметр
Ед. измерения
Величина параметра
1
Выходная мощность
Вт
600
2
Входное/выходное напряжение
Вольт
220/220
3
Входная частота
Гц
50
4
Диапазон изменений входной частоты при работе от сети
%
+/-5
5
Диапазон изменений входного напряжения при работе от сети
%
+20/-30%
6
Диапазон стабилизации выходного напряжения при питании от батареи
%
+/- 1,5%
8
Время переключения на батарею, не меньше
мс
0
9
Время резервирования (резервного питания) от батарей при 100% нагрузке, не меньше
мин.
25
10
Время заряда батарей до уровня 90% от номинального, не больше
ч
4
Дополнительные требования
Форма напряжения на выходе источника бесперебойного питания при питании от сети и при питании от батареи - синусоидальная.
Защита нагрузки от переходных процессов в источнике – автоматический обход.
Защита от перегрузки по току – автоматический выключатель.
Силовой вход – штепсельный разъем с вилкой IEC- 320 (10A).
Силовой выход – два гнезда IEC- 320 (10A).
Электромагнитная совместимость - EN55022 Class B.
2.2 Конструкторско-технические требования.
Установочные, присоединительные и габаритные размеры блока должны отвечать требованиям сборочного чертежа РТ01.436237.001 СБ.
Детали, которые
используются для изготовления
блока,
должны отвечать чертежам и
требованиям стандарта
ОСТ 4Г0.070.014.
Сборка блока должна выполняться
в
соответствии с требованиями стандарта
ОСТ 4Г0.070.015.
Все виды
покрытия должны быть механически
крепкими,
антикоррозийными, однородными,
не иметь дефектов и
отвечать
действительным нормативным документам
(НД).
Монтаж блока
должен выполняться в соответствии с
НД
на монтаж, которые действительны
на предприятии-производителе.
Корпус изделия - металлический, что обеспечивает защиту встроенных и вставных блоков от ударов и повреждений.
Выступающие и габаритные детали корпуса не должны иметь острых и травмирующих граней и поверхностей.
Защита от коррозии должна быть выполнена посредством применения гальванических и лакокрасочных покрытий и отвечать ГОСТ-9.014, ГОСТ-9.005 и ГОСТ-9.301.
Электрический монтаж не должен препятствовать доступу к размещаемым элементам.
Электромонтаж должен отвечать ГОСТ 23584, ГОСТ 23592, ГОСТ 23594, ГОСТ 23591, ГОСТ 23587
2.3. Требования стойкости к механическим и климатическим воздействиям.
Условия эксплуатации изделия отвечают категории расположения 4.2. за ГОСТ 15150-69.
Соответственно у ГОСТ 11478-88 изделие должно выдерживать следующие нормативные воздействия:
Прочность при транспортировке (в упакованном виде):
Ускорение 15g;
Длительность ударного импульса 11 мс;
Число ударов, не меньше 1000.
При отсутствии влияния агрессивных условий спроектированное изделие должно сохранять работоспособность в следующих условия эксплуатации:
температура окружающего воздуха от 0 до +35 °С;
относительная влажность воздуха до 95% при температуре +30 °С и более низких температурах, без конденсации влаги;
атмосферное давление от 84 до 106,7 кПа (от 650 до 800 мм.рт.ст.), группа Р1 за ГОСТ 12997-84.
вибрационные нагрузки в диапазоне частот от 10 до 50 Гц при амплитуде сдвига до 0,35 мм. Группа №2 за ГОСТ 12997-84, вибростойкое выполнение.
2.4. Эксплуатационные требования.
Требования по эксплуатации должны отвечать группе 1.1 УХЛ ГОСТ 8ГО.39.304-76.
2.5. Требования по надежности.
Изделие по своим конструктивным и техническим характеристикам должно относиться к контролируемым, возобновляемым техническим средствам и отвечать таким требованиям:
Вероятность безотказной работы на протяжении 1000 ч, не меньше 0,85.
Среднее время возобновления не больше 6 час.
Средняя наработка на отказ не меньше 5000 час.
3. Требования по дизайну.
Требования к цвету окрашенных поверхностей и лакокрасочных материалов соответственно к ГОСТ 9.032-76 та ГОСТ 9.104-79 .
4. Требования к условиям транспортировки.
Упаковка должна обеспечивать сохранение изделия при транспортировке всеми видами транспорта на любые расстояния.
5. Требования по безопасности изделия.
Блок не должен быть источником пожара, отравляющих газов, как при исправной работе, так и в случаях отказа.
Возникновение отказа не должно производить к прекращению электропитания других систем, подключенных к общей электросети.
6. Требования по стандартизации и унификации.
Разработка прибора должна проводиться с учетом максимального использования унифицированных и стандартизировали деталей и узлов. Коэффициент применения на уровне деталей не менее 50 %.
7. Требования к технологичности конструкции.
Разработка элементов конструкций изделия должна проводиться с максимальным использованием прогрессивных технологических методов изготовления и обработки, типичных технологических процессов согласно ЕСТП.
Содержание
Вступление 4
Раздел 1. Техническая часть 7
Обоснование обеспечения условий ТЗ 7
Обзор аналогов изделия 8
Описание структурной схемы 9
1.3.1. Обзор и анализ структурных схем систем бесперебойного питания 9
– ИБП резервного типа (Off-Line или standby) 10
– линейно-интерактивный ИБП (Line-Interactive) 11
– ИБП с двойным преобразованием напряжения (On-Line) 12
1.3.2. Описание структурной схемы источника бесперебойного питания 14
Описание схемы электрической принципиальной 18
1.4.1. Зарядное устройство 18
1.4.2. Преобразователь постоянного напряжения 20
1.4.3. Стабилизатор напряжения 300В 22
1.4.4. Выходной инвертор 23
1.4.5. Схема байпаса 23
1.4.6. Узел управления 24
Разработка и расчет узлов схемы электрической принципиальной 26
1.5.1. Электрический расчет схемы зарядного устройства 26
1.5.2. Электрический расчет схемы импульсного стабилизатора напряжения 41
1.5.3. Электрический расчет входного и выходного фильтров 52
1.6. Обоснование выбора элементов схемы 60
1.6.1. Выбор резисторов 61
1.6.2. Выбор конденсаторов 65
1.6.3. Выбор индуктивностей и трансформаторов 69
1.6.4. Выбор активных элементов 70
1.7. Расчет печатной платы 72
1.7.1. Расчет площади печатной платы 72
1.7.2. Расчет параметров металлизированных отверстий 74
1.7.3. Расчет ширины печатных проводников 77
1.8. Тепловой расчет 78
1.9. Расчет надежности устройства 80
Раздел
2. Экономический расчет 84
Анализ ринка 84
Расчет уровня яркости 85
2.2.1. Основные технические параметры устройства 85
2.2.2. Определение важности показателей 85
2.3. Расчет себестоимости устройства 91
2.3.1. Расчет расходов на закупку материалов 92
2.3.2. Расчет расходов на покупные изделия и полуфабрикаты 93
2.3.3. Расчет основной заработной платы 96
2.3.4. Дополнительная зарплата работников 97
2.3.5. Начисление заработной платы 97
2.3.6. Общепроизводственные расходы 97
2.3.7. Административные расходы 98
2.3.8. Расходы на сбыт 98
2.4. Определение цены изделия 99
2.4.1. Нижняя граница цены 99
2.4.2. Верхняя граница цены 100
2.4.3. Договорная цена 101
2.4.4. Определение объема производства продукции 101
Раздел 3. Охрана труда 104
3.1. Анализ вредных и опасных производственных факторов 104
3.2. Характеристика параметров рабочего помещения 105
3.3. Расчет естественного освещения 107
3.4. Расчет искусственного освещения 110
3.5. Оценка санитарных норм условий труда при пайке 112
3.6. Электробезопасность 113
3.7. Пожарная безопасность помещения 114
Выводы 118
Список литературы 119
Вступ.
В даний час спостерігається збільшення потреби у високошвидкісних центрах обробки даних, системах телекомунікаційного зв'язку в реальному масштабі часу і застосуванні систем з безперервним автоматичним технологічним процесом. Зростання потреби в такому устаткуванні поряд із забезпеченням великою кількістю різноманітних можливостей висуває вимоги до їхніх джерел електроживлення.
Незважаючи на те, що при генерації електроенергії сигнал має чудову форму, у той момент, коли електроживлення досягає споживача, його якість далека від ідеального. Більшість типів перекручувань неприпустимі, наприклад, значні провали напруги і коливання частоти, що можуть призвести до непоправних втрат, викликаних ушкодженням устаткування в сполученні c неможливістю його подальшого використання по призначенню. Звичайно ж фінансові наслідки цього можуть бути просто страшними, впливаючи не тільки на поточну роботу, але, що є серйознішим, і на розвиток бізнесу в майбутньому.
При проектуванні радіоелектронної апаратури, одним з основних критеріїв економічності є зниження споживаної пристроєм потужності (зокрема, застосування нових технологій дозволило скоротити на кілька порядків споживання енергії побутовою апаратурою в порівнянні навіть з десятком років тому).
За минулі більш ніж 100 років від моменту появи першого електронного пристрою (радіо А.С.Попова) до наших днів змінилось кілька поколінь електронних пристроїв, що мають принципові відмінності по функціональних можливостях, типу застосовуваної елементної бази, конструктивно-технічному рішенню і т.д. Це рівною мірою відноситься до радіоелектронної апаратури побутового призначення, так і системам керування складними технічними об'єктами, такими як повітряні лайнери, космічні апарати та ін. Однак кожен вид електронних засобів, будь це комп'ютер, схема керування роботою системи життєзабезпечення, програвач компакт дисків чи радіолокаційна станція всі вони мають пристрій який забезпечує електроживленням всіх елементів (електронних ламп, транзисторів, мікросхем), пристроїв які входять до тієї чи іншої системи. Отже наявність джерела живлення в будь-якому пристрої річ цілком очевидна і вимоги до нього досить великі, адже від його якісної роботи залежить робота пристрою в цілому. Особливу увагу на живлення стали звертати при побудові складних цифрових пристроїв (персональний комп'ютер чи будь-яка інша мікропроцесорна техніки) де виникла потреба забезпечення цих пристроїв безперервним і найголовніше - якісним живленням. Пропадання напруги для пристроїв цього класу може бути фатальним: медицинські системи життєзабезпечення потребують постійної роботи комплексу пристроїв, і вимоги до їх живлення дуже суворі; системи банківського захисту і охоронні системи; системи зв'язку і передачі інформації.
При створенні електронного пристрою окремого класу і призначення (електронно-обчислювальні машини, медична і побутова електронна техніка, засоби автоматизації) чи джерело системи забезпечення гарантованого живлення можуть бути підібрані з тих, які серійно випускаються промисловістю. У деяких країнах існують фірми, що спеціалізуються на промисловому випуску Джерел безперервного живлення, і споживач має можливість вибрати той, котрий йому найбільше підходить. Однак, якщо по в експлуатаційному, конструкторському чи іншому розуміннях джерела безперебійного живлення, що випускаються серійно, не задовольняють потреб споживача, необхідно розробити новий, з урахуванням усіх правил і обмежень, специфічних для цього виду.
Темою даного проекту є розробка джерела безперервного живлення яке б було універсальним. Універсальність його заключається в тому, що він би міг використовуватись в будь-якій апаратурі потужністю до 600 Вт починаючи з персонального комп'ютера і закінчуючи медичною апаратурою. Причина побудови джерела - це можливість його використання в будь-якій апаратурі, для якої є важливим фактором мати саме синусоїдальну напругу, напругу яка б при роботі джерела від мережі чи від внутрішніх батарей немала б провалів напруги при переході роботи з одного в інше.
Розділ 1. Технічна частина.
Обґрунтування забезпечення умов ТЗ.
Виходячи з призначення проектованого пристрою і специфіки області його застосування розглянемо основні критерії, згідно яким буде вестися подальша розробка.
Отже, до основних критеріїв розробки джерела безперебійного живлення варто віднести надійність і стійкість до зовнішніх впливів (зокрема до вібраційних і ударних навантажень).
Для підвищення надійності блоку, при його проектуванні, пропонується:
- забезпечити легкі електричні, теплові робочі режими детелей та матеріалів конструкції, їх правильний вибір;
- забезпечити надійний захист від зовнішніх та внутрішніх дестабілізуючих факторів;
- широко використовувати ІМС, а також стандартні компоненти;
- забезпечити ремонтоздатність виробу, використавши функціонально-вузловий метод конструювання.
На ранній стадії процес проектування заключатися в постійній реорганізації системи з підбором технології електроживлення. Перерахуємо фактори, що впливають на цей етап:
вартість;
маса та розміри;
коефіцієнт корисної дії блока живлення;
вхідна напруга;
термін дії акумуляторної батареї;
необхідна якість вихідної напруги;
час, необхідний для виходу продукції на ринок.
З метою забезпечення естетичних та ергономічних показників пропонується використовувати сучасний дизайн.
Для забезпечення заданих кліматичних та механічних вимог пропонується використати елементну базку та матеріали, враховуючи граничні зовнішні впливи, забезпечити при конструюванні та проектуванні їх захист від зовнішніх впливів, які негативно впливають на працездатність виробу.
1.2. Огляд аналогів виробу.
Одним із аналогів нашого виробу є ДБЖ PW5125RM та PW5115RM виробництва фірми Powerware. Віни також призначені для кріплення в серверну стійку та мають вихідну потужність 1000ВА. Інші технічні характеристики можна привести в вигляді таблиці.
Характеристики ДБЖ. Таблиця 1.2.1.
|
Параметри |
PW5125RM |
PW5115RM |
|
Вихідна потужність (ВА/Вт) |
1000/900 |
1000/670 |
|
Габаритні розміри (мм) |
432*494*89 |
440*450*58 |
|
Маса (кг) |
27 |
20 |
|
Номінальна вихідна напруга (В) |
220-240 |
220-240 |
|
Можливий діапазон вхідної напруги (В) |
166-276 |
175-250 |
|
Робоча частота (Гц) |
50/60 |
50/60 |
|
Номінальна вхідна напруга (В) |
220-240 |
220-240 |
|
ККД (%) |
93 |
90 |
|
Індикація параметрів |
Світлодіоди |
Світло діоди |
|
Комунікаційний порт |
RS232 |
RS-232 |
|
Робочий діапазон температур |
0 – 40 С0 |
0-40 С0 |
|
Величина шуму (дБ) |
Не більше 50 |
Не більше 45 |
|
Час роботи при максимальному навантаженні (хв.) |
7 |
5 |
Дані ДБЖ мають хороші параметри та високу ціну. Туму виникає необхідність у дешевих і надійних ДБЖ. В дипломному проекті проведено розробку саму такого пристрою.
1.3. Опис структурної схеми.
1.3.1. Огляд і аналіз структурних схем систем
безпребійного живлення.
Джерело безперебійного живлення - автоматичний пристрій, що забезпечує нормальне живлення навантаження при повному зникненні струму з зовнішньої електромережі в результаті аварії або неприпустимо високому відхиленні параметрів напруги в мережі від номінальних значень і використовує для аварійного живлення навантаження енергію акумуляторних батарей.
Розглянемо декілька основних типів побудови структурних схем ДБЖ:
ДБЖ резервного типу.
Лінійно-інтерактивне ДБЖ.
ДБЖ з подвійним перетворенням енергії.
ДБЖ резервного типу (Off-Line або standby)
Рис. 1.3.1. ДБЖ типу Off-Line.
Джерело безперебійного живлення, виконане за схемою з комутуючим пристроєм, що у нормальному режимі роботи забезпечує підключення навантаження безпосередньо до зовнішньої електромережі, а в аварійному переводить її на живлення від акумуляторних батарей. Перевагою ДБЖ резервного типу є його простота і невисока вартість, а недоліком - ненульовий час перемикання (~4 мс) на живлення від акумуляторів та більш інтенсивна їхня експлуатація, тому що джерело переводиться в аварійний режим при будь-яких несправностях в електромережі.
ДБЖ резервного типу, як правило, мають невелику потужність і застосовуються для забезпечення гарантованого електроживлення окремих пристроїв (персональних комп'ютерів, робочих станцій, офісного встаткування) у регіонах з гарною якістю електричної мережі.
Лінійно-інтерактивне (Line-Interactive) .
Джерело безперебійного живлення, виконане за схемою з комутуючим пристроєм (Off-Line), доповненої стабілізатором вхідної напруги на основі автотрансформатора з перемикаючими обмотками.
Рис. 1.3.2. ДБЖ типу Line-Interactive.
Основна перевага лінійно-інтерактивного ДБЖ у порівнянні із джерелом резервного типу полягає в тому, що воно здатне забезпечити нормальне живлення навантаження при підвищеній або зниженій напрузі електромережі (найпоширеніший вид несправностей у вітчизняних лініях електропостачання) без переходу в аварійний режим. У підсумку продовжується термін служби акумуляторних батарей. Недоліком лінійно-інтерактивної схеми є ненульовий час перемикання (~4 мс) навантаження на живлення від батарей.
По ефективності лінійно-інтерактивні ДБЖ займають проміжне положення між простими й відносно дешевими резервними джерелами (Off-Line) і високоефективними, але і дорожчими джерелами із подвійним перетворенням енергії (On-Line). Як правило, лінійно-інтерактивні ДБЖ застосовують для забезпечення гарантованого живлення персональних комп'ютерів, робочих станцій, файлових серверів, вузлів локальних обчислювальних мереж й офісного встаткування. Автоматичний регулятор напруги, побудований на основі автотрансформатора з перемикаючими обмотками. Застосовується в ДБЖ, зібраних за лінійно-інтерактивною схемою, для ступінчатого коректування вхідної напруги убік його підвищення. Число обмоток регулятора визначає діапазон вхідних напруг, при яких ДБЖ забезпечує нормальне живлення навантаження без переходу в аварійний режим роботи. В ДБЖ такої структури всередньому такий діапазон припустимої зміни вхідної напруги становить від -20% до +20% від номінального значення 220.
ДБЖ з подвійним перетворенням енергії (On-Line)
Джерело безперебійного живлення, в якому вхідна змінна напруга спочатку перетворюється випрямлячем у постійну, а потім за допомогою інвертора знову в змінну – є джерелом з подвійним перетворенням енергії (On-Line). Акумуляторна батарея постійно підключена до виходу випрямляча і входу інвертора і живить останній в аварійному режимі.
Рис. 1.3.1. ДБЖ типу On-Line.
Така схема побудови ДБЖ дозволяє забезпечити практично ідеальне живлення навантаження при будь-яких неполадках у мережі (включаючи фільтрацію високовольтних імпульсів та електромагнітних завад) і характеризується нульовим часом перемикання в аварійний режим без виникнення перехідних процесів на виході пристрою.
До недоліків схеми з подвійним перетворенням енергії варто віднести її порівняльно велику складність, більш високу вартість.
ДБЖ типу On-Line застосовують у тих випадках, коли за тих або інших причинах потрібні підвищені вимоги до якості електроживлення навантаження, якими можуть бути вузли локальних обчислювальних мереж (мережне встаткування, файлові сервери, робочі станції, персональні комп'ютери), устаткування обчислювальних залів, системи керування технологічним процесом.
За схемою з подвійним перетворенням (On-Line) побудовані, наприклад, моделі PW5125RM компанії Powerware. Вони оснащені плавним стабілізатором вхідної напруги, завдяки якому діапазон припустимих значень вхідної напруги, при яких джерело не переходить на живлення від батарей, становить 166 ... 276В.
В таких схемах присутній режим Bypass, живлення навантаження відфільтрованою напругою електромережі в обхід основної схеми ДБЖ. Перемикання в режим Bypass, підтримуваний внутрішньою схемою ДБЖ або спеціальним зовнішнім модулем, може виконуватися автоматично або вручну. ДБЖ, що має відповідну вбудовану схему, автоматично переходить у режим Bypass по команді пристрою керування при перевантаженні вихідних ланцюгів або при виявленні несправності в важливих вузлах. У такий спосіб навантаження захищається не тільки від збоїв у живильній електромережі, але й від неполадок у самому ДБЖ. Можливість ручного включення режиму Bypass передбачається на випадок проведення профілактичного обслуговування ДБЖ або заміни його вузлів без відключення навантаження.
Оскільки, як видно з вище сказаного, схема типу Off-Line є найбільш простою та дешевою, то і розроблюваний у даному дипломному проекті пристрій забезпечення безперебійного живлення теж побудований за цим принципом. Проте, вдосконалення функціональної схеми та характеристик дозволить мати більш затребуваний та конкурентно-спроможний виріб з кращими параметрами експлуатації і меншою ціною, ніж аналоги.
1.3.2. Опис структурної схеми джерела безперебійного живлення.
Структурна схема джерела безперебійного живлення представлена в графічній частині на аркуші РТ01.430127.001 Э1.
Побудова систем безперебійного живлення залежить від вирішуваними ними задач. В деяких випадках необхідно якнайменший час переключення навантаження на живлення від АБ чи навпаки. В інших потрібно забезпечити довготривалу роботу від АБ, при цьому час переключення не являється критичною величиною. Тобто, можна сказати, що для кожного конкретного випадку потрібно вирішувати іншу технічну задачу.
Розроблюваний блок для забезпечення безперервного живлення різноманітних пристроїв (серверів, персональних комп’ютерів, модемів та ін.) стабілізованою напругою 220В, 50Гц.
Система призначена для живлення пристроїв, що мають імпульсні джерела живлення. Це дозволяє зменшити вимоги щодо розробки нашого приладу, так як імпульсні джерела живлення здатні працювати в мережі ± 20% від нормального значення. Ще однією перевагою є здатність їх працювати від мережі, що мають не синусоїдальну характеристику напруги (апроксимована синусоїда, квазі синусоїда).
Розглянемо основні блоки, що входять до складу пристрою:
Пристрій комутацій.
Мережевий фільтр.
Зарядний пристрій.
Акумуляторна батарея.
Перетворювач постійної напруги в постійну.
Стабілізатор постійної напруги.
Перетворювач постійної напруги в змінну.
Пристрій комутацій байпас.
Датчик струму.
Вихідний фільтр.
Датчик температури.
Інтерфейс.
Пристрій індикації.
Пристрій керування роботою ДБЖ.
Для забезпечення роботи та функціонування всіх частин ДБЖ, необхідна ланка, котра здійснювала б зв’язок між всіма цими частинами. Можна розглянути декілька видів таких схем :
Аналогові системи, операції регулювання в яких здійснюються шляхом порівняння, підсилення, перетворення аналогових сигналів. Похибка установки параметрів в такій системі сильно залежить від параметрів активних і пасивних елементів схеми. Такі системи використовуються, в основному в недорогих пристроях.
Цифрові системи, операції керування проводяться над цифровими величинами, отриманими із аналогових сигналів шляхом оцифровування аналого-цифровими перетворювачами (АЦП). Точність таких систем набагато вища за рахунок використання математичного апарату числення.
Комбіновані, операції керування та регулювання в яких виконуються або аналоговими, або цифровими пристроями.
В нашому випадку система керування роботою ДБЖ побудована на мікроконтролері ATTiny26. Він представляє собою високопродуктивний контролер з функціями багатоканального аналого-цифрового перетворювача. Ввід та вивід інформації в МК може здійснюватись як в аналоговому так і в цифровому вигляді. Використовування новітніх розробок, що містять в своєму складі МК, дозволяє набагато спростити схему. Мікроконтролер управляє роботою як схеми управління так і роботою всього пристрою.
Схема управління здійснює підключення ДБЖ до мережі, подаючи відповідну команду включення на пристрій комутацій, здійснює управління переключенням навантаження на живлення від мережі чи від АБ, слідкує за напругою на АБ. Якщо напруга на АБ стає меншою за 10,5В, то здійснюється аварійне відключення ДБЖ. Аварійне відключення здійснюється також, коли температура навколишнього середовища виходить за межі допустимої. Для вимірювання температури використовується датчик температури. На пристрій управління роботою ДБЖ поступає інформацію величини напруги в мережі. Обробляючи цю інформацію МК виробляє відповідні сигнали управління для інших вузлів, складових блоку.
Для вимірювання вихідної потужності використовується датчик струму. Якщо через датчик протікає струм більший допустимого, то схема управління відключає навантаження. Це забезпечує захист від виходу з ладу пристрою перетворення постійної напруги в змінну.
Особливо велике значення в ДБЖ має наявність зв’язку з ПК. Це дозволяє оператору (адміністратору) слідкувати за станом мережі, АБ та всієї роботи ДБЖ. В даному випадку використовується стандартний інтерфейс зв’язку МК та ПК – RS-232. Це дозволяє здійснювати дистанційний моніторинг ДБЖ та безпечне завершення роботи ПК при аварії чи довготривалій відсутності напруги в мережі.
Вхідна напруга 220В, 50Гц поступає через пристрій комутацій та мережевий фільтр на зарядний пристрій та пристрій та пристрій комутації бай пас.
Мережевий фільтр призначений для запобіганню попаданню завад, що виникають при роботі ДБЖ в мережу, тобто захисту споживачів від електромагнітних завад.
Зарядний пристрій забезпечує зарядку АБ при наявності напруги мережі, тобто при нормальній роботі ДБЖ, забезпечуючи тим самим постійну готовність до роботи ДБЖ в автономному режимі. Пристрій перетворює напругу мережі у стабілізовану постійну напругу. Величина напруги заряду постійно контролюється МК. Це тим самим дозволяє правильно експлуатувати батареї. Досить велика вихідна потужність зарядного пристрою дає плюс при роботі ДБЖ з значно заниженою вхідною напругою пристрою, що знаходиться в діапазоні від 90В до 185В. При такій вхідній напрузі частина вихідної потужності джерела забезпечується роботою зарядного пристрою, що набагато подовжує роботу навантаження під час несправностей в мережі.
Перетворювач постійної напруги в постійну виконує роль перетворювача постійної напруги 120В в постійну 200В. Даний пристрій побудований по схемі імпульсного перетворювача з ШІМ. Напруга на його виході постійна, але не стабілізована, тобто залежить від зміни вхідної напруги. Для стабілізації використовується стабілізатор постійної напруги. Стабілізатор побудований по схемі однотактного імпульсного підвищуючого стабілізатора. Напруга на акумуляторі змінюється в межах 10,5...13,8В, а вихідна ДБЖ повинна залишатись стабільною.
Перетворювач постійної напруги в змінну здійснює формування вихідної стабілізованої напруги 220В, 50Гц. Управління та синхронізацію даного пристрою з мережею здійснює пристрій керування ДБЖ.
Вихідний фільтр служить фільтрації електромагнітних завад та запобіганню їх попаданню навантаження.
Алгоритм роботи ДБЖ приведений в графічній частині проекту.
1.4. Опис схеми електричної принципової.
Схема електрична принципова представлена в графічній частині дипломного проекту на аркуші РТ01.430127.001Э3.
Відповідно до структурної схеми, джерело безперебійного живлення складається з кількох функціональних вузлів. Розглянемо кожен з них окремо.
Зарядний пристрій
Зарядний пристрій побудований по однотактній зворотньоходовій схемі перетворення енергії.
Управляючою мікросхемою є IMS UC3842 фірми Fairchild. Функціональна схема IMS UC3842 приведена на рис. 1.4.1. Принцип роботи заклечається в наступному: на діодний VD1 подається змінна напруга мережі 220В. Після VD1 на згладжуючому конденсаторі маємо постійну напругу 306В. Початковий запуск роботи IMS VC2 відбувається через резистор R41. Далі при нормальному режимі роботи DA1 живиться від додаткової обмотки W3 трансформатора Т2. Напруга знята з W3 випрямляється діодом VD8 та згладжується ємнісним фільтром побудованому на конденсаторах С24, С25. Величина напруги живлення IMS складає 12В.
Після подачі живлення на 8 виводі DA2 встановлюється опорна напруга 5В. На вхід тактового генератора, через інтегруючу ланку R14C11 подається сигнал 5В.
Рис. 1.4.1. Функціональна схема UC3842.
На 6 виводі DA2 встановлюється високий потенціал (12В), який через резисторний дільник R27R29 поступає на затвор польового транзистора VT1. Транзистор VT1 включається коли потенціал між затвором і витоком складає більше 4В. При включенні VT1 через обмотку W2, транзистор VT1, резистор R30 починає протікати струм. Резистор R30 являється вимірювальним резистором. З його виводів знімаємо сигнал про величину струму, що протікає через транзистор і первинну обмотку трансформатора Т2. Цей сигнал поступає через R28 на вхід з DA2. Даний вхід являється прямим входом внутрішнього компаратора по струму. На вхід 1 DA2 подається сигнал зворотного зв’язку по напрузі. Цей сигнал подається на інвертуючий вхід від компаратора по струму. При досягненні порогового рівня на вході компаратора виробляється сигнал на виключення вхідного транзистора.
Струм через первинну обмотку Т2 наростає лінійно, але при включенні і виключенні транзистора виникають викиди струму. Ці викиди можуть призводити до самовільного включення і виключення ІМС. Для запобігання цьому явищу ставиться RC фільтр. Рис. 1.4.1.
Рис. 1.4.1. Схема компаратора струму з RC-фільтром.
Після включення транзистора починається етап передачі енергії накопленої в трансформаторі в навантаження. Напруга знята з обмотки W1, Т2 випрямляється діодом VD11 та фільтрується ємнісним фільтром С35, С36.
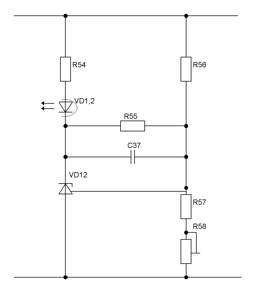
Схема стабілізації вихідної напруги побудована на управляючому стабілітроні VD12-TL431.
Резистори R56, R57, R58 утворюють резисторний дільник, величиною опорів якого, в загальному, виставляється значення вихідної напруги зарядного присторою. Резистор R54 є струмообмежуючим резистором для стабілітрона VD12 та оптрона U1.2.
Перетворювач постійної напруги в постійну
Даний вузол призначений для перетворення постійної напруги 12В у постійну напругу 300В. Вихідна напруга даного перетворювача є нестабілізованою, при U>вх>=13,8В, U>вих>=300В при U>вх>=10,5В, U>вих>=225В.
Тому для нормальної роботи ДБЖ потрібна падальна стабілізація U>вих>.
Даний перетворювач побудований на мікросхемі S63525А, функціональна схема якої приведена на Рис. 1.4.3.
Рис. 1.4.3. Функціональна схема SG3525.
З виходів мікросхеми (виводи 14 та 11) прямокутні імпульси поступають на трансформатор Т1. На вторинних обмотках трансформатора імпульси будуть двохполярні з скважністю 0,9.
Резисторно – конденсаторні ланки С23R31 та С27R32 призначені для того, щоб збити амплітуду викидів при переключеннях.
Сам перетворювач побудований по схемі з плаваючою середньою точкою. Пари силових транзисторів VT4, VT5 та VT6, VT7 включаються по черзі з щілинністю майже 0,5. Такий режим вибраний з метою зменшення викидів при переключенні, та отриманню симетрії в кожен період переключення. З вторинної обмотки прямі імпульси випрямляються діод ними мостом VD17, VD18, VD19, VD20 та згладжується фільтром С1L1, С2С4, С3С5. З вторинної обмотки Т3 також беруться додаткові напруги живлення 9В та 18В, гальванічно розв’язані між собою. Стабілізація цих напруг проводиться стабілітроном VD21 VD22 VD23 VD24.
Мікросхема VD1 включена по типовій схемі включення. Ланкою С7,R1 визначається вихідна частота. Живлення вихідних каскадів ІМС проводиться через R15. С12, С13 призначені для фільтрації напруги живлення ІМС. Дистанційне керування роботою перетворювача проводиться через 10 вивід DA1 від мікроконтроллера.
Стабілізатор напруги 300В
Даний стабілітрон побудований по схемі однотактового підвищуючого перетворювача. Схема побудована на ІМС UC3842. Принцип роботи заклечається в наступному: при подачі живлення на DA4 на її вихід (вивід 6) подається імпульс амплітудою 9В, який через дільник R18R33 поступає на затвор VT2 і відкриває його коли транзистор відкритий через L2 VT2 R34 протікає струм. Індуктивність L2 накопляє енергію. При досягненні певного рівня сигналу, що знімається з вимірювального резистору R34, на виході DA1 з’являється логічний нуль. Наступний імпульс з’явиться при новому циклі тактового генератора. Зворотній зв’язок по напрузі здійснюється через резисторну ланку R11, R8, R9.
Оскільки для утворення спільної точки з напругою мережі утворено ємнісний дільник С2С4, С3С5 то вузол на DA4 стабілізує додатню півхвилю вихідної напруги, а вузол на DA5 – від’ємну.
Елементи схеми підібрані таким чином, що вхідній напрузі 300В на виході теж 300В, тобто стабілізація не потрібна. По мірі зменшення напруги на акумуляторі, на виході перетворювача постійної напруги в постійну також напруга буде зменшуватись, а вузол стабілізації її буде стабілізувати до 300В. Оскільки заземлені виводи DA5 підключені до мінусової напруги, яку потрібно стабілізувати, а стабілізацію потрібно здійснювати відносно нульової шини, то тут використовується ще додатковий вузол на DA3.
Вихідний інвертор
Вихідний інвертор побудований по півмостовій схемі. Навантаження підключається до середньої точки конденсаторного дільника C2 C4, C3 C5 та виходу інвертора (колектор VT13).
Ключовими елементами каскаду є силові транзистори VT12, VT13. керування роботою здійснюється за допомогою мікроконтроллера.
Даний вузол забезпечує дуже хороше наближення напруги до синусоїдальної. Це дозволило виконати два силових ключа VT12, VT13 на біполярних транзисторах з ізольованим затвором (IGBT), котрі працюють в лінійному режимі. Їх почерговим відкриттям керують прямокутні імпульси, що поступають в протифазі від контролеру DD1. Ці імпульси проходять ланки, що формують з них сигнал, який подібний по формі до півперіода синусоїди і подаються на затвори VT12, VT13.
Індуктивність L4 забезпечує згладжування фронтів вихідних імпульсів з інвертора.
Схема байпасу
Схема байпасу призначена для швидкого перемикання навантаження на роботу від мережі або на роботу від акумуляторної батареї. Перемикання здійснюється за допомогою реле K1, яке керується мікро контролером. Конденсатори C52, C53 служать запобіганню виникнення іскри і підгорянню контактів реле при переключеннях.
Для забезпечення кращої форми вихідної напруги та запобіганню попадання електромагнітних завад від ДБЖ в навантаження служить фільтр C56, L6, C59.
Вузол керування
Вузол керування роботою ДБЖ виконаний на мікроконтролері DD1-ATTiny 261. Функціональна схема контролера приведена на рис. 1.4.4.
Рис. 1.4.4. Функціональна схема ATTiny26.
Для синхронізації роботи ДБЖ з мережею використовується вимірювальний трансформатор T4, вихідний сигнал з якого випрямляється та подається на входи АЦП мікроконтролера. Для вимірювання струму який споживається навантаженням використовується трансформатор струму T5. Його вихідний сигнал випрямляється і подається на вхід АЦП мікроконтролера. Загальний алгоритм роботи МК вписується в алгоритм роботи всього ДБЖ.
Після включення вмикача SA1 („Вкл.”) на вхід DA6 поступає постійна напруга з акумулятора. DA6 формує на виході +5В, необхідних для живлення мікроконтролера.
Мікроконтролер, після подачі на нього живлення, починає проводити вимірювання напруги акумуляторної батареї, а також вмикає реле K2, тим самим під’єднавши ДБЖ до мережі. Далі МК вимірює напругу мережі. Якщо напруга мережі не в межах норми, то МК дає команду на перемикання на роботу від акумулятора. Коли ж ні напруга акумулятора, ні напруга мережі не відповідає нормам, то МК здійснює повне відключення навантаження від мережі.
При нормальному функціонуванні від мережі МК постійно слідкує за мережею і підганяє фазу вихідного сигналу від інвертора до фази сигналу з мережі. Це потрібно для того, щоб у разі зникнення напруги мережі переключення на роботу від АБ пройшло з найменшими втратами.
Відповідно при відновленні напруги в мережі, МК спочатку робить підгонку фази вихідного сигналу з інвертора до сигналу з мережі, а тільки потім відбувається переключення на роботу від мережі.
Для запобігання попадання завад з ДБЖ у мережу поставлений мережевий фільтр C54, C55, C56, L5, C58.
Зв’язок мікроконтролера з ПК здійснюється через стандартний інтерфейс RS-232 (Com port). Інтерфейс виконаний з оптоізоляцією, що збільшує електробезпеку при роботі з ДБЖ.
Для індикації режимів роботи ДБЖ використовується індикатори HL1 – „Мережа”, HL2 - „~220В”, HL3 - „АБ ≤10.5В”.
1.5. Розробка и розрахунок окремих вузлів
схеми электричної принципової.
1.5.1. Електричний розрахунок схеми зарядного пристрою.
За базову схему для зарядного пристрою візьмемо схему однотактного зворотно ходового перетворювача напруги.
Рис. 1.5.1 Принципова схема зарядного пристрою.
Це доцільно тим, що потрібно відносно невелику потужність Р>вих.>=100Вт для того, щоб заряджати акумулятори. Також ця схема приваблива простотою та дешевизною, порівняно з такими схемами як півмостова чи прямоходова. Скористаємося методикою розрахунку представленою в [5].
Вихідні дані для розрахунків. Таблиця 1.5.1.
|
Параметри |
Позначення |
Значення |
|
Мінімальна змінна вх. напруга |
|
85В |
|
Максимальна змінна вх. напруга |
|
270В |
|
Частота мережі |
|
50Гц |
|
Максимальна вих. потужність |
|
100 Вт |
|
Мінімальна вих. потужність |
|
1Вт |
|
Вихідна напруга |
|
13,8В |
|
Пульсації вихідної напруги |
|
0,05В |
|
Напруга відбиття первинної обмотки |
|
100В |
|
Прогнозований ККД |
|
0,84 |
|
Пульсації вх. постійної напруги |
|
10В |
|
Напруга живлення ІМС |
|
12В |
|
Кількість оптопар |
|
1 |
Розрахуємо характеристики вхідного діодного моста та конденсатора.
Максимальна вхідна потужність:
;
Знайдемо максимальне значення струму через діод ний міст VD1:
;
Розрахуємо максимальне значення напруги на діодному мосту:
;
Знайдемо параметри вхідного конденсатора C6:
;
,
де: V>DCminPK> мінімальне амплітудне значення вхідної напруги, V>DCmin> мінімальне значення вхідної напруги з урахуванням пульсацій.
Знайдемо час розряду конденсатора C6 за половину періоду:
;
Розрахуємо потужність, що береться з конденсатора за час розряду:
;
Знайдемо мінімальне значення ємності C6:
;
Розрахунок трансформатора T2
Знайдемо максимальний струм через первинну обмотку трансформатора T2:
,
де D>max>=0,5, скважність імпульсів на первинній обмотці.
Розрахуємо максимальний струм через демпферний діод VD7:
;
Визначимо початкову індуктивність первинної обмотки при максимальному циклі:
;
Виберемо тип осердя трансформатора з продукції фірми Epcos. Вибираємо осердя : E3211619
Параметри осердя . Таблиця 1.5.2.
|
Параметр |
Позначення |
Значення |
|
Індуктивність одного витка |
A>L> |
24,4нГн |
|
Площа вікна |
A>N> |
108,5мм2 |
|
Ширина осердя |
S |
0,5мм |
|
Площа перерізу осердяа |
A>e> |
83мм2 |
|
Довжина середньої лінії |
I>N> |
64,6мм |
|
Ваговий коефіцієнт потужності (при 100кГц) |
P>V> |
190мВт/г |
|
Індукція насичення осердя |
B>max> |
0,2Т...0,3Т |
|
Маса |
m |
30г |
Знайдемо кількість витків первинної обмотки :
,
Приймаємо N>p> рівним 24 витки.
Визначимо кількість витків вторинної обмотки :
,
де: V>FDiode> спад напруги на діоді. Візьмемо N>S>=4 витки.
Знайдемо кількість витків додаткової обмотки :
;
Приймаємо N>AUX>=4 витки.
Розрахуємо реальну індуктивність первинної обмотки:
;
Знайдемо максимальний реальний струм через первинну обмотку T2 :
;
Вирахуємо максимальну реальну індукцію трансформатора:
,
B<B>max
>;
Знайдемо площу перерізу з урахуванням кількості витків обмотки N>p>:
;
Конструкція трансформатора для осердя E3211619:
З таблиці даних осердя E3211619 : BW>max>=20,1мм – максимальне значення ширина обмотки з осердям ; М=4мм мінімальна рекомендована значення ширини обмотки з осердям.
Визначимо ефективне значення ширини обмотки з осердям:
,
Вибираємо коефіцієнт заповнення вікна трансформатора обмотками :
Первинна – 0,5
Вторинна – 0,45
Допоміжна – 0,05
Коефіцієнт заповнення міді з таблиці даних осердя : f>Cu>=0,2…0,4. Виберемо f>Cu>=0,3:
Розрахуємо площу перерізу провідника первинної обмотки T1:
;
Приймаємо діаметр проводу для первинної обмотки d>P>=0.64мм (22 AWG)
Розрахуємо площу перерізу провідника вторинної обмотки T1:
.
Приймаємо діаметр провідника d>S>=2×0,8 мм (2×20 AWG).
Розрахуємо площу перерізу провідника додаткової обмотки:

Приймаємо діаметр провідника d>AUX>=0,64мм (22 AWG).
Розрахуємо параметри вихідного діода VD11.
Визначимо максимальну зворотню напругу на діоді:
;
Визначимо максимальний імпульсний прямий струм через діод:
;
Визначимо максимальний імпульсний прямий струм через діод з урахуванням коефіцієнта заповнення:
;
Розрахуємо параметри вихідного конденсатора С36.
Максимальна імпульсна нестабільність вихідної напруги напруги V>out>=0,5В, при кількості періодів тактової частоти : n>cp>=5.
Визначимо максимальний вихідний струм:
;
Мінімальна ємність конденсатора C36 дорівнюватиме :
;
Вибираємо конденсатор на 2200мкФ – 25В.
Розрахунок демпферної ланки : C23,R26,VD7
Знайдемо напругу на демпферні ланці:
,
де V>(BR)DSS> – максимально допустима напруга втік-витік транзистора.
Для розрахунку демпферної ланки необхідно знати індуктивність розсіювання (L>LK>) первинної обмотки, котра дуже сильно залежить від конструкції трансформатора. Тому приймемо значення індуктивності розсіювання на рівні 5% від первинної обмотки.
.
Знайдемо ємність конденсатора C23 демпферної ланки:
.
Приймаємо С23=470пФ.
Знайдемо опір резистора демпферної ланки R26:
.
Приймаємо R26=1,2кОм.
Розрахунок втрат
Визначимо втрати на діоді VD1:
;
Визначимо опір первинної обмотки:
;
Визначимо опір первинної обмотки:
,
де: з довідника питомий опір міді P>100>=0,0172Ом×мм2/м.
Визначимо втрати в міді в первинній обмотці:
;
Визначимо втрати в міді в вторинній обмотці:
;
Знайдемо сумарні втрати в первинній та вторинній обмотках трансформатора:
;
Обчислимо втрати на вихідному діоді VD11 :
;
Втрати на силовому транзисторі
З таблиці характеристик транзистора маємо: C>0>=50пФ – вихідна ємність втік-витік транзистора; R>DSon>=1,6Ом (150 С0) – вихідний опір втік-витік транзистора.
Розрахунок проведемо при вхідній напрузі V>DCmin>=110В;
Знайдемо втрати при включенні транзистора:
,
де f=100кГц – робоча частота перетворювача.
Знайдемо втрати при виключенні транзистора:
;
Визначимо втрати на опорі втік-витік при відкритому транзисторі:
;
Підрахуємо загальні втрати на транзисторі :
;
Розрахунок ланки зворотнього зв’язку
З таблиці вихідних даних мінімальна напруга стабілізації керованого стабілітрона TL431 рівна V>REF>=2,5В,а його мінімальний струм стабілізації I>kAmin>=1мА.
З вихідних даних оптопари TLP521 її спад напруги на діоді V>FD>=1,2В; максимальний прямий струм через діод I>Fmax>=10мА;
З вихідних даних мікросхеми UC3842 опорна напруга рівна V>Refint>=5,5В; максимальна напруга зворотнього зв’язку дорівнює V>FBmax>=4,8В, а внутрішній опір - R>FB>=3,7кОм.
Знайдемо максимальний вхідний струм DA2:
;
Розрахуємо мінімальний вхідний струм DA2:
;
Схема ланки зворотнього зв’язку представлена на рис. 1.5.2.

Рис. 1.5.2. Схема ланки зворотнього зв’язку на
керованому стабілітроні TL431.
Знайдемо величину опору резистору R56:
,
де R57=4,99кОм, а R58=5кОм – рекомендовані значення з таблиці характеристик TL431.
Визначимо опір резистора R54:
,
;


Рис. 1.5.3. Структурна схема всієї ланки зв’язку.
Розрахуємо перехідні характеристики схеми.
Внутрішній коефіцієнт передачі DA2:
;
Внутрішній коефіцієнт передачі дільника ланки зворотнього зв’язку :
;
Знайдемо коефіцієнт передачі силової частини:
;
,
де Z>PWM> – крутизна характеристики ΔV>FB> / Δl>D>;
Коефіцієнт передачі вихідного фільтра:
,
де R>ESR> – ємнісний опір конденсатора.
Коефіцієнт передачі ланки регулятора:
;
Перехідні характеристики при мінімальному та максимальному навантаженні :
Визначимо вихідний опір блока живлення при максимальному навантаженні:
;
Визначимо вихідний опір блока живлення при мінімальному навантаженні:
;
Знайдемо частоту зрізу при максимальному навантаженні:
,
а також мінімальному навантаженні:
;
Коефіцієнт передачі ланки зворотнього зв’язку :
,
;
Коефіцієнт передачі дільника ланки зворотнього зв’язку:
;
Вихідний імпеданс на відрізку часу t>on>:

;
;
Коефіцієнт передачі на граничній частоті:
,
де: R>L>=3,6Ом – вихідний індуктивний опір, L>P>=12,6мкГн – індуктивність первинної обмотки трансформатора, f>g>=3000Гц – частота на якій проводиться розрахунок, f>0>=76,18 – гранична частота при максимальному навантаженні .
;
;
Загальний коефіцієнт передачі:
;
Оскільки G>S>(ω)+G>r>(ω)=0, то:
;
Звідси знайдемо коефіцієнт передачі ланки регулятора:
G>r>(ω)=0-(- G>S>(ω))=17,2дБ;
Коефіцієнт передачі регулятора:
;
;
Звідси знайдемо опір резистора R55:

Нижня частота передачі ланки зворотнього зв’язку при C37=0:
;
Знайдемо ємність конденсатора C37:
;
1.5.2. Електричний розрахунок схеми імпульсного стабілізатора.
Імпульсний стабілізатор напруги побудуємо по однотактній підвищуючій схемі без гальванічної розвязки - rising transducer.
Схему керування побудуємо на контролері UC3842. Його внутрішня структура показана на рис.4.1.
UC3842 - інтегральна схема, яка призначена для управління и контролю роботи імпульсних стабілізаторів напруги побудованих по різноманітних однотактних схемах: з гальванічною розвязкою - однотактній зворотньоходовій та прямоходовій схемах, без гальванічної розвязки – понижаючого , повишаючого та інвертуючого перетворювачів. Мікроконтролер може безпосередньо керувати роботою силового ключа, контролювати вихідну напругу (стабілізувати її при зміні вхідної напруги.)
Рис. 1.5.4. - Структура контролера UC3842.
Дана мікросхема має наступні можливості:
- блокування роботи при перенапрузі;
- запуск роботи при малому рівні потужності;
стійкий підсилювач помилки;
захист від перенапруги на виході;
перехідний спосіб функціонування;
схема вимірювання струму та напруги;
внутрішній генератор.
Організація живлення мікроконтролера
Прецензійна ширини забороненої межі напруги та струму побудована в середині контролера, щоб гарантувати добре регулювання. Компаратор перенапруження з гістерезисом и дуже низьким струмом живлення дозволяє мінімізувати схему запуску та живлення рис.4.2а. Живлення ІМС береться з вторинної обмотки трансформатора Т3 та стабілізується стабілітроном до рівня 12В рис.4.2б.

а) внутрішній компаратор по живленні.

б) схема підключення по живленні.
Рис. 1.5.5. Схема організації живлення ІМС UC3842.
Тактовий генератор
Тактовий генератор UC3842 (рис. 4.3 ) розрахований на роботу в частотному діапазоні від 10кГц до 1Мгц. В нашому випадку він працюватиме на частоті 100кГц, так як це оптимальна частота для роботи всього перетворювача.

Рис. 1.5.6. Тактовий генератор, форма напруги та робочий цикл.
Розрахуємо значення Rt та Ct:
(4.1.2)
(4.1.2)
де: f=100кГц, - задана робоча частота.
Ct = 0.01мк
Ф,
- рекомендоване значення ємності,
вибирається в межах 0.001…0.1 мкФ.
Підсилювач помилки і блок датчика перенапруги.
Вхід підсилювача помилки, через відношення двох зовнішніх резисторів, зв'язаних з вихідною шиною, що дозволяє за рахунок зворотного зв'язку підвищувати вихідну постійну напругу тим самим здійснювати регулювання напруги.
Пристрій забезпечено ефективним захистом від перенапруження, реалізовано на тому ж виводі що й регулятор напруги постійного струму.
Коли збільшиться вихідна напруга, відповідно і збільшиться напруга на виводі 2 IMC. Різницеве значення струму протікає через конденсатор. Величина струму визначається всередині мікроконтролера і порівнюється з еталонним значенням 40 мкА. Якщо значення буде перевищено то відповідно це відобразиться на керуванні роботою силового ключа, тривалість імпульсів відкритого стану ключа стає меншим, що призводить до зниження вихідної напруги.

Рис. 1.5.7. Підсилювач помилки.
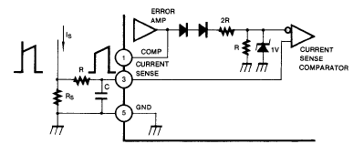
Компаратор струму и тригер який керує модуляцією перемикань

Рис. 1.5.8. Схема компаратора струму.
Компаратор струму постійно слідкує за напругою на резисторі Rs і порівнює її з опорною напругою (1В) на іншому вході компаратора.
;
;
Вихідний буфер ІМС UC3842.
Схема керування являє собою вихідний буферний каскад, вихідний струм цього каскаду - ±1А. Цей каскад може керувати роботою силового ключа на великій частоті.

Рис. 1.5.9. Вихідний буфер UC3842
Розрахунок елементів імпульсного стабілізатора.
Оскільки імпульсний стабілізатор складається з двох однакових пів плеч (стабілізатор додатної напруги та стабілізатор відємної напруги )то доцільно буде порахувати тільки один із них, розраховані значення елементів перенести на інший. Для розрахунку виберемо стабілізатор додатної напруги.
Вихідні дані для розрахунку для електричного розрахунку:
- Вхідна напруга U>вх> = 65...150 В;
- Вихідна напруга U>вих> = 150 В;
- Зміна вихідної напруги U = 5В;
- Вихідна потужність Р>вих> = 300 Вт;
- Частота перемикання силового ключа f>s> = 100 кГц.
Схема коректора потужності приведена на рис.4.8.
Рис. 1.5.10. Схема імпульсного стабіліатора
Розрахунок ємності вхідного конденсатора
Визначимо мінімальну ємність вхідного конденсатора С2:
С>in LF > Р>0 >/(2··f ·V>0>·η) (4.10)
де - f – частота перемикання силового ключа (100 кГц)
- V>0 > - вихідна напруга (150 В)
- η=0.9 - прогнозований ККД перетворювача
- Р>0> – вихідна потужність – 300 Вт
С>in LF > = 300 / (2·3,14·25000·0.9·150) =82.7 мкФ
Вибираємо в якості вхідного конденсатора конденсатор ємністю 330мкФ і робочою напругою 400В
Розрахунок ємності вхідного високочастотного конденсатора
Вхідний високочастотний конденсатор фільтра (C4) повинен зменшити шуми, які виникають при високочастотних перемиканнях силового ключа, що в свою чергу викликає імпульси струму в індуктивності.
C>in HF> = I>rms >/(2··f·r·V>in min>) (4.7)
де - f - частота перемикання (100 кГц);
- І>rms > - вхідний високочастотний струм;
- V>in min> – мінімальна вхідна напруга (65 В);
- r – коефіцієнт високочастотних пульсацій вхідної напруги, який знаходиться між 3 і 9 %. Приймаємо r = 7%.
І>rms> = Р>out> / U>in min>; (4.8)
І>rms> = 300 / 65 = 4,64 А;
С>in> = 4,64/(2×3,14×100000×7×65) = 0.0065 мкФ.
Вибираємо в якості вхідного високочастотного конденсатора конденсатор ємністю 0.01мкФ і робочою напругою 400В
Вихідний конденсатор
Визначимо значення ємності вихідного конденсатора:
С>0 > Р>0 >/(4··V>0> ·V>0>) (4.10)
де - V>0> – зміна вихідної напруги (5 В)
- f – частота перемикання силового ключа ( 100 кГц)
- V>0 > - вихідна напруга (150 В)
- Р>0> – вихідна потужність – 300 Вт
С>0> = 300 / 4·3,14·100000·5·150 =63.7 мкФ
Вибираємо в якості вихідного конденсатор ємністю 220мкФ і робочою напругою 400В
Розрахунок котушки індуктивності
Значення індуктивності котушки розраховується з необхідної потужності яка протікає через останню, і значенню струму пульсацій.
(4.11)
(4.12)
де - - тривалість циклу відкриття, закриття силового ключа;
- І>Lpk> - піковий струм котушки індуктивності;
- f - частота перемикання силового ключа;
- V>0> – вихідна напруга.
Тривалість циклу ми можемо визначити за формулою
(4.13)
Значення пікового струму який протікає через індуктивність можемо визначити за формулою:
(4.14)
де - V>in min> – мінімальне значення вхідної напруги (65В),
Отже значення дорівнює
= (150 – 1,41·65)/150 = 0,389 сек
Значення пікового струму становитиме:
І>Lpk> = (2×1,41×300) / 65 = 13 А
Тоді значення індуктивності яка необхідна для роботи перетворювача напруги:
L = (2·300·0,389)/(132·100000) = 15 мкГн.
Розрахунок силового ключа.
Вибір керуючого ключа зумовлюється максимальним струмом колектора, робочою напругою та граничною частотою перемикання.
Так як в нас максимальний струм який протікатиме через транзистор складає 13 А, робоча напруга до 200 В, а частота перемикань складає 100 кГц в якості силового ключа обираємо польовийтранзистор К1531.
Його параметри наступні:
- Максимальна напруга U>се > - 400 В;
- Постійний струм колектора при Т = 1000С І>с >– 27 А;
- Падіння напруги в відкритому стані U>се> – 1,65 В;
- Максимальна частота перемикань – 160 кГц.
Розрахуємо яка ж потужність буде розсіюватись на транзисторі.
Формула розрахунку втрат наступна
Р = І>с> 2·R>се> (4.15)
R>се> – падіння напруги транзистора в відкритому стані (0.14 Ом)
І>с> – струм який протікає через транзистор (13А – з розрахунку максимального пульсуючого струму в котушці індуктивності).
Отже втрати транзистора в відкритому стані становлять
Р>IGBT> = 13·0.14 = 23.6 Вт.
Розрахунок вихідних діодів.
Максимальне значення середнього струму виходячи з значення потужності яка має передаватися в навантаження – 300 Вт.
Можна розрахувати:
І = P/U
І = 300/150 = 2A
Діоди вибираємо з наступних умов, що гарантують надійну роботу
І>Dm> ≥ 1,2Імакс
U>Dm> ≥ 1,2Uмакс
Отже виходячи з цих розрахунків обираємо в якості вихідних діодів діод типу MUR860. Параметри діода наступні:
Максимальна зворотна напруга – 500 В;
Максимальний робочий струм – 8 А;
Максимальна допустима температура діода – 1500С.
1.5.3. Електричний розрахунок вхідного та вихідного фільтрів.
Природа та джерела електричного шуму.
Боротьба з генеруванням та випромінюванням високочастотного шуму – один із загадкових „чорних ящиків” в проектуванні імпульсних джерел живлення та кінцевого виробу.
Шум створюється всюди, де мають місце швидкі переходи в сигналах напруги чи струму. Багато сигналів, особливо в імпульсних перетворювачах напруги, є періодичними, тобто, сигнал, що містить імпульси з ВЧ фронтами, повторюється з передбачуваною частотою слідування імпульсів (pulse repetition frequency, PRF). Для імпульсів прямокутної форми значення цього періоду визначає основну частоту самої хвилі. Перетворення Фур’є хвилі прямокутної форми створює множину гармонік цієї основної частоти подвійного значення часу переднього чи заднього фронту імпульсів. Це типово в мегагерцовому діапазоні, і гармоніки можуть досягнути дуже високих частот.
В імпульсних перетворювачах напруги з ШІМ ширина імпульсів постійно змінюється у відповідь на вихідне навантаження та вхідну напругу. В результаті отримуємо майже розподіл енергії білого шуму з окремими піками і зменшенням амплітуди з підвищенням частоти.
Кондуктивний шум (тобто, шумові струми, що виходять з корпусу приладу через лінії живлення ) може появлятись у двох формах: синфазних завад (common-mode) і завад при диференціальному включенні (differential-mode). Синфазні завади – це шум, який виходить із корпусу тільки по лініям електроживлення, а не лініях заземлення. Завади, при диференціальному включенні – це шум, який можна виміряти тільки між лінією і одним із виводів живлення. Шумові струми фактично витікають через вивід заземлення.
Типові джерела шуму.
Існує декілька основних джерел шуму всередині імпульсного перетворювача напруги з ШІМ, що і створюють більшу частину випромінюваного і кондуктивного шуму.
Джерела шуму є частиною щумових контурів, що представляють собою з’єднання на друкованій платі між споживачами ВЧ струму і джерелами струму. Головним джерелом шуму є вхідна схема живлення, що включає в себе ключ, первинну обмотку трансформатора та комденсатор вхідного фільтра. Конденсатор вхідного фільтра забезпечує трапецеїдальні сигнали струму, необхідні для перетворення напруги, оскільки вхідна лінія завжди добре фільтрується з смугою пропускання , яка набагато нижча робочої частоти перетворювача напруги. Конденсатор вхідного фільтра та ключ повинні розміщуватися близько біля трансформатора, щоб мінізувати дожину з’єднань. Крім цього, оскільки електролітичні конденсатори мають погані ВЧ характеристики, паралельно їм повинний бути включений керамічний чи плівковий.
Чим гірші характеристики конденсатора вхідного фільтра, тим більше енергію ВЧ струму буде забирати блок із силової лінії, що приведе до виникнення кондуктивних синфазних електормагнітних завад.
Другим основним джерелом шуму є контур, що складається з вихідних діодів, конденсатора вихідного фільтра і вторинних обмоток трансформатора. Між цими компонентами протікають трапецеподібні струми великої амплітуди. Конденсатор вихідного фільтра і випрямляч необхідно розміщувати як можна ближче до трансформатора; для мінімалізації випромінюваного струму. Це джерело також створює синфазні кондуктивні завади, головним чином, на вихідних лініях джерела живлення.
Фільтри кондуктивних електромагнітних завад.
Існує два типи вхідних силових шин. Силові шини постійного струму – це однопровідні силові з’єднання, друге плече живлення яких формує заземлення. Іншим типом вхідного з’єднання є двох або трьохпровідна система живлення від мережі змінного струму. Проектування фільтру ЕМ завад для систем постійного струму здійснюється в основному в вигляді простого LC-фільтра. Всі завади між одним силовим проводом і замиканням через „землю” є синфазними. Фільтр постійного струму, значно більш складний, оскільки враховує паразитні характеристики компонентів.
Вхідний фільтр кондуктивних ЕМ завад призначений для утримання ВЧ кондуктивного шуму в середині корпусу. Фільтрація ліній входу/виходу також важлива для захисту від шуму внутрішніх схем (наприклад мікропроцесорів, АЦП, ЦАП).
Проектування фільтра синфазних завад.
Фільтр синфазних завад відфільтровує шум, що створюється між двома лініями живлення (H2 і H3). Схема такого фільтру приведене нижче на рис.1.5.11.

Рис. 1.5.11. Фільтр синфазних завад.
У фільтрі синфазних завад обмотки котушки індуктивності знаходять в фазі, але змінний струми, що протікають через ці обмотки – у протифазі. У результаті для тих сигналів, що співпадають чи протилежні по фазі на двох лініях електроживлення, синфазний потік всередині сердечника урівноважується.
Проблема проектування фільтра синфазних завад заклечається в тому, що при високих частотах (коли власне і потрібна фільтрація) ідеальні характеристики компонентів спотворюються через паразитні елементи. Основним паразитним елементом є міжвиткова ємність самого дроселя. Це невелика ємність, яка існує між всіма обмотками, де різниця напруг (В/виток) між витками веде себе подібно конденсатору. Цей конденсатор при високій частоті діє як шунт навколо обмотки і дозволяє ВЧ змінному протікати в обхід обмоток. Частота, при якій це явище є проблемою, вища частоти авторезонансу обмотки.
Між індуктивністю самої обмотки і цією розподіленою міжвитковою ємністю формується коливальний контур. Вище точки авто резонансу вплив ємності стає більшим від впливу індуктивності, що знижує рівень затухання при високих частотах.
Частотна характеристика фільтра зображена на рис. 1.5.12.



Рис. 1.5.12. Частотна характеристика фільтра.
Цей ефект можна зменшити, використавши Cx більшої ємності. Частота авторезонансу є тією точкою в якій проявляється можливість найбільшого затухання для фільтра. Таким чином, шляхом вибору методу намотки обмоток індуктивності, можна розмістити цю точку поверх частоти, яка потрібна для найкращої фільтрації.
Щоб почати процес проектування необхідно виміряти спектр не фільтрованого кондуктивного шуму або прийняти по відношенню до нього деякі припущення. Це необхідно для того, щоб знати яким повинно бути затухання і на яких частотах.
Приймемо, що нам необхідно 24дБ затухання на частоті переключення перетворювача напруги.
Визначимо частоту зрізу характеристики фільтра:
,
де G>ζ >– затухання;
,
де: f>c> – бажана частота зрізу характеристики фільтра, f>sw>- робоча частота перетворювача напруги. У нашому випадку f>sw>=100кГц, затухання G>ζ>= -24дБ.
Вибір коефіцієнта затухання
Мінімальний коефіцієнт затухання (ζ) не повинен бути менше 0,707. Менше значення приведе до „звону” і не дасть менше 3дБ затухання на частоті зрізу характеристики.
Розрахунок початковий значень компонентів

,
де: ζ – коефіцієнт затухання, ζ=0,707, R>L> =50Ом - імпеданс лінії,
;
Приймаємо С≈0,1мкФ 400В.
Приймаємо С>х>=0,22мкФ
400В.
Дані конденсатори розміщені між лініями
електроживлення. Вони повинні витримувати
напругу 250 В та будь – які скачки напруги
Величину С>у> – конденсаторів, які розміщені між кожною фазою та „землею” і повинні витримувати високі напруги ≈2500 В вибирають на декілька порядків меншою С>у> ніж С>х>. Це пов’язано з тим, що найбільша ємність конденсатора, доступна при номінальній напрузі 4 кВ, складає 0,01 мкФ. Приймаємо С>у>=2,2 нФ.
Оскільки сумарна ємність вибраних конденсаторів більша за розраховану, то можна припустити, що фільтр буде забезпечувати мінімуму 60 дБ затухання при частотах в діапазоні від 500 кГц до 10 МГц.
Р
озрахункова
схема фільтру підходить як для вхідного
так і для вихідного кола:
Рис. 1.5.13. Вхідний фільтр ЕМ завад.
L5=L=450 мкГн
С55=С58=С>х>=0,22
мкФ
400
В
С54=С56=С>у>=3,3
нФ
3
кВ.

Рис.1.5.14. Вихідний фільтр ЕМ завад.
L6=L=450 мкГн
С54=С56=С>у>=3,3
нФ
3
кВ.
С57=С59=С>х>=0,22
мкФ
400
В
1.6. Обґрунтування вибору елементів схеми.
Джерело безперервного живлення повинне забезпечувати цілодобову роботу будь-якого пристрою, що підключений до нього, із збереженням вихідних параметрів, тому до нього висуваються жорсткі вимоги, як до конструкції так і до вибору елементів схеми.
Умовно елементи схем можна поділити на елементи загального застосування і спеціальні.
Елементи загального застосування є виробами масового виробництва, тому вони піддалися досить широкій стандартизації. Стандартами і нормами встановлені техніко-економічні і якісні показники, параметри і розміри. Такі елементи називають типовими. Вибір типових елементів проводиться по параметрах і характеристикам, що описують їх властивості як при нормальних умовах експлуатації, так і при різних впливах (кліматичних, механічних і ін.).
Основними електричними параметрами є: номінальне значення величини, характерної для даного елемента (опір резисторів, ємність конденсаторів, індуктивність котушок і т.інш.) і межі припустимих відхилень; параметри, що характеризують електричну міцність і здатність довгостроково витримувати електричне навантаження; параметри, що характеризують втрати, стабільність і надійність.
Основними вимогами, якими потрібно керувати при проектуванні радіоелектронної апаратури, є вимоги по найменшій вартості виробу, його високій надійності і мінімальним масогабаритним показникам. Крім того, при проектуванні важливо збільшувати коефіцієнт повторюваності електрорадіоелементів. Виходячи з перерахованих вище критеріїв зробимо вибір елементної бази приладу.
1.6.1. Вибір резисторів.
При виборі резисторів перш за все звертаємо увагу на їх габарити, вартість та надійність, що зумовлена напрацюванням на відмову. А виходячи з того що сучасні інтегральні технології дуже просунулися, порівняно з минулими роками, ми маємо резистори, які характеризуються: високою надійністю та низькою собівартістю, компактними розмірами та великою різновидністю.
Порівняємо декілька типів резисторів.
Товстоплівкові резистори з допуском 5%.
Технічні параметри. Таблиця 1.6.1
|
Параметри |
Значення |
||||
|
Тип |
RC01 |
RC11 |
RC21 |
RC31 |
RC41 |
|
Типорозмір корпусу |
1206 |
0805 |
0603 |
0402 |
0201 |
|
Діапазон номіналів опорів |
1 Ом …1 МОм |
10Ом…1 МОм |
|||
|
Допуск |
±5% |
||||
|
Максимальна потужність |
0.25 Вт |
0.125Вт |
0.1 Вт |
0.063Вт |
0.005 Вт |
|
Максимальна робоча напруга |
200 В |
150 В |
50 В |
15В |
|
|
Діапазон робочих температур |
-55 … +155ºС |
Товстоплівкові резистори з допуском 1%.
Технічні параметри. Таблиця 1.6.2
|
Параметри |
Значення |
||||
|
Тип |
RC02H |
RC02G |
RC12H |
RC12G |
RC22H |
|
Типорозмір корпусу |
1206 |
1206 |
0805 |
0805 |
0603 |
|
Діапазон номіналів опорів |
1 Ом …1 Мом |
10Ом…1 МОм |
|||
|
Допуск |
±1% |
||||
|
Максимальна потужність |
0.25 Вт |
0.25Вт |
0.125Bт |
0.125Вт |
0.1 Вт |
|
Максимальна робоча напруга |
200 В |
150 В |
50В |
||
|
Діапазон робочих температур |
-55 … +155ºС |
Типорозміри SMD резисторів. Таблиця 1.6.3
|
Типорозмір корпусу |
L (мм) |
W (мм) |
T (мм) |
Масса (г) |
|
0201 |
0.6 |
0.3 |
0.3 |
0.02 |
|
0402 |
1.0 |
0.5 |
0.35 |
0.06 |
|
0603 |
1.6 |
0.8 |
0.45 |
0.2 |
|
0805 |
2.0 |
1.25 |
0.55 |
0.55 |
|
1206 |
3.2 |
1.6 |
0.55 |
1.0 |
Виходячи з таб.1.6.1. … таб.1.6.3. в якості опорів обираємо товстоплівкові резистори RC01 та RC02H з типорозміром корпусу 1206 (рис.1.6.1).
Потужні SMD резистори. Технічні параметри. Таблиця 1.6.4
|
Параметри |
Значення |
||
|
Тип |
XC0204 |
RWN5020 |
RWP5020 |
|
Типорозмір корпусу |
SMD MELF |
SMD POW |
SMD POW |
|
Діапазон номіналів опорів |
0.22Ом…10МОм |
0.003Ом…1МОм |
1Ом…0.1МОм |
|
Допуск |
0.1%...5% |
1;2;5% |
1;5% |
|
Максимальна потужність |
1 Вт |
1.6Вт |
1.6Bт |
|
Максимальна робоча напруга |
300 В |
||
|
Діапазон робочих температур |
-55 … +155ºС |
Виходячи з таб.1.6.4. в якості потужних опорів обираємо резистори RWN5020 з типорозміром корпусу SMD POW (рис.6.2.б).
А
= 1.5 мм.
В = 1.2 мм.
С = 4.7 мм.
Рис.1.6.1. Рекомендоване розположення при пайці резисторів RC01, RC02H типорозміру 1206.

а)

б)
Рис.1.6.2. Типорозміри корпусів резисторів:
а) SMD MELF ; б) SMD POW
В якості підстроювальних опорів вибираємо резистори PVZ3A фірми Murata рис. 1.6.3.
Підстроювальні резистори PVZ3A.
Технічні параметри. Таблиця 1.6.5
|
Функціональна характеристика |
Лінійна |
|
Номінальна потужність |
0.1Вт при 50С |
|
Максимальна робоча напруга |
50V |
|
Робочий діапазон температур |
-25C…85C |
|
Допустиме відхилення номінального значення опору |
30% |
|
Кут повороту |
230 10 |
|
Діапазон номінальних опорів |
100Ом…2МОм |
|
Температурний коефіцієнт опору (ТКО) |
500ppm/C |
|
Зусилля повороту |
20-200 г./см |

Рис.1.6.3. Типорозмір підстроювальних резисторів PVZ3A.
1.6.2 Вибір конденсаторів.
При виборі конденсаторів, враховуючи умови експлуатації виробу, а також електричні параметри, будемо керуватися тим, що для конденсаторів висуваються наступні вимоги:
- найменша маса;
- найменші розміри;
- відносна дешевизна;
- висока стабільність;
- висока надійність;
Візьмемо для розгляду декілька типів конденсаторів, і зробимо порівняння відносно класу діелектрика у вигляді таблиці.
SMD конденсатори. Технічні параметри. Таблиця 1.6.6
|
Клас діелектрика |
Клас 1 |
Клас 2 |
|
Типорозмір корпусу |
0402…1210 |
0402…2220 |
|
Номінальна постійна напруга U>н> |
50В; 200В;500В;1кВ;3кВ |
25В; 50 В; 100В; 200В; 500В;1кВ;2кВ;3кВ |
|
Діапазон ємностей |
1 пФ…10 нФ;1нФ…10мкФ |
1 пФ…1 нФ; 1нФ…10мкФ |
|
Допуск ємностей (в % чи пФ) |
При С>н><10 пФ: ±0.1 пФ ±0.25 пФ ±0.5 пФ При С>н>≥10 пФ: ±1 % ±2 % ±5 % ±10 % |
±5 % ±10 % ±20 % |
|
Максимально відносна девіація ємності ΔС/С |
- |
±15 % |
|
Діапазон робочих температур |
-55…+125ºС |
-55…+125ºС |
|
Максимальне значення тангенса купа втрат tg δ |
<1.10-3 |
<25.10-3 <35.10-3 (16В) |
|
Опір ізоляції при 25 ºС |
> 105 МОм |
> 105 МОм |
|
при 125 ºС |
- |
> 104 МОм |
|
Постійна часу при 25 ºС |
> 1000 с |
> 1000 с |
|
при 125 ºС |
> 100 с |
> 100 с |
Типорозміри SMD конденсаторів. Таблиця 1.6.7.
|
Розмір мм |
0402 1005 |
06032 1608 |
0805 2012 |
1206 3216 |
1210 3225 |
|
l |
1.5±0.1 |
1.6±0.15 |
2.0±.02 |
3.2±0.2 |
3.2±0.3 |
|
b |
0.5±0.05 |
0.8±0.1 |
1.25±0.15 |
1.6±0.15 |
2.5±0.3 |
|
s |
0.5±0.05 |
0.8±0.1 |
1.35max |
1.3max |
1.7max |
|
k |
0.1-0.4 |
0.1-0.4 |
0.13-0.75 |
0.25-0.75 |
0.25-0.75 |
Виходячи з таб.1.6.6. в якості SMD конденсаторів обираємо конденсатори з діелектриком 1 класу, типорозміром корпусу 1206 (рис.1.6.4.).
А = 1.5 мм.
В = 1.2 мм.
С = 4.7 мм.
Рис. Рекомендоване розташування при пайці
SMD конденсаторів типорозміру 1206.
Вибираємо електролітичні конденсатори фірми Hitano, для звичайного монтажу серії ECR.
Серія ECR:
|
діапазон напруг |
6.3…100В |
160…460В |
|
діапазон ємностей |
0.47…10000мкФ |
0.47…220мкФ |
|
температурний діапазон |
-40…+85С |
-25…+85С |
|
струм втрат |
<0.01CU |
<0.03CU |
|
розкид ємностей |
20% при 20С, 120Гц |
Діелектричні втрати (tg), не більше
-
U,B
16
25
35
50
63
100
200
350
400
tg(D4-6.3)
0.16
0.14
0.12
0.1
0.1
0.08
0.18
0.2
0.2
Стабільність при низьких температурах (відношення імпедансів на частоті 120Гц).
-
U,B
16
25
35
50
63
100
200
350
400
Z(-25C)/ Z(+20C)
2
2
2
2
2
2
2
2
2
Z(-40C)/ Z(+20C)
4
4
3
3
3
3
Типорозміри електролітичних конденсаторів. Таблиця 1.6.8
|
мкФ/B |
16 |
25 |
35 |
50 |
63 |
100 |
200 |
350 |
400 |
|
1 |
511 |
511 |
511 |
511 |
611 |
611 |
|||
|
2.2 |
511 |
511 |
511 |
611 |
611 |
812 |
|||
|
4.7 |
511 |
511 |
511 |
812 |
812 |
1013 |
|||
|
10 |
511 |
511 |
511 |
511 |
511 |
611 |
1016 |
1013 |
1013 |
|
22 |
511 |
511 |
511 |
511 |
611 |
611 |
1021 |
1013 |
1016 |
|
33 |
511 |
511 |
511 |
611 |
611 |
812 |
1321 |
1021 |
1021 |
|
47 |
511 |
511 |
511 |
611 |
611 |
1013 |
1321 |
1321 |
1326 |
|
100 |
511 |
611 |
611 |
812 |
1013 |
1021 |
1626 |
1632 |
1632 |
|
220 |
611 |
812 |
814 |
1013 |
1016 |
1326 |
1836 |
1841 |
|
|
330 |
812 |
814 |
1013 |
1017 |
1020 |
1326 |
|||
|
470 |
812 |
814 |
1016 |
1321 |
1326 |
1626 |
|||
|
1000 |
1016 |
1021 |
1321 |
1326 |
1625 |
1841 |
|||
|
2200 |
1321 |
1321 |
1626 |
1636 |
1836 |
||||
|
3300 |
1326 |
1626 |
1632 |
1836 |
2241 |
||||
|
4700 |
1626 |
1632 |
1836 |
2241 |
2541 |

Рис.1.6.5. Габаритні розміри електролітичних конденсаторів.
|
D |
5 |
6 |
8 |
10 |
13 |
16 |
18 |
22 |
25 |
|
P |
2.0 |
2.5 |
3.5 |
5.0 |
5/0 |
7.5 |
7.5 |
10 |
12.5 |
|
d |
0.5 |
0.5 |
0.5 |
0.6 |
0.6 |
0.8 |
0.8 |
1.0 |
1.0 |
1.6.3 Вибір індуктивностей та трансформаторів
Вибираємо моточні вироби фірми Epcos.
У якості дроселів, для фільтрів по живленню, із таблиці виберемо дроселі типу DB36-10-47, DST4-10-22, FMER-K26-09.
Котушки індуктивності. Технічні параметри. Таблиця 1.6.9
|
Тип |
Індуктивність мкГн |
Q |
Тест. частота Гц |
Опір Ом |
Струм тип. А |
Струм нас. А |
|
|
L |
Q |
||||||
|
DB36-10-47 |
150±20% |
46 |
100К |
2.520М |
0.02 |
12.80 |
14.20 |
|
DST4-10-22 |
47±20% |
42 |
100К |
2.520М |
0.01 |
12.20 |
15.50 |
|
FMER-K26-09 |
60±20% |
56 |
100К |
2.520М |
0.12 |
8.2 |
10.4 |
Трансформатори вибираємо типу TS40-15-2, KERBIP-2-K20, TS300-12-K28, TS12-300-K32 діапазон робочих температур -40…+45оС.
1.6.4 Вибір активних елементів
Вибираємо транзистори фірми STMicroelectronics табл.1.6.10.
Технічні параметри транзисторів. Таблиця 1.6.10
|
Параметри |
К1531 |
GT15Q101 |
BC556 |
IRFP150 |
IRFD123 |
2N2907 |
К792 |
|
Напруга колектор-база (втік-затвор) |
500B |
1200В |
80В |
100В |
80В |
-60В |
900В |
|
Напруга колектор-емітер (втік-витік) |
500B |
1200В |
65В |
100В |
80В |
-40В |
900В |
|
Напруга база-емітер (затвор-витік) |
±30B |
±20В |
5В |
±20B |
±20B |
-5В |
±20B |
|
Струм колектора (втока) |
15A |
15А |
100мА |
43A |
1.1А |
-600мА |
3A |
|
Імпульсний струм колектора (втока) |
60A |
30А |
200мА |
170A |
4.4А |
-1.2А |
5A |
|
Струм бази |
2мА |
20мА |
|||||
|
Розсіювана потужність |
150Bт |
150Вт |
0.5Вт |
193Вт |
1.5Вт |
200мВт |
100Вт |
|
Вхідна ємність |
1480пФ |
1800пФ |
10пФ |
1750пФ |
450пФ |
30пФ |
800пФ |
|
Вихідна ємність |
400пФ |
3пФ |
420пФ |
200пФ |
8пФ |
250пФ |
|
|
Допустима температура |
150C |
150С |
150С |
175С |
150С |
150С |
150С |
Вибираємо діоди фірм Fairchild та International Rectifier.
Технічні параметри діодів. Таблиця 1.6.11
|
Параметри |
Uзв., В |
Імакс., А |
Ізв., мА |
Fмакс., кГц |
|
PSOF107 |
300 |
0.3 |
0.005 |
40 |
|
1N4937 |
600 |
1.5 |
2 |
150 |
|
LL4148 |
100 |
0.2 |
0.005 |
300 |
|
LL414P |
60 |
0.5 |
0.01 |
300 |
|
MUR860 |
600 |
10 |
20 |
200 |
|
MUR31 |
800 |
8 |
2 |
10 |
|
RUR30100 |
1000 |
30 |
1 |
300 |
Вибираємо мікросхеми фірм Unitrode, National Semiconductor, Intersil, STMicroelectronics.
В якості контролерів живлення оберемо UC3842 фірми Unitrode, SG3525 фірми STMicroelectronics.
В якості мікросхеми стабілізатора напруги оберемо ІМС фірми STMicroelectronics.
Технічні параметри мікросхеми інтегрального стабілізаторів. Таблиця 1.6.13
|
Тип |
Вхідна напруга, В |
Напруга стабілізації, В |
Вихідний струм, А |
Температура, С |
|
78M05ST |
+30 |
+5 |
1.2 |
-55…+125 |
1.7. Розрахунок друкованої плати.
1.7.1. Розрахунок площі друкованої плати.
Визначаємо стандартні розміри елементів які застосовуються і зводимо дані в таблицю. 1.7.1.
Розміри елементів та їх сумарна площа. Таблиця. 1.7.1.
|
Назви груп компонентів |
Кіль- кість N,шт |
Довжина L,мм |
Ширина В,мм |
Діаметр D,мм |
Площа S=L*В,мм2 |
Площа N елем. S*N,мм2 |
Діаметр виводів d,мм |
|
1. |
2. |
3. |
4. |
5. |
6. |
7. |
8. |
|
Резистори постійні 0.25...0.5Вт |
119 |
4.7 |
1.5 |
7.05 |
838.95 |
||
|
Резистори постійні 1...2Вт |
10 |
12 |
5 |
60 |
600 |
0.85 |
|
|
Резистори змінні |
3 |
3.1 |
3.6 |
11.16 |
33.48 |
||
|
Конденсатори керамічні |
37 |
4.7 |
1.5 |
7.05 |
260.85 |
||
|
Конденсатори електролітичні |
14 |
16 |
200.96 |
2813 |
|||
|
8 |
20 |
314 |
2512 |
||||
|
Транзистори |
17 |
25 |
40 |
1000 |
17000 |
1.0 |
|
|
Діоди малої потужності |
8 |
4.7 |
1.5 |
7.05 |
56.4 |
0.6 |
|
|
Діоди великої потужності |
16 |
15 |
20 |
300 |
4800 |
1.2 |
|
|
Стабілітрони |
5 |
4.7 |
2 |
9.4 |
47 |
||
|
ІМС SMD |
6 |
14 |
12 |
168 |
1008 |
||
|
IMC DIP |
5 |
10 |
8 |
80 |
400 |
1.0 |
|
|
Дроселі |
6 |
42 |
22 |
924 |
5544 |
1.2 |
|
|
Трансформатори сигнальні |
3 |
15 |
176 |
530 |
1.0 |
||
|
Трансформатори живлення |
2 |
70 |
60 |
4200 |
8400 |
1.2 |
|
|
Вставка плавка |
4 |
30 |
10 |
300 |
1200 |
1.2 |
|
|
Реле |
2 |
50 |
20 |
1000 |
2000 |
1.0 |
|
|
Розєми |
6 |
20 |
10 |
200 |
1200 |
0.85 |
З таблиці. 1.7.1. отримали сумарну площину S>СУМ>=49233мм2, тоді визначаємо встановлювану площину всіх елементів на платі, якщо К>ВСТ>=1,2


Визначаємо площину друкованої плати, яка необхідна для установки елементів з врахуванням відстані між елементами і виводами, а також для забезпечення нормальних теплових режимів роботи, по формулі якщо коефіцієнт використання, який враховує все вище сказане рівний
К>ВИК>=0,9, тоді


Визначаємо площу, яка необхідна для розміщення елементів кріплення, що кріплять плату. Приймаємо, що плата кріпиться шістьма гвинтами М3, якщо під один болт відводиться площина S>Б>=100(мм2).


Визначаємо загальну величину площини плати


Виходячи із отриманої площини плати вибираємо ширину плати
L=300(мм), тоді довжина рівна


Приймаємо рівну В=216(мм).
1.7.2. Розрахунок параметрів металізованих отворів.
Виходячи із діаметрів елементів які ставляться на плату визначимо діаметр металізованого отвору якщо товщина металізованого покриття при металізації гальванічним методом береться
m>пок>=0,05(мм).
і зазор між виводом і стінкою металізованого покриття береться
К=0,2(мм).
Елементи, які встановлюються мають шість діаметрів виводів:
d1=0,5(мм);
d2=0,6(мм);
d3=0,8(мм);
d4=0,85(мм);
d5=1(мм);
d6=1,2(мм);
тоді












Визначаємо параметри контактних площадок навколо металізованого отвору якщо контактні площадки виконуються в вигляді контактного кільця з обох сторін плати. Якщо необхідна радіальна величина рівна В=0,55, а технологічний коефіцієнт на похибку С=0,1, тоді:












Виходячи з отриманих розмірів металізованих отворів і діаметрів виводів елементів, вибираємо технологічно обумовлені розміри металізованих отворів і отримані дані записуємо в таблицю 2.
Розміри діаметрів отворів і контактних площадок. Таблиця 1.7.2.
|
N п/п |
Діаметр виводу елемента, мм |
Розраховані дані |
Стандартні |
||
|
Діаметр отвору, мм |
Діаметр площадки, мм |
Діаметр отвору, мм |
Діаметр площадки, мм |
||
|
1 |
0,5 |
1 |
2,2 |
1 |
2,2 |
|
2 |
0,6 |
1,1 |
2,3 |
1 |
2,2 |
|
3 |
0,8 |
1,3 |
2,5 |
1,2 |
2,5 |
|
4 |
0,85 |
1,35 |
2,55 |
1,2 |
2,5 |
|
5 |
1 |
1,5 |
2,7 |
1,5 |
2,8 |
|
6 |
1,2 |
1,7 |
2,9 |
1,8 |
3 |
1.7.3. Розрахунок ширини друкованих провідників.
Ширина друкованих провідників визначається по максимальному струму для різних кіл схеми, якщо допустима густина струму J>ДОП>=30(А/мм2), максимальний струм І>М>=8(А), а товщина металізованого покриття m>ПОК>=0,05(мм), тоді ширина буде рівна


А відстань між провідниками по різниці потенціалів з врахуванням електричних характеристик вибраного метода виготовлення. В нашій схемі в основному максимально можлива напруга не перевищує 450(В), відстань між друкованими провідниками рівна 1,8(мм).
1.8. Тепловий розрахунок.
Розрахуємо тепловий режим транзистора в імпульсному стабілізаторі напруги.
Повна потужність, що виділяється в транзисторі під час його роботи при перемиканні визначається за формулою:
Р=Р>пер>+Р>від>+Р>кер>+Р>в> (1.8.1)
де: Р – повна потужність, що розсіюється;
Р>пер> – втрати потужності при перемиканні;
Р>відкр>– втрати на активному опорі відкритого транзистора;
Р>кер> – втрати на керування в ланцюзі затвора;
Р>в> – втрата потужності за рахунок витоку в закритому стані.
Відразу можна відзначити, що втрати потужності, що викликані струмом витоку (Р>в>), мають дуже маленьке значення, тому ними можна зневажити. Також утрати, що виникають у ланцюзі керування теж мають дуже малі значення, тому формула приймає ви
Р=Р>пер>+Р>відкр>. , (1.8.2)
де
Р>відкр>=R>DS(on)>I2>эф>. (1.8.3)
(1.8.4)


Потужність Р>пер> визначається
(1.8.5)
де
i=I>Н>/n. (1.8.5)
I>L>=3/0,98=3,06(A).
тоді

Звідси

перевіряємо тепловий режим роботи транзистора
,
(1.8.6)
де
tнс – температура навколишнього середовища 35 С.
Rja – тепловий опір кристал-середовище 75 С/Ут.
С.
За результатами пророблених розрахунків видно, що при використанні транзисторів у режимі ключів і при заданих параметрах роботи перетворювача, необхідно обов'язкове застосування охолоджувальних радіаторів та примусового обдуву. Радіатор вибираємо ребристого типу з [10] ст. 221.
1.9. Розрахунок надійності радіопристрою.
Надійність - це властивість виробу виконувати задані функції в певних умовах експлуатації при збереженні значень основних параметрів в заданих межах.
Надійність характеризується рядом розрахункових показників, найбільш важливими з яких є інтенсивність відмов, середня наробка до відмови, імовірність безвідмовної роботи.
Ймовірність безвідмовної роботи вказує на те, яка частина виробів із заданої їх кількості буде працювати безвідмовно протягом заданого часу t>p>. Для більшості радіоелектронних пристроїв ймовірність безвідмовної роботи залежить як від фізичних властивостей, так і від часу t>p>, протягом якого пристрій повинен працювати безвідмовно:
(1.11.1.)
Інтенсивністю відмов називають кількість відмов за одиницю часу, що приходиться на один виріб, який продовжує працювати в даний момент часу:
(1.11.2)
Інтенсивність відмов апарата що, складається з різних елементів, визначають по формулі:
(1.11.3)
Розрахунок надійності проводимо в такій послідовності:
1. Складаємо таблицю вихідних даних для розрахунку, визначаємо конструктивну характеристику компонентів, кількість компонентів по групах, розраховуємо інтенсивність відмов λ>і> для кожної з груп компонентів:
(1.11.4)
де: - кількість компонентів в одній групі.
Вихідні дані для розрахунку надійності зводимо в таблицю 1.11.1.
Вихідні дані розрахунку надійності. Таблиця 1.11.1
|
|
Назви груп компонентів |
К-сть |
> |
|
|
|
1. |
2. |
3. |
4. |
5. |
6. |
|
1. |
Резисторинедротяні постійні 0.125-0.5 недротяні постійні 1.0-2.0 недротяні змінні |
82 10 3 |
0.4 1.0 2.5 |
0.42 0.42 0.42 |
13.7810-6 4.210-6 3.1510-6 |
|
2. |
Конденсаторикерамічні електролітичні |
37 22 |
1.2 2.2 |
0.1 0.4 |
4.4410-6 19,3610-6 |
|
3. |
Транзисторикремнієві |
17 |
1.7 |
0.35 |
11.5610-6 |
|
4. |
Діоди Випрямлячі малої потужності великої потужності стабілітрони малої потужності світлодіоди |
8 16 5 3 |
0.7 5.0 2.4 2.8 |
0.81 0.81 0.81 0.81 |
4.5410-6 64.810-6 9.7210-6 6.810-6 |
|
5. |
Інтегральні мікросхеми напівпровідникові |
6 |
0.01 |
1.0 |
0.0610-6 |
|
6. |
Дроселі |
6 |
1.0 |
1.0 |
6.010-6 |
|
7. |
Трансформатори сигнальні живлення |
3 2 |
0.1 3.0 |
1.0 1.0 |
0.310-6 6.010-6 |
|
8. |
Вставка плавка |
4 |
0.5 |
1.0 |
2.010-6 |
|
9. |
Тумблер |
1 |
1.1 |
1.0 |
1.110-6 |
|
10. |
Реле |
2 |
1.7 |
0.35 |
1.1910-6 |
|
11, |
Клеми |
2 |
1.0 |
1.0 |
2.010-6 |
|
12. |
Друкована плата |
1 |
0.1 |
0.1 |
0.0110-6 |
|
11. |
Пайки на платі |
910 |
0.01 |
1.0 |
9.110-6 |
|
12. |
Корпус приладу |
1 |
1.0 |
1.0 |
1.010-6 |
|
13. |
Провідники і пайки навісні |
24 |
0.02 |
1.0 |
0.4810-6 |
2. Для врахування умов
експлуатації знаходимо поправочні
коефіцієнти
,
,
і по формулі (1.11.5) розраховуємо поправочний
коефіцієнт
.
Приймаємо
,
,
.
(1.11.5)

3. Розрахунок інтенсивності відмов проводимо по формулі:
(1.11.6)

4.Середню наробку до відмови розраховуємо по формулі:
(1.11.7)

5. Проводимо розрахунок імовірності безвідмовної роботи радіопристрою по формулі (1.11.1):
-λtρ
(1.11.1.)
де
- основа натурального логарифма;
- інтенсивність відмов;
- час випробувань.
Результати розрахунків імовірності безвідмовної роботи радіопристрою записуємо в таблицю 1.11.2.
Результати розрахунку надійності. Таблиця 1.11.2
|
|
|
|
|
|
1. 2. 3. 4. 5. 6. |
0 101 102 103 104 105 |
0 -0.001759 -0.017590 -0.175900 -1.759000 -17.59000 |
1 0.9982 0.9825 0.8394 0.1737 0.0002 |
6. По результатах
розрахунків будуємо графік залежності
імовірності безвідмовної роботи
радіопристрою від часу
:

Рис. 1.11.1. Графік залежності імовірності безвідмовної роботи
радіопристрою від часу.
Розділ 2. Економічний розрахунок.
Метою даного розділу дипломного проекту є виконання необхідних розрахунків організаційно-економічних показників. Даний розділ включає:
1. Розрахунок собівартості пристрою.
2. Визначення ціни пристрою.
3. Оцінка рівня якості пристрою.
4. Визначення ціни споживання.
5. Визначення ринкової ціни.
6. Прогноз збуту.
7. Прибуток від реалізації.
Економічний розрахунок будемо проводити з урахуванням того, що виробництво радіопристрою дрібносерійне.
2.1. Аналіз ринку.
Блок безперебійного живлення призначений для живлення різноманітної електричної і електронної апаратури стабілізованою напругою 220В, в тому числі пристроїв охоронної, пожежної та охоронно-пожежної сигналізації, живлення апаратури на АТС, живлення персональних компютерів.
Перевагами нової розробки є високий ККД та більша вихідна потужність. Можливі обсяги продажу виробу приблизно 100 шт. у рік. Найближчим аналогом даного блоку є блок живлення PW5115 фірми Powerware, його ми й беремо за базовий виріб.
2.2 Розрахунок рівня якості
2.2.1. Основнi технiчнi параметри радіопристрою.
Технiчнi параметри характеризують якicть виробу. Якiсть – сукупність властивостей, якi роблять його здатним виконувати заданi функцiї, тим самим задовольняти відповідні вимоги. Конкурентоздатнiсть – ступiнь вiдповiдностi товару в даний момент вибраному ринку по технiчним, економiчним, експлуатацiйним характеристикам.
Основними показниками даного виробу є:
1. Вихідна напруга.
2. Коефіцієнт корисної дії.
3. Вихідна потужність.
4. Частота мережі.
5. Вихідний струм.
2.2.2. Визначення важливості кожного показника.
Наступним етапом пiсля вибору важливiших показникiв є ранжування показникiв по ступенi iх важливостi. Самому важливому присвоюється ранг 1, менш важливому ранг 2 i так далi.
Результати занесемо в таблицю 2.1.1
Показники ранжування по ступені важливості. Таблиця 2.2.1.
|
Показ-ник |
Ранг показника, надумку експерта |
Сума рангв, Ri |
i |
i2 |
||||
|
1 |
2 |
3 |
4 |
5 |
||||
|
1 |
4 |
3 |
4 |
3 |
3 |
17 |
2 |
4 |
|
2 |
2 |
1.5 |
1 |
2 |
1 |
7.5 |
-7.5 |
56.25 |
|
3 |
3 |
4 |
2,5 |
4 |
4 |
17.5 |
2.5 |
6.25 |
|
4 |
1 |
1.5 |
2,5 |
1 |
2 |
8 |
-7 |
49 |
|
5 |
5 |
5 |
5 |
5 |
5 |
25 |
10 |
100 |
|
Всього |
15 |
15 |
15 |
15 |
15 |
75 |
0 |
215.5 |
де :
(2.2.1)
(2.2.2)
Проведемо перевiрку придатностi експертних оцiнок. Перевiрка проводиться на основi розрахунку коефiцiєнта відповідності експертних оцiнок.
Коефіцієнт відповідності:
(2.2.3)
(2.2.4)
де:
N – кількість експертів
n – кількість оцінок
Коэфіцiент відповідності
може приймати значення
.
В випадку, коли W=1
– повна
відповідність експертiв. Розрахований
коефiцiєнт зрiвнюється з мiнiмально
припустимою Wн. При умовi
отримані данi заслуговують довiри i
придатнi для подальшої роботи. Для
радiотехнiчних пристроїв Wн=0,77
Отриманий результат придатний для подальшого використання
Для оцінки рівня якості виробу використовуємо узагальнюючий показник - коефіцієнт технічного рівня:
Кт.>р>=φ> і>·> >q>і> (2.2.5)> >
де:
φ> і> – відносний (одиничний) показник якості.
q> і> – коефіцієнт вагомості.
Якщо залежність між параметром і якістю лінійна, то відносні показники обчислюються по формулах:
q> і > = Р>Ні>/ Р>Бі > (2.2.6)
та
q> і > = Р>Бі>/ Р>Ні> (2.2.7)
Якщо залежність між параметром і якістю нелінійна, то відносні показники обчислюються по формулах:
q> і > =lg(Р>Ні>/ Р>Бі>)+1 (2.2.8)
та
q> і > =lg(Р>Бі>/ Р>Ні>)+1 (2.2.9)
де: Р>Ні> , Р>Бі> - числові значення і -го параметра відповідно нового і базового виробів.
В якості базового виробу візьмемо блок безперебійного живлення PW5115 фiрми Powerware.
Результати розрахунку зведемо в таблицю 2.2.2.
Результати розрахунків. Таблиця 2.2.2.
|
Показник |
Назва показника |
Значення базового показника |
Значення нового показника |
q> і> |
|
Х1* |
Вихідна напруга, В |
0...24 |
0... 30 |
1.25 |
|
Х2* |
Коефіцієнт корисної дії, |
0.85 |
0.89 |
1,05 |
|
Х3* |
Вихідна потужність, Вт |
240 |
300 |
1.25 |
|
Х4* |
Частота мережі, Гц |
50...60 |
50...60 |
1.0 |
|
Х5* |
Вихідний струм, А |
10 |
10 |
1.0 |
Визначимо коефіціент важливості кожного показника
Скористуємось засобом експертних оцінок. Експерти незалежно один від одного порівнюють між собою показники, оцінюючи що важнiше. В оцiнцi беруть участь не менше 5 експертів.
При цьому якщо показник “>” то ставимо коефіціент 1.5
Якщо показник “<” то ставимо коефіціент 0.5
Якщо показник “=” то ставимо коефіціент 1.
На підставі таблиці побудуємо матрицю, куди перенесемо числові значення оцінок
Експертна оцінка. Таблиця 2.2.3
|
Показники |
Експерти 1 2 3 4 5 |
Підсумкова оцінка |
Числове значення оцінки |
||||
|
Х1 і Х2 |
< |
= |
< |
< |
= |
< |
0.5 |
|
Х1 і Х3 |
= |
< |
> |
< |
< |
< |
0.5 |
|
Х1 і Х4 |
< |
< |
= |
< |
< |
< |
0.5 |
|
Х1 і Х5 |
< |
> |
> |
> |
= |
> |
1.5 |
|
Х2 і Х3 |
< |
< |
< |
< |
< |
< |
0.5 |
|
Х2 і Х4 |
> |
> |
= |
> |
= |
> |
1.5 |
|
Х2 і Х5 |
> |
> |
= |
> |
> |
> |
1.5 |
|
Х3 і Х4 |
< |
= |
< |
< |
< |
< |
0.5 |
|
Х3 і Х5 |
> |
> |
> |
= |
> |
> |
1.5 |
|
Х4 і Х5 |
= |
> |
> |
> |
> |
> |
1.5 |
Визначення важливості кожного показника визначимо в два кроки:
1-й крок: визначимо bi - суму числових значень оцінок (сума по рядку);
Kbi=bi/bi; (2.2.10)
2-й крок: визначимо bi1:
bi1=ai1*b1+ai2*b2+….+ain*bn (2.2.11)
Результат занесемо в таблицю 2.1.4
Значення показників. Таблиця 2.1.4.
|
Х1 |
Х2 |
Х3 |
Х4 |
Х5 |
1-ша ітерація bi φi |
2-га ітерація bi φi |
|||
|
Х1 |
1 |
0.5 |
0.5 |
0.5 |
0.5 |
3 |
0.12 |
14 |
0.12 |
|
Х2 |
1.5 |
1 |
1.5 |
1.5 |
1.5 |
7 |
0.28 |
34 |
0.3 |
|
Х3 |
1.5 |
0.5 |
1 |
0.5 |
1.5 |
5 |
0.2 |
22 |
0.19 |
|
Х4 |
1.5 |
0.5 |
1.5 |
1 |
1.5 |
6 |
0.24 |
27.5 |
0.24 |
|
Х5 |
1.5 |
0.5 |
0.5 |
0.5 |
1 |
4 |
0.16 |
17.5 |
0.15 |
|
25 |
1 |
115 |
1 |
Перша ітерація:
φ>i>=b>i>/b>i> (2.2.12)
b>i>=a>ij> (2.2.13)
де: b>i> - вагомість і-го параметра
Друга ітерація:
φ>i>=b>i>/b>i> (2.2.14)
b>i>=a>i1>b>1>+a>i2>b>2>+...+> >a>in>b>n> (2.2.15)
де: b>i> - вагомість і-го параметра
Рівень якості виробу
К>Т.Р.>=0.12*1.25 +0.3*1.05+ 0.19 *1.25+ 0.24 *1.0+0. 15*1.0=1.1
Таким чином, рівень якості радіопристрою, що розробляється рівний 1.1.
2.3. Розрахунок собівартості радіо пристрою.
Згідно з ТЗ виробництво джерела безперебійного живлення – дрібносерійне, тому надалі будемо користуватися відповідними нормативами і методикою.
2.3.1 Розрахнок витрат на придбання матеріалів
Витрати на придбання матеріалів обчислюються на підставі норм їх витрачання і цін з урахуванням транспортно-заготівельних витрат. Розрахунок по вартості матеріалів занесені до таблиці 2.3.1
Вартість матеріалів. Таблиця 2.3.1.
|
Наймену- ваня матеріалу |
Стандарт, марка |
Одиниця виміру |
Норма витрат на один виріб |
Ціна за одиницю, гр |
Сума, грн. |
|
Припой |
ПОС-61 |
кг |
0.30 |
7 |
2.1 |
|
Скло-текстоліт фольгований |
СФ-2-15 |
кг |
0.7 |
30 |
21 |
|
Дріт монтажний |
МГШВ-0.75 |
м |
1 |
0.15 |
0.15 |
|
Дріт монтажний |
МГШВ-0.5 |
м |
1,5 |
0.5 |
0.75 |
|
Дріт монтажний |
МГШВ-0.35 |
м |
0.7 |
0.3 |
0.21 |
|
Дріт монтажний |
МГШВ-1,5 |
м |
1.5 |
1.3 |
1.95 |
|
Залізо цинковане |
Ст3-1.5 |
кг |
1 |
5 |
5 |
|
Алюміній |
Амг-3 |
кг |
3.1 |
6.2 |
19.22 |
|
Флюс |
ФС-1 |
кг |
0.10 |
10 |
1.0 |
|
Лак |
кг |
0.1 |
8 |
0.8 |
|
|
Фарба |
ПФ-115 |
кг |
0.35 |
7 |
2.45 |
|
Разом |
54.63 |
||||
|
Невраховані матеріали ,5% |
2.73 |
||||
|
Транспортно-заготівельні роботи , 10% |
5.46 |
||||
|
Всього |
62.82 |
2.3.2. Розрахунок затрат на покупні вироби і напівфабрикати.
В дану статтю включається вартість готових виробів, придбаних для укомплектовки блока живлення. Покупні вироби визначаються по схемі електричній-принциповій. Розрахунки занесені в таблицю 2.3.2
Покупні вироби. Таблиця 2.3.2.
|
Наймену-вання |
Марка |
Кількість |
Ціна .грн. |
Сума .грн. |
|
Резистори |
||||
|
RC01-1206± 5% |
64 |
0.05 |
3.2 |
|
|
RC02H-1206± 1% |
18 |
0.05 |
0.9 |
|
|
RWN5020-1.6± 5% |
9 |
1.60 |
14.4 |
|
|
RWN5020-1.6± 1% |
3 |
1.80 |
5.4 |
|
|
PVZ3A ± 20% |
3 |
0.70 |
2.10 |
|
|
TR1223± 5% |
1 |
1.1 |
1.1 |
|
|
Конденсатори |
||||
|
ECR-400B-100мкФ |
4 |
6.00 |
24 |
|
|
ECR-25B-1000мкФ |
3 |
1.40 |
4.20 |
|
|
ELV-25B-22мкФ |
14 |
0.60 |
8.40 |
|
|
X7R-1206-50B |
20 |
0.10 |
2 |
|
|
X7R-1206-3кВ |
8 |
0.90 |
7.2 |
|
|
X7R-1206-400B |
10 |
1.20 |
12 |
|
|
Мікросхеми |
||||
|
UC3842 |
3 |
7.80 |
23.4 |
|
|
UA723 |
1 |
3.30 |
3.30 |
|
|
SG3525 |
1 |
3.30 |
3.30 |
|
|
7805ACD2T |
1 |
1.00 |
1 |
|
|
ATTiny26 |
1 |
14.30 |
14.3 |
|
|
Транзистор |
||||
|
K1531 |
2 |
0.20 |
0.4 |
|
|
K792 |
3 |
0.20 |
0.6 |
|
|
IRFP150 |
4 |
7.20 |
28.80 |
|
|
IRFD123 |
2 |
4.1 |
8.2 |
|
|
2N2907 |
2 |
3.2 |
6.4 |
|
|
GT15Q101 |
2 |
12.5 |
25 |
|
|
BC550B |
4 |
2.4 |
9.6 |
|
|
Діоди |
||||
|
RUR30100 |
2 |
3.70 |
7.40 |
|
|
PBU607 |
1 |
4.10 |
4.10 |
|
|
LL4148 |
4 |
0.10 |
0.40 |
|
|
1N4937 |
4 |
0.40 |
1.6 |
|
|
HFA16TB600 |
4 |
6.80 |
27.20 |
|
|
BZV55C9.2V |
2 |
0.20 |
0.40 |
|
|
BZV55C3.342V |
2 |
0.20 |
0.40 |
|
|
BZV55C18V |
2 |
0.20 |
0.40 |
|
|
TPL921 |
2 |
1.15 |
2.30 |
|
|
TPL559 |
2 |
1.25 |
2.50 |
|
|
4N35 |
3 |
1.25 |
3.75 |
|
|
Дроссель |
||||
|
17.10 |
||||
|
DST4-10-22 |
3 |
5.70 |
18.60 |
|
|
FMER-K26-0.9 |
3 |
6.20 |
||
|
Трансформатори |
||||
|
TS200-3-2-X20 |
1 |
4.10 |
4.10 |
|
|
KERMOP-2-K20 |
1 |
2.00 |
2.00 |
|
|
TS110-30-K28 |
1 |
12.30 |
12.30 |
|
|
TSI-40A-3-X20 |
1 |
6.20 |
6.20 |
|
|
Реле |
||||
|
AJR3221 |
2 |
10.25 |
20.30 |
|
|
Розєми |
||||
|
SN-6-1 |
3 |
1.90 |
5.70 |
|
|
DB-9-1 |
1 |
1.80 |
1.80 |
|
|
AN-6-2 |
1 |
0.85 |
0.85 |
|
|
Вимикачі |
||||
|
|
В127В-6-100В |
1 |
1.50 |
1.50 |
|
Запобіжники |
||||
|
ZP-20А-50В |
2 |
1.40 |
2.80 |
|
|
BP-6.3A-250B |
1 |
0.40 |
0.40 |
|
|
Ніжки |
||||
|
И28.128.064 |
4 |
0.50 |
2.00 |
|
|
Акумулятор |
||||
|
Yuasa12A-7Ah |
4 |
4 |
||
|
Разом |
356.5 |
|||
|
Транспортно-заготівельні роботи .10% |
35.65 |
|||
|
Всього |
392.15 |
2.3.3. Розрахунок основної заробітної плати.
Витрати по даній статті розраховуються по кожному виді робіт залежно від норми часу й погодинної тарифної ставки робітників
Сз.>о.>=С>ті>t>ші> (2.3.1)
де: С>ті>- погодинна тарифна ставка.
t>ші> – штучний час на одну операцію.
Норми часу на операціях були взяті з технологічних карт. Перелік робіт відповідає технологічному процесу виробництва виробу. Норми часу для монтажних і складальних робіт визначаються типовими нормами часу на складально-монтажні роботи, табл. 2.3.3.
Основна заробітня плата. Таблиця 2.3.3.
|
Назва робiт |
Тариф. розряд |
Годинна тарифна ставка, грн/г |
Норма часу, год. |
Cума зарпла-ти, грн. |
|
|
1 |
Заготовельнi |
3 |
2.6 |
3 |
7.8 |
|
2 |
Свердлильнi |
3 |
2.6 |
2 |
5.2 |
|
3 |
Монтажнi |
4 |
2.8 |
6 |
16.8 |
|
4 |
Збiрнi |
5 |
3.2 |
4 |
12.8 |
|
5 |
Маркiровочнi |
3 |
2.6 |
5 |
13 |
|
6 |
Регулювальнi |
5 |
3.2 |
6 |
19.2 |
|
Всього |
74.8 |
||||
|
Доплати i надбавки (20%-60%) |
37.4 |
||||
|
Всього |
112.2 |
2.3.4. Додаткова зарплата робітникiв.
Витрати по цій статті визначаються у відсотках від основної заробітної плати. Як орієнтовна величина норматив додаткової заробітної плати для приладобудівних підприємств може бути прийнятий у розмірі 30-40 %.
Сз.>буд.>=0.30Сз.>о.> (2.3.3)
де Сз.>о.>- основна заробітна плата.
Сз.>буд.>=0.30112.2=33.66 грн.
2.3.5. Відрахування на соціальне страхування.
За діючими на 23.01.2006 р. нормативами відрахувань на соціальне страхування становить 37.8% від суми основної й додаткової заробітної плати.
Сс.>с.>=0.378( Сз.>про> + Сз.>д>) (2.3.4)
Сс.>с.>=0.378(112.2+33.66) = 55.13 грн.
2.3.6. Загальновиробничі витрати.
Враховуючи, що
собівартість виробу визначається на
ранніх стадіях його проектування в
умовах обмеженої інформації щодо
технології виробництва та витрат на
його підготовку у загальновиробничі
витрати включаються, крім власне цих
витрат, витрати на: освоєння основного
виробництва, відшкодування зносу
спеціальних інструментів і пристроїв
цільового призначення, утримання та
експлуатацію устаткування. При цьому
загальновиробничі витрати визначаються
у відсотках до основної заробітної
плати. При такому комплексному складі
загальновиробничих витрат їх норматив
(
)
досягає 200–300%.
Сз.>в.>= (2...3)Сз.>про> (2.3.5)
Сз.>в.>= 2 112.2 = 224.4 грн
Таким чином виробнича собівартість складає 880.36 грн.
2.3.7. Адміністративні витрати.
Ці витрати відносяться на собівартість виробу пропорційно основній заробітній платі і на приладобудівних підприємствах вони становлять 100–200%:
Сз.>г>=1Сз.>про> (2.3.6)
Сз.>г>=1112.2= 112.2грн
2.3.8. Витрати на збут.
Витрати по цій статті визначаються у відсотках до виробничої собівартості (звичайно 2,5 - 5,0%). С>збут> = 0.025880.36=22
Сума по всім наведеним нижче статтях калькуляції є повною собівартістю продукції.
Результати розрахунку зведемо в таблицю 2.3.4.
Комерційні витрати. Таблиця 2.3.4.
|
№ |
Статті витрат |
Сума, грн. |
Питома вага, % |
|
1. |
Сировина та матеріали. |
62.82 |
6.19 |
|
2. |
Покупні комплектуючі вироби, напівфабрикати, роботи і послуги виробничого характеру сторонніх підприємств. |
392.15 |
38.65 |
|
3. |
Основна заробітна плата. |
112.2 |
11.5 |
|
4. |
Додаткова заробітна плата. |
33.66 |
3.31 |
|
5. |
Відрахування на соціальне страхування. |
55.13 |
5.43 |
|
6. |
Загальновиробничі витрати. |
224.4 |
22.11 |
|
Виробнича собівартість |
880.36 |
86.77 |
|
|
7. |
Адміністративні витрати. |
112.2 |
11.5 |
|
8. |
Витрати на збут |
22 |
2.2 |
|
Повна собівартість. |
1014.56 |
100 |
Отже, повна собівартість радіопристрою складе: 1014.56 грн.
2.4. Визначення ціни виробу.
Серед різних методів ціноутворення на ранніх стадіях проектування досить поширений метод лімітних цін. При цьому визначається верхня і нижня межа ціни.
2.4.1. Нижня межа ціни.
Нижня межа ціни (
)
захищає інтереси виробника продукції
і передбачає, що ціна повинна покрити
витрати виробника, пов'язані з виробництвом
і реалізацією продукції, і забезпечити
рівень рентабельності не нижчий за той,
що має підприємство при виробництві
вже освоєної продукції.
-
(2.4.1)
(2.4.2)
де:
–
оптова ціна підприємства, грн.;
–
повна собівартість
виробу, грн.;
–
нормативний рівень
рентабельності, 15%;
–
податок на додану
вартість, 20%.
Таким чином отримуємо:
грн.
.
2.4.2. Верхня межа ціни.
Верхня межа ціни (
)
захищає інтереси споживача і визначається
тією ціною, яку споживач готовий сплатити
за продукцію з кращою споживчою якістю
(2.4.3)
де:
–
ціна базового виробу, 3000 грн.;
2.4.3. Договірна ціна.
Договірна ціна (
)
може бути встановлена за домовленістю
між виробником і споживачем в інтервалі
між нижньою та верхньою лімітними
цінами.

З виразу:
,
отже обираємо

2.4.4. Визначення мінімального обсягу виробництва продукції.
Собівартість річного випуску продукції
|
|
де

-
повна собівартість одиниці продукції,
грн;
-
умовно-змінні витрати
=0.65;
-
умовно-постійні витрати
=0.35;
Х - виробнича потужність підприємства X=150 од./рік;
- річний обсяг випуску
продукції
=100
од./рік;

Вартість річного випуску продукції
(2.4.5)

Обсяг продукції при якому прибуток відсутній:
|
|
од.
Обсяг продукції при якому буде досягнутий запланований рівень рентабельності
(2.4.6)
Річний прибуток при досягненні запланованого рівня рентабельності складе:
-
(2.4.7)

Рис. 2.4.1 Характеристика мінімального обсягу виробництва продукції.
Висновок
В даному розділі були проведені аналіз рівня якості і конкурентно спроможності радіопередавача декаметрового діапазону хвиль, розрахунки собівартості виробництва, доцільності виробництва, визначення ціни виробу.
Повна собівартість складає 1014.56 грн.
Нижня межа ціни -

Верхня межа ціни -

Договірна ціна -
Обсяг продукції при
якому прибуток відсутній -
од.
Розділ 3. Охорона праці.
У даному розділі дипломного проекту приводиться аналіз умов праці у виробничому приміщені по виробництву джерела безперебійного живлення при розробці і виробництві плат керування та живлення. Тут потрібно приділити особливо важливе значення для даної частини дипломної роботи, тому що при не дотриманні норм, встановлених законодавством, можливе порушення працездатності і життєдіяльності робітників. Тому ми маємо визначити небезпечні та шкідливі виробничі фактори, а також ступінь їх небезпеки на робочому місці. Звісно потрібно розробити заходи, щоб захистити робітників від впливу цих факторів, якщо вони будуть перевищувати припустимі норми.
3.1. Аналіз небезпечних та шкідливих виробничих факторів.
До основних шкідливих і небезпечних факторів, що впливають на людей, зайнятих на виробництві РЕА, можна віднести :
Погана освітленість робочої зони (умови освітленості виробничих приміщень повинні відповідати нормам, зазначеним у СНиП II-4-79/85);
Підвищені рівні електромагнітних випромінювань не використовуваного рентгенівського обладнання (рівні випромінювань і полів повинні відповідати ГОСТ 12.2.006-87);
Небезпека ураження електричним струмом;
Незадовільні параметри мікроклімату робочої зони у виробничих приміщеннях повинні відповідати нормам, зазначеним у ГОСТ 12.1.005-88 і ДСН 3.3.6.042-99;
Вміст у повітрі робочої зони шкідливих речовин різного характеру впливу в концентраціях, що перевищують гранично припустимі (ГДК шкідливих речовин у повітрі робочої зони повинні відповідати нормам, зазначеним у ГОСТ 12.1.005-88 і ГОСТ 12.1.007-80);
Підвищений рівень шуму на робочому місці (припустимі рівні звукового тиску в октавних смугах частот, рівні звуку й еквівалентні рівні звуку на робочих місцях) має бути відповідно до санітарних норм припустимих рівнів шуму на робочих місцях ДСН 3.3.6.037-99;
Підвищена напруженість електричного поля промислової частоти на робочому місці (напруженість електричних полів промислової частоти на робочих місцях повинна відповідати нормам, зазначеним у ГОСТ 12.1.002-88);
Вплив шкідливих факторів впливу моніторів ПК (ДСанПіН 3.3.2.007-98).
3.2. Характеристика параметрів робочого приміщення.
При розробці і виготовленні виробу основні працезатрати становить розробка програмного забезпечення, а саме: розробці програми прошивання мікроконтролеру і програмного забезпечення для зв'язку пристрою з персональним комп'ютером (ПК). Приміщення, у якому знаходиться ПК є робочою кімнатою лабораторії дослідницького інституту. Приміщення лабораторії знаходиться на другому поверсі панельного будинку. Вібрація в приміщенні відсутня. Шкідливі речовини в приміщенні лабораторії також відсутні. Склад повітряного середовища в нормі. У робочій кімнаті знаходиться монітор у складі ПК, офісні меблі. Покриття статі - паркет. Стіни обклеєні шпалерою.
Основні геометричні розміри приміщення, у якому будуть проводитися роботи з проектування плати керування:
- довжина а = 6 м;
- ширина b = 5 м;
- висота h = 2,60 м.
В приміщенні лабораторії працюватимуть два інженери.
Виходячи із значень a, b, h, розрахуємо значення площі обсягу приміщення:
S > i = a × b = 6 × 5 = 30 (кв.м) - площа приміщення;
Sn = 6.2 (кв.м) - загальна площа столів і шафи.
S = Si - S>n >= 30– 6.2 = 23,8 (кв.м)
V = S × h = 23,8 × 2,60 = 61,88 (куб.м)
Площа й об’єм, що приходяться на один робітника, визначається по формулах:
S1 = S2 = S / 2 = 23,8 / 2 = 11,9 кв.м
V1 = V2 = V / 2 =61,88 / 2 = 30,94 кв.м
На підставі приведених вище даних розрахуємо значення площі й об’єму приміщення, що приходиться на одного службовця. Результати обчислень приведені в таблиці
Результати обчислень. Таблиця 1.
|
Параметр |
Норматив |
Реальні параметри |
|
Площа, S |
не менш 6 кв. м. |
11,9 кв.м |
|
Об’єм , V |
не менш 15 куб. м. |
30,94 кв.м |
Аналізуючи умови праці в приміщенні, помітимо, що обсяг приміщення приходиться на одну людину і корисну площу більше нормативного значення відповідно до СН245-82 і ОНТП24-86.
3.3. Розрахунок природного освітлення.
Згідно СНиП ІІ-4-79/85 для найменшого об’єкторозрізнення (розряд зорової роботи ІІІ (б)) 0.3 – 0.5 мм значення коефіцієнту природного освітлення (КПО) повинно дорівнювати 2%.
Метою розрахунку умовного освітлення є перевірка його відповідності СНиП ІІ-4-79/85. При боковому односторонньому освітленні формується мінімальне значенні КПО в точці, розміщеній на відстані одного метра від стіни, найбільш віддаленої від світлових пройм на перетині характерного розрізу площини приміщення і робочої поверхні. Характерний розріз приміщення – поперечний розріз по середині приміщення, площина якого перпендикулярна площині столових пройм. Умовна робочі поверхня – горизонтальна, розташована на висоті 0.8 м від полу.
Знаходимо номер світлового клімату. Для Києва номер світлового клімату – IV. На основі СНиП ІІ-4-79, знаходимо коефіцієнт природного освітлення (КПО = 2), для роботи високої точності (розряд зорової роботи ІІІ (б)).
Для будинків міста Києва (IV пояс світлового клімату) нормоване значення КПО знаходимо по формулі:
,
де: еІІІ – КПО для ІІІ світлового клімату;
m – коефіцієнт світлового клімату, m = 0.9;
с – коефіцієнт сонячності клімату, с = 0.75, для світлових пройм в зовнішніх стінах будинку, орієнтованих по сторонах горизонту 136° ... 225°.

фактичне значення КПО розраховується по формулі:

де: E>>- геометричний КПО в розрахованій точці при боковому освітленні, враховуючий пряме світло неба, який знаходимо за формулою ;
g – коефіцієнт, який враховує нерівномірність яскравості сонячного неба g = 0.75 для умовної висоти середини висоти світлової пройми над робочою поверхнею 20°.
R – коефіцієнт, який враховує відносну яскравість навпроти стоячого будинку;
r>1> – коефіцієнт, який враховує збільшення КПО при бічному освітленні завдяки світлу, відбитому від поверхні приміщення та підстелюючого слою, прилеглому до будинку, враховуючи відношення глибини приміщення до висоти верха вікна до рівня робочої поверхні, відношення відстані розрахованої точки від зовнішньої стіни до глибини приміщення В, коефіцієнті відбиття поверхні приміщення >ср>;
>0 >– загальний коефіцієнт світло пропускання, який знаходиться за формулою ;
k>3> – коефіцієнт запасу, k>3> = 1.3.
Е>зд> – геометричний КПО в розрахованій точці при бічному освітленні, враховує відбите від бічної будівлі, знаходиться по формулі.
Знайдемо геометричний КПО в розрахованій точці при бічному освітленні:

де: n>1 >– кількість променів проходячих від неба через світлові пройми в розраховану точку при поперечному розрізі приміщення (n>1> = 8);
n>2> – кількість променів проходячих від неба через світлові пройми в розраховану точку на плані приміщення (n>2> = 30).

Знаходимо індекси будівлі в плані розрізу:


де: l>n> – довжина протилежного будинку, l>n> = 100 м;
Н – висота протилежного будинку, Н = 20 м;
l – відстань від розрахованої точки в приміщенні до зовнішньої поверхні стіни будинку, l = 95 м;
р – відстань між будівлями, р = 50 м;
а – ширина вікна на плані, а = 3 м;
h – висота верхньої грані вікна над полом, h = 4 м.
Оздоблювальний матеріал фасаду протилежного будинку – бетон.


Знаходимо по розрахованим значенням z>1> та z>2>, R – коефіцієнт, який враховує відносну яскравість протилежного будинку:
R = 0.22
Розрахуємо коефіцієнт відбиття поверхні приміщення:

де: р>1>, р>2>, р>3 >– коефіцієнти відбиття стелі, стін, полу.
Відповідно (р>1> = 0.7, р>2> = 0.5, р>3> = 0.1);
S>1>,> >S>2>, S>3> – площа стелі, стін, полу (S>1> = 110 м2, S>2> = 210 м2, S>3> = 110 м2)
.
Знаходимо r>1>, враховуючи, що:
;
;
;
р>ср>
= 0.46;
r>1> = 5.4;
Знаходимо загальний коефіцієнт світлопропускання:

де: >1> – коефіцієнт світло пропускання матеріалу остіклення, для скла віконного листового подвійного >1> = 0.8;
>2> – коефіцієнт, враховуючий втрати світла в переплатах світло, для перелетів дерев‘яних спарених >2> = 0.7;
>3 >–> >коефіцієнт, враховуючий втрати світла в несучих конструкціях при бічному освітленні, >3> = 1;
>4 >– коефіцієнт, враховуючий втрати світла в сонцезахисних пристроях. Залежить від типу пристрою, виду виробів та матеріалів для захисних козирків, горизонтальних з захисним кутом 15° ... 45°, >4 >= 0.9;
>5> – враховує втрати світла в захисній стінці при бічному освітленні, >5> = 1.

Знаходимо геометричний КПО в розрахунковій точці при бічному освітлення, враховуючий світло, відбите від сусідньої будівлі, по формулі:

Значення
та
,
та
(
= 5;
= 22)

Знаходимо фактичне КПО по формулі (8.3.1)

Розраховане значення КПО більше нормованого – зорові роботи при природному освітленні відповідають нормативним вимогам.
3.4. Розрахунок штучного освітлення.
Зробимо розрахунок штучного освітлення. Вихідні дані для розрахунку:
лампа денного освітлення ЛБ – 65;
випромінювальний світловий потік ФЛ = 465 ЛК;
тип освітлювача ЛПО – 02 (дві лампи по 65 Вт);
кількість світильників N = 12;
висота підвісу h = 3,3 м (з урахуванням висоти столів).
Так як джерело світла не може розглядатись як точкові, тому розрахунок загального освітлення потрібно виконувати точковим методом.
Освітлення знаходиться по формулі:

де: n – кількість ламп в освітлювачі;
– коефіцієнт, враховуючий збільшення освітлення за рахунок відбиття впливу віддалених освітлювачів, = 1.2;
m – кількість напіврядів освітлювачів, m = 6;
Е>і> – відносна освітленість в розрахунковій площі, від і-го напівряду освітлювачів (ЛК), розраховується по формулі ;
Фі – коефіцієнт переходу від горизонтального освітлення до нахиленого, так як столи горизонтальні, то Ф = 1 для всіх Е;
k>3> – коефіцієнт запасу, враховує запиленість, k>3> = 1.5;
І>р> – довжина ряду, І>р >= 8.4 м;

- допоміжна функція, значення якої
знаходиться в залежності від відносних
координат
та
;
- сила світла в напрямку до розрахункової
точки, знаходиться в залежності від
кута р/,
який знаходять для відповідних значень
та
по умовній групі освітлювачів.
Знайдемо відповідні значення Е:






Знаходимо освітленість Е за формулою :

Норма освітлення для даного виду робіт (розряд роботи IІІ (б), робота високої точності) дорівнює 300 ЛК. Таким чином, загальне освітлення задовольняє вимогам СНиП II-4-79.
3.5. Оцінка санітарних норм умов праці при пайці.
У даній роботі будемо розглядати
процес пайки на етапі дослідно-
конструкторської розробки (ДКР). При
цьому використовується ручна пайка,
виконувана електричним паяльником
безперервної дії потужністю 20...40Вт.
Питоме утворення аерозолю свинцю при
цьому становить 0,02...0,04мг/100 пайок.
Відповідно до складального креслення в якості припою використовується олов’яно-свинцевий припій марки ПОС-61 ГОСТ 21931-76, а як флюс використовується безкислотний флюс КЭ ГОСТ 1797-64. Для видалення залишків флюсу застосовується етиловий спирт. До складу припою входить олово (Sn) у кількості 60-62% і свинець (Рb) у кількості 38-40%.
Флюс складається із соснової каніфолі (С>2>Н>3>ООН>2>) у кількості 15-28%, і етилового спирту (С>2>Н>5>ОН) у кількості 72-85%.
Свинець є надзвичайно небезпечною речовиною (клас 1), відповідно до ГОСТ 12.1.005-88. ГДК у повітрі робочої зони 0,01мг/м. Олово є речовиною помірковано небезпечним (клас 3). ГДК у повітрі робочої зони 10мг/м. Спирт етиловий є малонебезпечною речовиною (клас 4). ГДК у повітрі робочої зони 1000мг/ м..
Визначимо концентрацію аерозолю свинцю
C = 0,6 × A × B × t × N / V,
де: A- питоме утворення аерозолю свинцю;
B - кількість пайок у хвилину;
N - кількість робочих місць;
V - обсяг приміщення, м.;
t - тривалість зборки виробу, година.
У нашому випадку:
A = 0,04мг / 100 пайок,
B=5, t = 1,2 година, N = 2, V = 50,44 м.
Тоді
С = 0,6 × 0,04 × 5 × 1,2 × 2 / 50,44 = 0,005709 мг/м.
Отже, за даних умов технологічного процесу концентрація аерозолю свинцю в повітрі робочої зони не буде перевищувати гранично припустиму концентрацію 0,01мг/м. Так, як пари свинцю не перевищують ГДК, те немає необхідності у вентиляції ділянок пайки.
3.6. Електробезпека.
В приміщення лабораторії не жарко, сухо, і відповідно до ОНТП24-86 і ПУЕ-87 вона відноситься до класу приміщень без підвищеної небезпеки поразки персоналу електричним струмом, оскільки відносна вологість повітря не перевищує 75%, температура не більш 35С, відсутні хімічно агресивні середовища.
Живлення електроприладів усередині приміщення здійснюється від трьохфазної мережі з заземленою нейтралю напругою 220 В і частотою 50 Гц із використанням автоматів токового захисту. У приміщенні застосована схема заземлення.
В аналізованому приміщенні використовуються наступні типи електроустаткування:
- ПК Prime Medio 80 - 1 шт.;
- монітор Samsung 730BF (ВДТ) 220В - 1 шт.;
- напруга живлення: системний блок 220 В - 1 шт.
Передбачено захисне відключення напруги живлення мережі при аварійному режимі роботи устаткування.
У розглянутому приміщенні електропроводка схована, проведена в прорізах під штукатуркою на висоті 2 м. Силові провідники, які з'єднують між собою ПК із системним блоком і принтером мають подвійну ізоляцію. Штепсельні розетки встановлені на висоті одного метра від підлоги. Вимикачі на стінах розташовані на висоті 1,75 метра від підлоги з боку ручки для відкривання двері.Корпус дисплея, клавіатури, принтера і калькулятора виготовлений зі спеціального матеріалу удароміцного пластику, що робить поразку електричним струмом людини, при дотику до них практично неможливим. Тобто, спеціальних заходів для електробезпечності застосовувати не потрібно.
Корпус системного блоку виготовлений з металевих деталей. Відповідно виникає небезпека поразки людини електричним струмом через порушення ізоляції і переходу напруги зі струмоведучих частин. У зв'язку з цим корпус системного блоку, що є в нормальних умовах експлуатації не під напругою необхідно навмисно з'єднати з нульовим проводом. У приміщенні застосована схема занулення, де r>з> (робоче заземлення нейтрали) обрано з урахуванням використання природних заземлювачів і повторного заземлення нульового провідника r>n >рівного 4 Ом, r>0> чисельно дорівнює 1,0 Ом.
Ураження людини електричним струмом може відбутися у випадку:
1. Дотику до відкритих струмоведучих частин;
2. У результаті дотику до струмопровідних не струмоведучих елементів устаткування, що опинилися під напругою в результаті порушення ізоляції або з інших причин.
Виконаємо електричний розрахунок на перевірку здатності захисних автоматів. При розрахунку струму однофазного короткого замикання скористаємося формулою :
Iкз = Uф / (r>n > + Zт/3),
де r>n >- сума активних опорів фазного і нульового проводів,
r>n >= r>ф >+r>0;>
> >Zт/3 – розрахунковий опір трансформатора;
У даному випадку Uф = 220В , r>ф >= 0,8 Ом , r>0> = 1,0 Ом. , Zт/3 = 0,12 Ом.
Ікз = 220 /( (0,8 + 1,0) +0,12) =121,6 А
Визначимо значення Iср з огляду на, що як токовий захист використовується автоматичний вимикач
Ікз > 1.4 × Іср
Одержуємо Iср < 86,8 А.
Заземлення зроблено за допомогою гнучкого сплетеного мідного проводу діаметром порядку 1,5 мм2.
Для зменшення значень напруг дотику і відповідних їм величин струмів, при нормальному й аварійному режимах роботи устаткування необхідно виконати повторне захисне заземлення нульового проводу. Відповідно до ГОСТ-12.2.007.0-75 все устаткування (крім ЕОМ - II клас) відноситься до I класу, воно має робочу ізоляцію відповідно до вимог ГОСТ 12.1.009-76. Підключення устаткування виконане відповідно до вимог ПБЕ та ПУЕ. Додаткових заходів по електробезпечності не потрібно.
Rn
3.7. Пожежна безпека приміщення.
Робоче і приміщення відповідно до ПБЕ та ОНТП 24 –86 по вибухово-пожарній безпеці можна віднести до категорії "В".
Згідно з ПУЕ клас робочої зони приміщення по пожежній небезпеці П-II а.
Тому що в розглянутому приміщенні знаходиться ПЕОМ, те пожежа може привести до великих матеріальних втрат. Отже, проведення робіт зі створення умов, при яких імовірність виникнення пожежі зменшується, здобуває ще більш важливе значення.
Можливими причинами виникнення пожежі на в даному приміщенні:
коротке замикання проводки;
користування побутовими електрорадіоприладами .
не дотримання умов протипожежної безпеки.
У зв'язку з цим відповідно до ПУЕ необхідно передбачити наступні заходи щодо пожежної безпеки:
- ретельна ізоляція всіх струмоведучих провідників до робочих місць; періодичний огляд і перевірка ізоляції;
- суворе дотримання норм протипожежної безпеки на робочому місці.
Були дотримані всі вимоги СНиП 2.01.02-85 і СНиП 2.09.02-85по вогнестійкості будинків, часу евакуації у випадку пожежі, ширині евакуаційних проходів і виходів із приміщень назовні, мінімальна далекість робочих місць від евакуаційних виходів .
Приміщення обладнане двома пожежними датчиками типу ДТЛ, сигнал від яких надходить на станцію пожежної сигналізації ( площа, що захищається, 2 × 15=30м2 ).
Відстань між датчиками складає 4 м відповідно до ГОСТ 12.4.009-75 та ДБН.
Така кількість датчиків відповідає нормам розміщення згідно ДБН, тому що площа, що захищається датчиком ДТЛ складає 15 м2, два датчика захищають площу приміщення 30м2, а площа приміщення лабораторії складає 19,4 м2.
Приміщення обладнане наступними елементами пожежегасіння:
- вогнегасник ОУБ-3 1 шт.;
- вогнегасник ОП-1 “Момент” 1 шт.
Така кількість вогнегасників відповідає вимогам ISO3941-77, якими передбачене обов'язкова наявність двох вогнегасників на 100м2 площі для приміщень типу конструкторських бюро. Вибір речовини ґрунтується на тім, що пожежа, що може виникнути в приміщенні лабораторії, відноситься до категорії В, тому що палаючими об'єктами виявляться електроустановки, що знаходяться під напругою. Для гасіння пожеж цього класу застосовують галоідовуглеводи, діоксід вуглеводню, порошкові з'єднання. Вогнегасний склад на основі галоідованих вуглеводнів (бромистий етил 70%, вуглекислота 30%) застосовується у вогнегасниках ОУБ-3, у вогнегасниках ОП-1 “Момент” використовується порошкові склади, у котрі входять кальцинована сода, стеарат алюмінію, стеарат заліза і магнію, стеаринова кислота, графіт і ін.
Наявність первинних засобів пожежегасіння і вогнегасників, їхня кількість і зміст відповідає вимогам ГОСТ 12.4.009-75 і ISO3941-77.
У приміщенні виконуються усі вимоги по пожежній безпеці відповідно до вимог НАПБ А.0.001-95 “Правила пожежної безпеки в Україні”.
У приміщенні також мається план евакуації на випадок виникнення пожежі. Час евакуації відповідає вимозі СНиП 2.01.02-85О, а максимальне видалення робочих місць від евакуаційних виходів відповідає СНиП 2.09.02-85.
Висновок.
У ході виконання дипломного проекту було розроблене джерело безперебійного живлення, що має цифрове керування й призначений для захисту різного роду електронної апаратури від проблем, які можуть виникнути в мережі живлення.
Провівши аналіз існуючих на сьогоднішній день схем побудови подібних систем була визначена й обґрунтована структурна схема, а саме пристрій має структуру побудови по типі Line-interractive, що дозволяє повністю визначити вимоги до розв'язуваних пристроєм проблем, а також визначені технічні вимоги. Електричний розрахунок дозволяє визначити вимоги до силових елементів схеми електричної принципової, зокрема до силових ключів, діодів та ін.. Також в процесі виконання дипломної роботи були досягнуті відповідні технічні показники, які задовольняють вимоги технічного завдання. А також забезпечено належний рівень якості виробу, що відповідає загальноприйнятим стандартам.
В економічній частині даного дипломного проекту проведено розрахунок організаційно-економічних показників, визначено собівартість та ціну пристрою, проведено оцінку рівня якості, прогнозований рівень збуту.
Дана дипломна робота також містить у собі інформацію про умови, які повинні бути забезпечені на підприємстві для нормальної праці робітників та забезпечення належного стану їх здоров'я.
Література.
В.Г. Костиков, Е.М. Парфенов, В.А. Шахнов «Источники электропитания электронных средств» Москва, Гарячая линия-Телеком 2001г.
Гребнев В.В. Микроконтроллеры семейства AVR фирмы Atmel.-М.: ИП Радиософт, 2002 – 176 с.: ил.
ДСТУ 3169 - 95 (ГОСТ 23585-79)- Монтаж электрической радиоэлектронной аппаратуры и приборов.
ДСТУ 3413-96 – Вимоги до електричних побутових сетей.
www.fairchild.com K. Zeeman and V. Wadoock “Calculation PWM supply”, 2004.
Фрунзе А.В. Микроконтроллеры? Это же просто! Т.1. – М.:ООО ” ИД СКИМЕН”, 2002. – 336 с., илл.
Методичні вказівки до дипломного проектування для студентів спеціальності “Радіотехніка” /Укл. В.О.Дмитрук, В.В.Лисак, С.М.Савченко, В.І.Правда. – К.: КПІ, 1993. – 20 с.
Костиков В.Г., Парфенов Е.М., Шахнов В.А. Источники электропитания электронных средств. Схемотехника и конструирование: Учебник для вузов. – 2-е изд. – М.: Горячая линия – Телеком, 2001. – 344 с.: ил.
Перельман Б.Л. Полупроводниковые приборы. Справочник – “Солон”, “Микротех”, 1996 г. –176 с.: ил.
Конструирование РЭА. Оценка и обеспечение тепловых режимов. Учеб. пособие / В. И. Довнич, Ю. Ф. Зиньковський. – К.: УМК ВО, 1990. –240 с.
ГОСТ 27.003-90 – Надежность в технике. Состав и общие правила задания требований по надежности.
Семенов Б.Ю. Силовая электроника для любителей и профессионалов. М.: Солон-Р, 2001. – 334 с.: ил.
ГОСТ 12.2.007.0-75 Изделия электротехнические. Общие требования безопасности.
Анотація
У даному дипломному проекті проводиться розробка джерела безперервного живлення, що використовується для захисту та безперебійного живлення серверів та персональних комп’ютерів, а також даних, що знаходяться в їх використанні. Захист інформації в радіоапаратурі та цифрових пристроях одне з найважливіших завдань радіотехніки.
На сьогоднішній день майже кожна друга компанія чи підприємство, які займаються виробництвом чи реалізацією своєї продукції не обходяться без використання серверів та персональних комп’ютерів для ведення та зберігання інформації по фінансовим операціям, видам продукції, обсягам купівлі продажу та інші. Такі дані можуть збиратись та зберігатись десятками років і їх втрати можуть привести до не поправних збитків. Отже, забезпечення цілісності цих даних, а також правильної роботи програмного забезпечення та апаратури є дуже важливим фактором за ради якого і розробляється пристрій.
У проекті висунуті вимоги щодо розробки пристрою, щоб він відповідав стандартам існуючих схем, а також мав кращі робочі характеристики та доцільність розробки з економічного боку.
Відгук
на дипломне проектування
студента 6-го курсу радіотехнічного факультету
Іванова Максима Петровича
Під час дипломного проектування Іванов М.П. розробив джерело безперебійного живлення для ПК. Існуючі ДБЖ не повністю відповідають вимогам, що ставляться до серверів та інших пристроїв, які їх обслуговують. Тому виникла необхідність в розробці ДБЖ, яке б мало кращі характеристики, ніж аналоги, та було б більш універсальним і могло використовуватися у будь-якій апаратурі потужністю до 600 Вт. Крім використання в обчислювальній техніці ДБЖ може використовуватись в іншій апаратурі, наприклад медичній.
Іванов М.П. за час проектування самостійно розробив технічне завдання, провів аналіз відомих рішень, розробив структурну та принципову схему, що відрізняються використанням сучасної елементної бази.
Розробив конструкцію ДБЖ та провів розрахунки, що підтверджують його роботоздатність.
Студент Іванов М.П. показав вміння працювати з технічною літературою, самостійно аналізувати сучасний стан аналогів, вибрати оптимальне рішення і розробити конкретну реалізацію пристрою.
Всі розділи дипломного проекту були виконані своєчасно, сумлінно та на достатньо високому технічному рівні.
Вважаю, що проект Іванова М.П. в ході проектування заслуговує на оцінку “відмінно”, а він присвоєння кваліфікації спеціаліста за спеціальністю “Радіотехніка”.
Керівник
дипломного проектування
доц. каф. РТПС В.О. Піддубний
РЕЦЕНЗІЯ
на дипломний проект студента
радіотехнічного факультету НТУУ „КПІ” Іванова Максима Петровича
на тему
“Джерело безперебійного живлення”
На даний момент наш ринок не повністю забезпечений різноманітними видами пристроїв, що забезпечують безперебійне живлення різної апаратури, а якщо пристрої і є в повному обсязі, то їх ціна та характеристики далеко не найкращі. В даному дипломному проекті розроблене джерело безперебійного живлення, що має кращі характеристики та відносну дешевизну, ніж аналоги. Отже, можна сказати, що розробка пристрою є актуальною.
Дипломний проект має в своєму складі пояснювальну записку на 119 сторінок і вміщує графічні матеріали, що виконані з використанням конструкторських програм. В проекті проведені відповідні розрахунки. Особлива увага приділена вибору та розробці структурної схеми, а також електричної принципової. Зроблено розрахунок схеми зарядного пристрою, імпульсного стабілізатора постійної напруги та вхідних і вихідних фільтрів по завадах. Вся розробка проведена з використанням сучасної елементної бази.
До недоліків проекту можна віднести деякі стилістичні помилки пов’язані з перекладом технічної літератури та відсутність єдиного стилю оформлення математичних виразів.
Вважаю, що дипломний проект Іванова Максима Петровича заслуговує оцінки “відмінно”, а його автор присвоєння кваліфікації спеціаліста за спеціальністю „Радіотехніка”.
Рецензент:
доц. каф. ТОР Шарпан О.Б.
|
Формат |
Зона |
Поз. |
Обозначения |
Название |
Кол. |
Примечание |
||
Документация |
||||||||
|
А1 |
РТ01.436237.001 СБ |
Сборочный чертеж |
||||||
|
А1 |
РТ01.430127.001 Э1 |
Структурная схема |
||||||
|
А1 |
РТ01.430127.001 Э3 |
Схема электрическая |
||||||
принципиальная |
||||||||
|
РТ01.430127.001 ПЕ3 |
Перечень элементов |
|||||||
Сборочные единицы |
||||||||
|
2 |
РТ01.758717.001 |
Плата |
1 |
|||||
|
А1 |
1 |
РТ01.758431.001 СБ |
Нижняя крышка |
1 |
||||
|
А1 |
3 |
РТ01.735236.001 СБ |
Блок аккумуляторов |
1 |
||||
|
Детали |
||||||||
|
4 |
УПЯИ.715163.002 |
Рейка крепление |
6 |
|||||
|
5 |
УПЯИ.715163.003 |
Бокова планка |
2 |
|||||
|
6 |
УПЯИ.741134.020 |
Передняя панель |
1 |
|||||
|
7 |
УПЯИ.741138.001 |
Задняя панель |
1 |
|||||
|
8 |
УПЯИ.745452.001 |
Верхняя крышка |
1 |
|||||
|
РТ01.436237.001СБ |
||||||||
|
Изм. |
Лист. |
№ Докум. |
Подп. |
Дата |
||||
|
Разраб. |
Блок бесперебойного питания Спецификация |
Лит |
Лист |
Листов |
||||
|
Провер. |
1 |
4 |
||||||
|
НТУУ “КПІ” РТФ |
||||||||
|
Н. Контр. |
||||||||
|
Утв. |
||||||||
|
Формат |
Зона |
Поз. |
Обозначение |
Наименование |
Кол. |
Примечание |
||
|
9 |
УПЯИ.754312.001 |
Табличка фирменная |
1 |
|||||
Стандартные изделия |
||||||||
|
10 |
Винт М3*12.48.026 |
|||||||
|
ГОСТ10337-80 |
4 |
|||||||
|
Винты ГОСТ17473-80 |
Полукруглые |
|||||||
|
11 |
ВМ3 10.48.046 |
10 |
||||||
|
12 |
ВМ 12.48.046 |
10 |
||||||
|
13 |
ВМ4 25.48.046 |
12 |
||||||
Винты ГОСТ 17475-80 |
Потайные |
|||||||
|
14 |
ВМ3 10.48.026 |
4 |
||||||
|
15 |
ВМ4 30.48.026 |
12 |
||||||
|
16 |
ВМ6 30.48.029 |
2 |
||||||
|
Гайки ГОСТ5916-70 |
||||||||
|
17 |
М3.5.026 |
20 |
||||||
|
18 |
М4.5.026 |
1 |
||||||
|
19 |
М6.5.029 |
1 |
||||||
|
Шайбы ГОСТ10450-78 |
||||||||
|
20 |
3.04.026 |
42 |
||||||
|
21 |
4.04.026 |
1 |
||||||
|
22 |
6.04.029 |
1 |
||||||
|
РТ01.430231.001 |
Лист |
|||||||
|
2 |
||||||||
|
Изм |
Лист |
№ докум. |
Подпись |
Дата |
||||
|
Формат |
Зона |
Поз. |
Обозначение |
Наименование |
Кол. |
Примечание |
||
|
Другие изделия |
||||||||
|
23 |
Вставка плавкая |
|||||||
|
ВП2Б-1В-3.1А-250В |
||||||||
|
0.481.005 ТУ |
1 |
|||||||
|
24 |
Держатель вставки плавкой |
|||||||
|
ДВП4-2В 0.481.014 ТУ |
1 |
|||||||
|
25 |
Выключатель импортный |
|||||||
|
B127B-6-250B-6A |
||||||||
|
Handy Soft |
||||||||
|
26 |
Розетка AS-11 |
|||||||
|
Handy Soft |
3 |
|||||||
|
27 |
Клемма AS-6-3 |
|||||||
|
|
Handy Soft |
3 |
||||||
|
|
||||||||
|
28 |
Ножка И28.128.064 |
|||||||
|
0.351.124 ТУ |
4 |
|||||||
|
29 |
Вентилятор |
|||||||
|
|
12V, 0,16 A |
2 |
||||||
|
30 |
Разъем DB9F |
1 |
||||||
|
|
||||||||
|
РТ01.430231.001 |
Лист |
|||||||
|
3 |
||||||||
|
Изм |
Лист |
№ докум. |
Подп. |
Дата |
||||
|
Формат |
Зона |
Поз. |
Обозначение |
Наименование |
Кол. |
Примечание |
||
|
|
Светодиоды |
|||||||
|
31 |
АЛ307Б |
2 |
||||||
|
32 |
АЛ307В |
1 |
||||||
|
Формат |
Зона |
Поз. |
Обозначение |
Название |
Кол |
Примечание |
||
|
Документация |
||||||||
|
А2 |
РТ01.735236.001 СБ |
Сборочный чертеж |
||||||
|
Детали |
||||||||
|
1 |
УПЯИ.745120.002 |
Верхняя крышка |
1 |
|||||
|
2 |
УПЯИ.760143.003 |
Нижняя крышка |
1 |
|||||
|
Стандартные изделия |
||||||||
|
Винты ГОСТ 17475-80 |
Потайные |
|||||||
|
3 |
ВМ3 10.48.026 |
4 |
||||||
|
4 |
Гайки ГОСТ5916-70 |
|||||||
|
М3.5.026 |
4 |
|||||||
Шайбы ГОСТ10450-78 |
||||||||
|
5 |
3.04.026 |
4 |
||||||
Другие изделия |
||||||||
|
6 |
Аккумуляторная батарея |
|||||||
|
Yuasa 12V, 7AH |
4 |
|||||||
|
РТ01.735236.001СБ |
||||||||
|
Изм. |
Лист. |
№ Докум. |
Подп. |
Дата |
||||
|
Разраб. |
Блок аккумуляторный Спецификация |
Лит |
Лист |
Листов |
||||
|
Провер. |
1 |
1 |
||||||
|
НТУУ “КПІ” РТФ |
||||||||
|
Н. Контр. |
||||||||
|
Утв. |
|
Формат |
Зона |
Поз. |
Обозначение |
Название |
Кол |
Примечание |
||
|
Документация |
||||||||
|
А2 |
РТ01.735236.001 СБ |
Сборочный чертеж |
||||||
|
Детали |
||||||||
|
1 |
УПЯИ.745120.002 |
Верхняя крышка |
1 |
|||||
|
2 |
УПЯИ.760143.003 |
Нижняя крышка |
1 |
|||||
|
Стандартные изделия |
||||||||
|
Винты ГОСТ 17475-80 |
Потайные |
|||||||
|
3 |
ВМ3 10.48.026 |
4 |
||||||
|
4 |
Гайки ГОСТ5916-70 |
|||||||
|
М3.5.026 |
4 |
|||||||
Шайбы ГОСТ10450-78 |
||||||||
|
5 |
3.04.026 |
4 |
||||||
Другие изделия |
||||||||
|
6 |
Аккумуляторная батарея |
|||||||
|
Yuasa 12V, 7AH |
4 |
|||||||
|
РТ01.735236.001СБ |
||||||||
|
Изм. |
Лист. |
№ Докум. |
Подп. |
Дата |
||||
|
Разраб. |
Блок аккумуляторный Спецификация |
Лит |
Лист |
Листов |
||||
|
Провер. |
1 |
1 |
||||||
|
НТУУ “КПІ” РТФ |
||||||||
|
Н. Контр. |
||||||||
|
Утв. |
|
Формат |
Зона |
Поз. |
Обозначение |
Название |
Кол |
Примечание |
||
|
Документация |
||||||||
|
А2 |
РТ01.735236.001 СБ |
Сборочный чертеж |
||||||
|
Детали |
||||||||
|
1 |
УПЯИ.745120.002 |
Верхняя крышка |
1 |
|||||
|
2 |
УПЯИ.760143.003 |
Нижняя крышка |
1 |
|||||
|
Стандартные изделия |
||||||||
|
Винты ГОСТ 17475-80 |
Потайные |
|||||||
|
3 |
ВМ3 10.48.026 |
4 |
||||||
|
4 |
Гайки ГОСТ5916-70 |
|||||||
|
М3.5.026 |
4 |
|||||||
Шайбы ГОСТ10450-78 |
||||||||
|
5 |
3.04.026 |
4 |
||||||
Другие изделия |
||||||||
|
6 |
Аккумуляторная батарея |
|||||||
|
Yuasa 12V, 7AH |
4 |
|||||||
|
РТ01.735236.001СБ |
||||||||
|
Изм. |
Лист. |
№ Докум. |
Подп. |
Дата |
||||
|
Разраб. |
Блок аккумуляторный Спецификация |
Лит |
Лист |
Листов |
||||
|
Провер. |
1 |
1 |
||||||
|
НТУУ “КПІ” РТФ |
||||||||
|
Н. Контр. |
||||||||
|
Утв. |
От автора
Тема дипломного проекта:
«Источник бесперебойного питания мощностью 600 Вт».
Сдавался в Киевском политехническом институте (КПИ) на Радиотехническом ф-те в феврале 2006 г. Защитился на «отлично».
Диплом имеет достаточно современную и актуальную тему, которая подходит практически для любого ВУЗа или техн. училища по специальности радиотехника.
Данный дипломный проект в полном варианте и выполнен на двух языках (русский и украинский). К диплому прилагается чертежи А1 формата:
Источник бесперебойного питания. Схема электрическая принципиальная.
Источник бесперебойного питания. Алгоритм работы.
Блок аккумуляторов. Сборочный чертеж.
Корпус источника бесперебойного питания. Сборочный чертеж.
Нижняя крышка. Сборочный чертеж.
Источник бесперебойного питания. Плата печатная (Автокад 2004).
Плата источника бесперебойного питания. Сборочный чертеж.
Источник бесперебойного питания. Структурная схема.
Кроме этого имеются:
- спецификации к принципиальной схеме, сборочному печатной платы, сборочному корпуса и блоку аккумуляторному.
- куча дополнительного материла нажитого непосильным трудом и найденного в Интернете, который непременно пригодится студенту при каких-либо поправках к дипломного проекту (это информация по элементной базе, размерам их корпусов многое многое другое).
Все чертежи сделаны в Компасе 5.11 и Автокаде 2004.
Личных замечаний от исполнителя дипломного проекта нет. Выполнен на отлично без сучка и задоринки. Диплом проверялся двумя преподавателями.
Собственно, все. Если вдруг будут вопросы, пишите/звоните.
rostik@ort.kiev.ua
rostik61@voliacable.com
rostik61@ukrpost.net
rostik61@rtf-15.ntu-kpi.kiev.ua
rostik61@mail.ru
тел. д. 8 (044) 405-88-33.
тел. м. 8 (050) 387-25-95. Ростислав.
Удачи!
3












>






(2.4.4)
(2.4.6)