Климатические воздействия и их характеристики. Радиационные воздействия их характеристика
Министерство образования Республики Беларусь
Белорусский государственный университет информатики и
радиоэлектроники
Кафедра РЭС
РЕФЕРАТ
на тему:
«Климатические воздействия и их характеристики. Радиационные воздействия их характеристика»
МИНСК, 2008
Климатические воздействия и их характеристики
Климатические воздействия при эксплуатации РЭСИ подразделяют на естественные и искусственные. Естественные климатические воздействия определяются погодными условиями, включающими температуру, влажность, ветер, атмосферное давление и др. Искусственные климатические воздействия создаются вследствие функционирования РЭСИ и расположенных рядом объектов.
Формирование естественных климатических воздействий
При составлении технических условий на РЭСИ, а также программы и методики испытаний естественные климатические воздействия, обычно называемые климатом, учитывают в виде усредненных климатических факторов в тех или иных частях земной поверхности за продолжительный период времени. Формирование климата на определенной территории происходит под влиянием радиационного процесса, циркуляции атмосферы и влагооборота, определяющих тепловой и водный баланс поверхности Земли в природной географической среде.
Радиационный процесс характеризуется распределением радиационного баланса R, учитывающего приход/расход энергии солнечной радиации. Составными частями радиационного баланса являются прямая (Q) и рассеянная (q) солнечная радиация, а также эффективное излучение (Е) Земли, под которым понимают разность противоположно направленных потоков излучения земной поверхности и атмосферы. Отношение отраженной энергии солнечной радиации к падающей характеризуется числом к, называемым «альбедо» и выражаемым обычно в процентах. Уравнение радиационного баланса:
R=(Q+q)∙(α-1)∙E(1)
На основании многочисленных исследований радиационных процессов в отдельных районах Земли разработаны мировые карты составляющихрадиационного баланса. Установлено также, что солнечная суммарная радиация при безоблачном небе имеет сравнительно устойчивые среднемесячные суточные значения, которые определяются в основном широтой местности и временем года.

Рисунок 1 Среднемесячные суточные значения суммарной солнечной радиации при безоблачном небе в зависимости от широты местности и времени года (I-XII- месяцы года)
Суточный ход и часовые суммы солнечной радиации зависят от места расположения климатической области и характерных для нее погодных условий. Изменение солнечной радиации оценивается отношением ее максимального значения к минимальному и выражается в процентах. Наименьшее изменение суточных сумм радиации наблюдается в пустынных районах Земли. Наибольшее различие между максимальным и минимальным значениями солнечной радиации имеет место в прибрежных районах умеренных широт в связи с частой переменой погодных условий. Наличие паров воды и пыли в воздухе существенно уменьшает интенсивность солнечной радиации.
Циркуляция атмосферы — это перемещение воздушных масс (течений с различным содержанием теплоты и влаги), а также изменение их свойств, сопровождающееся образованием поверхностей раздела между разными воздушными массами. Основные причины общей циркуляции атмосферы — неодинаковое нагревание Солнцем поверхности Земного шара и вращение Земли. Кроме того, на общую циркуляцию атмосферы влияет изменение ландшафта поверхности Земли, вызывающее постоянно действующие турбулентные потоки отраженного тепла, которые приводят к изменению температуры и плотности воздуха в тропосфере.
Влагооборот — это ряд последовательных физических процессов, происходящих с водой (испарение, конденсация, образование облаков, выпадение осадков), а также перенос влаги. Влагооборот определяет континентальность климата и зависит от неравномерности нагревания Солнцем суши и океана, наличия циркуляции воздушных масс и изменения ландшафта.
Влагооборот между сушей и океаном называют внешним, а в пределах ограниченной территории — внутренним.

Рисунок 2 Внутренний влагооборот на ограниченной территории
Внутренний влагооборот (рисунок 2) определяется количеством внешней влаги (К), которая частично выпадает на территорию в виде осадка O, а частично выносится за ее пределы атмосферным стоком C>a>. Часть выпавших осадков O>и> испаряется, а часть образует поверхностный сток С>п>. При гидрометеорологических наблюдениях измеряют количество выпавших осадков и испарившейся влаги. Остальные составные части влагооборота не учитывают.
Одним из основных процессов влагооборота является испарение, которое зависит от радиационного баланса (энергетических ресурсов) и увлажнения поверхности Земли. С увеличением широты местности и снижением солнечной радиации испарение уменьшается.
Характеристика климатических факторов
Температура - один из наиболее важных климатических факторов. Для различных климатических поясов Земли она колеблется от -75 до +50 °С. Однако большое число изделий работает в условиях нагрева (до 500 °С и выше) или охлаждения (-100 ºС и ниже) их элементов. Тепловое воздействие может быть стационарным, периодическим и непериодическим. Установившийся режим теплообмена как внутри изделия, так и изделия с внешней средой создает стационарное тепловое воздействие. Периодическое тепловое воздействие происходит при повторно-кратковременной работе изделий, суточном изменении температуры окружающей среды, регулярном солнечном облучении и т.д.; непериодическое тепловое воздействие вызывается единичными или сравнительно редкими случайными действиями тепла и холода.
Изменение температуры окружающей среды может изменить физико-химические свойства материалов. При повышении температуры ускоряется развитие некоторых дефектов в материалах, понижающих прочность соединений конструкций, ухудшаются функциональные и электрические характеристики изделий. При одновременном воздействии тепла и механических нагрузок многие материалы легко деформируются. У ряда материалов при нагреве происходит химическое разложение и ускоряется старение, что приводит к изменению их характеристик.
В зонах с холодным климатом могут быть резкие колебания температуры изделий, вызываемые их нагревом в период работы и охлаждением после выключения. При резком изменении окружающей температуры на поверхности и внутри изделия конденсируется влага. Периодические расширения и сжатия, соприкасающихся металлических и пластмассовых деталей могут вызывать нарушение герметичности изделия и разрушение деталей. Резкие колебания температуры приводят к разрушению паяных, сварных, клепаных и других соединений, отслоению и растрескиванию покрытий, появлению утечки наполнителей.
Влажность - один из наиболее опасных воздействующих климатических факторов. Она ускоряет коррозию материалов, изменяет электрические характеристики диэлектриков, вызывает тепловой распад материалов, гидролиз, рост плесени и многие другие механические повреждения изделий.
Воздействие влажности на изделия существенно зависит от свойств воды, которая может находиться в трех состояниях: жидком, твердом (лед) и газообразном (пар). В жидком состоянии вода характеризуется следующими основными физическими параметрами: плотностью, вязкостью и поверхностным натяжением. При увеличении температуры от 20 до 100°С значения всех перечисленных факторов уменьшаются: плотность от 0,998 до 0,985 г • см-1; вязкость от 10 до 2,5 Па • с; поверхностное натяжение от 76 • 103 до 60 • 103 Н • см-1. Абсолютно чистой воды в природе не бывает. Она представляет собой химически активное соединение, легко вступающее в реакции со многими веществами.
Для характеристики содержания водяного пара в воздухе и других газах, т.е. оценки влажности, пользуются следующими основными параметрами:
1) Абсолютная влажность, под которой понимают выраженную в граммах массу водяного пара (МВ.П.., г), содержащегося в единице объема (V,м3) влажного воздуха:
E=M>в.п.>/V(2)
В большинстве случаев абсолютную влажность воздуха выражают давлением упругости водяною пара (парциальным давлением p>в>.>п>.), содержащегося в воздухе, т. к возникает сложность определения массы водяного пара. Упругость водяного пара выражают в единицах давления (в паскалях, в миллиметрах ртутного столба или в миллибарах).
2)Влагосодержание d, т.е. отношение массы водяного пара к массе сухого воздуха (газа), в том же объеме:
d=М>в>.>п>/М>с>.>в>. (3)
При этом d пропорционально барометрическому давлению и является функцией только парциального давления пара.
3)Температура точки росы, т.е. температура, которую будет иметь влажный воздух (газ), если охладить его до полного насыщения по отношению к плоской поверхности воды.
4)Относительная влажность φ - отношение давления p>в>.>п>. водяного пара, содержащегося в воздухе, к давлению p>н>.>п>>t>0 насыщенного пара при данной температуре или отношение действительной влажности Е к максимально возможной Е>н> при данной температуре. Относительная влажность выражается в относительных единицах (φ=Е/Е>н>≤1) или в процентах (φ ≤100%).
Относительная влажность характеризует степень насыщения газа водяным паром.
Влажность воздуха следует рассматривать во взаимосвязи с другими параметрами, характеризующими состояние газа (давлением, температурой, плотностью). При постоянной относительной влажности абсолютная влажность является функцией температуры.
Атмосферные конденсированные осадки, такие, как роса, иней, изморозь и гололед, оказывают существенное влияние на различные изделия; для оценки атмосферных конденсированных осадков рекомендуется пользоваться такими характеристиками, как толщина отложения, плотность осадков, продолжительность воздействия и ряд других.
Если температура падает ниже точки росы, при которой абсолютная влажность равна 100%, и содержащийся в воздухе водяной пар достигает состояния насыщения, то выпадают осадки в виде воды, снега, росы, инея, тумана.
Осадки воздействуют своей механической энергией, понижают температуру изделий, повышают влажность.
Наличие осадков и тумана обычно ухудшает условия работы изделий. Осадки и туман действуют на материалы и изделия так же, как и повышенная влажность воздуха. Влага, оставшаяся на изделии после дождя, может способствовать коррозии металлов, так как в дождевой воде содержится некоторое количество растворенных кислот и солей. Резкие перепады температур, возникающие при внезапном выпадении дождя на разогретые солнцем поверхности изделии из керамики или стекла, могут привести к их растрескиванию.
Особенно сильное разрушающее воздействие на изделия могут оказывать морская вода и морской туман, резко ускоряющие коррозию вследствие содержащихся в них солей хлора, магния и других элементов. Туман с капельками морской воды также усиливает коррозию металлов и может ухудшить электрические свойства изоляционных материалов.
Интенсивно протекает коррозия металлов, вызываемая попаданием на них морской воды в виде брызг, а также при периодическом его погружении в морскую воду. В связи со свободным доступом кислорода воздуха коррозия в этих условиях идет значительно быстрее, чем при постоянном погружении изделия в воду.
Примеси в воздухе. Примеси в воздухе могут вызывать нарушения функционирования электрических элементов, изменять режимы теплообмена, вызывать механические повреждения (пыль, песок), усиливать коррозионные процессы и т.п.
Пыль - смесь твердых частиц в воздухе. Естественная пыль состоит из космической и земной частей. В свободную атмосферу осаждается 120 - 150 мм пыли за 100 лет. Техническая пыль образуется при сжигании топлива, износе и обработке деталей. Технической пыли осаждается на два порядка больше, чем естественной. Серьезную проблему представляют для больших городов дымовые газы, содержащие в сравнительно больших количествах серу, из которой образуются в итоге сернистая и серная кислоты, соединения фтора, пары ртути и другие активные вредные химические соединения.
Неорганическая пыль представляет собой частицы, имеющие форму пластинок, иголочек, круглых чешуек, размеры которых в среднем колеблются от 5 до 200 мкм. В состав неорганической минеральной пыли в основном входят кварц, полевой шпат, а также иногда слюда, хлориды и доломиты.
Частицы пыли, имеющие острые грани, могут быть абразивными, а иногда и гигроскопичными.
Органическая пыль представляет собой споры растений, плесневые грибы, бактерии, частицы волокон шерсти и хлопка, мельчайшие остатки насекомых и растений. В городах органическая пыль содержит около 40 % веществ, состоящих из сажи и смол. Особенностью органической пыли является ее способность при наличии влаги служить хорошей питательной средой для развития плесени.
Помимо пыли в воздухе содержатся дым и индустриальные газы. Мельчайшие частицы дыма способны достигать высоты более 5.000 м и перемещаться на большие расстояния. Дымовые газы индустриальных предприятий содержат углерод, смолы и значительный процент золы (до 90%). Наиболее вредными и распространенными составными частями дымовых газов являются сера и ее соединения (в частности, сернистый ангидрид SO2).В воздухе сернистый ангидрид окисляется, превращаясь в серный ангидрид SO>3>, который, соединяясь с водой, образует сернистую кислоту Н>2>SО>3> и серную кислоту Н>2>SО>4>. Разрушающим действием характеризуются угарный газ СО, ненасыщенные углеводороды (этилен С>2>Н>4>, ацетилен С>2>Н>2> и др.), хлор Сl>2>, соединения фтора, паров ртути и другие.
Солнечное излучение представляет собой электромагнитные волны с длинами 0,2-5 мкм. На ультрафиолетовую область (длина волны до 0,4 мкм) приходится 9% энергии, на видимую (длина волны 0,4 - 0,7 мкм) -41% и на инфракрасную область с длинами воли 0,72мкм - 50% солнечной энергии. Влияние солнечного излучения на изделие заключается в его нагреве и химическом разложении некоторых органических материалов. Наибольшее воздействие оказывают ультрафиолетовые лучи, которые обладают высокой энергией. Под действием этих лучей происходит поверхностное окисление материалов частичное разложение полимеров, содержащих хлор, расщепление органических молекул, быстрое старение пластмасс, изменение важнейших органических компонентов и цвета у некоторых типов термореактивных пластмасс, образование корки на поверхности резины и ее растрескивание.
Атмосферное давление создается массой воздуха в данном месте. Колебания атмосферного давления вследствие изменения погоды ±7%, а при тропических бурях превышают 10 %. Ряд изделий по своему функциональному назначению может работать в условиях резко повышенного и резко пониженного атмосферного давления, что следует учитывать при проведении соответствующих испытаний. Изменение давления вызывает опасность пробоев воздушных промежутков электрических установок в связи с изменением диэлектрической проницаемости воздуха, может изменять диаграмму направленности излучения электромагнитных антенн, влияет на режим теплообмена изделия, нарушает в ряде случаев герметичность изделий и расположение подвижных деталей.
Выше 11 км располагается так называемая стандартная атмосфера, в пределах которой температура считается постоянной.
Плотность атмосферы N>м> характеризуется числом молекул, содержащихся в 1 см3 воздуха на данной высоте над уровнем моря. Она пропорциональна давлению лежащего выше слоя. Если предположить состав атмосферы однородным, а температуру постоянной, то плотность и давление будут равномерно изменяться с высотой. При этом давление определяется по барометрической формуле
(4)
где p>0> - давление вблизи поверхности Земли; М - масса грамм-молекулы газа;
g - ускорение свободного падения;
h - высота над поверхностью моря;
R= 8,32 Дж/(град • моль) - универсальная газовая постоянная;
Т - абсолютная температура.
Плотность атмосферы на данной высоте
N>м>=Р/(kТ),(5)
где k=1,38•10-23 Дж/град - постоянная Больцмана.
Состав воздуха и температура изменяются с высотой, что приводит к отклонению распределения плотности и давления от значения, определяемого по формулам. При подъеме на первые 1000мм в пределах тропосферы давление убывает на 133,32 Па на каждые 10м подъема. Дальнейшее увеличение высоты приводит к убыванию давления примерно в геометрической прогрессии.
Механические воздействия и их характеристики
При эксплуатации и транспортировке РЭСИ подвергаются механическим воздействиям: вибрационным, ударным и линейным нагрузкам, а также звуковому давлению (акустическим шумам). К изделиям, предназначенным для функционирования в условиях воздействия механических нагрузок, предъявляют требования по прочности и устойчивости при воздействии этих нагрузок. К изделиям, не предназначенным для функционирования в условиях воздействия механических нагрузок, предъявляют требования только по прочности при воздействии этих нагрузок. Уровни вибрационных воздействий показаны на рисунке 1.4.

Рисунок 3 — Уровни вибрационных воздействий, которым подвергаются РЭСИ:
1 — вибрация; 2 — вибрация, возбуждаемая ударом
Вибрация — один из самых опасных и наиболее часто встречающихся на практике видов механических воздействий. В общем случае под вибрацией понимают, колебания самого изделия или каких-либо частей его конструкции. Вибрации приводят к поломкам конструкции, обрывам проводов и кабелей, нарушению герметичности, к механическим напряжениям и деформациям в РЭСИ. Наиболее часто вибрационные нагрузки возникают на самолетах и ракетах.
Механическая прочность, необходимая для нормального функционирования РЭСИ во время и после воздействия на них различных вибрационных нагрузок, должна быть заложена на этапе проектирования изделий. Для этого РЭСИ рассматривают как механические системы и применяют аналитические методы расчета их механических характеристик.
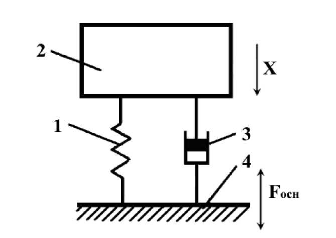
Далее приведен простой пример, когда изделие может быть представлено в виде механической колебательной системы с одной степенью свободы (рисунок 4)

Рисунок 4 — Схема линейного осцилятора с вязким трением:
1—пружина; 2—груз; 3— демпфер; 4 — стол вибростенда
Система состоит из груза массой m, пружины с жесткостью С и демпфера вязкого трения с коэффициентом демпфирования ŋ. Движение массы m от определяется изменением только одной координаты х под действием возбуждающей силы F>осн>. Уравнение движения системы может быть получено на основе принципа Даламбера, согласно которому в каждый момент времени все силы, действующие на систему, находятся в равновесии, если в их число входит сила инерции. В общем случае дифференциальные уравнения движения любой колебательной механической системы могут быть составлены на основе уравнения Лагранжа в обобщенных координатах. На систему, изображенную на рисунке 4, действуют:
1) возбуждающая сила, приводящая к колебаниям опорного основания (например, стола вибростенда) с частотой со и амплитудой А;
F>осн>=Asin(ωt),(6)
2)сила инерции Т>x>>2> (х>2> — ускорение); сила вязкого демпфирования ŋ>x>>1 >(х>1>—скорость), пропорциональная мгновенной скорости массы и направленная в сторону, противоположную этой скорости;
3)сила упругости пружины С>х> (х — координата центра масс груза). Уравнение движения массы m от относительно положения статического
равновесия имеет вид:
m>x>>2>+ŋ>x>+С>x>= A∙sin∙ωt.(7)
Разделив правую и левую части уравнения (1.3) на m после преобразования получим:
Х>2>+2∙δ>о>∙ω>о>∙x+ ω2>о>x=ω2>о>∙X>CT>∙sin(ωt),(8)
где δ>о>
= ŋ/(2
)
— параметр, пропорциональный коэффициенту
демпфирования;
ω=
—угловая
частота собственных недемпфированных
колебаний системы;
Х>ст>=A/С — удлинение пружины, которое она получила бы под действием статической силы, равной амплитуде Л возбуждающей силы.
Решение уравнения (1.4) может быть представлено в виде суммы свободных и вынужденных колебаний:
(9)
где φ>0> и φ — начальные фазы
(0)
μ — коэффициент динамичности, показывающий, во сколько раз амплитуда вынужденных колебаний при действии возбуждающей силы вида (2) больше статического отклонения пружины;
v=ω/ω>0> - безразмерный параметр, пропорциональный частоте возбуждающей силы.
Из первого слагаемого
уравнения (5), представляющего выражение
для свободных
колебаний системы при наличии
демпфирования, видно, что даже при
малом значении δ>о>
множитель
с течением времени t
стремится к нулю
и, следовательно, свободные колебания
затухают.
Установившиеся вынужденные колебания определяются вторым слагаемым (5). Особенность этих колебаний состоит в том, что их амплитуда зависит не только от параметров системы и возбуждающей силы, но от частоты
со. При v=
коэффициент
динамичности максимален:
(11)
где Q/
— добротность механической колебательной
системы, зависящая
от количества энергии, рассеиваемой при вибрации.
Чем выше добротность, тем меньше затухание колебаний и тем острее пик резонансной кривой. Если частота со возбуждающей силы совпадает с собственной частотой со>0> механической системы без трения (δ>0>=О, v=l), то происходит резонансное колебание. В этом случае нагрузки на РЭСИ возрастают в несколько раз. При нулевых начальных условиях (в отсутствие трения) уравнение для предельного случая резонансного состояния рассматриваемой системы принимает вид:
X2=-(ω>0>XcTicosω> 0>t)/2.(12)
Из формулы (8) видно, что амплитуда резонансных колебаний линейно зависит от времени t и частоты ω>0> собственных колебаний. При наличии трения в механической системе резонансный пик будет тем выше, чем большее время изделие находится в резонансном режиме и чем выше собственная частота конструкции.
Время достижения установившейся амплитуды резонансных колебаний реальных изделий измеряется, как правило, долями секунды. Ширина 2∆f резонансной полосы частот определяется разностью частот f˝ и f´ (f˝> f´), при которых амплитуда А колебаний уменьшается до 0,7 своего значения при резонанс.
Так как
(13)
где f>0> — резонансная частота, то
(14)
Отсюда
(15)
Для расчета добротности изделия необходимо после настройки на резонанс измерить амплитуду колебаний, затем уменьшать частоту до тех пор, пока амплитуда колебаний не станет равной 0,7 амплитуды при резонансе. Полученная частота будет соответствовать частоте f'. Аналогичные действия следует провести, увеличивая частоту до значения f". Тогда, вычислив 2Δf по (9) и зная f>0>, можно по (10) найти добротность Q.
Удар. Ускорения, возникающие при резком изменении скорости или направления движения объекта, в котором применяются РЭСИ, вызывают механическое воздействие на них в виде удара. Вследствие удара возникают силы, деформирующие конструктивные элементы изделий и приводящие к образованию в них механических напряжений. Последние могут служить причиной разрушения изделий. Удар, как правило, сопровождается возбуждением затухающих колебаний, т.е. неустановившейся вибрацией на частотах собственных колебаний конструктивных элементов изделий. Уровни разрушающих усилий возрастают, если элементы конструкции резонируют на частотах возмущений, вызванных ударом. Если на РЭСИ действует серия ударов в виде импульсов, следующих один за другим, то возникающую вибрацию называют тряской.
Акустический шум. Особый интерес представляют так называемые баллистические волны, образующиеся от артиллерийских или реактивных снарядов, а также от самолетов, пролетающих через рассматриваемую среду со сверхзвуковой скоростью. Некоторые виды вибрации также сопровождаютсявыделением энергии звуковой частоты. Это явление принято называть акустическим шумом или акустической вибрацией.
Выделение энергии
колебаний звуковой частоты сопровождается
механическими
колебаниями частиц среды воздуха,
которые приводят к изменению
давления по сравнению с атмосферным
(статическим). Разность между
статическим давлением и давлением в
данной точке звукового поля называется
звуковым давлением. Колебательное
движение частиц среды при распространении
звуковой волны характеризуется также
колебательным смещением
их от положения покоя. Скорость
распространения звуковых волн в воздухе
зависит в основном от температуры среды
по закону
.
При нормальном атмосферном давлении р
= 101300 Па и Т = 273 К (0°С) скорость звука
равна 331 м/с. С повышением температуры
до 290 К она увеличивается до 340 м/с.
На распространение звуковых волн в атмосфере большое влияние оказывают ее неоднородности. При этом скорость звука зависит не только от температуры воздуха, но и от его влажности, а также направления и силы ветра.
Радиационные воздействия их характеристика
Микроэлементы и интегральные микросхемы, находящиеся в зоне воздействия радиоактивных излучений, могут существенно изменять свои параметры и выходить из строя. Это происходит вследствие изменения физических и химических свойств материалов и (или) деградации параметров изделий под действием излучения.
Излучения возникают в результате естественных или искусственных радиоактивных распадов веществ и некоторых физических процессов в космосе. Поскольку радиоактивные излучения, проникая в толщу материала, вызывают в нем ионизацию, то часто они называются ионизирующими.
Радиоактивные излучения подразделяются на корпускулярные и квантовые. Первые представляют собой потоки быстрых элементарных частиц (нейтронов, протонов, ядер атомов химических элементов, бета-, альфа- и других частиц), вторые — электромагнитные ионизирующие излучения (гамма-и рентгеновское).
Нейтронное и гамма-излучения, образующиеся в результате реакций деления, принято называть проникающим излучением.
В процессе взаимодействия с материалами происходит упругое или неупругое рассеяние нейтронов и их энергия постепенно уменьшается, приближаясь к энергии теплового движения атомов и молекул среды, равной примерно 0,025 эВ. Такие нейтроны называют тепловыми. Тепловой нейтрон будет блуждать в веществе до тех пор, пока его не захватит одно из ядер атомов, в результате чего образуется изотоп исходного элемента, а избыток энергии ядра излучается в виде гамма кванта. Этот тип взаимодействия называется радиационным захватом.
Вероятность различного типа взаимодействий нейтронов с ядрами зависит от их энергии, поэтому нейтроны условно разделяются на три группы: быстрые нейтроны с энергией от 500 кэВ до 10 МэВ, промежуточные нейтроны с энергией от 0,5 эВ до 500 кэВ и тепловые нейтроны с энергией менее 0,025 эВ. Для быстрых нейтронов доминирует упругое рассеяние. С увеличением энергии нейтронов до 10 МэВ растет вероятность неупругого рассеяния, которое становится доминирующим при 20 МэВ. Для промежуточных нейтронов наиболее характерным процессом взаимодействия является неупругое рассеяние, а также радиационный захват.
Протонное излучение образуется за счет испускания ядрами атомов протонов в результате бомбардировки их заряженными частицами (нейтронами, гамма-квантами и др.). Длина пробега в веществе протонов с энергией от 1 до 1000 МэВ, зависит в основном от ионизационных потерь, т.е. от физических свойств вещества. В состав космических лучей входят протоны с энергией до 1018—1019 эВ.
Излучение альфа-частиц происходит при распаде тяжелых радиоактивных ядер (урана, тория, радия и т. п.). В отличие от других элементарных частиц альфа-частицы имеют наименьшую длину пробега в материалах, поэтому они практически не воздействуют на МЭ и ИМ, вмонтированные в РЭА, защищенную кожухом, экранами или покрытиями. Длина пробега альфа-частиц в воздухе пропорциональна кубу их скорости.
Излучение бета-частиц обусловлено потоком электронов и позитронов. Проникающая способность бета-излучения во много раз больше, чем альфа-частиц и протонов той же энергии. Источниками бета-частиц являются радиоактивные изотопы. Бета-частицы излучаются при ядерных реакциях и являются составной частью космических излучений. Энергия бета-частиц достигает несколько миллионов электронвольт. В космическом пространстве (за пределами атмосферы) обнаружены электроны с энергией больше 300 МэВ.
Излучение гамма-квантов относится к квантовому излучению, является одной из форм проявления электромагнитного излучения и представляет собой потоки квантов (фотонов) различной энергии. Электромагнитные волны в определенных диапазонах обладают разными свойствами. Поэтому для характеристики процессов, протекающих при генерировании, распространении и поглощении электромагнитных волн, имеются специальные параметры, относящиеся лишь к одному диапазону и характеризующие специфические особенности этого диапазона. К электромагнитным радиоактивным излучениям принято относить гамма- и рентгеновские излучения. Энергия гамма-квантов соответствует длине волны короче 10-12 м. К рентгеновскому излучению относят квантовое излучение с длинами волн от 5-10-9 до 10-12 м.
Гамма-лучи обладают наибольшей проникающей способностью из всех рассмотренных видов радиоактивного излучения. Степень поглощения гамма-лучей различными веществами тем больше, чем больше их атомный номер. Проникающую способность рентгеновских и гамма-лучей принято характеризовать понятием жесткости. Менее проникающие лучи называют мягкими, а более проникающие - жесткими. Мягкое рентгеновское излучение хорошо поглощается различными материалами, трансформируя при этом свою энергию в тепловую.
Количественное описание радиоактивного излучения выражается физическими единицами, характеризующими радиоактивность. Их условно можно разбить на две группы.
К первой группе относятся физические параметры поля радиоактивных излучений и его воздействия на вещество. К ним относятся: поток и плотность потока частиц (квантов), кинетическая энергия излучения, спектральная плотность потока, поглощенная доза и мощность поглощенной дозы, экспозиционная доза и мощность экспозиционной дозы.
Вторая группа величин служит для оценки количественного содержания радиоактивных веществ в материалах. К этим величинам относятся активность и концентрация радиоактивного изотопа в материалах или в среде. Для измерения поглощенной дозы радиоактивного излучения применяется специальная единица рад, при которой поглощается энергия, равная ~105 Дж в 10~3 кг любого вещества независимо от вида и энергии ионизирующего излучения.
Поглощенная доза излучения будет зависеть от физических характеристик поля излучения и от массы облучаемого материала.
ЛИТЕРАТУРА
1. Глудкин О.П. Методы и устройства испытания РЭС и ЭВС. – М.: Высш. школа., 2001 – 335 с.
2. Испытания радиоэлектронной, электронно-вычислительной аппаратуры и испытательное оборудование/ под ред. А.И.Коробова М.: Радио и связь, 2002 – 272 с.
3. Млицкий В.Д., Беглария В.Х., Дубицкий Л.Г. Испытание аппаратуры и средства измерений на воздействие внешних факторов. М.: Машиностроение, 2003 – 567 с.
4. Национальная система сертификации Республики Беларусь. Мн.: Госстандарт, 2007
5. Федоров В., Сергеев Н., Кондрашин А. Контроль и испытания в проектировании и производстве радиоэлектронных средств – Техносфера, 2005. – 504с.