Контроль электронно-оптических преобразователей
БЕЛОРУССКИЙ ГОСУДАРСТВЕННЫЙ УНИВЕРСИТЕТ ИНФОРМАТИКИ И РАДИОЭЛЕКТРОНИКИ
кафедра электронной техники и технологии
РЕФЕРАТ
на тему:
«КОНТРОЛЬ ЭЛЕКТРОННО-ОПТИЧЕСКИХ ПРЕОБРАЗОВАТЕЛЕЙ»
МИНСК, 2008
1. Предварительные сведения
Перечень основных контролируемых параметров электронно-оптических преобразователей (ЭОП):
интегральная чувствительность (чувствительность с фильтром) фотокатода;
коэффициент преобразования;
предел разрешения;
рабочее разрешение;
электронно-оптическое увеличение;
частотно-контрастная характеристика;
отношение сигнала к шуму (для ЭОП с микроканальным усилением);
степень чистоты поля зрения.
Требования к внешним условиям. Параметры ЭОП следует измерять в условиях, обеспечивающих защиту ЭОП от посторонних засветок, электрических и магнитных полей, а также от механических воздействий, влияющих на результаты измерений.
Освещенность
в помещении, где проводятся измерения,
не должна превышать 2x
лк.
Нормальные условия окружающей среды должны, соответствовать следующим требованиям:
температура,
°С………………………………....
;
относительная влажность, %, не более ……….60;
атмосферное
давление, Па……………………..(8,399... 10,666)
.
Требования к источникам питания ЭОП. Электропитание ЭОП с электростатической фокусирующей системой без встроенных источников питания должно осуществляться от высоковольтного источника питания постоянного тока. Нестабильность выходного напряжения не должна превышать ± 1% при изменении напряжения сети электропитания на ±10%.
Пульсации выходного напряжения источника питания не должны превышать ± 0,1%.
Напряжение до 30 кВ должно контролироваться прибором класса точности не ниже 1,0; свыше 30 кВ - прибором класса точности не ниже 1,5.
Схему соединения ЭОП с высоковольтным источником питания указывают в стандартах или технических условиях на ЭОП конкретного типа.
Электропитание ЭОП с встроенным высоковольтным источником питания (ВИП) должно осуществляться от источника питания постоянного тока, требования к которому устанавливают в стандартах или технических условиях на ЭОП конкретного типа.
Требования к источникам света. При измерении всех перечисленных в начале главы параметров, кроме электронно-оптического увеличения, степени чистоты поля зрения и предела разрешения, следует применять источники света, работающие в режиме источника света с цветовой температурой 2860 К по ГОСТ 7721-89.
Световые и электрические параметры ламп накаливания определяют в соответствии с ГОСТ 17616-82 (см. приложение 9).
Для электропитания источников света следует применять источники питания как постоянного, так и переменного тока, я
Нестабильность выходного напряжения источников питания в течение времени измерений не должна выходить за пределы 0,2%.
Ток лампы накаливания следует контролировать амперметром класса точности не ниже 0,2 на последней трети шкалы амперметра. Режим питания лампы следует вводить постепенно.
При измерении интегральной чувствительности фотокатода, чувствительности фотокатода с фильтром и рабочего разрешения силу света лампы определяют сличением с рабочей светоизмерительной лампой в соответствии с требованиями ГОСТ 17616-82 (см. приложение 9).

Рис. 1. Источник малой силы света:
1 - неселективный диффузный отражатель с коэффициентом яркости, близким к единице; 2 - источник света; 3 - диафрагма с калиброванным отверстием
Ослабление светового потока источника света достигается за счет увеличения расстояния между источником света и фотокатодом ЭОП, а также при помощи неселективных ослабителей света.
Для
ослабления силы света рекомендуется
использовать источник малой силы света,
схема которого показана на рис. 1. Изменяя
расстояние L между лампой и диффузным
отражателем, диаметр отверстия диафрагмы
3 и расстояние
между диафрагмой с калиброванным
отверстием и фотокатодом ЭОП, можно
получить требуемое значение освещенности
на фотокатоде ЭОП.
Требования к приемникам излучения и регистрирующим приборам. При измерении параметров ЭОП используют фотоэлектрические полупроводниковые или фотоэлектронные приемники излучения с линейной световой характеристикой в рабочем диапазоне.
При
измерении коэффициента преобразования
у ЭОП с экранами желто-зеленого свечения
спектральная характеристика приемника
излучения должна соответствовать
значению относительной спектральной
световой эффективности монохроматического
излучения для дневного зрения
по ГОСТ 8.332-78.
Для коррекции спектральной характеристики источника света с цветовой температурой 2860 К под спектральную характеристику экрана желто-зеленого свечения при измерении коэффициента преобразования применяют светофильтр, состоящий из двух стекол: стекла марки СЗС21 толщиной 1 мм и марки ЖЗС9 толщиной 3 мм по ГОСТ 9411-91. Коэффициент пропускания корригирующего светофильтра измеряют с помощью селенового фотоэлемента типа ФЭС-10 ОСТ 3.2442 - 74, корригированного под значение относительной спектральной световой эффективности монохроматического излучения для дневного зрения фильтрами из стекла марок ЗС8 толщиной 2 мм и ЖЗС18 толщиной 2 мм по ГОСТ 9411-91, или рассчитывают по формуле
, (1)
где
- спектральная плотность излучения
источника света с цветовой температурой
2860 К (см. приложение 5);
-спектральный
коэффициент пропускания светофильтра;
-относительная спектральная световая
эффективность монохроматического
излучения для дневного зрения.
Примечание. Здесь и далее суммирование ведется в пределах, определяемых границами входящих в выражение функции.
Для регистрации фототоков при измерении параметров ЭОП используют измерительные приборы класса точности не ниже 1,5. Фототок должен регистрироваться на второй половине шкалы измерительного прибора или тремя значащими цифрами при применении цифровых измерительных приборов. При визуальных наблюдениях операторы должны иметь нормальное зрение (остроту зрения и цветоощущение).
Требования к оптическим элементам. Оптическая система проектора при измерении предела разрешения, рабочего разрешения, электронно-оптического увеличения и степени чистоты поля зрения должна состоять из объектива коллиматора и проекционного объектива. В качестве объектива коллиматора рекомендуется использовать объектив Индустар-51 ТУ 3-3.1154-75 с фокусным расстоянием 210 мм или объектив, не уступающий ему по разрешающей способности. В качестве проекционного объектива рекомендуется использовать объектив типа Гелиос-44 ТУ 3-3.1090-75 с фокусным расстоянием 58,6 мм, задиафрагмированный до относительного отверстия 1:4 (или объектив, не уступающий ему по качеству изображения).
Примечание. Допускается применять иные компоненты проекционной системы. При этом коэффициенты передачи контраста проектора в плоскости фотокатода ЭОП должны быть не менее:
на частоте 15 штр/мм……0,85,
» » 25 штр/мм……0,7,
» » 40 штр/мм……0,5,
» » 60 штр/мм…….0,4.
При измерении предела разрешения и рабочего разрешения следует применять штриховые миры, соответствующие требованиям ГОСТ 15114-78 и следующим дополнительным требованиям:
а) каждый элемент миры должен состоять из пяти штрихов, равных по ширине промежуткам;
б) длина и ширина штрихов каждого элемента миры с увеличением номера миры должна пропорционально убывать от элемента к элементу по закону геометрической прогрессии со знаменателем 0,994 при постоянном отношении длины штриха к его ширине, равном 9.
При
измерении предела разрешения, рабочего
разрешения, электронно-оптического
увеличения, степени чистоты поля зрения
используют лупы или микроскопы. Увеличение
лупы при измерении предела разрешения
и рабочего разрешения должно быть не
менее
.
При измерении степени чистоты поля зрения применяется микроскоп с сеткой, цена деления которой, приведенная к плоскости экрана ЭОП, должна быть не более 0,005 мм.
Визуальный
предел разрешения окулярной оптики No«
(лупы или микроскопа) в центре поля
зрения должен удовлетворять условию:
,
где N - предел разрешения испытуемого
ЭОП, приведенный к плоскости фотокатода;
- электронно-оптическое увеличение ЭОП.
Диаметр выходного зрачка окулярной оптики при измерении рабочего разрешения должен быть не менее 4 мм, коэффициент светопропускания окулярной оптики не менее 0,5.
Требования к элементам схем. Держатель ЭОП должен обеспечивать надежное крепление ЭОП. Металлический корпус держателя ЭОП должен быть изолирован от ЭОП и заземлен.
Диафрагма,
ограничивающая рабочую площадь
фотокатода
ЭОП, должна иметь черную
матовую поверхность и калиброванное
отверстие.
Размер калиброванного отверстия должен
быть
изготовлен с полем допуска Н11.
Заслонка, предназначенная для перекрытия направленного света от источника света, должна иметь черную матовую поверхность, удобно вводиться в световой пучок и устанавливаться в некотором отдалении от фотокатода ЭОП для учета влияния рассеянного света на результаты измерений.
Светозащитные диафрагмы должны иметь отверстия, центры которых лежат на оптической оси схемы. Число и расположение диафрагм, а также размер отверстий в них должны исключать влияние рассеянного света на результаты измерений. Число светозащитных диафрагм и интервалы между ними следует подбирать с таким расчетом, чтобы весь расходящийся световой пучок, проходящий через отверстие одной диафрагмы, целиком попадал на поверхность следующей диафрагмы. С любой точки калиброванного отверстия диафрагмы сквозь отверстия ряда светозащитных диафрагм должно быть видно все тело накала лампы. -
Требования безопасности. Измерение и контроль параметров ЭОП относят к работам по управлению электроустановками с напряжением свыше 1000 В.
^Измерения параметров ЭОП проводит персонал в соответствии с требованиями ГОСТ 12.0.004-79, «Правилами технической эксплуатации электроустановок потребителей» и «Правилами техники безопасности при эксплуатации электроустановок потребителей», утвержденными Госэнергонадзором СССР
Защитное заземление должно соответствовать требованиям ГОСТ 12.1.030-81.
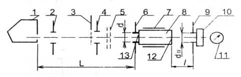
2. Измерение интегральной чувствительности фотокатода
Принцип измерения. Интегральную чувствительность фотокатода определяют измерением фототока с рабочей площади фотокатода, вызванного световым потоком от источника света с цветовой температурой 2860 К, падающим на рабочую площадь фотокатода [6].
Примечание. Интегральная чувствительность фотокатода может быть измерена только у ЭОП без встроенного высоковольтного источника питания (ВИП).
Измерительная аппаратура. Функциональная схема установки для измерения чувствительности фотокатода ЭОП приведена на рис. 2,
Расстояние L между телом накала лампы и диафрагмой с калиброванным отверстием следует выбирать таким, чтобы фототок регистрировался на второй половине шкалы измерительного прибора, а при использовании цифрового измерительного прибора не менее, чем тремя значащими цифрами.

Рис.2. Схема установки для измерения интегральной чувствительности фотокатода ЭОП:
1 - источник света (лампа накаливания); 2 - светозащитная диафрагма, 3 - заслонка; 4 - светофильтр; 5 - диафрагма с калиброванным отверстием; 6 -держатель ЭОП; 7 - испытуемый ЭОП; 8 - измерительный прибор.
Значение верхнего предела фототока указывается в технических условиях на ЭОП конкретного типа. Максимальная погрешность измерения расстояния L не должна превышать 0,2%. Расстояние L, м, должно также удовлетворять условию:
, (2)
где
-
максимальный поперечный размер тела
накала лампы, м; d - диаметр калиброванного
отверстия в диафрагме, м.
Расстояние между диафрагмой с калиброванным отверстием и фотокатодом ЭОП должно быть минимально возможным.
При измерении чувствительности фотокатода со светофильтром в схему вводят светофильтр, который устанавливается перед диафрагмой с калиброванным отверстием. Характеристику светофильтра указывают в стандартах или технических условиях на ЭОП конкретного типа.
Подготовка
и проведение измерений. ЭОП устанавливают
в держатель и подают на него напряжение,
указанное в стандартах или технических
условиях на ЭОП конкретного типа. На
градуированной лампе накаливания
устанавливают режим, обеспечивающий
цветовую температуру 2860 К. Заслонкой
перекрывают световой пучок и измеряют
ток в цепи фотокатода
.
Заслонку выводят и измеряют ток в цепи
фотокатода
.
Обработка результатов измерений. Интегральную чувствительность фотокатода S, мкА/Лм, вычисляют по формуле
, (3)
где
- разность токов
,
мкА; J- сила света источника света, кд; d
- диаметр калиброванного отверстия в
диафрагме, м; L
- расстояние между телом накала лампы
и диафрагмой с калиброванным отверстием,
м;
- спектральный коэффициент, учитывающий
различие спектрального состава излучения
используемых ламп за пределами видимой
области спектра.
Методика определения спектрального коэффициента приведена в ГОСТ 21815.0-86, приложение 2.
Суммарная относительная погрешность измерения интегральной чувствительности фотокатода при соблюдении указанных выше требований составляет не более 7,5% при доверительной вероятности 0,95.
3. Измерение коэффициента преобразования
Принцип измерения. Принцип измерения состоит в определении отношения светового потока, излучаемого экраном изделия, к световому потоку, падающему на фотокатод [7].
Аппаратура. Функциональная схема установки для измерения коэффициента преобразования показана на рис. 3, 4.
При измерении коэффициента преобразования с фильтром в схему рис. 2 вводят светофильтр, который устанавливают перед диафрагмой с калиброванным отверстием. Характеристики светофильтра указывают в технических условиях на ЭОП конкретного типа.
Подготовка к измерениям. Испытуемый ЭОП устанавливают в держатель и соединяют с источником питания. На источник

Рис. 3. Схема установки для измерения коэффициента преобразования ЭОП:
1 -
осветитель; 2,4 - светозащитные диафрагмы;
3 - заслонка;
5 - светофильтр; 6-диафрагма
с калиброванным отверстием; 7-держатель
ЭОП;
8 - ЭОП; 9 -диафрагма приемника излучения;
10 - приемник излучения; 11 - измерительный
прибор; 12 - экран ЭОП; 13 - фотокатод ЭОП.
Света подают напряжение, обеспечивающее режим цветовой температуры 2860 К.
Примечание. Для измерения коэффициента преобразования определять силу света источника не требуется.
Расстояние
L между телом накала лампы или апертурным
отверстием осветителя и диафрагмой 6
(см. рис. 3) устанавливают и соответствии
с требованием к освещенности фотокатода,
указанным в технических условиях на
ЭОП конкретного типа. (Пример расчета
освещенности фотокатода от источника
малой силы света приведен в приложении
6). Обычно для ЭОП первого поколения
освещенность фотокатода составляет
лк, для ЭОП второго и третьего поколений
лк.
Максимальное значение погрешности
измерения расстояния L не должно превышать
0,2% измеряемого значения.
При выборе расстояния L, м, должно быть также выполнено условие
, (4)
где
-
максимальный размер тела накала лампы
или апертурного отверстия осветителя,
м; d - диаметр калиброванного отверстия
в диафрагме, м.
На ЭОП подают напряжения, указанные в технических условиях на ЭОП конкретного типа. Расстояние l, м, между экраном ЭОП и диафрагмой приемника излучения (см. рис.12) должно удовлетворять условию
,
(5)
где
- диаметр изображения диафрагмы поз. 6
на экране, м; (
,
где
-электронно-оптическое увеличение ЭОП);
- диаметр отверстия в диафрагме перед
приемником излучения, м.
Для ЭОП со стекловолоконным выходом должно соблюдаться соотношение
.
(6)
При
измерении отрезка
необходимо использовать стержни-шаблоны,
обеспечивающие измерение отрезка с
погрешностью, не превышающей 0.5%
измеряемого значения.

Рис. 4. Схема установки для получения градуировочного отсчета:
1 - осветитель; 2,4 - светозащитные диафрагмы; 3 - заслонка, 5 спою фильтр; 6 - диафрагма приемника излучения; 7 - приемник излучения, 8 - измерительный прибор.
Расстояние
между телом накала лампы или выходным
апертурным отверстием осветителя и
диафрагмой приемника излучения (рис.
4) должно быть таким, чтобы фототок
приемника излучения регистрировался
на том же участке той же шкалы, что и
фототок, регистрируемый при измерении
по схеме рис. 3. Кроме того, расстояние
должно удовлетворять условию.
, (7)
где
-
максимальный размер тела накала лампы
или апертурного отверстия осветителя.
Максимальная
погрешность измерения расстояния
не должна превышать 0,2%.
Проведение
измерений. По схеме, приведенной на рис.
3, при введенной заслонке измеряют
фототок приемника - отсчет
.
Заслонку выводят из светового пучка,
после чего измеряют фототок приемника
- отсчет
.
По схеме, приведенной на рис. 4, при
введенной заслонке определяют фототок
приемника - отсчет
.
Заслонку выводят из светового пучка,
после чего измеряют фототок приемника
- отсчет
.
Все измерения проводят на одном и том же пределе чувствительности измерительного прибора.
Обработка результатов измерений. Коэффициент преобразования вычисляют по формуле
, (8)
где
L - расстояние между телом накала лампы
или апертурным отверстием осветителя
и диафрагмой с калиброванным отверстием,
м;
-
расстояние между экраном и диафрагмой
приемника излучения, м.
Для
ЭОП с экраном, нанесенным на внутреннюю
поверхность выходного стекла,
в метрах вычисляют по формуле
,
(9)
где
-
расстояние между наружной поверхностью
выходного стекла и диафрагмой
приемника, м;
-
толщина выходного стекла, м;
-
показатель преломления выходного
стекла.
Для
ЭОП с экраном, нанесенным на прозрачную
пленку и установленным на некотором
расстоянии от внутренней поверхности
выходного стекла,
в метрах вычисляют по формуле
,
(10)
где
-
расстояние между экраном и внутренней
поверхностью выходного стекла, м;
- коэффициент пропускания корригирующего
светофильтра;
- спектральный коэффициент;
- разность отсчетов
и
;
- расстояние между телом накала лампы
или апертурным отверстием осветителя
и диафрагмой приемника излучения, м; d
- диаметр калиброванного отверстия
диафрагму, м;
разность отсчетов
и
(при градуировке).
Суммарная относительная погрешность измерения коэффициента преобразования при соблюдении требований настоящей методики не превышает 8% для однокамерных и герметизированных ЭОП, 10% для двухкамерных ЭОП и 14% для трехкамерных ЭОП при доверительной вероятности 0,95.
4. Измерение предела разрешения
Принцип измерения. Принцип измерения предела разрешения состоит в определении наибольшего числа штрихов в одном миллиметре изображения миры на заданном участке фотокатода, которые еще видны на экране раздельно по четырем направлениям при оптимальной для наблюдателя яркости и заданных параметрах оптической системы.

Рис. 5. Схема установки для измерения предела разрешения ЭОП:
1 - проектор; 2 - осветитель; 3 - мира; 4 - объектив коллиматора, 5 - проекционный объектив; 6 - ЭОП; 7 - окулярная оптика
Измерительная аппаратура. Функциональная схема установки для измерения предела разрешения ЭОП приведена на рис. 5.
Осветитель
проектора должен обеспечивать равномерную
яркость поля, на котором наблюдаются
элементы миры. В качестве тест-объекта
используют штриховые миры ГОИ по ГОСТ
15114-78. Увеличение лупы должно быть не
менее
.
Подготовка к измерениям. Испытуемый ЭОП устанавливают в держатель и соединяют с источником питания. На ЭОП подают напряжения, указанные в технических условиях на ЭОП конкретного типа. Осветителем устанавливают яркость светлых полос миры, оптимальную для оператора.
Проведение измерений. Изображение миры фокусируют на заданный участок фотокатода ЭОП, наблюдая его на экране через окулярную оптику. Находят элемент миры с наибольшим порядковым номером, изображение штрихов которого во всех четырех направлениях еще видно раздельно.
Обработка результатов измерений. Предел разрешения N, штр/мм, вычисляют по формуле
N=R/Г, (11)
где
Г - увеличение проектора (обычно
);
R
- число штрихов на один миллиметр элемента
миры, в котором штрихи еще видны раздельно.
Суммарная относительная погрешность измерения предела разрешения составляет не более 12% при доверительной вероятности 0,95.
5. Измерение рабочего разрешения
Принцип измерения. Принцип измерения рабочего разрешения состоит в определении наибольшего числа штрихов в одном миллиметре изображения миры на заданном участке фотокатода ЭОП, еще различимое на экране раздельно по четырем направлениям при заданных освещенности на фотокатоде и параметрах оптической системы [9].
Измерительная аппаратура. Функциональная схема для измерения рабочего разрешения приведена на рис.6.

Рис.6. Схема установки для измерения рабочего разрешения ЭОП:
1 - осветитель; 2 - мира; 3 - проектор; 4 - адаптометр; 5 - лампа адаптометра; 6 - объектив коллиматора; 7 - проекционный объектив; 8 - испытуемый ЭОП: 9 - держатель ЭОП; 10 - окулярная оптика
Осветитель
должен обеспечивать заданную освещенность
изображения элементов миры в плоскости
фотокатода ЭОП, а адаптометр (часть
сферической поверхности, покрытая белой
матовой краской с коэффициентом яркости,
близким к единице) равномерную освещенность
всего рабочего поля фотокатода. Отклонение
освещенности от заданной величины не
должно превышать 15%. При измерении
рабочего разрешения используют отдельные
элементы миры ГОИ, которые рассматривают
поочередно. Элементы миры должны иметь
отрицательный контраст, равный единице
(темные штрихи на светлом фоне). Форма
всех элементов миры должна быть одинаковой
и соответствовать элементу № 1 миры ГОИ
по ГОСТ 15114-78. Увеличение окулярной
оптики должно быть не менее
.
Подготовка
к измерениям. Измерения проводят в
полностью затемненном помещении.
Испытуемый ЭОП устанавливают в держатель
и соединяют с источником питания. На
ЭОП подают напряжения, указанные в
технических условиях на ЭОП конкретного
типа. Осветителем устанавливают заданную
освещенность изображения светлых полос
миры в плоскости фотокатода. Значение
освещенности указывают в технических
условиях на ЭОП конкретного типа. (Обычно
для ЭОП первого поколения освещенность
фотокатода составляет
лк, для ЭОП второго и третьего поколений
лк).
Лампами адаптометра устанавливают
освещенность всего рабочего поля
фотокатода, равную освещенности
изображения светлых полос миры, уравнивая
эти освещенности на глаз. Измерения
необходимо начинать после двадцатиминутной
адаптации наблюдателя к темноте.
Вспомогательные операции следует
проводить при красном свете.
Проведение измерений. Изображение элемента миры фокусируют на заданный участок фотокатода ЭОП, наблюдая его изображение на экране через окулярную оптику. Рассматривая поочередно элементы миры, находят элемент с наибольшим порядковым номером, изображение штрихов которого во всех четырех направлениях еще видно раздельно. Рабочее разрешение измеряют три наблюдателя.
Обработка
результатов измерений. Рабочее разрешение
штр/мм, вычисляют по формуле:
=
R/Г, (12)
где Г - увеличение проектора; R - усредненное по данным трех наблюдателей число штрихов на 1 мм элемента миры, в котором штрихи еще видны раздельно.
Суммарная относительная погрешность измерения рабочего разрешения по приведенной методике не превышает 16% при доверительной вероятности 0,95.
6. Измерение электронно-оптического увеличения
Принцип измерения. Принцип измерения электронно-оптического увеличения состоит в определении отношения размера изображения объекта на экране ЭОП к размеру объекта на катоде ЭОП.
Измерительная аппаратура. Функциональная схема установки для измерения электронно-оптического увеличения показана на рис. 1;?.

Рис.7. Схема установки для измерения электронно-оптического увеличения ЭОП:
1 - осветитель; 2 - светозащитные диафрагмы; 3 - диафрагма с калиброванным отверстием; 4 - ЭОП; 5 - держатель ЭОП; 6 - микроскоп; 7 - экран ЭОП; 8 - фотокатод ЭОП
Примечание. Допускается также использовать проекционную схему, приведенную на рис. 14. В качестве объекта в этой схеме применяется сетка с окружностью соответствующего диаметра, которая устанавливается в фокальной плоскости объектива коллиматора.
Микроскоп
должен иметь окулярную сетку со шкалой,
цена деления которой, приведенная к
плоскости экрана ЭОП, не более 0,05 мм,
увеличение не менее
.
Микроскоп необходимо установить в
держатель, имеющий плавные перемещения
вдоль оси и поперечные перемещения по
вертикали и горизонтали. Диаметры
изображений проектируемой окружности
сетки или калиброванного отверстия
диафрагмы указывают в технической
документации на ЭОП конкретного типа.
Подготовка к измерениям. Испытуемый ЭОП устанавливают в держатель и соединяют с источником питания.
На минимальном расстоянии от фотокатода ЭОП, допускаемом конструкцией ЭОП, устанавливают диафрагму с калиброванным отверстием. Центр калиброванного отверстия диафрагмы должен быть совмещен с центром базовой поверхности фотокатодного узла. Расстояние L между телом накала или апертурной диафрагмой осветителя и диафрагмой с калиброванным отверстием должно удовлетворять условию
(13)
Здесь
d-диаметр
калиброванного отверстия диафрагмы,
мм,
- максимальный поперечный размер тела
накала лампы или апертурной диафрагмы
осветителя, мм;
- расстояние между диафрагмой с
калиброванным отверстием и плоскостью
фотокатода, мм:
(14)
где
-
расстояние между диафрагмой с калиброванным
отверстием и катодным стеклом, мм;
- толщина катодного стекла, мм;
-
показатель преломления катодного
стекла.
Проведение измерений. На ЭОП подают напряжения, указанные в технической документации на ЭОП конкретного типа. На фотокатоде ЭОП устанавливают освещенность, обеспечивающую яркость экрана, достаточную для уверенных наблюдений. Микроскопом измеряют диаметр изображения калиброванного отверстия диафрагмы или диаметр изображения окружности сетки.
Обработка результатов измерений. Электронно-оптическое увеличение вычисляют по формуле
(15)
где
- диаметр изображения калиброванного
отверстия диафрагмы или изображения
окружности сетки на экране ЭОП, мм; d-
диаметр калиброванного отверстия
диафрагмы или изображения окружности
сетки на фотокатоде испытуемого ЭОП,
мм.
Суммарная
погрешность измерения электронно-оптического
увеличения для отношения
,
где
-рабочий диаметр фотокатода, не превышает
3% для стеклянных ЭОП и 2% для ЭОП с
волоконно-оптическим входом и выходом.
7. Измерение частотно-контрастной характеристики
Принцип измерения. Принцип измерения пространственной частотно-контрастной характеристики заключается в измерении коэффициента передачи контраста для ряда пространственных частот, приведенных к плоскости фотокатода испытуемого изделия.
Метод основам на гармоническом анализе изображения щели, формируемого испытуемым ЭОП (функции рассеяния линии), с последующим вычислением коэффициента модуляции регистрируемого сигнала фотоприемника, равного отношению переменной составляющей сигнала к постоянной составляющей. Гармонический анализ может быть осуществлен:
сканированием изображения щели растром переменной плотности или переменной площади с синусоидальным законом пропускания в направлении сканирования;
сканированием изображения щели растром с прямоугольной формой волны с последующим выделением основной гармоники сигнала путем электронной фильтрации.
Измерительная аппаратура. Функциональная схема измерительной установки показана на рис. 8.
Осветитель
должен создавать равномерную яркость
щели и совместно с оптикой переноса
изображения поз. 3 заданную в технической
документации освещенность в плоскости
фотокатода ЭОП. Отклонение освещенности
от заданного значения не должно превышать
15%. Изображение щели. проектируемое в
плоскость растра, должно перекрывать
по высоте размер анализирующего растра.
Ширина щелевой прорези Ь в диафрагме
должна удовлетворять условию:
,
где
-
максимальное значение пространственной
частоты в плоскости фотокатода ЭОП, для
которой производятся измерения ЧКХ; П
увеличение оптики переноса изображения,
расположенной между диафрагмой со
щелевой прорезью и фотокатодом ЭОП.

Рис. 8. Схема установки для измерения ЧКХ ЭОП:
1 - осветитель; 2 - диафрагма с щелевой прорезью; 3 - оптика переноса изображения; 4 - ЭОП; 5 - микроскоп-визир; 6 - оптика переноса изображения; 7 - анализирующий растр; 8 - устройство обработки и регистрации сигнала; 9 - приемник излучения; 10 - полупрозрачное зеркало.
В
качестве оптики переноса изображения
рекомендуется применять микрообъективы
типа ОМ-12 (увеличение
,
апертура 0,11); ОМ-5 (увеличение
,
апертура 0,3); ОМ-27 (увеличение
,
апертура 0,4). Тип микрообъектива (апертуру
и увеличение) выбирают в соответствии
с требованиями стандартов или
технических условий на ЭОП конкретного
типа. Устройство обработки сигнала
должно обеспечивать возможность
уверенной регистрации сигнала в
присутствии шумов ЭОП (фильтрацию
шумов). Средняя квадратическая
случайная погрешность регистрирующего
устройства не должна превышать 2%.
Подготовка и проведение измерений. Измерения проводят в соответствии с инструкцией по эксплуатации установки.
В результате измерений получают коэффициенты передачи контраста (КПК) Ты на пространственных частотах /V, приведенных к плоскости фотокатода ЭОП.
Обработка результатов измерений. Пространственные частоты N, приведенные к плоскости фотокатода, вычисляют по формуле
(16)
где
- электронно-оптическое увеличение
испытуемого ЭОП; Г - увеличение оптики
переноса изображения, расположенной
между экраном и анализирующим растром;
р - период анализирующего растра, мм
(указывают в формуляре измерительной
установки).
Полученные значения КПК умножают на поправочные коэффициенты, учитывающие систематическую погрешность измерительной установки:
, (17)
где
- поправочный коэффициент установки
для пространственной частоты N.
Составляют
таблицу или строят график зависимости
,
представляющий собой частотно-контрастную
характеристику ЭОП.
Погрешность измерения КПК для пространственных частот до 16 штр/мм не превышает 12% при доверительной вероятности 0,95.
8. Измерение отношения сигнал/шум
Принцип измерения. Принцип измерения отношения сигнала к шуму (с/ш) заключается в измерении значений среднего (сигнал) и среднего квадратического отклонения (шум) электрического сигнала фотоприемника, пропорционального световому потоку с экрана ЭОП, с последующим вычислением их отношения при заданных освещенности на фотокатоде ЭОП и площади анализируемого участка фотокатода ЭОП [12].
Измерительная аппаратура. Функциональная схема установки для измерения отношения с/ш показана на рис. 9.

Рис. 9. Схема установки для измерения отношения сигнал/шум ЭОП:
1 - осветитель; 2 непрозрачный диск; 3 - ЭОП; 4 - держатель ЭОП; 5 - оптика переноса изображения; 6 - вспомогательный источник света; 7 - фильтр нижних частот (ФНЧ); 8 - детектор; 9 - интегратор; 10 - измерительный прибор; 11 - приемник излучения; 12 -двустороннее зеркало; 13 - микроскоп-визир; 14 - анализирующая диафрагма; а - положение переключателя при измерении сигнала; б - положение переключателя при измерении шума.
Источник
света должен работать в режиме источника
света с цветовой температурой 2860 К по
ГОСТ 7721-89 и обеспечивать на фотокатоде
ЭОП заданную освещенность. Значение
освещенности устанавливают в технических
условиях на ЭОП конкретного типа. Обычно
для ЭОП П-го и III-го
поколений освещенность составляет
лк Отклонение освещенности от заданного
значения не должно превышать 15%.
Анализирующая
диафрагма должна иметь черную матовую
поверхность и калиброванное отверстие,
измеренное с точностью 0,005 мм. Диаметр
калиброванного отверстия, приведенный
к плоскости фотокатода ЭОП (
),
вычисляют по формуле.
(18)
где
-
электронно-оптическое увеличение ЭОП;
- увеличение оптики переноса изображения,
расположенной между экраном ЭОП и
анализирующей диафрагмой; d - диаметр
калиброванного отверстия анализирующей
диафрагмы, мм. Диаметр
должен быть не более 1 мм.
Предельная
погрешность определения диаметра
не должна превышать ± 5%.
Непрозрачный диск должен иметь черную матовую поверхность. Диаметр непрозрачного диска D должен удовлетворять условию
. (19)
Приемник излучения должен иметь линейную характеристику в диапазоне измеряемых сигналов.
Оптика переноса изображения должна формировать изображение экрана ЭОП в плоскости анализирующей диафрагмы и обеспечивать заполнение светом всего отверстия анализирующей диафрагмы. В качестве оптики
переноса
изображения рекомендуется применять
микрообъектив типа ОМ-5 (увеличение
,
апертура 0,3). Рабочая чувствительная
площадка приемника излучения должна
полностью перекрывать световой пучок,
поступающий на него после анализирующей
диафрагмы.
Измерительный блок, в состав которого входят фильтр нижних частот (ФНЧ), интегратор и измерительный прибор, должен иметь следующие характеристики:
-диапазон частот при измерении шума, Гц………. 0,1 -:-20
-спад амплитудно-частотной характеристики
ФНЧ на частоте среза 20 Гц, дБ/октаву, не менее……… 70
-нелинейность амплитудно-частотной характеристики
ФНЧ, дБ, не более…………………………………………….0,5
-динамический диапазон входных сигналов:
по каналу сигнал, дБ, не менее……………………………….70
по каналу шум, дБ, не менее………………………………….70
-время интегрирования: J; Г
по каналу сигнал, с, не менее …………………………………1
по каналу шум, с, не менее……………………………………10
Предельная суммарная погрешность, вносимая измерительным блоком в измеряемое отношение сигнал/шум, не должна превышать 10%.
Вспомогательный источник света с ненормируемым спектром должен обеспечивать в плоскости чувствительной площадки приемника излучения освещенность, вызывающую фототок приемника излучения, равный значению тока, полученного при измерении сигнала при засветке фотокатода ЭОП.
Подготовка к измерениям. Испытуемый ЭОП устанавливают в держатель, соединяют с источником питания и подают, напряжения, указанные в технической документации на ЭОП конкретного типа
На фотокатоде ЭОП устанавливают освещенность, указанную в технических условиях на ЭОП конкретного типа.
Центр непрозрачного диска совмещают с центром фотокатода ЭОП. Диск устанавливают по возможности ближе к фотокатоду ЭОП.
Наблюдая в окуляр микроскоп-визира, сфокусированный на анализирующую диафрагму, добиваются совмещения центра отверстия анализирующей диафрагмы с центром изображения непрозрачного диска на экране ЭОП и максимальной четкости изображения следов сцинтилляций (вспышек) на экране ЭОП смещением микроскопа-визира поз. 13 соответственно поперек и вдоль оптической оси установки.
Проведение
измерений. Выводят из хода лучей зеркало
и измеряют значение сигнала
с изображения непрозрачного диска.
Выводят
из светового пучка непрозрачный диск
и измеряют значение сигнала
при освещенном фотокатоде ЭОП. Многократно
(не менее 10 раз) измеряют значение шума
при освещенном фотокатоде ЭОП. Выключают
ЭОП. Вводят зеркало и направляют свет
от вспомогательного источника света
на фотоприемное устройство. Регулируя
ток питания лампы вспомогательного
источника света, применяя нейтральные
светофильтры или другие способы
ослабления светового потока, добиваются
получения сигнала фотоприемника, равного
значению
.
Многократно (не менее 10 раз) измеряют
значение аппаратурного шума электронного
тракта
.
Обработка
результатов измерений. Отношение
сигнал/шум, приведенное к площадке
диаметром 0,2 мм на фотокатоде ЭОП и к
освещенности, равной 1x
лк,
вычисляют по формуле
,
(20)
где
- коэффициент усиления измерительного
блока при измерении шума;
- коэффициент усиления измерительного
блока при измерении сигнала;
- значение сигнала с фотоприемного
устройства при освещенном фотокатоде
ЭОП;
-значение сигнала с фотоприемного
устройства при затемненном непрозрачным
диском фотокатоде ЭОП;
- среднее из десяти измерений значение
шума при освещенном фотокатоде ЭОП;
-
среднее из десяти измерений значение
аппаратурного шума, измеренное при
включенном вспомогательном источнике
света; А - площадь калиброванного E
- освещенность фотокатода ЭОП при
измерениях, лк.
Относительная погрешность измерений отношения с/ш не превышает 20% при доверительной вероятности 0,95.
Примечание. По измеренному отношению с/ш можно оценить интегральную чувствительность фотокатода ЭОП со встроенным ВИП:
,
где е - заряд электрона (1,6 х
Ac);
- эффективная полоса частот измерительного
тракта, Гц; А - площадь калиброванного
отверстия анализирующей диафрагмы, м2;
Е - освещенность фотокатода при которой
проводились измерения отношения с/ш,
лк; S - интегральная чувствительность
фотокатода в А/лм.
9. Контроль степени чистоты поля зрения
Принцип метода. Принцип метода состоит в определении размеров и количества дефектов в виде стационарных и перемещающихся темных и светлых точек и пятен, видимых в пределах рабочего поля на экране ЭОП.
Измерительная аппаратура. Схема установки для проверки степени чистоты поля зрения показана на рис. 10.
Осветитель должен обеспечивать равномерную освещенность рабочего диаметра фотокатода ЭОП. Значение освещенности указывают в стандартах или технических условиях на ЭОП конкретного типа.
Сетка, установленная в фокальной плоскости объектива коллиматора, должна иметь концентрические окружности. Изображение концентрических окружностей на фотокатоде ЭОП выделяет зоны, в пределах которых нормируют степень чистоты поля зрения. Диаметры зон указывают в стандартах или технических условиях на ЭОП конкретного типа.
Диаметры концентрических окружностей сетки рассчитывают по формуле
, (37)

Рис. 10. Схема установки для контроля степени чистоты поля зрения ЭОП:
1 - проектор; 2 - осветитель; 3 - сетка; 4 - объектив коллиматора; 5 -проекционный объектив; 6 - испытуемый ЭОП; 7 - микроскоп; 8 - сетка микроскопа; 9 - экран ЭОП; 10 - держатель ЭОП; 11 - фотокатод ЭОП.
где
D
- диаметр окружности сетки; d
- диаметр выделяемой зоны на фотокатоде
ЭОП;
-
увеличение проектора
Микроскоп
должен иметь подвижки вдоль и поперек
оптической оси. Сетка микроскопа должна
иметь перекрестие с делениями по осям.
Цена деления сетки, приведенная к экрану
ЭОП, должна быть не более 0,005 мм. Сетка
должна иметь возможность поворачиваться
вокруг оптической оси. Увеличение
микроскопа при измерении размеров точек
должно быть не менее
.
Примечание. Рекомендуется использовать микроскоп с переменным увеличением и большим рабочим отрезком, например, микроскоп МБС-10.
Подготовка к контролю. Испытуемый ЭОП устанавливают в держатель и соединяют с источником питания.
На ЭОП подают напряжения, указанные в стандартах или технических условиях на ЭОП конкретного типа.
Осветителем создают на фотокатоде ЭОП освещенность, значение которой указывают в стандартах или технических условиях на ЭОП конкретного типа.
Проведение контроля. Изображение сетки коллиматора рассматривают на экране ЭОП через микроскоп. В каждой зоне контролируют размеры темных и светлых точек и пятен на экране ЭОП, измеряя изображение пятна и точки при помощи окулярной сетки микроскопа. Допустимые размеры и число темных и светлых точек и пятен для каждой зоны указывают в стандартах или технических условиях на ЭОП конкретного типа.
ЛИТЕРАТУРА
Малов А.Н., Законников Обработка деталей оптических приборов. Машиностроение, 2006. - 304 с.
Бардин А.Н. Сборник и юстировка оптических приборов. Высшая школа, 2005. - 325с.
Кривовяз Л.М., Пуряев Д.Т., Знаменская М.А. Практика оптической измерительной лаборатории. Машиностроение, 2004. - 333 с.
Справочник технолога-оптика под редакцией М.А. Окатова, Политехника Санкт-Петербург, 2004. - 679 с.