Мероприятия по защите сооружений связи (работа 1)
Мероприятия по защите сооружений связи
Защита сооружения связи
Мероприятия по защите сооружений связи делятся на опасные и мешающие влияния. Опасные влияния делятся на атмосферное электричество и линии электропередач и контактные сети эл. ж.д. Мероприятие по защите связи от атмосферного электричества на линиях связи – это устройство молниеотводов на опорах воздушных линий (каскадная защита). Прокладка защитных тросов на кабельных линиях. Защита кабельных линий с помощью воздушных линий. Включение в цепи связи разрядников, предохранителей дренажных катушек. Мероприятие по защите связи для линий электропередач и контактных сетей эл. ж.д. на линиях сильного тока - это подвеска защитных тросов. Включение реакторов для уменьшения токов короткого замыкания. Уменьшение времени короткого замыкания. Включение в контакт сети эл. ж.д. отсасывающих трансформаторов. А на линиях связи: применение разрядников, дренажных катушек, разделительных трансформаторов, резонансных контуров. Прокладка специальных кабелей с лучшим защитным действием оболочки. Удаление линий связи от источников влияния. Мешающие влияния делятся на линии электропередач, контактные сети эл. ж.д. и радиостанции. Мероприятие по защите связи для линий электропередач и контактных сетей эл. ж.д. и радиостанций на линиях сильного тока – это подвеска защитных тросов на линиях электропередач. Установка сглаживающих фильтров, реакторов, отсасывающих трансформаторов, демпферных контуров на эл. ж.д., а на линиях связи с применением скрещивания цепей воздушных линий с малым шагом. Прокладка кабеля с улучшенным коэффициентом действия. Выбор трассы прокладки кабеля в удалении от источников помех. Опоры воздушных линий связи защищаются от разрушений при прямых ударах молнии стержневыми молниеотводами, которые устанавливаются на вводных, кабельных, контрольных, разрезанных, переходных опорах, а также на опорах заменяемых вследствие повреждения грозовыми разрядами. Для молниеотвода используется стальная линейная проволока диаметром 4-5 мм, нижний конец которой отводится. Этот отвод называется заземлителем. Длина отвода проволоки заземлителя зависит от характера грунта и может быть равна 12 м. глубина залегания заземлителя равна 0.7 м. чем больше удельное сопротивление грунта, тем больше должна быть длина отвода заземлителя. На промежуточных и угловых опорах обычно не делают отвода, а доводят проволоку до комля столба. Опоры, на которых установлены искровые или газонаполненные разрядники, также защищаются молниеотводами. По условиям техники безопасности на опорах, имеющих пересечение или сближение с высоковольтными линиями, на высоте 30 см от земли на молниеотводе делается разрыв, создающий искровой промежуток длиной 5о мм. Необходимость защиты подземного кабеля определяется расчетом по ожидаемому количеству повреждений от ударов молнии на 100 км трассы. Ожидаемое количество повреждения может быть определено в зависимости от числа грозовых дней в году для данной местности. Однако при таком расчете не учитывается длительность гроз. Более точной считается оценка грозодеятельности по продолжительности гроз в часах. Вероятно число повреждений кабеля с металлической оболочкой на 100 км кабеля в год при средней продолжительности гроз, равной 36 часов в год, и электрической прочности изоляции жил по отношению к оболочке 3000 В (f=50 Гц) в зависимости от удельного сопротивления грунта и сопротивления металлической оболочке и стальной брони, соединенных вместе. К примеру если продолжительность гроз Т ≠ 36 ч. И электрическая прочность поясной изоляции U ≠3000 В, то вероятное количество повреждений n>1> определяется из отношения:
n>1>=n>0>
>,
>
где n>0 >–число произведений при продолжительности гроз, равной 36 ч в год.
Вероятность повреждения молнией кабелей в пластмассовой оболочке на 100 км кабеля определяется в год, не имеющих металлических покровов, определяется по формуле
n>2> =7,55∙10-20100090000031206000000000604000000000604000026060f000208574d46430100000000000100e7630000000001000000e007000000000000e0070000010000006c0000000000000000000000150000001f00000000000000000000003f0200004503000020454d4600000100e00700000c00000001000000000000000000000000000000900600001a040000b801000013010000000000000000000000000000c0b6060038320400460000002c00000020000000454d462b014001001c000000100000000210c0db01000000600000006000000046000000980200008c020000454d462b224004000c000000000000001e4009000c00000000000000244001000c000000000000003040020010000000040000000000803f214007000c0000000000000008400005e4010000d80100000210c0db01000000000000000000000000000000000000000100000089504e470d0a1a0a0000000d494844520000001600000020080200000099f51fdc000000017352474200aece1ce9000000097048597300000ec400000ec401952b0e1b0000015e49444154484bdd553b6ec3300ca57b928c1d728800591464f50d9aa5bb7d88a259832cf60db216f012c4c7f066ddc4e54796643b9605a4288270a22c927a8f949e93aeebe0317b7b2c9db24d095dee923b96d711273814aa6891545b2880ec865e77cb22f22984823df34a8c7666974bbda873e297d796e9aed463708b281817084d26675c9bb884424e54c5f96345ce669f41d50c71c49508f635ae447fb02ebf8ea0de1990b3412fec1c3dbed20b6b3270dfc6439d8e8e4a8c3b38888a2312be630b17c8529b12e83393a778a9912f2914f61c44fe60a82f54427489a58947d7afefc8d3cc688792cb97961ed6fc7d9ebc88ff68a7fbc31051c35248e21639611418f40967e196ed37a89ddfe4aa748bc2a5af176027d00b4faf9ce6f822265f4328745399aeb6e9e524f3c2a3d72c7d160c13596d5305c71f8941bea743c5a8ad615e250baa205bba1116686646fe0fd4a276a00d1a8c721e26f3e217de9d066150bfd6560000000049454e44ae4260820000000840010824000000180000000210c0db01000000030000000000000000000000000000001b40000040000000340000000100000002000000000000bf000000bf0000b0410000004203000000000000b3000000b3ffffaf41000000b3000000b3ffffff412100000008000000620000000c00000001000000150000000c00000004000000150000000c0000000400000051000000e40300000000000000000000150000001f0000000000000000000000000000000000000016000000200000005000000094000000e400000000030000000000002000cc00160000002000000028000000160000002000000001000800000000000000000000000000000000001b0000000000000000000000ffffff00489cdf0074000000ffffbf00df9c4800bfffff007400740074bfff00bf74000048000000ffdf9c009c480000ffffdf0000007400ffbf74009cdfff0074004800dfffff0000489c0048489c0074489c009c4848000074bf00bf744800000048009c4874000101080000000c0d01101900030401170f010800090100000110190f0101170901170f01020901101801061a0d010000010203040101101104170f0110180112150412140b0100000102030401011011040200000a0b0101020000000501000001020304010110110412140b1215040110160d10160d000001020304010110110401121300000f08000a0b12140b00000102030401011011040101010101010101010101010100000102030401011011040101010101010101010101010100000800000901060e000c0d01010101010101010101010100000101010101010101010101010101010101010101010100000101010101010101010101010101010101010101010100000101010101010101010101010101010101010101010100000101010101010101010101010101010101010101010100000101010101010101010101010101010101010101010100000101010101010101010101010101010101010101010100000000000000000000000000000000000000000000000000000101010101010101010101010101010101010101010100000101010101010101010101010101010101010101010100000101010101010101010108000009010101010101010100000101010101010101010101020c0d010101010101010100000101010101010101010101020c0d01010101010101010000010101010800000c0d010102000000000f01010101010000010101010102030401010102030401020a0b0101010100000101010101020304010101020c0d01060e0f0101010100000101010101020304010101020c0d01060e0f010101010000010101010102030401010102000501080a0b0101010100000101010101020304010108000902000005010101010100000101010101020304010101010101010101010101010100000101020501020304060704010101010101010101010100000101020000000000000304010101010101010101010100000101010101010101010101010101010101010101010100000101010101010101010101010101010101010101010100004c000000640000000000000000000000150000001f000000000000000000000016000000200000002900aa0000000000000000000000803f00000000000000000000803f0000000000000000000000000000000000000000000000000000000000000000220000000c000000ffffffff460000001c00000010000000454d462b024000000c000000000000000e000000140000000000000010000000140000000400000003010800050000000b0200000000050000000c0220001600030000001e0004000000070104000400000007010400d7010000410b2000cc002000160000000000200016000000000028000000160000002000000001000800000000000000000000000000000000001b0000000000000000000000ffffff00489cdf0074000000ffffbf00df9c4800bfffff007400740074bfff00bf74000048000000ffdf9c009c480000ffffdf0000007400ffbf74009cdfff0074004800dfffff0000489c0048489c0074489c009c4848000074bf00bf744800000048009c4874000101080000000c0d01101900030401170f010800090100000110190f0101170901170f01020901101801061a0d010000010203040101101104170f0110180112150412140b0100000102030401011011040200000a0b0101020000000501000001020304010110110412140b1215040110160d10160d000001020304010110110401121300000f08000a0b12140b00000102030401011011040101010101010101010101010100000102030401011011040101010101010101010101010100000800000901060e000c0d01010101010101010101010100000101010101010101010101010101010101010101010100000101010101010101010101010101010101010101010100000101010101010101010101010101010101010101010100000101010101010101010101010101010101010101010100000101010101010101010101010101010101010101010100000101010101010101010101010101010101010101010100000000000000000000000000000000000000000000000000000101010101010101010101010101010101010101010100000101010101010101010101010101010101010101010100000101010101010101010108000009010101010101010100000101010101010101010101020c0d010101010101010100000101010101010101010101020c0d01010101010101010000010101010800000c0d010102000000000f01010101010000010101010102030401010102030401020a0b0101010100000101010101020304010101020c0d01060e0f0101010100000101010101020304010101020c0d01060e0f010101010000010101010102030401010102000501080a0b0101010100000101010101020304010108000902000005010101010100000101010101020304010101010101010101010101010100000101020501020304060704010101010101010101010100000101020000000000000304010101010101010101010100000101010101010101010101010101010101010101010100000101010101010101010101010101010101010101010100000c00000040092900aa000000000000002000160000000000040000002701ffff030000000000,
где U>вн >–электрическая прочность внешнего изоляционного покрытия, кВ/мм.
Если величина U>вн >не известна, её можно определить приближенно из выражения
U>вн>
=1,2tE>0>
,
где t- толщина внешнего изоляционного покрова, мм: E>0 >–средняя напряженность электрического поля при частоте f= 50 Гц, при которой происходит электрический пробой материала изоляционного покрытия, кВ/мм. Для полиэтилена может быть принято E>0>=45 кВ/мм, для поливинилхлорида - E>0>=25 кВ/мм. Вероятное число ударов молнии в кабель с алюминиевой оболочкой, покрытой изолирующим шлангом, мало отличается от числа ударов в такой же кабель без изолирующего покрытия, так как от возникающих в земле больших потенциалов при ударе молнии изоляции шланга легко пробивается. После пробоя изоляции ток молнии может протекать по оболочке на большие расстояния до места заземления в конце усилительного участка. В этом случае между оболочкой и жилами кабеля могут возникать значительно большие перенапряжения, чем кабеле без изолирующего покрытия, и вероятность повреждений кабеля увеличивается.
Для кабелей в алюминиевой оболочке с броней поверх пластикового шланга без изоляционных покрытий брони (кроме джутового), при условии систематического соединения оболочке с броней на контрольно-измерительных пунктах. При прохождении кабеля вблизи лесных массивов вероятность повреждения существенно меняется, так как деревья по краю леса будут принимать на себя удары молнии с некоторой полосы, прилегающей к лесу. Поэтому число повреждений кабелей с металлической оболочкой, положенных непосредственно по краю леса, в несколько раз превышает количество повреждений кабелей, проложенных на открытой местности. В то же время кабель, находящийся на некотором оптимальном расстоянии от леса, будет защищаться последним, поэтому число повреждений в данном случае не превышает 5% по сравнению с кабелем, проложенным по открытой местности, при прочих равных условиях.
l>опт>≈ 1,5h (при h ≈ 10); l>опт>≈ 1,25h (при h ≈ 20); l>опт>≈ h (при h ≈ 30);
где h- средняя высот а деревьев края леса, м. Последнее выражения справедливы для кабелей с металлической оболочкой, не имеющих поверх её изолирующего шланга. Оптимальное расстояние от леса до кабелей, имеющих поверх металлических оболочек шланговое покрытие, определиться по формуле
l>опт>=0,75h+010009000003d60e00000000ca0800000000ca08000026060f008a11574d464301000000000001007a4f0000000001000000681100000000000068110000010000006c00000000000000000000004c000000220000000000000000000000e00700009403000020454d4600000100681100000c00000001000000000000000000000000000000900600001a040000b801000013010000000000000000000000000000c0b6060038320400460000002c00000020000000454d462b014001001c000000100000000210c0db010000006000000060000000460000002004000014040000454d462b224004000c000000000000001e4009000c00000000000000244001000c000000000000003040020010000000040000000000803f214007000c00000000000000084000056c030000600300000210c0db01000000000000000000000000000000000000000100000089504e470d0a1a0a0000000d494844520000004d0000002308020000005e9510cd000000017352474200aece1ce9000000097048597300000ec400000ec401952b0e1b000002e6494441546843ed593d72b3301095731232695ce410306ec8b8f50de226bd3cdf193ca6cda4b16fe096094d060ee1c24d066ee26f5712420830e247ce78b09a688c76f73ded93362cb3cbe54226309e26c011293e6587b7198c4dd299305abe1db2ce76830c04dc027113fe64532605ba8d2921348689f948f73ef1f7a962d0c3c91513f45f0c19097fe6488bd915fc10203745dd3a73d5a9c17667878fe32afd7e77d85abea35ed06488cf35b9b499a02b65e7f348243b4774e98a40fe9cc76fc6efeed2d5f18349ae7c3e31d9331063c2c5dc20e7ece748560b11047c2cbec4061b6c9158d2c3443a679bf47cfe27d9f3271cbb86d959acc8fa33d179c2068032a2f5962074487bb0ad1e40a019bdbe14341da7981b323531093c815b1783f3fe0de09661e97208bc70897a46cc21f0ca0710f54fbf99964ffed4df7f314976d67389a5dcdfe775442468c3fb8e73110731f06aacdc258d8e3f28493668bc73f16f1de6e85ccfd330292dcbdc5d81b4386c1c4d8781092198916163b4fa095744572415139000cf1c1cc1bc62e12921ca31c955998481af5e125782b30b8b55151c7803cbeb1c2ebb7c5e2e1f424aea8fe51aa0951bad0428295680096fe5aa219f2bb1002ba5026f7e1fabf8d5b9943d131331af99c54ab578f5b1afb78969754bb595c8b353a107a4dc692f9ee5323d1ed3564f1d794a96bd798a2bbc2ad256a8431628b85bdda084157dcc30a71318a3ddb713d8ab7ba0f8d0ed3d64c91ce354cee783a7b926ee61e5239fb6b354e968590d78837cca176eb50d032da6f52bfb973cdd9feadea347666d9b2790dccef185416bc3d477b44626a7b8b3cd13ba0a79bfaadad268e868d9606b9b678119bb84a2f194ff58dbd1b2c152eff7d989815e934db51329a2691d2d3b186e914f9427741d3bb7c04665dcfac23a7481da0388a9dad51173e5ebc0d058cdf6b6f3996ce08384ecde963e4e5012b24eb44762adb53e6a22b9b3bf7a2f837a735329dbcea785d4f472f9473cb3df93fcdcd50b7757a3ff2d49c1a7020430240000000049454e44ae4260820000000840010824000000180000000210c0db01000000030000000000000000000000000000001b40000040000000340000000100000002000000000000bf000000bf00009a4200000c4203000000000000b3000000b3ffff9942000000b3000000b3ffff0b422100000008000000620000000c00000001000000150000000c00000004000000150000000c0000000400000051000000e40b000000000000000000004c00000022000000000000000000000000000000000000004d0000002300000050000000a4000000f4000000f00a0000000000002000cc004d00000023000000280000004d0000002300000001000800000000000000000000000000000000001f0000000000000000000000ffffff00489cdf00bf7400009cdfff0048004800ffdf9c000000480074000000ffffbf000074bf009c480000ffffdf0048000000dfffff0000489c00ffbf740074bfff009c484800bfffff0074007400df9c4800489cbf00dfdfdf009cdfbf007400480048489c000000740048007400007474004874bf0001010101010101010101010101010101010101010101010101010101010101010101010101010104120c0101010101010101010101010101010101010101010101010101010101010101010101ffffff0101010101010101010101010101010101010101010101010101010101010101010101010101011314090101010101010101010101010101010101010101010101010101010101010101010101ffffff0101010101010101010101010101010101010101010101010101010101010101010101010101011314090101010101010101010101010101010101010101010101010101010101010101010101ffffff01010101010101010101010101010101010101010101010101010101010101131b00000000100113141d0008090101010101010101010101010101010101010101010101010101010101010101ffffff010101010101010101010101010101010101010101010101010101010101010111030101111001131b1001110b0c01010101010101010101010101010101010101010101010101010101010101ffffff01010101010101010101010101010101010101010101010101010101010101010102030101010113140901131c0601010101010101010101010101010101010101010101010101010101010101ffffff01010101010101010101010101010101010101010101010101010101010101010101110301010113140901131c0601010101010101010101010101010101010101010101010101010101010101ffbfff01010101010101010101010101010101010101010101010101010101010101010101010215010113140901110b0c010101010101010101010101010101010101010101010101010101010101019cdfff0101010101010101010101010101010101010101010101010101010101010101010101040506011314180703010101010101010101010101010101010101010101010101010101010101010101ffffff01010101010101010101010101010101010101010101010101010101010101131c0601110d06011314090102150101010101010101010101010101010101010101010101010101010101010101ffffff0101010101010101010101010101010101010101010101010101010101010101131b00000301010e0f100102030101010101010101010101010101010101010101010101010101010101010101ffffff0101010101010101010101010101010101010101010101010101010101010101010101010101010104070008090101010101010101010101010101010101010101010101010101010101010101ffffff0101010101010101010101010101010101010101010101010101010101010101010101010101010101010101010101010101010101010101010101010101010101010101010101010101010101ffffff0101010101010101010101010101010101010101010101010101010101010101010101010101010101010101010101010101010101010101010101010101010101010101010101010101010101ffffff01010101010101010101010101010101010101010101010101010101010101010101010101010101010101010101010101010101010101010101010101010101010101010101010101010101017400ff0101010101010101010101010101010101010101010101010101010101010101010101010101010101010101010101010101010101010101010101010101010101010101010101010101010101ffffff0101010101010101010101010101010101010101010101010101010101010101010101010101010101010101010101010101010101010101010101010101010101010101010101010101010101ffffff01010101010101010101010101010101010101010101010101010101010101010101010101010101010101010101010101010101010101010101010101010101010101010101010101010101010000ff0000000000000000000000000000000000000000000000000000000000000000000000000000000000000000000000000000000000000000000000000000000000000000000000000000000000ffffff0101010101010101010101010101010101010101010101010101010101010101010101010101010101010101010101010101010101010101010101010101010101010101010101010101010101ffffff0101010101010101010101010101010101010101010101010101010101010101010101010101010101010101010101010101010101010101010101010101010101010101010101010101010101ffffff01010101010101010101010101010101010101110d06010101010101010101010101010101010101010101010101010101010101010101010104120c0101010101010101010101010a0b0c0101ffffff0101010101010101010101010101010101010203010101010101010101010101010101010101010101010101010101010101010101010101011314090101010101010101010101010104120c01ffffff010101010101010101010101010101010104190901010101010101010101010101010101010101010101010101011e060101010101010101011314090101010101010101010101010101021501ffffff11000015040700030407001501010101010215010101020000000015010101010e0f1001010101020000000015010419090e0f00000015010113141d0008090111000015110000150101041909ffffff0102030101020b0c01020b0c010101010e0f1001010101010a030101010101010e0f100101010101010a030101011314090e1a060104071001131b1001110b0c010203010102030101010e1a06ffffff0102030101020b0c01020b0c010101010e0f10010101010102030101010101010e0f100101010101010203010101010101010101010e0f150113140901131c06010203010102030101010e0f10ffffff0102030101020b0c01020b0c010101010e0f1001010101010203010101131b000000000000100101010203010101010101010101010407100113140901131c06010203010102030101010e0f10ffffff0102030101020015010a0b0c010101010e0f10010101010102030101010101010e0f100101010101010203010101010101010200000003010113140901110b0c01020010010a030101010e1a060048ff0102030111000b160000100101010101010215010101170102030101010101010e0f1001010101170102030101010101010102100101010101131418070301010102030a000010010101041909ffffff010203010101010101010101010101010104120c0101020000030101010101010e0f10010101010200000301010101010101021001010101011314090102150101020301010101010101021501ffbfff010a03010101010101010101010101010101020b0c0101010a030101010101010101010101010101010a0301010101010101020000000d06010e0f1001020301010a03010101010101110b0c019cdfff0200030101010101010101010101010101010104050601010101010101010101010101010101010101010101010101010101010101010101010104070008090102000301010101010a03010101ffffff01010101010101010101010101010101010101010101010101010101010101010101010101010101010101010101010101010101010101010101010101010101010101010101010101010101014874ff0101010101010101010101010101010101010101010101010101010101010101010101010101010101010101010101010101010101010101010101010101010101010101010101010101010101ffffff4c0000006400000000000000000000004c0000002200000000000000000000004d000000230000002900aa0000000000000000000000803f00000000000000000000803f0000000000000000000000000000000000000000000000000000000000000000220000000c000000ffffffff460000001c00000010000000454d462b024000000c000000000000000e000000140000000000000010000000140000000400000003010800050000000b0200000000050000000c0223004d00030000001e0004000000070104000400000007010400d7050000410b2000cc0023004d000000000023004d0000000000280000004d0000002300000001000800000000000000000000000000000000001f0000000000000000000000ffffff00489cdf00bf7400009cdfff0048004800ffdf9c000000480074000000ffffbf000074bf009c480000ffffdf0048000000dfffff0000489c00ffbf740074bfff009c484800bfffff0074007400df9c4800489cbf00dfdfdf009cdfbf007400480048489c000000740048007400007474004874bf0001010101010101010101010101010101010101010101010101010101010101010101010101010104120c0101010101010101010101010101010101010101010101010101010101010101010101ffffff0101010101010101010101010101010101010101010101010101010101010101010101010101011314090101010101010101010101010101010101010101010101010101010101010101010101ffffff0101010101010101010101010101010101010101010101010101010101010101010101010101011314090101010101010101010101010101010101010101010101010101010101010101010101ffffff01010101010101010101010101010101010101010101010101010101010101131b00000000100113141d0008090101010101010101010101010101010101010101010101010101010101010101ffffff010101010101010101010101010101010101010101010101010101010101010111030101111001131b1001110b0c01010101010101010101010101010101010101010101010101010101010101ffffff01010101010101010101010101010101010101010101010101010101010101010102030101010113140901131c0601010101010101010101010101010101010101010101010101010101010101ffffff01010101010101010101010101010101010101010101010101010101010101010101110301010113140901131c0601010101010101010101010101010101010101010101010101010101010101ffbfff01010101010101010101010101010101010101010101010101010101010101010101010215010113140901110b0c010101010101010101010101010101010101010101010101010101010101019cdfff0101010101010101010101010101010101010101010101010101010101010101010101040506011314180703010101010101010101010101010101010101010101010101010101010101010101ffffff01010101010101010101010101010101010101010101010101010101010101131c0601110d06011314090102150101010101010101010101010101010101010101010101010101010101010101ffffff0101010101010101010101010101010101010101010101010101010101010101131b00000301010e0f100102030101010101010101010101010101010101010101010101010101010101010101ffffff0101010101010101010101010101010101010101010101010101010101010101010101010101010104070008090101010101010101010101010101010101010101010101010101010101010101ffffff0101010101010101010101010101010101010101010101010101010101010101010101010101010101010101010101010101010101010101010101010101010101010101010101010101010101ffffff0101010101010101010101010101010101010101010101010101010101010101010101010101010101010101010101010101010101010101010101010101010101010101010101010101010101ffffff01010101010101010101010101010101010101010101010101010101010101010101010101010101010101010101010101010101010101010101010101010101010101010101010101010101017400ff0101010101010101010101010101010101010101010101010101010101010101010101010101010101010101010101010101010101010101010101010101010101010101010101010101010101ffffff0101010101010101010101010101010101010101010101010101010101010101010101010101010101010101010101010101010101010101010101010101010101010101010101010101010101ffffff01010101010101010101010101010101010101010101010101010101010101010101010101010101010101010101010101010101010101010101010101010101010101010101010101010101010000ff0000000000000000000000000000000000000000000000000000000000000000000000000000000000000000000000000000000000000000000000000000000000000000000000000000000000ffffff0101010101010101010101010101010101010101010101010101010101010101010101010101010101010101010101010101010101010101010101010101010101010101010101010101010101ffffff0101010101010101010101010101010101010101010101010101010101010101010101010101010101010101010101010101010101010101010101010101010101010101010101010101010101ffffff01010101010101010101010101010101010101110d06010101010101010101010101010101010101010101010101010101010101010101010104120c0101010101010101010101010a0b0c0101ffffff0101010101010101010101010101010101010203010101010101010101010101010101010101010101010101010101010101010101010101011314090101010101010101010101010104120c01ffffff010101010101010101010101010101010104190901010101010101010101010101010101010101010101010101011e060101010101010101011314090101010101010101010101010101021501ffffff11000015040700030407001501010101010215010101020000000015010101010e0f1001010101020000000015010419090e0f00000015010113141d0008090111000015110000150101041909ffffff0102030101020b0c01020b0c010101010e0f1001010101010a030101010101010e0f100101010101010a030101011314090e1a060104071001131b1001110b0c010203010102030101010e1a06ffffff0102030101020b0c01020b0c010101010e0f10010101010102030101010101010e0f100101010101010203010101010101010101010e0f150113140901131c06010203010102030101010e0f10ffffff0102030101020b0c01020b0c010101010e0f1001010101010203010101131b000000000000100101010203010101010101010101010407100113140901131c06010203010102030101010e0f10ffffff0102030101020015010a0b0c010101010e0f10010101010102030101010101010e0f100101010101010203010101010101010200000003010113140901110b0c01020010010a030101010e1a060048ff0102030111000b160000100101010101010215010101170102030101010101010e0f1001010101170102030101010101010102100101010101131418070301010102030a000010010101041909ffffff010203010101010101010101010101010104120c0101020000030101010101010e0f10010101010200000301010101010101021001010101011314090102150101020301010101010101021501ffbfff010a03010101010101010101010101010101020b0c0101010a030101010101010101010101010101010a0301010101010101020000000d06010e0f1001020301010a03010101010101110b0c019cdfff0200030101010101010101010101010101010104050601010101010101010101010101010101010101010101010101010101010101010101010104070008090102000301010101010a03010101ffffff01010101010101010101010101010101010101010101010101010101010101010101010101010101010101010101010101010101010101010101010101010101010101010101010101010101014874ff0101010101010101010101010101010101010101010101010101010101010101010101010101010101010101010101010101010101010101010101010101010101010101010101010101010101ffffff0c00000040092900aa0000000000000023004d0000000000040000002701ffff030000000000, где β=0,4770100090000036006000000003004000000003004000026060f005608574d4643010000000000010069670000000001000000340800000000000034080000010000006c0000000000000000000000150000002100000000000000000000003f0200007903000020454d4600000100340800000c00000001000000000000000000000000000000900600001a040000b801000013010000000000000000000000000000c0b6060038320400460000002c00000020000000454d462b014001001c000000100000000210c0db01000000600000006000000046000000a402000098020000454d462b224004000c000000000000001e4009000c00000000000000244001000c000000000000003040020010000000040000000000803f214007000c0000000000000008400005f0010000e40100000210c0db01000000000000000000000000000000000000000100000089504e470d0a1a0a0000000d4948445200000016000000220802000000d43dbed7000000017352474200aece1ce9000000097048597300000ec400000ec401952b0e1b0000016a49444154484bed553b8ec2301075f6249168287208d03646b41c253ec46a69e9c80d6891d2acc82128d2a0f826617e8e274a1622a040ab9d06cfd8f37933615ed2b6ad794e3e9e73476f0a51b984c455436d420a000272ca8ddd377c26cde4a7a0ddfb6520d5716bb2592a19fde56cf2f582355facb844aa51ea5d159eafe880399abd55599506472e0e0ea12c6da34b0cd18f1041a15d24a25446c18e407c5dda794081a0ece61355b04bea6673d851ab8dff3964d4252c869fc950cb1ac16157dc324488b300bf523a0311b84bbe361c21f66258322364916a6054f114ccc9fb7c9d11f523a757fd471ec9fd529fff89c476bec750ff76158114125eb3b0675d51305188a5f7790f567cb76969e1d0d2ec966b9f2bc49536b816bd8b7b7bf95772b939917496c58a17df6dbb3e06ca534846439c2fd282af2d5152e5982a4d3aef6841c51803622dbf8ca4882848146d06cf9bbdb8c7a67c3f0644f1d294dd3408011436c54fbdb902c69bf481afd5ce0b0000000049454e44ae4260820000000840010824000000180000000210c0db01000000030000000000000000000000000000001b40000040000000340000000100000002000000000000bf000000bf0000b0410000084203000000000080b3000080b3ffffaf41000080b3000080b3ffff07422100000008000000620000000c00000001000000150000000c00000004000000150000000c00000004000000510000002c0400000000000000000000150000002100000000000000000000000000000000000000160000002200000050000000ac000000fc00000030030000000000002000cc0016000000220000002800000016000000220000000100080000000000000000000000000000000000210000000000000000000000ffffff0074bfff00ffbf74000074bf0074000000ffffbf00df9c4800bfffff00000074009cdfff0074004800dfffff0000489c0048000000ffdf9c0048489c00489cdf00bf74000074489c009c484800ffffdf0048007400bf7448009c4800009c48740000004800749cdf00749c9c0074007400480048007474bf000048480001010101010218150101010101010101010101010101ffff01010101010a14150101010101010101010101010101ffff01010101010a0b060101010101010101010101010101010101010101010a1e20001201010809000e0f0101010101ffff01010101010a1e0f011112011f060111120101010101ffff01010101010a0b0601081d06010101041201010101010f1501010101010a0b06010a0b0601080903010101010101ffff01010101010c13060c0d181511120104070101010101ffff0101010101010809000e0f011b1c000e0f0101010101010101010101010101010101010101010101010101010101ffbf01010101010101010101010101010101010101010101ffff01010101010101010101010101010101010101010101010101010101010101010101010101010101010101010101bf7401010101010101010101010101010101010101010101ffff01010101010101010101010101010101010101010101010101010101010101010101010101010101010101010101740001010101010101010101010101010101010101010101000001010101010101010101010101010101010101010101010800000000000000000000000000000000000000000000484801010101010101010101010101010101010101010101007401010101010101010101010101010101010101010101010101010101010101010101010101010101010101010101489c01010101010101010101010101010101010101010101bfff010101010101010101010101010101010101010101010101010a1a0000181501010a1a00050601040301020012019cdf0104120101041815010403011112010a170108191501ffff010407010108160f010403010a17010c13060c100f0101010111120101010407011100000e0f0101110000000701bfff010a0b0601011112010c100f0c1306010a14150a1415ffff0108090301010a0b06010c0d00000302000e0f0c100f010101010407010108090301010101010101010101010101ffff01020000030104000506010101010101010101010101ffff01010101010101010101010101010101010101010101000001010101010101010101010101010101010101010101ffff4c0000006400000000000000000000001500000021000000000000000000000016000000220000002900aa0000000000000000000000803f00000000000000000000803f0000000000000000000000000000000000000000000000000000000000000000220000000c000000ffffffff460000001c00000010000000454d462b024000000c000000000000000e000000140000000000000010000000140000000400000003010800050000000b0200000000050000000c0222001600030000001e0004000000070104000400000007010400fb010000410b2000cc00220016000000000022001600000000002800000016000000220000000100080000000000000000000000000000000000210000000000000000000000ffffff0074bfff00ffbf74000074bf0074000000ffffbf00df9c4800bfffff00000074009cdfff0074004800dfffff0000489c0048000000ffdf9c0048489c00489cdf00bf74000074489c009c484800ffffdf0048007400bf7448009c4800009c48740000004800749cdf00749c9c0074007400480048007474bf000048480001010101010218150101010101010101010101010101ffff01010101010a14150101010101010101010101010101ffff01010101010a0b060101010101010101010101010101010101010101010a1e20001201010809000e0f0101010101ffff01010101010a1e0f011112011f060111120101010101ffff01010101010a0b0601081d06010101041201010101010f1501010101010a0b06010a0b0601080903010101010101ffff01010101010c13060c0d181511120104070101010101ffff0101010101010809000e0f011b1c000e0f0101010101010101010101010101010101010101010101010101010101ffbf01010101010101010101010101010101010101010101ffff01010101010101010101010101010101010101010101010101010101010101010101010101010101010101010101bf7401010101010101010101010101010101010101010101ffff01010101010101010101010101010101010101010101010101010101010101010101010101010101010101010101740001010101010101010101010101010101010101010101000001010101010101010101010101010101010101010101010800000000000000000000000000000000000000000000484801010101010101010101010101010101010101010101007401010101010101010101010101010101010101010101010101010101010101010101010101010101010101010101489c01010101010101010101010101010101010101010101bfff010101010101010101010101010101010101010101010101010a1a0000181501010a1a00050601040301020012019cdf0104120101041815010403011112010a170108191501ffff010407010108160f010403010a17010c13060c100f0101010111120101010407011100000e0f0101110000000701bfff010a0b0601011112010c100f0c1306010a14150a1415ffff0108090301010a0b06010c0d00000302000e0f0c100f010101010407010108090301010101010101010101010101ffff01020000030104000506010101010101010101010101ffff01010101010101010101010101010101010101010101000001010101010101010101010101010101010101010101ffff0c00000040092900aa000000000000002200160000000000040000002701ffff030000000000, 1/м.
Вероятность повреждения кабеля увеличивается, если параллельно проходит воздушная линия на расстоянии менее 1,5h, это увеличение оценивается коэффициентом K≈1,8h/0100090000038e0500000000c00300000000c003000026060f007607574d46430100000000000100c8950000000001000000540700000000000054070000010000006c0000000000000000000000160000001a000000000000000000000059020000c202000020454d4600000100540700000c00000001000000000000000000000000000000900600001a040000b801000013010000000000000000000000000000c0b6060038320400460000002c00000020000000454d462b014001001c000000100000000210c0db01000000600000006000000046000000880200007c020000454d462b224004000c000000000000001e4009000c00000000000000244001000c000000000000003040020010000000040000000000803f214007000c0000000000000008400005d4010000c80100000210c0db01000000000000000000000000000000000000000100000089504e470d0a1a0a0000000d49484452000000170000001b0802000000188a838c000000017352474200aece1ce9000000097048597300000ec400000ec401952b0e1b0000014e49444154484bd594318ec23010450d278994862287884463949623d0a06db3e20c6869e9c20d6891d2a0e41014dba0f826de191bb23676662c51e136f6cbfcff6766a6b5166f9ff9db04047c1aa5ff9e31274191badf6433400ad387a7a8eb59ac971999024b01485be43484cf48fdb6755572fd40ead5baab45dd3177b46614a1b30b460edb7571679de4572765c452d50e8d7ccd18143e25c25704e00d921298820f5dae05d51de54b7f39f8f160ea5e5ad9720d98db9da0049048dc595ed0339d180f408a7cb29694c61702ea15a81a3242df1f668f89a16f41bb39a9988b636073755a5d2a8ddfdbf3d5868f67baf165b3135bbb29f68b41ff98e978fedd1434fe3ddef8a696d896187d292bc01cf6b617d39db595ffbb5b7ea1aacdb10708b552a26bc29d00a34a365dd8f8f696afda79e94f80152e23f1d0cbe1758e6cea092bc5c306d3186d146e4dfd01caea82b0e55906a70000000049454e44ae4260820000000840010824000000180000000210c0db01000000030000000000000000000000000000001b40000040000000340000000100000002000000000000bf000000bf0000b8410000d84103000000000080b3000080b3ffffb741000080b3000080b3ffffd7412100000008000000620000000c00000001000000150000000c00000004000000150000000c0000000400000051000000680300000000000000000000160000001a00000000000000000000000000000000000000170000001b0000005000000090000000e000000088020000000000002000cc00170000001b00000028000000170000001b00000001000800000000000000000000000000000000001a0000000000000000000000ffffff00bfffff00000074009cdfff009c484800ffffdf00489cdf00df9c4800dfffff0000489c00ffbf740074007400ffffbf0074bfff00bf74000048489c00ffdf9c000074bf0048000000000048009c480000489cbf009cbf9c004848480074004800010101010104190d01010101010101010101010101010100010101010112000b01010101010101010101010101010100010101010414180f01010101010101010101010101010100010101011213170506010101010102030f0101010101010001010104140f0910110101010101090a0f010101010101000101011213110107080101010101090a1506010101010100010102030f01010e0f0101010101090a1506010101010100070b0713110101020c0d01010101090a151600000801010001120015060101090a0b01010101090a00080101120f01000101010101010101070801010101090a1506010102030b000101010101010101040506010101090a1506010101120f000101010101010101020c0d010101090a1506010101121500010101010101010101120b010101090a15060101090a15000101010101010101010e0f01010101071506010104140f0001010101010101010104050601010102030b010414131100010101010101010101091011010101010112000013110100010101010101010101010708010101010101010101010100010101010101010101010e0f01010101010101010101010001010101010101010101020c0d010101010101010101010001010101010101010101090a0b010101010101010101014701010101010101010101010708010101010101010101012f0101010101010101010101040506010101010101010101000101010101010101010101020300000000000000000000000101010101010101010101010101010101010101010101000101010101010101010101010101010101010101010101000101010101010101010101010101010101010101010101000101010101010101010101010101010101010101010101004c000000640000000000000000000000160000001a0000000000000000000000170000001b0000002900aa0000000000000000000000803f00000000000000000000803f0000000000000000000000000000000000000000000000000000000000000000220000000c000000ffffffff460000001c00000010000000454d462b024000000c000000000000000e000000140000000000000010000000140000000400000003010800050000000b0200000000050000000c021b001700030000001e000400000007010400040000000701040099010000410b2000cc001b001700000000001b0017000000000028000000170000001b00000001000800000000000000000000000000000000001a0000000000000000000000ffffff00bfffff00000074009cdfff009c484800ffffdf00489cdf00df9c4800dfffff0000489c00ffbf740074007400ffffbf0074bfff00bf74000048489c00ffdf9c000074bf0048000000000048009c480000489cbf009cbf9c004848480074004800010101010104190d01010101010101010101010101010100010101010112000b01010101010101010101010101010100010101010414180f01010101010101010101010101010100010101011213170506010101010102030f0101010101010001010104140f0910110101010101090a0f010101010101000101011213110107080101010101090a1506010101010100010102030f01010e0f0101010101090a1506010101010100070b0713110101020c0d01010101090a151600000801010001120015060101090a0b01010101090a00080101120f01000101010101010101070801010101090a1506010102030b000101010101010101040506010101090a1506010101120f000101010101010101020c0d010101090a1506010101121500010101010101010101120b010101090a15060101090a15000101010101010101010e0f01010101071506010104140f0001010101010101010104050601010102030b010414131100010101010101010101091011010101010112000013110100010101010101010101010708010101010101010101010100010101010101010101010e0f01010101010101010101010001010101010101010101020c0d010101010101010101010001010101010101010101090a0b010101010101010101014701010101010101010101010708010101010101010101012f0101010101010101010101040506010101010101010101000101010101010101010101020300000000000000000000000101010101010101010101010101010101010101010101000101010101010101010101010101010101010101010101000101010101010101010101010101010101010101010101000101010101010101010101010101010101010101010101000c00000040092900aa000000000000001b00170000000000040000002701ffff030000000000 где h- средняя высота опор воздушных линий. Для определения числа повреждений, полученных по выражению n>1>=n>0010009000003da09000000001006000000001006000026060f00160c574d46430100000000000100d4a30000000001000000f40b000000000000f40b0000010000006c0000000000000000000000300000001f0000000000000000000000020500004503000020454d4600000100f40b00000c00000001000000000000000000000000000000900600001a040000b801000013010000000000000000000000000000c0b6060038320400460000002c00000020000000454d462b014001001c000000100000000210c0db010000006000000060000000460000003003000024030000454d462b224004000c000000000000001e4009000c00000000000000244001000c000000000000003040020010000000040000000000803f214007000c00000000000000084000057c020000700200000210c0db01000000000000000000000000000000000000000100000089504e470d0a1a0a0000000d494844520000003100000020080200000034740775000000017352474200aece1ce9000000097048597300000ec400000ec401952b0e1b000001f7494441545847ed583daec2300c76df498a581838449f588a58b9015dd8cb29607d62811bb022baa0f6100c6fa9e84dfa9c9fa64909aac31311432d21a58e9d7e71ecd41f415dd7f061f2f56178181cdf98aae33cb0c8a6d062c330e976f363a5cdb633ffd31b87111fee9830f7430c90e638aaf3b473587c569889d9662cdc84171bbdaee74b7745c3d49d024361bc9b0114904c50ae7a2b243d4e5d033d9faae33a99e69755a842194fe4381c4f21fb55c7eaaa772b2489a9d860e28d92cccdf94dd61253b4954774fb0eb41a50a1a9ca1ba8e0401b32a2de0d3c62c21899552557881629eccebc48abeb298b97337190ae7a3740ccba294be9d9569759a54db28b7c6cab97a67f4873b580f93e6117e0cf7d23eff5f07d8f53763360a244c9ff3798822aa018bd6ca30a086f64fa2243ddd16235d4dd10275a0468567df9c41b2b26b283699ead9d04ed95fd56f6ce54d3761be7b64bef757de8ab1b38966e40760aaccfe88b53ffa68816d88281622259b2d6f8116747e705dfc136f2f86d095797a6d30f2748a3940816c0c148f116a70e06c544580b9b4e4ac944799a7ac56461220c12ec4eb0178c0d92d1a6f08ac9c24418498b0f7bc1dfc2d932865bd98f891b4aae807ec54f92a58bf6f08929fe9489607265a72b9e180a0fda746cf2e067d5ad337a5b574fb915f89d22e51913117f00fc0121d9fe9614b45e6c0000000049454e44ae42608200000840010824000000180000000210c0db01000000030000000000000000000000000000001b40000040000000340000000100000002000000000000bf000000bf000044420000004203000000000000b3000000b3ffff4342000000b3000000b3ffffff412100000008000000620000000c00000001000000150000000c00000004000000150000000c0000000400000051000000600700000000000000000000300000001f0000000000000000000000000000000000000031000000200000005000000090000000e000000080060000000000002000cc00310000002000000028000000310000002000000001000800000000000000000000000000000000001a0000000000000000000000ffffff00489cdf0074000000ffffbf00df9c4800dfffff0000489c00bfffff007400740048489c00ffdf9c0074bfff0048000000bf7400009cdfff004800480000007400ffbf7400480074000074bf00000048009c480000ffffdf00740048009c9c74000101010101010101010101010c000000161701010101010101010101010101010101010200000005010101081100001617ffffff01010101010101010101010f15120101140e0101010101010101010101010101010108130b010f1512010607050106070effffff010101010101010101010102030401010f1804010101010101010101010101010101010101010f15120108130b01010216ffffff010101010101010101010102030401010f180401010101010101010101010101010101011400001201010f15161706070effffff010101010101010101010102030401010f1804010101010101010101010101010101010101060712010106071915001617ffffff010101010101010101010102030401010f1804010101010101010101010101010101010101010f100b0101020e01010101ffffff010101010101010101010102030401010f1804010101010101010101010101010101060a0b010c0d0b010106070e010101ffffff010101010101010101010102030401010f180401010101010101010101010101010101020000000501010101010c000304ffffff010101010101010101010c00000e0108110016170101010101010101010101010101010101010101010101010101010101ffffff01010101010101010101010101010101010101010101010101010101010101010101010101010101010101010101010101ffffff01010101010101010101010101010101010101010101010101010101010101010101010101010101010101010101010101ffffff01010101010101010101010101010101010101010101010101010101010101010101010101010101010101010101010101ffffff01010101010101010101010101010101010101010101010101010101010101010101010101010101010101010101010101ffffff01010101010101010101010101010101010101010101010101010101010101010101010101010101010101010101010101ffffff01010101010101010101010101010101010101010101010101010101010101010101010101010101010101010101010101ffffff00000000000000000000000000000000000000000000000000000000000000010101000000000000000000000000000000ffffff01010101010101010101010101010101010101010101010101010101010101010101010101010101010101010101010101ffffff01010101010101010101010101010101010101010101010101010101010101010101010101010101010101010101010101ffffff01010101010101010101010101010101010101010101010101010101010101010101010101010101010101010101010101ffffff01010101010101010101010101010101010101010101010101010101010101010101010101010101010101010101010101ffffff010101010101010101010101010101010101010101010101010101010101010101010101010101010101010101010101010000ff0102000000050101010811000012010101081100001201010108110000120101010101010101010c000016170101010101dfffff08130b010f15120101140e010f100b0101140e010f100b0101140e010f100b010101010101010101020304010101010101df9cff010101010f1512010811120106070501081112010607050108111201060705010101010101010101020304010101010101ffffff010114000012010108130b0101140e0108130b0101140e0108130b0101140e010101010101010101020304010101010101ffffff010101060712010108130b0101140e0108130b0101140e0108130b0101140e010101010101010101020304010101010101489cff010101010f100b010811120106070501081112010607050108111201060705010101010101010101020304010101010101ffffff060a0b010c0d0b0101020e010f100b0101020e010f100b0101020e010f100b010101010101010101020304010101010101ffffff01020000000501010106070000050101010607000005010101060700000501010101010101020501020304080904010101dfffff0101010101010101010101010101010101010101010101010101010101010101010101010102000000000000030401010174bfff01010101010101010101010101010101010101010101010101010101010101010101010101010101010101010101010101ffffff0101010101010101010101010101010101010101010101010101010101010101010101010101010101010101010101010174bfff4c000000640000000000000000000000300000001f000000000000000000000031000000200000002900aa0000000000000000000000803f00000000000000000000803f0000000000000000000000000000000000000000000000000000000000000000220000000c000000ffffffff460000001c00000010000000454d462b024000000c000000000000000e000000140000000000000010000000140000000400000003010800050000000b0200000000050000000c0220003100030000001e000400000007010400040000000701040095030000410b2000cc002000310000000000200031000000000028000000310000002000000001000800000000000000000000000000000000001a0000000000000000000000ffffff00489cdf0074000000ffffbf00df9c4800dfffff0000489c00bfffff007400740048489c00ffdf9c0074bfff0048000000bf7400009cdfff004800480000007400ffbf7400480074000074bf00000048009c480000ffffdf00740048009c9c74000101010101010101010101010c000000161701010101010101010101010101010101010200000005010101081100001617ffffff01010101010101010101010f15120101140e0101010101010101010101010101010108130b010f1512010607050106070effffff010101010101010101010102030401010f1804010101010101010101010101010101010101010f15120108130b01010216ffffff010101010101010101010102030401010f180401010101010101010101010101010101011400001201010f15161706070effffff010101010101010101010102030401010f1804010101010101010101010101010101010101060712010106071915001617ffffff010101010101010101010102030401010f1804010101010101010101010101010101010101010f100b0101020e01010101ffffff010101010101010101010102030401010f1804010101010101010101010101010101060a0b010c0d0b010106070e010101ffffff010101010101010101010102030401010f180401010101010101010101010101010101020000000501010101010c000304ffffff010101010101010101010c00000e0108110016170101010101010101010101010101010101010101010101010101010101ffffff01010101010101010101010101010101010101010101010101010101010101010101010101010101010101010101010101ffffff01010101010101010101010101010101010101010101010101010101010101010101010101010101010101010101010101ffffff01010101010101010101010101010101010101010101010101010101010101010101010101010101010101010101010101ffffff01010101010101010101010101010101010101010101010101010101010101010101010101010101010101010101010101ffffff01010101010101010101010101010101010101010101010101010101010101010101010101010101010101010101010101ffffff01010101010101010101010101010101010101010101010101010101010101010101010101010101010101010101010101ffffff00000000000000000000000000000000000000000000000000000000000000010101000000000000000000000000000000ffffff01010101010101010101010101010101010101010101010101010101010101010101010101010101010101010101010101ffffff01010101010101010101010101010101010101010101010101010101010101010101010101010101010101010101010101ffffff01010101010101010101010101010101010101010101010101010101010101010101010101010101010101010101010101ffffff01010101010101010101010101010101010101010101010101010101010101010101010101010101010101010101010101ffffff010101010101010101010101010101010101010101010101010101010101010101010101010101010101010101010101010000ff0102000000050101010811000012010101081100001201010108110000120101010101010101010c000016170101010101dfffff08130b010f15120101140e010f100b0101140e010f100b0101140e010f100b010101010101010101020304010101010101df9cff010101010f1512010811120106070501081112010607050108111201060705010101010101010101020304010101010101ffffff010114000012010108130b0101140e0108130b0101140e0108130b0101140e010101010101010101020304010101010101ffffff010101060712010108130b0101140e0108130b0101140e0108130b0101140e010101010101010101020304010101010101489cff010101010f100b010811120106070501081112010607050108111201060705010101010101010101020304010101010101ffffff060a0b010c0d0b0101020e010f100b0101020e010f100b0101020e010f100b010101010101010101020304010101010101ffffff01020000000501010106070000050101010607000005010101060700000501010101010101020501020304080904010101dfffff0101010101010101010101010101010101010101010101010101010101010101010101010102000000000000030401010174bfff01010101010101010101010101010101010101010101010101010101010101010101010101010101010101010101010101ffffff0101010101010101010101010101010101010101010101010101010101010101010101010101010101010101010101010174bfff0c00000040092900aa000000000000002000310000000000040000002701ffff030000000000, >значения умножаются на этот коэффициент, при этом если>010009000003da0700000000fa0400000000fa04000026060f00ea09574d4643010000000000010067d40000000001000000c809000000000000c8090000010000006c00000000000000000000002a0000001a000000000000000000000065040000c202000020454d4600000100c80900000c00000001000000000000000000000000000000900600001a040000b801000013010000000000000000000000000000c0b6060038320400460000002c00000020000000454d462b014001001c000000100000000210c0db01000000600000006000000046000000d8020000cc020000454d462b224004000c000000000000001e4009000c00000000000000244001000c000000000000003040020010000000040000000000803f214007000c000000000000000840000524020000180200000210c0db01000000000000000000000000000000000000000100000089504e470d0a1a0a0000000d494844520000002b0000001b08020000006a45e13a000000017352474200aece1ce9000000097048597300000ec400000ec401952b0e1b0000019e49444154484bed96bb6dc3301086e94c22c04d0a0f41c08d0cb5d920e9d24af00c81dca6b337702b408d210ee1224d606ec2dc91942c898cc217e026ac64f171bfefbeffa89510823c743c3d343a06ff57902e07ac5a058e4455e0dfd7fc7803aafd471a05fc72262fdb2c88ea240a4040bb59870948e305fed596050dca006cf22f9cb1a32b49d9059f93a00a48e17360099274243b852377ee4ebc2f10ab2ac64f3bed5b3d119c3dbdf176cce73e84aaf46581598cdeafc019fdac66a07ad11c1810e0d1634d432890dc957760e47b5818abc02a60a240f4a1a6d9c674c84c4592c89ac39f3eccd69ba95125234d018a6ab0709c02771b8c1b16ad2178d1208f00639402b7660c792266a2688dd569cf17570e64d9ee50cb9ae211462b9ad10ff00dc6c0e71989f0db49019c0a3b0da2acbd50afea940d679ad10d2326a4659c14f4140ffcca17f6666c277fa1eb7871400bf807870fd5e3dc295cbeb2bc1410fa8ef4bc7d3210b0f449e07355fb2920d9eb5ea581fd26006e6acf6bdafb5e5085ce2d36f03e4a6ef0225187503c477c124ca48628b03782b00c08f1039420fda3e2b4f18f0000000049454e44ae4260820000000840010824000000180000000210c0db01000000030000000000000000000000000000001b40000040000000340000000100000002000000000000bf000000bf00002c420000d84103000000000000b3000000b3ffff2b42000000b3000000b3ffffd7412100000008000000620000000c00000001000000150000000c00000004000000150000000c00000004000000510000008c05000000000000000000002a0000001a000000000000000000000000000000000000002b0000001b0000005000000098000000e8000000a4040000000000002000cc002b0000001b000000280000002b0000001b00000001000800000000000000000000000000000000001c0000000000000000000000ffffff00bfffff00000074009cdfff009c484800ffffdf00489cdf00df9c4800dfffff0000489c00ffbf740074007400ffffbf0074bfff00bf74000048489c00ffdf9c000074bf0048000000dfbf7400000048009c48000074000000489cbf009cbf9c0048484800740048000101010101010101010101010101010101041b0d010101010101010101010101010101010101010101010100010101010101010101010101010101010112000b0101010101010101010101010101010101010101010101000101010101010101010101010101010104151a0f010101010101010101010101010101010101010101010100010101010101010101010101010101011213190506010101010102030f01010101010101010101010101010001010101010101010101010101010104150f0910110101010101090a0f0101010101010101010101010101000101010101010101010101010101011213110107080101010101090a16060101010101010101010101010100010101010101010101010101010102030f01010e0f0101010101090a16060101010101010101010101010100010101010101010101010101070b0713110101020c0d01010101090a1618000008010101011200000016060001010101010101010101010101120016060101090a0b01010101090a00080101120f0101120b010104150f000101010101010101010101010101010101010101070801010101090a1606010102030b0101010101090a16000101010101010101010101010101010101010101040506010101090a1606010101120f0101010101120008000101010101010101010101010101010101010101020c0d010101090a160601010112160601010e000b010100010101010101010101010101010101010101010101120b010101090a16060101090a16060101010112170d000101010101010101010101010101010101010101010e0f01010101071606010104150f010e0b01010415080001010101010101010101010101010101010101010104050601010102030b0104151311010e13110107000b000101010101010101010101010101010101010101010910110101010101120000131101010e140a00000801000101010101010101010101010101010101010101010107080101010101010101010101010101010101010100010101010101010101010101010101010101010101010e0f010101010101010101010101010101010101010001010101010101010101010101010101010101010101020c0d0101010101010101010101010101010101010001010101010101010101010101010101010101010101090a0b0101010101010101010101010101010101010001010101010101010101010101010101010101010101010708010101010101010101010101010101010101000101010101010101010101010101010101010101010101040506010101010101010101010101010101010100010101010101010101010101010101010101010101010102030000000000000000000000000000000000000001010101010101010101010101010101010101010101010101010101010101010101010101010101010101000101010101010101010101010101010101010101010101010101010101010101010101010101010101010100010101010101010101010101010101010101010101010101010101010101010101010101010101010101010001010101010101010101010101010101010101010101010101010101010101010101010101010101010101004c0000006400000000000000000000002a0000001a00000000000000000000002b0000001b0000002900aa0000000000000000000000803f00000000000000000000803f0000000000000000000000000000000000000000000000000000000000000000220000000c000000ffffffff460000001c00000010000000454d462b024000000c000000000000000e000000140000000000000010000000140000000400000003010800050000000b0200000000050000000c021b002b00030000001e0004000000070104000400000007010400ab020000410b2000cc001b002b00000000001b002b0000000000280000002b0000001b00000001000800000000000000000000000000000000001c0000000000000000000000ffffff00bfffff00000074009cdfff009c484800ffffdf00489cdf00df9c4800dfffff0000489c00ffbf740074007400ffffbf0074bfff00bf74000048489c00ffdf9c000074bf0048000000dfbf7400000048009c48000074000000489cbf009cbf9c0048484800740048000101010101010101010101010101010101041b0d010101010101010101010101010101010101010101010100010101010101010101010101010101010112000b0101010101010101010101010101010101010101010101000101010101010101010101010101010104151a0f010101010101010101010101010101010101010101010100010101010101010101010101010101011213190506010101010102030f01010101010101010101010101010001010101010101010101010101010104150f0910110101010101090a0f0101010101010101010101010101000101010101010101010101010101011213110107080101010101090a16060101010101010101010101010100010101010101010101010101010102030f01010e0f0101010101090a16060101010101010101010101010100010101010101010101010101070b0713110101020c0d01010101090a1618000008010101011200000016060001010101010101010101010101120016060101090a0b01010101090a00080101120f0101120b010104150f000101010101010101010101010101010101010101070801010101090a1606010102030b0101010101090a16000101010101010101010101010101010101010101040506010101090a1606010101120f0101010101120008000101010101010101010101010101010101010101020c0d010101090a160601010112160601010e000b010100010101010101010101010101010101010101010101120b010101090a16060101090a16060101010112170d000101010101010101010101010101010101010101010e0f01010101071606010104150f010e0b01010415080001010101010101010101010101010101010101010104050601010102030b0104151311010e13110107000b000101010101010101010101010101010101010101010910110101010101120000131101010e140a00000801000101010101010101010101010101010101010101010107080101010101010101010101010101010101010100010101010101010101010101010101010101010101010e0f010101010101010101010101010101010101010001010101010101010101010101010101010101010101020c0d0101010101010101010101010101010101010001010101010101010101010101010101010101010101090a0b0101010101010101010101010101010101010001010101010101010101010101010101010101010101010708010101010101010101010101010101010101000101010101010101010101010101010101010101010101040506010101010101010101010101010101010100010101010101010101010101010101010101010101010102030000000000000000000000000000000000000001010101010101010101010101010101010101010101010101010101010101010101010101010101010101000101010101010101010101010101010101010101010101010101010101010101010101010101010101010100010101010101010101010101010101010101010101010101010101010101010101010101010101010101010001010101010101010101010101010101010101010101010101010101010101010101010101010101010101000c00000040092900aa000000000000001b002b0000000000040000002701ffff030000000000 >>1,8, то K>1> принимается равным единице. Защита предусматривается для коаксиальных кабелей, проложенных на любых направлениях, для малогабаритных коаксиальных с размерами 1,2/4,6, и симметричных, уплотненных многоканальными системами, проложенных на основных направлениях, если ожидаемое расчетное число повреждений кабеля на 100 км трассы в год равно или более 0,2. Для симметричных уплотненных и малогабаритных коаксиальных кабелей(1,2/4,6) , проложенных на обходных направлениях, при вероятном числе повреждений, равном или более 0,3 на 100 км трассы в год. Симметричные одночетверочные кабели всех типов защищаются только в процессе эксплуатации на участках, где уже имели место повреждения от ударов молнии. На существующих междугородных кабельных линиях защита производится на тех участках трассы, которое подвергались повреждениям от удара молнии.
Для защиты кабеля от удара молнии применяются различные способы, основными из которых являются:
выбор трассы с наименьшим ожидаемым числом повреждений;
применении кабелей с меньшим сопротивлением оболочки;
прокладка специальных защитных проводов или тросов;
оборудование существующих воздушных линий, проходящих вблизи кабеля, искровыми разрядниками с выносным заземлениями;
включение малогабаритных разрядников между жилами и оболочкой, устанавливаемых в специальных муфтах.
Защита с помощью медных, биметаллических проводов или стальных тросов осуществляется путем их прокладки выше кабеля на глубине, равной половине его глубины залегания, но не менее 0,4 м. Защитное действие проложенных проводов или тросов характеризуется коэффициентом тока, показывающим отношение тока молнии в оболочке кабеля при наличии троса к току при отсутствии троса. Количество защитных проводов или тросов определяется расчетным путем. Первоначально выбирается один защитный провод или трос. Для оценки эффективности его действия подсчитывается коэффициент n,по величине которого при помощи графиков и по формулам определяется вероятное число повреждений кабеля после прокладки троса провода, при этом вместо сопротивления оболочки и брони кабеля R>об> берется величина R=η R>об>. Если полученная величина больше допустимой, то берутся два троса, после чего опять находится вероятное число повреждений и т.д.
Коэффициент тока рассчитывается при этом медном или биметаллическом проводе (тросе).
η=
;
при двух медных или биметаллических проводах (тросах)
η=
,
где r>кт> –расстояние от троса до кабеля;
d>т >– диаметр троса;
d>к >– диаметр кабеля;
r>тт >– расстояние между тросами;
По концам кабельного участка защитные тросы отводятся на 15-30 м в сторону от трассы, а при этом невозможности отвода заземляются так, чтобы сопротивление заземления не превышало 10 Ом. Расстояние между кабелем воздушной линией должно быть не более 1,5 высоты опор. Через расстояния, определяемые расчетом на опорах линии оборудуются искровые разрядники с зазором 20-30 мм. Для защиты кабеля, проходящего вблизи дерева, а также от отводов токов молнии, попавших в дерево, вокруг последнего прокладывают заземленный защитный трос. Одним из способов защиты кабеля от грозового электричества и высоковольтных линий передач является применении кабелей с повышенной проводимостью оболочки. Наилучший эффект дает уменьшения сопротивления оболочки путем замены свинца алюминием. Одним из недостатков кабеля в алюминиевой оболочке является необходимость защиты алюминия от коррозии. Для предохранения алюминиевой оболочки от разрушения коррозией на кабель накладывают антикоррозийные покрытия. С этой целью обычно алюминиевая на всем протяжении трасы покрывается шлангом из поливинилхлорида или полиэтилена. Такая пластмассовая оболочка на специальный подклеивающий слой, обеспечивающий хорошее сцепление пластмассового шланга с алюминием. Защита линий связи от влияния радиостанций может достигаться выбором трассы линии с таким расчетом, чтобы помехи не достигали ощутимых значений, выбором специального типа кабеля, металлическая оболочка которого обеспечивает достаточное экранирование цепей (например, алюминиевые оболочки), оборудованием заземления и таким соединением оболочек, при котором достигается наиболее эффективное использование экранирующих свойств оболочек кабеля. Кроме того, можно применить повышение уровня передачи, нос таким расчетом, чтобы это заметно не увеличивало взаимного влияния между цепями. Возможно также применение сжимателей–расширителей. Последние мероприятия осуществляются непосредственно на станции. Надежной защитой от опасных и мешающих влияний линий электропередач и электрифицированных железных дорог является удаление цепей связи на расстояния, при которых влияния не превышают допустимых значений. Для защиты сооружений связи и обслуживающего персонала от опасных напряжений применяют разрядники, которые включают между проводами и землей, а для защиты от опасных токов применяют предохранители. Разрядники разделяются на газонаполненные, угольные, вилитовые и искровые. Газонаполненный разрядник типа Р-350- двухэлектродный. Состоит из стеклянной трубки диаметром 19 мм и длиной 62 мм, внутри которой помещены два электрода (никелевых или стальных) в виде полусферических чашек, входящих друг в друга, активизированных окисью бария, способствующего увеличению мощности разрядника. Стеклянный баллон наполнен аргоном.
Газонаполненный разрядник типа Р-350 – трехэлектродный
Он заменяет два двухэлектродных, что является его преимуществом, кроме того, при установке трехэлектродных разрядников значительно уменьшается опасность возникновения так называемого акустического удара. Явление акустического удара состоит в том, что при появлении на обоих проводах телефонной цепи постороннего напряжения разрядники срабатывают обычно с некоторым опозданием относительно друг друга, так как практически трудно подобрать для обоих проводов разрядники с точно одинаковым напряжением зажигания. Поэтому наведенная энергия на проводе с несработавшим разрядником отводится в землю через телефон и сработавший разрядник второго провода. В телефоне возникает сильный треск, то есть акустический удар, который может вызывать болевое ощущение у слушающего. Сила акустического удара при работе трехэлектродного разрядника в 7-12 раз меньше, чем при работе двухэлектродного разрядника.
На цепях с дистанционным питанием устанавливаются вилитовые разрядники типов РВ-500 и РВ-1000. Вилитовые разрядники состоят из двух латунных дисков, между которыми образуется искровой промежуток. Между дисками находится слюдяная прокладка. Вилитовый диск изготавливается из смеси порошкообразного корборунда. Жидкого стекла и мела.
На сетях городской и внутризоновой связи применяются угольные разрядники типа УР-500, номинальное напряжение зажигания которых равно 500 В. Угольный разрядник состоит из двух угольных колодок с изолирующей прокладкой. Качество угольных разрядников значительно уступает газонаполненным за счет нестабильности характеристик. Поэтому эти разрядники применяются на цепях местной связи.
Для защиты от высоковольтных линий применяются двух- и трехэлектродные бариевые разрядников типа РБ-280 и ЗРБ-350 на напряжение 280 и 350 В. Эти разрядники выдерживают большой разрядный ток в течение длительного времени. Для защиты от перенапряжений в схемах усилителей от перенапряжений в схемах усилителей применяются малогабаритные разрядники Р-4. Они состоят из двух стальных электродов, покрытых вольфрамом, заключенных в стеклянный баллон, наполненный аргоном. Для повышения надежности защиты и сохранения газонаполненных разрядников от разрушения перед последним устанавливают искровые разрядники, которые монтируют на держателях газонаполненных разрядников. Пробивное напряжение разрядников зависит от величины искрового промежутка. Для защиты станционной аппаратуры и разрядников от опасных токов, возникающих при случайных соприкосновения провода связи с проводом линии сильного тока, применяются предохранители на номинальный ток 1 и 0,15 А типа СН- спиральные с ножевыми наконечниками- или типа СК- с коническим наконечниками. Предохранители на 1 А включаются со стороны линии и защищают аппаратуру и разрядники от разрушений при токах, протекающих через них длительное время, а также касаниях с высоковольтными проводами, напряжение на которых превышает напряжение зажигания разрядника. Для обеспечения бесперебойной работы цепей связи эти предохранители не должны перегорать при срабатывании разрядников во время грозовых разрядников. Предохранители на 0,15 А устанавливаются со стороны станции на проводах линий связи для защиты аппаратуры от опасных токов напряжением ниже зажигания разрядников: например, при сообщении провода линии связи с проводами силовой распределительной сети, при замыкании провода на землю. На городских телефонных станциях в качестве предохранителей применяются термические катушки ТК-0,15 (предохранитель на номинальный ток 0,15 А). Термическая катушка состоит из корпуса, внутри которого помещен латунный стержень с обмоткой. Один конец обмотки соединен с корпусом, а другой – при помощи легкоплавкого сплава со стержнем. Если через обмотку в течение 10÷15 с проходит ток больше номинального, то легкоплавкий металл плавиться при помощи пружины латунный штифт выдергивается, в результате чего цепь тока через обмотку прерывается.
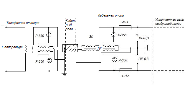
Приборы защиты включаются в линии связи по определенным схемам. Аппаратура междугородных телефонных станций и усилительных пунктов на воздушных линиях защищаются по схемам:
1.
2.
3.

4.

Рис. № 1. Схемы защиты междугородних телефонных станций при:
1. воздушном вводе неуплотненной цепи; 2. кабельном вводе неуплотненной цепи; 3. Воздушном вводе уплотненной цепи; 4 кабельном вводе уплотненной цепи
Защита аппаратуры телефонных станций и усилительных пунктов при дистанционном питании осуществляется по тем же схемам, только в этом случае разрядники Р-350 заменяются разрядниками РВ-500. При наличии опасных влияний со стороны линий электропередачи вместо разрядников Р-350 устанавливаются мощные разрядники РБ-280, ЗРБ-350 и предохранители типа ПН. На схемах показанных на рис. №1, используются дополнительные приборы защиты: ДК- дренажная катушка и ЗК- запирающая катушка. Вследствие различия в характеристиках разрядников при их срабатывании неизбежно появляются уравнительные токи. Два разрядника, одновременно действующие в цепи, замыкают цепь почти накоротко. Это искажает сигналы тонального телеграфа, создает трески и шумы в телефонных каналах. Указанные помехи резко снижают при включении в линию дренажной катушки ДК, состоящей из двух одинаковых обмоток, помещенных на кольцевом сердечнике. При срабатывании одного разрядника в одной половине дренажной катушки возникает ток, магнитное поле которого, воздействуя на вторую половину обмотки катушки, создает в ней ЭДС одинакового знака с наведенным напряжением на проводе. Увеличение напряжения способствует ускорению срабатывания второго разрядника. В результате уравнительный ток, проходящий через аппаратуру станции, резко уменьшается. При одновременном действии в цепи обоих разрядников и наличии дренажной катушки рабочие токи не имеют такого заметного затухания, как при её отсутствии. Запирающие катушки ЗК устанавливаются для снижения помех в высоких каналах от внешних электромагнитных полей и уменьшения влияний через третьи цепи. Эти катушки имеют одинаковые обмотки, заключенных в металлический экран. При соответствующем включении обмоток ЗК создается значительное затухание для токов помех, протекающих по обоим проводам в одном направлении, особенно при высоких частотах. Для рабочих токов, протекающих по обоим проводам в разных направлениях, катушка имеет незначительное затухание. При прямых ударах молнии в воздушную линию связи в проводах появляются очень большие напряжения - до 1100÷1200 кВ. Схемы защиты с одним разрядником не могут обеспечить надежную защиту аппаратуры связи от таких больших напряжений. В целях снижения величины опасных напряжений применяются дополнительная, так называемая каскадная (ступенчатая) защита. При такой защите через определенные расстояния на подходе воздушной линии к защищаемому сооружению подключаются искровые разрядники.
Рис. № 2. Схема каскадной защиты воздушной линии
На схеме (Рис.№ 2) искровые разрядники обозначены: ИР-7, ИР-10 и т.д., цифра указывает величину воздушного промежутка между электродами. При появлении перед искровыми разрядниками электромагнитной волны с большой амплитудой срабатывает первый искровой разрядник ИР-20 и затем в зависимости от амплитуды волны - последующие разрядники, что значительно уменьшает амплитуду падающей волны. Схемы и приборы защиты , включаемые в цепи подземных междугородних кабелей связи, предназначаются для защиты аппаратуры от опасных напряжений и токов, возникающих в результате влияния грозового электричества и линий сильного тока, а также для уменьшения помех в каналах связи, возникающих как непосредственно в цепях связи, так и через цепи дистанционного питания. Если электрическая прочность изоляции аппаратура выше электрической прочности изоляции жил кабеля, то в этом случае обычно аппаратура не защищается от опасных влияний, так как при перенапряжениях сначала пробьется изоляция жил кабеля, после чего напряжение снизится и таким образом аппаратура окажется защищенной. Количество звеньев защитных фильтров берется различным в зависимости от величины наводимой ЭДС. В некоторых схемах дополнительно к защитным фильтрам применяются резонансные контуры, рассчитанные на подавление токов определенных частот.
Включаемые в цепь дистанционного питания фильтры Д-8 с частотой среза 8 кГц позволяют организовать по искусственным цепям канал тональной частоты и, кроме того, они препятствуют возникновению нежелательных связей между высокочастотными цепями через цепи дистанционного питания, включенные параллельно через землю. Для снижения мешающих напряжений и токов в цепях связи применяются соответствующие меры, как на линиях электропередачи, так и на линиях связи. Для уменьшения остаточных составляющих напряжения и тока в трехфазных линиях электропередачи применяют транспозицию проводов, то есть меняют их местами. Транспозиция выполняется так, чтобы каждый провод линии электропередачи на определенной длине последовательно занимал все три возможных места на линии. Таким образом, транспозиция по своему действию аналогично скрещиванию цепей воздушных линий связи. Магнитное влияние контактной сети электрифицированной железной дороги переменного тока уменьшается с помощью отсасывающих трансформаторов. Первичная обмотка трансформатора включается последовательно в контактный провод , вторичная обмотка – либо в отдельный, обратный, провод, подмешанный на опорах контактной сети, либо последовательно в рельсы. Ток контактной сети, протекая по первичной обмотке, индуктирует во вторичной почти противоположно направленный ток. Благодаря этому ток, возникающий в обратном проводе, индуктирует в подверженных влиянию цепей связи токи противоположного знака, и тем самым результирующие влияние снижается. При включении вторичной обмотки в рельсах значительно увеличивается ток, что приводит к увеличению защитного действия рельсов. Для сглаживания пульсаций напряжения на дорогах постоянного тока используются реакторы с резонансными контурами. Одной из мер защиты от опасного и мешающего влияний линий высокого напряжения является экранирование цепей связи. При рассмотрении влияний от высоковольтных линий принято под коэффициентом экранирования или, как его часто называют ЭДС, индуктируемой в проводе связи при наличии экрана, к продольной ЭДС, индуктируемой при его отсутствии. Коэффициент защитного действия всегда меньше единице, причем, чем он меньше, тем выше экранирующее действие. Практически роль экранов при влиянии от высоковольтных линий могут выполнять тросы и провода, подвешенные на линии электропередачи или линии связи, металлические оболочки кабелей, рельсы железных дорог, металлические трубопроводы и т.п.
Процесс экранирования в области низких частот можно представить в виде векторной диаграммы, рис № 3.

Допустим, что I>1>- это вектор влияющего тока, под действием которого в экранирующем проводе и проводе линии связи индуктируется ЭДС Е>э> и Е>1>, которые отстают от тока по фазе на 900. Электродвижущая сила Е>э>,> >наводимая в экране, создает в нем ток I>э>, который отстает от Е>э> на некоторый угол φ. Ток I>э>, в свою очередь, наводит в линии связи электродвижущую силу Е>2>. Результирующая ЭДС в проводе связи Е определяется геометрической суммой ЭДС Е>1 >и Е>2>. Из диаграммы видно, что чем меньше Е, тем больше угол φ приближается к прямому. Угол φ зависит от соотношения индуктивного и активного сопротивлений экрана:
tg=0100090000037e06000000003804000000003804000026060f006608574d4643010000000000010070f70000000001000000440800000000000044080000010000006c0000000000000000000000180000001f00000000000000000000008e0200004503000020454d4600000100440800000c00000001000000000000000000000000000000900600001a040000b801000013010000000000000000000000000000c0b6060038320400460000002c00000020000000454d462b014001001c000000100000000210c0db01000000600000006000000046000000880200007c020000454d462b224004000c000000000000001e4009000c00000000000000244001000c000000000000003040020010000000040000000000803f214007000c0000000000000008400005d4010000c80100000210c0db01000000000000000000000000000000000000000100000089504e470d0a1a0a0000000d494844520000001900000020080200000068fe4451000000017352474200aece1ce9000000097048597300000ec400000ec401952b0e1b0000015049444154484bed5531128230103c7809333614fcc2067a7fe017e037f2037b69187c84850d637e1273494e9223981434ce78159acde67603b799941276aa7c271ea449e0127d93e96a7af1fd64a5315e530b505f5e1160425fb697ea5044fcb05ca8a3bb13f6dec5f50028149555affa7e5d6a68275f80ff1f6ae40807af96d10190d23ee19ab307c93e166d7021864a1d9583981f5b3e0ccfe0c529438c1fc5f9a6bbb39c3914870a86ebf8d9f598f1518cd701ea3264b75a026f01b11a4ad24c6fed8472e8d958e22ab14b289e0954c0ec77bfa1e42f36fdbd8f53eec9153f2d1df1bfc774af10b9e73dfe1497337d93f2876c0d668b3b54d3320869c27e89e7509f8e661016250de27558b07b0ef5c5c6fe3a369c8870f6ebb9caca1ba45efcac67a9bb35a0518f6f1dd2b8d58c7f5b2c2cf8ab1cec8ac24cf7b10e462fef1602ae91545836f373e992e78ad7c91baf174ed2dc38e1ad0000000049454e44ae426082000840010824000000180000000210c0db01000000030000000000000000000000000000001b40000040000000340000000100000002000000000000bf000000bf0000c8410000004203000000000000b3000000b3ffffc741000000b3000000b3ffffff412100000008000000620000000c00000001000000150000000c00000004000000150000000c0000000400000051000000580400000000000000000000180000001f0000000000000000000000000000000000000019000000200000005000000088000000d800000080030000000000002000cc0019000000200000002800000019000000200000000100080000000000000000000000000000000000180000000000000000000000ffffff009cdfff00000048009c480000ffffdf0074bfff0048000000ffdf9c0074000000ffffbf00489cdf00bf740000bfffff0048007400df9c4800dfffff0000489c00ffbf7400480048000000740048489c0074bfbf000074bf0001010101010b000708010b000f010b00000012010101010101000048010101010110110f0110110c01010101010213080101010101ffffff0101010101010b040502130801010101011011120101010101ffffff01010101010102030000090a0101010b0000001201010101010000ac0101010101010d141201020312010101010d0e080101010101dfff9c01010101010101170f01010b0405060000000f010101010101ffffff010101010101010b0405011704050101010101010101010101ffffff0101010101010d140000000708010101010101010101010101ffffff0101010101010101010101010101010101010101010101010100ffff01010101010101010101010101010101010101010101010101ffffff01010101010101010101010101010101010101010101010101ffffff01010101010101010101010101010101010101010101010101ffffff01010101010101010101010101010101010101010101010101ffffff010101010101010101010101010101010101010101010101010000df01010101010101010101010101010101010101010101010101ffffff00000000000000000000000000000000000000000000000000bfffff01010101010101010101010101010101010101010101010101ffffff01010101010101010101010101010101010101010101010101ff484801010101010101010101010101010101010101010101010101ffffff01010101010101010101010101010101010101010101010101ffffff01010101010101010101010101010101010101010101010101ffffff0106000009160000090a0102030000000007080b00000012010101010d140f01060708101104050106090a01101508010101021308ffffff0213080106090a010b090a0106090a01010b12010101101112ffffff0d0e080106090a010b04050106090a01010101010b00000012ffffff010b0c01010101101112010106090a010101010101010d0e0800000001010b0c01010d0e0801010106090a01010101060000000f0100000001010101010101010101010106090a01010101010101010101ffffff01010101010101010101010106070801010101010101010101ffffff01010101010101010101010203000405010101010101010101ffffff01010101010101010101010101010101010101010101010101ffffff01010101010101010101010101010101010101010101010101ffffff4c000000640000000000000000000000180000001f000000000000000000000019000000200000002900aa0000000000000000000000803f00000000000000000000803f0000000000000000000000000000000000000000000000000000000000000000220000000c000000ffffffff460000001c00000010000000454d462b024000000c000000000000000e000000140000000000000010000000140000000400000003010800050000000b0200000000050000000c0220001900030000001e000400000007010400040000000701040011020000410b2000cc00200019000000000020001900000000002800000019000000200000000100080000000000000000000000000000000000180000000000000000000000ffffff009cdfff00000048009c480000ffffdf0074bfff0048000000ffdf9c0074000000ffffbf00489cdf00bf740000bfffff0048007400df9c4800dfffff0000489c00ffbf7400480048000000740048489c0074bfbf000074bf0001010101010b000708010b000f010b00000012010101010101000048010101010110110f0110110c01010101010213080101010101ffffff0101010101010b040502130801010101011011120101010101ffffff01010101010102030000090a0101010b0000001201010101010000ac0101010101010d141201020312010101010d0e080101010101dfff9c01010101010101170f01010b0405060000000f010101010101ffffff010101010101010b0405011704050101010101010101010101ffffff0101010101010d140000000708010101010101010101010101ffffff0101010101010101010101010101010101010101010101010100ffff01010101010101010101010101010101010101010101010101ffffff01010101010101010101010101010101010101010101010101ffffff01010101010101010101010101010101010101010101010101ffffff01010101010101010101010101010101010101010101010101ffffff010101010101010101010101010101010101010101010101010000df01010101010101010101010101010101010101010101010101ffffff00000000000000000000000000000000000000000000000000bfffff01010101010101010101010101010101010101010101010101ffffff01010101010101010101010101010101010101010101010101ff484801010101010101010101010101010101010101010101010101ffffff01010101010101010101010101010101010101010101010101ffffff01010101010101010101010101010101010101010101010101ffffff0106000009160000090a0102030000000007080b00000012010101010d140f01060708101104050106090a01101508010101021308ffffff0213080106090a010b090a0106090a01010b12010101101112ffffff0d0e080106090a010b04050106090a01010101010b00000012ffffff010b0c01010101101112010106090a010101010101010d0e0800000001010b0c01010d0e0801010106090a01010101060000000f0100000001010101010101010101010106090a01010101010101010101ffffff01010101010101010101010106070801010101010101010101ffffff01010101010101010101010203000405010101010101010101ffffff01010101010101010101010101010101010101010101010101ffffff01010101010101010101010101010101010101010101010101ffffff0c00000040092900aa000000000000002000190000000000040000002701ffff030000000000 .
Из данного уравнения следует, что чем меньше сопротивление экранирующего провода и больше его индуктивность, тем больше защитный эффект, т.е. тем больше снижается ЭДС, наводимая в проводе линии связи. При этом коэффициент экранирования уменьшается. Например, защитное действие медного троса при одинаковых размерах больше стального, алюминиевая оболочка кабеля обладает большим защитным действием по сравнению со свинцовой, стальная броня кабеля, в особенности ленточная, улучшает коэффициент экранирования за счет увеличения индуктивности оболочки по сравнению с голым освинцованным кабелем того же размера.
В общем случае при наличии нескольких экранирующих цепей, удаленных друг от друга , коэффициент экранирования определится:
S=S>т>S>o>S>p>,
где S>т>- коэффициент экранирования заземленного троса;
S>o> – коэффициент экранирования оболочки кабеля;
S>p> – коэффициент экранирования рельсов железнодорожных путей.
Защитное действие экрана в значительной степени зависит от сопротивления заземления экранирующего провода. Чем больше экранирующие провода заземлены, тем протекающий по ним ток и тем выше их защитное действие. Наибольшее экранирование получается при идеальном заземлении (сопротивление заземления равно нулю). Коэффициент экранирования в этом случае называется идеальным. В реальных условиях обеспечить сопротивление заземления равным нулю невозможно. Поэтому действительный или, как его называют, реальный коэффициент экранирования (защитное действия) всегда несколько больше идеального значения. Численные значения коэффициентов экранирования приводится в справочных пособиях.
При устройстве заземлений алюминиевых оболочек кабеля следует особо тщательно выполнить меры предосторожности, исключающие повреждение изолирующего защитного шланга.
Идеальный коэффициент экранирования (защитного действия) металлических оболочек кабеля можно определить по формуле :
S=0100090000039e0c000000008807000000008807000026060f00060f574d464301000000000001003ceb0000000001000000e40e000000000000e40e0000010000006c0000000000000000000000450000001f0000000000000000000000280700004503000020454d4600000100e40e00000c00000001000000000000000000000000000000900600001a040000b801000013010000000000000000000000000000c0b6060038320400460000002c00000020000000454d462b014001001c000000100000000210c0db01000000600000006000000046000000880300007c030000454d462b224004000c000000000000001e4009000c00000000000000244001000c000000000000003040020010000000040000000000803f214007000c0000000000000008400005d4020000c80200000210c0db01000000000000000000000000000000000000000100000089504e470d0a1a0a0000000d494844520000004600000020080200000020e19994000000017352474200aece1ce9000000097048597300000ec400000ec401952b0e1b00000250494441545847ed583d6ec23014767a92485d187a082a9620566ed02e55d7200e016bb7e4065d2bb154e4100c2c28be49eabfe73c270e711c4bb4349e1afbd9fe3ebfcfaff88baaaa22f7d51eee8b0e67339a12cd9791d93685ef31159bc87f72bd2913ded8764c09498f7295324b0849b272c09a628a68b0c880c996d0d1596a64245eac01a01861071f45cb9c76268ee66fe7ad02b69bfbe617cf0b4da9f8783d24eb45acf6a097133bfced8bfa462a0585d1f3d32a06f15ee3eece765c92c56c2e3c680ded604d8a3835aeff2cb394352954de394cb356f024102509559043acf835d19f6cb0060c1f4684f1e10d2cacf0e6ef8cc3fe598beafbf390ae825c1077d9915059d2e72f550849337464139e28912a2a4c92aad194740906f4aac37a29ea5b8786eb221ea68a47d30fa2219abe516cd8f2702312e6b613a55f9186ff0762aa787f21e7537998b27493139884d73cf6400648986c0298d6bb942ddff7b4f43240d02bc2e575073fda7b2d961618f5b8c0fbf5bd9759ec957d023d7aa4d7d477b622aa0946dd257aae4d9078863c9e3006885ca56196309da01e16628e3348e4e9117c19214d47305a788aacc82310f730403ab2d4e8b64519de04f65e944e5dc108e1a177a5e1860c3040b04b64f38bd8782d1044a8eb9ddee6ec0c860b8f32d743aa962f74ba508f0234dfa9b334b068afb1f8da27336dee219705299e2b0d9a80041368beb9e26db6c19af7d0909d34b19ace5b8f0162159eea2cb38c7b637566d076c6ceb834e8055dc110101d726970151f6c807452c2ff1cf4aa49766c3be2c63de04980c2e706e607357ab0e83627ba250000000049454e44ae426082000840010824000000180000000210c0db01000000030000000000000000000000000000001b40000040000000340000000100000002000000000000bf000000bf00008c420000004203000000000000b3000000b3ffff8b42000000b3000000b3ffffff412100000008000000620000000c00000001000000150000000c00000004000000150000000c0000000400000051000000f80900000000000000000000450000001f00000000000000000000000000000000000000460000002000000050000000a8000000f800000000090000000000002000cc0046000000200000002800000046000000200000000100080000000000000000000000000000000000200000000000000000000000ffffff009cdfff0000004800bf740000bfffff0074007400ffffbf0074bfff0074000000df9c4800dfffff0000489c00000074009c480000ffffdf0074489c0048000000ffdf9c00ffbf7400bf747400489cdf0074747400df9c740048007400740048009c4874000074bf009c484800480048009c9cdf00bf9c4800150011120115000a0101080000111201010203000013010101010b0c13010101010b0c000a01011b00001f0c0000130101150000000011120108000011120101020300001301ffff0b0c0a010b0c040101050d13010809070b0c0a010219070101010b0c13010101010b0c131e07021d120b0c0401020313010b0c0a010b0c13050d13010809070b0c0a01021907ffff01150e0f021d120101080e0f01051812021907010b0c130101010b0c1301010101011b0a010102190701080e0f011b040101150e0f010217080e0f01051812021907010b0c13ffff010203000009070101080e0f01051812021907010b0c13050d000000000000130101080401010b0c1301021d120115040101021907010101080e0f01051812021907010b0c13bf7401050d130102031301050d1301080907021617010811120101010b0c1301010101010219070101021907010101011b0a0101050d13010101050d130108090702161701081112480001011b0a0101150e0f0102030000130105141500000a010101010b0c13010101010b0c11120101010518120101021c0f0101011b040101010102030000130105141500000a0100000101150e0f011b0e0f010101010101010b1007010101010101010b0c1301010101010101010101010101010101010101010101150e0f0101010101010101010b100701010101ffff01050d0000001112010101010101010101020300090701010101010101010101010101150e0f010101010101010101010101050d000401010101010101010101020300090701ffff01010101010101010101010101010101010101010506070101010101010101010101010101010101010101010101010101010101010101010101010101010101010101050607ffff01010101010101010101010101010101010101010101010101010101010101010101010101010101010101010101010101010101010101010101010101010101010101010101ffff01010101010101010101010101010101010101010101010101010101010101010101010101010101010101010101010101010101010101010101010101010101010101010101ffff01010101010101010101010101010101010101010101010101010101010101010101010101010101010101010101010101010101010101010101010101010101010101010101ffff01010101010101010101010101010101010101010101010101010101010101010101010101010101010101010101010101010101010101010101010101010101010101010101ffff01010101010101010101010101010101010101010101010101010101010101010101010101010101010101010101010101010101010101010101010101010101010101010101ffff01010101010101010101010101010101010101010101010101010101010101010101010101010101010101010101010101010101010101010101010101010101010101010101ffff00000000000000000000000000000000000000000000000000000000000000000000000000000000000000000000000000000000000000000000000000000000000000000000000001010101010101010101010101010101010101010101010101010101010101010101010101010101010101010101010101010101010101010101010101010101010101010101ffff01010101010101010101010101010101010101010101010101010101010101010101010101010101010101010101010101010101010101010101010101010101010101010101ffff01010101010101010101010101010101010101010101010101010101010101010101010101010101010101010101010101010101010101010101010101010101010101010101ffff01010101010101010101010101010101010101010101010101010101010101010101010101010101010101010101010101010101010101010101010101010101010101010101ffff01010101010101010101010101010101010101010101010101010101010101010101010101010101010101010101010101010101010101010101010101010101010101010101ffff0101010101010101010101010101010101010101010203000e0f0115000e0f010101010108000011120101020300001301010101010101010101010101010101010101010101ffff0101010101010101010101010101010101010101010108111201050d0907051a0f0101050d13010809070b0c0a010219070101010101010101010101010101010101010101019cdf0101010101010101010101010101010101010101010108090701150013010b0c130101080e0f01051812021907010b0c13010101010101010101010101010101010101010101ffdf01010101010101010101010101010101010101010101080907050d0401010115040101080e0f01051812021907010b0c13010101010101010101010101010101010101010101ff480101010101010101010101010101010101010101010108000000040101010108090701050d130108090702161701081112010101010101010101010101010101010101010101ffff01010101010101010101010101010101010101010101080907010811120101020313010102030000130105141500000a01010101010101010101010101010101010101010101ffff01010101010101010101010101010101010101010101080907010b0c0a0101050d0e0f010101010101010b100701010101010101010101010101010101010101010101010101ff74010101010101010101010101010101010101010101010809070102030a0101010101010101010101010101020300090701010101010101010101010101010101010101010101ffff01010101010101010101010101010101010101010102030000000004010101010101010101010101010101010101050607010101010101010101010101010101010101010101ffff01010101010101010101010101010101010101010101010101010101010101010101010101010101010101010101010101010101010101010101010101010101010101010101ffff01010101010101010101010101010101010101010101010101010101010101010101010101010101010101010101010101010101010101010101010101010101010101010101ffff4c000000640000000000000000000000450000001f000000000000000000000046000000200000002900aa0000000000000000000000803f00000000000000000000803f0000000000000000000000000000000000000000000000000000000000000000220000000c000000ffffffff460000001c00000010000000454d462b024000000c000000000000000e000000140000000000000010000000140000000400000003010800050000000b0200000000050000000c0220004600030000001e0004000000070104000400000007010400e1040000410b2000cc00200046000000000020004600000000002800000046000000200000000100080000000000000000000000000000000000200000000000000000000000ffffff009cdfff0000004800bf740000bfffff0074007400ffffbf0074bfff0074000000df9c4800dfffff0000489c00000074009c480000ffffdf0074489c0048000000ffdf9c00ffbf7400bf747400489cdf0074747400df9c740048007400740048009c4874000074bf009c484800480048009c9cdf00bf9c4800150011120115000a0101080000111201010203000013010101010b0c13010101010b0c000a01011b00001f0c0000130101150000000011120108000011120101020300001301ffff0b0c0a010b0c040101050d13010809070b0c0a010219070101010b0c13010101010b0c131e07021d120b0c0401020313010b0c0a010b0c13050d13010809070b0c0a01021907ffff01150e0f021d120101080e0f01051812021907010b0c130101010b0c1301010101011b0a010102190701080e0f011b040101150e0f010217080e0f01051812021907010b0c13ffff010203000009070101080e0f01051812021907010b0c13050d000000000000130101080401010b0c1301021d120115040101021907010101080e0f01051812021907010b0c13bf7401050d130102031301050d1301080907021617010811120101010b0c1301010101010219070101021907010101011b0a0101050d13010101050d130108090702161701081112480001011b0a0101150e0f0102030000130105141500000a010101010b0c13010101010b0c11120101010518120101021c0f0101011b040101010102030000130105141500000a0100000101150e0f011b0e0f010101010101010b1007010101010101010b0c1301010101010101010101010101010101010101010101150e0f0101010101010101010b100701010101ffff01050d0000001112010101010101010101020300090701010101010101010101010101150e0f010101010101010101010101050d000401010101010101010101020300090701ffff01010101010101010101010101010101010101010506070101010101010101010101010101010101010101010101010101010101010101010101010101010101010101050607ffff01010101010101010101010101010101010101010101010101010101010101010101010101010101010101010101010101010101010101010101010101010101010101010101ffff01010101010101010101010101010101010101010101010101010101010101010101010101010101010101010101010101010101010101010101010101010101010101010101ffff01010101010101010101010101010101010101010101010101010101010101010101010101010101010101010101010101010101010101010101010101010101010101010101ffff01010101010101010101010101010101010101010101010101010101010101010101010101010101010101010101010101010101010101010101010101010101010101010101ffff01010101010101010101010101010101010101010101010101010101010101010101010101010101010101010101010101010101010101010101010101010101010101010101ffff01010101010101010101010101010101010101010101010101010101010101010101010101010101010101010101010101010101010101010101010101010101010101010101ffff00000000000000000000000000000000000000000000000000000000000000000000000000000000000000000000000000000000000000000000000000000000000000000000000001010101010101010101010101010101010101010101010101010101010101010101010101010101010101010101010101010101010101010101010101010101010101010101ffff01010101010101010101010101010101010101010101010101010101010101010101010101010101010101010101010101010101010101010101010101010101010101010101ffff01010101010101010101010101010101010101010101010101010101010101010101010101010101010101010101010101010101010101010101010101010101010101010101ffff01010101010101010101010101010101010101010101010101010101010101010101010101010101010101010101010101010101010101010101010101010101010101010101ffff01010101010101010101010101010101010101010101010101010101010101010101010101010101010101010101010101010101010101010101010101010101010101010101ffff0101010101010101010101010101010101010101010203000e0f0115000e0f010101010108000011120101020300001301010101010101010101010101010101010101010101ffff0101010101010101010101010101010101010101010108111201050d0907051a0f0101050d13010809070b0c0a010219070101010101010101010101010101010101010101019cdf0101010101010101010101010101010101010101010108090701150013010b0c130101080e0f01051812021907010b0c13010101010101010101010101010101010101010101ffdf01010101010101010101010101010101010101010101080907050d0401010115040101080e0f01051812021907010b0c13010101010101010101010101010101010101010101ff480101010101010101010101010101010101010101010108000000040101010108090701050d130108090702161701081112010101010101010101010101010101010101010101ffff01010101010101010101010101010101010101010101080907010811120101020313010102030000130105141500000a01010101010101010101010101010101010101010101ffff01010101010101010101010101010101010101010101080907010b0c0a0101050d0e0f010101010101010b100701010101010101010101010101010101010101010101010101ff74010101010101010101010101010101010101010101010809070102030a0101010101010101010101010101020300090701010101010101010101010101010101010101010101ffff01010101010101010101010101010101010101010102030000000004010101010101010101010101010101010101050607010101010101010101010101010101010101010101ffff01010101010101010101010101010101010101010101010101010101010101010101010101010101010101010101010101010101010101010101010101010101010101010101ffff01010101010101010101010101010101010101010101010101010101010101010101010101010101010101010101010101010101010101010101010101010101010101010101ffff0c00000040092900aa000000000000002000460000000000040000002701ffff030000000000,
где R’>об>- сопротивление оболочки кабеля постоянному току;
R>об>+iωL>об> – полное сопротивление оболочки при переменном токе.
Как следует из формулы, коэффициент экранирования зависит от индуктивности оболочки. Известно, что магнитная проницаемость стали зависит от величины напряженности магнитного поля. Следовательно, и индуктивность стальных оболочек, зависящая от μ, будет изменяться с изменением величины протекающего по оболочке тока, а это, в свою очередь, приводит к изменению коэффициента экранирования. Поэтому коэффициент экранирования стальных оболочек или свинцовых и алюминиевых со стальной броней изменяется с изменением индуктируемой продольной ЭДС. Для уменьшения помех в телефонных цепях от электрических влияний линий электропередачи могут использоваться дренажные катушки ДК. В этом случае они включаются по концам цепи подверженной влиянию. Благодаря заземлению средних точек дренажных катушек индуктированные потенциалы на проводах связи снижаются и мешающие напряжения уменьшаются. Однако такой способ уменьшения влияний не может применяться в тех случаях, когда на телефонных цепях используются искусственные цепи и когда вызов и контрольные измерения осуществляются постоянным током. На цепях, которые не используются для передачи постоянного тока, для уменьшая помех могут применяться разделительных трансформаторов прерывает гальваническую связь между отдельными участками цепи связи, что снижает продольную ЭДС в этой цепи. Эффективной мерой защиты является прокладка кабеля на участках сближения взамен воздушной линии связи. В необходимых случаях могут применятся кабели со специальной оболочкой и броней, обеспечивающие наибольшее защитное действие. Увеличение реального экранирующего действия металлических оболочек кабеля можно достигнуть применением многообмоточного нейтрализующего трансформатора, или редукционных, компенсирующих трансформаторов. Уменьшить влияние в жилах кабеля можно путем выбора таких расстояний между заземлениями, при которых реальный коэффициент экранирования будет минимальным. Для уменьшения влияний через цепи дистанционного питания кабельных линий применяются защитные фильтры. Могут применяться компенсаторы помех, которые работают пот принципу подавления наводимых посторонних напряжений в жилах кабеля дополнительными напряжениями и токами, имеющие обратное направление индуктированным током. Для защиты от мешающего действия земных токов при магнитных бурях используют компенсаторы земных потенциалов. Эффективной мерой защитой является применение двухпроводных цепей вместо однопроводных, например передача дистанционного питания по системе «провод-провод» вместо системы «провод-земля».
Литература
1. Гроднев И.И., Курбатов Н.Д. Линейные сооружения связи. Учебник для вузов. Изд. 3-е, дополнительное и переработанное. М., «Связь», 1974.
2. А.С. Брискер, М.А. Восс, О.В. Назарьев, А.В. Ножилов, Ю.А. Парфенов, А.Д. Руга. Эксплуатация линейных сооружений городских телефонных сетей/ БрискерА.С., Восс М.А., Назарьев О.В. и др.- М.:Радио и связь, 1981.-240 с., ил.
3. Полонский П.А. Монтаж линейно-кабельных сооружений городских телефонных сетей: Учебник для средн. Проф.-техн. Училищ.-2-е изд., перераб. и доп.- М.: Высш. школа, 1983, 271 с., ил.