Методика расчета схем амплитудных ограничителей
1. Аналитический обзор
1.1 Некоторые сведения о работе амплитудных ограничителей
Под воздействием помех амплитуда и частота частотно-модулированного сигнала изменяются [1]. Поэтому принято говорить, что помехи вызывают вредную амплитудную и частотную модуляцию сигнала. Если изменение амплитуды сигнала под воздействием помех происходит со сравнительно малой глубиной (т>а> < 0,4), то, применив ограничитель амплитуды (ОА), можно его устранить. Благодаря этому на вход детектора частотно-модулированных сигналов поступит сигнал практически с постоянной амплитудой, что значительно ослабит действие помех.
Для устранения вредной амплитудной модуляции сигнала помехой идеальный ограничитель должен иметь амплитудную характеристику, состоящую из двух отрезков прямых 1, показанных на рис. 1.1.

0100090000030202000002008a01000000008a01000026060f000a03574d46430100000000000100defb0000000001000000e802000000000000e8020000010000006c00000000000000000000001a0000004300000000000000000000001e130000ad0b000020454d4600000100e80200000e000000020000000000000000000000000000004c0b00001d100000cc00000023010000000000000000000000000000e01c0300b8700400160000000c000000180000000a0000001000000000000000000000000900000010000000b5020000a9010000250000000c0000000e000080120000000c00000001000000520000007001000001000000c4ffffff00000000000000000000000090010000000000cc04400012540069006d006500730020004e0065007700200052006f006d0061006e000000000000000000000000000000000000000000000000000000000000000000000000000000000000000000000000000000000000000000000000000000000000000000000000000000000000000000000000000000000000000000000000000000000000000000000000000000000000000000000000000000000000000000000000000000000000000000000000000000000000002331093000000000040000000000ae30603109300000000047169001cc0002020603050405020304877a0020000000800800000000000000ff01000000000000540069006d00650073002000000065007700200052006f006d0061006e00000000000000f22f093070cbae3000331400010000000000000004481100f2b40230044811006c4eaf301c4811006476000800000000250000000c00000001000000180000000c00000000000002540000005400000000000000000000001a0000004300000001000000e4b9e140d6bee1400000000036000000010000004c000000040000000000000000000000b6020000a80100005000000020007a821b00000046000000280000001c0000004744494302000000ffffffffffffffffb6020000a9010000000000004600000014000000080000004744494303000000250000000c0000000e0000800e000000140000000000000010000000140000000400000003010800050000000b0200000000050000000c0260009d00040000002e0118001c000000fb020400020000000000bc02000000cc0102022253797374656d0000000000000000000000000000000000000000000000000000040000002d01000004000000020101001c000000fb02f2ff0000000000009001000000cc0440001254696d6573204e657720526f6d616e0000000000000000000000000000000000040000002d010100050000000902000000020d000000320a0c00000001000400000000009d00600020e10600040000002d010000030000000000
Рисунок 1.1 – Амплитудная характеристика идеального ограничителя
При амплитудах входного сигнала, меньших порога ограничения U>пор> ограничитель работает как обычный усилитель и его амплитудная характеристика линейная. Если амплитуда входного напряжения превышает пороговое значение, то амплитуда выходного напряжения сохраняется постоянной и не зависит от амплитуды входного сигнала. Следовательно, в рабочей области коэффициент усиления ограничителя амплитуды должен изменяться обратно пропорционально амплитуде входного сигнала, что технически выполнить весьма трудно.
Выбрав амплитуду немодулированного входного сигнала U>0вх>>m> значительно больше порогового напряжения идеального ограничителя, можно добиться полного устранения вредной амплитудной модуляции сигнала помехой, если коэффициент вредной амплитудной модуляции удовлетворяет неравенству
m>п.вх>≤ 1-U>пор>/U>овх>>m>. (1–1)
При выполнении этого неравенства все изменения амплитуды входного сигнала под воздействием вредной амплитудной модуляции помехой происходят при значениях, больших порогового, т.е. в области идеальной работы ограничителя. При этом коэффициент модуляции выходного напряжения m>п.вых >равен нулю.
В случае известных значений порога ограничения и коэффициента модуляции m>п.вх> из формулы (1–1) можно найти требуемое значение амплитуды входного сигнала, которое обеспечит устранение вредной амплитудной модуляции. Аналогично можно выбирать схему ограничителя амплитуды по его пороговому напряжению, если заданы U>овх>>m> и m>п.вх>.
Амплитудные характеристики реальных ограничителей чаще всего имеют вид, соответствующий штриховой кривой 2 на рис. 1.1. Пороговое напряжение определяют в точке П перегиба характеристики. Этой точке на рисунке соответствует выходное напряжение (U>п.вых>>m>. Если выбрать амплитуду входного сигнала по формуле (1–1) и обозначить через U>овых>>m> амплитуду выходного сигнала в рабочей точке, то остаточный коэффициент модуляции выходного сигнала ограничителя амплитуды
>
>.
(1–2)
Эффективность работы ограничителя оценивается коэффициентом ограничения, характеризующим уменьшение амплитудной модуляции сигнала:
K>oгp> = m>п.вх>/m>п.вых>. (1–3)
Кроме этого коэффициента характеристиками ограничителя амплитуды являются также пороговое напряжение и выходное напряжение U>овх>>m> соответствующее амплитуде немодулированного выходного сигнала при пороге ограничения.
Чем больше коэффициент ограничения и амплитуда выходного напряжения в рабочей точке U>овых>>m>, тем лучше считается ограничитель амплитуды. При прочих равных условиях лучшим считается также тот ограничитель, который имеет меньший порог ограничения, ибо в этом случае требуется меньшее напряжение входного сигнала U>овх>>m> в рабочей точке.
Операция ограничения – нелинейная, поэтому при этом возникает ряд гармонических составляющих напряжения [2]. Для обеспечения на выходе АО гармонического напряжения необходимо после нелинейного преобразования напряжения осуществить фильтрацию первой гармоники входного колебания. Тогда структурная схема АО (рис. 1.2) включает в себя нелинейную цепь и фильтр, выделяющий первую гармонику тока на выходе цепи.
Если из этого устройства исключить фильтр, то можно получить ограничитель мгновенных значений. В зависимости от вида нелинейной цепи АО подразделяются на диодные и транзисторные.

Рисунок 1.2 – Структурная схема амплитудного ограничителя
1.2 Диодные амплитудные ограничители
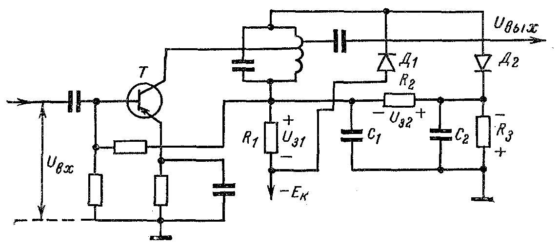
Простейшим ограничителем амплитуды является диодный [1]. Для его осуществления параллельно нагрузочному колебательному контуру последнего каскада усилителя напряжения промежуточной частоты включаются диоды, на аноды которых подается небольшое запирающее напряжение U>3>. Когда амплитуда сигнала на колебательном контуре меньше запирающего напряжения, диоды закрыты и усилитель работает нормально. В случае превышения амплитуды сигнала над запирающим напряжением диоды открываются и шунтируют колебательный контур, уменьшая усиление и стабилизируя выходное напряжение каскада. Чем больше сигнал, тем меньше внутреннее сопротивление диодов и меньше усиление. На рис. 1–3 приведен вариант схемы подобного ограничителя амплитуды. Здесь резистор R>1> используется как сопротивление коллекторного фильтра и, кроме того, с него снимается запирающее напряжение U>З>>l> для первого диода. Положительный потенциал этого напряжения через контурную катушку подводится на катод диода, а отрицательный – непосредственно к аноду. Для второго диода запирающее напряжения U>З2> снимается с резистора R>2>, который вместе с резистором R>3> образует делитель напряжения.
Существенным недостатком диодного ограничителя является то, что при открытых диодах увеличивается эквивалентное затухание колебательного контура и ухудшается избирательность каскада. Запирающее напряжение в рассматриваемой схеме обычно берется равно 0,7–1 В, а пороговое напряжение на 0,2 В больше. Выходное напряжение ОА в рабочей точке превышает пороговое на 0,15–0,25 В. Коэффициент ограничения диодного ограничителя составляет 20–30 дБ.

Рисунок 1.3 – Структурная схема диодного ограничителя
1.3 Транзисторные амплитудные ограничители
Существует несколько разновидностей транзисторных АО: простейшие, с двумя транзисторами и общим R>Э>, с переменным смещением [2].
1.3.1 Простейший транзисторный амплитудный ограничитель
Простейший транзисторный АО. Такой АО аналогичен обычному транзисторному усилителю. В отличие от усилителя транзистор АО работает в нелинейном режиме, для этого коллекторное напряжение Е берут несколько меньше, чем в обычном усилителе; напряжение (U>вх> имеет достаточно большую амплитуду. На выходных характеристиках транзистора i>к>=F(U>кэ>) (рис. 1.4) построена динамическая характеристика переменного тока (нагрузочная прямая), угол наклона которой определяется сопротивлением R>экв> контура. При большой амплитуде U>вх> наступает двусторонняя отсечка коллекторного тока, вызванная наличием областей запирания и насыщения. При этом ток i>к> оказывается ограниченным по максимуму и по минимуму; резонансный контур выделяет первую гармонику коллекторного тока. При U>вх> < U>пор> ток i>к> не имеет отсечки и напряжение U>вых> растет пропорционально U>вх>; при U>вх> > U>пор> появляется отсечка тока i>к>, рост амплитуды первой гармоники коллекторного тока замедляется с увеличением U>вх>, что обеспечивает в определенных пределах постоянство напряжения U>вых>.

Рисунок 1.4 – Иллюстрация принципа работы транзисторного АО на основе выходных характеристик транзистора
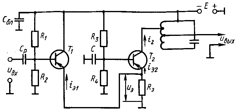
1.3.2 Амплитудный ограничитель двумя транзисторами и общим R>Э>
Принципиальная схема АО с двумя транзисторами и общим R>Э >приведена на рис. 1.4.

Рисунок 1.4 – Структурная схема АО с двумя транзисторами и общим R>Э>
Напряжение на выходном контуре АО определяется первой гармоникой выходного тока i>2> транзистора Т>2>. Диаграммы тока i>2> при различных уровнях входного напряжения (напряжения на базе транзистора T>1>) показаны на рис. 1.5. Если U>вх> = 0, то выходной ток i>2> = i>20>; обычно транзисторы Т>1> и Т>2> и режимы их работы выбираются одинаковыми, поэтому i>20>=i>10> – Ток i>20> зависит от начального режима работы транзисторов. Предположим, что напряжение U>вх> возрастает, т.е. положительный потенциал на базе транзистора Т>1> увеличивается. Это вызывает под-запирание транзистора Т>1>, при этом его эмиттерный ток i>1> уменьшается, а следовательно, снижается и напряжение U>э> = R>Э> (i>Э>>l> + i>Э2>). Так как это напряжение является запирающим для транзисторов T>1> и Т>2>, то его уменьшение вызывает большее отпирание транзистора Т>2>, а следовательно, увеличение токов i>Э2> и i>2>. Ток i>Э2> возрастает до тех пор, пока напряжение U>вх> не закроет транзистор T>1>; при этом i>2> = i>2>>max>. Далее при любом увеличении U>вх >и положительного потенциала на базе Т>1> (транзистор Т>1> закрыт) ток i>2> не меняется и поддерживается равным i>2>>max>>.> Ток i>2> при закрытом транзисторе Т>1> – ток в рабочей точке, определяемый сопротивлениями резисторов R>3>, R>4> и R>Э>.

Рисунок 1.5 – Иллюстрация принципа работы АО с двумя транзисторами и общим R>Э>
Предположим теперь, что напряжение U>вх> уменьшается относительно нуля, т.е. на базу транзистора Т>1> подается отрицательный потенциал. При этом ток i>Э>>l> и напряжение U>Э> увеличиваются, транзистор Т>2> подзапирается, ток i>Э2> уменьшается; при некотором отрицательном потенциале на базе Т>1> транзистор Т>2> полностью запирается и ток i>2> уменьшается до нуля. Далее как бы ни увеличивался отрицательный потенциал на базе Т>1> транзистор Т>1> открыт, транзистор Т>2> закрыт и ток i>2> = 0. Если амплитуда U>вх> < Е (рис. 1.5), то ток i>2>, а следовательно, и напряжение U>вых> линейно зависят от U>вх>. Если U>вх> > Е, то появляется двусторонняя отсечка тока i>2>, амплитуда первой гармоники тока i>2> увеличивается значительно медленнее роста U>вх>. При U>вх> >> Е ток i>2> по форме представляет собой прямоугольные импульсы с почти постоянной амплитудой первой гармоники тока. Все это определяет вид АХ ограничителя, показанный на рис. 1.6. На АХ при U>вх> = Е напряжение на выходе равно U>вых0> = 0,5i>2>>max>R>экв>, где R>экв> – эквивалентное сопротивление выходного контура.

Рисунок 1.5 – Амплитудная характеристика АО с двумя транзисторами и общим R>Э>
1.3.3 Амплитудный ограничитель с переменным смещением
Функциональная схема АО с переменным смещением представлена рис. 1.7.

Рисунок 1.7 – Схема АО с переменным смещением
Режим работы транзистора определяется тремя источниками питания Е>1>, Е>нач> и Е>доб> (Е>см> = Е>нач>-Е>доб>); полярность напряжения Е>доб> обычно обратна полярности Е>нач>. Напряжение Е>до6> вырабатывает АД, который детектирует, как правило, входное напряжение u>вх>. Напряжение Е>доб> = F (U>вх>); чем больше амплитуда входного сигнала, тем больше Е>доб>. Допустим, что вначале амплитуда входного напряжения мала (рис. 1.8); при этом Е>доб>≈0; Е>см> = Е>нач>. АО в этом случае работает как обыч ный усилитель (напряжение на транзисторе u>с> = U>вх> + Е>см>).

Рисунок 1.8 – Иллюстрация принципа работы АО с переменным смещением
При увеличении напряжения U>вx> растет Е>доб>, и поскольку полярность Е>доб> обратна полярности Е>нач>, напряжение Е>см> уменьшается и при больших значениях U>вx> наступает отсечка выходного тока i>вых>. Чем больше U>вx, >тем меньше угол отсечки выходного тока транзистора θ. С уменьшением θ при возрастании U>вx> увеличивается максимальное значение импульса выходного тока i>вых>>max>. Таким образом, в АО с переменным смещением при увеличении U>вx>, начиная с некоторого значения (U>вx> = U>пор>, происходит одновременное увеличение i>вых>>max> и уменьшение θ. На выходе АО включен колебательный контур, выделяющий первую гармонику I>m>>1> выходного тока: напряжение на выходе U>выx> = I>m>>1>R>экв>. Амплитудная характеристика АО с переменным смещением показана на рис. 1.9. При коэффициенте передачи АД К>д> = К>д >>opt> АХ наиболее близка к идеальной. При К>д> >> К>д >>opt>, и увеличении U>вx> напряжение Е>доб> растет быстрее, чем при К>д >>opt>, при этом ток i>вых>>max> изменяется мало, а угол отсечки уменьшается быстро, по этой причине амплитуда тока I>m>>1> при увеличении U>вx> уменьшается и, следовательно, АХ будет иметь спадающий участок.

Рисунок 1.9 – Амплитудная характеристика АО с переменным смещением
1.4 Заключение
Напряжение на выходе ограничителя мгновенных значений отличается по форме от входного напряжения.
АО обеспечивает постоянство амплитуды выходного гармонического колебания, но не изменяет частоту и фазу входного сигнала.
В диодном АО постоянство напряжения U>выx> обеспечивается при U>вx>>U>пор> за счет шунтирования контура входным сопротивлением диода, которое возрастает по мере увеличения U>вx>.
В АО с одним транзистором ограничение наступает при U>вx> > U>nop>, когда транзистор начинает работать в нелинейном режиме, характеризуемом появлением отсечки его коллекторного тока. При этом рост амплитуды первой гармоники I>m>>1> замедляется, что ограничивает увеличение U>выx>.
Двустороннее ограничение выходного тока АО с двумя транзисторами и общим R>Э> обеспечивается благодаря запиранию первого транзистора при большом положительном потенциале на его базе и второго при большом отрицательном потенциале на базе первого транзистора.
В АО с переменным смещением смещение на транзисторе зависит от уровня входного сигнала, что обеспечивается включением во входную цепь транзистора АД. При U>вx> > U>nop> наступает отсечка выходного тока АО. С увеличением U>вx> амплитуда первой гармоники выходного тока, определяющая U>вых>, одновременно увеличивается из-за роста i>вых>>max> и уменьшается из-за уменьшения θ, этим обеспечивается примерное постоянство I>m>>1>.
2. Расчет ограничителей амплитуды
2.1 Исходные данные и задачи расчета
Для радиовещательных и телевизионных приемников промежуточная частота для тракта ЧМС задается ГОСТ [3]. При расчете структурной схемы приемника выбираются: схема и тип электронного прибора; напряжение U>nop> порога ограничения; амплитуда выходного напряжения U>m>> >>вых>; коэффициент амплитудной модуляции т>п> входного сигнала помехой; требуемый коэффициент ограничения К>огр.>.
Задачами расчета являются: выбор оптимального режима работы нелинейного элемента; расчет параметров элементов схемы; уточнение амплитуд входного и выходного сигналов.
2.2 Методика расчета диодных ограничителей амплитуды
Вариант схемы диодного ограничителя амплитуды приведен на рис. 2.1. По токам частоты сигнала диоды включены параллельно коллекторному контуру каскада. К первому диоду подводится запирающее напряжение Е>31>, создающееся на резисторе коллекторного фильтра. Запирающее напряжение второго диода Е>32> создается на резисторе R>2>, который образует совместно с резисторами R>ф> и R>2> делитель напряжения. При Е>31> =E>32>=Е>3> сопротивления резисторов должны удовлетворять равенствам:
>
>
(2–1)
Емкость
конденсатора >
>>.>
рассчитывают по формуле
>
>
(2–2)
C>б> и C>1> рассчитывают по (2–2), вводя соответствующие замены емкостей и сопротивлений.

Рисунок 2.1 – Структурная схема диодного АО
В интервале входных напряжении до 0,3–0.4 В вольт-амперная характеристика диодов наиболее точно аппроксимируется экспонентой. В этом случае входная активная проводимость диодов определяется уравнением
>
>
(2–3)
в котором
параметр >
>
определяется из [3], >
>–
амплитуда
сигнала на контуре. Если Е>З>>U>m>>конт>>,>
то диоды
закрыты и входную проводимость следует
считать равной нулю. Когда амплитуда
входного сигнала превышает 0,4–0,6 В,
вольт-амперная характеристика диодов
становится более близкой к линейной и
входная проводимость определяется
равенством
>
>,
(2–4)
в котором >
>
– проводимость прямой передачи диода.
Если обозначить амплитуду сигнала, приложенного к диоду,
>
>,
(2–5)
то можно
составить уравнение, определяющее
зависимость амплитуды входного сигнала
от >
>:
>
>,
(2–6)
где >
>
–
эквивалентная резонансная проводимость
коллекторного контура без учета действия
диодов;
>
>,
(2–7)
– приведенный
коэффициент усиления каскада при
закрытых диодах, при котором за выходной
сигнал принимается напряжение на всем
контуре; >
>–
максимальная амплитуда входного сигнала,
при которой диоды еще закрыты. Необходимый
коэффициент включения контура в
коллекторную цепь транзистора определяется
равенством
>
>.
(2–8)
С учетом
сказанного можно составить методику
расчета амплитудной характеристики
каскада, Задаваясь определенным значением
>
>
определяют амплитуду выходного сигнала
на контуре
>
>.
(2–9)
Затем по (2–6)
вычисляют соответствующую ему амплитуду
входного сигнала. Такие расчеты выполняют
для >
>
от 0 до 0,3–0,4В через 0,05 В. По полученным
данным строят амплитудную характеристику
и по ней определяют основные характеристики
ограничителя амплитуды в соответствии
с обозначениями, принятыми на рис. 2.2.
Пороговое напряжение U>пор>
находят по точке П
характеристики,
соответствующей примерно (0,8–0,9) U>вых
>>m>>ах>.
Амплитуду исходного входного сигнала
вычисляют по формуле:
>
>,
(2–10)
полагая m>n>≈0,5. Коэффициент модуляции сигнала помехой вычисляют по формуле:
>
>,
(2–11)
а коэффициент ограничения по равенству:
>
>.
(2–12)
Наиболее
приемлемые характеристики ограничителя
амплитуды получаются, если брать Е>3>=
0,3 ÷
1,0 В и обеспечивать наибольшее приведенное
усиление каскада. Последнее получается,
если эквивалентная проводимость контура
будет наименьшей для обеспечения нужной
полосы пропускания детектора ЧМС. Чем
меньше Е>3>
и больше
>
>,
тем меньше
порог ограничения, но и меньше амплитуда
выходного сигнала.

Рисунок 2.2 – Основные характеристики ОА
2.3 Методика расчета транзисторных ограничителей амплитуды
Схема транзисторного ограничителя амплитуды приведена на рис. 2.3 (первый каскад. Транзистор T1 и два связанных контура). Для уменьшения порогового напряжения и увеличения коэффициента ограничения транзистор работает при пониженном коллекторном напряжении 2–3 В за счет использования делителя напряжения, состоящего из резисторов R>Kl >и R>K2>. Для достаточно стабильной работы сопротивления этих резисторов определяют из уравнений:
>
>,
(2–13)
в которых >
>
– коллекторный ток транзистора в рабочей
точке A
(рис. 2.2). При этом ток, потребляемый
каскадом от источника питания, будет
>
>.
Сопротивление резистора фильтра выбирают
равным 0,5–1 кОм, а коэффициент включения
контура в коллекторную цепь удовлетворяющим
неравенству
>
>
(2–14)

Рисунок 2.3 – Электрическая принципиальная схема транзисторного ограничителя амплитуды
>
>
– эквивалентная проводимость первого
коллекторного контура. Емкость
конденсатора фильтра вычисляют по
(2–2). Сопротивление базового резистора
определяют по формуле:
>
>.
(2–15)
Амплитудная характеристика (рис. 2.5) определяется по следующей методике. Выбирается напряжение питания коллекторной цепи E>к>>G>,>;> и на поле выходных характеристик (см. рис. 2.4) строится нагрузочная характеристика 1 по постоянному току. Она проходит через точку Д, которой соответствует напряжение E>к0> на оси абсцисс, под углом α определяющимся равенством
>
>.
(2–16)

Рисунок 2.4 – Амплитудная характеристика AO
На этой характеристике выбирают рабочую точку А, соответствующую примерно середине отрезка ГД и находящуюся на характеристике, для которой
>
>,
(2–17)
Определяют для нее
токи >
>
и >
>.
Через точку А проводят нагрузочную
характеристику для переменного тока 2
с углом наклона а>2>,
соответствующим уравнению
>
>
(2–18)
и определяют точки Б и
В, а по ним соответствующие им токи
>
>
и >
>.
Переносят точки А, Б и В на входную
характеристику транзистора с напряжением
U>КЭ>, наиболее
близким к выбранному режиму, и определяют
напряжения U>БЭ А>,
U>БЭ Б> и U>БЭ
В> вычисляют максимальную амплитуду
входного сигнала и>тах>.>л>
в линейном режиме, до которой
ограничитель практически работает как
усилитель и его амплитудную
характеристику можно считать
прямолинейной. При этих значениях
входного сигнала амплитуда напряжения
на первом коллекторном контуре
определяется равенством
>
>
(2–19)
Проводимость прямой передачи в рабочей точке определяется приближенным равенством
>
>
(2–20)
где >
>и
>
>–
параметры транзистора.
Когда амплитуда входного сигнала
превышает U>max>.
>л>, транзистор работает с отсечкой
обоих полупериодов коллекторного тока
и выходной сигнал соответствует уравнению
>
>
(2–21)
Коэффициент Н определяется графиком на рис. 2.5. Он представляет собой часть амплитудной характеристики ограничителя, работающего в нелинейном режиме. Из нее следует, что пороговое напряжение ограничителя
>
>
(2–22)
а выходное
напряжение при >
>
>
>.
(2–23)

Рисунок 2.5 – Амплитудная характеристика AO, работающего в нелинейном режиме
2.4 Примеры расчетов ограничителей амплитуды
2.4.1 Пример расчета диодного ОА
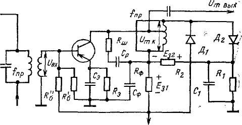
Рассчитать параметры диодного ограничителя амплитуды на транзисторе ГТ308В при f>пр> = 8,4 МГц и Е>к> = 9 В. Селективной системой служат два связанных контура дифференциального детектора. Первый из них изображен на рис. 2.1, а второй для упрощения схемы не показан.
Выбираем диоды Д9Б
(S>np> =
0,01 См, R>i>=
100 Ом, γ = 20
1/В). Зададимся напряжением запирания
Е>3> = 0,5 В, током
потенциометра I>п>
= 0,5 мА и рабочей точкой транзистора при
I>к> = 1 мА и U>K>>3>=
5 В (Y>21> = 0,035 См, С>12>=
1 пФ). Согласно формулам (2–1) получем:
>
>>
>(выбираем
резисторы сoпротивлением
330 Ом, 16 кОм и 1 кОм соответственно).
Параметры остальных элементов схемы
вычисляем, используя приведенную
методику.
По (2–24) вычисляем устойчивый коэффициент усиления транзистора:
>
>.
(2–24)
>
>.
Эквивалентная проводимость контура >
>
>
>.
По (2–7) получаем >
>.
Из равенства (2–8) находим коэффициент
включения контура в коллекторную цепь
р>к>= =11,5/416 = 0,028. Находим
проводимость шунтирующего сопротивления
коллекторной цепи: >
>
(R>ш>= 13 Ом). По (2–2)
вычисляем С>р>=10/(8 400 000>
>13)
= 9>
>10-8
Ф. При U>д> =
0 из равенства (2–10) находим >
>.
Зададимся U>т>>д>
=0.5 B, тогда γU>m>>д>
=200>
>0,05=
1 и по [3] получаем θ=0,57.
Из уравнения (2–3) вычисляем g>вх>
=
=2>
>0,57>
>10-5/0,05=228>
>10-6См.
При U>тл> > 0,5
В согласно (2–4) получим g>в>>x>>10мСм.
Поскольку ограничивающих диодов два,
то подставляем в формуле (2–6) 2g>нх
>вместо g>вх
>и получаем: >
>.
Амплитуду напряжения на всем контуре
вычисляем по (2–9) U>m>>
вых> = 0,5+0,05 = 0,55 В.
Данные, полученные путем аналогичных расчетов для других значений U>т>>д>, приведены в табл. 2–1. По полученным значениям на рис, 2–2 построена амплитудная характеристика ограничителя амплитуды (кривая 1). При Е>3> = 1 и Е>3> = 0,3 В входное и выходное напряжения соответствуют вариантам 2 и 3 табл. 10–1 и кривым 2 и 3 на рис. 2–2. Если при условиях варианта применять только один диод, то для этого будут справедливы характеристики варианта 4 и кривая 4 на ряс. 2–2. Сравнение кривых 3 и 4 показывает, что при одном диоде характеристика ограничения ухудшается лишь на 10–20%, поэтому ограничители амплитуды с одним диодом применяются часто.
Таблица 2.1 – Результаты вычислений U>вх>, U>вых>> >в зависимости от U>т >>д>
|
Вариант |
U>т >>д>, В |
|||||||
|
0 |
0,05 |
0,1 |
0,15 |
0,2 |
0,25 |
0,3 |
||
|
1 |
U>вх>>, >мВ |
7,2 |
51 |
74 |
128 |
283 |
516 |
1110 |
|
U>вых>>, >В |
0,5 |
0,55 |
0,6 |
0,65 |
0,7 |
0,75 |
0,8 |
|
|
2 |
U>вх>, мВ |
14 |
98 |
136 |
227 |
497 |
850 |
1910 |
|
U>вых>, В |
1 |
1,05 |
1,1 |
1,15 |
1,2 |
1,25 |
0,8 |
|
|
3 |
U>вх>, мВ |
4,3 |
32 |
50 |
89 |
203 |
388 |
912 |
|
U>вых>, В |
0,3 |
0,35 |
0,4 |
1,45 |
0,5 |
0,55 |
0,8 |
|
|
4 |
U>вх>, мВ |
7,2 |
30 |
42 |
69 |
146 |
269 |
615 |
|
U>вых>, В |
0,5 |
0,55 |
0,6 |
0,65 |
0,7 |
0,75 |
0,8 |
2.4.2 Пример расчета транзисторного ОА
Рассчитать параметры ограничителя амплитуды с транзистором ГТ308В по исходным данным примера расчета диодного ОА, соответствующим требованиям к приемнику 1 класса.
Зададимся напряжением
E>k>>0>
= -3 В и сопротивлением фильтра 1
кОм. Согласно равенству (2–16) arctg
a>1> = 1/1000,
чему соответствует линия 1 на рис. 2–4.
Выбираем на ней исходную рабочую точку
A, для которой I>KA>
2,3 мА и I>Б>>A>
= 50 мкА. По неравенству (2–14) вычисляем
коэффициент включения >
>
Принимаем р>к> = 0,18. По
уравнению (2–18) получаем >
>.
Линия 2 на рис. 2–4 соответствует
этому углу. Для точки Б получаем
I>К>>m>>ах>=3,8
мА и I>Г>>m>>ах>=
0,11 мА. По формулам (2–13) находим >
>
(выбираем резисторы сопротивлением 680
и 910 Ом). Емкость конденсатора фильтра
определяем с учетом сказанного ранее
по (2–2), >
>
аналогично >
>.
Выбираем конденсаторы емкостью 1500 и
2200 пФ. На входную характеристику
транзистора, соответствующую коллекторному
напряжению 3 В, переносим точки А, Б и
В. Им соответствуют U>БЭА>
= 0,11 В; U>БЭБ>=
0,16 В и U>БЭВ>=
0,05 В. Из таблиц находим h>2>>l>>
б> = 0,993, следовательно, h>21Э>
= 0,993/(1–0,993) = 140. По равенству (2–15) вычисляем
>
>
(принимаем резистор сопротивлением 910
кОм). По формуле (2–24) находим амплитуду
первой гармоники тока базы и напряжения
U>БЭ>:
>
>
(2.24)
>
>.
В табл. П-1–4 для I >К>>т>
= 1 мА приведено Y>21т>
= 0,035 См. Согласно (2–20) получаем >
>.
Выходное напряжение в конце линейного
участка амплитудной характеристики
вычисляем по равенству (2–19) >
>.
>
>
по графику на рис. 2.5 получаем Н=
1,24. По формуле (2–19) находим соответствующее
данной амплитуде выходного сигнала >
>
и амплитуду выходного напряжения (>
>.
Результаты аналогичных расчетов для
других значений входного сигнала
приведены в табл. 2–2; рис. 2–2 построен
по данным табл. 2–2. По равенству (2–22)
получаем >
>,
что соответствует точке П на рис. 2.2.
Амплитуда входного сигнала в рабочей
точке должна быть >
>В. Возьмем
его равным 0,2 В. При этом согласно
рис. 2–2. >
>
>
>
По формуле (2–11) получаем >
>,
а по равенству (2–12) няходим >
>.
Потребляемый каскадом ток 1>0>
=3I>KA>
= 3>
>2,3
= 6,9 мА.
Таблица 2.2.
|
> |
0,055 |
0,075 |
0,11 |
0,2 |
0,4 |
0,6 |
|
> |
5,75 |
6,39 |
7,1 |
7,25 |
7,3 |
7,34 |
Выводы
В данном курсовом проекте мы изучили различные типы амплитудных ограничителей. В частности диодных и транзисторных. Были рассмотрены основные характеристики амплитудных ограничителей и методики их расчета.
Амплитудные ограничители являются неотъемлемой частью приемника частотно-модулированных сигналов. Их размещают в схемах приемников перед амплитудным детектором.
Амплитудный ограничитель позволяет убрать вредную амплитудную модуляцию сигнала, которая возникает в результате передачи сигнала под воздействием помех.
Недостатком является то, что данное устройство не позволит избежать вредной частотной модуляции сигнала помехой, что добавляет дополнительные требования к детекторам частотно-модулированных сигналов.
>,
В
>,
В