Параметры транзисторов
Задание 1
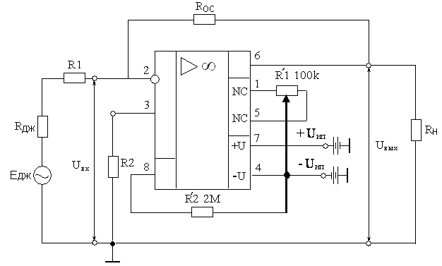
Рассчитать параметры элементов усилителя на биполярном транзисторе (БТ). Схема усилителя приведена на рис.1.
Построить графики:
напряжения на выходе ненагруженного источника сигнала;
напряжений в точках 1, 2, 3, 4, 5 при подаче на вход усилителя напряжения источника сигнала и наличии напряжения питания;
напряжения U>КЭ>.
Привести основные параметры применяемого БТ.
Исходные данные для расчета приведены в табл. 1.
Тип транзистора определяется по первой букве фамилии студента (табл. 2).

Рис.1 – Принципиальная схема усилительного каскада
Исходные данные для расчета
|
Наименование параметра |
Единица измерения |
Формула для расчета параметра |
|
Напряжение источника сигнала |
мВ |
Е>и>=(mn+40)/20 |
|
Внутреннее сопротивление источника сигнала |
Ом |
Rн=(120-mn)·5 |
|
Нижняя граничная частота усиливаемых сигналов |
Гц |
f>Н>=(mn+100)·2 |
|
Верхняя граничная частота усиливаемых сигналов |
Гц |
f>В>=(mn+100)·50 |
|
Величина нагрузки |
кОм |
Rн=m+10 |
|
Емкость монтажа |
пФ |
См=(150-mn)/20 |
Приложение 1. Параметры транзисторов
|
Параметр |
Единица измере-ния |
Тип транзистора |
|||||
|
КТ355А |
КТ343A |
КТ347А |
КТ201А |
КТ312В |
КТ361Б |
||
|
I>кб0> |
мкА |
0.5 |
1 |
1 |
1 |
10 |
1 |
|
h>21e> |
- |
80…300 |
>30 |
30…400 |
20…60 |
10…100 |
50…300 |
|
f>гр> |
МГц |
1500 |
300 |
500 |
10 |
80 |
250 |
|
С>ке> |
пФ |
2 |
6 |
6 |
20 |
5 |
9 |
|
U>кб max> |
В |
15 |
17 |
15 |
20 |
15 |
25 |
|
U>ке max> |
В |
15 |
17 |
15 |
20 |
15 |
25 |
|
I>к max> |
мА |
60 |
50 |
50 |
20 |
30 |
50 |
|
P>max> |
мВт |
225 |
150 |
150 |
150 |
225 |
150 |
|
T>max> |
оС |
-55 |
-10 |
-40 |
-60 |
-40 |
-60 |
|
T>min> |
оС |
+125 |
+150 |
+85 |
+125 |
+85 |
+100 |
|
Тип перехода |
- |
n-p-n |
p-n-p |
p-n-p |
n-p-n |
n-p-n |
p-n-p |


В
Ом
Гц
Гц
Ом
Ф
1.Определяем напряжение питания усилителя.
Для заданного типа транзистора должно выполняться условие:
U>К>>E max> > E.
U>К>>E max=15 >>В>

В
2.На входной характеристике
транзистора (при U>KE>
0)
определяем параметры рабочей точки
I>БО>, U>БЕ0>
(режим покоя).





В
3.Определяем величину U>КЕ0>:
U>КЕ0> = (0.4 … 0.5)Е.



4.На выходных характеристиках транзистора определяем параметр рабочей точки I>K0>.


5.По полученным значениям Е, I>K0>, U>КЕ0> строим динамическую характеристику транзистора.
6.Находим величину сопротивления R>К>:
R>К>=0.4Е/ I>K0>.


Мощность, рассеиваемая на резисторе R>K>, равна
.

7.Определяем величину сопротивления R>Е> в цепи термостабилизации.
Находим падение напряжения на резисторе R>Е>:
U>Re>=E-U>KE0>-0.4E.


Далее определяем величину резистора R>Е>
R>Е>= U>Re> / I>K0>.


Мощность, рассеиваемая на резисторе R>Е>, равна
.
Мощность, рассеиваемая на резисторе R>Е>, равна
.

По результатам расчетов выбираем стандартные значения и тип резисторов R>K> и R>E>.
8.Находим емкость конденсатора С>Е>:
(мкФ).


9.Находим входное сопротивление переменному току транзистора (в точке покоя по входной характеристике).
.






Выбираем ток в цепи делителя из условия



Определяем величины R1 и R2 по формулам:














Условие R2=(5…10)RBX выполняется
11.Находим величину напряжения на входе усилителя:



12.Определяем коэффициент усиления каскада по напряжению на средних частотах:
Эквивалентное выходное сопротивление каскада





и в децибелах


13.Находим величину напряжения выходного сигнала на средних частотах



14.Определяем величину разделительного конденсатора С2:



15.Рассчитываем коэффициент частотных искажений на верхних частотах диапазона:






где С>М> – паразитная емкость монтажа, С>БЕ> – емкость участка коллектор – эмиттер.
16. Находим минимальное значение коэффициента усиления каскада по мощности:


и в децибелах


Строим графики:
напряжения на выходе ненагруженного источника сигнала;


напряжений в точках 1, 2, 3, 4, 5 при подаче на вход усилителя напряжения источника сигнала и наличии напряжения питания;












напряжения U>КЭ>.


Задание 2
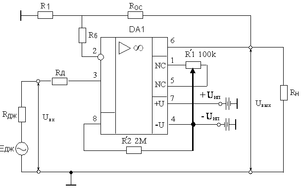
Рассчитать инвертирующий и неинвертирующий усилители на операционном усилителе (ОУ). Схема должна содержать цепи частотной коррекции и балансировки нуля.
Привести описание работы и основные параметры применяемой микросхемы.
Исходные данные для расчета приведены в табл. 1.
Тип ОУ определяется первой буквой фамилии студента (табл. 3).
Таблица 3
|
Первая буква фамилии |
А-Г |
Д-И |
К-Н |
О-С |
Т-Ц |
Ч-Я |
|
Тип ОУ |
К140УД7 |
К140УД8 |
К544УД2 |
К153УД5 |
К574УД1 |
К153УД1 |
Приложение 3. Параметры операционных усилителей
|
Параметр |
Единица измере-ния |
Тип микросхемы |
|||||
|
К140УД7 |
К140УД8 |
К140УД12 |
К544УД2 |
К553УД2 |
К574УД1 |
||
|
А |
- |
|
|
|
|
|
|
|
> |
В |
|
|
|
|
|
|
|
> |
мА |
4 |
5 |
0.04 |
7 |
8.5 |
8 |
|
> |
мВ |
9 |
50 |
5 |
30 |
7.5 |
50 |
|
R>BX> |
МОм |
0.4 |
1 |
50 |
1000 |
0.3 |
1000 |
|
R>ВЫХ> |
Ом |
250 |
200 |
5000 |
200 |
300 |
200 |
|
I>ВХ> |
нА |
400 |
0.2 |
11 |
0.5 |
1500 |
0.5 |
|
|
нА |
200 |
0.1 |
7 |
0.5 |
500 |
0.2 |
|
f>1> |
МГц |
0.8 |
1 |
0.3 |
15 |
1 |
10 |
|
V |
B/мкс |
0.3 |
2 |
0.8 |
20 |
0.5 |
50 |
|
К>ОС СФ> |
дБ |
70 |
70 |
70 |
70 |
80 |
80 |
|
U>СФ ВХ> |
В |
|
|
|
|
|
|
|
|
В |
|
|
|
|
|
|
|
I>ВЫХ> (R>H>) |
мА (кОм) |
(2) |
(2) |
10 |
(2) |
(2) |
5 |
Приложение 4. Схемы операционных усилителей
K140УД12
В зависимости от условий подачи на вход ОУ усиливаемого сигнала, а также с учетом подключения внешних компонентов можно получить инвертирующее и неинвертирующее включение усилителя. Любое схемотехническое решение с применением ОУ содержит одно из таких включений.
Инвертирующий усилитель


Напряжение источника сигнала



Внутреннее сопротивление источника сигнала







==>














Неинвертирующий усилитель
























Задание 3
Рассчитать симметричный мультивибратор на ОУ. Тип ОУ определяется таблицей 3. Исходные данные для расчета:
- амплитуда импульсов
В; Umax=2В
- частота импульсов

кГц;
F=14
кГц
- сопротивление нагрузки R>H>= (n+2) кОм. Rn=11кОм
Дать описание работы симметричного мультивибратора на ОУ.
Построить графики напряжений в точках 1, 2, 3 относительно корпуса (при наличии напряжения питания).
Определить длительность фронта генерируемого импульса.
Мультивибратор является одним из самых распространённых генераторов импульсов прямоугольной формы, представляющий собой двухкаскадный резистивный усилитель с глубокой положительной обратной связью. В электронной технике используются самые различные варианты схем мультивибраторов, которые различаются между собой по типу используемых элементов (ламповые, транзисторные, тиристорные, микроэлектронные и так далее), режиму работы (автоколебательный, ждущий синхронизации), видам связи между усилительными элементами, способам регулировки длительности и частоты генерируемых импульсов и так далее.
Отнесение мультивибратора к классу автогенераторов оправдано лишь при автоколебательном режиме его работы. В ждущем режиме мультивибратор вырабатывает импульсы только тогда, когда на его вход поступают специальные запускающие сигналы. Режим синхронизации отличается от автоколебательного лишь тем, что в этом режиме с помощью внешнего управляющего (синхронизирующего) напряжения можно изменять частоту генерируемых колебаний.
Схема симметричного мультивибратора на ОУ

1. Из условий
выбираем сопротивления резисторов: R,
R>2>,
R>1>=10R>2>,
R>1>+R>2>=
=(20…200)кОм.





2. Определим максимальный выходной ток ОУ в схеме мультивибратора. Ток времязадающего конденсатора С изменяется по мере перезаряда и достигает максимального значения


в момент переключения схемы при
падении напряжения на резисторе R,
равном
.
Ток цепи смещения через резисторы R>1 >и R>2>


Максимальный ток через нагрузку


Максимальный выходной ток операционного усилителя в схеме мультивибратора не должен превышать максимально допустимого для данного типа ОУ значения I>ВЫХ>, т. е.
.



3. Используя формулу для длительности импульса

и учитывая, что период следования импульсов Т=2t>И>, определяем емкость конденсатора времязадающей цепи С.





4. Определяем длительность фронта импульсов по заданной скорости изменения выходного напряжения V.
τф=5.232*10^8



Задание 4
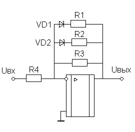
Разработать схему на ОУ (табл.3) для реализации заданного нелинейного преобразования входного сигнала.
Дать описание работы полученной схемы.
Вид нелинейного преобразования определяется по последней цифре номера зачетной книжки (n).
Проверить работу схемы при подаче на ее вход напряжения
Uвх(t)= U>m>sin(2πft), f=1кГц, U>m>=(m+10)/5 В.

Заданные на рис. зависимости можно получить, включив в цепь обратной связи различные нелинейные элементы.

Зададим R3=100 кОм, тогда
1)


кОм
2)

ком
3)

ком



>
15
>
>

