Пассивные линейные измерительные преобразователи синусоидальных напряжений и токов
Курсовая работа
на тему:
"Пассивные линейные измерительные преобразователи синусоидальных напряжений и токов"
1. Первичные измерительные преобразователи тока
К измерительным органам воздействующая величина — ток — обычно подводится от первичных измерительных преобразователей тока. Они обеспечивают изоляцию цепей тока измерительных органов от высокого напряжения и позволяют независимо от номинального первичного тока получить стандартное значение вторичного тока. Наиболее распространенными первичными преобразователями тока являются измерительные трансформаторы тока ТА. В системах электроснабжения применяют также измерительные преобразователи тока, названные магнитными трансформаторами тока. На их основе разработаны так называемые дискретные трансформаторы тока.
Измерительные трансформаторы тока. Они имеют стандартный номинальный вторичный ток lном = 1; 5 А при любых значениях номинального первичного тока l>ном>; допускается изготовление трансформаторов тока с номинальным вторичным током l>2иом> = 2; 2,5 А. Трансформаторы тока используют и в сетях напряжением до 1 кВ.
Для правильного действия особенно релейной защиты требуется точная работа трансформаторов тока при токах перегрузки электроустановки и токах КЗ, которые во много раз могут превышать их номинальные первичные токи, особенно в сетях напряжением до 1 кВ. Правильная работа быстродействующих устройств защиты и автоматики должна обеспечиться при переходных процессах в трансформаторах тока. Особенностью измерительных трансформаторов тока является режим короткого замыкания его вторичной цепи. Первичная обмотка трансформатора ТА с числом витков w, включается в цепь первичного тока L, сети, а ко вторичной обмотке с числом витков >2 подключаются цепи тока измерительных органов, например измерительных реле тока КА1, КА2 с относительно малым сопротивлением. Начала и концы обмоток трансформатора тока указываются на их выводах. Выводы первичной обмотки Л>х> и Л>2>, маркируются произвольно, а выводы вторичной обмотки — с учетом принятого обозначения выводов первичной обмотки. При этом за начало вторичной обмотки Я, принимается вывод, из которого мгновенный ток l>2> направляется в цепь нагрузки, когда в первичной обмотке ток /, направлен от начала Л>х> к концу Л>2>. При такой маркировке мгновенное значение тока в обмотке реле имеет то же направление, что и при включении его непосредственно в защищаемую цепь.
На рис. 1, о показаны направления токов /,, />2> для некоторого момента времени и принятой намотки витков. Направление магнитного потока Ф, при заданном направлении тока /, определяется по правилу буравчика.

Ток
i>2>
всегда
направлен так, что размагничивает
магнитопровод. При этом результирующий
магнитный поток Ф, согласно закону
полного тока, создается совместным
действием магнитодвижущих сил и i>2>w>2
>обеих
обмоток. Соотношение синусоидальных
токов изображается обычно векторной
диаграммой. Векторная диаграмма может
быть изображена и имеет определенный
смысл только при условии, что для каждой
из величин выбрано условное положительное
направление. Так, из диаграммы следует,
что ток l>2>
отстает по фазе от тока l',
на угол у.
Это
означает, что ток i>2>
достигает,
например, положительного максимального
мгновенного значения позже, чем ток ц
на
время
Однако
указанный момент времени становится
неопределенным, если неизвестно, какое
из двух возможных направлений тока l>2
>считается
положительным. Если для одного
положительного направления ток h
отстает
по фазе от тока l',
на угол
,
для другого направления тока l>2>
угол сдвига фаз равен
.
Поэтому при построении векторной
диаграммы первичного и вторичного токов
трансформатора тока ТА
необходимо
задаться их условными положительными
направлениями. Если для первичного тока
l,
принять положительное направление от
начала к концу обмотки, а для вторичного
l>2>
— от конца к началу обмотки, как показано
стрелками на рис. 1,
о,
то векторы МДС первичной и вторичной
обмоток оказываются направленными
противоположно. При этом, согласно
закону полного тока,
Результирующая
МДС Е>пш>
создается
частью тока /,, которая называется током
намагничивания, т.
е.
В идеальном трансформатЪре результирующая МДС £>иам> = 0. При этом


или

Токи
1>2>
и
L1
равны
и совпадают по фазе. Если положительное
направление токов /, и />2>
принято от начала обмоток к их концам,
то МДС обеих обмоток направлены одинаково;
а токи />2>
и /', изображаются векторами, сдвинутыми
по фазе на угол л.
В
дальнейшем при построении векторных
диаграмм условное положительное
направление тока /, принимается от начала
к концу обмотки, а тока />2>
— от конца.к началу. Для реального
трансформатора и принятых условных
положительных направлениях токов
,
откуда
или

Этому соответствует электрическая схема замещения трансформатора тока. Здесь ко вторичной обмотке приведены также сопротивления первичной обмотки Z\ и ветви намагничивания Z'>HaM>. Эта схема принципиально не отличается от схемы замещения, например, силового трансформатора. В отличие от него трансформатор тока питается от источника тока. Поэтому первичный ток /, и МДС не зависят от режима работы трансформатора тока.
Из схемы замещения видно, что сопротивление первичной обмотки Z\ не влияет на распределение тока между ветвью намагничивания Z'>H>>2>>M> и ветвью нагрузки, поэтому из схемы, изображенной на рис. 1.2, б, в соответствии с которой построена векторная диаграмма, оно исключено.
За исходный при построении диаграммы принят ток намагничивания 1'^. Магнитный поток Ф отстает от тока на некоторый угол у, определяемый потерями в стали. Положительное направление ЭДС £>2> принято совпадающим с положительным направлением тока £>2>, т. е. от конца к началу вторичной обмотки. В связи с этим ЭДС Е>2>> наводимая потоком Ф_ во вторичной обмотке, опережает его на угол л/2.

В замкнутой вторичной обмотке проходит ток ^, отстающий от ЭДС £>2> на некоторый угол, определяемый соотношением составляющих RujX сопротивлений Z>2> и Z>H>.
По схеме замещения и выражению определяют ток 1\. Из векторной диаграммы видно, что вторичный ток />2> отличается от приведенного первично-' го /| по значению на Д/ и по фазе на угол 8. Ток 1'>иш> значительно меньше тока 1\, поэтому результирующая МДС F>KiM>, определяющая рабочий магнитный Поток ф_ и ЭДС £>2>, во много раз меньше МДС первичной обмотки Очевидно, что чем меньше сопротивление нагрузки Z>H>, т. е. чем ближе режим цепи вторичной обмотки к режиму короткого замыкания, тем большая часть тока /.
2. Первичные измерительные преобразователи напряжения
К измерительным органам воздействующая величина — напряжение — обычно подводится от первичных измерительных преобразователей напряжения. Они, как и первичные измерительные преобразователи тока, обеспечивают изоляцию цепей напряжения измерительных органов от высокого напряжения и позволяют независимо от номинального первичного напряжения получить стандартное значение номинального вторичного напряжения U>2>>n>>0>>M> = 100 В. Распространенной разновидностью первичного измерительного преобразователя напряжения является измерительный трансформатор напряжения ТУ.
Особенностью
измерительного трансформатора напряжения
является режим холостого хода его
вторичной цепи.
Первичная
обмотка трансформатора ТУ
с числом
витков щ
включается
на напряжение сети М\-
Под
действием напряжения по обмотке w,
проходит ток намагничивания /„щ,
создающий в магнитопроводе магнитный
поток Ф. Магнитный поток, в свою очередь,
наводит в первичной w,
и вторичной w>2>
обмотках
ЭДС с действующими значениями
соответственно £, = 4,44/w,Ф,
Е>2>
=
4,44/й'>2>Ф.
Отсюда


Отношение называется коэффициентом трансформации и обозначается К>и>. В режиме холостого хода ток />2> = 0, а ток в первичной обмотке L\ — £«м- При этом £/> = Е>2> и напряжение £/, незначительно отличается от ЭДС £,.
Поэтому

Работа трансформатора с нагрузкой Z>H> сопровождается прохождением тока 1>2> и увеличением тока /',. Эти токи создают падение напряжения AU в первичной и вторичной обмотках, вследствие чего U>2> = U\ — AU. Из векторной диаграммы следует, что вторичное напряжение U>2> отличается от приведенного первичного Щ_>х >по значению на AU и по фазе на угол" 8. Поэтому трансформатор имеет две погрешности: погрешность напряжения f>v>= • 100 или вследствие незначительного угла 8

— угловую погрешность, которая определяется углом 8 между векторами напряжений. Вместе с ним возрастают и погрешности, поэтому нормальным режимом работы трансформатора напряжения является режим, близкий к холостому ходу.
В условиях эксплуатации трансформатор напряжения может работать с различными погрешностями. В зависимости от погрешностей по ГОСТ 1983 — 77Е установлены четыре класса точности: 0,2; 0,5; 1 и 3 соответственно погрешностям напряжения f>v> в процентах. Номинальная мощность трансформатора отнесена к определенному классу точности. Однако по условию нагрева он может допускать перегрузки в несколько раз, выходя при этом из заданного класса точности. Начала и концы обмоток трансформатора напряжения TV маркируются в соответствии с правилом, изложенным при рассмотрении трансформаторов тока. При этом напряжения t/, и U>2>, направленные одинаково от одноименных концов обмоток, совпадают по фазе, если пренебречь падениями напряжения в обмотках трансформатора напряжения. Принято обозначать: А — начало первичной обмотки, а — начало вторичной обмотки; X — конец первичной обмотки, х — конец вторичной обмотки. Для трансформаторов напряжения, как и для трансформаторов тока, в зависимости от принятого положительного направления тока и напряжения можно построить векторные диаграммы с совпадающими или противоположно направленными векторами вторичного. Первичная обмотка трансформатора включается на напряжение двух любых фаз. Такая схема применяется в тех случаях, когда достаточно иметь одно междуфазное напряжение, например напряжение Мвс-
Схема соединения обмоток трансформаторов напряжения в открытый треугольник. Первичные обмотки двух однофазных трансформаторов напряжения включаются на два любых междуфазных напряжения. Вторичные обмотки соединяются последовательно. Такая схема дает возможность включать реле на все междуфазные напряжения и на напряжения фаз по отношению к искусственной нейтральной точке системы междуфазных напряжений. В последнем случае включение можно выполнить тремя реле, обмотки которых имеют равные сопротивления и соединены в звезду. Схема соединения двух однофазных трансформаторов в открытый треугольник является наиболее распространенной. Она не может применяться в тех случаях, когда необходимо иметь фазные напряжения относительно земли.
Схема соединения обмоток трансформаторов напряжения в звезду, как и рассмотренная схема соединения обмоток в открытый треугольник, дает возможность включать реле на любые междуфазные напряжения и на напряжения фаз относительно искусственной нейтральной точки системы междуфазных напряжений, а также по отношению к земле, т. е. на любые фазные напряжения.
Рассматриваемую схему можно выполнить посредством трех однофазных трансформаторов напряжения или одного трехфазного пятистержневого. Применение трехфазных трехстержневых трансформаторов напряжения в данном случае не допускается в связи с тем, что при замыкании на землю в сети по первичным обмоткам трансформатора через его заземленную нейтраль проходят большие токи намагничивания нулевой последовательности и трансформатор сильно перегревается.
Схема соединения обмоток трансформаторов напряжения в фильтр напряжения нулевой последовательности. Напряжения отдельных последовательностей можно выделить из полных фазных напряжений посредством фильтров напряжений симметричных составляющих. Так, для получения напряжения нулевой последовательности Uq первичные обмотки трансформаторов должны соединяться в звезду с заземленной нейтралью. Полученные при этом вторичные фазные напряжения суммируются путем соединения вторичных обмоток в разомкнутый треугольник, к которому подключается реле.

Напряжение на обмотке реле

При отсутствии в полных фазных напряжениях составляющих нулевой последовательности напряжение на выходе разомкнутого треугольника близко к нулю. В связи с погрешностью трансформаторов напряжения, наличием в первичных напряжениях гармонических, кратных трем и по другим причинам на зажимах разомкнутого треугольника в нормальном режиме возникает напряжение небаланса, которое обычно не превышает £/>н6> = 3...4 В. Опыт эксплуатации свидетельствует, что трансформаторы напряжения с заземленной первичной обмоткой в сетях с изолированной нейтралью при замыканиях на землю часто повреждаются. Причинами повреждений являются феррорезонансные явления, вследствие которых через обмотки высшего напряжения трансформатора проходят токи, многократно превышающие номинальные значения. Поэтому сам трансформатор напряжения нуждается в защите.
Обычно трансформаторы напряжения изготовляют с двумя вторичными обмотками, одну из которых можно использовать в схеме соединения звезды, а другую — разомкнутого треугольника. В системах с заземленной нейтралью напряжение на зажимах разомкнутого треугольника при замыкании на землю не превышает фазного Щ, а в системах с изолированной нейтралью оно может достигать ЪЩ, поэтому номинальное вторичное фазное напряжение обмоток, соединяемых в разомкнутый треугольник, принимается равным U>lmM> — 100 В, если трансформатор устанавливается в системе с заземленной нейтралью, и равным U>lmu> = 100/3 В, если трансформатор устанавливается в системе с изолированной или заземленной через дугогасящий реактор нейтралью.
Выполнение вторичных цепей трансформаторов напряжения и контроль за их состоянием. Исходя из требований техники безопасности вторичные обмотки трансформаторов напряжения в установках напряжением 500 В и выше должны обязательно заземляться. Предохранители с первичной стороны трансформаторов напряжения не защищают их от перегрузок и коротких замыканий в их вторичных цепях. Поэтому все незаземленные провода, подключаемые к вторичным обмоткам трансформаторов напряжения, соединяются с ними через низковольтные плавкие предохранители или малогабаритные автоматические выключатели, которые являются.более быстродействующими; они надежнее и удобнее предохранителей. Перегорание предохранителей или срабатывание автоматических выключателей и возможные обрывы в цепях напряжения могут повлечь за собой неправильное действие некоторых устройств зашиты и автоматики. Поэтому они должны снабжаться специальными устройствами, автоматически выводящими их из действия при нарушениях целей напряжения. В тех случаях, когда указанные нарушения непосредственно не приводят к неправильной работе устройств защиты и автоматики, достаточна сигнализация об исчезновении напряжения..
3. Реакторы и трансреакторы
Реактор LR состоит из обмотки w и ферромагнитного магнито-про-вода. Ферромагнитные материалы, из которых выполняют магнитопровод реактора, имеют нелинейную характеристику намагничивания B=f, что обусловливает уменьшение их магнитной проницаемости ц. с увеличением напряженности магнитного поля Н. Индуктивное сопротивление реактора X>L> пропорционально магнитной проницаемости и, поэтому оно изменяется с изменением тока в обмотке реактора.

Для уменьшения этой зависимости и обеспечения относительного постоянства сопротивления магнитопровод реактора выполняется разомкнутым. Вместе с тем в ряде устройств, например в магнитных усилителях, используют так назы ваемые управляемые реакторы, сопротивление которых путем соответствующего управления изменяют в требуемых пределах. Для этой цели на замкнутом магнитрпроводе реактора кроме основной обмотки предусмотрена обмотка управления w>y>, по которой проходит постоянный ток управления />у>. Путем изменения этого тока изменяют магнитное состояние магнитопровода, его магнитную проницаемость и тем самым сопротивление X>L>.
Однако необходимо иметь в виду, что характеристики намагничивания ферромагнитных материалов, используемых в управляемых реакторах, имеют выраженный прямоугольный характер. С некоторым допущением их можно представить характеристикой, изображенной на рис. 5, г. При этом магнитопровод имеет два состояния: ненасыщенное и насыщенное. В первом случае ц и X>L> бесконечно велики, а во втором равны нулю. Следовательно, процесс управления не сопровождается непрерывным изменением индуктивного сопротивления. Действительный характер явления подробно рассмотрен в.
В измерительных органах часто ток преобразуется в напряжение путем включения в цепь тока балластных резисторов, реакторов, иногда конденсаторов. Однако в цепи тока можно включать лишь относительно малые сопротивления. Соответственно получаются низкие напряжения, для повышения которых необходим трансреактор.
Трансреактор ТИК выполняет функции реактора и трансформатора, преобразующих ток в напряжение. Он состоит из обмотки w>{> тока, разомкнутого магнитопровода и вторичной обмотки щ, находящейся в ре-жиме, близком к холостому ходу. Поэтому ток /. Он состоит из двух обычных магнитных усилителей, управляемых общим током />у>. Обмотки смещения w>m> включаются так, что характеристика одного магнитного усилителя АЫ смещается в сторону отрицательных значений />у>, а другого AL2 — в сторону положительных значений. При этом в случае />у> = 0 наблюдается равенство выходных токов магнитных усилите лей />н1> = />н2>.

Если нагрузка Z>H> включена на разность токов, то с изменением полярности тока управления />у> изменяется фаза и тока нагрузки />н>.
5. Насыщающиеся трансформаторы тока
В дифференциальной токовой защите для улучшения ее характеристик при переходных процессах применяются насыщающиеся трансформаторы тока. На основе НТТ выполняют измерительные реле двух разновидностей: с насыщающимися трансформаторами тока и с магнитным торможением. При внешних коротких замыканиях и при включениях, например, силовых трансформаторов возникает переходный процесс. Как в том, так и в другом случае защита действовать не должна. Однако ток переходного процесса воздействует на дифференциальную защиту. В начальный момент он обычно содержит апериодическую слагающую. Она и используется для обеспечения недействия защиты, имеющей НТТ.
Насыщающийся трансформатор тока TLAT содержит трехстержне-вой ферромагнитный сердечник. Воздействующая величина поступает в первичную обмотку w>u> а к вторичной w>2> подключается измерительное максимальное реле тока КА. Характеристика />р> =J{Ii) насыщающегося трансформатора зависит от характера изменения тока /,. Если ток /, синусоидальный, то магнитная индукция в сердечнике изменяется в широких пределах — B>min><В< +В>тях>.
Указанному изменению индукции пропорционально среднее значение ЭДС вторичной обмотки и ток />р> в реле. В этом случае НТТ действует как обычный трансформатор тока.
Апериодическая слагающая изменяет режим работы НТТ, она насыщает его магнитопровод. На рис. 10, б показан случай, когда ток />бр >из-за апериодической слагающей полностью смещен относительно оси времени. Прохождение такого тока по обмотке w, НТТ сопровождается изменением индукции только в пределах +B>S>>В> +В>Г>.

Поэтому
среднее значение ЭДС вторичной обмотки
и ток в реле получаются намного меньшими,
несмотря на то, что ток />6ртах>
> I>mi>.
Обмотки
предусмотрены
для усиления действия апериодической
слагающей. Они соединены так, что
магнитные потоки левого и среднего
стержней складываются. Поэтому часть
тока обмотки w,
попадает в обмотку w>2>
путем
двойной трансформации. Таким образом,
апериодическая слагающая не трансформируется
в обмотку w'>K>
и
ухудшает трансформацию периодической
слагающей. Ток двойной трансформации
поэтому оказывается относительно мал.
При отсутствии апериодической слагающей
ток двойной трансформации возрастает.
Изменять
характеристику НТТ можно также путем
изменения степени его намагничивания
дополнительным током управления />у>.
Для этого предусматривается обмотка
управления w>y>.
Магнитный
поток Ф>у>,
обусловленный током />у>,
замыкается только в крайних стержнях
магнитопровода и намагничивает их. Для
исключения влияния на работу реле ЭДС,
индуцированных этим потоком в секциях
вторичной обмотки w>2>,
секции
включены так, чтобы ЭДС вычитались. При
этом магнитный поток Ф, от тока в первичной
обмотке индуцирует в этом контуре ЭДС,
действующие согласно и обусловливающие
ток в обмотке реле. Таким образом, в НТТ
существует трансформаторная связь
только между обмотками w,
и
w>2>,
зависящая
от степени намагничивания магнитопровода,
т. е. от тока />у>.
С увеличением тока />у>,
например от />у1
>до
/>у3>,
степень намагничивания увеличивается
и для получения одного и того же вторичного
тока />р>,
необходимо увеличивать ток /, соответственно
от
до
Зависимость
называется
тормозной
характеристикой, а
обмотка управления — тормозной
обмоткой.

6. Фазоповоротные и частотно-зависимые схемы
Фазоповоротные схемы. С помощью фазоповоротных схем производят линейные преобразования напряжения в напряжение. При этом напряжение на выходе схемы смещается по фазе относительно напряжения на ее входе на некоторый угол а. В процессе преобразования может измениться и значение величины.
Одна
из фазоповоротных схем показана на рис.
12, о. Схема содержит две одинаковые
резисторно-конденсаторные цепи,
соединенные параллельно, к которым
подводится напряжение U>v>
Преобразованное
напряжение
измеряют
между точками вид.
Электрическая
цепь из последовательно соединенных
резисторов Rl,
R2
и
конденсаторов CI,
С2 с
сопротивлениями R
и
Х>с>
дает
возможность получать напряжения
пропорциональные
подведенному напряжению Ц>и>
но
смещенные относительно него по фазе на
некоторые углы в стороны
опережения и отставания,
которые
определяются соотношением R
и
Х>с>,
а
угол между U>R>
и
Ц>с>
во
всех случаях остается равным я/2.

Таким образом, напряжения Ц>х>, Ц>к> и Ц>с> образуют прямоугольный треугольник, опирающийся на диаметр окружности — вектор напряжения Hi с вершиной, скользящей по дуге окружности при изменении соотношения Я и Х>с>. На этой основе построена векторная диаграмма фазоповоротной схемы.
Фазоповоротная
схема, преобразующая ток /, в ток
,
показана на рис. 12, е. Ее векторная
диаграмма не требует пояснений. Изменение
угла а достигается изменением сопротивления
резистора Я
В
ряде случаев на выходе того или иного
элемента необходимо иметь величину
вида
,
Если это ток, то для получения к>2>1
используют
рассмотренную фазоповоротную схему.
Преобразовать напряжение в ток можно
путем включения в цепь сопротивления
На рис. 13, а
показана
схема, состоящая из двух цепей. На вход
одной подается напряжение Л,
а
на вход другой — ток /. Цепи соединены
параллельно, и этим достигается получение
в нагрузке Z„
суммарного
тока
.
На рис. 13, б
показана
схема для получения величин
и
____являющихся
напряжениями. При этом напряжение к>2>£
получено
с помощью трансреактора ТАК
Частотно-зависимые схемы. В ряде автоматических устройств используется изменение частоты синусоидального напряжения. Составной частью измерительных органов этих устройств являются так называемые частотно-зависимые схемы. Изменение частош. напряжения на входе преобразуется ими в изменения амплитэдры или фазы напряжения на выходе.
На рис. 14, а показана частотно-зависимая схема, преобразующая изменение частоты в изменения фазы. Ее использовали, например, для выполнения измерительного реле частоты РЧ-1.


Схема
состоит из частотно-зависимого элемента
и делителя напряжения.
На
вход схемы подается напряжение Ц
с
изменяющейся частотой. Ток £>к>,
проходящий по цепи делителя, и напряжение
Ц>к
>совпадают
по фазе с напряжением JZ.
Фаза
тока в цепи частотно-зависимого элемента
относительно напряжения U
определяется
соотношением сопротивлений Х>ы>
и
Х>с>,
которые
зависят от частоты. При этом ток LtЈ
может
опережать, совпадать и отставать по
фазе от напряжения Ц.
Напряжение
Hue
совпадает
по фазе с током Таким образом, изменение
частоты напряжения Ы.
сопровождается
изменением угла <р сдвига фаз между
напряжениями Hue
и
Ur-
Схема
выполнена так, что напряжение Ц'ю
отстает
от напряжения JZ*,
если частота /' напряжения И
больше
частоты действия реле
,
а
опережает
его, если
7. Фильтры симметричных составляющих тока и напряжения
При нарушении симметричного режима трехфазной системы, например вследствие несимметричных коротких замыканий, в полных фазных токах и напряжениях наряду с током /, и напряжением U\ прямой последовательности появляются составляющие обратной последовательности />2>, Ы.2 и нулевой последовательности />0>, Но. Это дает возможность, в частности, выполнить защиту, реагирующую на появление данных составляющих. Для их выделения из полных фазных токов и напряжений используют устройства, называемые фильтрами симметричных составляющих.
Фильтр тока обратной последовательности. Первичный ток обратной последовательности определяется выражением
,
где
—
фазные токи соответственно
фаз
А,
В и
С;
—
оператор
фазы.
Таким
образом, складывая геометрически
вторичный ток /„ с повернутыми против
часовой стрелки на угол
током
1>Ъ>
и
на угол
током
/>с>,
из несимметричной системы вторичных
фазных токов можно выделить составляющую
обратной последовательности. В общем
случае при наличии несимметрии в полных
фазных токах содержатся все симметричные
составляющие, а на выходе фильтра должен
появиться только ток обратной
последовательности. Для упрощения
фильтра к нему подводят токи, уже не
содержащие составляющих нулевой
последовательности. Если это фазные
токи, то из них предварительно исключают
ток нулевой последовательности, т. е.
фильтр включают на разности токов,
например и. Составляющие нулевой
последова-• тельности в фазных токах
равны по абсолютному значению и совпадают
по фазе, поэтому в разностях фазных
токов,,
они отсутствуют. В связи с этим фильтры
тока обратной последовательности
включают и на разности фазных токов.
Существует множество различных схем
фильтров. Один из них — активно-емкостный
фильтр, используемый в устройствах
полупроводниковых реле тока обратной
последовательности РТФ-8УХЛ4, РТФ-9УХЛ4,
предназначенных для защиты электрических
установок. Фильтр состоит из вторичных
измерительных трансформаторов тока
TLA1
и
TLA2.
Первичные
обмотки трансформаторов включены на
разности токов Ц„
-
/>0>)
и - К вторичным обмоткам трансформаторов
подключены рези-сторно-конденсаторные
цепи так, что токи 1'>а>и£'>с>
разветвляются
между.сопротивлениями резисторов R
и
конденсаторов С. При этом в цепи тп
ток
.
Для получения фильтра тока обратной
последовательности необходимо
сопротивления резисторов R1,
R2
и
конденсаторов Х>а>,
Х>а>
выбрать
так, чтобы при отсутствии в полных фазных
токах, а следовательно, и в токах
тока
обратной последовательности ток /„„
отсутствовал.
Этому
соответствует векторная диаграмма
токов. Здесь токи прямой последовательности
,
проходящие по цепи тп,
равны
и имеют противоположные направления,
поэтому
При
построении векторной диаграммы заданными
являлись векторы токов прямой
последовательности
а
определению подлежали их составляющие
/>ш>,
1>хС2>
и
соответственно
представляющие
собой катеты треугольников тока, как и
в фазопо-воротной схеме.
Из
векторной диаграммы следует

Так как сопротивления обратно пропорциональны токам, то

Для обеспечения равенства токовпо абсолютному значению необ-
ходимо,
чтобы

при
этом
Если
на вход фильтра подать только токи
обратной последовательности, то этому
случаю будет соответствовать векторная
диаграмма, показанная на рис. 15,
е.

Она
отличается от векторной диаграммы токов
прямой последовательности тем, что
векторы токов
меняются
местами.
При
этом на выходе фильтра в цепи тп
появляется
значительный ток
.
Из рассмотрения векторных диаграмм
следует, что если в токах, подводимых к
фильтру, содержатся составляющие прямой
и обратной последовательностей, то на
выходе фильтра появляется ток 1>т>„,
пропорциональный
только току обратной последовательности..
В нормальном режиме и при трехфазных коротких замыканиях к фильтру тока обратной последовательности подводятся токи, содержащие только составляющие прямой последовательности. Поэтому в этих режимах ток в нагрузке фильтра отсутствует. Однако в действительности за счет погрешностей в работе фильтра и наличия некоторой несимметрии подводимых токов в нагрузке фильтра, в частности в обмотке реле, имеется небольшой ток, называемый током небаланса.
Рассмотренный фильтр тока обратной последовательности превращается в фильтр тока прямой последовательности, если поменять местами токи на входных зажимах 1>а> и />с>. Распространение получили также комбинированные фильтры, которые одновременно выделяют составляющие прямой и обратной последовательностей. Такой фильтр в общем случае можно получить, если расстроить фильтр'тока обратной последовательности, изменяя, например, сопротивление резистора R2.
Фильтр
тока
нулевой
последовательности. В соответствии с
методом симметричных составляющих
первичный ток нулевой последовательности
Токи
можно сложить, если вторичные обмотки
трансформаторов тока, установленных в
трех фазах, соединить параллельно
одноименными выводами, а к точкам
соединения подключить обмотку реле КА.
При
этом

Для реальных трансформаторов тока с учетом их токов намагничивания и коэффициентов трансформации ток в реле

или

Ток
нулевой последовательности появляется
при повреждениях на землю. В других
режимах, когда он отсутствует, через
реле проходит только ток небаланса
,
который увеличивается с возрастанием
первичного тока и появлением в нем
апериодической слагающей. Рассмотренная
схема соединения трансформаторов тока
ТА
1—ТАЗ называется
трехтрансформаторным
первичным фильтром тока нулевой
последовательности. Он
используется обычно в защитах элементов
сетей с заземленными нейтралями.
Применяется также однотрансформаторный первичный фильтр, представляющий собой специальный измерительный трансформатор тока нулевой последовательности. Трансформатор состоит из тороидального магнитопровода М, на котором располагается вторичная обмотка. Магнитопровод надевается на трехфазный кабель К, который является первичной обмоткой ТИП. Изготовляются также трансформаторы тока нулевой последовательности с магнитопроводом прямоугольной формы для шинного токопровода.
Первичным током ТИП является сумма фазных токов, проходящих по проводам кабеля или шинам. В нормальном режиме и при многофазных коротких замыканиях сумма фазных токов равна нулю, поэтому магнитный поток в магнитопроводе отсутствует, а ЭДС вторичной обмотки и ток в реле КА тоже равны нулю.
При замыкании на землю эквивалентный первичный ток определяется токами нулевой последовательности. Он обусловливает в магнитопроводе поток, который наводит ЭДС во вторичной обмотке ТНП, возбуждающую ток в реле. Таким образом, ток в обмотке реле появляетс* только при замыкании на землю; он пропорционален току нулевой последовательности />0>.
В действительности в ТНП осуществляется суммирование не токов I>A>, I>B>t £>с>, а соответствующих магнитных потоков Ф^, Ф_>д> и Ф_>с>, которые, замыкаяа по магнитопроводу, образуют результирующий поток первичной обмотю-Ф = + Ф_д + Ф_>с>. Взаимные индуктивности между проводами фаз защищаемой установки и вторичной обмоткой ТНП не одинаковы, что обусловливает наличие некоторого потока небаланса Ф>н6> в магнитопроводе и тока небалансе />н6> в обмотке реле при нормальной работе и многофазных коротких замыканиях, не связанных с землей.
Таким образом, существенное отличие ТНП от трехтрансформаторногс фильтра состоит в том, что его ток небаланса определяется только несимметрией расположения проводов фаз кабеля относительно магнитопровода и вторичной обмотки. Поэтому он значительно меньше тока небаланса трехтрансформа-торного фильтра и обычно не превышает />н6> = 8... 10 мА. Область применение ТНП определяется защитами от замыкания на землю в системах с изолированной и компенсированной нейтралью.
Для повышения чувствительности защиты трансформатор тока нулевой последовательности выполняют с подмагничиванием. Сущность подмагничивания состоит в том, что с помощью дополнительной обмотки в ТНП создается вспомогательный магнитный поток, благодаря которому трансформатор работает в оптимальном режиме, отдавая вс вторичную цепь наибольшую мощность. Первичная обмотка ТНП состоит из одного витка, поэтому магнитодвижущая сила F>3>, обусловленная первичным током замыкания на землю в сети с изолированной нейтралью, мала. Из характеристики намагничивания ТНП видно. что при отсутствии подмагничивания МДС F>3> создает во вторичной обмотке ТНП небольшую ЭДС £>2>.

При наличии подмагничивания магнитодвижущая сила F>nM> перемещает рабочую точку характеристики в область наибольшей крутизны, в результате при той же F>3> ЭДС во вторичной обмотке значительно возрастает до £>2>". Соответственно увеличивается ток в реле, т. е. повышается чувствительность защиты.
Источником тока подмагничивания служит первичный измерительный трансформатор напряжения. Для исключения трансформаторной связи между обмоткой подмагничивания и вторичной обмоткой магнито-провод ТНП выполняют из двух частей, имеющих самостоятельные секции обмотки подмагничивания w>nM> и вторичной обмотки w>2>. Секции обмотки w>nM> одна относительно другой включены встречно, а секции обмотки w>2> — согласно. Поэтому ЭДС, наводимые в секциях вторичной обмотки магнитным потоком подмагничивания, компенсируются, а при отсутствии составляющих нулевой последовательности в первичных токах по обмотке реле проходит только ток небаланса />н6>.
В общем случае ток 1^ содержит две составляющие, одна из которых />н6> >нс >обусловлена несимметричным расположением первичных токопроводов относительно вторичной обмотки, а вторая />н6пм> — неидентичностью магнитопрово-дов ТНП. В паспортных данных ТНП задают соответствующие им ЭДС небаланса ^нб.нс и при номинальном режиме трансформатора тока />|ном> и С/>пм> >ном>. Определяя ток небаланса, обе его составляющие складывают арифметически, причем составляющую />н6> >нс> находят не для номинального режима ТНП, а для случая внешнего короткого замыкания, когда в первичной цепи проходит ток, в к раз больший номинального:

Здесь
—
соответственно сопротивление обмотки
реле и эквива-
лентное сопротивление ветви намагничивания трансформатора тока, отнесенное к вторичной обмотке.
При
исчезновении намагничивания второе
слагаемое в равно нулю,
но одновременно резко снижается
сопротивление
Поэтому
в целом ток 1^
может
возрасти. Полагая в
можно
получить

При
определении вторичного тока небаланса
расчетным служит большее из двух
значений, полученных по и. Первичный
ток небаланса Г>ш>,
приведенный
к вторичной обмотке в соответствии с
эквивалентной схемой ТНП, распределяется
между сопротивлениями

где w>t> = 1 — число витков первичной обмотки ТНП.
Трансформатор тока нулевой последовательности с подмагничива-нием используется прежде всего в защитах от замыкания на землю синхронных генераторов.
Фильтр напряжения обратной последовательности. Напряжение обратной последовательности можно выделить с помощью ФНОП. Междуфазные напряжения Иы> И™ как известно, не содержат составляющих нулевой последовательности, поэтому для упрощения конструкций фильтра целесообразно включить его не на фазные, а на линейные напряжения. Наиболее распространены фильтры, состоящие из резисторно-конденсаторных цепей, рассмотренных в 6.
Фильтр содержит две цепи — а и с, включенные соответственно на напряжения и U^.. При этом вершине прямоугольного треугольника напряжений в цепи а соответствует точка т, а в цепи с — точка п, являющиеся выходными зажимами фильтра. Сопротивления цепей фильтра Х>а>, R>B> и Х>с>, R>c> подбирают таким образом, чтобы при подводе к фильтру междуфазных напряжений, не содержащих составляющих обратной последовательности, на его выходных зажимах напряжение U>m>„ было равно нулю. В этом случае на векторной диаграмме фильтра точки тип совпадают.
При построении векторной диаграммы прежде всего изображают векторы подведенных к цепям фильтра напряжений прямой последовательности U>lab> и U>ibc>. Затем для каждой цепи строят треугольник напряжений с учетом принятых направлений токов /„ и />с>.

Из полученных треугольников можно определить соотношения сопротивлений R>B>, Х>а> и R>c>, Х>с>:

Так как конденсаторы имеют стандартные емкости, то резисторы выполняют с непрерывным изменением их сопротивлений, позволяющим устанавливать их расчетные соотношения. Сопротивления определяются расчетом фильтра исходя из условия отдачи максимальной мощности. Это достигается при равенстве абсолютных значений сопротивления нагрузки фильтра, например реле Z>p>, подключаемого к фильтру, и внутреннего сопротивления фильтра Z>K>^, замеренного со стороны вторичных зажимов при закороченных первичных.
Векторная
диаграмма напряжений обратной
последовательности отличается от
векторной диаграммы напряжений прямой
последовательности тем, что междуфазные
напряжения Ц>аЬ>
и
Ц>са>
меняются
местами, а вектор напряжения Иьс
поворачивается
на угол я. При этом изменяют положение
и треугольники напряжений, а их вершины
тип
смещаются
относительно друг друга. Напряжение
U>mn>
между
точками тип
является
напряжением на выходе фильтра в режиме,
когда его выходные зажимы разомкнуты.
Оно пропорционально подведенному
напряжению обратной последовательности.
Согласно векторной диаграмме
В
общем случае, когда в подведенных к
фильтру напряжениях содержатся
составляющие прямой и обратной
последовательностей, анализ работы
фильтра проводится аналогично. При этом
на его разомкнутых выходных зажимах
тип
появляется
напряжение Ц>т>„,
пропорциональное
только напряжению обратной
последовательности, т. е.
,
где т>х>
—
коэффициент пропорциональности,
называемый отношением
холостого хода.
В нормальном симметричном режиме и при трехфазных коротких замыканиях на выходе фильтра имеется небольшое напряжение небаланса 1/>н6>, которое определяется погрешностью в работе фильтра и наличием некоторой несимметрии системы входных напряжений. Погрешность в работе фильтра увеличивается при отклонении частоты, так как изменяется сопротивление конденсаторов фильтра и нарушается расчетное соотношение между R и X.
Рассмотренный
фильтр можно использовать и как фильтр
напряжения прямой последовательности.
Для этого достаточно поменять местами
входные зажимы фильтра, например о и с.
Если в фильтре нарушается указанное
соотношение между Я и А', то получается
комбинированный
Фильтр,
напряжение на выходе которого
пропорционально
8. Преобразователи синусоидальных токов и напряжений в постоянные токи и напряжения и их применение
Применяемые схемы выпрямления. Наибольшего распространения получила схема двухполупериодного выпрямления И9. Основными элементами ее являются вентили — обычно кремниевые диоды VD1—VD4. Они включаются так, что при активной нагрузке R„ в первый полупериод открытыми оказываются, например, диоды VD1—VD3, а во второй — диоды VD2—VD4.

При этом на выходе схемы в нагрузке R„ выпрямленные ток и напряжение не постоянны. Они содержат постоянную составляющую, которая является средним значением выпрямленных величин и переменную составляющую. Постоянные составляющие тока и напряжения

где />ти>, — максимальные, / и U— действующие значения синусоидальных тока и напряжения.
Переменная составляющая содержит в основном гармоническую двойной частоты. Для правильного функционирования устройств релейной защиты и автоматики переменная составляющая обычно нежелательна, поэтому принимают, меры по ее уменьшению. В частности, включают конденсатор параллельно нагрузке или реактор последовательно с ней.
Схемы трехфазного выпрямителя содержат шесть диодов, включенных так, что при подаче на вход схемы синусоидальных напряжений фаз А, В, С потенциал точки / равен высшему, а потенциал точки 2 —- низшему из потенциалов фаз А, В, С. При этом открытыми оказываются диод, связывающий точку / с фазой, имеющей высший потенциал, и диод, связывающий точку 2 с фазой, имеющей низший потенциал. Если в рассматриваемый момент времени фаза А имеет высший, а фаза В — низший потенциал, то открытыми будут диоды VD1 и VD5, а путь прохождения тока — таким, как показано на рис. 20, а. При симметричных напряжениях фаз и активной нагрузке среднее значение выпрямленного напряжения на нагрузке {/>ср> = 2,34£/>ф>, где и>ф> — действующее значение фазного напряжения.
Если на вход схемы подаются синусоидальные токи, сумма которых в каждый момент времени равна нулю, то одновременно оказываются открытыми три диода.

Через один из них ток проходит в нагрузку, а через два других возвращается, либо через два диода проходит в нагрузку, а через один возвращается. Так, если ток проходит через VD2, то возвращается через VD4 и VD6. При симметричных токах среднее значение выпрямленного тока в активной нагрузке 1^ = 1,35/. Если в выпрямляемых токах имеются составляющие нулевой последовательности, то эти составляющие не смогут попасть в нагрузку. Для создания такого пути в схему выпрямления вводят дополнительно два диода VD4, VD8.
Максиселекторы и миниселекторы используются для выделения максимального тока или минимального напряжения, которые обычно являются током и напряжением поврежденной фазы. Эти устройства позволяют выполнить защиту от всех видов КЗ односистемной, т. е. имеющей только один измерительный орган. Так выполнена, например, максимальная токовая защита устройства ЯРЭ-2201. Для выделения максимального тока использован максиселек-тор, имеющий промежуточные трансформаторы тока TLA1—TLA3, к вторичным обмоткам которых подключены двухполупери-одные выпрямители VS1—VS3. Для выделения из подведенных токов /„, 1>Ь>, 1>С> тока, мгновенное значение которого больше, выходы выпрямителей соединены последовательно и подключены к нагрузке R„. Наибольший выпрямленный ток соответствующего выпрямителя проходит через нагрузку к двум остальным выпрямителям, открывая все их диоды. При этом два других тока замыкаются через диоды своих выпрямителей и не выходят во внешнюю цепь. Иногда подводимые к максиселектору токи предварительно преобразуются в напряжения, например, с помощью трансреакторов. При этом для максиселектора может быть использована рассмотренная выше трехфазная двухполупериодная схема выпрямления. Напряжение на выходе этой схемы пропорционально наибольшему из подводимых токов. Такой максиселектор применен, например, в дистанционной защите ДЗ-10.
Миниселектор представляет собой устройство, на вход которого подаются выпрямленные напряжения, пропорциональные, например, линейным напряжениям Ц>аЬ>, Ц>Ьс>, Ц>св>, а на выходе всегда выделяется напряжение, пропорциональное наименьшему из подводимых напряжений.

Работу миниселектора поясняет схема, на которой R„ — сопротивление нагрузки {/,, U>2>, С/>3> — напряжения на входах мини-селектора, U>on> — опорное напряжение. Пусть выполняется условие Ui< U>2>< U>3>. Если при этом Е/, < Е/>оп>, то диод VD1 открывается и под действием напряжения, равного разности, начинает проходить ток i в направлении, показанном стрелкой. Диоды VD2 и VD3 продолжают оставаться закрытыми, так как к первому из них прикладывается обратное напряжение, равное разности, а ко второму — напряжение. Если U>x> > U>on>, то все диоды оказываются закрытыми и ток в нагрузке R>H> отсутствует. Таким образом, ток в нагрузке определяется разностью напряжения £4п и наименьшего из напряжений
Ц - и>3>.
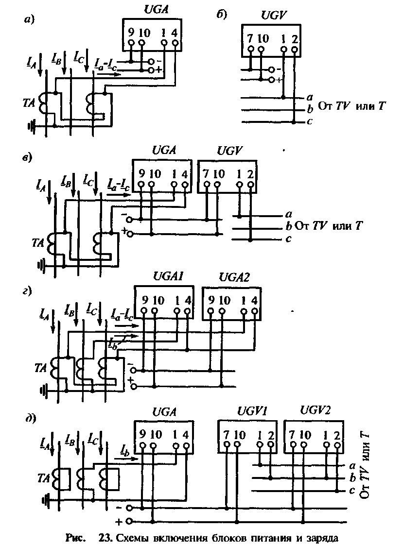
Блоки питания предназначены для обеспечения оперативным выпрямленным током устройств релейной защиты и автоматики. Они обычно подключаются к первичным измерительным трансформаторам тока, напряжения или трансформаторам собственных нужд подстанций. Существует несколько типов блоков питания UGA, подключаемых к трансформаторам тока ТА, отличающихся главным образом отдаваемой мощностью. Все они содержат промежуточный насыщающийся трансформатор тока TLAT и двухполупериодный выпрямитель VS на выходе. Использование насыщающегося трансформатора тока необходимо для поддержания достаточно стабильного напряжения на выходе блока питания при изменении тока i в широких пределах. Однако из-за насыщения магнитопровода TLAT резко искажается форма кривой вторичного напряжения, а его амплитуда при значительных нагрузках блока существенно возрастает. В связи с этим принимаются меры по ограничению амплитуды вторичного напряжения до приемлемых значений. Одной из мер стабилизации является включение параллельно вторичной обмотке TLAT конденсатора С1, обеспечивающего вместе с ветвью намагничивания трансформатора феррорезонансную стабилизацию напряжения на выходе блока. Вторичная обмотка имеет ответвления для подрегулировки тока наступления феррорезонанса и для получения требуемого номинального напряжения. Последовательное и параллельное включение секций первичной обмотки TLAT, а также наличие в них ответвлений позволяют изменять входное сопротивление блока и уставки по току наступления феррорезонанса.

В, устройствах релейной защиты и автоматики в качестве кратковременных источников оперативного тока применяются коденсаторные батареи, заряженные в нормальном режиме работы. Заряжаются конденсаторные батареи с помощью специальных зарядных устройств. Однако для этой цели можно использовать блоки питания, если к выходу выпрямителя VS подключить диод VD и резистор R. Для медленного заряда конденсаторной батареи С2 она включается через резистор R. Диод VD исключает ее разряд при исчезновении тока i на входе TLAT. Такие блоки получили названия блоков питания и заряда. К ним относится блок БПЗ-402. Его мощность не превышает 200 Вт.
Блоки питания VGV, подключенные к трансформатору напряжения TV или трансформатору Т собственных нужд, содержат промежуточный трансформатор напряжения и выпрямитель. Первичная обмотка промежуточного трансформатора состоит из двух секций, а вторичная имеет ответвления. Соединяя секции параллельно или последовательно, можно блок питания включать на номинальные входные напряжения, например ПО и 220 В соответственно. Ответвления на вторичной обмотке позволяют иметь неизменный уровень выпрямленного напряжения при различных входных напряжениях.
Стабилизация вторичного напряжения промежуточного трансформатора предусматривается не всегда. Так, она отсутствует, например, в блоке питания и заряда БПЗ-401.
Блоки питания и заряда могут работать в двух режимах: в режиме постоянного питания устройств зашиты и автоматики выпрямленным оперативным током или в режиме заряда конденсаторных батарей, используемых в качестве кратковременных источников оперативного тока для приведения в действие коммутационных аппаратов и устройств защиты и автоматики. В режиме заряда к блокам питания и заряда можно подключить и нагрузку небольшой мощности.
На рис. 23 показаны схемы подключения блоков питания и заряда UGA типа БПЗ-402 к измерительным трансформаторам тока ТА и VGVmm БПЗ-401 — к трансформаторам напряжения TV или к трансформаторам собственных нужд Т. Включение токовых цепей релейной защиты и автоматики на трансформаторы тока, используемые для питания блоков питания VGA, не допускается. Блоки VGA и VGV можно использовать как раздельно, так и совместно.

Промышленность выпускает также блоки питания серии БПТ-11 и БПН-11. Основная область их применения — элементы системы электроснабжения, оборудованные выключатели с легкими приводами, где они могут обеспечить питание электромагнита отключения с номинальной мощностью 20...25 Вт, а также питание устройств защиты сигнализации однофазных замыканий на землю в сетях с изолированной или компенсированной нейтралью. Выпускаются также мощные блоки питания БПТ-1002 и БПН-1002, предназначенные для питания выпрямленным оперативным током аппаратуры релейной защиты, сигнализации и управления, выполненной на номинальное напряжение ПО или 220 В, имеющие номинальную мощность 800...1500 Вт в кратковременном режиме.