Пеленгатор постановщиков активных помех
Министерство общего и профессионального образования
Российской Федерации
Самарский государственный аэрокосмический университет
имени академика С. П. Королёва
Кафедра микроэлектроники
Курсовая работа по дисциплине:
Принципы инженерного творчества.
Пеленгатор постановщиков активных помех.
Студент гр. 535 Богданов Д. С.
Руководитель Шопин Г. П.
г. Самара
2006 г.
Реферат.
Курсовой проект.
Пояснительная записка содержит 23 с., 5 рис., 3 источника.
АМПЛИТУДНЫЙ ПЕЛЕНГАТОР, ПОСТАНОВЩИК АКТИВНЫХ ПОМЕХ, ДЕТЕКТОР-ИНТЕГРАТОР, ЭПЮРА ВЫХОДНОГО СИГНАЛА, ДИАГРАММА НАПРАВЛЕННОСТИ, УРОВЕНЬ ЛОЖНЫХ ТРЕВОГ, ОПИСАНИЕ ИЗОБРЕТЕНИЯ, ФОРМУЛА ИЗОБРЕТЕНИЯ, ДЕРЕВО ЦЕЛЕЙ И СРЕДСТВ.
В работе рассмотрен процесс внесения усовершенствований в конструкцию пеленгатора постановщиков активных помех. Произведен анализ конструкции прототипа, поиск и теоретическое решение противоречия, подбор конкретного технического решения для устранения противоречия. В результате работы получено новое устройство, обладающее более высокой чувствительностью по сравнению с прототипом при неизменном уровне ложных тревог.
Курсовая работа рассчитана на студентов, обучающихся по специальности 210201.
Содержание
Введение........................................................................................................стр.4
1. Описание работы прототипа...................................................................стр.7
2. Формула изобретения прототипа...........................................................стр.10
3. Дерево целей и средств...........................................................................стр.11
4. Противоречия. Решение противоречий.................................................стр.12
5. Описание работы нового устройства.....................................................стр.13
6. Формула изобретения нового устройства.............................................стр.16
Заключение...................................................................................................стр.17
Список использованных источников.........................................................стр.19
Приложение..................................................................................................стр.20
Введение.
В настоящее время существует множество устройств радиолокации, радионавигации и пеленгации. Ими оснащаются современные морские суда, летательные аппараты, космические аппараты и т. д., причем как гражданские, так и военные. Препятствием для работы такого устройства может стать радиолокационная помеха. Радиолокационные помехи (более точный термин — противорадиолокационные помехи) – это умышленные помехи, затрудняющие или нарушающие в военных целях нормальную работу радиолокационных (РЛ) средств: радиолокационных станций (РЛС), головок самонаведения управляемых ракет или авиабомб, радиовзрывателей и т.д.
Различают активные и пассивные радиопомехи. Активные помехи создаются специальными приёмо-передающими или передающими радиоустройствами – станциями или передатчиками радиопомех, пассивные помехи – различными искусственными отражателями радиоволн. (К пассивным помехам относят также отражения радиоволн от местных предметов и природных образований, мешающие работе РЛС; эти помехи не имеют непосредственного отношения к умышленному радиопротиводействию). По характеру воздействия активные радиопомехи делят на маскирующие и имитирующие (дезориентирующие). Маскирующие помехи создаются хаотическими, шумовыми сигналами, среди которых трудно выделить сигналы, полученные от объектов; имитирующие — сигналами, похожими на сигналы от объектов, но содержащими ложную информацию. Активные маскирующие помехи часто имеют вид радиочастотных колебаний, модулированных шумами, или шумовых колебаний, подобных собственным шумам РЛ приёмника. В зависимости от ширины частотного спектра их подразделяют на прицельные, имеющие ширину спектра, соизмеримую с полосой пропускания РЛ приёмника, и заградительные, «перекрывающие» определённый участок радиочастотного диапазона. Активные помехи могут также иметь вид зондирующих РЛ сигналов, модулированных по амплитуде, частоте, фазе, времени задержки или поляризации (их формируют из зондирующих сигналов, принимаемых на станции помех). Такие помехи называются ответными, они могут быть как имитирующими, так и маскирующими.
Станции радиопомех размещают на защищаемых объектах или вне их. Современные самолётные станции помех обладают мощностью ~ 10-103 Вт в непрерывном режиме и на порядок выше — в импульсном; максимальное усиление антенны обычно 10-20 дБ. Мощности наземных и корабельных станций помех, как правило, выше. Для создания пассивных помех используют дипольные, ленточные, уголковые и диэлектрические линзовые отражатели, антенные решётки, надувные металлизированные баллоны и др. На индикаторах РЛС (на отдельных участках экрана электроннолучевой трубки или по всему экрану) помехи создают шумовой фон или ложные отметки объектов, что в значительной степени осложняет обнаружение объектов, целераспределение и сопровождение их. Воздействуя на устройства автоматического обнаружения и сопровождения объектов, помехи могут вызывать перегрузку устройств автоматической обработки данных, срыв автоматического сопровождения объектов, вносить большие ошибки в определение местоположения и параметров движения объектов.
В этих условиях естественно возникает борьба радиолокационных систем между собой, называемая радиопротиводействием. Неотъемлемой областью радиопротиводействия является пеленгация постановщиков активных помех.
Пеленгация – это определение направления на какой-либо объект через угловые координаты. Возможность пеленгации объекта обусловливается его контрастностью на окружающем фоне (различием физических свойств объекта и фона). Различают пассивную пеленгацию, когда используется естественную контрастность пеленгуемого объекта, и активную, когда объект облучается электромагнитными или звуковыми волнами от искусственного излучателя и наблюдается отражённое им излучение или ретранслированные сигналы (например, пеленгация с использованием лазерных источников излучения).
В зависимости от способа обработки принимаемых сигналов различают методы пеленгации. При пеленгации амплитудным методом производится изменение пространственного положения диаграммы направленности антенны передатчика или приёмника. Определение направления на пеленгуемый объект может осуществляться по максимуму или минимуму амплитуды принимаемого сигнала, а также способом сравнения. При пеленгации фазовым методом приём ведётся на разнесённые в пространстве антенны, стабилизированные в основных плоскостях; измеряемой величиной является разность фаз принимаемых антеннами сигналов, которая зависит от угловых координат объекта.
Одним из негативных явлений при пеленгации является ложная тревога, вероятность которой оценивается с помощью специального параметра – уровня ложных тревог. Как правило, снижение уровня ложных тревог (вероятности ложной тревоги) ведет за собой снижение чувствительности пеленгатора. Решение этого противоречия является основной задачей данной работы.
1. Описание работы прототипа.
Амплитудный пеленгатор для постановщиков активных помех (рис.1) содержит антенну 1, приемник 2,к которому подключены детектор-интегратор 3, блок 4 памяти и блок 5 усреднения усиления, выходы блоков 4 и 5 подключены к устройству 6 сравнения, подключенному в свою очередь к счетно-решающему блоку 7.
Для пояснения принципа работы используются эпюры выходных сигналов указанных блоков (за исключением блока 7) при сканировании по угловой координате в некоторой окрестности одного постановщика активных помех (ПАП) (рис.2).
На выходе антенны 1 имеется некоторый сигнал, представляющий собой стационарный релеевский случайный процесс с резким увеличением амплитуды колебаний и упорядочением частоты в момент пеленга (рис. 2, а). Сигнал попадает на приемник 2, где происходит усиление и удаление угловой модуляции (рис.2, б).
Далее сигнал проходит через детектор-интегратор 3, строящий огибающую амплитуды (рис. 2, в). С выхода детектора-интегратора 3 сигнал поступает в блок 4 памяти, где запоминается через промежутки времени t, значительно меньшие времени поворота антенны на всю ширину диаграммы направленности (рис.2, г), и в блок 5 усреднения усиления, где за некоторый промежуток времени T, включающий в себя t, и значительно больший формируется среднее значение напряжения. Наличие блока 5 усреднения усиления позволяет снизить вероятность ложных тревог, обусловленных случайными выбросами диаграммы направленности. Сигналы с блока 4 памяти и блока 5 усреднения усиления сравниваются между собой (рис.2, д) в устройстве 6 сравнения, и при превышении сигналом с блока 4 памяти значения сигнала с блока 5 усреднения усиления на выходе устройства 6 сравнения формируется сигнал, свидетельствующий о наличии пеленга (рис.2, е) в виде прямоугольного импульса, середина которого соответствует точному моменту пеленга.

Рисунок 1 - Структурная схема прототипа.
U
а
)
t
U
б)
t t
U
в)
t
U
г)
t
U
д)
t
U
е)
t
Рисунок 2 - Эпюры выходных сигналов: а) с антенны; б) с приемника;
в) с детектора-интегратора; г) с блока памяти; д) с блоков памяти и усреднения усиления; е) с устройства сравнения.
2. Формула изобретения прототипа.
Амплитудный пеленгатор для постановщиков активных помех, содержащий последовательно соединенные антенну, приемник и детектор-интегратор, а также блок сравнения, к выходу которого подключен счетно-решающий блок, отличающийся тем, что с целью обеспечения однозначности пеленга при минимальном заданном уровне ложных тревог, в него дополнительно введены блок памяти и блок усреднения усиления, включенные параллельно к выходу детектора-интегратора, выходы которых подсоединены к входам блока сравнения.
3. Дерево целей и средств.
Дерево целей и средств позволяет представить устройства пеленгации и сопровождения цели, как комплекс различных приборов, подразделяемых на активные и пассивные – по наличию источника излучения, на обладающие подвижной или неподвижной антенной – по конструкции и на амплитудные, частотные и фазовые – по принципу действия, а также используется для анализа и решения противоречий.

Рисунок 3 – Дерево целей и средств.
4. Противоречия. Решение противоречий.
Основным недостатком прототипа является неизбежное снижение чувствительности при снижении задаваемого уровня ложных тревог. Это объясняется тем, что пеленгация осуществляется лишь по одному признаку – амплитуде входного сигнала.
Целью нового устройства является повышение чувствительности при сохранении прежнего уровня ложных тревог.
Поставленная цель достигается тем, что в пеленгатор ПАП, содержащий антенну, приемник, детектор-интегратор, блок памяти, блок усреднения усиления, устройство сравнения, счетно-решающий блок, дополнительно введен блок проверки частоты, в состав которого входят последовательно соединенные усилитель, блок синхронизации фазы, источник опорного колебания, первый детектор, первый сумматор, второе устройство сравнения, а также второй сумматор, входы которого подключены к выходам усилителя и источника опорного колебания, а выход подключен через второй детектор ко второму устройству сравнения, вход усилителя подключен к выходу антенны, второй вход блока синхронизации фазы подключен к выходу первого устройства сравнения, выход второго блока сравнения подключен к входу счетно-решающего блока.
В том случае, если частоты входного сигнала и опорного колебания совпадут, сигналы на входах второго устройства сравнения станут практически равными, и на счетно-решающий блок будет подан сигнал об успешной пеленгации (логическая единица). Если частоты входного сигнала и опорного колебания не совпадут, то сигналы на входах второго устройства сравнения будут сильно различаться и на счетно-решающий блок будет подан сигнал о том, что запеленгованный источник сигнала не является ПАП (логический ноль).
Таким образом, противоречие устранено – возможно принятие однозначного решения о пеленге при высокой чувствительности пеленгатора.
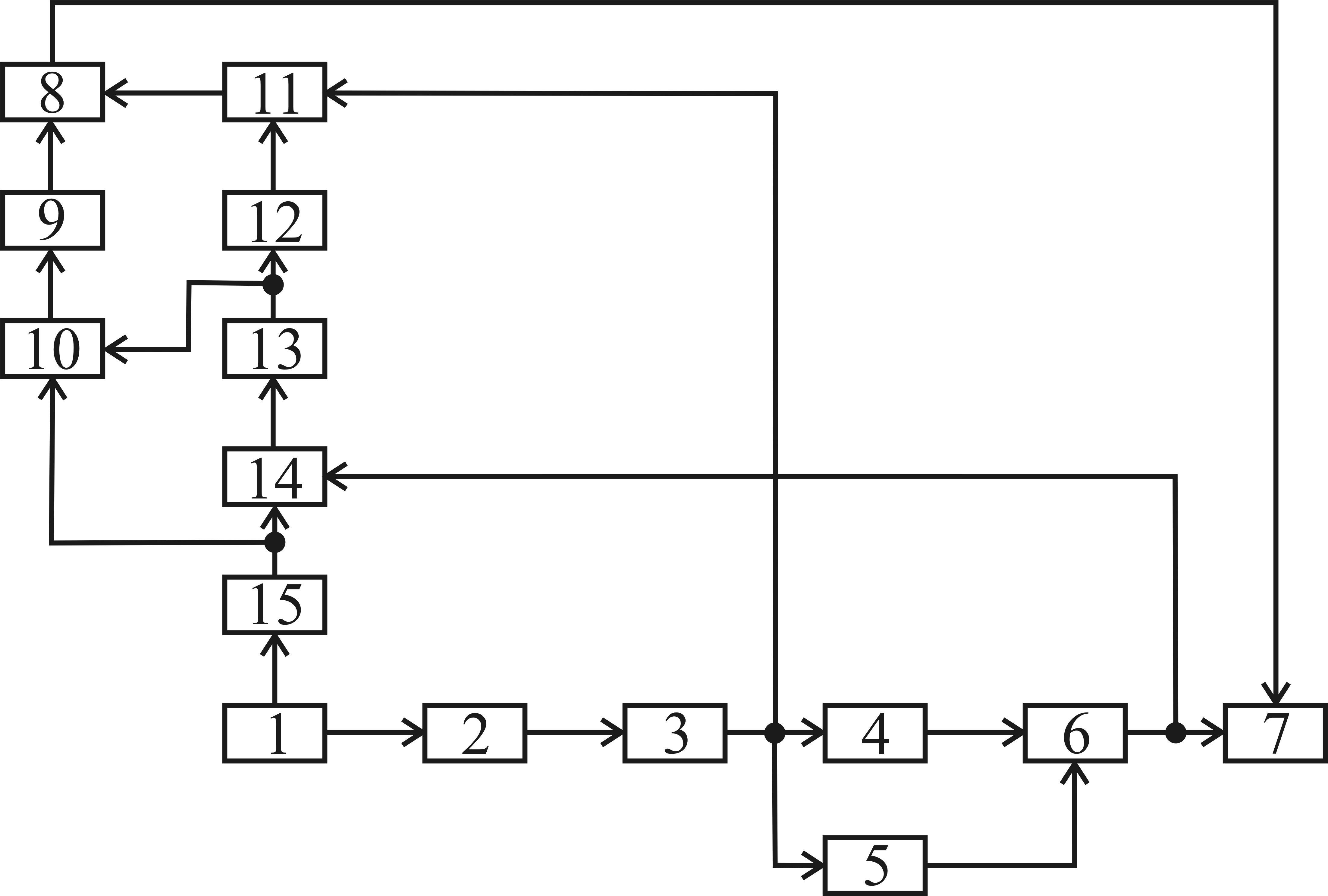
5. Описание работы нового устройства.
На выходе антенны 1 имеется некоторый сигнал, представляющий собой стационарный релеевский случайный процесс с резким увеличением амплитуды колебаний и упорядочением частоты в момент пеленга (рис.5, а). Сигнал попадает на приемник 2, где происходит усиление и удаление угловой модуляции (рис.5, б).
Далее сигнал проходит через детектор-интегратор 3, строящий огибающую амплитуды (рис.5, в). С выхода детектора-интегратора 3 сигнал поступает в блок 4 памяти, где запоминается через промежутки времени t, значительно меньшие времени поворота антенны на всю ширину диаграммы направленности (рис.5, г), и в блок 5 усреднения усиления, где за некоторый промежуток времени T, включающий в себя t, и значительно больший формируется среднее значение напряжения. Наличие блока 5 усреднения усиления позволяет снизить вероятность ложных тревог, обусловленных случайными выбросами диаграммы направленности. Сигналы с блока 4 памяти и блока 5 усреднения усиления сравниваются между собой (рис.5, д) в первом устройстве сравнения 6, и при превышении сигналом с блока 4 памяти значения сигнала с блока 5 усреднения усиления на выходе первого устройства сравнения 6 формируется сигнал, свидетельствующий о наличии пеленга (рис.5, е) в виде прямоугольного импульса, середина которого соответствует точному моменту пеленга.
Сигнал с антенны 1 также поступает на усилитель 15, не теряя угловой модуляции проходя через него (рис.5, ж). Блок 14 синхронизации фазы, получая сигнал с выхода первого устройства сравнения 6, запускает источник опорного колебания 13 синфазно с входным сигналом (рис.5, з). Сигнал от источника опорного колебания 13, пройдя через первый детектор 12, складывается в первом сумматоре 11 с сигналом детектора-интегратора 3 и поступает на вход второго устройства сравнения 8 (рис.5, к, кривая I). В сумматоре 10 складываются сигналы усилителя 15 и источника опорного колебания 13, а затем детектируются вторым детектором 9 и поступают на вход второго устройства сравнения 8. Сигнал с выхода первого сумматора 11 по мощности всегда равен сумме мощностей сигналов на его входах, т. к. на его входы поступают уже продетектированные сигналы. Сигнал с выхода второго сумматора 10 равен по мощности сумме сигналов на его входах только в том случае, если сигналы на его входах обладают одинаковой частотой и синфазны (т. е. наблюдается явление резонанса) (рис.5, и). Для обеспечения синфазности сигналов одинаковой частоты на входах второго сумматора 10 служит блок синхронизации фазы 14. Равное (или близкое в пределах допустимой погрешности) значение сигналов на входах второго устройства
сравнения 8 (рис.5, к) означает успешную пеленгацию ПАП. Сильно различающееся значение сигналов на входах второго устройства сравнения 8 означает, что запеленгованный источник сигнала не является ПАП.

Рисунок 4 - Структурная схема нового устройства.
U U
а
)
ж)
t t
U
б
)
U
з)
t
t
U
в) U
t и)
U
г)
t
t
U
д)
t
U
к)
U
е)
t t
Рисунок 5 - Эпюры выходных сигналов: а) с антенны; б) с приемника;
в) с детектора-интегратора; г) с блока памяти; д) с блоков памяти и усреднения усиления; е) с первого устройства сравнения; ж) с усилителя; з) с источника опорного колебания; и) со второго сумматора; к) кривая I – с выхода первого сумматора, кривая II – с выхода второго детектора.
6. Формула изобретения нового устройства.
Пеленгатор для постановщиков активных помех, содержащий последовательно соединенные антенну, приемник, детектор-интегратор, блок памяти, первое устройство сравнения, счетно-решающий блок, а также блок усреднения усиления, вход которого подключен к выходу детектора-интегратора, а выход подключен к второму входу первого устройства сравнения, отличающийся тем, что с целью обеспечения максимальной чувствительности при минимальном заданном уровне ложных тревог, в него дополнительно введены последовательно соединенные усилитель, блок синхронизации фазы, источник опорного колебания, первый детектор, первый сумматор, второе устройство сравнения, а также второй сумматор, первый вход которого подключен к выходу усилителя, а второй вход подключен к выходу источника опорного колебания, второй детектор, вход которого подключен к выходу второго сумматора, а выход подключен к второму входу второго устройства сравнения, вход усилителя подключен к выходу антенны, второй вход первого сумматора подключен к выходу детектора-интегратора, второй вход блока синхронизации фазы подключен к выходу первого устройства сравнения, выход второго устройства сравнения подключен к второму входу счетно-решающего блока.
Заключение
Устройство относится к средствам пеленгации, в частности, к пеленгаторам постановщиков помех.
Наиболее близким по технической сущности к новому техническому решению является амплитудный пеленгатор для постановщиков активных помех, содержащий антенну, приемник, детектор-интегратор, блок памяти, блок усреднения усиления, устройство сравнения, счетно-решающий блок.
(Патент РФ №2074403 кл. G01S3/06, 1997).
Противоречие прототипа заключается в неизбежном падении чувствительности при задании низкого уровня ложных тревог, в силу того, что пеленгация осуществляется лишь по одному параметру – амплитуде принимаемого сигнала притом, что сигнал, сам по себе, более информативен (что отражено в дереве целей и средств). В то же время устройства, измеряющие и анализирующие частоту и фазу принимаемого сигнала имеют гораздо более сложную конструкцию.
Целью нового устройства является обеспечение максимальной чувствительности при минимально заданном уровне ложных тревог.
Поставленная цель достигается тем, что в пеленгатор, содержащий антенну, приемник, детектор-интегратор, блок памяти, блок усреднения усиления, устройство сравнения, счетно-решающий блок, дополнительно введены последовательно соединенные усилитель, блок синхронизации фазы, источник опорного колебания, первый детектор, первый сумматор, второе устройство сравнения, а также второй сумматор, первый вход которого подключен к выходу усилителя, а второй вход подключен к выходу источника опорного колебания, второй детектор, вход которого подключен к выходу второго сумматора, а выход подключен к второму входу второго устройства сравнения, вход усилителя подключен к выходу антенны, второй вход первого сумматора подключен к выходу детектора-интегратора, второй вход блока синхронизации фазы подключен к выходу первого устройства сравнения, выход второго устройства сравнения подключен к второму входу счетно-решающего блока. С помощью вновь введенных элементов сверяются частота запеленгованного сигнала и частота некоторого опорного колебания, на которой проводится поиск постановщиков активных помех (ПАП). В случае их совпадения – запеленгован ПАП, в случае их несовпадения – предотвращена ложная тревога.
Таким образом, чувствительность пеленгатора ПАП может быть повышена при неизменном уровне ложных тревог и без применения частотно-измерительных устройств. Также данное техническое решение можно использовать для снижения уровня ложных тревог без снижения чувствительности.
Список использованных источников.
1) Гоноровский И. С. Радиотехнические цепи и сигналы.
М.: Советское радио,
2) Никольский Б. А. Методы и средства радиоэлектронной защиты летательных аппаратов. М.: Радио и связь
3) Котельников В. А. Теория потенциальной помехоустойчивости.
М.-Л.: Энергоиздат,