Передатчик связной радиостанции
МИНИСТЕРСТВО ОБРАЗОВАНИЯ
РОССИЙСКОЙ ФЕДЕРАЦИИ
РЯЗАНСКИЙ ГОСУДАРСТВЕННЫЙ РАДИОТЕХНИЧЕСКИЙ УНИВЕРСИТЕТ
Кафедра РТУ
Пояснительная записка
к курсовому проекту
по дисциплине «Устройство генерирования и формирования радиосигналов »
тема проекта: «Передатчик связной радиостанции»
Выполнил: ст.гр.315 Кашков М.С.
Проверил: Мостыко В.С.
РЯЗАНЬ 2006
Содержание
Введение
1. Расчёт передатчика
1.1 Расчёт структурной схемы радиопередатчика
1.2 Расчёт выходного каскада радиопередатчика
1.3 Расчет цепи согласования
2. Расчёт задающего генератора
2.1 Расчёт величин элементов кварцевого автогенератора
2.2 Расчёт энергетических показателей кварцевого автогенератора
2.3 Определение нестабильности кварцевого автогенератора
Заключение
Список используемой литературы
Приложение 1 Выписка из госта
Приложение 2 Схема электрическая принципиальная
Введение
В настоящее время радиопередающие устройства получили широкое распространение. Они находят применение в радиосвязи, в РЛС, в сотовой телефонии и в домашних радио телефонах, в охранных сигнализациях, в телевидении и радиовещании т.д. Поэтому важно иметь представление и уметь рассчитывать такие устройства. В данном курсовом проекте необходимо разработать передатчик связной радиостанции, на этом примере и попытаемся познакомиться с подобными устройствами.
1. Расчёт передатчика
1.1 Расчёт структурной схемы радиопередатчика
Важным этапом проектирования является расчёт структурной схемы передающего устройства, т.к. на этом этапе определяется состав и количество блоков передатчика.
Типичная структурная схема передатчика выглядит так:

Буферный каскад служит для развязки автогенератора и последующей схемы.
Наличие усилителя мощности перед выходным каскадом необязательно, если усиления умножителей частоты достаточно. Начнём с расчёта по частоте:
Т.к. стабильность частоты
передатчика должна составлять
,
то автогенератор должен быть с кварцевой
стабилизацией. Частота генератора с
кварцевой стабилизацией (для кварцев,
работающих на 1-ой гармонике) берут в
пределах от 5 МГц до 10МГц. Возьмём частоту
5МГц. Тогда умножитель частоты должен
иметь коэффициент умножения частоты
равный:

Нужно взять целочисленный коэффициент, поэтому примем n=32. Умножитель частоты, для обеспечения требуемого коэффициента умножения по частоте, делают многокаскадным.
Этот коэффициент умножения нужно распределить по каскадам умножения. Умножители частоты делают с коэффициентами умножения: 2 и 5. Разложим n на эти коэффициенты:
32=2*2*2*2*2
Принимая во внимание вышеизложенное, уточняем структурную схему:
рис.1
Расчёт по мощности.
На выходе передатчика необходимо получить мощность 15 Вт. Выходным узлом передатчика является цепь согласования, КПД которой <1.

С учётом потерь в цепи согласования, выходной каскад должен выдавать мощность:

Для выходного каскада вводят коэффициент запаса Кз=1,1…1,3. Для определённости, возьмём Кз=1,2. В итоге мощность выходного каскада должна составлять
Р>вк>=23.4*1,2=28Вт

В справочнике найдём подходящий по мощности и частоте (Р >к >> Р >вк >,
f >прд >< (0,4…0,5)*fт) транзистор для выходного каскада.
Такой транзистор КТ962В. Его характеристики приведены в таб.1.

Рассчитаем схему без усилителя мощности.
С учётом того, что Кр=2,5 ,мощность, подаваемая на вход выходного каскада равна:
Рум5=Рвк/Крвк=28/2,5=11,2 Вт.
Транзистор для умножителя частоты ум5(рис.1): 2Т962А, характеристики которого даны в таб.1.
(Кр=5). Т.к. каскад работает в режиме удвоения частоты, то Крум5=Кр/1,5=5/1,5=3,3
Мощность на выходе умножителя частоты ум4 должна быть: Рум4=Рум5/Крум5=11,2/3,3=3,39 Вт, а максимальная частота работы ум4 составляет-80МГц
Транзистор для умножителя частоты ум4: 2Т951В (Кр=25). Т.к. каскад работает в режиме удвоения частоты, то Крум4=Кр/1,5=25/1,5=16,66
Аналогично мощность на выходе умножителя частоты ум3 должна быть: Рум3=Рум4/Крум4= 3,39/16,66=0,2 Вт, а максимальная частота работы ум3 составляет-40МГц.
Транзистор для умножителя частоты ум3: 2Т951В (Кр=25). Т.к. каскад работает в режиме удвоения частоты, то Крум3=Кр/1,5=25/1,5=16,66.
Аналогично мощность на выходе умножителя частоты ум2 должна быть: Рум2=Рум3/Крум3= =0,2/16,66=0,012 Вт, а максимальная частота работы ум2 составляет-20 МГц.
Транзистор для умножителя частоты ум2: 2Т951В (Кр=25). Т.к. каскад работает в режиме удвоения частоты, то Крум2=Кр/1,5=25/1,5=16,66.
Мощность на выходе умножителя частоты ум1 должна быть: Рум1=Рум2/Крум2=0,012/16,66=0,00072 Вт, а максимальная частота работы ум1 составляет -10 МГц.
Транзистор для умножителя частоты ум1: 2Т951В (Кр=25). Т.к. каскад работает в режиме удвоения частоты, то Крум1=Кр/2,5=25/2,5=10
Мощность на выходе фазового модулятора должна быть: Рфм=Рум1/Крум1=0,00072/10=0, 000072 Вт. Если принять коэффициент передачи фазового модулятора равным единицы, то получается, что мощность автогенератора 0,000072 Вт.
Кварцевые генераторы могут иметь выходную мощность до 10 мВт, отсюда следует вывод о том, что коэффициента усиления умножителей частоты достаточно и дополнительного усилителя мощности не требуется. На рис.3 приведена окончательная структурная схема передатчика.
РИС.3
1.2 Расчёт выходного каскада радиопередатчика
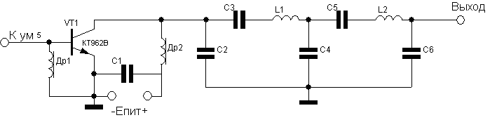
Методика расчёта приведена в [1]. Ниже приведена схема выходного каскада. Транзистор VT1-КТ962В. Транзистор включен по схеме ОЭ, т.к. эта схема имеет наивысший коэффициент усиления по мощности. Питание на транзистор подаётся через дроссель Др2, который вместе с конденсатором С3 образует фильтр нижних частот, который препятствует прохождению высокочастотных составляющих на источник питания. Сделаем энергетический расчет этого каскада (расчет сделан в среде MathCAD 2000).
Рис.4 Схема электрическая принципиальная выходного каскада



Исходя из результатов энергетического расчета, можно сделать вывод о том, что транзистор выбран правильно, т.к. все токи и напряжения на нём не превышают предельных значений для данного транзистора, при этом он отдаёт требуемую мощность. Рассчитаем остальные элементы выходного каскада:

1.3 Расчет цепи согласования
Выходной каскад передатчика должен быть нагружен на сопротивление R>э’>, только в этом случае расчеты в пункте 2 будут верны, и выходной каскад будет отдавать заданную мощность. Расчёт цепи согласования будем производить по методике описанной в [2].
Из пункта 2 следует, что R>э’>=9.124 Ом (с учётом коллекторного сопротивления). Цепь согласования нагружена на кабель с волновым сопротивлением R>н>=R>волн>=50 Ом
В качестве цепи согласования применим П-фильтр. Из [3] известно, что одноконтурная цепь согласования (ЦС) способна обеспечить фильтрацию (при КПД=0.8 и Q>хх>=80..200) Ф1к=50..100. Рассчитаем, какую фильтрацию, по техническому заданию, цепь согласования должна обеспечивать. Так как основной составляющей побочного излучения является вторая гармоника, то рассчитывать будем по току 2-й гармоники.

Из этих рассуждений можно сделать вывод о том, что одноконтурной цепи согласования недостаточно для того, что бы выполнить требования по фильтрации. Что бы обеспечить эти требования необходимо использовать двухконтурную цепь согласования. Коэффициент фильтрации между контурами разбивается поровну, т.е. Ф>1к>=Ф>2к>=39.06. Что бы снизить влияние выходного сопротивления транзистора на контур, он подключён к контуру частично.



Определимся со значения элементов принципиальной схемы цепи согласования (рис.4):
Ёмкости С2 (рис.4) соответствует ёмкость С1(рис.5а). Следовательно, С2=33 пФ.
Ёмкости С3(рис.4) соответствует ёмкость С2 (рис.5а). Следовательно, С3=8пФ.
Ёмкости С4(рис.4) соответствует сумма ёмкостей С3 и Ссв1(рис.5а).
Следовательно, С4=24пФ+30пФ=54пФ.
Ёмкости С5(рис.4) соответствует ёмкость С4(рис.5а).
Следовательно, С5=6.6пФ.
Ёмкости С6(рис.4) соответствует ёмкость Ссв2(рис.5а).
Следовательно, С6=34пФ.
Номера соответствующих индуктивностей на рис.4 и на рис.5а совпадают.
Следовательно, L1=0.15 мГн и L2=0.22 мГн.
2. Расчёт задающего генератора
Как уже было сказано выше генератор должен иметь кварцевую стабилизацию, для того, что бы обеспечить требования по стабильности частоты. Методика расчёта изложена в [5].

Все последующие расчёты сделаны в среде MathCAD и все величины указанны в системе СИ.



Итак,
подведём итог нашего расчёта:
1.Добились необходимой нестабильности частоты путём кварцевой стабилизации.
2.Мощность, выдаваемая автогенератором- 2,88 мВт, что вполне приемлемо, исходя из расчёта по мощности всего передатчика.
В расчёте были получены значения всех элементов автогенератора, но они не стандартных величин. Определимся теперь со стандартными номиналами элементов автогенератора (рис.6).
С1=270пФ, С2=560пФ, С3=15нФ, С4=1,3нФ,
R1=3.3Ком, R2=470Ом, R3=200Ом,
Lдр=80мкГн.
Заключение
В ходе выполнения данного курсового проекта мы ознакомились с методикой общего проектирования радиопередающих устройств, провели расчёт некоторых основных блоков передатчиков.
Список используемой литературы
1.”Проектирование генератора с внешним возбуждением”. Методические указания к курсовому проектированию N1777./Под ред. Крестова П.А. Прибыловой Н.М. РГРТА Рязань 1998г.
2.”Проектирование транзисторных каскадов передатчиков”. Учебное пособие для техникумов./Под ред. Шумилина М.С. Москва “Радио и связь” 1987г.
3.”Цепи согласования. «Мтодические указания для подготовки к практическим занятиям.» 1520./Под ред. Мишина Ю.Л. Прибыловой Н.М. РГРТА Рязань 1986г.
4.”Выходные усилители. Угловая модуляция. «. Методические указания для подготовки к лабораторным работам. N1059. /Под ред. Мишина Ю.Л. Прибыловой Н.М. РГРТА Рязань 1986г.
5.”Расчёт кварцевого автогенератора. «Методические указания для подготовки к практическим занятиям. N2744. /Под ред. Прибыловой Н.М. Сухорукова В.Н. РГРТА Рязань 1998г.
6.”Проектирование радиопередающих устройств”. Учебное пособие для высших учебных заведений./Под ред. В.В.Шахгильдяна. Москва “Радио и связь” 1993г.
Выписка из ГОСТа
Класс излучения G3E
Мощность несущей, Вт не более 2
Коэффициент нелинейных искажений, % не более 10
Максимальная девиация частоты, кГц не более 5
Уровень паразитной АМ, % не более 3
Ширина полосы частот излучения передатчика кГц не более 16
Уровень паразитной ЧМ, % не более 30
Уровень побочного излучения, мкВт 2
Отклонение частоты 7 10-6





