Передача дискретных сообщений (работа 1)
ГОСУДАРСТВЕННЫЙ КОМИТЕТ СВЯЗИ УКРАИНЫ
УКРАИНCКАЯ ГОСУДАРСТВЕНАЯ АКАДЕМИЯ СВЯЗИ им.А.С.ПОПОВА
КИЕВСКИЙ ИНСТИТУТ СВЯЗИ
КАФЕДРА ПЕРЕДАЧИ ДИСКРЕТНЫХ СООБЩЕНИЙ
Контрольная работа №2
«Системы документальной электросвязи»
Задание:
Задача №1.
Перечислите методы повышения верности при передаче дискретных сообщений (ПДС) по каналам с различными помехами.
Опишите работу дуплексной системы ПДС с решающей обратной связью, непрерывной передачей и блокировкой приемника. Постройте временную диаграмму работы системы с соблюдением масштаба, если заданы: время распространения сигнала связи t>p>=200мс, длина блока n=3000, скорость модуляции В=9,6кБод. Определите емкость М буферного накопителя передатчика и время блокировки приемника при обнаружении ошибки.
Задача №2
Перечислите основные и дополнительные функции современного модема для передачи данных по каналам телефонной связи, а также международные стандарты на модемы.
Постройте подробную функциональную схему модема для работы по каналу ТЧ, опишите функции и методы построения основных узлов схемы.
Рассчитайте вероятности ошибочного приема единичного элемента сигнала при использовании различных стандартных видов модуляции, а также пропускную способность непрерывного канала ТЧ, образованного дискретного канала и коэффициент использования канала ТЧ. Задано отношение мощностей сигнал/помеха Рс/Рш=16дБ в непрерывном канале, скорость модуляции принять соответственно стандартам.
Задача№3
Постройте структурную схему каналообразующей аппаратуры с ВРК, опишите назначение узлов и работу схемы. Изобразите временные диаграммы при использовании для сопряжения оконечных устройств с дискретным каналом методов наложения (МП) и скользящего индекса с подтверждением (СИП).
Заданы: число N=6 дискретных каналов, скорость модуляции В=100бод и допустимые краевые искажения единичных элементов б=2,5% в дискретном канале.
Определите частоту дискретизации (импульсную несущую линейного сигнала) и ширину спектра линейного сигнала и сравните их значения для двух методов.
Определите, какое количество дискретных каналов с указанными выше параметрами может быть организовано в полосе капала ТЧ при методах МН и СИП, если применена передача с ЧМ-ДБП.
Задача№4
Опишите одну из сетей документальной электросвязи по следующему плану:
• назначение, история развития сети и ее современное состояние;
•структура , топология, основные вероятностно-временные и алгоритмические характеристики;
•технические средства сети, типы и параметры оконечного, коммутационного и каналообразующего оборудования;
•форматы и коды передаваемых сообщений;
• протоколы доступа к сети и взаимодействия абонентов, стандарты.
Задача №1:
1. Существуют два метода повышения верности принимаемых сообщений. Первый метод основан на улучшении качественных показателей каналов, что достигается обычно либо путем устранения самих причин появления ошибок, либо включением в канал некоторых дополнительных устройств, уменьшающих влияние помех.
Основными причинами, вызывающими ошибки, являются имтгульсные помехи н кратковременные перерывы.
Импульсные помехи обычно появляются при снижении переходного затухания между парами в одном кабеле, а также проникают из цепей питания. Поэтому поддержание на должном уровне переходного затухания между парами в кабеле, а также улучшение фильтрации в цепях питания, применение развязывающих питающих агрегатов приводит к существенному снижению потока импульсных помех и улучшению качественных показателей канала. Другая причина появления импульсных помех носит эксплуатационно-технический характер. Поток импульсных помех значительно возрастает при проведении обслуживающим персоналом всевозможных профилактических работ на магистрали во время работы связи (всякого рода переключения, подключения измерительных приборов, чистка контактов и т. п.). Устранение появления импульсных помех в данном случае может быть достигнуто только путем повышения технической культуры эксплуатации связей.
Причиной возникновения кратковременных перерывов является обычно низкое качество контактов аппаратуры связи, а также причины, имеющие эксплуатационный характер. Значительное снижение частости появления кратковременных перерывов достигается использованием аппаратуры связи с более качественными контактами (например, при замене декадно-шагового коммутационного оборудования на координатное, квазиэлектронное и электронное), а также повышением технической культуры эксплуатации связей.
Значительное улучшение качества канала связи, особенно при организации связей большой протяженности или использование сравнительно высоких скоростей передачи, достигается включением в канал дополнительных устройств — регенеративных трансляций и фазовых корректоров. В ряде случаев это значительно повышает верность приема.
Улучшение качественных характеристик каналов с целью повышения верности приема всегда связано с определенными материальными затратами, которые в ряде случаев могут оказаться весьма высокими. Поэтому большое значение имеют широко применяющиеся в технике передачи данных методы повышения верности приема, не требующие улучшения качества канала. Эти методы основаны на внесении в передаваемый сигнал определенной избыточности. Вводимая в передаваемый сигнал избыточность вносит дополнительные условия, проверка соблюдения которых на приеме позволяет обнаружить факт искажения сигнала, а также сравнить принятый искаженный сигнал с соответствующим неискаженным.
Любые методы внесения избыточности в передаваемый сигнал связаны с увеличением объема сигнала, т. е. с увеличением либо мощности сигнала, либо ширины спектра, либо времени передачи. Возможности повышения верности приема путем увеличения мощности и ширины спектра при передаче дискретной информации по стандартным каналам связи довольно ограничены, поэтому преимущественное применение, получил метод введения избыточности путем увеличения времени передачи сигнала Этот метод может быть реализован в двух разновидностях - использованием для передачи дискретной информации пониженной по отношению к номинальному значению скорости и применением корректирующих кодов. Понижение скорости при работе по каналам невысокого качества получило широкое применение. Так, во многих типах АПД, работающих по каналам тч, предусматриваются две и более скорости модуляции (например, 600 и 1200 бод), причем с меньшей скоростью обычно ведется работа на большие расстояния, а также работа по каналам с суженной полосой пропускания (300—2700 Гц).
Применение корректиоующих кодов является более эффективным методом повышения верности, чем работа с пониженной скоростью. Оба этих метода не следует противопоставлять друг другу. Использование корректирующих кодов является методом более общим, а понижение скорости передачи можно считать частным случаем применения корректирующего кода.
2. В системе с РОС с блокировкой передача очередной кодовой комбинации производится, не дожидаясь приема по обратному каналу сигнала обратной связи, что позволяет существенно повысить скорость передачи полезной информации.
Принцип работы данной системы (рис.1.1), в которой сигналом «запрос» является разрешенная кодовая комбинация.

Рис. 1.1. Функционная схема АПД с РОС
По сигналу «ввод» передаваемая информация поступает в кодер, кодируется кодом, обнаруживающим ошибки, и передается в дискретный канал связи. Одновременно она запоминается в буферном накопителе. В приемнике противоположной станции принимаемая последовательность поступает в декодер и декодируется в нем. Если при этом ошибок не обнаруживается, то информационные разряды, накопленные в буферном регистре декодера, поступают к потребителю информации. Если обнаружена ошибка, то вырабатывается сигнал «ошибка», который стирает содержимое буферного регистра декодера и через устройство управления воздействует на датчик комбинации «запрос», которая посылается на противоположную станцию. Кроме того, прекращается выдача сигнала «ввод», а следовательно, и передача информации. После передачи комбинации «запрос» информация, накопленная в буферном накопителе, через ключ К передается в дискретный канал.
На противоположной станции комбинация «запрос» регистрируется дешифратором служебной комбинации, который вырабатывает специальный сигнал, который поступает на устройство управления, которое производит те же операции, что и при получении сигнала обнаруженной ошибки: посылает комбинацию «запрос», вслед за чем передает содержимое буферного накопителя.
Временная диаграмма работы системы иллюстрируется рис.1.2 Символ S обозначает искаженную кодовую комбинацию, комбинация «запрос» обозначена как ЗК.

Рис 1.2 Временная диаграмма работы дуплексной системы с РОС
Если комбинация «запрос», передаваемая станцией Б исказится, то приемник станции А воспримет ее как искаженную кодовую комбинацию; на станцию Б при этом будет передана запросная комбинация и т. д. Процесс переспроса не изменится и сбоя в работе не произойдет. Искажение комбинации «запрос», передаваемой станцией А, не имеет значения, так как приемник станции Б, будучи заблокированным, ее не воспринимает. При одновременном искажении комбинаций в обоих направлениях сигналы «запрос» посылаются и в том, и в другом направлениях. В результате происходит блокировка приемников. Передатчики начинают передавать информацию, накопленную в буферных накопителях, после чего восстанавливается нормальная работа связи.
Если в комбинации «запрос» имеется необнаруженная ошибка. На противоположной станции искаженная запросная комбинация воспринимается как разрешенная кодовая и продолжается передача информации. В то же время приемник станции, пославший запросную комбинацию, заблокирован, при этом теряется М кодовых комбинаций.
В том случае, когда в одном из направлений отсутствует информация для передачи, прибегают к передаче так называемой «фиктивной» информации, не выдаваемой из АПД потребителю. Необходимость в передаче «фиктивной» информации вытекает из требования поддержания импульсной и цикловой синхронизации в канале передачи данных с тем, чтобы обеспечить нормальные условия передачи сигнала «запрос» в любой момент времени.
3.
а) время блокировки приемника:
T = 3t>k> + 2t>p>
Где: t>k> – время передачи кодовой комбинации,
t>p> – время распространения сигналов в канале.
t>k> = n = n/B; t>k> = 3000/9,6103 = 312.5 мс.
t>p> = 200 мс.
Т = 3312.5 + 2200 = 1337.5 мс.
б) емкость буферного накопителя:
М = < 3 + 2 t>p> / t>k> >;
М = < 3 + 2200/312.5 > = <4,28> = 5 к.к.
Задача №2
1.
Oсновные функции, выполняемые модемом:
передача дискретной информации по каналу связи;
сжатие передаваемой информации и коррекция ошибок, возникших при передаче ;
спецификация цепей стыка между модемом и компьютером .
Дополнительные функции:
Передача и прием факсимильных сообщений, аппаратный АОН, автоответчик, голосовая почта, Voice и ASVD или DSVD, аппаратная защита модема паролями, удаленное конфигурирование и прослушивание записанных сообщений, обратный звонок, и т.д.
Протоколы связи
Протоколы связи, которые всегда реализованы в модеме на аппаратном уровне, определяют самое важное - скорость передачи и метод модуляции аналогового сигнала цифровым. Модем, который не соблюдает какой-либо из этих протоколов, просто не сможет связаться ни с каким другим модемом. В настоящее время самые распространённые протоколы связи определяются рекомендациями МККТТ(Международного консультативного комитета по телефонии и телеграфии). Вот основные из этих стандартов:
V.21 Очень древний стандарт для скорости 300bps.
V.22 Тоже древность, скорость до 1200bps.
V.22bis Включает в себя V.22, но поддерживает скорость до 2400bps.
V.32 Обеспечивает скорость до 9600bps. Поддерживается большинством выпускаемых сейчас модемов.
V.32bis Усовершенствованный V.32, предусматривающий скорость до 14400bps. До недавнего времени это был самый последний скоростной протокол, который являлся промышленным стандартом. Если говорилось, что модем работает на скоростях до 14400, то подразумевалось, что он использует именно этот протокол для работы. Протокол хорош при работе на хороших и средних линиях, но если Вам не повезло, и нет возможности поменять номер (АТС, место жительства, страну проживания), то при работе на V.32bis могут быть проблемы. В частности, он очень неустойчив, если на линии периодически возникает треск или имеется тихий, но сплошной шум. В случае шума протокол просто не даст вам скорости, обеспечивая каких-нибудь 200-300 cps (символов в секунду) при работе на любой скорости от 4800 до 14400 вместо положенных 1600 на 14400. В случае же тресков он имеет довольно большую вероятность просто слететь с линии по причине невозможности выполнить пересогласование контуров приёма-передачи (retrain). Кроме того, есть ряд линий, где V.32bis не работает вообще. Достаточно распространенное кое-где мнение о том, что скоростные протоколы на наших плохих линиях, практически, неработоспособны, связано именно с этими проблемами V.32bis.
V.34 Разработан в 1994г. Расчитан на скорости до 28800bps. Пока не был официально утверждён под именем V.34, производители модемов, опережая события, выпускали устройства на 28800bps, совместимые с ещё не существующим стандартом (который тогда называли условно V.fast или V.fc). V.34 пришёл на смену давно устаревшему промышленному стандарту V.32bis. В отличие от последнего, реализующего скорости от 4800 до 14400 bps, протокол V.34 позволяет работать на тех же самых линиях со скоростями 2400-28800, то есть, в два раза быстрее, отличаясь при этом не меньшей, а большей надёжностью и устойчивостью к возмущениям на линии. Такие особенности, как встроенный (заложенный в спецификацию протокола) аналог ASL (tm) by USRobotics, дают возможность получить на конкретной линии всё то, что только возможно. А возможность компрессии данных с помощью протокола V.42bis даёт производительность до 10000 символов в секунду (примерно 5 печатных листов).
ASL (tm) (Adaptive Speed Leveling) - это запатентованное фирмой USRobotics расширение протокола V.32bis, направленное на повышение производительности работы в условиях изменяющегося качества линии. Помимо таких стандартных средств, как fall-back и fall-forward (то есть, автоматического понижения и повышения скорости связи при изменении состояния линии; кстати, модемы серии Sportster умеют только снижать скорость, но не повышать ее) ASL включает в себя такие возможности, как Quick Connect (QC), Quick Retrain (QR) и независимую подстройку скоростей в каналах приема-передачи. QC и QR обеспечивают установление связи между двумя модемами за 5 секунд в отличие от 12-15 при обычной процедуре коннекта. Если сам коннект (собственно, установление соединения после дозвона) ещё можно подождать, то особенно заметно неудобство протокола V.32bis при наличии периодических шумов в линии, вызывающих частые или постоянные ретрейны. В этом случае разница по длительности в 8 или 2 секунды соответственно без и с ASL при многократном повторении становится уже заметной и потеря времени на ретрейны способна значительно снизить суммарную производительность передачи данных. Hезависимая подстройка скоростей в каналах приема-передачи - вторая основная особенность технологии ASL. Большинство телефонных линий несимметричны по качеству. В частности, бывает так, что в одном направлении модем способен работать на 14400, а в другом - только на 4800. Все модемы в такой ситуации свяжутся на минимально возможной, а именно 4800. Исключением является модемы серии Courier with ASL: они в такой ситуации допускают работу на разных скоростях в разных направлениях: 14400 в одном и 4800 в другом. Если направление с лучшим качеством совпадает с основным потоком передаваемых данных, то Вы получаете значительное сокращение времени передачи. Если добавить к вышесказанному ещё и способность в процессе связи подстраивать скорости также независимо при изменении условий как в худшую, так и в лучшую стороны, то очевидно, что ASL стоит того, чтобы платить за нее дополнительные деньги: как и HST, ASL присутствует только в моделях серии Courier. В моделях серии Sportster ASL, как и HST, нет.
V.fast/V.FC(fast class) - Фирменный протокол фирмы Rockwell, поддерживающий скорости 14400-28800. Благодаря наличию специализированного модемного набора микросхем для V.FC многие фирмы давно уже выпускают модемы с поддержкой V.FC или производят апгрейд своей продукции путём замены чипсета на плате модема. V.FC поддержан в модели USR с целью совместимости с миллионным парком модемов V.FC в мире, поскольку при наличии V.34 целесообразно работать именно на нём. Теперь это общепринятое название стандарта на дуплексные модемы для 2-проводных коммутируемых и выделенных линий со скоростью более 19.2 Кбит/с. Многие модемы с фирменными протоколами на скорости равные или больше 19.2 Кбит/с. также называются V.fast модемами.
V.34bis Развитие V.34. Скорость работы - 33600 bps.
Некоторые фирмы-производители модемов сочли стандарты МККТТ недостаточно хорошими и разработали свои фирменные протоколы связи, которые нередко выигрывают в сравнении со стандартами МККТТ по устойчивости, помехозащищённости, приспосабливаемости к линии, однако главный их недостаток - то, что с ними могут работать только модемы данной фирмы и для связи нужно, чтобы на обоих концах линии были совместимые модемы. Самые популярные из фирменных протоколов:
ZyX (фирмы ZyXEL) является простым расширением V.32bis до 19200, как и V.32terbo.
V.32terbo Протокол фирмы AT&T, являющийся фирменным расширением стандарта V.32bis. Допускает работу на скоростях 4800-19200. V.32terbo, как и протокол ZyX фирмы ZyXEL, является расширением стандарта V.32bis, только в другом направлении. Благодаря тому, что AT&T не спрятали спецификацию протокола, как это сделал ZyXEL, а сделали её публичным достоянием, на сегодня на рынке много модемов разных производителей, имеющих протокол V.32terbo. Если не считать новых стандартов V.34 и V.FC, то V.32terbo является наиболее скоростным из всех протоколов, на котором обеспечивается совместимость модемов разных производителей. Корпорация USRobotics развила этот протокол ещё дальше, и при работе с себе подобными модемы серии Courier позволяют работать на V.32terbo со скоростью до 21600 bps.
PEP (фирмы Telebit).
HST (High Speed Technology) - это фирменный протокол, разработанный фирмой USRobotics специально для обеспечения высокой скорости и надёжности при работе на самых плохих телефонных линиях. В условиях нашей страны это особенно актуально: далеко не у всех линии позволяют работать на других протоколах, например, V.32bis. Тем, кто впервые увидел работу HST на 16800 (до 2000 cps в идеальном случае) там, где раньше связь была возможна только на 2400 (150-220 cps), а выше просто не удавалось соединиться, кажется невероятным увидеть на той же самой линии CONNECT 16800/Arq/Hst/Hst/V42bis, и получить при этом скорость 1000-1500-1900 cps. Если Вы слышали, с каким трудом происходит порой соединение на скоростях от 4800 и выше на других протоколах (ZyX, V.32bis), то Вы будете удивлены скорости коннекта на HST: это всего лишь 5-7 секунд в отличие от 12-15 и больше на V.32bis. При этом основным критерием качества линии является работоспособность на ней протокола V.22bis (2400). Если 2400 работает, то на HST вы всегда получите CONNECT 16800 и cps не менее 800-1000, а, как правило, даже выше. Дополнительный плюс - это крайне быстрая процедура пересогласования схем модемов при изменении параметров линии (т.н. ретрейн). Hа V.32bis ретрейн занимает порядка 8-12 секунд (это если только он прошёл с первого раза). Технология Quick Retrain фирмы USR позволяет при работе с ASL сократить это время до пары секунд при работе на V.32bis. В случае же HST фирма пошла еще дальше: ретрейн на HST занимает всего четверть (0.25) секунды! При этом протокол почти никогда не обрывается, один раз соединившись, что крайне полезно при междугородних и международных звонках, всегда даст свою скорость.
V90. 6 февраля 1998 г. в Женеве Международный телекоммуникационный союз (ITU — International Telecommunication Union) принял стандарт V.90 для передачи данных на скоростях до 56 Kbps. Тем самым завершилась более чем двухлетняя «война» двух протоколов - Х2, предложенного компаниями US Robotics и ЗСом, и K56Flex от Rockwell International и Lucent Technologies.
Стандарт V.90 еще называют V.PCM (Pulse Coded Modulation) или стандарт с импульсно-кодовой модуляцией. При этом использование данного вида модуляции не нарушает требований протокола V.34 и других морально устаревших аналоговых стандартов. Таким образом, согласно V.90 поток данных, поступающих от провайдера к конечному потребителю, не проходит фазу аналогового кодирования. Вместо этого данные кодируются по методу РСМ, причем импульсы передаются на разных уровнях сигнала.
Естественно, что использование протокола V.90 накладывает очень жесткие условия на качество телефонных каналов связи и самой АТС. Причем ваша АТС и АТС провайдера должны быть цифровыми. Это требование не является чрезмерным, поскольку сейчас модемные пулы практически всех ведущих провайдеров установлены на цифровых АТС.
В цифровой телефонии частота сигнала дискретизации составляет 8 kHz, а число уровней дискретизации — 256, что соответствует восьми разрядам, поэтому максимальная скорость передачи данных может составлять 64 Kbps. Откуда же взялось ограничение в 56 Kbps в протоколе V.90? Дело в том, что понижение уровня передачи данных с 64 до 56 Kbps преследовало две цели. Во-первых, уменьшить нелинейные характеристики аналогового оборудования, которое обеспечивает связь с конечным потребителем, и вовторых, уменьшить уровень шумов и перекрестных помех между соседними телефонными каналами.
При использовании модемов и обычных телефонных линий связи обмен данными ведется на одной из стандартных скоростей - 2400, 4800, 7200, 9600,12000,14400, 16800, 19200, 21600, 24000, 26400, 28800, 31200 и 33600 bps. Отметим, что на указанных скоростях данные могут как приниматься, так и передаваться. При использовании стандарта V.90 модемы могут принимать цифровые данные на одной из следующих скоростей - 28000, 29333, 30666, 32000, 33333, 34666, 36000, 37333, 38666, 40000, 41333, 42666. 44000,45333, 46666, 48000,49333, 50666, 52000,53333, 54666,56000 и 57333 bps. Для удовлетворения части 15 правил, принятых Федеральной комиссией по связи (FCC), ограничивающих уровни электромагнитных излучений электрических приборов, передача цифровых данных на скоростях выше 53 Kbps no обычным телефонным каналам запрещена. Поэтому даже при использовании протокола V.90 и отличного телефонного канала скорость передачи данных не превысит 53 Kbps. На практике же модемы крайне редко соединяются на скоростях, превышающих 44 Kbps.
Протоколы коррекции ошибок
В разработке и реализации этих протоколов раньше всех преуспела фирма Microcom. Ей принадлежит группа стандартов MNP (Microcom Networking Protocol), которые сейчас поддерживаются большинством выпускаемых модемов.
MNP1 Обеспечивает коррекцию ошибок, предназначен для модемов, передающих информацию в асинхронном полудуплексном режиме*. Это самый простой из протоколов MNP, однако вследствие его малой эффективности большинство современных модемов с аппаратной реализацией коррекции ошибок его не поддерживают.
MNP2 Близок к MNP1, но использует полнодуплексную связь, что повышает пропускную способность. MNP2 собирает байты данных их в блоки переменного размера, снабжая каждый блок контрольной суммой, что позволяет добиться стопроцентного обнаружения ошибок.
MNP3 Начиная с MNP3, устаревшая технология стартовых и стоповых битов больше не поддерживается. Получив асинхронный** байт от компьютера, модем убирает из него стартовые, стоповые и контрольные биты, оставляя только голый байт данных. Затем эти байты, как обычно, собираются в блоки и снабжаются контрольной суммой и другой служебной информацией. За счёт этого удаётся ещё больше повысить производительность (примерно на 20%).
MNP4 Отличается от MNP3 тем, что способен (как и MNP2) на ходу менять размер блока данных, приспосабливаясь к качеству линии***, - если ошибок слишком много, модем с MNP4 уменьшает объём блока, повышая тем самым надёжность передачи. Кроме того, в этом протоколе уменьшены затраты на передачу служебной информации. В результате и надёжность, и производительность у MNP4 выше, чем у MNP3 (по сути, этот протокол объединил всё лучшее из MNP2 и MNP3).
MNP5 Отличается от MNP4 только умением сжимать передаваемые данные****, что позволяет заметно повысить пропускную способность (в частности, при передаче текстов или баз данных). Символы, часто встречающиеся в передаваемом блоке, кодируются цепочками битов меньшей длины, чем редко встречающиеся символы. Дополнительно кодируются длинные цепочки одинаковых символов. Обычно при этом текстовые файлы сжимаются до 35% своей исходной длины. Однако, если данные уже сжаты архивный файл), MNP5 работает даже медленнее MNP4, так как безуспешно пытается сжать несжимаемое. Модем, поддерживающий MNP5, работает и с протоколами MNP1-MNP4. Связавшись, модемы сами (не заметно для пользователя) договариваются, по какому протоколу будет происходить передача, пытаясь установить возможно более высокий класс MNP.
MNP6 Дополняет протокол MNP4 и MNP5 автоматическим переключением между дуплексным и полудуплексным режимами в зависимости от типа передаваемой информации, обеспечивает совместимость с протоколом CCITT V.29 (стандарт на передачу факсимильных сообщений на скорости 7200 и 9600 бит/с). Создание этого протокола было вызвано появлением факс-модемов, имеющих свои особенности (например, все протоколы факсимильных аппаратов группы 3, к которым относятся и факс-модемы, являются полудуплексными, то есть в отличие от модемов факсам не нужно сразу и передавать, и принимать сообщение).
MNP7 Дальнейшее развитие протокола MNP5, применена усовершенствованная процедура сжатия данных (Enchanced Data Transmission), совместимая с процедурой MNP5, но более эффективная. Коэффициент сжатия возрастает до 2,4:1.
MNP8 Объединение метода сжатия MNP7 с алгоритмом "Fast Train" для модемов по Рекомендации V.29, это делает возможной передачу со скоростью до 30000 бит/с. Предусмотрены 2 новые процедуры: "Piggyback Acknowledgements" - интеграция пакетов обратных сообщений в пакетах передачи данных и минимизация канального заголовка: "Multiple Selektive Negative Acknowledgements" - исключение части обратной передачи путём селективного подавления блоков при наличии ошибок передачи.
MNP9 Аналогичен протоколу MNP7, но дополнительно используется процедура "Enchanced Universal Link Negotiation", что позволяет оптимизировать реальную дуплексную передачу по Рекомендации V.32bis в сочетании с усовершенствованным сжатием данных и достигнуть эффективности 300%.
MNP10 применяется в модемах фирмы Microcom (MNP1-MNP5 предоставляются Фирмой Microcom по лицензии другим производителям модемов). Это протокол предназначен для связи по сильно "зашумленным" каналам, таким, как линии сотовой связи, международные или сельские линии. Стабильность работы достигается при помощи следующих методов:
многократного повторения попытки установить связь;
изменения размера пакетов в соответствии с изменением уровня помех на линии;
динамического изменения протокола соединения*****.
В полудуплексном режиме данные передаются не одновременно в двух направлениях, как в дуплексном, а поочередно.
** Собственно, слово "синхронный" звучит несколько некорректно: модем с компьютером всегда обмениваются данными в асинхронном режиме; но при синхронном методе передачи данных из передаваемой компьютером информации удаляются старт/стопные биты, а получившийся сплошной поток данных передаётся удалённому модему уже с синхронизацией.
*** При увеличении числа ошибок размер блоков уменьшается, повышая вероятность успешного прохождения отдельных блоков.
**** Суть сжатия информации заключается в том, что символы, часто встречающиеся в передаваемом блоке, кодируются цепочками битов меньшей длины, чем редко встречающиеся. Кроме того, кодируются длинные цепочки одинаковых символов. В совокупности это позволяет сжать текстовые файлы до 35% их исходной длины. Однако следует учесть, что если данные изначально не содержали избыточной информации, или содержали, но перед пересылкой были сжаты одним из архиваторов (например, ТАR или PkZIP), то дополнительного увеличения эффективности за счёт сжатия данных модемом не происходит - даже наоборот, объём передаваемой информации может увеличиться.
***** Например, модемы связались по спецификации V.32terbo, затем, из-за ухудшения условий связи, произошёл переход на V.32, а когда помехи исчезли - на V.32bis, а потом и V.34.
V.42 - это протокол автоматической коррекции ошибок при передаче. Совместим с MNP1-MNP4, но содержит более гибкие и эффективные методы коррекции ошибок и применяет методику LAPM (Link Access Protocol for Modems). Большинство выпускаемых сейчас модемов поддерживают и MNP1-MNP5, и V.42.
V.42bis - это протокол динамического сжатия данных 'на лету' при передаче их через модем с целью повышения эффективной производительности, развитие V.42, которое отличается высокой эффективностью и иногда даёт некоторый выигрыш даже при пересылке сжатых файлов. Обеспечивается сжатие до 4-х раз. Поддерживается большинством модемов.
BTLZ Первым отличием протокола BTLZ от других является способ организации справочника, в котором хранятся более короткие коды, используемые для передачи вместо повторяющихся более длинных отрезков данных. В то время, как при других алгоритмах справочник заранее определён и хранится в ПЗУ, алгоритм BTLZ динамически формирует идентичные справочники на передающей и приёмной сторонах, и последние хранятся в ОЗУ. Поэтому достигаемая степень сжатия при этом тем больше, чем больший объём памяти занят справочником, в то время, как степень сжатия при других алгоритмах ограничена фиксированным объёмом справочника.
Другим преимуществом протокола BTLZ является его способность распознавать наличие последовательностей данных, близких к случайным. При обнаружении этого алгоритм выключает механизм сжатия, продолжает контроль, и включает этот механизм при пропадании случайного характера последовательности данных. Другие рассмотренные протоколы в такой ситуации снижают пропускную способность до величины меньшей, чем даже номинальная скорость модема.
В то же время, МККТТ был сделан вывод, что эффективность сжатия конкурирующих протоколов примерно одинакова.
При сжатии текстов с помощью протокола BTLZ могут быть получены отношения до 3:1, в то время, как для более регулярных данных, таких, как файлы динамических таблиц и некоторые графические файлы, коэффициент сжатия может достигать значений 4:1. Данный метод сильно чувствителен к ошибкам в потоке данных, которые приводят к изменению передающего и приёмного справочников. Поэтому он должен использоваться в сочетании с исправлением ошибок; по этой причине он введён как Рекомендация V.42.bis - добавление к предварительно принятой Рекомендации V.42.
Возможны 2 варианта реализации метода: недорогая и сложная, но зато обеспечивающая более высокую степень сжатия информации.
LAPM (Link Access Procedure for Modems) - протокол защиты от ошибок для модемов основан на стандартной процедуре HDLC (Стандарт ISO 4335) и приведён в Рекомендации V.42. Протокол имеет следующие основные характеристики:
взаимодействие в режиме без исправления ошибок с модемами серии V., имеющими асинхронно-синхронное преобразование по Рекомендации V.14, но не реализующими функции защиты от ошибок;
обнаружение ошибок с помощью циклического кода;
исправление ошибок путём автоматического запроса повторения данных, принятых с ошибками (метод ARQ);
синхроннаая передача стартстопных данных;
процедура начального вхождения в связь
проведение начального вхождения в связь для определения типа протокола защиты от ошибок, используемого в дальнем модеме;
установка режима работы с защитой от ошибок или без неё в процессе вхождение в связь;
координация согласования необходимых параметров и факультативных процедур;
стартстопно-синхронное преобразование данных.
Устройства защиты от ошибок модемов взаимодействуют между собой при помощи кадров, состоящих из: открывающего и закрывающего флагов ("01111110"), поля адреса, поля управления, информационного поля, проверочной комбинации FCS. На передаче и приёме предусматриваются меры для исключения появления в передаваемой информации комбинации флага путем вставки двоичного нуля после пяти двоичных единиц на передачи и исключения их на приёме.
Комбинация проверки кадров FCS может иметь 16 битов или 32 бита. В первом случае используется образующий полином 16 12 5
" X + X + X + 1" (биты, вводимые для обеспечения прозрачности, не учитываются); во втором случае используется образующий полином 32 26 23 22 16 12 11 10 8 7 5 4 2
" X + X + X + X + X + X + X + X + X + X + X + X + X + X + 1".
В поле управления передаются номера кадров, а также команды и ответы (например, "Готовность к приёму", "Неприём", "Разъединение", всего 12 команд и ответов). Обмен командами и ответами позволяет осуществить запрос повторной передачи, временную остановку передачи, восстановление обмена кадрами и другие необходимые рабочие процедуры.
В одном из добавлений к Рекомендации V.42 приведены возможные направления усовершенствования протокола LAPM, например путём введения дополнительных процедур:
сжатия данных (реализовано в Рекомендации V.42bis);
исправления ошибок без обратной связи (с помощью ошибкоисправляющего кода);
статистического мультиплексирования;
обмена служебной информацией между функциями управления;
согласования скорости, формата знака;
работы по несимметричному или полудуплексному соединению.

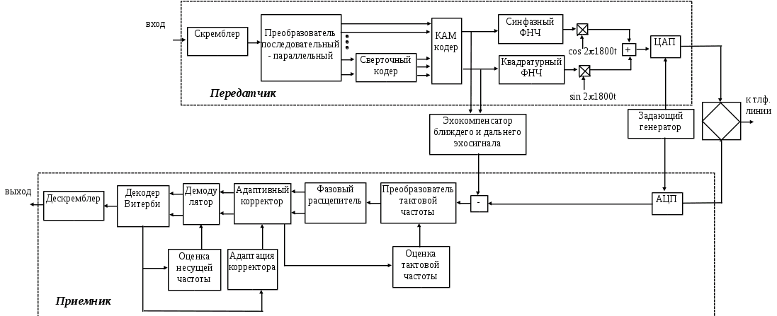
Рис.2.1. Модем по рекомендации V.32bis
2.
Структура современного модема (по рекомендации V.32bis).
Выход передатчика и вход приемника соединены с дифсистемой, которая осуществляет частичное разделение сигналов встречных направлений и обеспечивает двухпроводный интерфейс с телефонной линией. Кроме того на рисунке изображен эхокомпенсатор, который обеспечивает дуплексную работу модема и представляет собой адаптивный трансверсальный фильтр имитирующий тракт прохождения эхосигнала.
Структура передатчика. С выхода терминального оборудования данных (обычно - компьютер) на вход передатчика поступает последовательный поток дискретных данных, который обрабатывается скремблером. Скремблер производит над сигналом обратимое преобразование, обеспечивающее случайный характер выходного потока. Передача сигналов имеющих неслучайный характер, например длинная последовательность "0" или "1", может отрицательно сказаться на работе приемника. Однако производитель модема не может накладывать какие-либо ограничения на входной сигнал, и модем должен передавать информацию любого вида. Поэтому используют скремблер, сигнал на выходе которого носит случайный характер даже при подаче на вход длинной последовательности "0" или "1".
С выхода скремблера сигнал поступает на вход преобразователя “последовательный в параллельный”, который обеспечивает разбиение последовательности входных бит на группы, в зависимости от выбранной скорости передачи. Далее старшие биты каждой битовой группы подвергаются сверточному кодированию и вместе с младшими незакодированными битами обрабатываются КАМ-кодером, который осуществляет отображение входных битовых групп на сигнальную плоскость. На выходе КАМ- кодера мы получаем амплитуды косинусной (синфазной) и синусной (квадратурной) несущих, которые на плоскости сигнального созвездия соответствуют абциссе и ординате декартовой системы координат.
Обе эти составляющие обрабатываются фильтрами низких частот (ФНЧ) и модулируют несущую частоту 1800 Гц. Использование ФНЧ необходимо для устранения необратимых искажений при модуляции, вызванных наложением спектров. Сама же модуляция, как это видно из рисунка производится простым умножением синфазной и квадратурной составляющих сигнала на гармонические функции косинуса и синуса.
Все эти операции, хотя и отмечены на рисунке блоками, не подразумевают в современном модеме физических устройств, а реализуются программно на цифровом сигнальном процессоре.
После модуляции сигнал через выходной порт сигнального процессора подается на микросхему ЦАП, которая осуществляет преобразование сигнала из цифрового вида в аналоговый. После этого сигнал с выхода передатчика через дифсистему передается по телефонному каналу к удаленному модему. Так как модемы работают в дуплексном режиме, в то же самое время передатчик удаленного модема, выполнив преобразования, аналогичные рассмотренным выше, осуществляет передачу сигнала, который также пройдя через телефонный канал и дифсистему поступает на вход приемника модема, изображенного на рисунке.
В приемнике модема входной аналоговый сигнал преобразуется к цифровому виду микросхемой АЦП и подается во входной порт сигнального процессора реализующего алгоритмы функционирования приемника.
Первым делом в приемнике выполняется эхокомпенсация. Из-за несовершенства дифсистемы, на вход приемника попадает сигнал с выхода собственного передатчика. Этот сигнал называется эхосигналом и препятствует нормальному приему. Эхосигнал в приемнике воспринимается просто как паразитный шум, поэтому параллельно тракту прохождения эхосигнала включают адаптивный эхокомпенсатор, который синтезирует на своем выходе точную копию эхосигнала.
Как видно из рисунка, компенсация эхо-сигнала производится вычитанием выходного сигнала эхокомпенсатора из входного сигнала приемника. Действительно, сигнал на входе приемника содержит две составляющие: искаженный сигнал, пришедший от удаленного передатчика и эхосигнал. Если из этой смеси двух сигналов вычесть точную копию эхо-сигнала, то можно добиться полной эхокомпенсации , а значит и обеспечения качественного разделения сигналов встречных направлений. После эхокомпенсации сигнал поступает в блок преобразования тактовой частоты. АЦП на входе приемника производит аналого-цифровое преобразование с той же тактовой частотой что и ЦАП передатчика (АЦП и ЦАП тактируются от одного и того же генератора). Это необходимо для нормальной работы эхокомпенсатора, ведь источником эхосигнала является сигнал передатчика. Теперь, когда произведена эхокомпенсация и необходимо произвести обработку сигнала удаленного передатчика, эта обработка должна осуществляться в цифровом виде с той же тактовой частотой, что и в удаленном передатчике. Однако, очевидно, что тактовые частоты двух удаленных от друга модемов могут отличаться из-за различных кварцевых задающих генераторов, и хотя это отличие достаточно мало, оно препятствует нормальному приему сигнала. Поэтому специальный алгоритм производит оценку расхождения тактовых частот ближнего приемника и удаленного передатчика и компенсацию этого расхождения в блоке преобразователя тактовой частоты.
В передатчике мы имели дело с сигналом, имеющим две составляющие - косинусную (синфазную) и синусную (квадратурную). Поэтому после преобразования тактовой частоты сигнал в блоке “фазовый расщепитель” подвергается разделению на две составляющие. Синфазная составляющая является копией входного сигнала, а квадратурная получается в результате изменения фаз всех спектральных составляющих входного сигнала на 90 градусов .
На схеме входной сигнал фазового расщепителя изображен одной стрелкой, а выходной - двумя, так как выходной сигнал имеет две составляющие (синфазную и квадратурную). Для удобства описания такого сигнала используют комплексные числа ( комплексное число также имеет две части: вещественную и мнимую). Говорят, что фазовый расщепитель осуществляет переход к комплексному аналитическому сигналу. При этом подразумевают, что синфазная составляющая - это вещественная, а квадратурная - мнимая части комплексного аналитического сигнала.
Проходя через телефонный канал, сигнал передатчика удаленного модема подвергается сильным искажениям. Основной составляющей этих искажений являются линейные искажения, которые в спектральной области проявляются в виде неравномерного затухания и задержки различных частотных составляющих передаваемого сигнала, а во временной области проявляются как межсимвольная интерференция, т.е. влияние соседних передаваемых символов друг на друга. Это влияние настолько велико, что без компенсации линейных искажений невозможен прием сигнала даже на самых низких скоростях. Поэтому с целью компенсации линейных искажений сигнала в приемнике модема по рекомендации V.32bis ставится адаптивный корректор. По своей структуре он очень похож на эхокомпенсатор и также является адаптивным трансверсальным фильтром, содержащим линию задержки и набор весовых коэффициентов. Во время приема сигнала адаптивный корректор постоянно подстраивается, отслеживая медленные изменения характеристик телефонного канала.
После компенсации линейных искажений сигнал с выхода адаптивного корректора поступает на вход демодулятора, который осуществляет операцию, обратную модулятору передатчика. Как видно из рисунка, работой демодулятора управляет блок оценки частоты несущей. Мы уже говорили, что частота несущей в модемах по рекомендации V.32bis равна 1800 Гц. Тогда возникает вопрос: зачем оценивать частоту несущей, которая и так известна? Проблема в том, что, хотя передатчик удаленного модема действительно использует частоту 1800 Гц при модуляции, сигнал, проходя через телефонный канал, подвергается действию факторов, приводящих к смещению несущей частоты. И хотя это изменение достаточно мало (порядка 0,3 %), необходимо его компенсировать. К примеру, если в телефонном канале произошло смещение частоты на 5 Гц, то частота демодулятора должна быть уже не 1800 Гц, а 1795 Гц. Смещение частоты для различных каналов ТЧ имеет разную величину и может меняться в процессе передачи данных. Поэтому во время процедуры начального соединения каждый из модемов оценивает частоту несущей и продолжает ее подстраивать в процессе передачи .
С выхода демодулятора на вход декодера поступает комплексный сигнал, каждый отсчет которого соответствует какому-либо положению на плоскости сигнального созвездия. На сигнальном созвездии присутствуют так называемые разрешенные значения, т.е. те значения, которые могут передаваться передатчиком. Задача декодера состоит в том, чтобы по входному демодулированному комплексному отсчету выбрать одно из разрешенных значений на сигнальном созвездии.
Если бы не существовало искажений и шумов в канале связи, а также шумов алгоритмов обработки сигнала в передатчике и приемнике, то сигнал на выходе демодулятора в точности соответствовал бы разрешенным значениям сигнального созвездия. Однако в реальной ситуации это невозможно. И принимаемый сигнал попадает в некоторую окрестность от передаваемого. Если шум невелик и приемник работает без ошибок, принимаемые сигнальные точки, хотя и не совпадают в точности с переданным значением, однако находятся к нему ближе, чем ко всем другим разрешенным значениям. В этом случае ошибки не происходит. Если же принятая сигнальная точка оказывается в окрестности разрешенного значения, отличного от переданного, то решающее устройство принимает неверное решение и происходит ошибка. Описанный метод принятия решения достаточно нагляден и очевиден: считается, что передавалось то из разрешенных значений, которое наиболее близко к принятой сигнальной точке.
Однако, в модеме по рекомендации V.32bis, используется решетчатое кодирование, и поэтому применяется более эффективный алгоритм. Сверточный кодер на передаче специальным способом вводит связь между последовательными передаваемыми отсчетами, и при принятии решения кроме текущей сигнальной точки учитывается некоторое количество предыдущих. Такой алгоритм называется декодированием по Витерби. Этот алгоритм гораздо сложнее тривиального решающего устройства, описанного ранее, но зато обеспечивает более высокую помехоустойчивость приема. После декодирования сигнал в виде последовательного потока бит подается на дескремблер, осуществляющий операцию, обратную скремблеру передатчика. С выхода дескремблера дискретные данные передаются на выход приемника модема (это не означает, что выход дескремблера непосредственно подключается к компьютеру, далее сигнал может обрабатываться протоколом сжатия и коррекции ошибок V.42bis, протоколом V.24 и др.)
3.
Вероятности ошибочного приема единичного элемента при различных видах модуляции:
h
=
;
= 16дБ = 39,8р.
h = 6,3
Р>ош> ( АМ ) = 0,5(1-Ф(h/2)) = 0,5(1-Ф(4,45)) = 4,610-10
Р>ош> ( ЧМ ) = 0,5(1-Ф(h)) = 0,5(1-Ф(6,3)) = 6,5210-10
Р>ош> ( ФМ ) = 0,5(1-Ф(h2)) = 0,5(1-Ф(8,91)) = 9,2210-10
Р>ош> ( ОФМ ) = 1-Ф2(h2) = 1-Ф2(8,91)) = 1,910-19
Пропускная способность непрерывного и дискретного каналов:
С>д> = В(log m + (P/(m-1))logP + (1-P)log(1-P)),
При m=2; С>д> = В(1 + P logP + (1-P)log(1-P)),
В = 2400 бод.
( АМ ) С>д> = В = 2400 бит/с,
( ЧМ ) С>д> = В = 2400 бит/с,
( ФМ ) С>д> = В = 2400 бит/с,
( ОФМ ) С>д> = В = 2400 бит/с.
С>н> = F log(1+Р>с>/Р>ш>),
С>н> = 3100 log(1+6,3) = 3100 0,863 = 2676 бит/с.
Коэффициент использования КТЧ:
К>и> = С/В>мах>;
К>и ам> = К>и чм> = К>и фм> = К>и офм> = 2400/2400 = 1
Для непрерывного канала В>мах> = 2F = 6200,
К>и> = 2676/6200 = 0,43.
Задача №3.
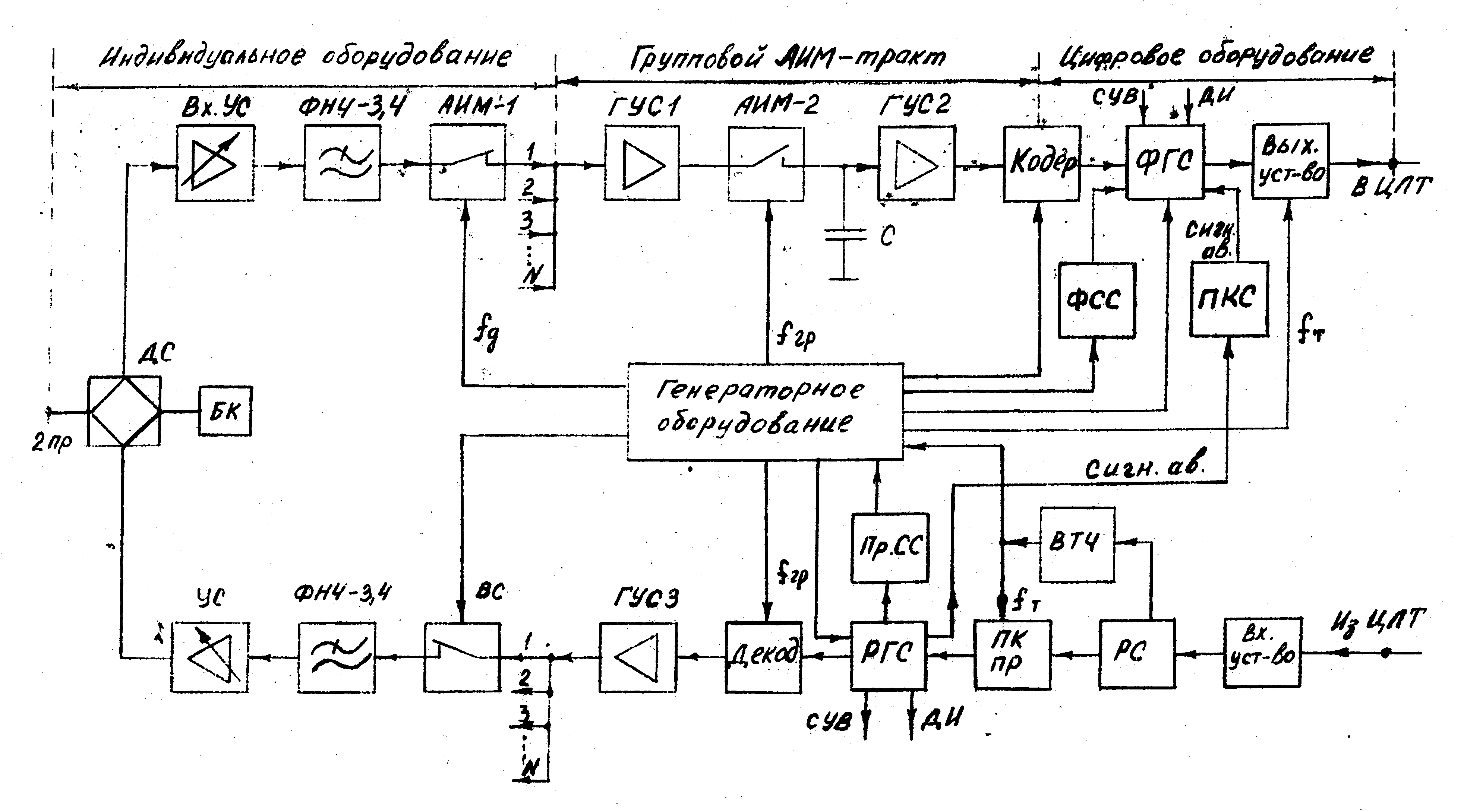
1. КОА с групповым кодеком.
Структурная схема каналообразующей аппаратуры ЦСП с ИКМ, предназначенной для передачи аналоговых (речевых) сигналов, приведена на рис.3.1.

рис 3.1. Тракт передачи аппаратуры.
Поступающие на двухпроводные входы N каналов ТЧ, передаваемые речевые сигналы N абонентов через ДС каналов поступают на входные усилители, где нормализуются по уровню передачи. Ограниченый по спектру с помощью ФНЧ-3,4 сигнал подвергается дискретизации повремени в канальном модуляторе АИМ-1, который представляет собой электронный ключ. Работой ключей управляют канальные импульсы от генераторного оборудования, сдвинутые
друг относительно друга на величину канального интервала Т. Частота следования этих импульсов в канале равна частоте дискретизации f>д> =8 кГц. В результате получается канальный сигнал АИМ с интервалом между импульсами 125 мкс. Такие сигналы объединяются с аналогичными сигналами других каналов, т.е. формируется групповой сигнал АИМ, который поступает в групповой АИМ-тракт. В групповом усилителе ГУС-1 импульсы АИМ-1 усиливаются, а затем преобразуются в импульсы АИМ-2, т.е. расширяются по длительности и приобретают плоскую вершину. Это необходимо для последующего их кодирования.
Частота следования импульсов группового сигнала АИМ определяется произведением f>гр> =f>д> x(N+2), где (N+2) - общее число канальных интервалов в КОА. Для аппаратуры первичной ЦСП f>гр> =8х(ЗСН-2)=8х32=256 кГц. Через усилитель ГУС-2 групповой сигнал АИМ-2 поступает на вход кодирующего устройства. В кодере выполняющем функции квантования сигналов по уровню и кодирования квантовых сигналов, каждый импульс группового сигнала АИМ-2 с помощью m-значного кода преобразуется в кодовую группу, последовательность которых образует импульсно-кодовый сигнал в цифровой форме, т.е. цифровой групповой сигнал. Этот информационный сигнал 30-ти каналов ТЧ в устройстве ФГС объединяется с двумя кодовыми группами служебных сигналов. К последним относятся:
- сигналы цикловой и сверхцикловой синхронизации;
- сигналы управления и взаимодействия (СУВ);
- сигналы дискретной информации (телеграфной связи);
- сигналы телеконтроля и аварийной сигнализации. На выходе ФГС образуется цифровой групповой сигнал первичной ЦСП с тактовой частотой следования кодовых символов
f>т> =f>д> *(N+2)*m=8*32*8=2048кГц. В выходном устройстве этот сигнал проходит ПК>пер> , ФЛС и далее поступает в ЦЛТ.
Процесс обработки сигналов в тракте приема аппаратуры выполняется в обратной последовательности. Принятый ЦЛС, пройдя входное устройство, поступает в регенератор станционный (PC), где он восстанавливается по амплитуде, форме и длительности. В ПК>пр> биполярный ЦЛС преобразуется в однополярный ЦГС, который поступает в распределитель группового сигнала (РГС), или демультиплексор. В нем выделяются все служебные сигналы, которые подаются в соответствующие устройства приема:
- приемники сигналов синхронизации (ПР.СС);
- приемники СУВ и ДИ;
-плату контроля и сигнализации (ПКС) для приема сигналов об авариях.
Информационный поток с выхода РГС поступает в декодер, где из последовательности единиц и нулей кодовых групп формируется групповой сигнал АИМ Этот сигнал после усиления в групповом усилитете ГУС-3 поступает на временные селекторы (ВС) каналов. Каждый из них замыкается поочередно и выделяет только последовательность сигнала АИМ данного канала. Из этой последовательности импульсов с помощью ФНЧ-3,4 восстанавливается переданный с противоположной оконечной станции аналоговый (речевой) сигнал. Он усиливается в канальном усилителе (УС) до значения 4 дБ на выходе усилителя и через ДС канала поступает на двухпроводный выход канала ТЧ для передачи абоненту. Выделитель тактовой частоты ( ВТЧ ) обеспечивает формирование импульсов тактовой частоты для генераторного оборудования приемной части аппаратуры.
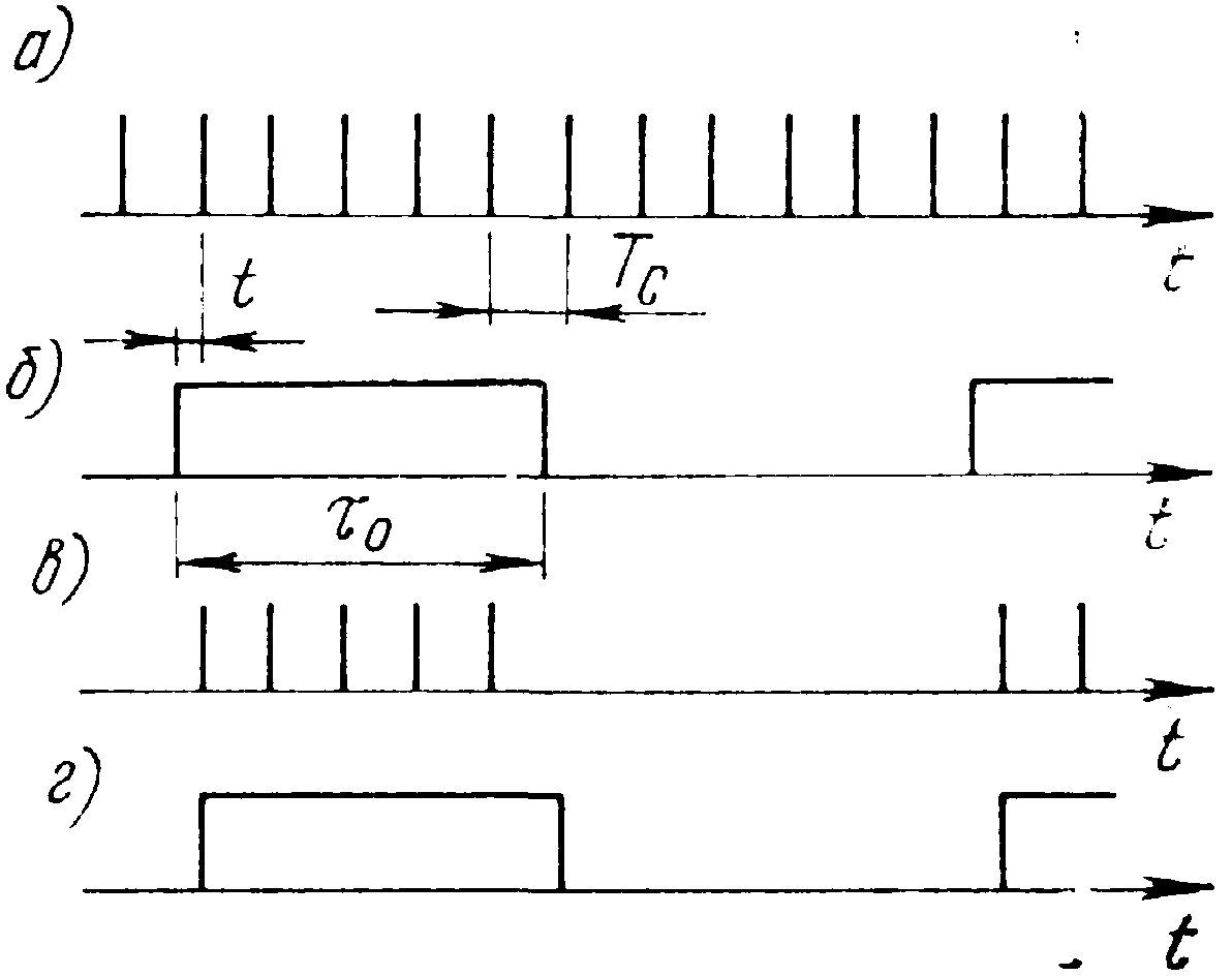
2. Метод наложения. На передаче состояние каждого двоичного канала испытывается непрерывной последовательностью стробирующих импульсов (рис. 3.2).

Рис. 3.2. Диаграммы, поясняющие метод наложения:
а) импульсная несущая; б) двоичный сигнал, подлежащий передаче; в) последовательность манипулированных импульсов на передаче; г) последовательность манипулированных импульсов, на приемном конце
В зависимости от полярности двоичного сигнала в СДК поступает или не поступает серия стробирующих импульсов. На приемной стороне по огибающей этой серии восстанавливается исходный телеграфный сигнал. На рис. 3.2а изображена импульсная несущая (стробирующие импульсы), вырабатываемая генераторным оборудованием передающей станции ИКМ. На диаграмме рис. 3.26 показан двоичный сигнал, подлежащий передаче. С помощью схемы И создается последовательность манипулированных импульсов (рис. 3.2в), которая вводится в групповой ИКМ сигнал. На приемной станции каждый импульс манипулированной последовательности растягивается на весь тактовый интервал (рис. 3.2г).
Большая избыточность при методе наложения позволяет обеспечить высокую достоверность передачи при минимальной стоимости. Метод наложения использован в аппаратуре ТВУ-12.
Метод «скользящего индекса».

Рис. 3.3. Диаграммы, поясняющие метод «скользящего индекса»:
а) последовательность .импульсов на передаче; б) последовательность тактовых импульсов канала; в) кодовая комбинация, характеризующая передаваемую информацию
Из импульсной несущей СДК для каждого двоичного канала выделяется последовательность тактовых импульсов (ТИК) (рис. 3.36), частота следования которых определяется скоростью передачи двоичных сигналов и необходимой точностью восстановления ЗМВ. На передаче определяется положение ЗММ (рис. 3.3а) между двумя соседними ТИК и результат измерения представляется в виде двоичного числа. Непосредственно за ближайшим к ЗММ тактовым импульсом в канал передается стартовый импульс, обозначающий наличие ЗММ, и кодовая комбинация о его положении и полярности (рис. 3.3в). Эта кодовая группа передается в канал теми же тактовыми импульсами, относительно которых определялось положение ЗММ. Следовательно, информация о подлежащем передаче двоичном сигнале передается сразу же после появления ЗММ.
3.
Определим частоту дискретизации (импульсную несущую) линейного сигнала и ширину спектра линейного сигнала для методов МН и СИП:
МН:
= t/>min> ; >min> = 1/В = 1/100 = 0,01 с.
t
=
=
= 250 мкс.
f>д> = 1/t = 1/25010-6 = 4000 Гц.
СИП:
=
;
К = 2;
t
=
=
= 1 мс.
f>д> = 1/t = 1/110-3 = 1000 Гц.
Импульсная несущая для количества каналов N=6:
МН: f>нес> = 6f>д> = 24000 Гц,
СИП: f>нес> = 6f>д> = 6000 Гц,
Ширина спектра соответственно при ЧМ ДБП:
МН: F = 2f>д> = 8000 Гц, (в полосе канала ТЧ – 1 дискретный канал)
СИП: f>нес> = 2f>д> = 2000 Гц, (в полосе канала ТЧ можно организовать 2 дискретных канала).
Задача № 4.
ИСПОЛЬЗОВАНИЕ ПАКЕТНОЙ СЕТИ УКРПАК, СИСТЕМЫ ЭЛЕКТРОННОЙ ПОЧТЫ УКРМЕЙЛ
4.1. Сеть Укрпак
4.1.1. Общая характеристика сети
В Украине построена и работает сеть коммутации пакетов Укрпак.
Укрпак является национальной сетью общего пользования. Она имеет соответствующий статус и зарегистрирована в международном союзе электросвязи МСЭ-Т. Учредителем Укрпак является СП "Инфоком" - уполномоченный представительный орган Украины в МСЭ-Т и официальный оператор Администрации связи Украины по предоставлению услуг передачи данных и электронной почты средствами сети передачи данных общего пользования.
Укрпак полностью соответствует международным стандартам, предъявляемым к пакетным сетям Х.25 и взаимодействует с аналогичными сетями более, чем 90 стран мира.
Сеть Укрпак имеет радиально-узловое построение (рис.1). Четыре главных региональных узла в гг. Киев, Днепропетровск, Львов и Одесса с функциями оконечных, связанные между собой каналами по принципу "каждый с каждым", обеспечивают передачу сообщений между оконечными узлами по одному из нескольких альтернативных маршрутов в зависимости от состояния и условий загрузки направлений. Все остальные областные центры подключены двумя направлениями к двум главным региональным узлам. Крупные города и некоторые районы подключены к областным узлам. Конфигурация сети Укрпак приведена на рисунке.
Доступ пользователей к сети Укрпак обеспечен по всей территории страны. Центры коммутации сети имеются в каждом областном центре и ряде крупных городов и районных центров. К концу 1997 году центры коммутации установлены еще примерно в 109 крупных городах и районных центрах. Эта сеть находится в совместном владении СП "Инфоком" и областных предприятий связи.

К началу 1998 года сеть Укрпак насчитывала около 1400 абонентов во всех регионах Украины. В 1999 году планируется ее дальнейший рост. В числе уже работающих абонентов - банковские и государственные структуры, в том числе МВД, Таможенный комитет, НБУ, ряд банков, Торгово-промышленная палата и др.
Через сеть Укрпак обеспечивается взаимодействие банков Украины с международной межбанковской системой S.W.I.F.T., а также с сетями DATEX-P (Германия), Роспак (Россия), Белпак (Белорусь), Polpak (Польша), SprintNet (США).
В транзитных узлах и некоторых крупных областных центрах установлены центры коммутации пакетов типа S9000 производительностью 7000 пакетов в секунду, остальные ЦКП типа S8000 производительностью 5000 пакетов в секунду. По мере необходимости производительность ЦКП наращивается до требуемой.
Сеть Укрпак строится и развивается на базе технических и программных средств передовых зарубежных фирм: Hughes Network Systems (HNS США), EDA (Канада), Microсom (США).
Для работы сети Укрпак в настоящее время используются выделенные линии кабелей ГТС (в пределах города) городских телефонных сетей, междугородные телефонные каналы (канал тональной частоты ТЧ) первичных сетей общего пользования, спутниковые каналы передачи данных, организуемые СП "Инфоком" в соответствии с полученной лицензией Министерства связи.
Качественные показатели сети Укрпак характеризуются следующими параметрами:
- защита информации от несанкционированного доступа сетевыми средствами;
- защита передаваемой информации от ошибок (вероятность необнаруженной ошибки менее 10Е -9);
- высокая надежность работы сети за счет системных, сетевых и технических решений;
- высокая скорость установления соединений от абонента до абонента (менее 1с) и передачи информации;
- развитые средства ограничения несанкционированного доступа.
Если межстанционный канал выходит из строя, это не отражается на пользователе. Коммутаторы пакетов сети Укрпак с встроенной избыточностью автоматически обеспечивают соединения по альтернативным маршрутам без потери данных или сеансов.
1.2. Предоставляемые услуги
При работе по сети Укрпак абоненты могут получить следующие услуги:
- непосредственное подключение к сети пользователей, имеющих синхронные и асинхронные терминалы, по закрепленным каналам с использованием соответственно стыков по рекомендациям МККТТ Х.25 и Х.28;
- подключение к сети пользователей, имеющих синхронные и асинхронные терминалы, по коммутируемой телефонной сети с использованием стыка по рекомендации МККТТ Х.32 и через устройства PAD с использованием стыка Х.28;
- работа с протоколами SNA, SDLS, BSC, асинхронным, преобразование протоколов из IBM 3270 BSC в IBM 3270 SNA и др. с помощью конверторов протоколов;
- предоставление абонентам коммутируемых виртуальных соединений;
- предоставление абонентам постоянных виртуальных каналов;
- установление местных, исходящих и входящих соединений абонентов в пределах Украины, а также международных соединений;
- возможность выбора скорости работы абонентского терминала в диапазоне от 1200 бит/с до 256 кбит/с;
- защита передаваемой по сети информации от несанкционированного доступа.
В сети Укрпак могут работать отдельные терминалы на базе стандартных персональных компьютеров (ПК), локальные сети (ЛВС), ХОСТ-компьютеры и др.
Имеется также возможность получить множество других средств и дополнительных услуг при использовании сети Укрпак в качестве сети передачи данных Х.25.
Сеть Укрпак можно использовать совместно с системой обработки сообщений Укрмейл по стандарту МСЭ-Т Х.400, которая дает возможность абонентам:
- пользоваться услугами "электронной почты", в том числе доставкой информации через "электронный почтовый ящик";
- взаимодействовать с другими существующими службами "электронная почта" в том числе и международными;
- осуществлять двухсторонний обмен сообщениями с сетями АТ и телекс и режим факс-почты.
1.3. Способы подключения к сети абонентов
Возможные варианты подключения к сети абонентов показаны на рис.2 и рис.3.
Крупные учреждения включаются в сеть по выделенным (закрепленным) каналам в центры коммутации пакетов своего регионального узла в протоколе Х.25. Это связано с тем, что они будут иметь большие объемы информационного обмена, им требуется двухсторонняя связь с большим кругом других абонентов сети, возможность одновременной работы многих пользователей ЛВС регионального управления по одному каналу связи с центром коммутации и другие услуги, обеспечиваемые пакетной сетью. Все региональные центры коммутации сети Укрпак могут обеспечить незамедлительное включение областных учреждений в сеть.
Более мелкие (районные) учреждения могут работать в трех режимах.


Относительно крупные учреждения, имеющие собственную ЛВС, должны подключаться к сети по выделенным каналам в протоколе Х.25.
Учреждения со средним обменом могут подключаться к сети по выделенным каналам в протоколе Х.28 асинхронным доступом. В этом случае они могут иметь одновременную двухстороннюю исходящую и входящую связь, но в каждый момент времени может обеспечиваться работа только от одного пользователя.
Отдельные терминалы небольших подразделений могут подключаться к сети Укрпак по коммутируемому доступу через телефонную сеть в протоколе Х.28. В этом случае можно получить асинхронный доступ к пакетной сети с использованием концентраторов - устройств сборки-разборки пакетов (PAD). Эти устройства имеются в каждом областном узле и будут установлены также в крупных городах и районных центрах. Такое подключение позволяет существенно сократить затраты на подключение к сети и абонементную оплату за ее услуги.
При асинхронном доступе все пакетные сети, в соответствии с действующими нормами Международного союза электросвязи, обеспечивают возможность только исходящей связи в режиме реального времени. При необходимости, входящие сообщения могут передаваться через систему электронной почты.
Высококачественная связь с системой электронной почты может быть обеспечена всем учреждениям с помощью сети Укрпак.
4.1.4. Приоритеты и классы обслуживания
Пользователям сети Укрпак предлагается до трех категорий приоритетов и до двенадцати классов обслуживания. В зависимости от категории приоритета интеллектуальное коммутационное оборудование сети не только формирует очередь в передаче сообщений, но и выбирает наиболее целесообразный маршрут за весовыми коэффициентами, которые присваиваются сооставным участкам сети. Эти весовые коэффициенты присваиваются магистральным участкам сети исходя из условий качества приема/передачи информации и учитываются при определении маршрутов передачи для различных классов обслуживания.
4.1.5. Защита передаваемой по сети информации от несанкционированного доступа.
В любой пакетной сети в каждом межстанционном канале одновременно передается информация от многих пользователей, поэтому выделить информацию конкретного пользователя крайне сложно. В сети Укрпак используется система динамического распределения нагрузки, которая постоянно меняет маршруты пересылки пакетов в зависимости от изменяющейся ситуации на сети. По этой причине пакеты, принадлежащие одному соединению, могут передаваться по разным маршрутам в зависимости от состояния сети.
Изменение маршрутов производится автоматически по командам системы управления сетью с использованием "суперсети", которая строится на виртуальных каналах, организуемых наряду с каналами передачи информации. Контролировать эту информацию в злонамеренных целях крайне сложно, поскольку виртуальные каналы создаются случайным образом без участия человека.
Практически отыскать в сети пакеты, принадлежащие одному соединению, можно только контролируя и расшифровывая информацию практически по всей сети, т.е. преднамеренно подключаясь ко всем центрам и межцентровым каналам сети. Даже если предположить, что это технически возможно, экономически нецелесообразно таким образом получать информацию в злонамеренных целях, поскольку для этого потребуются затраты и вычислительные ресурсы, превышающие затраты на сеть и время, зачастую намного превышающее возможности злонамеренного использования полученной информации.
Используемые в сети модемы Microcom с помощью станционного контроллера также обеспечивают эффективную защиту пользователей от несанкционированного доступа.
4.2. Система электронной почты (ЭП)
Система электронной почты является самостоятельной службой, которая базируется на пакетные сети, используя их как транспортные. Она позволяет значительно расширить услуги по обмену информацией между абонентами.
СП "Инфоком" создало национальную систему обработки сообщений общего пользования по стандарту МККТТ Х.400 версий 1988 и 1992г.г. ("электронную почту" - ЭП), сопряженную с сетью Укрпак.
Созданная СП "Инфоком" национальная служба электронной почты общего пользования получила в международном союзе электросвязи МСЭ-Т статус "Административного домена" (ADMD), что дает ей право представлять систему национальной ЭП Украины при взаимодействии с другими ADMD.
ЭП обеспечивает пересылку сообщений между следующими корреспондентами:
собственными абонентами электронной почты;
пользователями сетей абонентского телеграфа (АТ) и телекс;
владельцами факсимильных аппаратов;
абонентами сетей Х.25.
Если абоненту ЭП необходимо отправить сообщение пользователю сети Х.25, АТ, телекс, либо владельцу факсимильного аппарата, он не должен приобретать дорогостоящее оборудование, предварительно получать разрешение на подключение к соответствующей сети. Эта работа уже выполнена службой ЭП. Направив сообщение в ЭП не требуется предпринимать никаких дополнительных действий. Если линия корреспондента занята, нет необходимости повторных наборов номера. Сообщение будет передано по оптимальному маршруту, и система сама следит за его прохождением и доставкой адресату.
ЭП позволяет передавать текстовые и табличные документы на любых языках, двоичные данные, оцифрованные графические и полутоновые изображения, оцифрованную звуковую информацию. Обеспечивается 100% гарантия доставки информации по назначению, так как стандарты Х.400 дают возможность контроля за прохождением сообщения по всему маршруту следования, что особенно важно при межсетевом обмене.
Сообщения могут быть одноадресные и многоадресные (одновременно пересылаются нескольким пользователям сети), частные (от абонента к абоненту, при этом к сообщению могут иметь доступ только отправитель и получатель), общего пользования (по запросу они предоставляются любому абоненту).
Система контролирует прохождение сообщения и может уведомить отправителя о доставке сообщения, а также о факте и времени ознакомления получателя с документом. Возможно сообщение о времени отправки письма.
Абонент может указать приоритетность отправления, чем будет определяться его место в очереди сообщений по всему маршруту.
По желанию абонента обеспечивается рассылка сообщений по "таймеру", т.е. с указанием срока получения или условия доставки сообщения до или после указанного срока.
Может быть также указано предельное время, после которого информация теряет смысл и ее доставка получателю нецелесообразна (например, сообщение о сроке начала совещания бессмысленно доставлять после начала этого совещания).
Возможна пересылка "электронных бандеролей" - текстовых или бинарных файлов, подсоединенных к основному сообщению.
На базе сетей электронной почты могут проводиться конференции и семинары, причем сеть позволяет проводить одновременно значительное количество таких мероприятий, так что сам абонент может выбирать, в какой конференции принять участие. В том числе возможно проводить конфиденциальные (закрытые) конференции, доступ на которые разрешен только определенным пользователям сети.
ЭП позволяет максимально автоматизировать и рационально организовать работу канцелярии и внедрить "безбумажную" технологию.
Служба дает возможность подготовить набор стандартных часто употребляемых писем (запросов, ответов, приветствий, данных о рассылке и др.), которые могут затем передаваться по указанию адресатам.
Современные системы электронного обмена данными (EDI), создаваемые в рамках ЭП, предназначены для подготовки и пересылки данных, заполняющих формы - таблицы, бланки, счета и др. При этом нет необходимости каждый раз передавать полный текст формы , т.к. он заранее известен и согласован, что позволяет во много раз сократить объем передаваемой по сети информации. В системе предусмотрен программный контроль правильности заполнения форм, что позволяет исключить неверные действия пользователя. Для получателя информация может быть выведена на экран или печать в виде стандартной формы или в виде, наиболее пригодном для дальнейшей автоматической обработки.
По желанию пользователя могут использоваться имеющиеся в системе наборы форм или создаваться новые.
Системы EDI предусматривают обслуживание систем электронных платежей, обработки финансовых документов.