Перетворювач ємність - тривалість імпульсу
Міністерство освіти і науки України
Вінницький національний технічний університет
Інститут автоматики електроніки та комп`ютерних систем управління
Факультет автоматики і комп’ютерних систем управління
Кафедра метрології і промислової автоматики
ПЕРЕТВОРЮВАЧ ЄМНІСТЬ-ТРИВАЛІСТЬ ІМПУЛЬСУ
Пояснювальна записка
з дисципліни “Основи електроніки”
до курсового проекту за спеціальністю
6.091302 “Метрологія та вимірювальна техніка”
08 – 03.КП.015.00.000ПЗ
Керівник курсового проекту
к.т.н., доцент. Дрючин О.О.
(прізвище та ініціали)
________________________
(підпис)
“___”_________________200_ р.
Розробила студентка гр. 1АМ-06
Ковальчук О.С.
(підпис, прізвище та ініціали)
“___”_________________200_ р.
Вінниця ВНТУ 2008
Анотація
УДК. 621.38
О.С. Ковальчук Перетворювач ємність-тривалість імпульсу.
Курсовий проект ВНТУ, 2008, Українська мова; сторінок 45; ілюстрацій 10; додатки 3.
В даному курсовому проекті було розроблено та реалізовано перетворювач ємність-тривалість імпульсу. Діапазон 1 пФ...10 нФ з частотою перетворень 25 кГц, але будова схеми дозволяє у разі необхідності провівши невеликі додаткові розрахунки та заміну одного елементу змінити частоту перетворень Амплітуда вихідного сигналу складає 12 В на опорі 8 Ом. Межі вихідного сигналу були визначені у результаті розрахунків.
Основними блоками структури є автоколивальний мультивібратор, призначений для формування сигналу з визначеною частотою, очікуючий мультивібратор використано в якості первинного перетворювача, підсилювач напруги використано для підсилення амплітуди сигналу до заданого рівня та підсилювач потужності.
Цей перетворювач відповідає всім вимогам сучасних нормативів і стандартів.
Зміст
Вступ.
1 Розробка технічного завдання
2 Розробка структурної схеми
2.1 Розробка структури пристрою
2.2 Розробка загальної структури перетворювача
2.3 Попередній розрахунок ОМВ
2.4 Попередній розрахунок ПП
2.5 Попередній розрахунок ПН
2.6 Попередній розрахунок АМВ
2.7 Розробка детальної структури схеми
3 Електричні розрахунки
3.1 Розрахунок підсилювача потужності
3.1.1 Вихідні дані
3.1.2 Принципова схема ПП
3.1.3 Визначення залишкової напруги на колекторі
3.2 Розрахунок підсилювача напруги
3.3 Розрахунок елементів ОМВ
3.4 Розрахунок елементів АМВ
4 Визначення метрологічних характеристик
5 Моделювання одного з вузлів
Висновки
Література
Вступ
Електроніка – це галузь науки і техніки, яка вивчає електронні та іонні процеси у вакуумі, твердому тілі, рідині, газі, плазмі та їх поверхневих шарах. Електроніка вивчає теорію та практичне застосування електричних явищ для виробництва, перенесення, розподілу та перетворення електронної енергії в інші види енергії: світлову, теплову, механічну, хімічну тощо.
Електроніка є універсальним і виключно ефективним засобом при рішенні різноманітних проблем в області збору і перетворення інформації, автоматичного і автоматизованого управління, виробництва та перетворення енергії. Ця наука дає не тільки необхідні знання про явища, що відбуваються в електронних пристроях, які застосовуються в інженерній справі відповідного напрямку, але і знання які стають необхідними для все більшого кола спеціалістів, в тому числі й метрологам.
Сфера застосування електроніки весь час розширюється. Нині вже не можливо назвати якусь газузь науки і техніки, де б не використовувалась електричні пристрої. Важко назвати технологічний процес, управління яким здійснювалося б без використання електроніки. Функції приладів електроніки стають все більш різноманітними.
Вимірювальна техніка є одним із головних факторів технічного прогресу і її рівень у значній мірі визначає загальний рівень розвитку науки і техніки.
Особлива роль належить електровимірювальній техніці, яка дозволяє використовувати найновітніші досягнення електротехніки, електроніки, обчислювальної техніки і автоматики для вирішення складних науково-технічних завдань. Поняття „вимірювання” означає знаходження значення певної фізичної величини за допомогою досліду та спеціяльних технічних засобів. Наука метрологія є теоретичною основою вимірювальної техніки, одного з основних факторів технічного прогресу у всіх галузях діяльності людини. Розвиток метрології полягає, в першу чергу, в удосконаленні теоретичних основ вимірювань, узагальненні практичного досвіду в галузі вимірювань і направляє розвиток вимірювальної техніки.
Вимірювальна інформація – одна із складових частин пізнання людиною матеріального світу. Одержувана інформація неперервно вдосконалюється в процесі покращення вимірювального експерименту. При цьому відбуваються постійне уточнення вимірювальної інформації, вивільнення її від супутніх похибок і наближення до абсолютної істини. В результаті аналізу отриманої вимірювальної інформації людина пізнає навколишнє середовище.
Одним із основних положень сучасної теорії вимірювальних пристроїв є положення про вимірювальне перетворення.
Вимірювальне перетворення – перетворення вхідного сигналу у вихідний, інформативний параметр якого із заданою точністю фундаментально пов’язані з інформативним параметром вхідного сигналу, аналітично подається рівнянням У = F (x).
Вимірювальний перетворювач – засіб вимірювання, побудований на певному фізичному принципі дії, що виконує одне частинне вимірювальне перетворення – призначений для вироблення сигналу вимірювальної інформації у формі, зручній для передавання, дальнього перетворення, обробки і (або) зберігання, яка, безпосередньо не сприймається оператором.
У загальному разі під сигналом розуміється матеріальний носій інформації, а вимірювальним називається сигнал, який несе інформацію про значення вимірювальної величини.
1. Розробка технічного завдання
Метою курсового проекту є розрахунок та визначення технічних параметрів схеми перетворювача ємність-тривалість імпульсу. У даному курсовому проекті необхідно провести розробку структури перетворювача та провести розрахунки елементів вузлів схеми. Заданий діапазон ємності складає від 1 пФ до 10 нФ, з частотою перетворення 25 кГц, але будова схеми дозволяє у разі необхідності провівши невеликі додаткові розрахунки та заміну одного елементу змінити частоту перетворень. Амплітуда вихідного сигналу повинна складати 12 В на опорі 8 Ом. Також задано значення допустимої похибки, яке менше або дорівнює одному відсотку.
Необхідно провести розрахунки кожного з елементів розробленої схеми перетворювача ємність-часовий інтервал. За допомогою отриманих даних провести підбір операційних підсилювачів, транзисторів, резисторів, ємностей та інші елементи, які буде використано під час розробки перетворювача.
При підборі номіналів та стандартних назв елементів перетворювача варто звертати увагу на дотримання вибору елементів існуючим стандартам та направити зусилля на підвищення класу точності розробленого перетворювача відповідно до стандартів. Розроблений перетворювач є досить зручним та гнучким до змін та модернізації. Даний перетворювач виконаний на основі операційних підсилювачів. Цей прилад відповідає всім вимогам до сучасних нормативів і стандартів.
2. Розробка структурної схеми
2.1 Розробка структури пристрою
Перетворювачі, у яких електричне поле створюється прикладеною напругою, складають групу ємнісних перетворювачів. Основним елементом у цих перетворювачах є конденсатор змінної ємності, що змінюється вхідним вимірювальним сигналом.
У ємнісних перетворювачах ємність С може змінюватись за рахунок зміни параметрів конденсатора. При цьому виконуються функції перетворення неелектричних величин у зміну ємності чи виробляється модуляція ємності, що має місце в ємнісних модуляторах, ЕС генераторах.
При застосуванні ємнісного перетворювача інформативним параметром являється його ємність Сх або тангенс кута діелектричних втрат tgx. Опір втрат практично завжди є неінформативним для області високочастотної кондуктометрії.
Якщо змінювати частоту живильної напруги на конденсаторі перетворювача, то можна створити прилад для визначення дисперсії діелектричних рідин, газів і твердих тел.
Як вимірювальні ланцюги в ємнісних перетворювачах застосовуються подільники напруги, мостові схеми, коливальні контури й автогенератори. Оскільки сигнали, що знімаються з ємнісних перетворювачів, малі, то вимірювальні ланцюги містять підсилювачі.
При проектуванні ємнісних перетворювачів варто звертати увагу на екранування проводів, вибір ізоляції, усунення поверхневого опору ізоляції і вибір частоти живлення. Чим вища ця частота, тим менший вихідний опір, тому нерідко частоту живлення вибирають велику (до декількох МГц).
Конструктивні схеми ємнісних перетворювачів виконуються в різних варіантах у залежності від області застосування. При вимірюванні рівнів рідких і сипучих тіл знаходять застосування циліндричні чи плоскі конденсатори, ємність яких характеризується рівнем х і залежить від діелектричних проникливостей рідини, ізоляції і повітря.
Можливі області застосування перетворювачів (у тому числі і ємнісних) надзвичайно різноманітні, можна виділити лише окремі сфери:
промислова техніка виміру і регулювання,
робототехніка,
автомобілебудування,
побутова техніка,
медична техніка.
Ємнісні перетворювачі близькі по своїм характеристикам до напівпровідникових діодів, у яких використовується залежність так називаної бар'єрної ємності від зворотної напруги. Такі перетворювачі застосовуються як елементи з електрично керованою ємністю і називаються варикапами.
Інша група перетворювачів заснована на використанні сегнетоелектриків, тобто кристалічних діелектриків, що при визначених температурних умовах (при температурі нижче точки Кюрі) мають мимовільну поляризацію при відсутності зовнішніх електричних полів.
Нещодавно конструктори відносилися з упередженням до ємнісних перетворювачів, думаючи, що схеми з ємнісними перетворювачами не забезпечують ні достатньої точності, ні стабільності роботи приладів.
Вважалося обов'язковим для одержання стійкого сигналу на виході ємнісного перетворювача подавати на нього напругою високої частоти, що досягає сотень кілогерц, а іноді навіть десятків мегагерц. Наявність такої високої частоти у свою чергу приводило до втрат у паразитних ємностях, сполучних проводах і т.п. Для того щоб підвищити амплітуду сигналу, що знімається з ємнісного перетворювача, і поліпшити стабільність показань, деякі автори розробок застосовували в першому каскаді підсилювача електрометричні лампи, що допускають включення сотень мегом у ланцюг керуючої сітки і т.д., однак усі ці міри мало поліпшували стабільність систем з ємнісними перетворювачами й у той же час значно ускладнювали конструкцію приладів.
Проведені в даний час роботи показали, що причина нестабільності роботи систем з ємнісними перетворювачами лежить у неправильному підході конструкторів до проектування перетворювачів, зокрема, у неправильному розташуванні ізолюючих елементів конструкції, нестабільність властивостей яких і приводить до помилок у роботі систем. Ці труднощі виявилися переборними, і вже створені прилади з ємнісними перетворювачами, що забезпечують високі точності і стабільність роботи, що витримують важкі режими експлуатації.
Вимірювання ємності. При вимірюванні ємності необхідно враховувати, що ці параметри можуть залежати від частоти, температури, вологості, зовнішніх електричних і магнітних полів і т. д.
Непрямий метод визначення ємності полягає в вимірюванні параметрів кола з конденсатором і розрахунку значення невідомої ємності. На рисунку 1 показана схема для непрямого визначення емності.
Без врахування активних втрат в конденсаторі ємність розраховується за показниками амперметра й вольтметра: С>х>= 1/ωU.
З урахуванням втрат в конденсаторі ємність можна визначити по формулі
С>х>
=
,
де I — струм, що протікає через конденсатор; U — напруга, прикладена до конденсатора; Р — потужність втрат.
Втрати в
конденсаторі визначають
або через потужність втрат
,
або з урахуванням тангенса кута
втрат
Р =
,
звідси
,

Точність вимірювання ємності непрямим методом невелика. Значно менше похибок дають прилади зрівняння і безпосередньої оцінки. До приладів зрівняння відносяться мости змінного струму. В одно з плечей моста, зібраного по схемі, яка показана на рисунку 2, включений вимірювальний конденсатор С>х >з опором втрат R>x>, в інше — зразковий С>об> із опором R>об>, Інші плечі моста утворені резисторами R>1>, R>2.>
Умова рівноваги мосту:
(R>X> +1/jωС>х>) R>2> =:(R>об> +1/jωС>об>) R>1.>
Звідси при R>х>R>2>= R>об>R>1> отримаємо C>x>=C>o6>R>2>/R>1.> Опір активних втрат визначиться як R>x>=R>o6>R>1>/R>2.>
Втрати в конденсаторі визначаються по формулі tgσ>x>=ωR>o6>С>об>. Міст попередньо врівноважується резисторами R>o6> і R>2>, постаченими шкалами із шкалою в одиницях tgσ>x> і ємності. Для балансування мосту варто змінювати як R>o6> так і С>об>. Балансування мосту виконується методом послідовних наближень: по черзі регулюють кожний з елементів до одержання мінімального показання індикаторного приладу.
На рисунку 1 показана схема для непрямого визначення ємності.

Рисунок 1- Схема для непрямого вимірювання ємності
На рисунку 2 показана мостова схема для вимірювання ємності.

Рисунок 2- Мостова схема для вимірювання ємності
Мінімально необхідне число операцій при балансуванні мосту визначає його збіжність.
Мостовий метод вимірювання ємності застосовують для вимірювання ємностей від декількох сотень пікофарад до декількох десятків мікрофарад.
При цьому визначають опір Z>x> =Z1·Z3/Z>2 >і обраховують ємність С>х>=160000/(fZ>x>), де Z>x>-модуль комплексного опору, кОм; f-частота живлення моста, кГц; С>х>-вимірювана ємність, пФ.
Міст живлять змінною напругою частотою 500..1000 Гц.
Ємності до 5000 пФ зазвичай вимірюють резонансним і генераторним методом, також широко використовується метод заміщення.
Мультивібратори. Коливання прямокутної форми на мультивібраторах виникають за рахунок позитивного зворотного зв’язку через активний електронній елемент: транзистор, операційний підсилювач, логічний елемент, тиристор. Саме тому основними параметрами прямокутних імпульсів є: частота (тривалість), амплітуда і їх стабільність залежать від характеристик активного елемента – напруга живлення, порогового рівня, швидкодії тощо.
Стабільність тривалості чи періоду повторення імпульсів в мультивібратори на логічних елементах невелика (приблизно 3% при зміні температури на 10С), оскільки стабільність порогового рівня ТТЛ-мікросхем низька.
Управління тривалістю імпульсів (частотою автоколивань) може виконуватись трьома способами: ручним регулюванням, тобто зміною опору, рідше зміною ємності; за допомогою напруги зміщення, яке вводиться у вхідні ланцюги логічних елементів; цифровим кодом.
Мультивібратори на операційних підсилювачах бувають:
очікуючі;
автоколивальні;
Мультивібратори на мікросхемах бувають:
з транзистором в якості порогового елементу;
на інтегральному таймері;
з керуванням цифровим кодом;
кварцеві генератори;
Мультивібратори на електронних елементах:
автоколивальний на транзисторах;
очікуючій на операційному підсилювачі;
очікуючій на польовому транзисторі;
очікуючій на тиристорі.
Мультивібратори на транзисторах на відміну від мультивібраторів на логічних елементах може робити при значних змінах напруги живлення при порівняно малій зміні частоти. Очікуючий мультивібратор на польовому транзисторі дозволяє отримати імпульси великої тривалості оскільки в таких схемах можна змінювати опір в великому діапазоні. А от мультивібратори на тиристорах дозволяють отримувати імпульси великої потужності.
Отже для формування імпульсів з заданою умовою частоти використаємо автоколивальний мультивібратор, а для перетворення ємності у тривалість імпульсу використаємо очікуючий мультивібратор. Отриманий сигнал підсилимо за допомогою двох послідовно з’єднаних підсилювачів напруги та потужності.
2.2 Розробка загальної структури перетворювача
На рисунку 3 зображена спрощена структурна схема перетворювача.

Рисунок 3 – Спрощена структурна схема перетворювача
АМВ – автоколивальний мультивібратор, призначений для створення імпульсів заданої частоти, які є запускаючими для ОМВ і частота цих імпульсів 30 кГц.
ОМВ – очікуючий мультивібратор, призначений для формування імпульсів певної тривалості з визначеною амплітудою. Тривалість вихідних імпульсів залежить від ємності конденсатора, діапазон якої коливається в межах 1нФ..1мкФ.
ПН – підсилювач напруги, здійснює подальше підсилення вихідної напруги попереднього каскаду до величини 30 В.
ПП – підсилювач потужності, використовується для забезпечення потужності на навантаженні, опір якого дорівнює 10 Ом.
2.3 Попередній розрахунок ОМВ
Визначимо динамічний діапазон перетворювача
D=
,
(1)
D
=
=
.
де С>max> – максимальне задане умовою значення ємності;
С>min >- мінімальне задане умовою значення ємності.
Оскільки динамічний діапазон не перевищує 100, то необхідності розбивати його на під діапазони немає.
За
умовою
(кГц)
Задаємо:
(10...20)
,
(2)
0,6
(МГц).
>
,
<
Задавшись
=
В,
приймаємо
=(0,8...0,9)
,
(3)
=12
(В).
Для операційного підсилювача
(10...20)
,
(4)
0,6
(МГц).
Спираючись на проведені розрахунки обираємо ОП типу 140УД24.
Основні параметри ОП:

мВ
мкВ/с
нА
нА
В
В
мА
В
дБ
В
В
Ом
кОм
пФ
МГц
2.4 Попередній розрахунок ПП
В
якості підсилювача потужності використано
комплементарний емітерний повторювач.
Принцип дії: VT4 відкритий і працює як
емітерний повторювач коли на вході
каскаду позитивний сигнал. У цей час
VT5 закритий. При негативному сигналі
навпаки. Тому електричний розрахунок
будемо проводити лише для одного
транзистора. Початкові дані:
,
R>н>=10
Ом. Знайдемо максимальний допустимий
струм
І>max
>=
,
(5)
І>max=
=
>3>
>(А).
Розрахуємо максимальну вихідну потужність
Р>max>=U>max>·I>max>,> >(6)
Р>max>=30·3=90 (Вт).
Задамось
умовою

На основі розрахунків оберемо транзистори VT4 та VT5 таких номіналів: КТ819ВМ n-p-n: КТ818ВМ p-n-p:
=100
Вт
=100
Вт
=15
А
=15
А
=60
В
=60
В
=20
=20
=3
МГц
=3
Мгц
=1
В
=1
В
=5
А
=5
А
Дані транзистори цілком задовольняють умовам.
Оберемо діоди VD1 та VD2.
Основні параметри:
=0,3
А
=1
А
=10
мкс
=1
мкА
=50
В
=0,3
А
f=200 кГц
C=2,5 пФ
Заданим параметрам відповідає діод типу КД130АС, що цілком задовольняє умовам.
2.5 Попередній розрахунок ПН
Визначимо коефіцієнт підсилення по напрузі:
,
(7)
.
де V>вих max> – максимальна вихідна напруга;
V>вх max> - максимальна вхідна напруга.
Коефіцієнт підсилення ПН на БТ:
,
(8)
.
де V>вих max> – максимальна вихідна напруга;
V>ОП min> – мінімальна напруга на операційному підсилювачу.
Отже сигнал на виході підсилювача матиме напругу 30 В, тобто підсилювач виконає підсилення амплітуди сигналу у 6,5рази.
Виберемо активний елемент підсилювача потужності спираючись на наступні дані:
Оскільки коефіцієнти підсилення транзисторів VT4 та VT5 К>пр>=4дб=80, то:
Р>вх>=
,
(9)
Р>вх>=
=0,3
(Вт).
Р>к>
(Вт)
(В)
Визначимо максимальний колекторний струм
І>кмах>=
, (10)
І>кмах
>=
(мА).
де P>k> – максимальна потужність колектора;
U>max> – максимальна вихідна напруга.
Заданим параметрам відповідає транзистор n-p-n типу КТ3117A
Основні параметри транзистора КТ3117A:
=300
мВт
=400
мА
=50
В
=40/200
=10
мкА
=300
мГц
=0,6
В
=500
мА
Т=-60..+100 С
Отже транзистор VT3 типу n-p-n КТ3117А.
2.6 Попередній розрахунок АМВ
Вхідні дані: f>max>= 30 (кГц)
Амплітуда
вихідного сигналу не повинна перевищувати
30В, тобто може бути у діапазоні від 0,5
до 30В. Нехай для даного каскаду
=5В.
Задамося напругою живлення
=(1,4...1,2)
,
(11)
E>ж>=12 (В).

,
(12)
=0,6
(МГц).

(В)

Оскільки коефіцієнти підсилення транзистора VT3 К>пр>=4дб=80, то:
Р>вх>=
,
(13)
Р>вх>
=
(мВт).
Р>к>
мВт
(В)
І>кмах>=
,
(14)
І>кмах
>=
(мА).
На основі розрахунків оберемо транзистори VT1, VT2 типу n-p-n КТ315Ж:
(при
=10кОм)
=15В
=50
мА
=100
мВт
=10
пФ
=100
мГц
Дані транзистори цілком задовольняють умовам.
2.7 Розробка детальної структури схеми
На рисунку 4 зображено розробку детальної структури схеми

Рисунок 4 - Розробка детальної структури схеми
АМВ – автоколивальний мультивібратор, призначений для створення імпульсів заданої частоти 30 кГц.
ОМВ – очікуючий мультивібратор, призначений для формування імпульсів певної тривалості з визначеною амплітудою. Тривалість вихідних імпульсів залежить від ємності конденсатора, діапазон якої коливається в межах 1нФ..1мкФ.
ПН – підсилювач напруги , здійснює подальше підсилення вихідної напруги попереднього каскаду до заданої величини 30 В. Цей каскад також здійснений на операційному підсилювачі з диференційним входом .
ПП – підсилювач потужності, використовується для забезпечення потужності на навантаженні, опір якого дорівнює 10 Ом.
В результаті розрахунків отримали активні елементи каскадів та межі деяких величин. Всі назви елементів та межі величин зазначені на рисунку4.
3. Електричні розрахунки
3.1 Розрахунок підсилювача потужності
3.1.1 Вихідні дані
=10Ом
=3А
=30В
=90Вт
Електричні розрахунки починаємо з кінця схеми, тобто з підсилювача потужності.
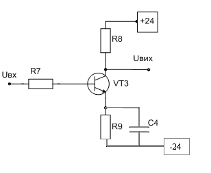
Принципова схема ПП
На рисунку 5 зображена принципова схема підсилювача потужності.

Р





R10
исунок 5 -
Принципова схема ПП
3.1.3 Визначення залишкової напруги на колекторі
Проведемо розрахунок для транзистора VT4
,
(15)
Е>ж>=24 (В).
де U>ke max> - максимально допустима напруга колектор-емітер;
Е>ж>-напруга живлення.
Задамося
,
(16)
U>ke0>=12 (B).
Обираємо з вихідної характеристики транзистора:

при

З вхідних характеристик:
при
та

Розрахуємо R>9> :

,
(17)
(Ом).
R>10>
С2-23-12 Ом, Р=0,125Вт,
1%
Розрахунок підсилювача напруги
На рисунку 6 зображено схему електричну принципову підсилювача напруги

Рисунок 6 – Схема ПН електрична принципова
Вхідні дані:
Транзистор КТ3117А
=300
мВт
=50
В
В
Оберемо напругу живлення
,
(18)
(В).
Оскільки транзистор n-p-n типу, напруга подається додатня.
Задамося
,
(19)
(В).
Обираємо з вихідної
характеристики транзистора: при
знаходимо

З вхідних характеристик:
при
та

Задамося
,
(20)
(В).
Розрахуємо R>8> :
,
(21)
(Ом).
R>8>
С2-23-500 Ом, Р=0,125Вт,
1%
Розрахуємо R>9> :

,
(22)
(Ом).
R>9>
С2-23-82 Ом, Р=0,125Вт,
1%
Проведемо розрахунок базового опору R>7>
,
(23)
(кОм).
R>7>
С2-23-8,2 кОм, Р=0,125Вт,
1%
Проведемо розрахунок конденсаторів.
-блокуючий конденсатор.


,
(24)
(Ф).
К75-10-10 мкФ, ±20%
3.3 Розрахунок елементів ОМВ
На рисунку 7 зображена схема очікувального мультивібратора.

Рисунок 7 – Схема ОМВ
Оскільки тривалість імпульсів для такого мультивібратора,
(25)
а
отже тривалість імпульсу вихідного
сигналу залежить від ємності прямо
пропорційно. Можливі межі тривалості
розрахуємо після того, як будуть обрані
всі елементи.
напруга насичення ОП на виході 4.7 В.
Оскільки даний каскад повинен лише змінювати тривалість імпульсів, а не підсилювати сигнал по напрузі, то виберемо номінали резисторів так, щоб коефіцієнт підсилення по напрузі даного каскаду
,
(26)
.
Оскільки
,
а ємність змінна, то необхідно вибрати
номінали так, щоб
.
(27)
Максимальне значення опору ємності
,
(28)
(Ом).
Оскільки
,
то величиною опору ємності можна
знехтувати
,
(29)
.
Для
даних опорів враховуючи умову
Ом оберемо стандартні номінали для цих
опорів:
С2-23-1,6МОм,
Р=0,125Вт,
1%
Проведемо розрахунок меж тривалості вихідних імпульсів в залежності від меж ємності
,
(30)
.
,
(31)
.
де U>нас>-напруга насичення;
С>max> – максимальна задана межа ємності;
С>min >- мінімальна задана межа ємності.
Отже тривалість імпульсів в залежності від ємності лежатиме у межах: 149мкс...0,149мкс
С>х>- конденсатор змінної ємності за допомогою якого ми можемо змінювати режими, але потрібний ще зразковий конденсатор С>0>, з яким ми будемо зрівнювати.
Тобто при вимірюванні С>х >беруть зразковий конденсатор С>0, >так як постійна часу кола розрядки конденсатора τ є інтервал часу, по закінченні якого напруга на конденсаторі змінюється в е раз, то інтервал Δt= τ= С>х>·С>0.> формується за допомогою зрівнюючого пристрою ЗП.
Тому
вибираємо конденсатор С>0
>з
номіналом ємності в діапазоні 10
нФ....1мкФ, але більшого класу точності.
С>0
>К77-1-1мкФ,
0,5
%
3.4 Розрахунок елементів АМВ
На рисунку 8 зображена схема автоколивального мультивібратора

Рисунок 8 - Схема АМВ
Вхідні дані:
VT1 та VT2 типу КТ315Ж
=(1,2…1,4)
,
(32)
E>ж>=12 (В).

Оскільки
наступний каскад має вхідний опір
,
то для розрахунку R>1,>
R>4>
скористаємось наступною формулою:
Для даного транзистора з вихідної характеристики транзистора:
при
В знаходимо:
мкА,
мА
З вхідних характеристик:
при
та

Задамося
,
(33)
=1,2
(В).
,
(34)
(кОм).
Оберемо резистори:
R>1,>
R>4>
С2-23-2 кОм, Р=0,125Вт,
1%
Так як мінімальне підсилення за струмом β=1, то:
,
(35)
(кОм).
Оберемо резистори:
R>2,>
R>3>
С2-23-1 кОм, Р=0,125Вт,
1%
Оберемо конденсатори
С>1>=С>2>=
,
(36)
С>1>=С>2>=2,4 10-3 (Ф)
С>1>,С>2>
К40У-9-0,22 мкФ ,
20%
4. Визначення метрологічних характеристик
Після
розрахунку зовнішніх елементів необхідно
враховувати неідеальність ОП. При цьому
,
,
.
кОм,
Ом. R>6>=1,6
МОм R>5>=1,6
МОм
Реальний коефіцієнт підсилення реального ОП можна визначити за формулою:
,
(37)
.
Визначимо похибку:
,
(42)
.
Тобто
значення реальної похибки не перевищує
значення допустимої похибки, яка є
однією із умов завдання:
.
Отже, можна зробити висновок, що задана
в умові точність витримана.
5. Моделювання одного з вузлів
Для перевірки правильності роботи схеми проведемо моделювання одного в вузлів. Для моделювання оберемо очікуючий мультивібратор, який виступає у ролі перетворювача ємності у тривалість імпульсів. Підставимо всі обрані у процесі розрахунків номінали елементів та знімемо частотні характеристики на виході вузла при різній ємності.
На рисунку 9 зображено модель очікувального мультивібратора в пакеті прикладних програм WorkBench

Рисунок 9 - Модель ОМВ в пакеті WorkBench
На рисунку 10 наведено зміну часового інтервалу при різних значеннях С>х>
а
б
Рисунок 10 - зміна часового інтервалу при різних значеннях С>х: >а - значення часового інтервалу при заданому значенні ємності, б - значення часового інтервалу при зміні значення ємності на інше, амплітуда при цьому залишається незмінною.
Висновки
В даному курсовому проекті докладно були описані головна мета, основне призначення та області застосування перетворювача ємність-часовий інтервал. Також була розглянута поетапна розробка та розрахунок кожного з елементів схеми, приведені структурні схеми окремих каскадів.
В результаті проведених розрахунків була розроблена структура перетворювача, проведено розрахунок опорів та ємностей, ОП та транзисторів, підібрані елементи та їх номінали, проведено моделювання одного з вузлів схеми електричної принципової, визначені метрологічні характеристики і вирахувано, що похибка перетворення не перевищує 1%.
Графічна частина містить схему електричну принципову, створену згідно стандартів.
Література
Терещук Р.М. Полупроводниковые приемно-усилительные устройства.- Киев: Наук.думка, 1988.- 800с.
Степененко И.П. Основи мікроелектроніки.- М.: Сов. Радио, 1980 - 456 с.
Харовіц П. Н. Мистецтво схемотехніки.- М.: Мир. 1986. – 55 с.
Довідник. Вживання інтегральних мікросхем в електронній обчислювальній техніці.- М.: Радіо і зв'язок, 1987. –400 с.
Наумов Ю.Е. Інтегральні схеми.- М.:Сов.радио, 1970. –112 с.
Никитин В.А. Книга начинающего радиолюбителя.–М.: Патриот, 1991.-464с.
7. Бокуняев А.А. Справочная книга радиолюбителя-конструктора.-М.: Радио и связь,1990. – 624 с.