Перетворювач опір - тривалість імпульсу
Міністерство освіти і науки України
Вінницький національний технічний університет
Інститут автоматики,електроніки та комп’ютерних систем управління
Факультет автоматики і комп’ютерних систем управління
Кафедра метрології і промислової автоматики
ПЕРЕТВОРЮВАЧ ОПІР – ТРИВАЛІСТЬ ІМПУЛЬСУ
Пояснювальна записка
з дисципліни ” Основи електроніки ”
до курсового проекту за спеціальністю
6.097302 “Метрологія та вимірювальна техніка”
08 – 03.КП.023.00.000ПЗ
Керівник курсового проекту
к.т.н., доцент. Дрючин О.О.
Розробила студентка гр. 1АМ-06
Храновська Т.Ю.
Вінниця ВНТУ 2009
Зміст
Вступ
1 Розробка технічного завдання.
2 Розробка структурної схеми
2.1 Вибір загальної структури
2.2 Попередній розрахунок компаратора
2.3 Попередній розрахунок та вибір активних елементів підсилювача потужності
2.3.1 Вибір операційного підсилювача
2.3.2 Вибір транзисторів
2.3.3 Вибір діодів
2.4 Розробка детальної структури схеми
3 Електричні розрахунки
3.1 Розрахунок стабілізатора струму на основі ОП
3.1.1 Вихідні дані.
3.1.2 Розрахунок опору Rx на під діапазонах
3.1.3 Розрахунок резисторів на вході стабілізатора струму
3.2 Розрахунок генератора пиловидних імпульсів
3.2.1 Принципова схема генератора пиловидних імпульсів
3.3 Розрахунок компаратора
3.3.1 Принципова схема компаратора
4 Моделювання компаратора
Висновки
Список літератури
Додаток (обов’язковий) Схема електрична принципова
Основні параметри ОП LF153
Анотація
Перетворювач опір - тривалість імпульсу вимірює опір при заданій тривалості імпульсу.
Представлені результати розробки, виконаного на основі операційного підсилювача (ОП) та опорного джерела. Перетворювач опір - тривалість імпульсу забезпечує можливість вимірювання опору, а також тривалості імпульсів і періоду проходження імпульсів. Описаний принцип роботи приладу і окремих його вузлів. Приводяться обгрунтовування вибору основних структурних рішень основних вузлів, приводяться деякі їх характеристики одержані на макеті.
В процесі роботи проводився розрахунок параметрів підсилювача, аналіз різних схем, були розраховані еквівалентні моделі транзистора. В результаті роботи одержали принципову готову схему перетворювача опір – тривалість імпульсу з відомою топологією і відомими номіналами елементів. Пояснювальна записка виконана в текстовому редакторі Microsoft Word 2002.
При проектуванні даного перетворювача слід звернути увагу на те, що частота живлення має бути високою, адже при цьому вихідний опір невеликий.
Вступ
Прискорення науково-технічного прогресу, розвиток автоматизації процесів виробництва вимагає постійного вдосконалення систем збору і переробки інформації. Найбільш успішно це розв'язується при виконанні операцій з величинами, представленими в дискретному (цифровому) вигляді.
До основних переваг обробки дискретної інформації слід віднести високу точність, велику швидкодію і хорошу перешкодозахисну, в чому чималу роль зіграв досвід розробки засобів цифрової обчислювальної техніки. Останнє відноситься не тільки до результатів, одержаних на виході цифрових приладів, але і до багатьох вузлів власне аналого-цифрових перетворювачів (АЦП), що представляють типові елементи і пристрої ЕОМ.
Вимірювання параметрів компонентів ланцюгів і пристроїв. Вимірювання активних опорів.
До лінійних компонентів електричних і радіотехнічних ланцюгів із зосередженими постійними відносять резистори, конденсатори і катушки індуктивності. Основними параметрами їх є відповідно опір, місткість і індуктивність. У ряді випадків вимірюють тангенс кута, втрат конденсаторів і добротність катушок, повний (комплексний) опір або повну провідність ланцюга. Для вимірювання перерахованих параметрів використовують наступні способи:
- амперметра-вольтметра, заснований на законі Ома;
- мостовою, при якому вимірювані активне і реактивне опори порівнюють з опорами робочих елементів, включених у відповідні плечі мостової схеми;
- резонансний, коли вимірювання проводять при резонансній настройці.
- вимірювальної схеми, виконаної у вигляді коливального контура.
Вибір того або іншого способу визначається необхідною точністю вимірювань і діапазоном частот, в якому досліджувані компоненти повинні працювати. З підвищенням частоти міняються методи вимірювання одних і тих же параметрів. Зокрема, на високих частотах. Необхідно враховувати власну місткість катушок індуктивності і параметри вимірювальної схеми, які на низьких частотах не грають істотної ролі.
Найпростіший спосіб вимірювання - спосіб амперметра-вольтметра. Він полягає у вимірюванні струму або напруги, функціонально пов'язаної з вимірюваним опором. Схеми, що реалізовують його, прості, ио не забезпечують високій точності вимірювань. Спосіб амперметра-вольтметра використовують в основному в омметрах - приладах для вимірювання електричного опору на постійному струмі.
Характерні схеми електромеханічних омметрів складаються з джерела живлення (звичайно використовують гальванічні елементи або мініатюрні акумулятори), магнітоелектричного вимірювального механізму, отградуірованного в одиницях опору, додаткового і калібрувального резисторів. В омметрі по схемі на рисунку 1 опір Rx включають послідовно з вимірювальним механізмом. При цьому шкала виходить зворотною, нульове відхилення стрілки відповідає 0, а максимальне Rx=0. Цю схему застосовують для вимірювання великих опорів. У омметрі з паралельним включенням вимірюваного опору шкала виходить прямою, але не рівномірною. Цю схему використовують для вимірювання малих опорів.
1 Розробка технічного завдання
Метою курсового проекту є розробка вимірювального перетворювача опір - тривалість імпульсу і його принципової схеми. Також метою даної роботи є придбання навиків аналітичного розрахунку перетворювача по заданим вимогам.
Електронними підсилювачами називають пристрої, призначені для підвищення потужності вхідних електричних сигналів. При цьому процес посилення сигналів здійснюється за допомогою підсилювальних елементів - транзисторів, що володіють управляючими властивостями. Малопотужний вхідний сигнал управляє витратами енергії джерела живлення значно більшого рівня потужності.За призначенням розрізняють підсилювачі напруги, струму і потужності. Підсилювачі потужності забезпечують задане посилення у вихідному ланцюзі як по струму, так і по напрузі.
Залежно від характеру зміни в часі вхідного сигналу розрізняють підсилювачі постійного і змінного струму. Якщо посилення одного підсилювального елементу недостатньо, то в якості навантаження каскаду використовують вхідний ланцюг другого підсилювального елементу і т.д. Підсилювач, що містить декілька ступенів підсилення, називають багатокаскадним.
Розглянуті принципи побудови підсилювальних каскадів використовують при проектуванні інтегральних мікросхем аналогічного призначення. Технологічно такі підсилювачі виконують у вигляді монолітної схеми , що містить всі необхідні елементи в інтегральному виконанні.
Операційні підсилювачі (ОП) в інтегральному виконанні в теперішній час складають основу аналогових інтегральних мікросхем. Операційні підсилювачі призначені для виконання математичних операцій при використовуванні його в схемі із зворотним зв'язком. Проте, область використання ОП, виконаного у вигляді мікросхеми, значно ширше. Тому в теперішній час під ОП прийнято розуміти мікросхему - підсилювач постійного струму дозволяючий будувати вузли апаратури, функції і технічні характеристики яких залежать тільки від властивостей ланцюга зворотного зв'язку, в який він включений.
Основні параметри ОП:
- коефіцієнт посилення напруги - відношення зміни вихідної напруги. В загальному випадку, коефіцієнт посилення ОУ, не охопленого зворотним зв'язком, рівний добутку всіх його каскадів. В теперішній час деяких підсилювачів по постійному струму перевищує 3*106. Проте його значення зменшується із зростанням частоти вхідного сигналу, при цьому сумарна амплітудно-частотна характеристика (АЧХ) має стільки зламів скільки підсилювальних каскадів в ОП. Кожний каскад на високих частотах вносить фазовий зсув, який впливає на стійку роботу ОП, охопленого негативним зворотним зв'язком (НЗЗ). Стійкої роботи підсилювальних каскадів ОП досягають введенням частотної корекції - зовнішніх навантажень RC-ланцюгів. Для стабілізації двохкаскадного підсилювача звичайно потрібна один ланцюг, трьохкаскадного - два. Багато ОП останніх випусків не вимагають зовнішніх ланцюгів корекції, оскільки в їх схему вже введені необхідні елементи;
- частота одиничного посилення f1 - значення частоти вхідного сигналу при якому значення коефіцієнта посилення напруги ОП падає до одиниці. Цей параметр визначає максимально реалізовувану смугу ідсилення ОП. Вихідна напруга на цій частоті нижче, ніж для постійного струму приблизно в 30 разів;
- максимальна вихідна напруга Uвих.макс - максимальне значення вихідної напруги, при якій спотворення не перевищують заданого значення. У вітчизняній практиці цей параметр вимірюється відносно нульового потенціалу як в позитивну, так і в негативну сторону. В зарубіжних каталогах приводять значення максимального діапазону вихідних напруг, який рівний 2Uвих. Вихідна напруга вимірюється при певному опорі навантаження. При зменшенні опору навантаження величина Uвих.макс зменшується;
- швидкість наростання вихідної напруги Uвих - відношення зміни Uвих від 10 до 90% від свого номінального значення до часу, за який відбулася ця зміна. Параметр характеризує швидкість відгуку ОП на східчасту зміну сигналу на вході, при вимірюванні ОП охоплений НЗЗ з загальним коефіцієнтом підсилення від 1 до 10;
- напруга зсуву Uсм - значення напруги, яка необхідна подати на вхід ОУ, щоб на виході напруга була рівна нулю. Операційний підсилювач реалізується у вигляді мікросхеми із значним числом транзисторів, характеристики яких мають розкид по параметрах, що приводить до появи постійної напруги на виході у відсутність сигналу на вході. Параметр Uсм допомагає розробникам розраховувати схеми пристроїв підбирати номінали компенсаційних резисторів;
- вхідні струми Iвх - струми, що протікають через вхідні контакти ОП. Ці струми обумовлені базовими струмами вхідних біполярних транзисторів і струмами витоки затворів для ОП з польовими транзисторами на вході. Вхідні струми проходячи через внутрішній опір джерела сигналу, створюють падіння напруг, які можуть викликати появу напруг на виході в відсутність сигналу на вході;
- різниця вхідних струмів . Вхідні струми можуть відрізнятися одне від одного на 10.20%. Знаючи різницю вхідних струмів, можна легко підібрати номінал резистора балансування;
- максимальна вхідна напруга Uвх - напруга, що прикладається між вхідними контактами ОП, перевищення якого веде до виходу параметрів за встановлені межі або руйнуванню приладу. В таблицях приводяться значення, в зарубіжній літературі - абсолютні значення діапазону;
- максимальна синфазное вхідна напруга Uвх.сф - найбільше значення напруги, що прикладається одночасно до обох вхідних виводів ОП щодо нульового потенціалу, перевищення якого порушує працездатність приладу. У вітчизняній документації приводять модуль величини Uвх.сф, а в зарубіжній – діапазон;
- коефіцієнт ослаблення синфазного сигналу Кос.сф - відношення коефіцієнта посилення напруги, прикладеної між входами ОП, до коефіцієнту посилення загального для обох входів напруги.
- вихідний струм - максимальне значення вихідного струму ОП, при якому гарантується працездатність приладу. Це значення визначає мінімальний опір навантаження. Дуже важливо при розрахунку комплексного опори навантаження враховувати, що при перехідних процесах включення (виключення) ОП значення або індуктивної складової місткості опори навантаження різко змінюються, і при неправильному підборі навантаження схема може вийти з ладу. Часто замість значення Iвых в документації приводять мінімальне значення опір навантаження Rн.мин. Велика частина ОП, розроблених в останній час, має каскад, що обмежує величину вхідного струму при раптовому замиканні вихідного контакту на шину джерела живлення або нульовий потенціал. Граничний вихідний струм при цьому - струм короткого замикання Iк.з. рівний 25 мА.
Розроблений пристрій призначений для перетворення опору в інтервал часу і може використовуватись при побудові омметрів та вимірювальних пристроїв з резистивними первинними перетворювачами.
Згідно ДСТУ 2681-94 „Метрологія. Терміни та визначення” та ДСТУ 2682-94 „ Метрологія. Метрологічне забезпечення ” даний перетворювач опір – тривалість імпульсу відноситься до вторинних вимірювальних перетворювачів.
2 Розробка структурної схеми перетворювача
2.1 Вибір загальної структури
Існують мостові і імпульсні структурні схеми перетворювачів. Вибираємо імпульсну схему, яка приведена на рисунку 1.

Рисунок 1 - Структурна схема перетворювача опір – тривалість імпульсу.
Згідно технічного завдання (ТЗ), необхідно розробити перетворювач величини опору в пропорційну тривалість імпульсу. Перетворення здійснюється за допомогою метода широтно – імпульсної модуляції (ШІМ).
Вихідний
сигнал перетворювача являє собою
імпульс, тривалість якого залежить від
величини опору. Причому, чим менша
величина опору, тим менша тривалість
імпульсу. Амплітуда вихідного сигналу
має складати U
= 30
В на опорі навантаження Rн
= 10
Ом. Забезпечити такі параметри при дуже
малій тривалості імпульсу досить
складно, тому приймаємо мінімальну
тривалість імпульсу
. У відповідності до ТЗ частота модуляції
,
тобто період дорівнює
.
Тоді відношення максимальної тривалості
імпульсу до мінімальної складає
,
(1)
,
.
Діапазон перетворюваних опорів складає від 1 Ом до 1МОм. Відхилення
крайніх значень дорівнює
, (2)
,
.
Звідки слідує, що необхідно розбити діапазони перетворюваних опорів на під діапазони. Кількість під діапазонів визначимо, використовуючи вираз
,
(3)
,
де
,
.
Крайнє значення величин опору по під діапазонам складе :
- для першого піддіапазона 1 Ом – 100 Ом;
- для другого піддіапазона 100 Ом – 10 000 Ом;
-
для
третього піддіапазона
.
Як бачимо,
навіть для під діапазонів відхилення
крайніх значень складає 100. Тому
скористаємось проміжним перетворенням
величини опору в пропорційну напругу
за допомогою метода фіксованого струму
.
Метод реалізується на основі операційного
підсилювача (ОП) та опорного джерела.
, тоді для третього піддіапазону
фіксований струм дорівнює
, (4)
.
Для другого піддіапазону
,
(5)
.
Для третього піддіапазону
,
(6)
.
Струм першого
піддіапазону для виключення перевантаження
по струму елементів зменшимо до величини
та включимо на вході ОП польовий
транзистор. Крім того, для забезпечення
необхідного розмаху напруги і виключення
впливу наступних кіл на результат
перетворення введемо на основі
неінвертуючого підсилювач з коефіцієнтом
передачі К = 10. Причому, на другому і
третьому під діапазонах коефіцієнт
передачі має дорівнювати К = 1. В якості
підсилювача виберемо ОП типу LF253
з польовим транзистором на вході. Опорне
джерело реалізуємо за допомогою
стабілітрона типу КС133Г. Польовий
транзистор вибираємо з ізольованим
затвором типу IRLML6302.
2.2 Попередній розрахунок компаратора
Перетворення напруги Ux, що пропорційна опору Rx, здійснється за допомогою порівнювального пристрою – компаратора напруги. На один вхід компаратора поступає перетворювана напруга Ux, а на другий – пиловидна напруга. В момент збігу миттєвого значення пиловидної напруги з величиною напруги Ux, змінюється вихідний стан компаратора, який зберігається до закінчення пиловидної напруги. З цього слідує, що на виході компаратора формується імпульс, що пропорційний напрузі Ux, і, відповідно, значенню опору Rx. Мінімальна тривалість імпульсу на виході компаратора для чіткої її фіксації має бути не менше 1 мкс. Тому вибираємо компаратор типу LM219, що має час включення і час виключення, що не перевищує 0,08 мкс. Інші параметри компаратора приведені нижче.
Напруга Ux, що пропорційна Rx, змінюється від 0 до 10 В, тоді амплітуда пиловидної напруги теж має змінюватись від 0 до 10 В. Період повторення складає Т = 100 мкс, тобто швидкість наростання вихідного сигналу складе 0,1 В/мкс. Формування пиловидної напруги здійсним за допомогою генератора на основі інтегратора з періодичним шунтуванням ключових елементів конденсатора час заданого кола. Інтегратор реалізується на ОП типу LF253, який забезпечує швидкість вихідного сигналу не менше 12 В/мкс. З метою зменшення похибки, що обумовлена струмом витоку ключа, в якості ключа вибираємо польовий транзистор з ізольованим затвором (без захисних діодів) типу КП305Д. Для керуванням польовим транзистором застосуємо одно вібратор, що виконаний на компараторі LM219. Це дозволяє скоригувати задній фронт пиловидної напруги тривалістю менше 1 мкс. Для виключення впливу слідуючи елементів на процес формування пиловидної напруги на виході генератора включимо повторював на ОП типу LF253.
Згідно ТЗ, амплітуда вихідного імпульсу має бути не менше 30 В на опорі навантаження 10 Ом (струм в навантаженні більше, або дорівнює 1,5А), а также враховуючи той факт, що мінімальна тривалість імпульсу складає 1 мкс, застосуємо в якості відповідного каскада стоковий повторював на польовому транзисторі з ізольованим затвором. Це дасть можливість узгодити навантаження з виходом компаратора і отримати малі тривалості фронтів виходного імпульса. В якості активного елемента стокового повторювача вибираємо транзистор типу IRLL2203.
2.3 Попередній розрахунок та вибір активних елементів підсилювача потужності
,
(7)
,
,
,
=30В.
Розрахуємо граничну частоту:
,
(8)
=1
мкс
,
,
(9)
=1/100
мкс
=100
МГц
(10)
2.3.1 Вибір операційного підсилювача
Основним критерієм при виборі ОП є малий температурний дрейф ОП, великий вхідний опір та частотні властивості.
Вибираємо ОП типу LF153.
Основні параметри ОП:
-
напруга
живлення, ємність конденсатора;
-
напруга зміщення;
-
максимальний вхідний струм;
-
різниця вхідних струмів;
-
вхідний опір;
-
напруга зсуву;
-
швидкість наростання вихідної напруги;
-
частота одиничного посилення.
2.3.2 Вибір транзисторів
Вибираємо транзистори КП305 (для генератора імпульсів), КП304 (для перетворювача напруги) та IRLL2703 (для кінцевого каскаду) з такими параметрами:
КП305





КП304





IRLL2703











2.3.3 Вибір діодів
Вибираємо діод типу IL431 з такими параметрами:

при








2.4 Розробка детальної структурної схеми
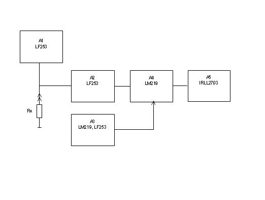
Для створення детальної структурної схеми використовуємо такі елементи: джерело струму, операційний підсилювач, генератор пилоподібних імпульсів, компаратор та підсилювач. Детальна структурна схема приведена на рисунку 2.

Рисунок 2 – Детальна структурна схема
A1 – Джерело струму
А2 – Операційний підсилювач
А3 – Генератор пилоподібних імпульсів
А4 – Компаратор
А5 – Підсилювач
3. Електричні розрахунки.
3.1 Розрахунок стабілізатора струму на основі ОП.
3.1.1 Вихідні дані:
;
;
=30В;
=10Ом;
.
Оп типу LF253.
3.1.2 Розрахунок опору Rx на піддіапазонах
Задаємо струми Io на трьох піддіапазонах.
,
,
,
, (11)
,
, (12)
,
, (13)
.
3.1.3 Розрахунок резисторів на вході стабілізатора струму
Задаємо коефіцієнт підсилення k:
, (14)
k = 10 ,
Розрахунок резисторів:
,
(15)
,
= 1,11 кОм ,
1,11 кОм .
3.2 Розрахунок генератора пилкоподібних імпульсів
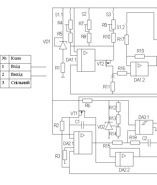
Схема генератора пилкоподібної напруги скдається з інтегратора на ОП DA1.1 типу LF253 з метою інтегрування R1C1 одновібратора на компараторі DA2 типу LM219, ключового елементу VT1 КП305, джерела опорної напруги VD1 і буферного підсилювача на ОП DA1.2 типу LF253. В режимі інтегрування напруги на виході DA1.1 буде змінюватись по лінійному закону
,
(16)
де t – поточний час
-
вхідна напруга інтегратора
=
.
(17)
Максимальне
значення пиловидної напруги не має
перевищувати
10В,
а тривалість Т = 10 мкс. Тоді стала часу
інтегрування знаходиться так
,
(18)
, (19)
,
.
Нехай R1 = 150 кОм, тоді ємність конденсатора С1 дорівнює
, (20)
,
.
Нехай транзистор VT1 відкритий, тобто напруга на виході DA2 додатньої полярності. Тоді на виході інтегратора DA1.1 при розряженому конденсаторі С1, напруга складе
, (21)
,
.
де
Е = 15В – вхідна напруга інтегратора
- опір каналу
(стік-витік) транзистора VT1
= 150 кОм – опір
резистора, інтегрованого кола.
Враховуючи
взаємозв’язані параметри польового
транзистора, опір
визначимо як тангенс кута нахилу дотичної
до стокової характеристики в точці з
координатами
=0,
=0
примаксимально допустимою відкриваючою
напругою затвір – стік. Для транзистора
КП305Д кут нахилу дотичної при
=
15 В дорівнює
,
відповідно провідність каналу
.
Звідки опір
,
(22)
,
Ом .
Залишкова додатня напруга зміщення на виході інтегратора мала. Однак при необхідності його можна скомпенсувати, подаючи на неінвертуючий вхід ОП DA1.1 напругу відємної полярності. Максимальний вхідний струм зміщення ОП типу LF253

Цей струм викликає зміщення інвертую чого входу на величину
, (23)
,
.
Ця напруга компенсується включенням резистора R2 = 150кОм на неінвертуючому вході. Максимальна різниця вхідних струмів зміщення ОП складає

що призводить до появи додаткової напруги зміщення
, (24)
,
.
Цю напругу в подальших розрахунках можна не враховувати.
Стала часу розряду конденсатора С1 при шунтуванні транзистором VT1 дорівнює
,
(25)
,
.
За
час
залишкова напруга на конденсаторі С1
складає
, (26)
,
(27)
.
Тобто, одновібратор повинен генерувати додатній імпульс довжиною
,
(28)
.
Одновібратор
виконаний на компараторі напруги DA2
типу LM219
(час включення і виключення
),
який охоплений колом додатнього
оберненого зв’язку R6,
R7,
C2.
На інвертуючий вхід подається опорна
напруга
,
що фіксує максимальну амплітуду
пмловидної напруги.
Опорне
джерело включає резистор паралельного
типу TL431A
та
резистори, що визначають його вихідну
напругу R3,
R4,
R5.
Напруга на виході VD1 визначається наступним чином
(29)
де
- внутрішня опорна напруга регулятора,
,
- резистори, що встановлюють вихідну
напругу.
Вхідний струм опорного входу (максимальне значення) дорівнює

Задаємо,
що струм подільника
,
дорівнює
,
(30)
,
.
Опір
резистора
визначається з відношення
,
(31)
,
.
Приймаємо стандартне значення опору

Обчислимо
опір резистора

,
(32)
,
.
Приймаємо
стандартне значення та вибираємо
типу 02-29В-0,125-69,3кОм
1%
та вводимо додатковий підстроєчий
резистор
типу СП5-2В4-3,3кОм
5%.
Тобто, межі підстройки складають
,
(33)
,
.
Цього достатньо, щоб скомпенсувати відхилення опорної напруги і резисторів.
Задаємо, що струм через VD1

Тоді опір струмообмежуючого резистора
,
(34)
,
.
Вибираємо
типу МЛТ-0,25-510Ом
5%.
Тривалість імпульса, що формує одно вібратор, в момент тотожності напруг на вході компаратора DA2, визначається часом наростання напруги на його неінвертуючому вході
(35)
де
- стала часу
одно вібратора
,
- додатня і відємна напруги насичення
(36)
Приймаємо,
що
тобто
R1
= R2.
Тоді при
,
,
.
Отримаємо
,
(37)
,
.
Нехай
R1
= R2
= 5,1кОм
1%,
тоді ємність конденсатора С2
,
(38)
,
.
Вибираємо
найближче менше стандартне значення
С2=180пФ
5%.
Величину
опору R8
вибираємо 3кОм
5%,
тоді потужність, що розсіюється на ньому
,
(39)
,
.
Вибираємо
R8
типу МЛТ-0,5-3кОм
5%.
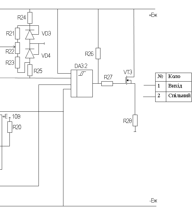
3.3 Розрахунок компаратора
Компаратор
напруги забезпечує перетворення напруги
Ux,
що пропорційна опору, в тривалість
імпульсу. Для цього на неінвертуючий
вхід компаратора подається напруга Ux,
а на інвертуючий вхід – пиловидна
напруга. Час включення компаратора
LM219
при
опорній напрузі
.
Оскільки на неінвертуючий вхід подається
пиловидна напруга, швидкість наростання
якої складає
,
тобто час затримки включення компаратора
, (40)
,
.
Таким чином, загальна затримка включення компаратора складає
,
(41)
,
.
Для забезпечення мінімальної затримкм імпульсу вхідної ємності наступного каскаду задамо, що вихідний струм

Тоді опір резистора навантаження
, (42)
,
.
4 Моделювання компаратора
Для моделювання вузла вибираємо компаратор. Скористуємося програмою Micro – Cab 7.1.0

Рисунок 4 – Схема компаратора.
При подачі на вхід компаратора імпульсу, на виході генеруються пилкоподібні імпульси.
При подачі напруги Ux = 0,1 В маємо пилкоподібний вихідний сигнал:

Рисунок 5 – Пилкоподібні імпульси, 2 періоди

Рисунок 6 – Пилкоподібні імпульси за час 2 мкс
При подачі напруги Ux = 5 В маємо пилкоподібний вихідний сигнал:

Рисунок 7 – Пилкоподбні імпульси при напрузі 5 В

Рисунок 8 – Пилкоподібні імпульси за час 55 мкс
Висновки
У даному курсовому проекті розроблений імпульсний перетворювач опір – тривалість імпульсу з використанням транзисторів КП305Д, КП304, має наступні технічні характеристики: - частота модуляції 40кГц; діапазон 1Ом – 1МОм; - опір навантаження 10 Ом; - напруга живлення 15 В. Схема підсилювача представлена на рисунку 11. При обчисленні характеристик перетворювача використовувалося наступне програмне забезпечення: MathCad, Micro-Cap 7.1.0.
Література
1. Харовіц П. Н. "Мистецтво схемотехніки" т.2.- М: "Мир" 1986 – 55 с.
2.Гурин Е.И. "Ноніусний вимірник тимчасових інтервалів з обчислюваним коефіцієнтом інтерполяції." - Прилади і техніка експерименту, 1998 – 215 с.
3. Мерзляков С.И., Стрекаловский О.В., Цурин И.П. "4-канальний субнаносекундний перетворювач час-код НО-251М." - Прилади і техніка експерименту, 1995 – 106 с.
4. Глушковский М.Е. "Швидкодійні амплітудні аналізатори в сучасній ядерній фізиці і техніці." - М: Енергоатоміздат 1986 - 253с.
5.Міністерство електронної промисловості СРСР "Напівпровідникові прилади" Довідник, том 13. Транзистори. Видання друге. Науково-дослідний институт,1988 – 224с.
6. Пасинків В.В., Чиркин Л.К. "Напівпровідникові прилади." - М : Вища школа, 1987 – 432 с.
7. Довідник. "Вживання інтегральних мікросхем в електронній обчислювальній техніці ".- М : "Радіо і зв'язок". 1987 –400 с.
8. Наумов Ю.Е. Інтегральні схеми .М.Сов.радио 1970 –112 с.
9. Аналогові і цифрові інтегральні схеми / Під редакцією С.В.Якубовського - М.Сов.радио1979 - 479 с.
10. Мікросхеми і їх вживання /Батушев В.А., Вениаминов В.Г. Ковалев В.Г. і ін. Енергія 1978 - 416 с.
11. Преснухин Л.Н. Воробьев Н.В. Шишкевич А.А. Розрахунок елементів цифрових пристроїв М. Высшая школа 1982 - 496 с.
12. Степененко И.П. Основи мікроелектроніки М : Сов. Радіо, 1980 - 456 с.
13. Алексенко А.Г, Шогурин И.И. Мікросхематехника М: радіо і зв'язок 1982 - 296 с.
14. Мансуров В.М, Горячев В.Н. мікромініатюрниє схеми цифрових пристроїв . Сов. Радіо 1979 – 212 с.
15. Батушев В.Н. Мікросхеми і їх вживання. М. Энергия 1978 –189 с.
16. Алексенко А. Г. Основы микросхематехники. М., Сов. Радіо, 1977 –282 с.
17. Швецкий Би. И. Электронные вимірювальні прилади з цифровим відліком. Київ, Техніка,1970 – 351 с.
18. Вострокнутов Н.Н. Випробування і перевірки цифрових вимірювальних приладів. М., Ізд-во стандартів, 1977 – 282 с.
Додаток 1
Основні параметри ОП LF153









