Підсилювач потужності
Міністерство транспорту та зв’язку України
Українська Державна Академія Залізничного Транспорту
Кафедра “Транспортний зв’язок”
ПІДСИЛЮВАЧ ПОТУЖНОСТІ
Пояснювальна записка курсового проекту
з дисципліни “Електроніка та мікросхемотехніка”
Харків
2008
Зміст
Вступ
1 Попередній розрахунок підсилювача
1.1 Типова структурна схема підсилювача
1.2 Попередній розрахунок вихідного каскаду
1.3 Попередній розрахунок вхідного і проміжного каскадів
1.4 Розподіл спотворень по каскадах
2 Вибір схеми і розрахунок кінцевого каскаду
2.1 Розрахунок схеми на комплементарних транзисторах
2.2 Особливості розрахунку схеми на складених транзисторах
3 Розрахунок вхідного і проміжного каскадів
3.1 Розрахунок каскаду по постійному струму
3.2 Розрахунок резисторного каскаду з ЗЕ
3.3 Розрахунок каскадів на мікросхемах
4 Розрахунок узагальнюючих параметрів і схеми НЗЗ
4.1 Розрахунок якісних показників підсилювача
4.2 Розрахунок електричних параметрів підсилювача
Висновок
Список літератури
Вступ
У наш час однією із самих швидко розвиваючих і перспективних галузей науки та техніки є електроніка. Зараз практично неможливо знайти яку-небудь галузь промисловості у якій би не використовувалися електронні вимірювальні прилади, пристрої автоматики й обчислювальної техніки. Але всього цього не було б без винаходу напівпровідних пристроїв, у тому числі транзисторів і діодів, які є тими елементарними цеглинками, з яких і будується сучасний будинок електроніки. Спочатку, транзистор був розроблений саме як підсилювальний прилад, покликаний замінити громіздкі електронні лампи, а вже пізніше став використовуватись як основний елемент логічних схем. З тих пір практично всі електронні підсилювачі виконуються на основі транзисторів.
Пристрій, призначенний для підсилення вхідного сигналу за рахунок енергії джерел живлення називається підсилювачем. Важливим типом підсилювача є підсилювач потужності. Будучи або самостійними пристроями, або частиною більш складних апаратів, підсилювачі знайшли широке застосування в радіомовленні, звуковому кіно, техніці звукозапису, телебаченні, радіолокації й радіонавігації, ядерній фізиці, медицині й біології, системах автоматики й т.д. У даному курсовому проекті зроблений розрахунок підсилювача потужності на транзисторах і мікросхемі.
1 Попередній розрахунок підсилювача
Типова структурна схема підсилювача
Як вхідний каскад підсилювача використовують резистивний підсилювач на мікросхемі ОП. З метою одержання основного підсилення сигналу, яке здійснюється проміжним каскадом, використовують схему на транзисторі за схемою ЗЕ, отже саме він володіє найбільшим коефіцієнтом підсилення.
З метою забезпечення
в навантаженні
необхідної потужності
,
в якості вихідного каскаду підсилювача
використовуємо безтрансформаторну
двотактну схему, яка володіє малими
габаритами і широким діапазоном частот.


Рисунок 1.1 Типова структурна схема підсилювача
1.2 Попередній розрахунок вихідного каскаду
За відомою потужністю
на виході
=8
Вт і опором навантаження
=4
Ом визначають амплітуду напруги на
виході:

Розраховуються необхідні коефіцієнти підсилення за напругою і потужністю:
;
;
де
,
-
ЕРС і внутрішній опір джерела сигналу;
-
потужність на вході підсилювача при
вхідному опорі
.
Так як напруга джерела
живлення
не задана, то її необхідно визначити зі
співвідношення:
,
де
,
n=1,
;
напруга
насичення транзистора (0,5… 2 В);
амплітуда напруги
сигналу на виході;
(3…5)В-
запас напруги, що враховує температурну
нестабільність каскаду.
В

В
З ряду номінальних джерел вибираємо двополярне джерело живлення:
В
В
В.
Вибираємо схему каскаду за вихідною потужністю:
Вихідна потужність – більше 1…5 Вт,
Режим транзисторів – В,
Схема каскаду-двотактний без трансформаторний каскад з ЗЕ на складених транзисторах.
Транзистори для вихідного каскаду вибираються за потужністю розсіювання на колекторі при максимальній робочій температурі, за максимальними величинами напруги і струму, а також за верхньою робочою частотою.
Якщо підсилювач
забезпечує в навантаженні потужність
,
то орієнтовне значення потужності, що
розсіюється на колекторі, буде дорівнювати:
Вт
де,
-
для без трансформаторного каскаду;
-
коефіцієнт використання транзистора;
-
коефіцієнт, що враховує тип схеми (
двотактна ).
Для забезпечення
надійної роботи підсилювача потужність
повинна бути менше граничної потужності
розсіювання транзистора при максимальній
температурі навколишнього середовища

Вибір транзистора вихідного каскаду проведемо відповідно до наступних умов:


Вт
Визначимо максимально допустиму напругу:
В
Гранична частота
підсилення струму транзистора в схемі
з ЗЕ
в обраного транзистора повинна
задовольняти умові:

Гц
Транзистор повинен забезпечити в навантаженні амплітуду струму:
А
Максимальний припустимий
струм колектора
повинен задовольняти умові:

А
Обраний транзистор КТ817А задовольняє умовам, які наведені вище.
Таблиця 1.1 Параметри транзистора КТ817А
|
Тип |
Структура |
|
Макс. доп. Параметри |
|
||
|
Ркмакст, Вт |
Iк, А |
Uкэ, В |
||||
|
1 |
2 |
3 |
4 |
5 |
6 |
7 |
|
КТ817А |
n-р-n |
3 |
25 |
3 |
25 |
20 |
Перевіримо умову:
Гц
Для схеми на складених транзисторах, крім вихідного транзистора, необхідно вибрати комплементарну пару, що задовольняє наступним умовам:
1)
Вт
2)
А
3)
В
4)
Гц
Обрані транзистори ГТ402А, ГТ404А задовольняють умовам, які наведені вище.
Таблиця 1.2 Параметри транзисторів ГТ402А, ГТ404А
|
Тип |
Структура |
|
Макс. доп. Параметри |
|
||
|
Ркмакст, Вт |
Iк, А |
Uкэ, В |
||||
|
1 |
2 |
3 |
4 |
5 |
6 |
7 |
|
ГТ402А |
р-n-р |
1 |
4 |
0,5 |
25 |
30 |
|
ГТ404А |
n-р-n |
Перевіримо умову:
Гц
На
вихідних характеристиках транзистора
будується лінія навантаження, що
проходить через точки “P”
– (
/b;
0 ) і “M”
– (
/b-
;
),
де b=2-
для без трансформаторної
схеми. Точки: “P”
(12;0) “M”(4;2).
Рисунок 2. Вхідні та вихідні характеристики транзистора КТ817А
За амплітудою базового
струму за допомогою вхідної характеристики
визначається амплітуда вхідної напруги
=1,1-0,65=0,45В,
а за ними - вхідний опір вихідного каскаду
Ом
і величина ЕРС передкінцевого каскаду
з вихідним опором
Ом

В
Коефіцієнт підсилення кінцевого каскаду за потужністю орієнтовано визначається за формулою:
;
Орієнтовано коефіцієнт підсилення вихідного каскаду за напругою дорівнює:
;
1.3 Попередній розрахунок вхідного і проміжного каскадів
Попередній розрахунок вхідного і проміжного каскадів полягає у визначенні числа каскадів, типів і схем включення транзисторів чи мікросхем.
Амплітуда вхідної напруги і струму кінцевого каскаду:
В
Для передкінцевого каскаду вибирається транзистор з потужністю, яка розсіюється на колекторі ( стоці ),


Вт,
і максимально припустимим струмом колектора ( стоку ),

А
і максимально допустимою напругою колектор емітер:
В
Обраний транзистор КТ815В задовольняє умовам, які наведені вище.
Таблиця 1.3 Параметри транзистора КТ815А
|
Тип |
Структура |
|
Макс. доп. Параметри |
|
||
|
Ркмакст, Вт |
Iк, А |
Uкэ, В |
||||
|
1 |
2 |
3 |
4 |
5 |
6 |
7 |
|
КТ815В |
n-p-n |
3 |
1 |
1,5 |
60 |
40 |
Перевіримо умову:
Гц
Коефіцієнти підсилення проміжного каскаду по потужності та напрузі:

Амплітуда вхідного струму передкінцевого каскаду:
А
Амплітуда вхідної напруги передкінцевого каскаду:
В
Вхідний опір передкінцевого каскаду:
Ом
Рисунок
3.Вихідні та вхідні характеристики
транзистора КТ815В
Мікросхеми для вхідного
і проміжного каскадів вибирають за
величинами вхідного струму, напруги й
опору наступного каскаду. У використовуваної
мікросхеми припустимий опір навантаження
повинен бути менше, а величини максимальної
вихідної напруги і струму (
і
)-
більше відповідних вхідних величин
наступного каскаду.
Умови вибору мікросхеми:

Параметри обраної мікросхеми представлені в таблиці 1.4
Таблиця 1.4 Параметри мікросхеми КР140УД1
|
Тип |
Коефіцієнт підсилення, тис |
Частота одиничного посилення, МГц |
Швидкість наростання вихідної напруги, V В/мкс |
Максимальний струм, мА |
Максимальна напруга, В |
Мінімальний опір, кОм |
Напруга живлення, В |
Струм споживання, мА |
Максимальна вхідна напруга, В |
Вхідний опір, кОм |
Вихідний опір, Ом |
|
1 |
2 |
3 |
4 |
5 |
6 |
7 |
8 |
9 |
10 |
11 |
|
|
КР140УД1 |
2 |
5 |
0,5 |
3 |
6 |
1 |
12,6 |
8 |
1,5 |
300 |
100 |
Перевіримо умову вибору:
Гц
1.4 Розподіл спотворень по каскадах
Нелінійні спотворення цілком відносять на вихідних каскад. Щоб забезпечити малий рівень нелінійних спотворень у проміжних каскадах величини струму колектора і напруги колектор-емітер у робочій точці вибирають у 1,3…1,7 рази більше амплітуд перемінних складових струму і напруги.
Орієнтовно рівень нелінійних спотворень кінцевого каскаду можна оцінити за коефіцієнтами підсилення по струму в точках “P”, “M”.

,
А,
А,
,
А,
А,
,
;
%
Величина коефіцієнта
нелінійних спотворень (КНС)
оцінюється за співвідношенням цих
коефіцієнтів для двотактного каскаду
з режимом В- вище приблизно в 1,5 рази.
<
2%
Отже місцевий НЗЗ не потрібний.
Лінійні спотворення в області нижніх частот вносяться розділовими і блокувальними конденсаторами, а також трансформаторами ( при їх наявності). Знаючи число і тип каскадів, можна визначити число елементів, що вносять спотворення, і сумарну величину спотворень:
дБ
дБ
Так як
,
то не треба вводити НЗЗ.
Спотворення в області верхніх частот:
дБ,
дБ,
дБ;
де
.
Сумарна величина
спотворень
(дБ) повинна бути менше припустимої
дБ.
0,24 дБ < 2 дБ, отже НЗЗ не потрібний.
2 Вибір схеми і розрахунок кінцевого каскаду
2.1 Особливості розрахунку схеми на складених транзисторах
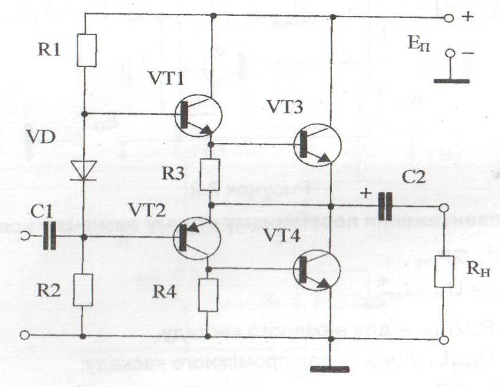
Схема простого двотактного безтрансформаторного підсилювача наведена на рисунку 4.

Рисунок 4. Схема простого двотактового безтрансформаторного підсилювача
Складений транзистор у кінцевому каскаді, маючи високий вхідний опір, полегшує роботу передкінцевого каскаду і дозволяє одержати від нього велику амплітуду сигналу.
Методика розрахунку схеми на складених транзисторах цілком збігається з розрахунком простої схеми на комплементарних транзисторах. При цьому використовують параметри складеного транзистора, які можна визначити з наступних співвідношень:

Ом
Ом
Номінальне значення R3=R4=33 Ом.
В
де
параметри транзисторів VT1,
VT2;
параметри транзисторів VT3,VT4;
напруги зсуву
транзисторів VT1
і
VT3.
Розрахунок починається
з визначення параметрів робочої точки:
В і
А
для режиму В. На вихідних статичних
характеристиках обраних транзисторів
у координатах
будується лінія навантаження, що
проходить через точки
і
-
(12;0)і (0;3);

Рисунок 5.Вихідні та вхідні характеристики транзистора КТ817A
Знаючи необхідну
амплітуду напруги в навантаженні
,
визначаємо
В,
За допомогою вхідної статичної характеристики обраного транзистора, визначаємо:
А,
В,
В,
мА,
А,
В,
В,
В,
В,
мА;
А,
В;
Постійний струм бази
визначається зі співвідношення:
А
Оцінюємо задану потужність:

Вт
У схемі з ЗК діє місцевий НЗЗ, глибина якого:
,
де

Резистори R1, R2 і діод VD ставляться в схемі, якщо вихідний і перед кінцевий каскади розділені конденсатором. Тоді опори R1, R2 приймають однаковими з розрахунку:
,
де

Ом
мА
Номінальне значення R1=R2=1200 Ом = 1,2 кОм
Розраховуємо потужність, що розсіюється:
Вт;
Діод
вибирають таким, щоб спадання напруги
на ньому складало
В,
при струмі
мА. Вибираємо два діода типу
Рисунок 6. ВАХ діода КД520
Вхідний опір дорівнює
,
якщо ставиться дільник R1,VD,R2,
де
Ом
і
вхідний опір транзистора, обумовлений
за вхідною характеристикою поблизу
точки
.
Ом;
Амплітуда напруги вхідного сигналу дорівнює:
,
де

В
І амплітуда вхідного струму дорівнює:
А
= 17 мА;
Будуємо наскрізну
динамічну характеристику транзистора
.
При цьому необхідно враховувати, що для
безтрансформаторного каскаду
,
де
Ом.
Таблиця 1.5 Наскрізна динамічна характеристика
-
Точки




0
0
0
0,65
0,65
1
0,5
0,01
0,8
3,84
2
1
0,025
0,9
7,5
3
1,5
0,05
1,05
12,25
4
1,9
0,07
1,1
15,98
В,
В,
В,
В,
В;

Рисунок 7. Наскрізна динамічна характеристика
За цією характеристикою
визначають коефіцієнт нелінійних
спотворень по третій гармониці
без обліку впливу НЗЗ.

З урахуванням дії
місцевого НЗЗ коефіцієнт нелінійних
спотворень по третій гармониці
.
Нелінійні спотворення по другій гармониці
в двотактних схемах компенсуються тим
краще, чим менше коефіцієнт асиметрії
струму (Х) у плечах схеми. У залежності
від точності застосовуваних елементів
і розкиду параметрів транзисторів
Х=0,1…0,5. Тоді
і, з обліком НЗЗ,
.
Повний коефіцієнт гармонік дорівнює:
;
Ємність розділового
конденсатора (при його наявності)
визначається за припустимою величиною
лінійних спотворень
(у відносних одиницях) на частоті
.
Величина лінійних спотворень:
;

мкФ
Номінальне значення
-
мкФ.
Частотні спотворення на нижній граничній частоті будуть рівні:


дБ
Коефіцієнт частотних
спотворень на верхній частоті діапазону
визначається виразом:
дБ.
3. Розрахунок вхідного і проміжного каскадів
3.1 Розрахунок каскаду по постійному струму
Вихідними даними для
розрахунку є параметри наступного
каскаду: амплітуда перемінної напруги
на вході і вхідний опір
.
Розрахунок проводиться в такому порядку. Визначаються параметри робочої точки транзистора, що задовольняє умовам:

А = 21 мА;

В;
Отримані значення
округляємо до цілих значень:
мА та
В;
Визначається значення
струму бази
:
А = 0,52 мА;
Постійна напруга
=0,7
В визначається за вхідною статичною
характеристикою обраного транзистора
і розрахованим струмом
.
Опір резистора
визначається з умови:
, де
…0,2
для каскаду ЗЕ.
Ом;
Номінальне значення
-
Ом.
Опір резистора
вибирається
як менше з двох значень:
Ом ,
Ом ,

Ом
Номінальне значення
Ом = 0,5 кОм.
Фільтр
в схему включати не потрібно, так як
.
Резистори R1 і R2 визначаються за формулами:
,
Ом
Ом

Ом,
де
=24
В – при відсутності фільтра.
вхідний опір транзистора,
а значення
визначається за статичними вхідними
характеристиками транзистора поблизу
точки
.
Номінальні значення R1=1600 Ом, R2=240 Ом.
Для всіх резисторів розраховується потужність, що розсіюється:
Вт,
Вт,
Вт,
Вт;
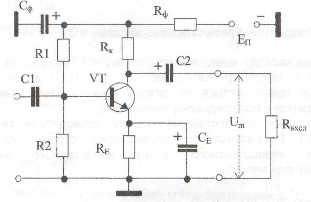
3.2 Розрахунок резисторного каскаду з ЗЕ
Схема каскаду наведена
на рисунку 8. Вихідними даними для
розрахунку є амплітуда перемінної
напруги
і вхідний опір
каскаду, що підключається до виходу
даної схеми.

Рисунок 8. Схема проміжного каскаду
Розрахунок по постійному струму проводиться за методикою розділу 3.1 Розрахунок по перемінному струму починається з визначення еквівалентному опору колекторного навантаження перемінному струму:

Ом;
Вхідний опір каскаду перемінному струму дорівнює:
,
де
Ом
,
вхідний
опір транзистора.
Ом;
Коефіцієнт підсилення каскаду по напрузі визначається за формулою:
,
де
вихідна провідність транзистора,
обумовлена за вихідними характеристиками
поблизу робочої точки
.
см
Амплітудне значення вхідної напруги дорівнює:
В;
Вхідна потужність дорівнює:
Вт
= 0,5 мВт;
Ємності конденсаторів визначають з нерівностей:
,
мкФ
Номінальне значення С2=20 мкФ.
,
мкФ
Номінальне значення
мкФ, де
Ом;
;
Ом;
і
величини спотворень, внесених
конденсаторами С2 і
,
які виражені у відносних одиницях;
вихідний
опір попереднього каскаду чи внутрішній
опір джерела сигналу для вхідного
каскаду. Якщо попередній каскад з ЗК чи
на мікросхемі, то
Ом
Фактична величина спотворень, що внесені елементами схеми з обраними номіналами, визначається за формулами:

дБ,


дБ
Сумарна величина лінійних спотворень на нижній частоті дорівнює:

дБ
Величина лінійних спотворень на верхній граничній частоті дорівнює:

дБ
3.3 Розрахунок каскадів на мікросхемах
Розрахунок каскадів
підсилення на мікросхемах полягає у
виборі типу мікросхеми, здатної
забезпечити на опорі
амплітуду
із припустимою величиною лінійних
спотворень
і
.
Для підсилення сигналів широко
використовують мікросхеми операційних
підсилювачів (ОП). На цих мікросхемах,
застосовуючи зворотній зв’язок, можна
реалізувати різні види підсилювачів.
Розрахунок каскаду
по постійному струму полягає у виборі
резистора фільтра
.
Так як необхідна напруга
для мікросхем більш за джерело живлення
,
то фільтр не треба включати в схему.
Схеми ОП у більшості випадків вимагають
двох джерел живлення. Однак їх можна
підключати до одного джерела
.
Схема підсилювача на ОП з живленням від
одного джерела наведена на рисунку 9.

Рисунок 9. Схема підсилювача на ОП
При розрахунку каскаду на ОП по перемінному струму задаються величиною R2 з умови:

Ом = 3 кОм.
Номінальне значення R2=3 кОм.
Величину резистора R3
визначають за необхідною величиною
коефіцієнта підсилення за напругою
.
,

Ом
Номінальне значення R3=93 кОм.
Резистор R1
визначають з умови
.

кОм.
Номінальне значення R1=100 кОм.
При цьому враховується, що потужність, що розсіюється на них, звичайно не перевищує 125 мВт.
Фактичний коефіцієнт підсилення каскаду за напругою:
;
Вхідний і вихідний опори:
,
кОм.
де
коефіцієнт
підсилення,
і
-
вхідний і вихідний опори ОП.
;
Ом.
При цьому повинні виконуватися умови:
-
,
-
,
-
;
Амплітуда вхідної напруги:
В
= 7мВ.
Конденсатор С3
призначений для запобігання можливого
збудження ОП на частотах вище
.
Його ємність дорівнює:
пФ;
Номінальне значення: С3=33 пФ.
Конденсатор С2 призначений для збільшення глибини НЗЗ за постійним струмом, що зменшує дрейф нуля ОП і стабілізує роботу каскаду. Ємність конденсатора визначають з умови:
мкФ;
Номінальне значення: С2=5 мкФ.
Ланцюжок
забеспечує стійкість підсилювача,
його конфігурація та параметри
визначаються типом мікросхеми і
вибираються за довідником.
Ом,
пФ.
Ємність розділового конденсатора С4 визначається за формулою:


мкФ;
Номінальне значення: С4=200 мкФ.
Величина спотворень,
фактично внесених на нижній граничній
частоті
,
дорівнює:

дБ,
а на верхній граничній
частоті
дорівнює:
дБ.
4 Розрахунок узагальнюючих параметрів і схеми НЗЗ
4.1 Розрахунок якісних показників підсилювача
Якість підсилювача
характеризується ступенем його
відповідності технічному завданню.
Найбільшою мірою це відображає коефіцієнти
підсилення К,
і величини спотворень
,
і
.
Коефіцієнт підсилення
за напругою визначається як добуток
коефіцієнтів підсилення за напругою
окремих каскадів
,
розрахованих раніше:
;
Цей коефіцієнт має бути більше необхідного:


Ємність першого
розділового конденсатора
на вході підсилювача визначається зі
співвідношення:
,
де
внутрішній
опір джерела сигналу,
вхідний
опір першого (вхідного) каскаду.
мкФ;
Номінальне значення:
мкФ.
Величина спотворень, внесених ємністю, дорівнює:

дБ;
Тоді,

дБ.

дБ
де
,
-
величини лінійних спотворень, внесених
і-им каскадом. Отримані величини не
повинні перевищувати заданих:
,
дБ
,
дБ
4.2 Розрахунок електричних параметрів підсилювача
Величина споживаного
струму
визначається за відомими з попередніх
розрахунків величинами колекторних
(стокових) струмів спокою вхідного і
проміжного каскадів
,
постійною складовою струму колектора
вихідного каскаду
,
а також за струмами дільників базового
зсуву
всіх каскадів, включаючи вихідний (
при наявності):


А.
У двотактному каскаді
режиму В-
=0,637
.
Потужність, споживана від джерела живлення,
Вт.
ККД підсилювача дорівнює:



Висновок:
В ході курсового проекту був розрахован трьохкаскадний підсилювач потужності. Був вибран двотактний безтрансформаторний каскад, зібраний по схемі з загальним емітером (ЗЕ) на складених транзисторах. Наведені принципові схеми, вольт-амперні характеристики (ВАХ) транзисторів, діода, наскрізна динамічна характеристика.
Список літератури:
1. Гусев В.Г. Злектроника. - М.: Высшая школа. 1991. 622с.
2. Лавриненко В. Ю. Справочник по полупроводниковым приборам. -К.: Техника 1984. 424с.
3. Методические указания к курсовой работе по дисцеплине «Злектронные устройства ЖАТС». Часть З -X.: ХИИТ, 1988. 37с.
4. Методичні вказівки до курсового проекту з дисципліни « Електроніка та мікросхемотехніка». Часть 1 - X.: УкрДАЗТ. 2003. 62с.
5. Мощные полупроводниковые приборы. Транзисторы. Справочник Под. ред. Голомедова. - М.: Радио и связь, 1985. 560 с.
6. Полупроводниковые приборы: Транзисторы. Справочник. Под общей редакцией Н. Н. Горюнова. Издание второе, переработанное.. М.: Знергоатомиздат 1985. 902 с.
МГц
