Приемники непрерывных сигналов
Эскизный расчет курсового проекта
Приемники непрерывных сигналов
1. Разбиение диапазона частот на поддиапазоны
1.Коэффициент перекрытия диапазона (показывает во сколько раз максимальная несущая частота входного сигнала больше минимальной ):
(1)
где
-
максимальная и минимальная несущая
частота входного сигнала.
2.Выбор элементов перестройки контуров приемника
Для контуров с сосредоточенными параметрами перестройку по частоте можно осуществлять:
конденсатором переменной емкости
=2,5-3
катушкой переменной индуктивности
=1,4-3
варикапом
=2,3-2,7
где
-
максимальные значения коэффициентов
перекрытия диапазона различными
реактивными элементами контуров.
3.Так как
>
,
то приемник однодиапазонный.
2.Полоса пропускания линейного тракта приемника
Полоса пропускания линейного тракта приемника:
=
+
(2)
где
-
ширина спектра полезного сигнала,
равная:
(3)
(
- верхняя частота модуляции),
- запас по полосе, обусловленный
нестабильностью передатчика, равный:
(4)
(
-
относительная нестабильность частоты
передатчика)
(5)
Если
/
<1,2
, то расширение полосы пропускания
приемника за счет нестабильности частоты
передатчика незначительно и принимаем
полосу пропускания линейного тракта
приемника равной П. Если же
/
>1,2
расширение полосы существенно и требует
введения системы ЧАП. В этом случае:
(6)
где
=10-35
–коэффициент передачи системы ЧАП.
(7)
Так как
/
<1,2,
то останавливаемся на введение системы
ЧАП
3. Выбор структуры преселектора для обеспечения требуемой избирательности
В данном разделе выбираются фильтры преселектора, позволяющие обеспечить требуемое подавление двух основных паразитных каналов приемника - зеркального и канала прямого прохождения.
Приводимый расчет предполагает знание промежуточной частоты приемника. Задаемся промежуточной частотой проектируемого приемника:
(8)
(
-
средняя несущая частота входного
сигнала) для КВ диапазона (3МГц - 30МГц) и
УКВ диапазона (30МГц - 300МГц);
(9)
Далее последовательно для каждого из паразитных каналов находим структуру преселектора.
А) Определение структуры преселектора, обеспечивающей подавление зеркального канала.
Находим обобщенную расстройку зеркального канала:
(10)
где
-
частота зеркального канала.
(11)
Эквивалентное затухание контуров тракта сигнальной (высокой) частоты dэсч выбирается из таблицы 1.
(12)
Таблица
1

Для наименьшего из полученных
в многодиапазонных приемниках
(худший
вариант) и требуемого подавления
зеркального канала
находим
по рис.1, вид избирательной системы,
подавляющей паразитный зеркальный
канал. На этом рисунке номер кривой
соответствует виду фильтровой системы
преселектора:
1 – ОКК (одиночный колебательный контур),
2 – ДПФ (двойной полосовой фильтр),
3 – два ОКК,
4 – ДПФ и ОКК,
5 – три ОКК,
6 – два ДПФ,
7 – ДПФ и два ОКК,
8 – два ДПФ и один ОКК,
9 – три ДПФ,
10 – ДПФ при
и ОКК с


Рис.1
Б) Определение структуры преселектора, обеспечивающей подавление канала прямого прохождения.
Находим обобщенную расстройку канала прямого прохождения:
(13)
Обычно обобщенная расстройка
канала прямого прохождения много больше
обобщенной расстройки зеркального
канала, то есть
<<
.
Это говорит о том, что паразитный канал
прямого прохождения расстроен относительно
полезного сигнала гораздо сильнее по
сравнению с зеркальным каналом. В этом
случае можно утверждать, что выбранная
ранее избирательная система для
подавления зеркального канала надежно
подавит и паразитный канал прямого
прохождения.
4. Выбор структуры УПЧ
В данном разделе выбираются фильтры УПЧ, позволяющие обеспечить требуемое подавление соседнего канала.
Для выбора фильтров необходимо
выяснить по техническому заданию
величину требуемого подавления
и рассчитать коэффициент прямоугольности
требуемой АЧХ УПЧ:
(14)
где
- расстройка по соседнему каналу
Наиболее широкое распространение в каскадах УПЧ получили ФСС (фильтры сосредоточенной селекции), параметры которых приведены в таблице 2.
Выбирая ФСС надо учитывать, что
его подавление должно быть не меньше
требуемого по ТЗ, а коэффициент
прямоугольности - не больше требуемого.
Выбрав фильтр и определив по таблице 2
его коэффициент
,
определяем частоту, на которой ФСС будет
работать:
(15)
где
- эквивалентное затухание контуров на
первой промежуточной частоте (Таблица
1).
(16)
Таблица 2
|
Вид фильтра |
Число LC контуров |
Коэффициент |
Число каскадов |
|
|
1 |
2 |
|||
|
ФСС |
ЧетыреLC контура |
|
2,2 |
1,3 |
|
|
3,7 |
1,7 |
||
|
|
0,35 |
0,385 |
||
|
ФСС |
ПятьLC контуров |
|
1,8 |
1,2 |
|
|
2.7 |
1.5 |
||
|
|
0,35 |
0.385 |
||
|
ФСС |
ШестьLC контуров |
|
1,52 |
1,15 |
|
|
2,2 |
1,3 |
||
|
|
0.35 |
0,385 |
5.Выбор количества преобразований частоты в приемнике
При выборе структуры преселектора
в третьем разделе была выбрана первая
промежуточная частота приемника, при
выборе структуры УПЧ – вторая. Так как
,
приемник выполняется с двойным
преобразованием частоты с
.
6. Допустимый коэффициент шума приемника
Нахождение максимально допустимого коэффициента шума приемника производится по формуле (17):

где
- чувствительность приемника,
к =1,39
дж/град
– постоянная Больцмана,
=293
К
– температура по Кельвину,
=1,1П
– шумовая температура приемника,
(18)
- сопротивление антенны.
-
отношение сигнал/шум на входе детектора,
производится по формуле (19):

где
- отношение сигнал/шум на выходе детектора.
В формулу (19)
подставляется в разах по напряжению;
- пик-фактор сигнала;
- максимальный индекс Ам сигнала;
- полоса пропускания УНЧ;
(20)
7. Коэффициент шума приемника
Коэффициент шума приемника определяется через коэффициенты шума отдельных каскадов приемника по формуле:
(21)
где
- коэффициенты шума входной цепи ,
усилителя сигнальной частоты и
преобразователя частоты соответственно,
- коэффициенты передачи по
мощности входной цепи и усилителя
сигнальной частоты.
Коэффициенты шума и коэффициенты передачи по мощности отдельных каскадов приемника приведены в таблице 3.
Таблица 3
|
Вид каскада |
Коэффициент шума |
Максимальный коэффициент усиления по мощности |
|
Одноконтурная входная цепь |
|
1/(1+а) |
|
Усилитель на транзисторе: с общим эмиттером с общей базой - по каскодной схеме |
|
|
|
Преобразователь частоты: на транзисторе с общим эмиттером на транзисторе с общей базой - на тунельном диоде |
5…12 |
10…30 |
В Таблице 3:
а – коэффициент, который равен для диапазонных приемников а=0,5;
-
коэффициент шума выбранного транзистора,
который в справочниках задается в дБ,
а в формулу (12) подставляется в разах по
мощности;
- параметры транзистора.
В Приложении 1 приведены некоторые наиболее широко используемые транзисторы. В приложении 2 – формулы для расчета параметром этих транзисторов. В Приложении 3 перевод дБ в разы.
Проверкой правильности выбора транзистора служит выполнение условия:
(22)
Выбираем транзистор КТ3127А с параметрами:
Параметры биполярных транзисторов
|
Тип транзистора |
|
|
|
|
|
Шт (дБ) |
|
|
КТ3127А |
600 |
6 |
150 |
1 |
10 |
5 |
5 10 |
Шт=5дБ=3,2раз ;
Найдем коэффициенты шума входной цепи , усилителя сигнальной частоты и преобразователя частоты соответствен:
=1/0,5=2
(23)
2
Шт=2∙3,2=6,4 (24)
4
Шт=4∙3,2=12,8 (25)
Найдём коэффициенты передачи по мощности входной цепи и усилителя сигнальной частоты:
1/(1+а)=
1/(1+0,5)=0,67 (26)

=
(27)
Обратная проводимость транзистора определяется по формуле:

=
????? (28)
Найдём прямую проводимость (крутизну) транзистора:
=
=
(29)
=
(30)
Коэффициент шума приемника по формуле (31):
=
условие выполнено, транзистор
выбран правильно.
8. Расчет коэффициента усиления приемника и распределение усиления по каскадам
Обобщенная структурная схема приемника приведена на рис.3

Рис.3
1.Расчет числа каскадов тракта сигнальной частоты
Для этого вычисляется требуемое усиление:
(32)
где
-
чувствительность проектируемого
приемнока,
- напряжение на входе первого
преобразователя частоты, равное 30…40мкВ
для биполярных транзисторов (БТ).
Определим необходимое число каскадов N в тракте сигнальной частоты, обеспечивающее требуемое усиление:
(33)
где
- уточненный коэффициент передачи
входной цепи (
- коэффициент, определяемый по таблице
4)
=
(34)
- коэффициент усиления усилителя
сигнальной частоты равняется коэффициенту
устойчивого усиления транзистора.
Формулы для расчета
приведены в таблице 5.
=
=17,33
(35)
Таблица 4
|
Вид входной цепи |
Тип транзистора в УСЧ |
|
|
ОКК ОКК |
Полевой транзистов Биполярный транзистор |
10 100 |
|
ДПФ ДПФ |
Полевой транзистов Биполярный транзистор |
|
В таблице 4
- параметр связи между контурами ДПФ.
Таблица 5
|
Вид усилительного каскада |
Тип транзистора |
Схема включения транзистора |
|
|
На одном транзисторе |
Биполярный |
С общим эмиттером С общей базой |
|
|
На одном транзисторе |
Полевой |
С общим истоком С общим затвором |
|
|
Каскодная схема |
Биполярные |
-- |
|
|
Каскодная схема |
Полевые |
-- |
|
=> неверно, поэтому перехожу на
каскадную схему включения, у которого:
Или же можно взять 2 каскада на одном транзисторе
40<270
=
(36)
Выходная проводимость транзистора:
(37)
Тогда коэффициент усиления усилителя сигнальной частоты равняется:
(38)
N=1
2. Определить число каскадов тракта первой промежуточной частоты.
Число каскадов тракта первой промежуточной частоты N определяется по аналогии с первым пунктом данного раздела: сначала определяется необходимое усиление в этом тракте, а уже затем необходимое число каскадов. Обобщенная формула вычислений:
(39)
где
напряжение на входе второго преобразователя
частоты, равное 300…400мкВ для биполярных
транзисторов (БТ).

=
(40)
Найдём прямую и обратную проводимости транзистора:
=
=
(41)

=
(42)
коэффициент усиления усилителя сигнальной частоты равняется:

(43)
N=1
Необходимо отметить, что чем ниже частота , тем выше коэффициент устойчивого усиления транзисторов.
3. Определить число каскадов тракта второй промежуточной частоты.
Вычисления проводятся по формуле:
(44)
где
- напряжение на входе детектора, равное
(0.5…1)В для АД, СД, ЧД (с настроенными или
расстроенными контурами ) и (30…50)мВ для
дробного ЧД;
=5…10
– коэффициент запаса.

Берем транзистор КТ 342 В
=
(45)
Найдём прямую и обратную проводимости транзистора:
=
=
(46)

=
(47)
коэффициент усиления усилителя сигнальной частоты равняется:

(48)
N=4
4.Определить усиление в тракте низкой частоты.
Коэффициент усиления в тракте низкой частоты равняется:
(49)
где
=2…5
– коэффициент запаса,
=(0,8…0,9)

=
(50)
Определяем напряжение в нагрузке:
=
В
(51)
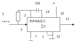
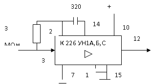
В тракте низкой частоты для обеспечения необходимого усиления целесообразно использование микросхем, некоторые из которых приведены в Приложении 4.
Параметры и схемы включения микросхем серии К226, предназначенные для усиления низкой частоты.
Таблица 4.
|
Серии МС |
|
|
|
|
|
|
К 226 УН1А,Б,С |
250…350 |
0, 2…100 |
+12,-6 |
|
|
Входная емкость микросхемы не 226 превышает 20пФ.

9. Определение числа каскадов приемника, охватываемых АРУ
В ТЗ приведен коэффициент регулирования АРУ, показывающий динамический диапазон изменения входного и выходного сигнала. Для проведения дальнейших расчетов эти динамические диапазоны надо перевести дБ по напряжению и вычислить динамический диапазон АРУ:
(52)


Число охватываемых каскадов N равняется:
(53)
где
- динамический диапазон регулировки
одного каскада

(54)
-
число охватываемых каскадов АРУ
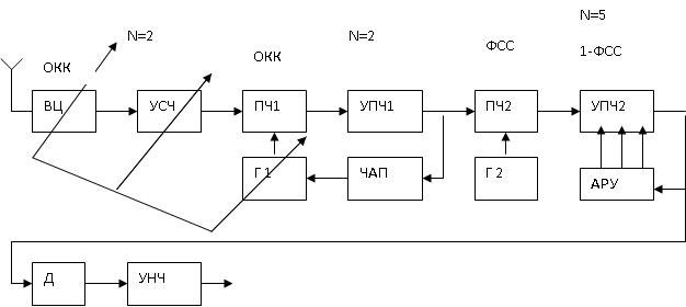
10.Составление структурной схемы проектируемого приемника
Обобщенная структурная схема приемника приведена на рис.4

Рис.4
Особенности построения структурной схемы приемника следующие:
в диапазонном приемнике необходимо показать сопряженную перестройку каскадов ВЦ, УСЧ и Г приемника;
около каждого вида устройства показать их количество N=? и тип фильтров (ОКК; ДПФ, ФСС), а также тип микросхемы;
ввести АРУ и показать какое количество усилительных каскадов охватывает система АРУ;
показать ЧАП или ФАП промежуточной частоты, уменьшающий запас по полосе приемника, если расчеты показали, что он необходим;
вместо Д, показанного на рис.4, необходимо ввести конкретный вид этого детектора:
для АТ сигналов – АД,
для ЧТ сигналов – ЧД ( перед «обычным» ЧД необходим ограничитель),
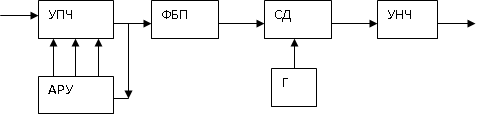
для сигналов с ОМ – СД (синхронный детектор). Обычно СД – это ФД, который формирует выходной сигнал с учетом не только разности фаз входных колебаний, но и их амплитуд. Для работы любого ФД необходимо опорное колебание. Для ОМ колебаний с остатком несущей опорное колебание выделяется в ФОН (фильтр остатка несущей) и поддерживается системой ФАП (рис.5). Для ОМ колебаний с полностью подавленной несущей опорное колебание формируется в высокостабильном генераторе (рис.6). Как следует из рисунков, перед СД ставится ФБП (фильтр боковой полосы), выделяющий спектр полезного сигнала, содержащийся в боковой полосе.

Р
ис.
5

Рис.6
Приложение 1
Параметры биполярных транзисторов
|
Тип транзистора |
|
|
|
|
|
Шт (дБ) |
|
|
КТ 342 В |
300 |
200 |
400 |
4 |
700 |
7 |
5 50 |
|
КТ 306 А |
500 |
30 |
30 |
5 |
500 |
15 |
30 100 |
|
КТ 306 Б |
650 |
30 |
60 |
5 |
500 |
15 |
30 100 |
|
КТ 3126 А |
500 |
7 |
100 |
2,5 |
15 |
8 |
5 6 |
|
КТ 3127 А |
600 |
6 |
150 |
1 |
10 |
5 |
5 10 |
|
КТ 316 А |
600 |
17 |
60 |
3 |
50 |
10 |
15 16,7 |
|
КТ 316 Б,В |
800 |
17 |
120 |
3 |
50 |
10 |
15 16,7 |
|
КТ 316 Г |
600 |
17 |
100 |
3 |
150 |
10 |
15 50 |
|
КТ 316 Д |
800 |
17 |
300 |
3 |
150 |
10 |
15 50 |
|
КТ 3128 А |
800 |
7 |
150 |
1 |
5 |
5 |
6 5 |
|
КТ 397 А |
800 |
25 |
300 |
1,3 |
40 |
6 |
20 30,8 |
|
КТ 3109 А |
800 |
8 |
15 |
1 |
10 |
6 |
7 10 |
|
ГТ 311 А |
770 |
8 |
70 |
1,8 |
50 |
8 |
8 27,8 |
|
ГТ 311 Б |
1500 |
8 |
80 |
1,5 |
100 |
5,1 |
8 66,7 |
|
ГТ 311 Г |
1500 |
8 |
60 |
1,5 |
75 |
5,1 |
8 50 |
|
ГТ 311 Д |
1500 |
7 |
110 |
1,5 |
75 |
5,1 |
8 50 |
|
ГТ 329 А |
1200 |
22 |
100 |
2 |
15 |
4 |
10 7,5 |
|
Т 341 А |
1950 |
60 |
60 |
1 |
10 |
4,5 |
30 10 |
|
КТ 382 А |
2250 |
3 |
330 |
2 |
6 |
3 |
3 3 |
|
КТ 382 Б |
2250 |
3 |
330 |
0,7 |
5,5 |
4,5 |
3 2,8 |
|
КТ 372 А |
2400 |
20 |
10 |
1 |
9 |
3,5 |
8 9 |
|
КТ 372 Б |
3000 |
20 |
10 |
1 |
9 |
3,5 |
8 9 |
|
КТ 371 А |
3600 |
10 |
200 |
1,2 |
10 |
5 |
8 8,3 |
|
Т 362 |
4800 |
5 |
200 |
1 |
10 |
4 |
8 10 |
|
ГТ 362 Б |
4800 |
5 |
200 |
0,5 |
30 |
4 |
8 6 |
|
КТ 391 А |
7000 |
8 |
150 |
0,7 |
3,7 |
4,5 |
7 5,3 |
|
КТ 391 Б |
7000 |
8 |
150 |
1 |
3,7 |
4,5 |
7 5,3 |
|
КТ 368 А |
7000 |
6 |
300 |
1,7 |
15 |
3,3 |
5 2,8 |
|
КТ 368 Б |
7000 |
6 |
300 |
1,7 |
15 |
2,8 |
5 2,8 |
|
КТ 3115 А-2 |
7500 |
9 |
20 |
0,6 |
9 |
5 |
7 15 |
|
КТ 3124 А-2 |
8000 |
6 |
200 |
0,6 |
2,5 |
5 |
5 4,2 |
|
КТ 610 А |
10000 |
12 |
300 |
4,1 |
55 |
6 |
10 13,4 |
|
КТ 610 Б |
7000 |
12 |
300 |
4,1 |
22 |
6 |
5,4 |
Приложение 2
Параметры транзисторов на частотах ниже 500 МГц.
При включении транзисторов в усилительный каскад по схеме с общим эмиттером параметры транзистора приведены в таблице 1, где:
-
прямая проводимость (крутизна) транзистора,
- обратная проводимость транзистора,
- выходная проводимость транзистора,
- входная проводимость транзистора.
Таблица 1
|
Параметры транзистора |
Расчетные формулы |
|
|
|
|
|
|
|
|
|
|
|
|
где
,

При включении транзисторов в усилительный каскад по каскадной схеме (ОЭ-ОБ) параметры транзисторов приведены в таблице 2.
Таблица 2
|
Параметры транзистора в схеме с ОЭ |
Параметры транзистора в схеме с ОЭ ОБ |
|
|
|
|
|
|
|
|
|
|
|
|
Приложение 3
Таблица отношений напряжений и мощностей
|
N (дБ) |
|
|
N (дБ) |
|
|
N (дБ) |
|
|
|
0 |
1,0 |
1,0 |
2,1 |
1,27 |
1,62 |
7,0 |
2,2 |
5,02 |
|
0,1 |
1,012 |
1,024 |
2,2 |
1,29 |
1,66 |
8,0 |
2,5 |
6,31 |
|
0,2 |
1,024 |
1,048 |
2,3 |
1,31 |
1,7 |
9,0 |
2,8 |
8,0 |
|
0,3 |
1,035 |
1,07 |
2,4 |
1,32 |
1,74 |
10,0 |
3,2 |
10,0 |
|
0,4 |
1,047 |
1,09 |
2,5 |
1,34 |
1,8 |
11,0 |
3,58 |
13,0 |
|
0,5 |
1,06 |
1,12 |
2,6 |
1,35 |
1,82 |
12,0 |
4,0 |
16,0 |
|
0,6 |
1,07 |
1,14 |
2,7 |
1,365 |
1,86 |
13,0 |
4,5 |
20,0 |
|
0,7 |
1,085 |
1,17 |
2,8 |
1,38 |
1,9 |
14,0 |
5,02 |
25,1 |
|
0,8 |
1,097 |
1,2 |
2,9 |
1,4 |
1,95 |
15,0 |
5,67 |
31,0 |
|
0,9 |
1,11 |
1,23 |
3,0 |
1,42 |
2,0 |
16,0 |
6,31 |
40,0 |
|
1,0 |
1,12 |
1,26 |
3,1 |
1,437 |
2,048 |
17,0 |
7,1 |
51,0 |
|
1,1 |
1,135 |
1,29 |
3,2 |
1,45 |
2,096 |
18,0 |
8,0 |
64,0 |
|
1,2 |
1,148 |
1,3 |
3,3 |
1,47 |
2,14 |
19,0 |
8,96 |
80,0 |
|
1,3 |
1,161 |
1,3 |
3,4 |
1,486 |
2,18 |
20,0 |
10 |
100 |
|
1,4 |
1,17 |
1,3 |
3,5 |
1,5 |
2,24 |
30,0 |
32 |
|
|
1,5 |
1,19 |
1,4 |
3,6 |
1,52 |
2,28 |
40,0 |
100 |
|
|
1,6 |
1,2 |
1,4 |
3,7 |
1,54 |
2,34 |
50,0 |
320 |
|
|
1,7 |
1,22 |
1,48 |
3,8 |
1,557 |
2,4 |
60,0 |
|
|
|
1,8 |
1,23 |
1,52 |
3,9 |
1,57 |
2,46 |
70,0 |
|
|
|
1,9 |
1,245 |
1,55 |
4,0 |
1,6 |
2,5 |
80,0 |
|
|
|
2,0 |
1,26 |
1,6 |
5,0 |
1,8 |
3,2 |
90,0 |
|
|
|
6,0 |
2,0 |
4,0 |
100.0 |
|
|
Приложение 4
Параметры и схемы включения микросхем серии К 226, предназначенные для усиления низкой частоты
|
Серии МС |
|
|
|
|
|
|
К 226 УН1А,Б,С |
250…350 |
0,2…100 |
+12,-6 |
|
|
|
К 226 УН2А,Б,С |
25…35 |
0,02…100 |
+12,-6 |
|
|
|
К 226 УН3А,Б,С |
270…330 |
0,02…100 |
+6,-9 |
|
|
|
К 226 УН4А,Б,С |
9…11 |
0,02…100 |
+6,-9 |
|
|
|
К 226 УН5А,Б,С |
90…100 |
0,02…100 |
+12,-6 |
|
|
Входные емкости вышеперечисленных микросхем не превышают 20пФ.











(МГц)
(Ом)
(пФ)
(пС)
(Ом) (Ом)









(кГц)











































