Применение операционных усилителей
Министерство образования и науки РФ
Дальневосточный Государственный Технический Университет
(ДВПИ им. Куйбышева)
Институт Радиоэлектроники Информатики и Электротехники
ЭЛЕКТРОНИКА
"ПРИМЕНЕНИЕ ОПЕРАЦИОННЫХ УСИЛИТЕЛЕЙ"
Владивосток 2010 г.
Цель работы: Ознакомиться с применением ОУ для сложения двух постоянных, двух переменных, постоянного и переменного напряжений, дифференцирования и интегрирования входных сигналов.
Для исследования был использован ОУ LM741.
1. Суммирование постоянных напряжений моделировалось на схеме рис.1.
А. При U>ВХ1> = 5В и U>ВХ2> = 3В измерены: I>1 >=1мА; I>2> =0,6мА; I>3> =1,6мА; I>4> =1,6мА; U>ВЫХ> =-8В.
В. По значениям номиналов схемы рассчитаны:
I>1 >= U>1>/ R>1> = 1мА; I>2 >= U>2>/ R>2> =0,6мА;
I>ос>> >= U>ВЫХ>/ R>3> =1,6мА; I>ос> = I>1>+ I>2> = 1,6мА;
U*>ВЫХ> = - (U>ВХ>>1>∙ R>3>/ R>1> + U>ВХ>>2>∙ R>3>/ R>2>) = - 8В.
Измеренное значение U>ВЫХ> соответствует расчетному значению U*>ВЫХ>.
2. Суммирование постоянного
и переменного напряжений моделировалось
на схеме рис.2., осциллограммы напряжений
приведены на р
ис.6.3
А. При U>ВХ≈> = 1В; U>ВЫХ≈> = 1В (фаза сдвинута на 1800); U>ВЫХ=> = - 1В; расчетные значения этих величин:
U*>ВЫХ≈> = 1В; U*>ВЫХ=> =-1В.
В. При U>ВХ≈> = 1В и R>2>=2,5 кОм измеренное значение U>ВЫХ≈> = 1В (фаза сдвинута на 1800), а постоянная составляющая U>ВЫХ=> = 2В (рис.4).
Расчетные значения этих величин:
U*>ВЫХ≈> = U>ВХ1>∙ R>3>/ R>1> = 1В; U*>ВЫХ=> = - U>ВХ2>∙ R>3>/ R>2> = - 2В;
3. Суммирование переменных напряжений исследовалось по схеме рис.5.
При U>ВХ≈> = 1В; U>ВЫХ≈> = 4В (фаза сдвинута на 1800); U>ВЫХ=> = - 4В;
расчетные значения этих величин:
U*>ВЫХ≈> = U>ВХ>∙ R>3>/ R>1> + R>3>/ R>1> = 4В, что соответствует результатам измерений.
4. Переходной процесс в интеграторе исследовался по схеме рис.7 На вход схемы подавались импульсы прямоугольной формы частотой 1 кГц.
Скорость изменения выходного напряжения (по осциллограмме рис.8) V>U>> ВЫХ> = 10В/мс.
5. Влияние амплитуды входного сигнала на переходный процесс в интеграторе показан на рис.9.
V>U>> ВЫХ> = 20В/мс, что в два раза больше, чем в предыдущем эксперименте, то есть скорость изменения выходного напряжения интегратора пропорциональна амплитуде входного сигнала.
6
.
Влияние параметров схемы на переходный
процесс в схеме интегратора
А. При R>1> = 5 кОм скорость изменения выходного сигнала увеличивается:
V>U>> ВЫХ> = 20В/мс, что в 2 раза больше, чем в эксперименте по п.4 и равно значению в предыдущем эксперименте.
В. При С>1> = 0,02 мФ скорость изменения выходного сигнала (рис.11) уменьшается: V>U>> ВЫХ> = 5В/мс, что в 2 раза меньше, чем в эксперименте по п.4.
Результаты измерений по п.4 - п.6 сведены в таблицу 1.
Таблица 1
Результаты экспериментов со схемой интегратора
|
№ пункта эксперимента |
U>ВХ> (В) |
R>1> (кОм) |
C>1> (мкФ) |
V>U>> ВЫХ> (В/мс) |
U>ВЫХ >>MAX> (В) |
|
4 |
1 |
10 |
0,01 |
10 |
2,5 |
|
5 |
2 |
10 |
0,01 |
20 |
5 |
|
6 А |
1 |
5 |
0,01 |
20 |
5 |
|
6 В |
1 |
10 |
0,02 |
5 |
1,25 |
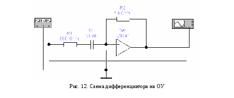
7. Переходный процесс в схеме дифференциатора на ОУ исследовался по схеме рис.12, полученные осциллограммы представлены на рис.13.
А
.
Скорость изменения входного напряжения
(по осциллограмме рис.13) V>U>>
ВХ> = 4В/мс.
В. U>ВЫХ >= - R>2>∙C>1>∙ ∆ U>ВХ> / ∆t = - R>2>∙C>1>∙V>U>> ВХ> = - 1В, что соответствует экспериментальным данным, показанным на рис.13.
8. Для исследования влияния частоты входного напряжения, ее значение увеличено вдвое - 2 кГц (рис.14), следовательно, и скорость изменения входного напряжения (при той же амплитуде сигнала) увеличилась вдвое.
А. V>U>> ВХ> = 8В/мс.
Амплитуда выходного сигнала, также увеличилась вдвое (рис.14) в сравнении с предыдущим экспериментом (рис.13).
В. U>ВЫХ >= - R>2>∙C>1>∙ ∆ U>ВХ> / ∆t = - R>2>∙C>1>∙V>U>> ВХ> = - 2В,
что соответствует экспериментальным данным, показанным на рис.6.14.
9. Влияние сопротивления обратной связи (R>2>) на выходное напряжение дифференциатора, которое в эксперименте увеличено до 10кОм.
А
.
Скорость изменения входного напряжения
(рис.15) аналогична эксперименту по п.7
(рис.13) - V>U>>
ВХ> = 4В/мс
В. U>ВЫХ >= - 2В, что соответствует экспериментальным данным, показанным на рис.14 и в 2 раза больше, чем в эксперименте по п.7 (рис.13).
10. Влияние емкости конденсатора схемы (С>1>) на выходное напряжение дифференциатора, которое в эксперименте увеличено до 100нФ.
А. Скорость изменения входного напряжения (рис.16) аналогична эксперименту по п.7 (рис.13) и п.9 (рис.15) - V>U>> ВХ> = 4В/мс.
В
.
U>ВЫХ >= - R>2>∙C>1>∙
∆ U>ВХ> / ∆t
= - R>2>∙C>1>∙V>U>>
ВХ> = - 2В,
что соответствует экспериментальным данным, показанным на рис.14 и рис.15 и вдвое больше, чем в эксперименте по п.7 (рис.13).
Таблица 2
Результаты экспериментов со схемой дифференциатора
|
№ пункта эксперимента |
F>ВХ> (кГц) |
C>1> (нФ) |
R>2> (кОм) |
V>U>> ВХ> (В/мс) |
U>ВЫХ> (В) |
|
7 |
1 |
50 |
5 |
4 |
-1 |
|
8 |
2 |
50 |
5 |
8 |
-2 |
|
9 |
1 |
50 |
10 |
4 |
-2 |
|
10 |
1 |
100 |
5 |
4 |
-2 |
Выводы
В результате проделанной работы с использованием средств моделирования программного комплекса "Electronics Workbench" ознакомлены с применением ОУ для сложения двух постоянных, двух переменных, постоянного и переменного напряжений, дифференцирования и интегрирования входных сигналов. Экспериментальные данные, полученные в работе, подтверждены аналитическими расчетами.
