Проект гелеоисточника для энергохозяйства
Аннотация
Целью данного дипломного проекта являлась идея получения более дешевого и экологичного вида энергии на основе преобразования солнечной. Задача дипломного проекта состояла в проектировке гелеоисточника для энергохозяйства промышленного или жилого загородного объекта мощностью 30 кВт. Необходимо было спроектировать силовую часть и систему управления гелеоисточником. В этой части дипломного проекта была спроектирована система управления гелеоисточником. Были проанализированы различные способы регулирования выходного напряжения автономного инвертора с использованием современных микроконтроллеров и выбран наиболее приемлемы. Был спроектирован блок питания для системы управления, разведена печатная плата. Освещены вопросы техники безопасности.
Содержание
Введение
1. Обзор способов регулирования выходных параметров инвертора напряжения
2. Разработка системы управления
2.1 Описание схемы управления
2.2 Расчет элементов схемы системы управления
3. Безопасность и экологичность при изготовлении, ремонте и обслуживании гелиогенератора
3.1 Описание рабочего места, оборудования и выполняемых технологических операций
3.2 Идентификация опасных и вредных производственных факторов
3.3 Организационно технические мероприятия по созданию безопасных условий труда при ремонте
3.4 Расчет защиты от грозовых перенапряжений
3.5 Обеспечение пожарной безопасности на рабочем участке
3.6 Экологическая экспертиза разрабатываемого проекта
3.7 Безопасность объекта при аварийных и чрезвычайных ситуациях
Заключение
Список литературы
Введение
В настоящее время во всем мире в связи с бурным развитием электротехники и электроники постоянно растет количество электроприборов и конечно количество потребляемой электрической энергии. Рыночная экономика диктует свои условия на рынке энергии, с увеличением спроса на электрическую энергию цена на нее возрастает. Источником энергии добываемой человеком, как правило, служит вода (гидроэлектростанции), энергия земли (геотермальные электростанции), энергия атома (атомные электростанции) и др. Все эти виды получения электроэнергии как правило наносят непоправимый вред окружающей природе. Современный способ получения электрической энергии должен удовлетворять диктуемым современностью требованиям о экологичности, относительной дешевизне получаемой энергии. Не так давно человеком было придумано использовать для получения электричества энергию солнца (гелеоэнергия). Использование данного способа позволяет получить электроэнергию не нанося вред окружающей среде, однако элементы преобразующие солнечную энергию в электрическую дороги и имеют низкий КПД. На настоящий момент стоимость элемента, дающего около 130 Вт с 1 м2, с КПД 15% достигает 200 долларов. Не так давно стали появляться солнечные элементы с более высоким КПД (25%), их цена значительно выше.
Целью дипломного проекта является получение дешевого, и экологичного вида электрической энергии, используя энергию солнца в качестве источника, при больших капитальных затратах. Задачей дипломного проекта является разработка системы управления, выбор метода регулирования выходных параметров автономного инвертора, гелеоисточника для энергохозяйства промышленного или жилого загородного объекта мощностью 30 кВт. Проектировка конструкции печатной платы системы управления, а также разработка блока питания для системы управления.
1. Обзор способов регулирования выходных параметров инвертора напряжения
Инвертированием в силовой электронике называют процесс преобразования постоянного напряжения в переменное. Устройства, осуществляющие такое преобразование, называются инверторами. Различают два типа инверторов:
зависимые инверторы или инверторы, ведомые сетью;
независимые или автономные инверторы.
Зависимый инвертор работает при наличии в его выходной цепи источника переменного напряжения, который задает форму, частоту и величину напряжения образованной им сети переменного напряжения. В этой сети могут находиться потребители переменного тока, и задача зависимого (от этой сети) инвертора сводится к поставке в нее недостающей или дополнительной активной мощности.
Автономный инвертор может работать при отсутствии на его выходе каких-либо источников переменного напряжения. При этом частота выходного напряжения автономного инвертора определяется частотой импульсов управления вентилями инвертора, а форма и величина выходного напряжения – характером, величиной нагрузки и его схемой.
Различают три типа автономных инверторов: 1) инверторы тока; 2) резонансные инверторы; 3) инверторы напряжения.
Наиболее широкие возможности и области применения у инвертора напряжения. Мы называем его лучшим универсальным модулем преобразования электрической энергии. Помимо основной функции преобразования постоянного тока в переменный он может в обращенном режиме выполнять обратную функцию, т.е. преобразование переменного напряжения в постоянное. Кроме того, при нулевой частоте выходного напряжения он превращается в реверсивный преобразователь постоянного напряжения в постоянное. На его основе выполняются активные фильтры напряжения и тока, компенсаторы реактивной мощности, регуляторы переменного напряжения, непосредственные преобразователи частоты, т.е. ячейка инвертора напряжения является источником новых схем.
Автономный инвертор напряжения как преобразователь постоянного входного напряжения в переменное выходное напряжение отличается от автономного инвертора тока тем, что получает питание от источника напряжения безындуктивного характера [16].
U>вых> = >п>·U>вх>, i>вых> = >п>·i>вх> (1.1)
где >п >– коммутационная функция вентильного комплекта есть переменная единичная функция (без постоянной составляющей), определяющая форму выходного напряжения инвертора, для простейшей формы коммутационной функции – меандра.
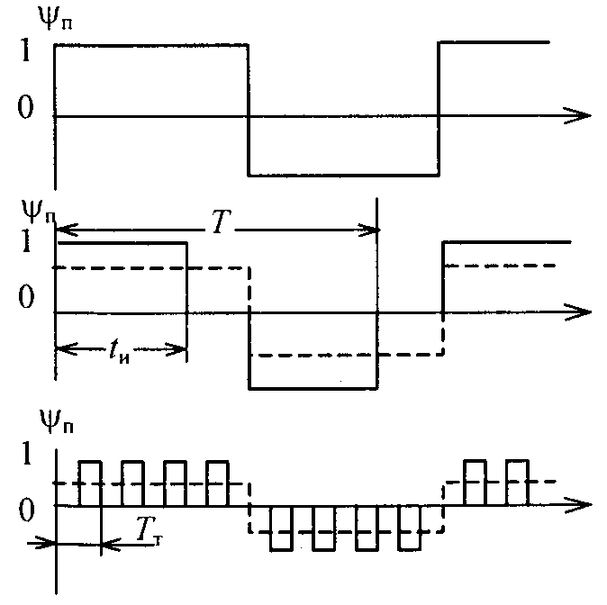
Как видно из второго уравнения, входной ток инвертора будет импульсным (со скачком тока), что не допускает присутствия во входном источнике индуктивности. Реальные источники входного напряжения (чаще всего выпрямители), как правило, обладают индуктивностью L (если это не аккумуляторы). Для устранения ее влияния на входе инвертора напряжения включается фильтровый конденсатор С>ф> достаточной емкости, что является первой особенностью инвертора напряжения. Через него замыкаются, минуя входной источник, импульсы входного тока инвертора, как это видно из временных диаграмм на рис. 1.1.
Вторая особенность инвертора напряжения также видна из второго уравнения (1.1) и связана с тем, что входной ток i>вх> может принимать отрицательные значения при большом сдвиге фазы выходного тока инвертора i>вых> относительно коммутационной функции >п> (т.е. выходного напряжения). Для этого необходимо наличие двусторонней проводимости у ключей вентильного комплекта инвертора, т.е. ключи должны быть выполнены с полным управлением (транзисторах, GTO тиристорах), шунтированных вентилями обратного тока. [16]
Временные диаграммы инвертора напряжения.

Рисунок 1.1
Форма выходного напряжения инвертора определяется в соответствии с соотношением (1.1.) видом коммутационной функции вентильного коммутатора >п>. Основные виды этих функций, формирующие прямоугольное выходное напряжение инвертора по «гладкой составляющей» (показана пунктиром), приведены на рис. 1.2.
Под гладкой составляющей периодической импульсной функции в силовой электронике принято понимать функцию, образованную непрерывной аппроксимацией средних значений (на интервале такта Т>т> коммутаций в преобразователе) мгновенной кривой напряжения или тока. Тогда гладкая составляющая первой коммутационной функции на рис. 1.2 есть нерегулируемый прямоугольник, а составляющие второй и третьей коммутационных функций – регулируемые по величине прямоугольные напряжения (за счет широтного и широтно-импулъсного регулирования соответственно). Последний способ формирования кривой выходного напряжения, называемый «120 градусным управлением» в отличие от предшествующего рассмотренного 180 – градусного управления, используется для исключения гармоник, кратных трем, особенно неблагоприятных для такой типовой нагрузки как асинхронные двигатели.
Для оценки качества выходного напряжения инвертора при регулировании найдем спектры этих напряжений. Действующее значение k й гармоники напряжения инвертора при широтном регулировании будет равно в долях входного напряжения [16]:
(1.2)
где t>и>* = 2t>и> / Т – относительная длительность импульса в полупериоде выходного напряжения.

Рисунок 1.2
Виды функций формирующих выходное напряжение инвертора.
Из (1.1.) можно выразить доли высших гармоник напряжения по сравнению с первой как (1.3.) [16]:
(1.3.)
На рис. 1.3. построены зависимости первой гармоники по (1.2.) и высших гармоник по (1.3.) от относительной длительности импульса напряжения, которую можно назвать глубиной модуляции напряжения по управлению, меняющейся от 0 до 1. Присутствуют только нечетные гармоники, наибольшая из которых – третья – при t>и>* =2/3 исчезает. Но уже при t>и>*=1/3 третья гармоника почти сравнивается с первой. Поэтому широтное регулирование может применяться только в малом диапазоне изменения t>и>* для целей стабилизации выходного напряжения. К тому же зависимость первой гармоники от глубины регулирования нелинейна.
Для улучшения спектра выходного напряжения инвертора используют широтно-импульсное регулирование на несущей частоте токов, значительно превышающей (в число раз, называемое кратностью частоты коммутации – К>Т>) частоту выходного напряжения инвертора (последняя диаграмма на рис. 1.2.). Это смещает гармоники напряжения, обусловленные регулированием, в область более высоких частот, что облегчает их фильтрацию в нагрузке [16].
Дальнейшее улучшение спектра выходного напряжения инвертора обеспечивается при модуляции длительностей импульсов по синусоидальному закону, как показано на рис. 1.4. для однополярной (а) и двухполярной (б). Непрерывная кривая – гладкая составляющая (выходного напряжения) коммутационной функции.
Принята следующая классификация видов широтно-импульсной модуляции.

Рисунок 1.3
Зависимость первой и высших гармоник от относительной длительности импульса напряжения.
Модуляция длительности импульсов по синусоидальному закону.

Рис. 1.4. а – однополярная; б – двухполярная;
1. По модулируемому параметру различают одностороннюю и двухстороннюю широтно-импульсную модуляцию. При односторонней модулируется положение переднего или заднего фронтов импульсов, при этом соответственно задний и передний фронты импульсов следуют с неизменной тактовой частотой. При двусторонней модуляции в пределах такта изменяется положение обоих фронтов импульсов.
2. По отношению периода модулирующего сигнала к периоду тактов импульсной последовательности, т.е. по кратности частоты коммутации, различают ШИМ с целочисленной кратностью, рассмотренную выше, ШИМ с кратностью, выражаемой дробным рациональным числом, и ШИМ с кратностью, выражаемой иррациональным числом. При дробно-рациональной кратности период повторения модулированной последовательности импульсов, формирующих выходное напряжение инвертора, определится как такой наибольший период выходного напряжения, в котором укладывается целое число периодов модулирующего сигнала и периодов тактов. Этот период задает период нижней субгармоники в кривой выходного напряжения, т.е. гармоники с частотой ниже частоты модулирующего сигнала, которой определяется частота основной гармоники выходного напряжения.
3. По числу полярностей импульсов на длительности такта различают двухполярную модуляцию, когда такт образован совокупностью импульса положительной и отрицательной полярности (вторая диаграмма на рис. 1.4.), однополярную модуляцию, когда такт образуется импульсом одной полярности и паузой (первая диаграмма), и квазиоднополярную модуляцию, когда после импульсов одной полярности, приближающихся по длительности к предельно минимальной длительности, допустимой при практической реализации, следуют импульсы другой полярности неизменной длительности, равной предельно минимальной. Квазиоднополярная модуляция позволяет воспроизвести при широтно-импульсной модуляции сколь угодно малые величины выходного напряжения инвертора при наличии практических ограничений на минимальное время между коммутацией у реальных вентилей.
4. По форме модулирующего сигнала, задающего закон изменения длительностей импульсов на такте, а значит, и форму гладкой составляющей выходного напряжения, различают синусоидальный, треугольный, трапецеидальный, прямоугольный законы модуляции.
5. По способу однозначного определения конкретной длительности импульса на такте в функции непрерывного модулирующего сигнала различают ШИМ первого рода, когда длительность импульса зависит от значения модулирующего сигнала в некоторые фиксированные моменты времени, например в моменты начала импульса, ШИМ второго рода, когда длительность импульса обусловлена значением модулирующего сигнала в момент окончания модулируемого по длительности импульса, и ШИМ третьего и четвертого родов, когда длительность импульса определяется некоторой функциональной зависимостью от значения модулирующего сигнала в некоторой промежуточной точке на интервале импульса.
6. По числу уровней модуля обобщенного вектора напряжения трехфазного инвертора различают одноуровневые алгоритмы управления, реализуемые в классических трехфазных мостовых схемах инверторов, и многоуровневые алгоритмы управления, реализуемые в модифицированных схемах трехфазных инверторов.
Для оценки качества выходного напряжения инвертора при синусоидальной широтно-импульсной модуляции необходимо знать спектры напряжения. Теория спектров широтно-модулированных последовательностей импульсов первоначально получила развитие в радиотехнике, где исследовалась возможность построения мощных усилителей сигналов, работающих в режиме переключения модуляции, а также в теории связи, где изучалась возможность использования ШИМ для помехоустойчивой передачи сообщений. Был разработан эффективный метод нахождения спектров напряжений при широтно-импульсной модуляции, названный методом временной деформации. Технология применения этого метода достаточно проста. Сначала находят спектр немодулированной последовательности прямоугольных (или любой другой формы) импульсов. Затем в выражение для полученного спектра подставляют вместо регулируемого параметра (момента фронта импульса, длительности импульса) его принятый закон изменения во времени (закон модуляции). Полученное выражение приводят к виду, удобному для применения.
Таким образом, можно показать, что спектр напряжения при синусоидальной широтно-импульсной модуляции второго рода содержит помимо первой высшие гармоники, частоты которых [16]:
(1.4)
где к, l – равны целым числам.
При двухсторонней ШИМ в трехфазном инверторе в фазном напряжении инвертора (рис 1.6.) будут присутствовать только гармоники порядка п = kK>Т> ±l, где К>T> – кратность частоты коммутации, а k не кратно трем и отсутствуют комбинации, состоящие из двух нечетных либо четных чисел т и l рис. 1.5.
Реализация двухполярной ШИМ возможна в любой базовой схеме однофазного инвертора, а однополярная – только в полумостовой с нулевыми вентилями и мостовой схемах. Все эти схемы инверторов, выполненных на реальных вентилях, имеют общий недостаток, связанный с конечным временем выключения вентилей. При этом из вновь включаемого вентиля и выключаемого вентиля (транзистора) на время его выключения образуется цепь короткого замыкания источника входного напряжения и через транзисторы текут короткие импульсы больших сквозных токов, которые увеличивают потери и, если их не ограничить, в состоянии вывести транзисторы из строя. Поэтому в реальных системах между моментом запирания одного транзистора плеча моста и полумоста и моментом отпирания другого транзистора этого же плеча вводится «мертвая пауза», обычно порядка одной микросекунды [16].
Зависимость фазного напряжения трехфазного инвертора от высших гармоник.

Рисунок 1.5. Двухсторонний ШИМ в трехфазном инверторе

Рисунок 1.6 Индексная табличная ШИМ в автономном инверторе напряжения
В настоящее время массовым и перспективным стал автономный инвертор напряжения (АИН) с широтно-импульсной модуляцией (ШИМ).
В общем случае все виды ШИМ основаны на изменении длительности импульсов равной амплитуды, следующих через равные интервалы времени в соответствии с принятым законом формирования напряжения. Законы формирования, общие для любого метода модуляции, определяются функцией построения (модулирующим сигналом). На основании литературных данных целесообразно распределить разновидности ШИМ по степеням соответствия параметров импульсов значениям модулирующего сигнала согласно основным признакам (рис. 1.7). [4]
Следует отметить, что в связи с развитием методов формирования синусоидальных напряжений, трапецеидальная ШИМ уже почти вытеснена синусоидальной. Двуполярная ШИМ характеризуется постоянным действующим значением выходного напряжения, поэтому регулирование значения основной гармоники сопровождается перераспределением энергии в спектре. Однополярная ШИМ дает лучший гармонический состав, действующие значения напряжения при этом меньше, чем в двуполярном варианте.
Современные преобразователи строятся с использованием микроконтроллеров (МК), с помощью которых реализуется и ШИМ. В связи с этим вводится новый термин – тактовая частота ШИМ F>т>, которая определяется точностью аппроксимации несущего F>н> и модулирующего F>м> сигналов. Как правило, соотношения между ними выбираются следующими:
F>н> = n3F>м> (n=2, 3, 4,…) и F>т> = m2F>н> (m=3,4,5,…) (1.5)
Классификация видов ШИМ.
Реализация ШИМ на МК возможна двумя способами: традиционный (формирование выходных напряжений осуществляется в результате постоянного сравнения модулирующего и несущего сигналов) и табличный (полностью рассчитывается заранее и заносится в ПЗУ, из которого затем считывается).
При реализации ШИМ традиционным способом приходится использовать либо универсальные мощные микроконтроллеры, либо специализированные, относительно дорогие контроллеры. Реализация сложных алгоритмов ШИМ традиционным способом затруднена на универсальных МК большим объемом программы, а на специализированных – возможностями архитектуры конкретного типа МК. Специализированные МК, имеющие аппаратную поддержку ШИМ выпускаются такими фирмами как MOTOROLA, TEXAS INSTRUMENTS, и другими [5].

Рисунок 1.7
ШИМ – генераторы МК этого типа имеют от двух до шести независимых каналов и управляются несколькими программно доступными регистрами. ШИМ – генераторы позволяют реализовывать синхронизацию каналов, формирование «мертвого» времени, его компенсацию, выравнивание импульсов по фронту или по центру, встроенные защиты от неисправностей, некоторые другие функции. Частоту несущего сигнала можно регулировать от 8 МГц до 125 Гц. В последнее время вместо встроенных ШИМ – генераторов микроконтроллеры оснащаются более универсальными средствами, которые, в том числе, реализуют и алгоритмы ШИМ. В контроллерах MOTOROLA это так называемый таймерный сопроцессор TPU (Timer Processor Unit). Имеется в виду многоканальный таймер с очень гибкой схемой управления, полуавтономной от ядра контроллера. Программирование TPU осуществляется либо полностью, либо с использованием стандартных подпрограмм, в числе которых имеется и ШИМ с аналогичными указанным выше параметрами. Все перечисленные МК ориентированы на реализацию двуполярной ШИМ которая, как указывалось, не позволяет получить наилучший гармонический состав выходного напряжения. [6]
Достоинства табличного способа заключаются в том, что он позволяет реализовать любые алгоритмы ШИМ с высокой несущей частотой с помощью микроконтроллеров, весьма бедных в функциональном отношении. Тем не менее, этот способ не нашел широкого применения из-за следующих причин.
Обычно табличная ШИМ подразумевает поочередное считывание с частотой F>т> того из массивов ПЗУ, который в настоящий момент соответствует заданным выходным параметрам. В результате, для реализации такой табличной ШИМ необходимо не менее 64 кБ (F>м>max = 60 Гц; диапазон регулирования (0.5–120)% дискретность регулирования примерно 0.5%). Этим практически исчерпываются возможности дешевых 8 разрядных МК. [6]
Еще одна трудность – плавное регулирование тактовой частоты ШИМ при изменении частоты модулирующего сигнала. Здесь, как правило, применяется управляемый напряжением генератор, либо целочисленный 16 разрядный предварительный делитель, сигнал с которого вводится в МК.
Предлагается новый способ табличной реализации ШИМ, свободный от указанных недостатков – «индексная» табличная ШИМ, которая реализуется по следующим принципам.
Сначала составляется нумерованный массив с допустимыми сочетаниями состояний вентилей АИН. Назовем его массивом состояний. Затем обычным способом рассчитываются массивы для всех частот модулирующего сигнала. После этого в каждом массиве, соответствующем конкретной частоте F>м>, сохраняются только строки (с сохранением исходной нумерации), в которых происходит переключение, все остальные строки удаляются. Из этих «сокращенных» массивов составляются индексные массивы, которые содержат номера шагов (периода тактовой частоты ШИМ на периоде модулирующего сигнала), на которых происходят переключения и соответствующий индекс массива состояний. Индексные массивы и массив состояний записываются в ПЗУ, после чего ШИМ осуществляется обычным способом.
Алгоритм работы предлагаемой ШИМ приведен на рис. 1.8.
Р
исунок
1.8. Алгоритм работы индексной ШИМ
Индексно-табличная реализация ШИМ требует существенно меньшего объема памяти, чем традиционная. Например, для получения указанных выше параметров (F>м>max = 60 Гц; диапазон регулирования (0.5–120)% дискретность регулирования примерно 0.5%) индексная ШИМ требует менее 11 кБ. Экономия объема памяти позволяет довести соотношение F>т>/F>н> до 40 (тактовая частота ШИМ F>т> примерно 48кГц) и, тем самым, увеличить точность аппроксимации несущего и модулирующего сигнала не менее, чем в 4 раза. [7]
Таким образом, предлагаемая индексно – табличная ШИМ позволяет получить высокие показатели АИН, используя дешевые 8 разрядные микроконтроллеры. Тем более, все резервы этого класса МК еще не использованы, т. к. выпускаемые сейчас высокоскоростные модификации МК семейства MCS 51 (например, 80C3x0 фирмы DALLAS SEMICONDUCTOR) работают в 8.25 раза быстрее младших моделей этого семейства (КР1830ВЕ31).
2. Разработка системы управления
2.1 Описание схемы управления
Структурная схема системы управления гелеоисточника изображена на рис. 2.1., на рис. 2.2 – схема электрическая принципиальная. Блоком управления (БУ) системы управления является микроконтроллер Motorola МС3РНАС, рис. 2.3, основные параметры микросхемы сведены в таблицу 2.1. Микросхема имеет встроенный модуль трехфазного ШИМ, для управления шестью ключевыми элементами, также есть 4 х канальный АЦП, и последовательный интерфейс необходимый при режиме управления микроконтроллером с ПК. Модуль трехфазного ШИМ генерирует 6 ШИМ сигналов для задания выходного напряжения и частоты.
Таблица 2.1. Основные параметры микросхемы МС3РНАС
|
№ |
Название параметра. |
Значение и единица измерения |
|
1. |
Напряжение питания |
5 В 10% |
|
2. |
Рабочая частота кварцевого генератора |
4 МГц 1% |
|
3. |
Частота ШИМ |
5,291 – 21,164 кГц |
|
4. |
Задержки переключений |
0 – 31,875 мкс |
|
5. |
Рабочая температура |
– 40 – 1050 С |
Назначение выводов МК[1]:
1. V>ref> – эталонное напряжение. Соединяется с V>DDA> для лучшего соотношения сигнал/шум.
2. RESET – вход сброса. Низкий логический уровень сигнала на этом входе переводит все PWM выхода в высокоимпедансное состояние. Также данный вход может быть использован для сброса ошибки (например: низкий уровень V>DD>, ошибки времени, подача на вход FAULT_IN сигнала высокого уровня).
3. V>DDA> – питание внутренних генераторов.
4. V>SSA> – питание внутренних генераторов. 5 и 6 – вывода подключения кварцевого генератора.
7. PLLCAP – вывод подключения помехозащитного конденсатора. Малое значение емкости позволяет быстро формировать f эталонную. Большие значения позволяют улучшить стабильность. Значение емкости конденсатора 0,1 мкФ является типовым и рекомендовано производителем.
8. PWMPOL_BASEFREQ – вход задания базовой частоты и полярности ШИМ. 9 – 14 – выхода формирователя ШИМ.
15. FAULTIN – вход ошибки. При высоком логическом уровне сигнала на входе мгновенно отключаются PWM выхода. Включаются PWM выхода только после появления на входе сигнала низкого логического уровня.
16. PWMFREQ_RxD – в автономном режиме эта ножка используется для задания частоты ШИМ.
17. RETRY_TxD – выход управления ключом промежуточного контура.
18. RBRAKE – выход управления ключом промежуточного контура, для сброса энергии.
19. FAULTOUT – данный вывод используется для индикации ошибки.
20. VBOOST_MODE – вывод задания режима работы МК. Высокий логический уровень – автономный режим работы, низкий – режим работы с ПК.
21. V>DD> – напряжение питания, +5V.
22. Vss – вывод земли.
2
3. FWD – вход
задания направления вращения двигателя.
2
4. START –
вход включения.







Микроконтроллер Motorola МС3РНАС.
Рисунок 2.2
25. MUX_IN – в автономном режиме является входом регулирования коэффициента заполнения.
26. SPEED – задание частоты вращения двигателя.
27. ACCEL – вход, влияющий на разгон двигателя.
28. DC_BUS – вход для отслеживания напряжения промежуточного контура.
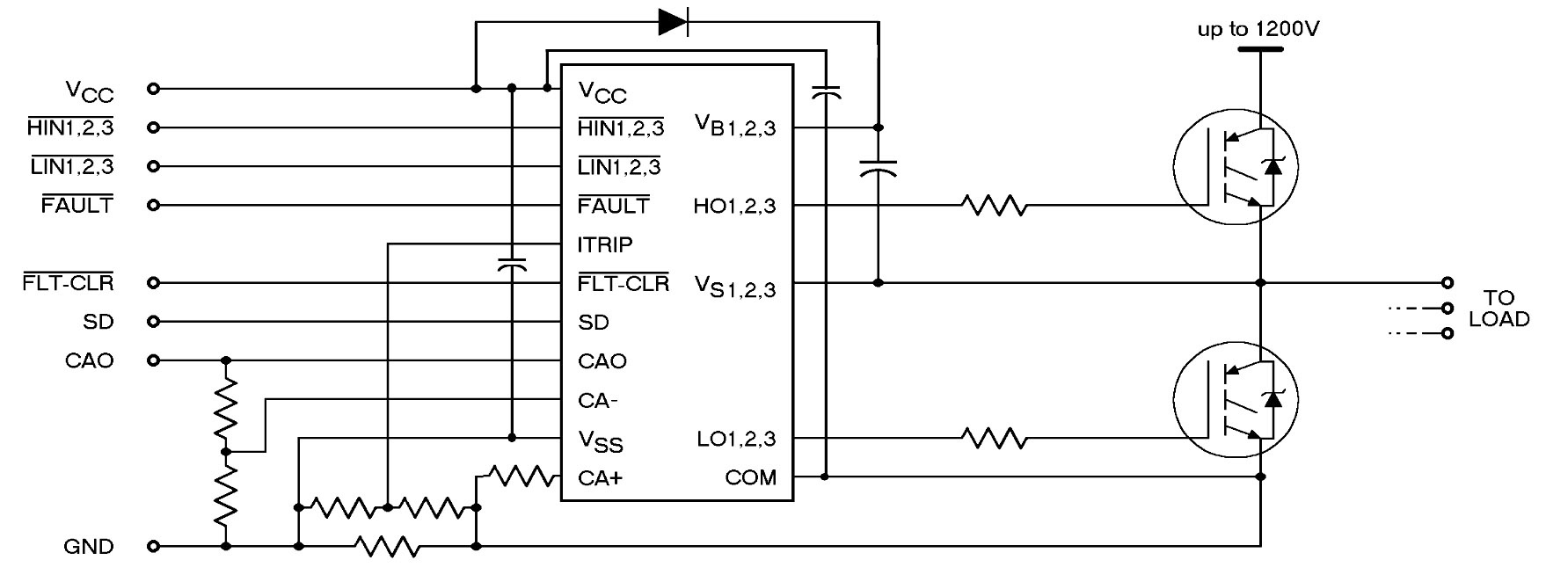
Как видно из рис. 1 схема управления состоит из следующих блоков. Блок задания (БЗ) для задания выходных параметров сигнала. Через делители напряжения на соответствующие входы задания БУ задаются полярность, частота выходного сигнала, а также частота ШИМ. Согласно заданным параметрам на выходах ШИМ формируются сигналы, которые далее поступают на драйвер (Д). Драйвером является микросхема IR2135, типовая схема подключения изображена на рис. 2.4, структурная схема изображена на рис. 2.5., основные параметры приведены в таблице 2.2 [2].
Таблица 2.2. Основные параметры микросхемы IR2135
|
№ |
Название параметра. |
Значение и единица измерения |
|
1. |
Напряжение питания |
12 В |
|
2. |
Максимальное коммутируемое напряжение |
1200 В |
|
3. |
Выходной ток |
200 – 420 мА |
|
4. |
Выходное напряжение |
10 – 20 В |
|
5. |
Время переключений (типовое) |
700 нс |
|
6. |
Рабочая температура |
-55 – 1050 С |
Описание выводов микросхемы IR2135:
HIN 1,2,3 – логические входа (вывода 22,23,24) ключей высокого уровня.
НО 1,2,3 – логические выхода (вывода 13,16,19) ключей высокого уровня.
LIN 1,2,3 – логические входа (вывода 25,26,27) ключей низкого уровня.
LO 1,2,3 – логические выхода (вывода 9,10,11) ключей низкого уровня.
F
AULT
– выход ошибки (вывод 28).
V>СС> – напряжение питания (вывод 21).
ITRIP – вход токовой защиты (вывод 1).
FLT-CLR – вход сброса ошибки (вывод 2).
SD – логический вход выключения.
САО – выход усилителя тока.
СА– – инверсный вход усилителя тока.
СА+ – неинверсный вход усилителя тока.
М
икросхема
имеет вход токовой защиты ITRIP рис. 2
(ВТЗ, рис. 1) и выход ошибки FAULT
рис. 2.2 (ВыхО, рис. 2.1). При срабатывании
токовой защиты (сигнал снимается с
датчика тока ДТ, рис. 2.1) микросхема
переводит все выхода в высокоимпедансное
состояние и работа схемы приостанавливается,
на выходе ошибки появляется логический
сигнал высокого уровня. Сбрасывается
ошибка путем подачи на вход FAULT-CLR
(рис. 2.2) логического сигнала низкого
уровня.
После драйвера сигнал поступает на силовые модули (СМ рис. 2.1), а затем на нагрузку (Н рис. 2.1). В блоке силовых ключей встроен датчик температуры (ДТР рис. 2.1), который останавливает работу схемы при превышении допустимой температуры, сигнал поступает на вход ошибки FAULT_IN (рис. 2.2) (ВО БУ (рис. 2.1)).
Датчики напряжения ДН (рис. 2.1) и блок обработки выходного сигнала (БОВС рис. 2.1) вместе являются обратной связью. Сигнал обратной связи принимается на вход регулирования выходного напряжения, путем изменения напряжения на входе аналогово-цифрового преобразователя (АЦП) (рис. 2.1). Все блоки в схеме питаются от блока питания (БП рис. 2.1). Схема блока питания (рис. 2.6) была заимствована с разработки блока питания используемого в автоматизированном электроприводе фирмы «Relains». Для данной схемы ниже рассчитан трансформатор.
Схема управления работает следующим образом. Включается система управления кнопкой S1 (рис. 2.2). БЗ задает параметры выходных импульсов БУ.
На выходах ВШ БУ формируются импульсы управления силовыми ключами. Однако широтно-модулированные импульсы задается относительно общего проводника схемы. Для ключевого транзистора нижнего уровня этого вполне достаточно, сигнал можно непосредственно подавать на затвор (базу), так как исток (эмиттер) связан с общим проводом. Если транзистор нижнего уровня находится в закрытом состоянии, a верхнего уровня открыт, на истоке транзистора верхнего уровня присутствует напряжение питания U>n>. Поэтому для управления транзисторами верхнего уровня необходима гальванически развязанная с общим проводом схема, которая четко будет передавать импульсы схемы управления не внося в нее искажений. Микросхема IR2135 решает эту проблему, имея отдельно выхода управления ключевыми транзисторами нижнего и верхнего уровней, а также защищает силовые ключи от таких эффектов как скорость нарастания тока, скорость нарастания напряжения и сквозных токов [2].
Датчики обратной связи контролируют выходное напряжение, далее сигналы поступают на БОВС. С помощью датчиков напряжения и БОВС схема управления поддерживает выходное напряжение инвертора в заданных пределах. При просадке выходного напряжения, если это не короткое замыкание в нагрузке, напряжение на выходе датчиков упадет, а на выходе БОВС увеличится, следовательно, увеличится напряжение на входе БУ (ВхАЦП). Данное напряжение регулирует коэффициент заполнения ШИМ, от которого зависит выходное напряжение инвертора. Как только напряжение на входе ВхАЦП увечится, то возрастет выходное напряжение. Время срабатывания датчика напряжения составляет 0,3 мкс, что гораздо меньше величины периода выходного напряжения.
2.2 Расчет элементов схемы системы управления
Для каскада на операционном усилителе DD 1.4. определили из соотношения 2.1 значения сопротивлений R34, R44, R35 исходя из условия, что коэффициент усиления K>u>=10, а сопротивления R34 = R35.
Приняли равными:
R44 = 100 Ом;
R34 = R35 = 1 кОм [14];
Каскад на операционном усилителе DD 4.4 вместе с резисторами R45, R46, R57, R58 является сумматором, складывает выходной сигнал с каскадов на DD 1.4, DD 4.1, DD 4.2, DD 4.3. Для определения значений сопротивлений воспользовались условием равенства R45 = R46 = R57 = R58 и соотношением [13]:
1/R52 = 1/R45 + 1/R46 + 1/R57 + R58 (2.2.)
Приняли равными:
R45 = R46 = R57 = R58 = 1 кОм;
R52=250 Ом [14];
Значения резисторов R38, R49, R50, R51 приняли равными 10 кОм.
Операционные усилители выбрали TL084ACN (4 в одном корпусе), основные параметры свели в таблицу 2.3 [12].
Таблица 2.3. Основные параметры операционного усилителя TL084АСN
|
№ |
Название параметра. |
Значение и единица измерения |
|
1. |
Напряжение питания |
3,5… 18 В |
|
2. |
Входной ток |
0,05 нА |
|
3. |
Коэффициент усиления |
70 Дб |
|
4. |
Входное сопротивление |
1000000 МОм |
|
5. |
Тип корпуса |
DIP 14 |
Также для каскадов на DD1.1, DD1.2 и DD 1.3 по формулам 2.1, 2.2 определи значения сопротивлений R1 – R6, R10, R17 – R19, R28 – R29.
Получили значения:
R1 = 3 кОм;
R2 = R4 = R6= R7 = R8 = R9 = R19 = R20 = R31 = 10 кОм;
R3 = R5 = R10 = R21 = R30 = 1 кОм; [14]
Диоды VD1 – VD3 в обвязке драйвера приняли HFA25PB60, (из описания на микросхему IR2135). Значения номиналов конденсаторов С1 – С5 также приведены производителем в документации [2].
Получили значения емкостей конденсаторов:
С1 = С2 = 47 мкФ;
С3 = С4 = С5 = 0,1 мкФ [15];
Для микросхемы Motorola MC3PHAC из документации были взяты номиналы элементов для автономного режима для задания требуемых выходных параметров. Выходная частота инвертора 50 Гц, частота ШИМ 5,3кГц. Микросхема позволяет задавать частоту ШИМ до 20 кГц однако, при ее увеличении значительно возрастают потери в силовых ключах. Выбранные IGBT – транзисторы позволяют работать на заданной (5,3 кГц) частоте, при минимальных потерях на переключение. Частота ШИМ задается напряжением на входе PWMFREQ/FxD [1].
Значения элементов в обвязке микросхемы МС3РНАС:
Резисторы:
R11 = R23 = R24 = R28 = 10 кОм;
R12 – R18 = 56 Ом;
R22 = R26 = R32 = 4,7 кОм;
R27 = R29 = R36 = R41= 1 кОм;
R37 = R40 = R42 = 3 кОм [14];
Конденсаторы:
С6 = С7 = 0,1 мкФ;
С8 = С9 = 0,22 мкФ [15];
Кварцевый генератор НС 49 с частотой импульсов 4 МГц.
Кнопка без фиксации SB1 – B170H;
Кнопка с фиксацией S1 – PS850L;
Светодиод VD4 – КИПД 24 А-К;
Блок питания системы управления питает микросхемы управления, драйвера, операционные усилители, а также датчики напряжения и тока. Исходя из этого блок питания должен обеспечивать следующие выходные напряжения: 15 В; +12 В; +5 В. Блок питания разработанный фирмой «Relainse» для питания электроники управления электроприводом подходит для питания элементов системы управления гелеоисточника. Схема электрическая принципиальная показана на рис. 6. Блок питания построен по схеме двухтактного импульсного (ключевого) источника питания. Это современные источники питания с высоким КПД. Традиционные линейные источники питания с последовательным регулирующим элементом сохраняют постоянное выходное напряжение при изменении входного напряжения или тока нагрузки благодаря изменению своего сопротивления. Линейный регулятор(стабилизатор) поэтому может быть очень неэффективным. Импульсный источник питания, однако, использует высокочастотный ключ (транзистор) с переменными величинами включенного-выключенного состояний, чтобы стабилизировать выходное напряжение. Пульсации выходного напряжения, вызванные ключевым режимом, отфильтрованы LC фильтром. Для данного блока питания рассчитали трансформатор TV2, с требуемыми выходными параметрами. Режим работы трансформатора отличается от режима работы, например, в выпрямительных устройствах, силовых цепях синусоидального напряжения. Напряжение, приложенное к первичной обмотке, имеет прямоугольную форму. Расчетные соотношения с учетом основные допущений [8]:
1) скорость перемагничивания сердечника постоянна;
2) дополнительные потери в первичной обмотке, вызванные намагничивающим током, не учитываются;
3) оптимальным является сочетание конструктивных данных, при котором отношение потерь мощности в каждой из обмоток к мощности, передаваемой через нее одинаково;
4) удельное сопротивление обмоток, расположенных вблизи и вдали от зон повышенного нагрева, считается одинаковым.
Исходные данные для расчета:
совокупность чисел, характеризующих фазность обмоток: m>1>=2, m>2>=3;
напряжение, подключённое к вторичной обмотке: U>21>=15 В; U>22>=5; U>23>= 12
мощность: P>2>=60 Вт;
электродвижущая сила (ЭДС) прикладываемая к первичной обмотке: E1=600 B;
частота коммутаций силовых ключей: f=30 кГц;
температура окружающей среды: То=20 оС;
максимально допустимая относительная величина тока намагничивания:
I>m>> >>max><=0.2;
максимально допустимая температура наиболее нагретой точки трансформатора: T>т >>max>=130 оС;
коэффициент теплоотдачи: =1.210-3 Вт/(см2 К);
коэффициент полезного действия (КПД): =0.9.
максимальный коэффициент заполнения окна сердечника обмотки: >0 >>max>=0.7.
Расчёт ориентирован преимущественно на проектирование трансформаторов тороидальной конструкции и состоит из двух частей: оценочного и конструктивного.
Целью оценочного расчета является определение основных параметров трансформатора, выполненного на кольцевом сердечнике разных типоразмеров их стандартного ряда.
Для работы на частоте от 10 кГц и выше в качестве материала сердечника применяются ферриты 2000НМ 1, 1500НМ 1 и др. Выбирали марку сердечника. Для этого построили зависимости удельных потерь мощности в сердечнике от перепада индукции В в нём:
(2.3)
где Р>с >- потери мощности в сердечнике, Вт;
V>c>> >- объём сердечника, м3.
Использовали выражение:
(2.4)
где f – заданная частота, кГц;
В-изменение магнитной индукции в сердечнике трансформатора за ту часть периода Т/2, когда это изменение происходило в одном направлении, Тл;
H>co>, dH>c>/dB>m>, R>в> – величины найденные по таблице 2.4.
По формуле (2.4.) рассчитали для каждого материала зависимость Р>с.уд.> от В в виде таблицы, задаваясь последовательно значениями:

где N – целое число;
х = 0,1.. 0,2;
Bm – амплитудное значение магнитной индукции, Тл (табл. 2.4).
Данные для расчета взяли из таблицы 2.4 [8]:
Таблица 2.4. Параметры аппроксимирующих выражений, описывающих магнитные свойства ряда ферримагнетиков
|
№ пп |
Тип фер. |
B, Тл |
||||||
|
H>co>, A/m |
dH>c>/dB>m> A/(mТл) |
DH>0>/dB>m>, A/(mТл) |
H>0>, A/mH>0>, A/m |
B>m2>, Тл |
|
R>В> коМ/м |
||
|
1. |
6000НМ |
6.4 |
0 |
48.3 |
776 |
0.355 |
15 |
4.4 |
|
2. |
4000НМ |
1.06 |
8 |
80 |
758 |
0.38 |
16 |
26 |
|
3. |
3000НМ |
3.68 |
16 |
94.4 |
755 |
0.37 |
20 |
31 |
|
4. |
2000НМ |
1.2 |
40 |
164 |
719 |
0.39 |
12 |
56 |
|
5. |
2000НМ1 |
7.2 |
40 |
160 |
725 |
0.34 |
7 |
63 |
|
6. |
1500НМ2 |
0 |
65.4 |
240 |
699 |
0.33 |
10 |
180 |
|
7. |
1500НМ3 |
6.77 |
37 |
212 |
699 |
0.38 |
10 |
180 |
|
8. |
1000НМ3 |
20 |
0 |
250 |
715 |
0.258 |
10 |
280 |
|
9. |
700НМ |
0 |
75.4 |
844 |
749 |
0.4 |
2 |
1000 |
Для материала 6000 НМ:
H>co>> >= 6.4 А/м,
dH>c>/dB>m>> >= 0 А/(мТл),
R>в >= 4,4 кОм/м.
x = 0.15
Подставляя числовые значения в (2.3.) получилипри В = 0 Тл
Р>с.уд.>=0 Вт/м3
при В=0,1 Тл

Р>с.уд.>= 38,4 Вт/м3,
при В=0,2 Тл

Р>с.уд.>= 76,8 Вт/м3, и т.д.
Аналогично рассчитали зависимости Р>с.уд.>(В) для других материалов результаты вычислений занесли в таблицу 2.5.
Таблица 2.5. Рассчитанные значения Р>с.уд.>, Вт/м3.
|
Тип фер. |
B, Тл |
|||||||
|
0 |
0,1 |
0,2 |
0,3 |
0,4 |
0,5 |
0,6 |
0,7 |
|
|
6000НМ |
0 |
38,4 |
76,8 |
115,2 |
153,7 |
192,2 |
230,7 |
269,2 |
|
4000НМ |
0 |
8,7 |
22,3 |
40,7 |
63,8 |
91,8 |
124,6 |
162,2 |
|
3000НМ |
0 |
26,8 |
63,3 |
109,4 |
165,1 |
230,4 |
305,3 |
389,8 |
|
2000НМ |
0 |
19,2 |
62,4 |
129,6 |
220,8 |
336,1 |
475,2 |
638,4 |
|
2000НМ1 |
0 |
55,2 |
134,4 |
237,6 |
164,8 |
516,1 |
691,2 |
890,4 |
|
1500НМ2 |
0 |
19,6 |
78,5 |
176,6 |
313,9 |
490,5 |
706,3 |
961,3 |
|
1500НМ3 |
0 |
51,7 |
125,6 |
221,7 |
340,1 |
480,6 |
643,3 |
828,2 |
|
1000НМ3 |
0 |
120 |
240 |
360 |
480 |
600 |
720 |
840 |
|
700НМ |
0 |
22,6 |
90,5 |
203,6 |
361,9 |
565,5 |
814,3 |
1108,4 |
По данным таблицы 2.5. построили графики (рис. 2.8).
Анализируя график, увидели, что наименьшими удельными потерями в заданных условиях обладает материал 4000 НМ. Следовательно, выбрали для нашего сердечника материал 4000 НМ.
Определили типоразмеры сердечника в стандартном ряде размеров, начиная с которых сердечники пригодны для изготовления трансформатора с заданными параметрами. При этом мы приняли коэффициент укладки λ>0>=0,7. Для этого взяли два любых размера сердечника [9], например К10х6х3 и 2К20х12х6, из стандартного ряда размеров сердечников и нашли для них зависимость Р>выхмакс> от объёма этих сердечников V>т>.
Рассчитали объём V>c> кольцевого сердечника [8]:
;
(2.5)
где D>c>=10∙10-3 - внешний диаметр кольцевого сердечника К10х6х3, в м;
d>c>=6∙10-3-внутренний диаметр кольцевого сердечника К10х6х3, в м;
h>c>=3∙10-3 - высота кольцевого сердечника К10х6х3, в м;
π=3,14 – константа.
V>c>=0,25∙3,14∙(10∙10-3-6∙10-3)
3∙10-3=1.508∙10-7 м3
Аналогично рассчитали объём сердечника с размерами 2К20х12х6. Полученное значение объёма занесли в таблицу 2.6.
Таблица 2.6. Объём выбранного сердечника
|
Типоразмер сердечника |
Искомая величина, м3 |
|
К10х6х3 |
1.508∙10-7 |
|
2К20х12х6 |
2.443∙10-6 |
Определили максимальную мощность потерь на единицу поверхности сердечника [8]:
,
Вт, (2.6)
Рис 2.8.
где α=14 – коэффициент теплоотдачи, в Вт/(м∙К);
π=3,14 – константа;
Т>Т >макс = 130 максимальная температура трансформатора, в oC;
S>T>= 3.27∙10-4 – площадь поверхности сердечника c размерами К10х6х3, берётся из справочника, в м2.
Аналогично расчёт произвели для сердечника с размерами 2К20х12х6. Значение максимальной мощности потерь для данного размера сердечника занесли в таблицу 2.7.
Таблица 2.7. Максимальная мощность потерь сердечника
|
Типоразмер сердечника |
Искомая величина |
|
К10х6х3 |
0.925 |
|
2К20х12х6 |
4.891 |
Определили оптимальную магнитную индукцию насыщения ΔB>опт>:
(2.7)
где V>c>=
-
объём сердечника с размерами К10х6х3, в
м3;
с>1>=f∙H>co>=30000∙1,2=3,6∙104;
с>2>=30000∙40+(2∙30000)2/56000 = 2,179
R>в>=56000 – удельное сопротивление материала 2000 НМ, в Ом.
=3,6∙104/2,179∙106+((3,6∙104/2,179∙106)+/0,925/2∙2,179∙106∙1,508∙10-7)0,5=1,159
Тл
Аналогичный расчёт произвели для сердечника с размерами 2К20х12х6. Значение оптимальной магнитной индукции насыщения ΔB>опт> для данного размера сердечника занесли в таблицу 2.8.
Таблица 2.8. Оптимальная магнитная индукция насыщения ΔB>опт>
|
Типоразмер сердечника |
Искомая величина, Тл |
|
К10х6х3 |
1,159 |
|
2К20х12х6 |
0,58 |
Из таблицы видно, что ΔB>опт> для сердечника К10х6х3 равна 1,159 Тл, что выше максимальной магнитной индукции материала (0,78 Тл), поэтому приняли эту величину равной 0,78 Тл, и дальнейшие расчёты вели для неё.
Нашли потери мощности P>c> в сердечнике c размерами К10х6х3:
Р>с>=Р>с.уд>. (ΔB>опт>)∙V>c>=3.066∙106 ∙1.508∙10-7=0.462, Дж (2.8)
где
Р>с.уд>. (ΔB>опт>)= 3.066∙106 – удельные потери в магнитопроводе при ΔB=ΔB>опт>, в Дж/м3;
V>c>=1.508∙10-7 – объём сердечника с данными размерами, в м3.
Аналогичный расчёт произвели для сердечника с размерами 2К20х12х6. Значение потери мощности потерь P>c> в сердечнике для данного размера занесли в таблицу 2.9.
Таблица 2.9. Потери мощности P>c> в сердечнике
|
Типоразмер сердечника |
Искомая величина, Вт |
|
К10х6х3 |
1.419∙105 |
|
2К20х12х6 |
8.025∙105 |
Для найденных значений В>опт> определили амплитудное значение напряжённости магнитного поля Н>m>. Для этого использовали данные таблиц 2.4, 2.6 и следующую формулу [8]:
, (2.9)
В=В>опт> – оптимальная магнитная индукция намагничивания из табл. 2.8
Для сердечника К20
10
5
получили следующий результат:
796
А/м.
Аналогичный расчёт произвели для сердечника с размерами К10х6х3. Все полученные результаты сведены в таблицу 2.10.
Таблица 2.10. Амплитудное значение напряжённости магнитного поля Н>m>
|
Типоразмер сердечника |
Искомая величина, А/м |
|
К10х6х3 |
796,084 |
|
2К20х12х6 |
80,801 |
Рассчитали мощность сердечника с учётом температурной поправки:
,
в Вт; (2.10)
где
=
Вт/(А∙Гц)
– из справочника для сердечника К10х6х3;
Аналогичный расчёт произвели для сердечника с размерами 2К20х12х6. Полученные значения занесли в таблицу 2.11.
Таблица 2.11. Мощность сердечника с учётом температурной поправки
-
Типоразмер сердечника
Искомая величина, Вт
К10х6х3
2.033∙10 -6
2К20х12х6
1,818∙10 -4
Нашли величину относительных потерь мощности в обмотках δ [8]:
(2.11.)
Рассчитанные значения занесли в таблицу 2.12.
Таблица 2.12. Величина относительных потерь мощности в обмотках
|
Типоразмер сердечника |
Искомая величина |
|
К10х6х3 |
0.03 |
|
2К20х12х6 |
6.018∙10 -4 |
Определили относительную величину амплитуды тока намагничивания[8]:
, (2.12)
где – величина относительных потерь мощности в обмотках, рассчитывается по формуле 2.11;
Р>вых> – мощность, которая может быть передана в нагрузку, Вт;
Р>с> – потери мощности в сердечнике при данном ΔВ, Вт.
Полученные значения занесли в таблицу 2.13.
Таблица 2.13. Относительная величина амплитуды тока намагничивания
|
Типоразмер сердечника |
Искомая величина |
|
К10х6х3 |
0,151 |
|
2К20х12х6 |
0,182 |
Из справочника нашли объем трансформатора с размерами сердечника К10х6х3 и 2К20х12х6 при λ>0>=0,7:
Таблица 2.14. Объём трансформатора
|
Типоразмер сердечника |
Искомая величина, см3 |
|
К10х6х3 |
0,56 |
|
2К20х12х6 |
6,85 |
Рассчитали максимальную выходную мощность сердечника с данными размерами:
(2.13)
=
(2·2,033·106·(30000·0,76)2·(0,925–0,462)/2+1)0,5=
30,8 Вт
Полученные значения занесли в таблицу 2.15.
Таблица 2.15. Максимальная мощность даваемая трансформатором в нагрузку
|
Типоразмер сердечника |
Искомая величина, Вт |
|
К10х6х3 |
30.8 |
|
2К20х12х6 |
499.3 |
По данным таблиц 2.13 и 2.14 построили по двум точкам с координатами (P>выхмакс>; V>т>) зависимость P>выхмакс >от V>т> на рис. 2.9.
По заданной мощности с графика сняли значение объёма трансформатора V>т>, V>т>=1,2 см3.
Нашли интервал объёмов, в котором может находиться наш сердечник:
V>т.макс>= V>т>+0.4∙ V>т>=1,68 см3; V>т.мин>= V>т>-0.4V>т>=0,72 см3.
По найденному интервалу нашли по справочнику типоразмеры сердечников, объёмы которых лежат в найденном интервале: 2K10x6x3, К12x5x5.5, 2K12x8x3, K16x10x4.5. Из найденных типоразмеров сердечников выбрали наиболее подходящий нашему трансформатору [9].
Используя значения S>т> при о=0.1; 0.3; 0.5; 0.7 для выбранных материалов определили зависимости P>т.макс >= f(о) по формуле 2.6. Результаты вычислений сведены в таблицу 2.16.
Таблица 2.16. Значение P>т.макс>, Вт
|
Значение >о> |
Типоразмер сердечника |
|||
|
2K10x6x3 |
К12x5x5.5 |
2K12x8x3 |
K16x10x4.5 |
|
|
0.1 |
0,874 |
1,151 |
1,094 |
1,476 |
|
0.3 |
0,99 |
1,23 |
1,295 |
1,773 |
|
0.5 |
1,105 |
1,306 |
1,496 |
2,067 |
|
0.7 |
1,221 |
1,385 |
1,696 |
2,367 |
Далее пользуясь формулами нашли зависимость P>с>=f(B) для всех выбранных типоразмеров сердечников.
Нашли потери в обмотках, где находится по формуле 2.11, а P>c> определили с учетом формул 2.5 и 2.8 для каждого значения B и о
(2.14)
Рассчитали потери в трансформаторе для каждого значения и о для всех выбранных типоразмеров сердечников по формуле:
(2.15)
Рассчитанные значения P>т>, P>o>, P>c>, для выбранных типоразмеров сердечников занесены в таблицы 2.17 – 2.20.
Таблица 2.17. Значение величин для сердечника 2K10x6x3
|
Значение >о> |
Значение B Тл |
Значения величин |
|||
|
Р>с>, Вт |
|
Р>о>, Вт |
Р>т>, Вт |
||
|
0.1 |
0,78 |
0,428 |
0,066 |
8,216 |
8,643 |
|
0,624 |
0,278 |
0,108 |
13,737 |
14,016 |
|
|
0,468 |
0,161 |
0,217 |
28,05 |
29,01 |
|
|
0,312 |
0,075 |
0,761 |
45 |
45 |
|
|
0,156 |
0,022 |
1,49 |
126,23 |
126,3 |
|
|
0.3 |
0,78 |
0,428 |
0,022 |
2,696 |
3,214 |
|
0,624 |
0,278 |
0,035 |
4,298 |
4,577 |
|
|
0,468 |
0,161 |
0,065 |
8,026 |
8,187 |
|
|
0,312 |
0,075 |
0,163 |
21,166 |
21,241 |
|
|
0,156 |
0,022 |
1,869 |
434,053 |
439,074 |
|
|
0.5 |
0,78 |
0,428 |
0,014 |
1,692 |
2,12 |
|
0,624 |
0,278 |
0,022 |
2,674 |
2,953 |
|
|
0,468 |
0,161 |
0,04 |
4,897 |
5,058 |
|
|
0,312 |
0,075 |
0,096 |
12,108 |
12,183 |
|
|
0,156 |
0,022 |
0,625 |
98,427 |
98,449 |
|
|
0.7 |
0,78 |
0,428 |
0,011 |
1,285 |
1,713 |
|
0,624 |
0,278 |
0,017 |
2,024 |
2,302 |
|
|
0,468 |
0,161 |
0,03 |
3,677 |
3,838 |
|
|
0,312 |
0,075 |
0,071 |
8,873 |
8,948 |
|
|
0,156 |
0,022 |
0,399 |
57,445 |
57,466 |
По данным таблицы для каждого значения >о> построили зависимость P>o>(B), Р>с>(B), Р>т>(B) для >о>=0,1 рис. 2.10, >о>=0,3 рис. 2.11, >о>=0,5 рис. 2.12, >о>=0,7 рис. 2.13.
Графики зависимости Р>о>, Р>с>, Р>т> от величины магнитной индукции при λ>о>=0,1.


Рис. 2.10
Графики зависимости Р>о>, Р>с>, Р>т> от величины магнитной индукции при λ>о>=0,3.


Рис. 2.11
Графики зависимости Р>о>, Р>с>, Р>т> от величины магнитной индукции при λ>о>=0,5.


Рис. 2.12
Графики зависимости Р>о>, Р>с>, Р>т> от величины магнитной индукции при λ>о>=0,7.


Рис. 2.13.
Таблица 2.18. Значение величин для сердечника 2K12x8x3
|
Значение >о> |
Значение B Тл |
Значения величин |
|||
|
Р>с>, Вт |
|
Р>о>, Вт |
Р>т>, Вт |
||
|
0.1 |
0,78 |
0,535 |
0,036 |
4,445 |
4,98 |
|
0,624 |
0,348 |
0,058 |
7,188 |
7,536 |
|
|
0,468 |
0,201 |
0,11 |
13,894 |
14,096 |
|
|
0,312 |
0,094 |
0,301 |
41,615 |
41,709 |
|
|
0,156 |
0,027 |
5,9 |
1389 |
1389,1 |
|
|
0.3 |
0,78 |
0,535 |
0,013 |
1,541 |
2,076 |
|
0,624 |
0,348 |
0,02 |
2,431 |
2,779 |
|
|
0,468 |
0,201 |
0,036 |
4,436 |
4,637 |
|
|
0,312 |
0,094 |
0,087 |
10,861 |
10,955 |
|
|
0,156 |
0,027 |
0,53 |
81,484 |
80,511 |
|
|
0.5 |
0,78 |
0,535 |
0,008 |
0,994 |
1,529 |
|
0,624 |
0,348 |
0,013 |
1,561 |
1,909 |
|
|
0,468 |
0,201 |
0,023 |
2,818 |
3,019 |
|
|
0,312 |
0,094 |
0,054 |
6,682 |
6,777 |
|
|
0,156 |
0,027 |
0,276 |
37,756 |
37,783 |
|
|
0.7 |
0,78 |
0,535 |
0,006 |
0,771 |
1,306 |
|
0,624 |
0,348 |
0,009 |
1,029 |
1,557 |
|
|
0,468 |
0,201 |
0,018 |
2,174 |
2,375 |
|
|
0,312 |
0,094 |
0,042 |
5,09 |
5,184 |
|
|
0,156 |
0,027 |
0,199 |
26,256 |
26,283 |
По данным таблицы для каждого значения >о> построили зависимость P>o>(B), Р>с>(B), Р>т>(B) для >о>=0,1 рис. 2.14, >о>=0,3 рис. 2.15, >о>=0,5 рис. 2.16, >о>=0,7 рис. 2.17.
Графики зависимости Р>о>, Р>с>, Р>т> от величины магнитной индукции при λ>о>=0,1.


Рис. 2.14.
Графики зависимости Р>о>, Р>с>, Р>т> от величины магнитной индукции при λ>о>=0,3.


Рис. 2.15.
Графики зависимости Р>о>, Р>с>, Р>т> от величины магнитной индукции при λ>о>=0,5.


Рис. 2.16
Графики зависимости Р>о>, Р>с>, Р>т> от величины магнитной индукции при λ>о>=0,7.


Рис. 2.17
Таблица 2.19. Значение величин для сердечника K12x5x5,5
|
Значение >о> |
Значение B Тл |
Значения величин |
|||
|
Р>с>, Вт |
|
Р>о>, Вт |
Р>т>, Вт |
||
|
0.1 |
0,78 |
0,729 |
0,04 |
4,928 |
5,657 |
|
0,624 |
0,475 |
0,064 |
7,991 |
8,465 |
|
|
0,468 |
0,274 |
0,122 |
15,58 |
15,854 |
|
|
0,312 |
0,128 |
0,344 |
48,437 |
48,565 |
|
|
0,156 |
0,037 |
3,673 |
368,472 |
368,509 |
|
|
0.3 |
0,78 |
0,729 |
0,013 |
1,63 |
2,359 |
|
0,624 |
0,475 |
0,021 |
2,569 |
3,043 |
|
|
0,468 |
0,274 |
0,038 |
4,69 |
4,964 |
|
|
0,312 |
0,128 |
0,092 |
11,532 |
11,661 |
|
|
0,156 |
0,037 |
0,579 |
89,64 |
89,677 |
|
|
0.5 |
0,78 |
0,729 |
0,008 |
1,011 |
1,741 |
|
0,624 |
0,475 |
0,013 |
1,586 |
2,061 |
|
|
0,468 |
0,274 |
0,024 |
2,862 |
3,136 |
|
|
0,312 |
0,128 |
0,055 |
0,786 |
6,914 |
|
|
0,156 |
0,037 |
0,282 |
38,548 |
38,585 |
|
|
0.7 |
0,78 |
0,729 |
0,006 |
0,756 |
1,485 |
|
0,624 |
0,475 |
0,01 |
1,182 |
1,657 |
|
|
0,468 |
0,274 |
0,018 |
2,123 |
2,398 |
|
|
0,312 |
0,128 |
0,04 |
4,963 |
5,091 |
|
|
0,156 |
0,037 |
0,193 |
25,407 |
25,444 |
По данным таблицы для каждого значения >о> построили зависимость P>o>(B), Р>с>(B), Р>т>(B) для >о>=0,1 рис. 2.18, >о>=0,3 рис. 2.19, >о>=0,5 рис. 2.20, >о>=0,7 рис. 2.21.
Графики зависимости Р>о>, Р>с>, Р>т> от величины магнитной индукции при λ>о>=0,1 для сердечника К12х5х5,5.


Рис. 2.18.
Графики зависимости Р>о>, Р>с>, Р>т> от величины магнитной индукции при λ>о>=0,3 для сердечника К12х5х5,5.


Рис. 2.19
Графики зависимости Р>о>, Р>с>, Р>т> от величины магнитной индукции при λ>о>=0,5 для сердечника К12х5х5,5.


Рис. 2.20
Графики зависимости Р>о>, Р>с>, Р>т> от величины магнитной индукции при λ>о>=0,7 для сердечника К12х5х5,5.


Рис. 2.21
Таблица 2.20. Значение величин для сердечника K16x10x4,5
|
Значение >о> |
Значение B Тл |
Значения величин |
|||
|
Р>с>, Вт |
|
Р>о>, Вт |
Р>т>, Вт |
||
|
0.1 |
0,78 |
0,782 |
0,017 |
2,07 |
2,853 |
|
0,624 |
0,509 |
0,027 |
3,275 |
3,784 |
|
|
0,468 |
0,294 |
0,049 |
6,028 |
6,222 |
|
|
0,312 |
0,138 |
0,12 |
15,225 |
15,363 |
|
|
0,156 |
0,04 |
0,915 |
160 |
160,048 |
|
|
0.3 |
0,78 |
0,782 |
0,006 |
0,75 |
1,533 |
|
0,624 |
0,509 |
0,001 |
1,174 |
1,683 |
|
|
0,468 |
0,294 |
0,017 |
2,107 |
2,401 |
|
|
0,312 |
0,138 |
0,04 |
4,922 |
5,059 |
|
|
0,156 |
0,04 |
0,191 |
25,136 |
25,175 |
|
|
0.5 |
0,78 |
0,782 |
0,004 |
0,497 |
1,279 |
|
0,624 |
0,509 |
0,006 |
0,775 |
1,284 |
|
|
0,468 |
0,294 |
0011 |
1,385 |
1,679 |
|
|
0,312 |
0,138 |
0,026 |
3,19 |
3,328 |
|
|
0,156 |
0,04 |
0,117 |
14,826 |
14,901 |
|
|
0.7 |
0,78 |
0,782 |
0,003 |
0,394 |
1,176 |
|
0,624 |
0,509 |
0005 |
0,614 |
1,123 |
|
|
0,468 |
0,294 |
0,009 |
1,095 |
1,389 |
|
|
0,312 |
0,138 |
0,021 |
2,507 |
2,645 |
|
|
0,156 |
0,04 |
0,09 |
11,284 |
11,324 |
По данным таблицы для каждого значения >о> построили зависимость P>o>(B), Р>с>(B), Р>т>(B) для >о>=0,1 рис. 2.22, >о>=0,3 рис. 2.23, >о>=0,5 рис. 2.24, >о>=0,7 рис. 2.25.
Графики зависимости Р>о>, Р>с>, Р>т> от величины магнитной индукции при λ>о>=0,1 для сердечника К16х10х4,5.


Рис. 2.22
Графики зависимости Р>о>, Р>с>, Р>т> от величины магнитной индукции при λ>о>=0,3 для сердечника К16х10х4,5.


Рис. 2.23
Графики зависимости Р>о>, Р>с>, Р>т> от величины магнитной индукции при λ>о>=0,5 для сердечника К16х10х4,5.


Рис. 2.24
Графики зависимости Р>о>, Р>с>, Р>т> от величины магнитной индукции при λ>о>=0,7 для сердечника К16х10х4,5.


Рис. 2.25
Таблица 2.21. Значения I>μm> и P>вых.макс> при заданных B>опт >и данном λ>о>
|
Размер сердечника |
λ>о> |
B>опт,> Тл |
I>μm> |
P>вых.макс.>, Вт |
|
2К10х6х3 |
0,1 |
0,081 |
0,2 |
5,2 |
|
0,3 |
0,064 |
0,2 |
14,1 |
|
|
0,5 |
0,052 |
0,2 |
21,8 |
|
|
0,7 |
0,013 |
0,2 |
30,6 |
|
|
2К12х8х3 |
0,1 |
0,011 |
0,2 |
5,3, |
|
0,3 |
0,025 |
0,2 |
12,7 |
|
|
0,5 |
0,03 |
0,2 |
25,5 |
|
|
0,7 |
0,55 |
0,2 |
57,3 |
|
|
К12х5х5,5 |
0,1 |
0,52 |
0,2 |
30,1 |
|
0,3 |
0,6 |
0,2 |
42,5 |
|
|
0,5 |
0,72 |
0,2 |
54,9 |
|
|
0,7 |
0,75 |
0,2 |
59,1 |
Из таблицы видно, что максимальная выходная мощность сердечников 2К10х6х3, 2К12х8х3, К12х5х5,5 при всех λ>о> меньше заданной, значит они не подходят для нашего трансформатора, и дальнейший расчёт для них не ведём.
Рассчитали величины P>т.опт>, P>c>, P>т> по формулам (2.8), (2.14). Полученные данные свели в таблицу.
Таблица 2.22. Рассчитанные параметры сердечников
|
Типоразмер Сердечника |
>о> |
Значения величин |
||||||
|
B>опт>, Тл |
|
Р>с>, Вт |
P>т.опт>, Вт |
P>т>, Вт |
М>т>, гр |
V>т>, см³ |
||
|
K16x10x4,5 |
0.1 |
0,98 |
1,483∙10-3 |
0,738 |
1,398 |
1,218 |
3,65 |
1,05 |
|
0.3 |
0,77 |
1,476∙10-3 |
0,86 |
0,941 |
0,76 |
4,93 |
1,38 |
|
|
0.5 |
0,7 |
1,474∙10-3 |
1,019 |
0,813 |
0,64 |
6,49 |
1,78 |
|
|
0.7 |
0,67 |
1,473∙10-3 |
1,183 |
0,761 |
0,58 |
8,37 |
2,31 |
По данным таблицы построили зависимости P>т.опт>(о), Р>т>(о), Р>т.макс>(о) на рис. 2.26 и М>т>(о), V>т>(о) на рис. 2.27.
График зависимости P>т.опт>(о), Р>т>(о).

Рис. 2.26
График зависимости М>т>(о), V>т>(о).

Рис. 2.27
Нашли по точке пересечения графика зависимости Р>с>(>о>) и P>т.опт.>(>о>) величину >о>: >о>=0,54≈0,5.
При этом >о >сняли с графиков M>т>(>о>) и V>т>(>о>) массу M>т> и объём трансформатора V>т>: M>т>=6,8 гр; V>т>=1,9 см3.
Нашли значения плотностей тока для первичной j>1>, вторичной j>2> обмоток[8]:
, (2.16)
j1 = 1.474·(/2.07·30000·1.35·10-5/2.38·10-8·0.02) = 2.952·106 А/м2,
где
=
– величина магнитной индукции,
соответствующей >о>=0,54;
S=0,5·h>c>·(D>c>-d>c>) – площадь сечения сердечника магнитопровода, м2;
S=0,5·4,5·(16–10)=13,5 мм2;
=[1,75·10-8(1+0,004·(130–20))]=2,38·10-8 Ом·мм – удельное электрическое сопротивление материала провода – меди с учетом повышения температуры за счет потерь;
– средняя длина витка обмотки, мм.
20 мм.
,
(2.17)
2,948·106
А/м2.
Определили коэффициент полезного действия η>т> нашего трансформатора на выбранном сердечнике К16х10х4,5:
(2.18)
=60
– мощность, даваемая трансформатором
во вторичную обмотку, Вт;
=0,813
– мощность потерь в сердечнике при
λ>о>=0,54
(по формуле 2.14), Вт.

Определили конструктивные данные первичной обмотки.
Число витков первичной обмотки [8]:
. (2.19)
W>1>= 600/(2 (1+1.474·10-3)·30000·0.7·1.35·10-6) 1050.
Cечение провода в первом приближении:
(2.20)
q>1,1 >= 60/(0.98·600·2.952·10-6) = 5.4·10-8 м2.
По найденному сечению провода q>1,1> определили диаметры активного сечения провода без изоляции d>пр> и с изоляцией d>из>:
d>пр> =0,83 мм,
d>из> =0,89 мм.
Затем определили коэффициент заполнения сечения обмотки проводом в первом приближении >п1,1>:
(2.21)
где К>у> – коэффициент укладки. Так как диаметр провода d>пр>> 0,3 мм, то К>у>=0,9. Подставив значения получили:
>п1,1 >= 0,9·(3,14/4)·(0,83·10-3/0,89·10-3)2 = 0,644
По известным значениям W>1>, q>1,1>, >п1,1> нашли площадь окна сердечника, занятую первичной обмоткой в первом приближении S>1,1>:
. (2.22)
S>1,1 >= 23.4∙10-5 м2.
Определили размеры сердечника после изоляции. Количество слоёв изоляции выбрали n=1, толщину изоляции =0,15 мм. Тогда получим:
D>си>=D>c>+2··n=0.017 м, (2.23)
d>си>=d>c>+2··n=0.011 м, (2.24)
h>си>=h>c>+2··n=0.005 м. (2.25)
Определили коэффициент заполнения окна сердечника обмоткой в первом приближении:
.
(2.26)
>01,1> = 0,975
Нашли среднюю длину витка первичной обмотки в первом приближении:
=0.028 м
(2.27)
Определили во втором приближении сечение провода первичной обмотки:
=1.329∙10-7 м2. (2.28)
Провели цикл вычислений, получили следующие неравенство:
, (2.29)
расчёт остановили при Δ=0,05.
Определили размеры эквивалентного тороидального сердечника после намотки на него первичной обмотки:
Определили внешний диаметр эквивалентного тороидального сердечника:
,
(2.30)
D>1>=0,02 м
Нашли внутренний диаметр эквивалентного тороидального сердечника:
, (2.31)
d>1>= 0,004 м,
Определили высоту эквивалентного тороидального сердечника:
. (2.32)
h>1>=0,011 м.
Определили конструктивные данные вторичной обмотки.
Определили число витков вторичной обмотки:
. (2.33)
W>21>=530; W>22>=210; W>23>=90
Сечение провода в первом приближении:
. (2.34)
q>2,1>=0,678∙10-6 м2; q>2,2 >= 4∙10-6 м2; q>2,3> =1,696∙10-6 м2;
По найденным сечениям проводов определили диаметры активного сечения провода без изоляции d>пр> и с изоляцией d>из>:
d>пр2,1> = 0,93 мм, d>пр2,2> = 2,26 мм, d>пр2,3> = 1,5 мм,
d>из2,1> = 0,99 мм, d>из2,2> = 2,36 мм, d>из2,3> = 1,58 мм.
Коэффициент заполнения сечения обмотки проводом >п2,1>:
>п2.1 >= 0,62 >п2.2 >= 0,64 >п2.3 >= 0,63.
По известным значениям W>2>, q>2,1>, >п2,1> нашли площадь окна сердечника, занятую вторичной обмоткой S>2,1>:
. (2.35)
S>2,1>= 1,74∙10-5 м2 S>2,1>= 3,93∙10-5 м2 S>2,1>= 0,74∙10-5 м2
Коэффициент заполнения окна сердечника обмоткой нашли по формуле:
. (2.36)
>02.1>=0,22 >02.2>=0,39 >02.3>=0,15
Нашли среднюю длину витка первичной обмотки:
. (2.37)
i>w>>2,1>=24 мм. i>w>>2,2>=24 мм. i>w>>2,3>=24 мм.
Нашли во втором приближении сечение провода вторичной обмотки:
(2.38)
q>2,21>=4,5∙10-6 м2; q>2,22>=1,1∙10-6 м2; q>2,23>=0,6∙10-6 м2.
Провели циклы вычислений, пока не выполнилось неравенство:
, (2.39)
расчёт остановили при Δ=0,05.
Определили размеры эквивалентного тороидального сердечника после намотки на него первичной и вторичной обмоток:
Определили внешний диаметр:
, (2.40)
D>2>=20 мм,
Определили внутренний диаметр:
, (2.41)
d>2>=3 мм,
Определили высоту:
(2.42)
h>2>=7,4 мм.
В ходе расчета были получены данные трансформатора, соответствующие требуемому. Трансформатор имеет:
P2=60 Вт;
Е1=600 В;
U>21>=15 В; U>22>=5; U>23>= 12 В;
f =30 кГц;
Т>тмах> =130 0С;
m>1>=2, m>2>=3;
α=0,0014 Вт/см∙ 0С;
η>т>=98,6%;
I>м>>max>< 0,2; T>o>=40 C.
Сердечник К16104,5, покрытый лаком КФ 965, и изолированный с торцевой стороны кольцами из картона с обортовкой, и одним слоем из стеклоленты с половинным перекрытием толщиной 0,15 мм.
3. Безопасность и экологичность при изготовлении, ремонте и обслуживании гелиогенератора
3.1 Описание рабочего места, оборудования и выполняемых технологических операций
Помещение размером 66 – аккумуляторная комната, в ней находятся аккумуляторная батарея и система управления гелеоисточником. В лаборатории работает 1 человек 2 часа в рабочий день. При работе используются следующие инструменты: набор ключей, набор отверток, плоскогубцы, мультиметр. Работа заключается в поиске и устранении неисправности оборудования, при необходимости, монтаж, демонтаж отдельных его блоков. В данном помещении должно быть естественное и искусственное общее освещение в соответствии с СНиП 11–4–95, а также отопление и вентиляция в соответствии с ГОСТ 12.1.005–76.
Общая площадь помещения составляет: S>общ> = 36м2.
Высота помещения: h = 3 м.
Объем помещения: V = 36*3=108 м3.
На одного работающего приходится пространство площадью 36 м2 и объемом 108 м3. Согласно требованиям СНиП 2.09.04–87 объем помещения на одного работающего должен составлять не менее 20 м3, площадь – не менее 6 м2. Следовательно, условия для работы в лаборатории вполне благоприятны.
3.2 Идентификация опасных и вредных производственных факторов
Исследования условий труда показали, что факторами производственной среды в процессе труда являются:
Санитарно-гигиеническая обстановка, определяющая внешнюю среду в рабочей зоне – микроклимат, механические колебания, излучения, температуру, освещение и другие, как результат воздействия применяемого оборудования, сырья, материалов, технологических процессов;
Психофизиологические элементы: рабочая поза, физическая нагрузка, нервно-психологическое напряжение и другие, которые обусловлены самим процессом труда;
Опасные и вредные производственные факторы, связанные с характером работы:
повышенное напряжение в электрической цепи, замыкание которой может произойти через тело человека;
повышенная температура поверхностей оборудования;
не соответствие условий микроклимата помещения, в котором производятся работы;
опасность возникновения пожара;
травматизм связанный с использованием инструмента;
повышенное содержание в воздухе рабочей зоны пыли, а также вредных и пожароопасных веществ;
Для защиты от общих производственных загрязнений и механических воздействий электромонтеры обязаны использовать предоставляемые работодателями бесплатно комбинезон хлопчатобумажный, ботинки кожаные, рукавицы комбинированные, костюмы на утепляющей прокладке и валенки для зимнего периода.
При нахождении на территории стройплощадки электромонтеры должны носить защитные каски.
Находясь на территории строительной (производственной) площадки, в производственных и бытовых помещениях, участках работ и рабочих местах, электромонтеры обязаны выполнять правила внутреннего распорядка, принятые в данной организации.
Допуск посторонних лиц, а также работников в нетрезвом состоянии на указанные места запрещается.
В процессе повседневной деятельности электромонтеры должны:
применять в процессе работы инструмент по назначению, в соответствии с инструкциями заводов-изготовителей;
поддерживать инструмент и оборудование в технически исправном состоянии, не допуская работу с неисправностями, при которых эксплуатация запрещена;
быть внимательными во время работы и не допускать нарушений требований безопасности труда.
При организации условий труда необходимо также учитывать воздействие на работающих опасных и вредных производственных факторов, которые могут привести к травме или другому внезапному резкому ухудшению здоровья и заболеванию или снижению работоспособности.
Травма, вызванная воздействием на организм электрического тока или электрической дуги, называется электротравмой.
Электротравмы возможны в результате непосредственного контакта человека с токоведущими частями электроустановки, а также в случаях прикосновения к металлическим конструктивным нетоковедущим частям электрооборудования, изоляция которого нарушена и имеет место замыкание токоведущих частей на корпус.
Запыленность и загазованность воздуха. Многие технологические процессы сопровождаются выделением пыли и газов, паров и аэрозолей Газовыделением сопровождаются работы в аккумуляторных цехах, сварочные и др. Выделение паров характерно для гальванических участков, аккумуляторных. С целью исключения вредного влияния пыли, газов, паров и аэрозолей на организм содержание их в воздухе нормируют (см. ГОСТ 12.1.005–76), устанавливая ПДК. В случаях превышения ПДК ограничивают время работы, используют средства индивидуальной защиты, применяют вентиляцию.
Электромагнитные излучения. Электромагнитные излучения различают по частоте колебания или длине волны. Наиболее длинные волны – это колебания промышленной или другой звуковой частоты, а также ультразвуковые, у которых длина волн выше 10 км или частота ниже 30 кГц. Длинные и средние волны (от 10 км до 100 м), т.е. колебания высокой частоты (ВЧ – до 3 МГц). Для защиты от таких излучений. Их источники экранируют листовым металлом высокой электропроводности толщиной не менее 0,5 мм. Отверстия в экране для кнопок, штурвалов экранируют металлической сеткой с ячейками не более 44 мм. Экраны заземляют. Длительное воздействие электромагнитных полей ВЧ напряженностью более допустимой приводит к обратимым функциональным изменениям в центральной нервной системе, печени, селезенке, что проявляется головной болью, повышенной утомляемостью, нарушением сна, раздражительностью, замедлением пульса, понижением кровяного давления.
3.3 Организационно-технические мероприятия по созданию безопасных условий труда при ремонте
Электромонтеры, прошедшие соответствующую подготовку, имеющие III группу по электробезопасности и профессиональные навыки и не имеющие противопоказаний по возрасту по выполняемой работе, перед допуском к самостоятельной работе должны пройти:
обязательные предварительные (при поступлении на работу) и периодические (в течение трудовой деятельности) медицинские осмотры (обследования) для признания годными к выполнению работ в порядке, установленном Минздравом России;
обучение безопасным методам и приемам выполнения работ, инструктаж по охране труда, стажировку на рабочем месте и проверку знаний требований охраны труда.
Электромонтеры обязаны соблюдать требования безопасности труда для обеспечения защиты от воздействия
Электромонтеры обязаны немедленно извещать своего непосредственного или вышестоящего руководителя о любой ситуации, угрожающей жизни и здоровью людей, о каждом несчастном случае, происшедшем на производстве, или об ухудшении состояния своего здоровья, в том числе о появлении острого профессионального заболевания (отравления).
Требования безопасности перед началом работы:
1. Перед началом работы электромонтеры обязаны:
а) предъявить руководителю удостоверение о проверке знаний безопасных методов работ, получить задание и пройти инструктаж на рабочем месте по специфике выполняемых работ;
б) надеть спецодежду и спецобувь установленного образца;
в) при выполнении работ повышенной опасности ознакомиться с мероприятиями, обеспечивающими безопасное производство работ, и расписаться в наряде-допуске, выданном на поручаемую работу.
2. После получения задания у руководителя работ и ознакомления, в случае необходимости, с мероприятиями наряда-допуска электромонтеры обязаны:
а) подготовить необходимые средства индивидуальной защиты, проверить их исправность;
б) проверить рабочее место и подходы к нему на соответствие требованиям безопасности;
в) подобрать инструмент, оборудование и технологическую оснастку, необходимые при выполнении работы, проверить их исправность и соответствие требованиям безопасности;
г) ознакомиться с изменениями в схеме электроснабжения потребителей и текущими записями в оперативном журнале.
3. Электромонтеры не должен приступать к выполнению работ при следующих нарушениях требований безопасности:
а) неисправности технологической оснастки, приспособлений и инструмента, указанных в инструкциях заводов-изготовителей, при которых не допускается их применение;
б) несвоевременном проведении очередных испытаний основных и дополнительных средств защиты или истечении срока их эксплуатации, установленного заводом-изготовителем;
в) недостаточной освещенности или при загроможденности рабочего места;
г) отсутствии или истечении срока действия наряда-допуска при работе в действующих электроустановках. Обнаруженные нарушения требований безопасности должны быть устранены собственными силами до начала работ, а при невозможности сделать это электромонтеры обязаны сообщить о них ответственному руководителю работ.
Требования безопасности во время работы
1. Электромонтеры обязаны выполнять работы при соблюдении следующих требований безопасности:
а) произвести необходимые отключения и принять меры, препятствующие подаче напряжения к месту работы вследствие ошибочного или самопроизвольного включения коммутационной аппаратуры;
б) наложить заземление на токоведущие части;
в) оградить рабочее место инвентарными ограждениями и вывесить предупреждающие плакаты;
г) отключить при помощи коммутационных аппаратов или путем снятия предохранителей токоведущие части, на которых производится работа, или те, к которым прикасаются при выполнении работы, или оградить их во время работы изолирующими накладками (временными ограждениями);
д) принять дополнительные меры, препятствующие ошибочной подаче напряжения к месту работы, при выполнении работы без применения переносных заземлений;
е) на пусковых устройствах, а также на основаниях предохранителей вывесить плакаты «Не включать – работают люди!»;
ж) на временных ограждениях вывесить плакаты или нанести предупредительные надписи «Стой – опасно для жизни!»;
з) проверку отсутствия напряжения производить в диэлектрических перчатках;
и) зажимы переносного заземления накладывать на заземляемые токоведущие части при помощи изолированной штанги с применением диэлектрических перчаток;
2. Смену плавких вставок предохранителей при наличии рубильника следует производить при снятом напряжении. При невозможности снятия напряжения (на групповых щитках, сборках) смену плавких вставок предохранителей допускается производить под напряжением, но при отключенной нагрузке.
3. Смену плавких вставок предохранителей под напряжением электромонтер должен производить в защитных очках, диэлектрических перчатках, при помощи изолирующих клещей.
4. Перед пуском оборудования, временно отключенного по заявке неэлектротехнического персонала, следует осмотреть его, убедиться в готовности к приему напряжения и предупредить работающих на нем о предстоящем включении.
5. Присоединение и отсоединение переносных приборов, требующих разрыва электрических цепей, находящихся под напряжением, необходимо производить при полном снятии напряжения.
6. При выполнении работ во взрывоопасных помещениях электромонтерам не разрешается:
а) ремонтировать электрооборудование и сети, находящиеся под напряжением;
б) эксплуатировать электрооборудование при неисправном защитном заземлении;
в) включать автоматически отключающуюся электроустановку без выяснения и устранения причин ее отключения;
г) оставлять открытыми двери помещений и тамбуров, отделяющих взрывоопасные помещения от других;
д) заменять перегоревшие электрические лампочки во взрывозащищенных светильниках лампами других типов или большей мощности;
е) включать электроустановки без наличия аппаратов, отключающих электрическую цепь при ненормальных режимах работы;
ж) заменять защиту (тепловые элементы, предохранители, расцепители) электрооборудования защитой другого вида с другими номинальными параметрами, на которые данное оборудование не рассчитано.
7. При работе в электроустановках необходимо применять исправные электрозащитные средства: как основные (изолирующие штанги, изолирующие и электроизмерительные клещи, указатели напряжения, диэлектрические перчатки), так и дополнительные (диэлектрические галоши, коврики, переносные заземляющие устройства, изолирующие подставки, оградительные подставки, оградительные устройства, плакаты и знаки безопасности).
8. Работы в условиях с повышенной опасностью следует осуществлять вдвоем в следующих случаях:
а) с полным или частичным снятием напряжения, выполняемого с наложением заземлений (отсоединение и присоединение линий к отдельным электродвигателям, переключения на силовых трансформаторах, работы внутри распределительных устройств);
б) без снятия напряжения, не требующего установки заземлений (электрические испытания, измерения, смена плавких вставок предохранителей и т.п.);
в) с приставных лестниц и подмостей, а также там, где эти операции по местным условиям затруднены;
9. Измерение сопротивления изоляции мегаомметром следует осуществлять только на полностью обесточенной электроустановке. Перед измерением следует убедиться в отсутствии напряжения на испытываемом оборудовании.
10. При регулировке выключателей и разъединителей, соединенных с проводами, электромонтерам следует принять меры, предупреждающие возможность непредвиденного включения приводов посторонними лицами или их самопроизвольного включения.
11. В процессе работы электромонтерам запрещается:
а) переставлять временные ограждения, снимать плакаты, заземления и проходить на территорию огражденных участков;
б) применять указатель напряжений без повторной проверки после его падения;
в) пользоваться для заземления проводниками, не предназначенными для этой цели, а также присоединять заземление путем скрутки проводников;
г) применять автотрансформаторы, дроссельные катушки и реостаты для получения понижающего напряжения;
д) пользоваться стационарными светильниками в качестве ручных переносных ламп.
Требования безопасности по окончании работы
По окончании работы электромонтеры обязаны:
а) убрать инструмент, приборы и средства индивидуальной зашиты в отведенные для них места;
б) привести в порядок рабочее место;
в) убедиться в отсутствии очагов загорания;
3.4 Расчет защиты от грозовых перенапряжений
Виды грозовых перенапряжений:
В зависимости от наличия и класса пожаро- или взрывоопасных зон в данном здании с точки зрения требований к конструкции электрооборудования требуется одна из трех категорий молниезащиты или необязательна молниезащита вообще.
Молниезащита категории I (наиболее совершенная) применяется для зданий с взрывоопасными зонами классов B-I и B-II. Все это не сельские объекты.
Молниезащита категории II используется для производственных зданий с зонами классов B-Ia, B-I6 и В-Па (при условии, что они занимают не менее 30% объема на всех этажах, а если менее, то либо все здание защищают по категории III, либо часть по категории II, а часть – по категории III), а также для защиты открытых установок В 1г, которая обязательна на всей территории РФ, в то время как Молниезащита категории II для зданий требуется только в местностях, где бывает не менее десяти грозовых часов в год. Молниезащиту категории II на селе устраивают, например, для аммиачных холодильников, мельниц, заводов или цехов по производству кормов, сенной муки, складов некоторых удобрений, химикатов.
Для остальных производственных, жилых и общественных зданий нужно сооружать молниезащиту категории III или не обязательно сооружать ее в зависимости от назначения и характера здания, степени его огнестойкости, количества грозовых часов в год в данной местности (как правило, если оно не менее 20), и также и от ожидаемого количества прямых ударов в здание в год.
Для многих объектов молниезащиты определяют независимо от количества ожидаемых прямых ударов молнии (при 20 и более грозовых часов в год). Молниезащиту категории III сооружают в следующих случаях: для наружных установок класса II–III, для зданий степени огнестойкости III…V – детских садов, яслей, школ, интернатов и др.
Для защиты от прямого удара молнии часто применяются стержневые молниеотводы. Стержневой молниеотвод представляет собой вертикальный стальной стержень любого профиля, укрепленный на опоре, стоящей поблизости от защищаемого объекта, или на его крыше. Расстояние от отдельно стоящего молниеотвода до защищаемого здания не нормируется. Сечение стального стержня называемого молниеприемником, должно быть не менее 100 мм2, а длина – не менее 200 мм. Его соединяют с заземлителем с помощью токоотвода из стальной катанки диаметром не менее 6 мм (в земле не менее 10 мм).
Целью расчета является определение высоты стержневого молниеотвода, способного обеспечить защиту с зоной Б. Соотношения характеризующие эту зону у единичного стержневого молниеотвода, следующее:
Н 2R>x>/3 + H>x>/0.92;
где R>x> – радиус круга горизонтального сечения зоны защиты на высоте Н>х, >м;
Н – высота стержневого молниеотвода, м;
Значения величин приняли равными:
R>x>=4.25 м;
H>x>=3 м;
Подставив значения получили:
Н 2·4,25 м/3 + 3 м/0.92;
Н 6,09 м;
Выбрали высоту молниеотвода равную 6,25 м.
По результатам расчета получили значение высоты молниеотвода Н=6,25 м. Данный молниеотвод устанавливается на крыше и предназначается для обеспечения безопасной работы в помещении аккумуляторной комнаты человека и дорогостоящего оборудования.
3.5 Обеспечение пожарной безопасности на рабочем участке
Организационные меры по противопожарной защите включают: обучение рабочих правилам пожарной безопасности, организацию пожарной охраны, разработку необходимых инструкций и т.п. Технические мероприятия предусматривают соблюдение противопожарных правил и норм при устройстве систем отопления, вентиляции, кондиционирования воздуха, установке оборудования в помещении и др.
Для локализации начавшегося пожара используют ручные огнетушители, которые устанавливаются вблизи защищаемых объектов и рабочих мест, опасных в пожарном отношении. Для тушения электроустановок должны применяться углекислотные или порошковые огнетушители.
При возникновении загорания в электроустановке или опасности поражения окружающих электрическим током в результате обрыва кабеля (провода) или замыкания необходимо обесточить установку, если же сделать быстро это не удается а пожар быстро распространяется то допускается тушение, но с соблюдением особых мер безопасности. Для тушения пожара электрооборудования можно использовать воду (распыленную или компактной струей), воздушно-механическую пену, инертный газ, порошки и другие огнегасительные средства. Следует помнить, что для тушения магниевых сплавов воду и пенные огнетушители применять нельзя.
Тушение пожара электроустановок, не находящихся под напряжением, допускается любыми гасящими средствами.
Для быстрого извещения о возникшем пожаре применяется автоматическая пожарная сигнализация (датчики тепловые и световые), а также сигнализация ручного действия, при которой нужно разбить стекло на корпусе извещателя и нажать кнопку.
3.6 Экологическая экспертиза разрабатываемого проекта
Экологическая экспертиза – это система комплексной оценки всех возможных экологических и социально-экономических последствий осуществления проекта, направленная на предотвращение их отрицательного воздействия на окружающую среду и на решение намеченных задач с наименьшими затратами природных ресурсов. Она предполагает контроль соответствия установленных нормативных требований и внедрение научно-технических достижений по защите окружающей среды.
Установка гелиогенератора представляет собой блочно-модульную конструкцию, а также имеет ряд внешних блоков (приемники солнечного света). Все компоненты выполнены в закрытых корпусах с учетом требований электро- и пожаробезопасности и не представляет какой-либо опасности для экологии и социально-экономической сферы в процессе эксплуатации.
3.7 Безопасность объекта при аварийных и чрезвычайных ситуациях
Для заблаговременной подготовки к возможным аварийным ситуациям и стихийным бедствиям, своевременного предупреждения о возникновении данных ситуаций, выполнении спасательных работ, а также ликвидации последствий необходим комплекс организационных, инженерно-технических и других мероприятий, проводимых как заблаговременно так и в ходе выполнения спасательных работ.
Прежде всего, необходимо выявление производственных объектов, расположенных в непосредственной близости от селитебной зоны, аварии на которых могут привести к большим разрушениям, поражению людей и заражению территории (предприятия, связанные с добычей, хранением и переработкой нефтепродуктов, взрывоопасных и легковоспламеняющихся веществ; объекты химической промышленности; предприятия автомобильного транспорта; плотины; водохранилища и т.д.). Каждый из таких объектов имеет характерные для него варианты возможных аварий и масштабы последствий.
При грозах, в результате воздействия молнии, может возникнуть большой скачок напряжения в сети, в результате чего может произойти возгорание электрической техники, работающей в данный момент.
Одной из опасных ситуаций является землетрясение, в результате которого может произойти частичное или полное разрушение здания. При таких авариях необходимо проведение спасательных работ: поиск пострадавших, извлечение людей из-под завалов, оказание медицинской помощи пострадавшим, доставка продовольствия и медикаментов. При возникновении первых толчков необходима срочная эвакуация людей из зоны землетрясения.
В остальных случаях здание является достаточной защитой для людей и приборов, находящихся в нем.
Заключение
В дипломном проекте была спроектирована система управления гелеоисточником, для энергохозяйства промышленного или жилого загородного объекта мощностью 30 кВт, конструкция печатной платы системы управления, также был спроектирован блок питания для системы управления. Ядром системы управления служит микросхема Motorola MC3PHAC, которая имеет 6 выходных каналов трехфазного ШИМ управления силовыми ключами автономного инвертора. Система управления способна автоматически регулировать выходную мощность по обратной связи по напряжению, которая заводится на вход АЦП микросхемы. Отслеживать потребляемый ток промежуточного контура, при превышении останавливать работу устройства и переходить на питание от внешней сети. Следить за температурой в силовых модулях.
Список литературы
1. Интернет: http://www.freescale.com. Сайт фирмы Motorola.
2. Интернет: http://www.ir.com. Сайт фирмы International Rectifier.
3. Интренет: http://tech.freelook.msk.ru. Научный электротехнический сайт «Свободный взгляд».
4. Мануковский Ю.М., Пузаков А.В. Широко регулируемые автономные транзисторные преобразователи частоты. Кишинев: Штиница, 1990. – 152 с.
5. Козаченко В.Ф. Микроконтроллеры: руководство по применению 16 разрядных микроконтроллеров Intel MCS 196/296 во встроенных системах управления. – М.: Издательство ЭКОМ, 1997. – 688 с.
6. Бычков М.Г. Модули ШИМ в микроконтроллерах фирмы Motorola для систем управления электроприводом //Chip News, 1997, №11–12, с. 41–45.
7. Интегральные микросхемы: Перспективные изделия. Выпуск 3 – М.: ДОДЭКА, 1997. – 96 с.
8. Методические указания к выполнению курсового проекта «Расчет трансформатора двухтактных преобразовательных устройств». Слукин А.М., 1994 г.
9. Ферриты и магнитодиелектрики: Справочник Общ. ред. Н.Д. Горбунов, Г.А. Матвеев. М.: Сов. радио, 1972. 239 с.
10. Бальян Р.Х. Трансформаторы для радио электроники. – М.: Сов. радио, 1971. 720 с.
11. Скаржепа В.А., Луценко А.Н. «Электроника и микросхематехника», ч1 «Электронные устройства информационной автоматики». – К.:ВШ, 1989 г. – 431 с.
12. «Аналоговые интегральные микросхемы»: Справочник / Б.П. Кудряшов, Ю.В. Назаров, Б.В. Тарабрин, В.А. Куйбышев. – М.: Радио и связь, 1981 г. – 160 с
13. Справочник по электронике для молодого рабочего: 4 е изд., переработанное и дополненное – М.: Высшая школа 1987 г. – 272 с.
14. Резисторы. Справочник / Ю.Н. Андреев, А.И. Антонян, Д.М. Иванов и др. Под редакцией И.И. Четвертакова. – М.: Энергоатомиздат, 1981. – 352 стр.
15. Электрические конденсаторы и установки: Справочник / В.П. Берзан, Б.Ю. Геликман, М.Н. Гураевский, и др. Под редакцией Г.С. Кучинского. – М.: Энергоатомиздат, 1987 г. – 656 стр.
16. Зиновьев Г.С. Основы силовой электроники: Учебное пособие. – Издание второе исправленное и дополненное. – Новосибирск: Издательство НГТУ, 2003, 664 стр.
17. Интернет: http://www.intersolar.ru Сайт центра солнечной энергии «Интерсоларцентр
18. Безопасность жизнедеятельности (охрана труда) УЧЕБНОЕ ПОСОБИЕ (электронная версия). Вологда 2001